高级工技能操作试题
- 格式:doc
- 大小:58.50 KB
- 文档页数:3
一、用万用表测量直流电流、电压1、准备要求(1)材料准备:砂布棉纱记录纸(2)工具、量具、用具准备:记录笔清洁工具(3)考场准备:万用表桌椅测试电路装置2、技术说明及要求(1)测量值不确定时,应将万用表量程选至最大量程。
(2)测量直流电流时,万用表应与被测电路串联。
(3)测量超2500V直流电压时,应选用专用测试线,将一测试杆的一端固定在电路的电位3、操作程序的规定及说明(1)准备工作报告开始;劳动保护着装,材料、工具选择(2)开机正确连线、开机(3)调零水平置放万用表,将指针读数(或数字显示)准确调在零位上(4)测量电流① 将功能选择调至电流测量位置,被测电路中的电流不能确定时,应将电流量程选至最大量程位置② 将万用表两测试杆串联在被测电路中,并用砂布擦拭测试杆③ 根据初测电流值,选择确定电流量程挡;测量并读取测量值(5)测量电压① 将功能选择调至电压测量位置,被测电路中的电压不能确定时,应将电压量程选至最大量程位置② 将万用表两测试杆跨接在被测电路两端,当电压为2500V时应将一测试杆固定在电路的电位上③ 根据初测电压值,选择确定电压量程挡;测量并读取测量值(6)清洁场地、保养工用具设备清洁操作场地;清洁万用表测试杆;材料、设备、工用具归位(7)安全文明生产严格按操作规程操作;严格遵守环保要求;设备、工用具轻拿轻放;语言文明,尊重考评人员和工作人员(8)报告操作结束报告操作结束;立即退出操作场地(9)其他超时及其他扣分二、维护保养高级孔板阀1、准备要求(1)材料准备:棉纱润滑油清洗剂(或专用清洗液)验漏液密封脂胶垫(2)工具、量具、用具准备:活动扳手(2把)铜丝刷螺丝刀清洁工具毛刷油盆专用手柄注脂器剪刀密封垫直尺游标卡尺(检查两证齐全)松动剂记录纸记录笔(3)考场准备:符合鉴定流程高级孔板阀2、技术要求说明(1)按拆装孔板阀的操作规程进行操作。
(2)拆装压板时,应对角松、紧螺丝。
(3)孔板不得装反。
高级工考试试题及答案一、单项选择题(每题2分,共20分)1. 以下哪项不是高级工应具备的基本技能?A. 熟练掌握专业理论知识B. 能够独立完成复杂工作任务C. 良好的沟通协调能力D. 仅限于基础操作技能2. 在高级工的工作中,以下哪项不是必须具备的职业道德?A. 爱岗敬业B. 诚实守信C. 团队合作D. 个人主义3. 根据《劳动法》,高级工的工作时间安排应遵守以下哪项规定?A. 每日工作时间不得超过8小时B. 每周工作时间不得超过40小时C. 每日工作时间不得超过10小时D. 每周工作时间不得超过48小时4. 高级工在进行专业技能培训时,以下哪项不是培训内容?A. 专业技能提升B. 安全生产知识C. 个人兴趣爱好培养D. 职业素养教育5. 以下哪项不是高级工应具备的创新能力?A. 问题解决能力B. 技术改进能力C. 重复性工作能力D. 创新思维能力二、多项选择题(每题3分,共15分)6. 高级工在进行工作时,以下哪些因素是必须考虑的?A. 工作效率B. 工作质量C. 工作成本D. 个人情绪7. 在团队协作中,高级工应发挥哪些作用?A. 技术指导B. 团队协调C. 任务分配D. 个人表现8. 高级工在职业发展中,以下哪些能力是重要的?A. 专业技能B. 管理能力C. 学习能力D. 社交能力9. 高级工在面对工作中的挑战时,以下哪些态度是正确的?A. 积极面对B. 逃避责任C. 寻求帮助D. 独立解决10. 高级工在进行技术创新时,以下哪些做法是可取的?A. 借鉴他人经验B. 独立思考C. 盲目模仿D. 勇于尝试三、判断题(每题1分,共10分)11. 高级工在任何情况下都必须遵守企业的规章制度。
()12. 高级工的技术水平是衡量其工作能力的唯一标准。
()13. 高级工在工作中可以完全依赖自动化设备,而不需要人工干预。
()14. 高级工在进行技术创新时,不需要考虑成本因素。
()15. 高级工在团队中应发挥领导作用,引导团队成员完成任务。
高级工考试试题及答案一、单项选择题(每题2分,共20分)1. 请从下列选项中选择正确的答案。
A. 正确B. 错误C. 可能D. 不确定正确答案:A2. 下列哪个选项是高级工考试的主要内容?A. 理论知识B. 实际操作C. 团队协作D. 以上都是正确答案:D3. 高级工考试的合格标准是?A. 60分B. 70分C. 80分D. 90分正确答案:C4. 高级工考试的考试形式包括哪些?A. 笔试B. 口试C. 实操D. 以上都是正确答案:D5. 高级工考试的考试时长通常为?A. 1小时B. 2小时C. 3小时D. 4小时正确答案:C6. 考试中遇到不会的题目应该?A. 跳过B. 猜测C. 放弃D. 求助监考老师正确答案:A7. 高级工考试的目的是什么?A. 选拔人才B. 检验技能C. 提升水平D. 以上都是正确答案:D8. 考试中使用手机的后果是?A. 警告B. 扣分C. 取消资格D. 以上都是正确答案:C9. 高级工考试的评分标准是什么?A. 客观题B. 主观题C. 综合评定D. 以上都是正确答案:D10. 高级工考试的通过率通常是多少?A. 50%B. 60%C. 70%D. 80%正确答案:C二、多项选择题(每题3分,共15分)1. 高级工考试的准备工作包括以下哪些内容?A. 复习理论知识B. 练习实际操作C. 调整心态D. 准备考试用品正确答案:A, B, C, D2. 高级工考试的评分依据是?A. 考试分数B. 考试表现C. 考试态度D. 考试纪律正确答案:A, B, C3. 高级工考试的注意事项包括?A. 准时到达考场B. 携带身份证C. 遵守考场规则D. 保持安静正确答案:A, B, C, D三、判断题(每题2分,共10分)1. 高级工考试的目的是选拔人才。
(对/错)正确答案:对2. 高级工考试中可以使用手机。
(对/错)正确答案:错3. 高级工考试的合格标准是90分。
(对/错)正确答案:错4. 高级工考试的考试形式只有笔试。
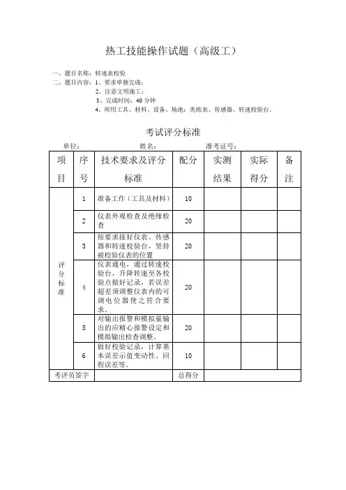
一、题目名称:转速表校验
二、题目内容:1、要求单独完成;
2、注意文明施工;
3、完成时间:40分钟
4、所用工具、材料、设备、场地:兆欧表、传感器、转速校验台。
考试评分标准
一、题目名称:工业电导仪的校验
二、题目内容:1、要求单独完成;
2、选用执行机构为DDG—9100型工业电导仪;
3、完成时间:60分钟
4、所用工具、材料、设备、场地:标准电阻箱、数字万用表。
考试评分标准
一、题目名称:热电偶的校验
二、题目内容:1、要求单独完成;
2、注意安全;
3、完成时间:4小时
4、所用工具、材料、设备、场地:直流电位差计、多点转换开关、管式检
定炉、冰点恒温器、精密水银温度计、控温设备。
考试评分标准。
电工高级操作工技能实操考试试题一、选择题(每题10分,共50分)1. 35KV隔离开关大修后,交流耐压试验电压标准为()KV。
A. 30B. 35C. 40D. 452. 35KV高压少油断路器导电杆的行程为多少()?A. 200±5mmB. 250±5mmC. 300±5mmD. 350±5mm3. 《规程》规定,Fs型避雷器绝缘电阻不应低于多少()?A. 500MΩB. 1000MΩC. 2500MΩD. 5000MΩ4. 调整安装的配电柜时,应使其垂直误差不大于柜高的()。
A. 1/1000B. 1.5/1000C. 2/1000D. 2.5/10005. 变压器交流耐压试验加至试验电压,持续时间为多少()?A. 15秒B. 60秒C. 2分钟D. 5分钟二、实操题(每题25分,共50分)6. 实操题一:高压电动机欠电压保护装置的安装与调试任务描述:在高压电动机上安装欠电压保护装置,并进行调试,确保装置能在电动机电压降低到一定范围时,可靠地切断电源。
考核要点:欠电压保护装置的选型与安装位置是否正确。
调试过程中,装置的动作是否准确可靠。
安全操作规程的执行情况。
7. 实操题二:电力变压器的高压侧熔丝故障处理任务描述:模拟电力变压器高压侧一相熔丝断裂的故障,进行故障排查和处理,恢复变压器正常运行。
考核要点:故障排查步骤是否清晰,方法是否正确。
熔丝更换操作是否规范,安全措施是否到位。
恢复供电后的变压器运行状态是否正常。
操作工高级工试题及答案一、单选题(每题2分,共20分)1. 下列哪个选项是操作工高级工的必备技能?A. 基本的机械操作B. 高级设备维护C. 工艺流程管理D. 产品品质控制答案:B2. 高级工在进行设备维护时,以下哪项不是必须遵守的?A. 遵循设备维护手册B. 使用非指定工具C. 记录维护过程D. 定期检查设备状态答案:B3. 操作工高级工在生产过程中,以下哪项是其主要责任?A. 监督生产进度B. 确保生产安全C. 管理生产团队D. 所有选项答案:D4. 在操作工高级工的日常工作中,以下哪项不是其工作内容?A. 操作机械设备B. 进行质量检测C. 处理客户投诉D. 维护生产设备答案:C5. 高级工在生产过程中,以下哪项是其需要关注的?A. 生产效率B. 产品成本C. 产品创新D. 所有选项答案:D6. 操作工高级工在进行生产操作时,以下哪项是其必须遵守的?A. 个人安全B. 环境保护C. 工艺标准D. 所有选项答案:D7. 在操作工高级工的培训中,以下哪项是重点培训内容?A. 基本操作技能B. 故障排除C. 领导力培训D. 团队协作答案:B8. 高级工在进行设备操作时,以下哪项是其需要特别注意的?A. 操作速度B. 设备寿命C. 操作安全D. 操作精度答案:C9. 操作工高级工在进行生产计划时,以下哪项是其需要考虑的?A. 原材料供应B. 市场需求C. 生产成本D. 所有选项答案:D10. 操作工高级工在进行生产监督时,以下哪项是其需要做的?A. 检查生产进度B. 监督员工工作C. 确保产品质量D. 所有选项答案:D二、多选题(每题3分,共15分)1. 操作工高级工在进行设备维护时,以下哪些措施是必要的?A. 定期更换磨损部件B. 使用指定工具C. 清洁设备D. 记录维护数据答案:ABCD2. 高级工在生产过程中,以下哪些因素会影响生产效率?A. 设备故障B. 原材料短缺C. 员工技能D. 生产计划不合理答案:ABCD3. 在操作工高级工的日常工作中,以下哪些是其需要具备的能力?A. 机械操作能力B. 故障排除能力C. 沟通协调能力D. 团队管理能力答案:ABCD4. 操作工高级工在进行生产监督时,以下哪些是其需要关注的?A. 生产进度B. 产品质量C. 安全生产D. 环境保护答案:ABCD5. 操作工高级工在进行生产计划时,以下哪些是其需要考虑的因素?A. 市场需求B. 生产成本C. 原材料供应D. 员工技能答案:ABCD三、判断题(每题1分,共10分)1. 操作工高级工不需要关注产品创新。
作业车司机高级工技能鉴定试题库+参考答案一、单选题(共78题,每题1分,共78分)1.液控单向阀锁紧精度只受液压缸内少量的( )影响,因此,锁紧精度高。
A、外泄漏B、内泄漏C、漏泄D、泄露正确答案:B2.接触网作业车运行中遇危及行车安全情况时,应迅速将自动制动阀手柄推向( )位置,并切断动力。
A、最大减压B、最小减压C、紧急制动D、过量减压正确答案:C3.道德的功能是认识功能和( )功能。
A、调节B、疏导C、教育D、管理正确答案:A4.团结协作的含义是:坚持集体主义原则,以平等友爱、( )、共同发展的精神处理好内外团结,服务发展大局。
A、严格把关B、突出个性C、相互合作D、相互理解正确答案:C5.万向传动装置的传动轴解决( )的问题。
A、角变化B、轴距变化C、方向变化D、以上说法都正确正确答案:B6.JW-4G接触网作业车发动机ECU控制线束为42孔插接件线束,其中( )脚为启动信号。
A、37、38B、8、9C、10D、1、17正确答案:C7.起动电机主要由直流电动机、啮合机构和( )三部分组成。
A、啮合传动机构B、电磁开关C、换向器D、继电器正确答案:A8.阀控密封式铅酸蓄电池安全阀采用硅氟橡胶,开阀压力按蓄电池运用条件要求,一般控制在( )的范围内。
A、10~30kpaB、10~25kpaC、15~30kpaD、10~20kpa正确答案:A9.相互运动的表层金属逐渐形成微粒剥落而造成的磨损叫( )。
A、砂粒磨损B、疲劳磨损C、消耗磨损D、摩擦磨损正确答案:D10.TQJ-09(钛合金)/TQJ-09A(合金钢)50t双级起复机具顶升油缸一级起升力为( )。
A、50tB、60tC、100tD、110t正确答案:D11.柴油发动机在该缸断火后响声会减弱或消失,恢复该缸工作的瞬间,会出现明显的一响声或连续两响声,是( )。
A、活塞敲缸声B、连杆轴承敲击声C、活塞销响D、曲轴轴承敲击声正确答案:C12.JW-4接触网作业车发动机功率为( )。
高级工程测量员技能考试操作试题
1.水准测量
考核目的:考核学生能够用水准仪配合水准标尺进行几何水准测量,并能够进行测站高差计算。
考核内容:学生能够正确地、快速安置水准仪并准确地按四等水准测量要求进行读数、计算高差、检核相应项目。
评分标准:本项目考核占总分为35%,各环节给分如下:
2.全站仪操作
考核目的:考核学生熟练使用全站仪进行测角、测距、数据采集的能力。
考核内容:每人用全站仪进行安置、测角、测距、测站设置及数据采集。
评分标准:本项目考核占总分为65%,各环节评分如下:
评分表如下:
姓名:____________ 得分:_______________。
试题1、PLC控制电机自动正反转的设计、安装与调试考试时间:150分钟考核方式:实操+笔试本题分值:40分具体考核要点:PLC控制电机自动正反转的设计、安装与调试(1)任务:当按下起动按钮,KM1线圈通电,电机正转;经过5s延时,KM1线圈断电,同时KM2线圈通电,电动机反转;再经过3s延时,KM2线圈断电,KM1线圈通电。
这样反复10次后电机停止运行。
(2)要求:a) 工作方式设置为自动循环。
b) 有必要的电气保护和联锁。
笔试部分:(1)正确识读给定的电路图;写出下列图形文字符号的名称。
QS(断路器/开关);FU1(熔断器);KM1(线圈)。
(2)正确使用工具;简述剥线钳使用注意事项。
答:(3)正确使用仪表;简述指针式万用表测二极管的方法。
答:(4)安全文明生产,回答何为安全电压?答:操作部分:(5)电路绘制:根据控制要求,在答题纸上正确设计PLC梯形图及按规范绘制PLC控制I/O口(输入/输出)接线图。
(6)安装与接线:按照电气安装规范①将熔断器、接触器、继电器、PLC装在一块配线板上,而将方式转换开关、行程开关、按钮等装在另一块配线板上。
②按PLC控制I/O口(输入/输出)接线图在配线板上正确安装,元件在配线板上布置要合理,安装要准确、紧固,配线导线要紧固、美观,导线要垂直进行线槽,导线要有端子标号,引出端要用接线端头。
(7)正确地将所编程序输入PLC,按照被控设备的动作要求进行模拟操作调试,达到设计要求。
(8)通电试验:通电前正确使用电工工具及万用表,进行仔细检查。
笔答部分答题纸1、PLC接线图2、PLC梯形图试题2、交流变频调速装置装调考试时间:60分钟考核方式:实操+笔试本题分值:30分具体考核要点:三相交流异步电动机变频器控制装调某刨床工作台电动机由变频器拖动,按图所示速度实现程序控制。
15HZ 50HZ前进20HZ停止后退50HZ5s15s7s6s12s图 2.1.2-2 工作台程序控制速度图实现刨床工作台的多段速控制。
压缩机操作工高级技能试卷 空压机启动前的准备工作 注意事项: 1.总分:100分 2.考核时间:90分钟 3.本题1人单独现场操作装置独立完成考核。
一、考核技能要求(评分要素) 1.操作技能 ①能完成开车前现场检查及准备。
②能完成开车前工艺操作及准备。
③能完成启动允许条件。
2.设备的使用与维护 ①能正确使用仪器、仪表; ②会检查相关的管道与阀门、电机等情况; ③能掌握设备的运行情况、能判别工艺故障及进行适当的处理。
二、考核内容 在20分钟内完成空压机启动前的现场检查、5分钟内完成空压机启动前的工艺操作,15分钟内完成相关内容的问答与解释内容,具体任务要求如下: 1、启动前的现场检查 ①压缩机机房内应备有消防用品。
②检查各部位紧固情况。
③检查各电源是否正常。
④检查仪表柜的各仪表情况并将仪表柜供电。
⑤检查清除空压机附近的其它杂物。
⑥检查工器具准备情况。
⑦人工盘车数转,确认无卡车和碰撞现象。
2、启动前的工艺操作 ①进口导叶微开,以减少启动负荷。
②放空阀全开,送气阀全关。
③启动润滑油泵循环,检查油压、油温是否正常。
④确认工艺参数、电控、仪控正常。
⑤确认启动允许条件满足。
考 生 答 题 不 准 超 过 此 线压缩机操作工高级技能试卷 什么原因可能引起离心式压缩机产生振动 注意事项: 1.总分:100分 2.考核时间:90分钟 3.本题1人单独现场操作装置独立完成考核。
二、考核技能要求(评分要素) 1.操作技能 ①知道什么叫DCS 系统。
②知道DCS 系统控制有哪些优点。
2.设备的使用与维护 ①能正确使用仪器、仪表; ②会检查相关的管道与阀门、电机等情况; ③能掌握设备的运行情况、能判别工艺故障及进行适当的处理。
二、考核内容 在10分钟内分析出什么叫DCS 系统、20分钟内分析出DCS 系统控制有哪些优点,10分钟内完成相关内容的问答与解释内容,具体任务要求如下: 1、什么叫DCS 系统 ①DCS 系统是集计算机、信号处理、通信网络、人机接口等技术于一体的综合系统工程,对压缩机试车、调节和操作具有一定的保护和监控作用。
作业车司机高级工技能鉴定习题库(附答案)一、单选题(共78题,每题1分,共78分)1.接触网作业车离合器操纵各点润滑油是( )。
A、锂基脂B、3号锂基脂C、钙基脂D、HC-11机油正确答案:C2.( )是用压力控制阀来控制整个系统或局部范围压力的回路。
A、速度控制回路B、方向控制回路C、压力控制回路D、液压控制回路正确答案:C3.职业是参与社会分工,利用专门的知识和技能,为( )创造物质财富和精神财富,获取合理报酬,作为物质生活来源,并满足精神需求的工作。
A、家庭B、社会C、企业D、个人正确答案:B4.JW-4G接触网作业车转速表内方框为小时计,当转速大于( )时,小时计开始计时。
A、200 r/minB、100 r/minC、400 r/minD、300 r/min正确答案:C5.柴油发动机在怠速和中速时,响声比较明显,是( )。
A、活塞敲缸声B、连杆轴承敲击声C、曲轴轴承敲击声D、活塞销响正确答案:D6.发动机散热器每运用( )个月,用压缩空气喷扫积尘一次。
A、3-5B、3-4C、4-5D、2-4正确答案:B7.《铁路交通事故调查处理规则》规定,造成( )以上重伤的,为特别重大事故。
A、150人B、100人C、50人D、30人正确答案:B8.柴油机在正常使用情况下,每工作500h后,应检查一次( ),必要时调整。
A、皮带B、机油C、温度D、气门间隙正确答案:D9.差速器由两个( )、四个行星齿轮、一个十字轴和差速器壳组成。
A、固定齿轮B、圆锥齿轮C、滑动齿轮D、直齿齿轮正确答案:B10.接触网作业车机车应配备铁鞋( )个。
A、4B、3C、1D、2正确答案:A11.JW-4G接触网作业车车宽为( )。
A、3055mmB、3118mmC、2855mmD、3200mm正确答案:B12.推进转线作业时,司机必须在( )操纵,副司机持信号在前方引导。
A、Ⅱ端B、调车指挥人监控C、Ⅰ端D、运行前端正确答案:D13.作业平台无回转的原因(操作时总油压表显示无压力)下列描述正确的是( )。
试题1:皮带运输机PLC控制系统的设计
(用PLC进行控制线路的设计,并进行安装与调试。
)
考核时间:180分钟
考核要求:
(1)某一生产线的末端有一台三级皮带运输机,分别由M1、M2、M3三台电动机拖动,有手动和自动两种控制方式。
(2)手动时,按下启动按钮,要求按5s的时间间隔,并按M1→M2→M3的顺序启动;按下停止按钮,按8s的时间间隔,并按M3→M2→M1的顺序停止。
(3)自动控制时,要求按下启动按钮,按5s时间间隔顺序启动,经10s后,按8s的时间间隔顺序停止,完成了一个工作循环。
经5s后自动重复上述工作循环。
如在某一时刻,按下停止按钮,必须完成了一个工作循环后停止。
(4)要有必要的短路、过载、连锁保护。
1、电路原理图(主电路、I/O接线图)
3、梯形图
评分人:年月日核分人:年月日。
高级工鉴定试题及答案一、单项选择题(每题2分,共20分)1. 以下哪个选项是高级工必备的技能?A. 基本操作技能B. 专业理论知识C. 创新思维能力D. 团队协作精神答案:C2. 高级工在进行工作时,以下哪项不是其需要考虑的因素?A. 安全B. 效率C. 成本D. 个人兴趣答案:D3. 高级工在进行技术革新时,以下哪项是其首要任务?A. 确保技术可行性B. 评估经济效益C. 进行市场调研D. 制定实施计划答案:A4. 在高级工的工作中,以下哪项不是其需要掌握的知识点?A. 专业知识B. 操作规程C. 法律法规D. 个人爱好答案:D5. 高级工在进行工作时,以下哪项不是其需要遵循的原则?A. 遵守操作规程B. 确保工作质量C. 追求个人利益最大化D. 保护环境答案:C6. 高级工在进行工作时,以下哪项不是其需要遵守的职业道德?A. 诚实守信B. 爱岗敬业C. 追求个人利益D. 服务社会答案:C7. 高级工在进行工作时,以下哪项不是其需要具备的品质?A. 责任心B. 团队精神C. 个人主义D. 创新精神答案:C8. 高级工在进行工作时,以下哪项不是其需要考虑的要素?A. 工作流程B. 工作方法C. 个人情绪D. 工作目标答案:C9. 高级工在进行工作时,以下哪项不是其需要关注的方面?A. 工作进度B. 工作质量C. 个人娱乐D. 工作安全答案:C10. 高级工在进行工作时,以下哪项不是其需要掌握的技能?A. 专业技能B. 沟通技能C. 个人娱乐技能D. 管理技能答案:C二、多项选择题(每题3分,共15分)1. 高级工在进行工作时,需要考虑的因素包括:A. 安全B. 效率C. 成本D. 个人兴趣答案:ABC2. 高级工在进行技术革新时,需要完成的任务包括:A. 确保技术可行性B. 评估经济效益C. 进行市场调研D. 制定实施计划答案:ABCD3. 高级工在进行工作时,需要遵循的原则包括:A. 遵守操作规程B. 确保工作质量C. 追求个人利益最大化D. 保护环境答案:ABD4. 高级工在进行工作时,需要遵守的职业道德包括:A. 诚实守信B. 爱岗敬业C. 追求个人利益D. 服务社会答案:ABD5. 高级工在进行工作时,需要具备的品质包括:A. 责任心B. 团队精神C. 个人主义D. 创新精神答案:ABD三、判断题(每题2分,共10分)1. 高级工在进行工作时,可以忽略安全问题。
实用文档 试卷编号: 第 1 页 共 1 页 化工行业特有工种职业技能鉴定试题库 化工总控工(高级工)技能考试试卷 试题1:流体输送装置考核 本题分值:100分(30%) 考核时间:20分钟 考核形式:实际操作 考核要求: 1) 读懂工艺流程图。
2) 掌握化工管路的构成及流体输送的基本流程。
3) 掌握离心泵的单泵运行。
4) 掌握离心泵的串并联操作技能。
否定项说明:损坏仪器或出现重大事故,不得分。
试题2:精馏操作考核 本题分值:100分(40%) 考核时间:80分钟 考核形式:实际操作 考核要求: 1) 读懂工艺流程图。
2) 掌握精馏装置的基本流程。
3) 能配合进行精馏系统开、停车操作;(包括开车前的检查与准备、电源的接通、冷却水量的控制、加热电压的控制等) 4) 能对各操作参数进行操作控制,并达到规定的工艺要求和质量指标; 5) 能及时地发现、报告并处理系统的异常现象与事故,能进行紧急停车。
6) 能掌握设备的运行情况、能判别操作故障并进行适当的处理。
否定项说明:损坏仪器或出现重大事故,不得分。
试题3:吸收解吸仿真操作考核 本题分值:100分(30%) 考核时间:60分钟 考核形式:计算机模拟操作 考核要求:在规定时间内,正确完成相关操作与事故处理工作。
考
生 答 题 不 准 超 过 此 线。
电工高级工技能鉴定练习题库及参考答案一、单选题(共50题,每题1分,共50分)1、一台三相异步电动机运行在s=0.02时,则由定子通过气隙传递给转子的功率中有A、2%是转子铜耗B、.2%是机械损耗C、2%是机械功率D、2%是电磁功率正确答案:A2、()是为了保证电力系统正常运行所需要的接地。
A、保护接地B、工作接地C、防雷接地D、仪控接地正确答案:B3、万用表的()可以测量电容A、电流档B、电压档C、电阻档D、电容档正确答案:D4、关于PLC的功能,下列观点正确的是()A、.PLC的抗干扰能力强,因此在工业控制中广泛采用B、PLC具有强大的多种集成功能和实时特性C、.以上全正确D、.PLC采用循环扫描工作方式正确答案:D5、PLC的输出方式为晶体管型时,它适用于( )负载A、感性B、交直流C、交流D、直流正确答案:D6、INC指令是A、加1指令B、减1指令C、除1指令D、乘1指令正确答案:A7、单芯电缆的导线截面为()A、卵圆形B、方形C、扇形D、圆形正确答案:D8、他励直流电动机的励磁和负载转矩不变时,电枢回路串电阻,电动机稳定运行时电流A、上升B、以上都对C、不变D、下降正确答案:C9、职业道德是( )的基石A、企业文化B、企业精神C、企业管理D、企业发展正确答案:A10、集成运放的输入级常采用具有较高放大倍数的()。
A、功率放大器B、电压放大器C、电流放大器D、差动放大器正确答案:D11、软启动器的日常维护一定要由( )进行操作A、专业技术人员B、销售服务人员C、设备管理部门D、使用人员正确答案:A12、由1台PLC控制1台设备或1条简易生产线的是A、远程I/O控制系统B、集中控制系统C、分布式控制系统D、单机控制系统正确答案:D13、软启动器内部发热主要来自晶闸管组件,通常晶闸管散热器的温度要求不高于()A、75B、60C、120D、100正确答案:A14、交—交变频装置通常只适用于()拖动系统。
作业车司机高级工技能鉴定模考试题含参考答案一、单选题(共78题,每题1分,共78分)1.当接触网作业车被无火回送(牵引)运行时,操纵换向机构应放置在( )。
A、反位B、保持位C、中立位D、前进位正确答案:C2.JW-4G接触网作业车采用阀控式密封铅酸蓄电池,其采用先进的超细玻璃棉(AGM)隔板,使电解液全部吸附在极板和隔板中,气体符合效率( )以上,无酸雾逸出,不腐蚀设备。
A、90%B、92%C、96%D、98%正确答案:D3.JW-4接触网作业车作业平台远端距回转中心的距离是( )。
A、6000mmB、4500mmC、4000mmD、3000mm正确答案:B4.紧急风缸用来控制( )动作。
A、副阀B、主阀C、作用阀D、紧急放风阀正确答案:D5.液压系统中当一侧电磁阀得电,电磁铁磁力吸引阀内( )移动,连通相应侧油路,断电后在复位弹簧的作用下,柱塞回复中立位切断油路。
A、活塞B、阀件C、阀块D、柱塞正确答案:D6.在半自动闭塞区段,遇发车进路信号机故障发车时,列车越过发车进路信号机的行车凭证为( )。
A、调度命令B、绿色许可证C、半自动闭塞发车进路通知书D、书面通知正确答案:C7.接触网作业车同一轴上的车轮,其直径差不得大于( )。
A、1.5mmB、2mmC、1mmD、0.5mm正确答案:C8.接触网作业车电气系统为( )负极接地的单线制供电系统。
A、DC24VB、AC24VC、DC220VD、AC220正确答案:A9.JJC型接触网检修作业车01号/12号车动力单元( )。
A、1套B、2套C、3套D、4套正确答案:B10.补机原则上应挂于本务机车的( )。
A、次位B、前位C、重联位D、前位或次位正确答案:D11.TQJ-09(钛合金)/TQJ-09A(合金钢)50t双级起复机具顶升油缸行程( )。
A、300mmC、350mmD、420mm正确答案:D12.车轴齿轮箱从动锥齿剥落超过齿高的1/3和齿长的1/10;损坏( )及以上并相邻多于两个以上者;齿工作面斑点大于齿面的25%以上者,总成应大修。
煤炭特有工种鉴定
高级工《安全仪器监测工》技能操作试题
一、考试正文:
采煤工作面监测监控系统的安装
(条件:高瓦斯矿井;u型通风;巷道超过1000米;煤层具有自燃倾向性)
二、考试用具、设备及场地准备:
1、工具、材料和设备的准备仅针对一名考生而言,详见下表。
2、场地准备:
(1)考场设有多个考位,每个考位有一个工作台,每个工作台的右上角贴有考号,考场采光良好,不足部分采用照明补充。
(2)考场应干净整洁、空气新鲜,无环境干扰和电磁干扰。
(3)考场内应设有三相电源并装有触电保护器,给监测分站供电。
三、考试要求:
(1)考生应讲诚信并自觉服从监考员等考试工作人员管理,不得以任何理由妨碍监考员等考试工作人员履行职责,不得扰乱考场及其他考试工作地点的秩序。
(2)参加实操考核的考生,凡是弄虚作假、替考的,一经举报或检查督导人员发现,将严肃查处,取消考核资格。
(3)考生开考前应对照检查自己考位准备的设备、工具是否齐全,若遇到问题,举手要求更换。
四、注意事项
(1)必须携带:身份证(或岗位工种证)、准考证(以上均为原件),证件不全者不能参加考试。
(2)考试时要注意用电时的个人安全。
五、考试时间:
本试卷总的考试时间为120分钟。
附:
本题按下图所示设置传感器:
1、在上隅角设置甲烷传感器T0(报警值≥0.8%CH4,断电值≥
1.2%CH4,复电值<0.8%CH4);
2、工作面设置甲烷传感器T1(报警值≥0.8%CH4,断电值≥1.2%CH4,复电值<0.8%CH4);
3、工作面回风巷设置甲烷传感器T2(报警值≥0.8%CH4,断电值≥1.0%CH4,复电值<0.8%CH4);
4、高瓦斯矿井和煤与瓦斯突出矿井采煤工作面的回风巷长度大于1000米时,必须在回风巷中部增设甲烷传感器(报警值≥0.8%CH4,断电值≥0.8%CH4,复电值<0.8%CH4)。
5、开采容易自燃、自燃煤层的采煤工作面必须至少设置一个一氧化碳传感器,地点可设置在上隅角或工作面回风巷,报警浓度为≥0.0024%CO。
6、开采容易自燃、自燃煤层及地温高的矿井采煤工作面应设置温度传感器,温度传感器的报警值为30℃。