有限空间自查表
- 格式:doc
- 大小:41.00 KB
- 文档页数:2
有限空间作业企业自查表现问题整改记录等。
3)管理台账是否及时更新完善。
4)管理台账是否能够为安全管理提供有效的支持和参考。
检查结果是□否□是□否□是□否□二、作业人员安全管理是□否□是□否□是□否□三、有限空间安全检查是□否□是□否□四、管理台账记录主要问题记录部门负责人检查时间电话有限空间数量缺氧或窒息□富氧□硫化氢中毒□一氧化碳中毒危化品(及苯)中毒□爆燃与中毒其他危害(□触电□机械伤害□中暑□淹溺□掩埋□灼烫)其他类别的风险:总体评价1)本次检查发现的问题是否及时整改,是否能够有效控制有限空间作业安全风险。
2)企业是否能够按照相关规定建立健全有限空间作业安全管理制度,是否能够有效执行。
3)企业是否能够为有限空间作业人员提供必要的安全培训教育和防护措施,是否能够有效保障有限空间作业人员的安全。
4)企业是否能够定期进行有限空间安全检查和管理台账记录,是否能够及时发现和解决问题,防范事故的发生。
5)企业对有限空间作业安全管理是否足够重视,是否能够不断完善和提升安全管理水平。
建议改进1.建议企业进一步完善有限空间作业安全管理制度,加强现场安全管理,提高有限空间作业人员的安全意识和防护能力。
2.建议企业定期进行有限空间安全检查和管理台账记录,及时发现和解决问题,防范事故的发生。
3.建议企业加强对有限空间作业人员的安全培训教育,提高其安全意识和防护能力,确保有限空间作业人员的安全。
1.包方监督管理记录、应急演练记录以及事故管理档案是否齐全。
2.已报废但未拆除或移除的设备设施是否被纳入有限空间管理。
3.有关有限空间的情况是否及时更新,并更新有限空间管理台账。
4.是否采取适当的方法(如检查表、LEC法等)对有限空间进行辨识,确定数量和位置。
5.是否进行有害因素风险分析,评估作业风险是否可能导致缺氧、窒息、中毒等危害。
6.是否根据实际情况重新评估有限空间风险,并及时更新危险源辨识和风险评估档案。
7.是否设置明显的安全警示标志和有限空间安全告知牌,并确保内容完整。
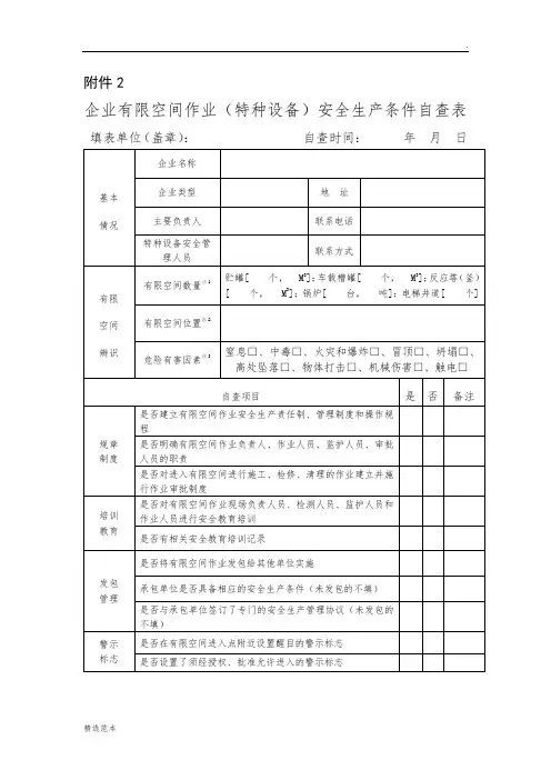
附件2
企业有限空间作业(特种设备)安全生产条件自查表填表单位(盖章):自查时间:年月日
填表说明:1、有限空间数量:主要指有人孔结构的锅炉、压力容器和在有毒有害、易燃易爆场所使用的电梯井道的数量(包括个、台数和同类设备的容积、吨位总和);
2、有限空间位置请根据实际情况一一列举,并用序号隔开。
3、危险有害因素:主要包括窒息、中毒、火灾和爆炸事故、冒顶、
坍塌、高处坠落、物体打击、机械伤害、触电(在相应因素后打“√”)。
注:此表一式两份,一份企业留存,一份于2016年4月底前交各镇(区)市场监督管理分局备查。
有限空间专项排查表模板有限空间专项排查表模板如下:日期:____年____月____日项目名称:__________________________(填写具体项目名称)项目负责人:________________________(填写负责人姓名)1. 有限空间信息:a) 有限空间的位置和描述:b) 有限空间的尺寸和容量:c) 有限空间的进入点和出口:d) 有限空间的通风情况:e) 有限空间的特殊要求或限制:2. 有限空间许可证和文件复核:a) 有限空间安全许可证的有效性:b) 有限空间访问和进入的许可证:c) 有限空间相关的文件和手册的复核:3. 有限空间安全测试和设备检查:a) 氧气浓度测试仪器的有效性和校准:b) 有限空间内可燃气体和有害气体检查:c) 适当的通风和排风设备的检查:d) 安全绳索、防坠落装备、呼吸器等个人防护装备:4. 安全规程和程序:a) 进入和退出有限空间的规程和程序:b) 事前计划和应急预案的制定和复核:c) 有限空间工作人员的培训和意识提醒:5. 工作控制和通信:a) 安全措施的设施和使用情况(如安全锁、标志、隔离栏等):b) 防火和爆炸风险的控制措施:c) 有限空间内通信设备的检查和测试:6. 突发事件和救援计划:a) 救援和急救人员的培训和准备:b) 事故和突发事件报告和记录:c) 救援设备和装备的有效性和检查:7. 其他事项:a) 预防控制和改进计划的制定和复核:b) 事故和风险评估的更新和复核:备注:(可以填写其他需要特别强调的事项)本排查表是对有限空间进行必要的安全检查和记录,确保有限空间工作的安全性和有效性。
相关责任人应每次进行有限空间工作前进行排查,并根据结果采取相应的措施。
为确保安全,请密切遵守相关法律法规和标准。
市产废、危废经营单位有限空间作业专项检查表(自查表)
市产废、危废经营单位有限空间作业执法检查表(巡查表)
执法检查单位(盖章):检查人员:检查日期:年月日
注:1.本表的第1、2、3项检查项目,涉及重大生产安全事故隐患,如果检查时发现问题,请依照有关法律法规规定,严格执法。
2.有限空间是指封闭或者部分封闭,与外界相对隔离,出入口较为狭窄,作业人员不能长时间在工作,自然通风不良,易造成有毒有害、易燃易爆物质积聚或者氧含量不足的空间。
3.有限空间举例:污水处理池(井)、密闭循环水池、地下排污管道;给排水等管道;脱硫塔、脱硫浆液箱、脱硫流化底仓、料仓、料斗;地下泵房;除尘器(沉降室、布袋除尘器等)、烟道;各类井(电缆井、污水井、窨井等)、池(污水池、化粪池、沼气池、蓄水池、腌渍池等)、地沟、暗沟、坑道、下水道、地窖、地下室等。