土方开挖检验批质量验收记录
- 格式:xls
- 大小:27.50 KB
- 文档页数:19
土方开挖工程检验批质量验收记录土方开挖工程是重要的基础工程之一,质量验收是确保土方开挖工程建设质量的重要措施。
土方开挖工程检验批质量验收记录是土方开挖工程验收的重要文档,本文将从以下几个方面进行详细阐述:一、检验批质量验收记录的目的土方开挖工程检验批质量验收记录是对土方开挖工程建设质量进行检验和验收的记录文件。
其目的是为了记录每一个检验批的具体情况,包括土方开挖工程建设过程中所采取的措施,以及是否符合工程规范、标准和安全要求。
检验批质量验收记录也是对土方开挖工程建设过程中的质量控制和质量保证进行记录和验证的过程。
二、检验批质量验收记录的内容1、施工内容:记录施工单位的名称、施工日期、施工地点、开挖范围、深度、土质情况、使用的机械设备等。
2、质量情况:记录土方开挖工程的质量情况,包括是否符合土方开挖工程建设标准和规范等信息。
3、安全情况:记录土方开挖工程建设过程中的安全情况,包括是否采取了必要的安全措施等。
4、整改情况:记录土方开挖工程建设过程中发现的问题和整改情况。
5、签署及处置:记录土方开挖工程验收人员的签署和处置意见。
三、检验批质量验收记录的重要性土方开挖工程检验批质量验收记录能够记录每一个检验批的具体情况,发现和纠正问题,及时处理和改进,确保土方开挖工程的质量和安全。
而且,这些记录文件可以为后续的工程验收提供有效的依据,并保证土方开挖工程建设的质量和效益。
四、检验批质量验收记录的操作流程1、进场检查和准备:施工单位进场前,需对施工现场进行审核和验证资格,并进行准备工作,如清理现场,铺设维护路,布置照明等。
2、开挖前试验:在施工之前进行试验,实测开挖范围、深度、土质情况等,试验合格后方可进行正式施工。
3、开挖施工:根据土方开挖工程设计要求进行施工,同时要对施工质量和安全情况进行检查和记录。
4、验收并处理问题:验收员对土方开挖工程进行验收,发现问题需及时整改,必要时改变施工方法。
5、签署及处置:施工单位和验收员对土方开挖工程进行签署和处置意见,并保存相关资料。
土方回填工程检查批质量验收登记表...........................................................错误!未定义书签。
砂和砂石地基检查批质量验收登记表...........................................................错误!未定义书签。
混凝土灌注桩(钢筋笼)工程检查批质量验收登记表...............................错误!未定义书签。
混凝土灌注桩工程检查批质量验收登记表...................................................错误!未定义书签。
防水混凝土检查批质量验收登记表...............................................................错误!未定义书签。
水泥砂浆防水层检查批质量验收登记表.......................................................错误!未定义书签。
卷材防水层检查批质量验收登记表...............................................................错误!未定义书签。
涂料防水层检查批质量验收登记表...............................................................错误!未定义书签。
细部构造检查批质量验收登记表...................................................................错误!未定义书签。
模板安装工程检查批质量验收登记表...........................................................错误!未定义书签。
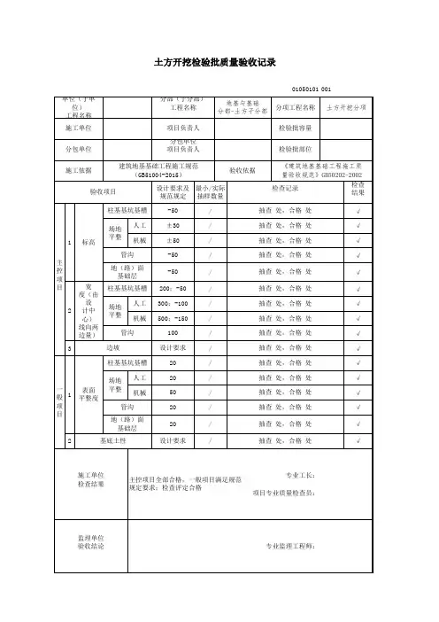
00110/10人工/机械///25/25人工/机械//3边坡25/2510/10人工/机械///2基底土性10/10施工单位 检查结果合格监理单位 验收结论标高长度、宽度(由设计中心)线向两边量)表面 平整度场地 平整场地 平整场地 平整主控项目 一 般 项 目121专业监理工程师:年 月 日专业工长:项目专业质量检查员:年 月 日地(路)面基础层20//设计要求抽查10处,全部合格√50//管沟20//柱基基坑基槽20抽查10处,合格9处90.0%20//管沟100//设计要求抽查25处,全部合格√300;-100//500;-150//地(路)面基础层-50//柱基基坑基槽200;-50抽查25处,全部合格√±50//管沟-50//柱基基坑基槽-50抽查10处,全部合格√±30//施工依据土方开挖专项施工方案验收依据《建筑地基基础工程施工质量验收规范》GB50202-2002验收项目设计要求及规范规定最小/实际抽样数量检查记录检查结果分包单位分包单位项目负责人检验批部位1施工单位广州富利建筑安装工程有限公司项目负责人苏红强检验批容量500m2单位(子单位)工程名称保利东瑞花园分部(子分部)工程名称地基与基础分部-土方子分部分项工程名称土方开挖分项土方开挖检验批质量验收记录GD-C5-71129。
G2-1-1 土方(基槽)开挖施工检验批质量验收记录注: 主控项目、一般项目的检查结果,需用语言描述的项,应按CJJ1-2008的要求详实描述;主控项目的计数检验项先填写“检验批主控项目计数检验记录表”(G1-1-1),然后将计数检验结果填写在本表相应的检查结果栏内;检验批一般项目计数检验数据较多、本表空格不够填写的项,可填写“检验批一般项目计数检验记录表”(G1-1-2),将该表作为本表的附页。
土方(基槽)开挖工程质量检验标准(本检验标准条文摘自《建筑地基基础工程施工质量验收规范》GB50202-2002和《给水排水工程施工及验收规范》GB50268-2008)1 土方开挖工程的质量检验标准应符合下表的规定。
2 土方开挖工程质量的抽检频率应符合下表的规定。
一般项目1表面平整度每10米或10米网格内连续量两尺,取最大值2基底土性符合勘察设计规定3 土方开挖工程的外观质量应符合下列规定:1)原状地基土不得有扰动、受水浸泡或受冻。
2)边坡应稳定,不得有滑坡、塌方现象。
边坡坡度不陡于施工组织设计和GB50202表6.2.3的规定。
土的类别边坡值(高:宽)粘土(不包括细砂、粉砂)1;1.25~1;1.50一般粘性土硬1;0.75~1;1.00硬、塑1;1.00~1;1.25软1;1.50或更缓碎石类土充满坚硬、硬塑粘性土1;0.50~1;1.00充填砂土1;1.00~1;1.50注:1 设计有要求时,应符合设计标准。
2 如采用降水或其他加固措施,可不受本表限制,但应计算复核。
3 开挖深度,对软土不应超过4米,对硬土不应超过8米。
土方(基槽)开挖施工检验批质量验收记录
“检验批主控项目计数检验记录表”(G1-1-1),然后将计数检验结果填写在本表相应的检查结果栏内;检验批一般项目计数检验数据较多、本表空格不够填写的项,可填写“检验批一般项目计数检验记录表”(G1-1-2),将该表作为本表的附页。
土方(基槽)开挖工程质量检验标准(本检验标准条文摘自《建筑地基基础工程施工质量验收规范》GB50202-2002和《给水排水工程施工及验收规范》GB50268-2008)
1 土方开挖工程的质量检验标准应符合下表的规定。
土方开挖工程质量检验标准(mm)
2 土方开挖工程质量的抽检频率应符合下表的规定。
3 土方开挖工程的外观质量应符合下列规定:
1)原状地基土不得有扰动、受水浸泡或受冻。
检查 结果 10/10
√
人工/机械
10/10
√
//
14/14√人工/机械
14/14
√/3
边坡
/
√10/10
100%人工/机械
10/10
100%//2基底土性
/
√监理单位 验收结论
验收合格专业监理工程师:
年 月 日
检查合格,土性符合设计要求
施工单位 检查结果
所查项目全部合格
专业工长:
项目专业质量检查员:
年 月 日
一
般 项 目
抽查14处,合格14处
20/地(路)面 基础层
20
/
20抽查14处,合格14处
20/
501表面 平整度
桩基基坑基槽管沟场地 平整
场地
平整
+300 ;-100/
+500 ;-150抽查14处,合格14处
设计要求+100
/
设计要求
检查合格,比例符合设计要求
-50/地(路)面 基础层
-50
/
+200 ;-50抽查14处,合格14处
长度、宽 度(由设
计中心) 线向两边量)
桩基基坑基槽管沟-50抽查10处,合格10处
场地 平整
±30±50抽查10处,合格10处
验收项目
设计要求及规范规定最小/实际 抽样数量检查记录
主控 项目
1标高
桩基基坑基槽管沟2
检验批部位
2/01~8轴交1/H ~Q轴承台地梁
施工依据土方开挖专项施工方案验收依据
《建筑地基基础工程施工质 量验收规范》GB50202-2002分包单位/
分包单位 项目负责人
/检验批容量单位(子单位) 工程名称广州文化馆施工中承包及
施工总承包管理与配合服
务工程(公共文化中心)
施工单位广州市房屋开发建设
有限公司
项目负责人梁活民分部(子分部) 工程名称 地基与基础\土
方分项工程名称土方开挖
土方开挖检验批质量验收记录
GD-C5-71129。