床垫(病床)参数需求
- 格式:doc
- 大小:16.00 KB
- 文档页数:1
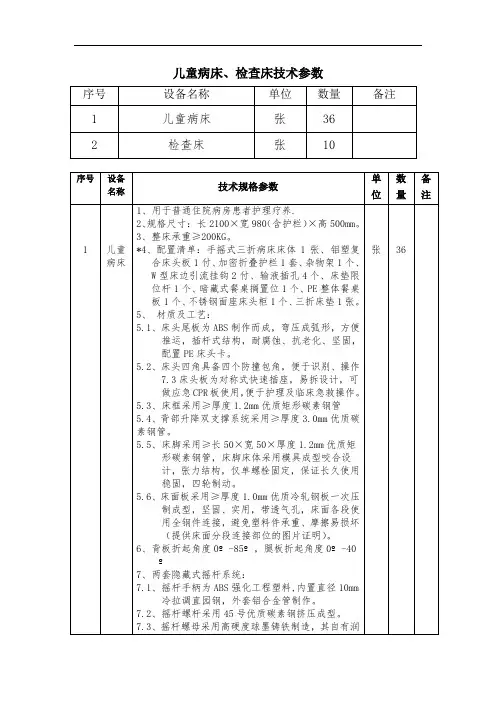
1、医用普通病床(手动床)技术参数要求(1)规格外形尺寸:2100X980mm床面尺寸:1980X 840mm 床面高度:460- 730mm背板倾斜:0—65°;腿板倾斜:0—35°(2)材质1)床架由碳钢金属40X 80X 1.2mm管材、冷扎钢板制造,抗菌粉体喷涂,具有抗静电功能;2)配置可拆卸式AB强化塑胶床头尾板,尾板部分留有2个专用金属固定圆钉,可以挂记录卡等资料,金属床面板采用碳钢金属厚1.2mm多孔设计,提高了通气性及强度,3)铝合金全覆式护栏具有防夹手功能,护拦位置在中间,让病人更加安全;4)配置高强度、高耐磨的①125mr中控脚轮刹车系统,使床移动灵活、轻巧、方便;5)摇杆采用万向联轴结构,隐藏式设计,具有自锁功能,另配备两支高压助力气弹簧,操作轻松自如;6)床头床尾配有四个防撞角,护角部分为铁制,保护床体及墙面;7)床架配备六个引流钩(保证中间位置有引流钩,导流袋子不会接触地面),六个点滴架插孔及自助拉杆插孔;8)配备2根输液架,输液架为4个钩子,方向向上,1个杂物篮。
病床承重重量:》250kg;9)脚轮为4个优质5寸万向轮,其材质为PU聚氨脂,高耐磨,无噪音,四个脚轮带刹车装置,稳定性好。
10)护栏、摇杆为全金属材质。
11)病床颜色可以根据用户需求制作。
12)床拦(打上与放下)与床平行,不影响整床宽度。
2、床头柜(1)规格:外形尺寸:470x440x770mm(2)材质1)采用新颖设计,全新塑钢材料,质地轻巧,外型高雅坚固,耐老化,耐褪色,颜色与床体,协调统一。
2)脚轮为4个优质2寸万向轮,可随意移动,其材质为PU聚氨脂,高耐磨,无噪音,四个脚轮带刹车装置,稳定性好。
3)三层结构,具有灵活伸缩护理台。
4)两侧配置隐秘式毛巾架,外形美观,减省必要空间5)床头柜水壶底座加深,保证病人安全。
6)颜色可以根据用户需求制作。
3、床垫(1)规格:外形尺寸:1980X 840X80mm(2)材质:海绵与棕丝1)为三折,由3cm棕+5cm海绵制成,高弹海绵与棕丝,回弹性好,久睡不变形2)外套为透气性良好的防潮医用帆布,具有防霉防菌耐磨功能。
病床技术参数
7、丝杆:具有双向到位无极限保护及自润滑功能,内置铜合金螺母。
8、摇手柄:ABS摇手含件注塑成型工艺,内置≥Φ8mm钢芯,加长加厚用材,具有防夹手设计。
9、采用双重涂层处理技术,经过去油、除锈、磷化等工艺外,通过22道以上电泳技术在金属管材内壁及表面电泳上一层环氧树脂保护膜,进行静电粉末喷涂,达到内外防锈。
长久使用不生锈。
表面平整无凹槽,不积灰尘,易清洗。
10、四个点滴架插座,插槽塑料件采用加强设计,使用安全,推动时输液杆无抖动现象。
六个引流袋挂钩,分别置于病床两侧,使用方便。
11、床下配置搁物架,采用Φ19*1.0mm 以上圆管制作而成。
12、餐桌:餐板采用ABS工程塑料注塑成型,餐桌支架采用优质冷轧钢型材静电粉末喷涂,达到内外防锈。
长久使用不生锈,采用液压带阻尼装置,放倒时无噪音,防止压伤病人、医护人员、陪护人员的手指。
13、腿部的床板在升降的过程中与床梁保持平行。
2
床
垫
(
与
床
配
套)
1、★5-6公分高密度增强海棉,海绵密度达70以上。
加上3-2公分棕,
高密度棕片,经高温高压防虫处理。
2、外包优质防水布,液体不渗透表层,床垫套易清洁,易拆洗,床垫
两侧设多个透气孔。
3、可根据床的背部、脚部、腿部升降而弯曲。
6。
多功能产病床技术参数★1、原装进口★2、基本要求:用于分娩使用的多功能一体化产床。
具备电动整体升降、背部升降、脚部床体升降;具备手动床体倾斜功能。
具备备用电池。
2.床体参数2.1.整体长度≥2250mm,2.2.宽度2.2.1.护拦支起宽度≥990mm2.2.2.护拦放下宽度≥910mm2.3.升降范围(包括床垫):580--990mm2.4.倾斜角度2.4.1.头部倾斜角度0~63°*2.4.2.座位倾斜角度0~15°2.4.3.床体倾斜角度0~8°2.5.承重能力2.5.1.整体承重≥225kg*2.5.2.脚部承重≥180kg3.自动座位倾斜功能:背部抬升时,臀部床板自动倾斜。
4.护栏4.1.位于头部床体两侧4.2.护栏一键式释放操作4.3.护栏放下后可完全收于床板之下,不会由床板侧面突出5.脚部床体5.1.具有向上提离拆卸功能,5.2.具有升降功能,升降范围(包括床垫):580--990mm5.3.脚部床体拆卸后具有内置式支架,可立于地面6.床垫:*6.1.主体床垫与脚部床垫连接处具有V型切口(与床板所匹配),6.2.脚部床垫可折叠6.3.床垫外套防水设计,激光无缝焊接,填充物为减压海绵7.操作功能7.1.电动操作部分:7.1.1.非线控操作,双侧护栏内置式操作按钮,7.1.2.可控制:整体升降、背部升降、脚部床体升降7.1.3.具有锁定功能7.2.手动操作部分:7.2.1.双侧即时单键CPR释放,*7.2.2.双侧即时倾斜体位手柄,并具备气弹簧复位功能。
8.脚蹬8.1.脚蹬与床面一体化设计,可电动升降脚蹬高度,*8.2.脚蹬具有助力操作把手,可操作脚蹬向外侧和向上转动0--85°,8.3.脚蹬在活动范围内,可以在任何位置固定8.4.在不拆除脚部床面的情况下,脚蹬仍可使用9.小腿托9.1.小腿托配于脚蹬下方,可翻转到脚蹬上方9.2.小腿托为整体压制成型9.3.小腿托角度可自由调节,可由固定把手锁定位置10.医用直流电机,具有同时驱动功能,11.四个进口脚轮,直径≥150mm,具有中控刹车和导向功能12.单步拆卸床头板,具有转运把手13.附件部分*13.1.配备原厂备用电池13.2.双侧即时分娩抓手,可收于床下13.3.自动夜灯功能13.4.污物盆13.5.插拔式可伸缩盐水架。
1、医用普通病床(手动床)技术参数要求(1)规格外形尺寸:2100×980mm;床面尺寸:1980×840mm;床面高度:460—730mm;背板倾斜:0―65°;腿板倾斜:0―35°(2)材质1)床架由碳钢金属40×80×1.2mm管材、冷扎钢板制造,抗菌粉体喷涂,具有抗静电功能;2)配置可拆卸式ABS强化塑胶床头尾板,尾板部分留有2个专用金属固定圆钉,可以挂记录卡等资料,金属床面板采用碳钢金属厚1.2mm,多孔设计,提高了通气性及强度,3)铝合金全覆式护栏具有防夹手功能,护拦位置在中间,让病人更加安全;4)配置高强度、高耐磨的Φ125mm中控脚轮刹车系统,使床移动灵活、轻巧、方便;5)摇杆采用万向联轴结构,隐藏式设计,具有自锁功能,另配备两支高压助力气弹簧,操作轻松自如;6)床头床尾配有四个防撞角,护角部分为铁制,保护床体及墙面;7)床架配备六个引流钩(保证中间位置有引流钩,导流袋子不会接触地面),六个点滴架插孔及自助拉杆插孔;8)配备2根输液架,输液架为4个钩子,方向向上,1个杂物篮。
病床承重重量:≥250kg;9)脚轮为4个优质5寸万向轮,其材质为PU聚氨脂,高耐磨,无噪音,四个脚轮带刹车装置,稳定性好。
10)护栏、摇杆为全金属材质。
11)病床颜色可以根据用户需求制作。
12)床拦(打上与放下)与床平行,不影响整床宽度。
2、床头柜(1)规格:外形尺寸:470x440x770mm(2)材质1)采用新颖设计,全新塑钢材料,质地轻巧,外型高雅坚固,耐老化,耐褪色,颜色与床体,协调统一。
2)脚轮为4个优质2寸万向轮,可随意移动,其材质为PU聚氨脂,高耐磨,无噪音,四个脚轮带刹车装置,稳定性好。
3)三层结构,具有灵活伸缩护理台。
4)两侧配置隐秘式毛巾架,外形美观,减省必要空间5)床头柜水壶底座加深,保证病人安全。
6)颜色可以根据用户需求制作。
床垫技术参数(共1页)
--本页仅作为文档封面,使用时请直接删除即可--
--内页可以根据需求调整合适字体及大小--
床垫技术参数
规格2000*1200*250
1.床垫面料,采用优质强力棉质针织布;
2.床网弹簧,使用链接式圆簧,线,4 分芯;弹簧内芯精密连锁式提拉床网,使用高密度回弹海绵;
3.床网打底,使用 450 克环保纯白色硬质棉;面料海绵粘接部分采用名优品牌环保胶水,零甲醛,没有任何异味;
4.弹簧四周角色泡沫定型管,防止磕碰;
5.舒适层采用高密度回弹海绵,无异味,单面加棕。
供应商在开标时须提供样品1件,样品尺寸可与要求尺寸不同,但材质、工艺、质量、结构设计等必须完全响应招标文件并与投标货物相同。
2。
1、医用普通病床(手动床)技术参数要求(1)规格外形尺寸:2100×980mm;床面尺寸:1980×840mm;床面高度:460—730mm;背板倾斜:0―65°;腿板倾斜:0―35°(2)材质1)床架由碳钢金属40×80×1.2mm管材、冷扎钢板制造,抗菌粉体喷涂,具有抗静电功能;2)配置可拆卸式ABS强化塑胶床头尾板,尾板部分留有2个专用金属固定圆钉,可以挂记录卡等资料,金属床面板采用碳钢金属厚1.2mm,多孔设计,提高了通气性及强度,3)铝合金全覆式护栏具有防夹手功能,护拦位置在中间,让病人更加安全;4)配置高强度、高耐磨的Φ125mm中控脚轮刹车系统,使床移动灵活、轻巧、方便;5)摇杆采用万向联轴结构,隐藏式设计,具有自锁功能,另配备两支高压助力气弹簧,操作轻松自如;6)床头床尾配有四个防撞角,护角部分为铁制,保护床体及墙面;7)床架配备六个引流钩(保证中间位置有引流钩,导流袋子不会接触地面),六个点滴架插孔及自助拉杆插孔;8)配备2根输液架,输液架为4个钩子,方向向上,1个杂物篮。
病床承重重量:≥250kg;9)脚轮为4个优质5寸万向轮,其材质为PU聚氨脂,高耐磨,无噪音,四个脚轮带刹车装置,稳定性好。
10)护栏、摇杆为全金属材质。
11)病床颜色可以根据用户需求制作。
12)床拦(打上与放下)与床平行,不影响整床宽度。
2、床头柜(1)规格:外形尺寸:470x440x770mm(2)材质1)采用新颖设计,全新塑钢材料,质地轻巧,外型高雅坚固,耐老化,耐褪色,颜色与床体,协调统一。
2)脚轮为4个优质2寸万向轮,可随意移动,其材质为PU聚氨脂,高耐磨,无噪音,四个脚轮带刹车装置,稳定性好。
3)三层结构,具有灵活伸缩护理台。
4)两侧配置隐秘式毛巾架,外形美观,减省必要空间5)床头柜水壶底座加深,保证病人安全。
6)颜色可以根据用户需求制作。
病床方案书1. 引言本病床方案书旨在设计和开发一款功能齐全、舒适、安全的病床,满足患者和医护人员的需求。
本文档将介绍病床的设计要求、功能特点、技术规格以及预期的成本和时间计划。
2. 设计要求2.1 舒适性病床应提供良好的舒适性,以提高患者的康复速度和整体体验。
床垫应该具有合适的硬度和弹性,以减轻患者的压力,并提供良好的支撑。
此外,病床还应具备可调节的头部和脚部升降功能,以提供个性化的睡眠姿势。
2.2 安全性病床的设计必须考虑患者和医护人员的安全。
床框和扶手应采用坚固和耐用的材料制造,以提供足够的支撑和稳定性。
床垫应采用防水和防火材料,并具备适当的防滑功能,以避免滑倒和意外摔落的风险。
2.3 多功能性病床应具备多种功能,以满足不同患者的需求。
床头应配备可调节的便利扶手,方便患者进食、读书等日常活动。
病床还应具备可调节的床高功能,提供适合不同需求和操作的高度。
2.4 操作简便病床的设计应尽量简化操作步骤,以方便医护人员的使用。
各项功能应配备易于理解和使用的控制面板,并采用直观的标志和标识,以方便快速调整和操作。
3. 功能特点3.1 可调节床高病床应具备可调节的床高功能,以适应不同患者的需求。
床高调节应采用电动或机械方式实现,以方便调整和操作。
3.2 可调节头部和脚部病床的头部和脚部应具备可调节功能,以提供不同角度的支撑。
头部和脚部的角度调节应采用电动或机械方式实现,以满足患者个性化的睡眠需求。
3.3 床边扶手病床的床边应配备坚固的材料制成的扶手,以提供患者的安全支撑。
扶手应具备可调节和折叠的功能,以方便患者的日常活动。
3.4 轮子病床应具备带刹车的轮子,以方便病床的移动和固定。
轮子应采用耐用的材料制造,并配备灵活的转向系统,以提供良好的操控性。
3.5 其他特点•防滑床垫,减少患者滑倒的风险;•防水和防火床垫,提高床垫的安全性;•床位锁定系统,确保床位的稳定性;•照明系统,提供良好的光线照明;•静音设计,减少噪音影响。
床垫技术参数
规格2000*1200*250
1.床垫面料,采用优质强力棉质针织布;
2.床网弹簧,使用链接式圆簧,2.3 线,4 分芯;弹簧内芯精密连锁式提拉床网,使用高密度回弹海绵;
3.床网打底,使用 450 克环保纯白色硬质棉;面料海绵粘接部分采用名优品牌环保胶水,零甲醛,没有任何异味;
4.弹簧四周角色泡沫定型管,防止磕碰;
5.舒适层采用高密度回弹海绵,无异味,单面加棕。
供应商在开标时须提供样品1件,样品尺寸可与要求尺寸不同,但材质、工艺、质量、结构设计等必须完全响应招标文件并与投标货物相同。
医用普通病床(手动床)技术参数要求(总8页)--本页仅作为文档封面,使用时请直接删除即可----内页可以根据需求调整合适字体及大小--1、医用普通病床(手动床)技术参数要求(1)规格外形尺寸:2100×980mm;床面尺寸:1980×840mm;床面高度:460—730mm;背板倾斜:0―65°;腿板倾斜:0―35°(2)材质1)床架由碳钢金属40×80×管材、冷扎钢板制造,抗菌粉体喷涂,具有抗静电功能;2)配置可拆卸式 ABS 强化塑胶床头尾板,尾板部分留有 2 个专用金属固定圆钉,可以挂记录卡等资料,金属床面板采用碳钢金属厚 ,多孔设计,提高了通气性及强度,3)铝合金全覆式护栏具有防夹手功能,护拦位置在中间,让病人更加安全;4)配置高强度、高耐磨的Φ125mm中控脚轮刹车系统,使床移动灵活、轻巧、方便;5)摇杆采用万向联轴结构,隐藏式设计,具有自锁功能,另配备两支高压助力气弹簧,操作轻松自如;6)床头床尾配有四个防撞角,护角部分为铁制,保护床体及墙面;7)床架配备六个引流钩(保证中间位置有引流钩,导流袋子不会接触地面),六个点滴架插孔及自助拉杆插孔;8)配备 2 根输液架,输液架为 4 个钩子,方向向上,1 个杂物篮。
病床承重重量:≥250k g;9)脚轮为4 个优质 5 寸万向轮,其材质为PU聚氨脂,高耐磨,无噪音,四个脚轮带刹车装置,稳定性好。
10)护栏、摇杆为全金属材质。
11)病床颜色可以根据用户需求制作。
12)床拦(打上与放下)与床平行,不影响整床宽度。
2、床头柜(1)规格:外形尺寸:470x440x770mm(2)材质1)采用新颖设计,全新塑钢材料,质地轻巧,外型高雅坚固,耐老化,耐褪色,颜色与床体,协调统一。
2)脚轮为 4 个优质 2 寸万向轮,可随意移动,其材质为PU聚氨脂,高耐磨,无噪音,四个脚轮带刹车装置,稳定性好。