4 特种加工实训教程(手工编程)
- 格式:doc
- 大小:611.50 KB
- 文档页数:13
课题C-4 数控电火花线切割手工编程一、实训目的及要求:1、掌握手工编程的基础知识,编制简单图形的3B 程序2、、掌握5B 编程与3B 编程的转换方法3、、学会G 代码编程,并运用到实际加工中二、实训设备工具及量具:电脑、图纸。
三、实训内容及步骤:1、线切割编程简介定义: 所谓的编程就是由操作人员以规定的加工码格式,依照人们的设计意图即图纸的各项尺寸要求等编制加工程序,然后制成穿孔纸带或磁带、软盘或光盘等,输入到机床的控制系统中完成加工任务的工作。
分类: 3B 、4B 、5B手工编程 ISO 标准—G 代码编程方法 各品牌机型专用的自动格式自动编程 YH 、CAXA 、AUTOP 、MASTERCAM 、UG 、EIA 。
2、编程相关知识1)、公差尺寸的编程计算法——中差尺寸中差尺寸 = 基本尺寸 + ( ) )例 1:槽32040020。
++的中差尺寸为: 32 + (2020040。
+) = 32.03 例 2:半径为8.5002.0-的中差尺寸为: 8.5 + (202.00-) = 8.49 例 3:直径为φ24.5024.0-的中差尺寸为: 24.5 + (224.00-) = 24.38 其半径的中差尺寸为: 24.38/2=12.192)、间隙补偿量 f(1)、间隙补偿量的确定方法图C4-1(2) 判定±f 的方法当考虑电极丝中心轨迹后,其圆弧半径比原图形半径增大时取+f ,否则半径减小时取-f ;对于直线段,当考虑电极丝中心轨迹后,使该直线段的法线长度P 增加时取+f ,减小时则取-f 。
加工凹模时,钼丝中心轨迹是在轮廓线内,故间隙补偿量取负值(-f );反之,加工凸模时间隙补偿量取正值(+f )。
(3) 间隙补偿量f 的算法加工冲模的凸、凹模时,应考虑电极丝半径r 丝、电极丝和工件之间的单边放电间隙δ电及凸模和凹模间的单边配合间隙δ配。
我们知道冲裁模包括冲孔模与落料模两种。
特种加工教案教案标题:特种加工教案目标:1. 了解特种加工的基本概念和特点;2. 掌握特种加工的工艺流程和操作方法;3. 培养学生的实际操作技能和创新能力。
教学重点:1. 特种加工的定义和分类;2. 特种加工的工艺流程和操作方法;3. 特种加工中的常见问题和解决方法。
教学难点:1. 特种加工的工艺流程和操作方法的细节;2. 如何解决特种加工中的常见问题。
教学准备:1. 教材:特种加工教材;2. 工具和材料:特种加工实验室所需的工具和材料;3. PPT演示文稿:用于展示特种加工的概念、工艺流程和操作方法。
教学过程:Step 1:导入(5分钟)通过展示一些特种加工的实际应用案例,引发学生对特种加工的兴趣,并激发他们的思考。
Step 2:概念讲解(10分钟)使用PPT演示文稿,介绍特种加工的定义和分类。
解释特种加工与传统加工方法的区别,并强调其在工业生产中的重要性。
Step 3:工艺流程和操作方法(25分钟)详细介绍特种加工的工艺流程和操作方法。
通过图示和实例,讲解每个步骤的具体操作要点和注意事项。
鼓励学生与教师互动,提问和讨论。
Step 4:实践操作(30分钟)组织学生进行特种加工的实践操作。
根据教材提供的实验指导书,学生按照工艺流程和操作方法进行实际操作。
教师在一旁进行指导和帮助,及时解答学生的问题。
Step 5:常见问题和解决方法(10分钟)总结特种加工中常见的问题和解决方法,并与学生分享。
鼓励学生思考如何改进特种加工的工艺流程和操作方法,培养他们的创新能力。
Step 6:课堂小结(5分钟)对本节课的内容进行总结和回顾,强调学生在特种加工方面所学到的知识和技能。
拓展活动:鼓励学生自主学习特种加工领域的最新发展和技术应用,并组织相关主题的研讨或小组报告,以促进学生的深入学习和思考。
教学评估:1. 学生操作实践的成果评估:根据学生在实践操作中的表现和成果,进行评估;2. 学生的参与度和互动情况评估:观察学生在课堂中的积极参与度和互动情况,进行评估;3. 学生的小组报告评估:对学生的小组报告进行评估,评价其对特种加工的理解和创新能力。
《特种加工机床操作技能实训》课程标准第一部分前言一、课程定位课程的性质: 《特种加工机床操作技能实训》是学生具备了一定专业基础知识之后开设的课程。
该课程培训学生了解与应用新技术的能力, 开设两周实训课。
课程的作用:通过对特种机床操作技能实训, 让学生对电火花线切割机床有全面的认识, 数控电火花线切割机床简单故障和加工中不正常现象的排除方法, 初步具备在现场分析、处理工艺及程序问题的能力, 会对典型零件进行3B编程及加工。
二、课程任务本课程任务是培训学生的电火花加工机床操作技能, 提高动手能力和应用新技术的能力, 培养职业技术素质, 增强就业能力和工作能力。
通过本课程的学习, 要求学生能较熟练地使用机床的基本功能完成典型(中等复杂程度)零件的加工, 数控电火花线切割机床简单故障和加工中不正常现象的排除方法, 会初步具备在现场分析、处理工艺及程序问题的能力及数控线切割机床的使用规则和日常维护保养等。
1.基本知识通过听课及课外自学, 在基本知识方面对学生有三个层次的要求: ⑴掌握部分: 特种加工(尤其是数控线切割加工)的基本原理、特点和应用;电火花加工常用名词术语;数控线切割机床的名称、型号。
⑵熟悉部分: 计算机辅助加工技术在数控线切割加工中应用, 重点熟悉CAXA线切割编程系统;数控线切割机床的结构、主要组成部分、使用规则和维护保养方法。
⑶了解部分: 数控线切割加工的基本工艺规律。
2.基本技能(含核心技能)通过观察表演和亲自实践, 在基本技能方面对学生有三个层次的要求: ⑴熟练掌握部分: 掌握数控线切割加工程序的编制方法, 能根据零件加工图纸使用3B格式编写简单的熟数控加工程序;依据加工要求编制数控电火花成型加工程序;独立完成简单零件加工。
⑵基本掌握部分: 根据加工要求合理选择电火花线切割加工参数。
⑶提高部分: 利用CAXA线切割编程系统进行计算机辅助加工(线切割编程);选取合理参数加工典型(中等复杂)的工件。
课题C-6 数控电火花线切割加工综合训练一、实训目的及要求:通过简单图形加工、手动碰边加工、跳步加工、冲裁模加工、锥度加工和异形件加工,进一步把握线切割机床的操作,熟练把握机床的操作技术,为尔后的学习打下坚实的基础。
二、实训设备工具及量具:数控电火花线切割机床、特种加工专用油、钼丝、扳手、十字/一字螺丝刀、Q235钢板(厚度5-20mm)、铣刀、碎布、油扫、百分表、直角尺、游标卡尺、千分尺。
三、实训内容及步骤:项目1:简单图形加工数控线切割机是加工各类周密的形状复杂的金属模具的专用机床,可加工各类硬度的金属材料,而且材料淬硬后对其切割状态更有利,适宜用它对模具作最后工序的加工,以减少淬火变形和表面氧化阻碍尺寸精度。
本项目要紧介绍简单图形的加工,并把握线切割机床的操作步骤。
1)、操作内容依照下图C6-1图样,加工出符合图样要求的工件图C6-1 五角星加工2)、工量具预备A 、刀具、工件材料Ф0.18mm 钼丝、 Q235钢板 (厚度5mm)B 、量具钢尺(150mm ,300mm )C 、工具 一字和十字螺丝刀、垫板、压块、螺栓组、校正规等机床附件3)、操作步骤A 、线切割机的大体操作B 、主机操纵元件的操作开机顺序: A →B →C →D →E 关机顺序: E →D →C →B →A C 、加工完拆卸工件并清洗。
★注意事项:A 、电源总开关(空气开关)接触是不是良好;B 、 电源启动按钮(ON )是不是能真正启动机床运转或有无漏电现象;C 、微机电源的启动是不是有漏电现象,传输线接口是不是松动,在接触良好情形下方可开机运行。
D 、 在自动编程时,注意起切点与工件的相对位置。
E 、 装夹工件时用手旋紧螺母即可。
F 、 工件伸出支架部份要大于实际尺寸。
4)、项目评判5)、相关知识预备数控电火花线切割加工的机床的型号及组成部份图C6-2 电火花线切割加工原理图1.工作液箱 2. 储丝筒 3. 电极丝 4. 供液管 5. 进电块 6. 工件 7. 夹具 8. 脉冲电源 9. 工作台拖板通常将电极丝与脉冲电源的负极相接,工件与脉冲电源的正极相接。
特种加工实训课程设计简介特种加工是目前高密度、高精度、高效率的制造方式,其应用范围涵盖了航空、航天、汽车、电子等领域,尤其是在动力、通讯和信息技术领域的普及与发展,使得特种加工技术对工业制造具备了越来越重要的意义。
本实训课程围绕特种加工技术开展,旨在提高学生的实践能力与技术水平,使其成为具备特种加工实践能力的创新型人才。
实训目标本实训课程旨在通过以下几个方面提升学生的实践能力与技术水平:1.了解特种加工基本知识与技巧:学生将了解特种加工所涉及到的材料、工艺、设备等基本知识,以及特种加工过程中出现的常见问题及解决方法。
2.掌握特种加工设备操作技能:学生将通过实际操作学习特种加工设备(包括电火花、线切割、超声波等)的操作技能,以及加工过程中的注意事项和安全工作。
3.熟练掌握特种加工加工技术:学生将通过加工实践掌握特种加工加工所需的相关技术,包括电极制作、工件安装、加工参数的设置、质量控制等。
4.能够合理应用特种加工技术:学生将通过案例分析、课程设计等形式,学习如何合理应用特种加工技术解决实际问题,提升自己的解决问题的能力。
课程内容本实训课程主要包括以下三个方面的内容:基础知识与技巧学习1.特种加工介绍:介绍特种加工技术的应用领域、技术原理和历史发展等方面的内容。
2.特种加工设备介绍与操作:介绍电火花、线切割、超声波等特种加工设备的操作技巧,学生将通过实践掌握设备操作的基本技能,以及加工中的注意事项和安全工作。
3.特种材料介绍:介绍特种加工中常用的材料类型、特点和制备方法等方面的知识。
加工技术学习1.电极制作:通过实践操作掌握电极的制作方法和注意事项。
2.工件安装:介绍工件安装的原理与方法,并通过实践操作熟练掌握该技能。
3.加工参数设置:学生将通过实践操作掌握加工参数的设置方法,包括放电电压、放电电流、放电时间等参数的设定。
4.质量控制:与加工相关的质量控制措施,包括位移控制、电极磨损补偿、放电异常处理等方面的知识。
数控手工编程的方法与步骤一、数控手工编程的方法1.手工编程:将加工工艺和机床运动规律直接翻译成G代码进行编程。
这种方法需要对加工工艺和机床的运动参数非常熟悉,适用于简单的工艺,例如直线、圆弧等。
2.图形化编程:使用CAD/CAM软件进行编程,通过绘制工件的图形图像,再进行加工路线的规划和G代码的生成。
这种方法可以提高编程效率,减少错误。
适用于复杂的零件加工。
3.常用加工模板编程:在实际加工中,存在许多相似的零件,可以将这些零件的加工工艺和G代码保存为模板,以便下次进行类似的加工操作。
使用模板编程可以提高编程的效率和一致性。
二、数控手工编程的步骤1.确定零件的几何形状和尺寸:首先需要对待加工零件的几何形状和尺寸进行测量和分析,明确加工的要求。
2.选择机床和刀具:根据零件的几何形状和加工要求,选择合适的数控机床和刀具。
3.加工工艺规划:根据几何形状和加工要求,规划加工工艺,包括切削量、切削速度、进给速度等参数的确定。
4.编写G代码:根据加工工艺规划,编写G代码,控制机床进行具体的加工操作。
G代码包括刀具的起始位置、切削轨迹、切削速度、进给速度等。
5.调试和修改:将编写好的G代码输入数控机床进行加工,检查零件的加工质量和尺寸是否符合要求,如有问题需要进行调试和修改G代码。
6.优化加工工艺:根据加工过程中的经验和实际情况,对加工工艺进行优化,包括切削参数的调整和G代码的修改,以提高加工效率和质量。
总结:数控手工编程是数控加工中非常重要的一环,通过合理编写G代码可以控制数控机床进行精确、高效的加工。
数控手工编程可以通过手工编程、图形化编程和常用加工模板编程等方法实现,每种方法都有其特点和适用范围。
在进行数控手工编程时,需要经过几个步骤,包括确定零件的几何形状和尺寸、选择机床和刀具、加工工艺规划、编写G代码、调试和修改以及优化加工工艺。
通过不断的实践和经验积累,可以提高数控手工编程的效率和质量。
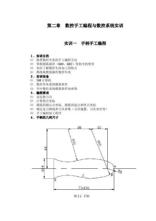
第二章数控手工编程与数控系统实训实训一手柄手工编程1.实训目的⑴熟悉数控车床的手工编程方法⑵掌握圆弧插补(G03、G02)等指令的使用⑶初步了解数控车床加工的特点⑷熟练地模拟操作数控车床2.实训设备⑴586计算机⑵数控车床系统模拟软件⑶华中数控系统模拟软件加密狗3.编程要求⑴设定换刀点⑵计算拐点坐标⑶圆弧的圆心点坐标、圆弧的起点和终点坐标⑷确定走刀路线和刀具参数(刀具偏置,刀具直径等)⑸手工编制加工程序4.手柄的几何尺寸图2.1 手柄手柄结构分析:如图2.1所示,该手柄由三段圆弧和一段直线组成。
5.参考程序OXXXX 自定义零件程序号0~9999N01 G92 X16 Z73.436 建立工件坐标系(坐标参数由对刀定)N05 M03 S500N10 M98 P0006 L11 调用子程序11次,完成切削过程N15 M05 关主轴电机N20 M02 程序结束O0006 子程序号为O0006N02 G91 G01 X-6.0 F500 沿X负方向切入(Z=73.436)N03 G03 X7.385 Z-4.923 R8 加工圆弧A、BN04 X2.215 Z-39.877 R60 加工圆弧B、CN05 G02 X2.4 Z-28.636 R40 加工圆弧C、DN06 G00 X2.0 快速沿X正方向切出(Z=0)N07 Z73.436 快速沿Z正方向移动N08 X-9.0 快速沿X负方向移动N09 M99 子程序返回6.实训步骤⑴先将模拟软件硬加密狗插入计算机并口(打印机口),再启动计算机;⑵进入操作系统按照实训老师要求,进入DOS或WINDOWS操作系统平台;⑶运行CNC.EXE⑷输入程序,并存盘按第5步中的参考程序,在数控车削系统程序编辑状态下输入、编辑,完成后存盘,程序名为:OXXXX;⑸程序校验⑹加工轨迹模拟注:以上步骤⑴—⑹,请参照第一章第一节内容。
实训二复合轴数控车手工编程1.实训目的通过对复合轴类零件的手工编程,熟悉数控车床加工中车削复合循环指令的的使用,进一步熟练轴类零件的手工编程。
特种加工实验指导书闽南理工学院光电与机电工程系光电与测控教研室1、电火花成型加工一、目的及要求通过对EDM-350型数控电火花加工的实际观看与上手操作,使学生深刻理解电火花的加工原理,熟悉数控电火花设备构成及其技术范围,了解电火花加工工件的过程和进行初步操作。
要求如下:1、正确阐述电火花加工的原理;2、熟悉数控电火花设备各组成部分,了解如何使用和操作;3、了解所用电火花设备的技术规范;4、了解电极材料的选择和如何考虑电极损耗;5、初步掌握工件与电极的装夹定位方法;6、了解基本数控操作。
二、实验内容1、了解EDM-350型数控电火花成形机由哪些部分组成,各部分的用途及操作方法;2、了解各种电极材料的加工性能、各种电极结构、粗/精加工电极的获得以及平动电极加工;3、了解电极的加工与修复;4、了解设备粗、中、精加工电规准情况和选用方法;5、了解设备各项技术规范;6、了解工作液的选用、工作液过滤循环装置;7、动手操作并初步掌握对工件和电极的装夹与定位;8、动手操作并初步掌握工件加工方法。
三、主机各部分及其作用1、床身和立柱它主要是一个基础构,应确保电极与工件之间的相互位置。
2、工作台主要是用来支撑和装夹工件,容纳工作液,使电极和工件浸在工作液中,起到冷却、排屑作用。
3、主轴头有伺服进给机构、导向防扭机构、辅助机构三部分组成,它控制加工件与工具电极之间的放电间隙。
4、工作液系统使工作液强迫循环。
5、电极材料电极材料必须是导电性能良好,损耗小,造型容易,并且具有加工稳定、效率高、材料来源丰富、价格便宜等特点,常用电极材料有紫铜、石墨、黄铜、铜钨合金和钢、铸铁等。
四、正确操作电火花成型机床要点1 .准备阶段。
在操作之前,首先有个准备阶段,包括看懂被加工件的图纸和各项工艺要求,根据电极、模板形状、尺寸规格,确定装夹装置和位置。
2 .在装夹前必须首先启动液压系统,使其处于动态,防止开机后影响装夹精度。
3 .根据加工型孔的厚度、尺寸公差和表面粗糙度的要求,确定脉冲规准,按粗、中、精关系,选择电压、电流、脉宽、间隔,确保稳定加工。
特种加工第四版教学设计一、教学目标通过本课程的学习,学生应该能够:1.掌握计算机数控技术在特种加工中的应用;2.掌握各种特种加工工艺和设备的原理、基本操作方法和调试;3.掌握特种加工处理的常用工艺规程、技术要求和质量标准。
二、教学内容1.特种加工工艺的分类和概述;2.特种加工设备的分类和工作原理;3.磨削加工;4.放电加工;5.激光加工;6.喷射加工;7.喷涂加工;8.化学加工;9.机电加工;10.多种特种加工工艺的组合及操作方法。
三、教学方法1.理论授课;2.综合实验;3.课程讲解和案例分析。
四、教学过程第一周第一课1. 教学内容特种加工工艺的分类和概述。
2. 教学方式和方法理论授课。
3. 教学重点和难点特种加工工艺的分类和概述。
第二周第二课1. 教学内容特种加工设备的分类和工作原理。
2. 教学方式和方法理论授课。
3. 教学重点和难点特种加工设备的分类和工作原理。
第三课1. 教学内容磨削加工。
2. 教学方式和方法综合实验。
3. 教学重点和难点磨削加工的基本操作方法和调试。
第三周第四课1. 教学内容放电加工。
2. 教学方式和方法综合实验。
3. 教学重点和难点放电加工的基本操作方法和调试。
第五课1. 教学内容激光加工。
2. 教学方式和方法综合实验。
3. 教学重点和难点激光加工的基本操作方法和调试。
第四周第六课1. 教学内容喷射加工。
2. 教学方式和方法综合实验。
3. 教学重点和难点喷射加工的基本操作方法和调试。
第七课1. 教学内容喷涂加工。
2. 教学方式和方法综合实验。
3. 教学重点和难点喷涂加工的基本操作方法和调试。
第五周第八课1. 教学内容化学加工。
2. 教学方式和方法综合实验。
3. 教学重点和难点化学加工的基本操作方法和调试。
第九课1. 教学内容机电加工。
2. 教学方式和方法综合实验。
3. 教学重点和难点机电加工的基本操作方法和调试。
第六周第十课1. 教学内容多种特种加工工艺的组合及操作方法。
一、实验背景随着现代工业的发展,对材料加工的要求越来越高,传统的切削加工方法已经无法满足某些特殊材料、复杂形状和高精度加工的需求。
特种加工技术作为一种先进的加工方法,具有高精度、高效率、高自动化等特点,广泛应用于航空航天、汽车制造、模具制造等领域。
为了提高学生的实践能力和创新意识,我们开展了特种加工实验实训。
二、实验目的1. 熟悉特种加工的基本原理、工艺方法和设备操作;2. 培养学生的动手能力、分析问题和解决问题的能力;3. 了解特种加工在实际生产中的应用,为今后的工作奠定基础。
三、实验内容1. 电火花成型加工实验(1)实验目的:了解电火花成型加工的原理、工艺方法和设备操作,掌握电火花加工的基本技能。
(2)实验内容:电火花加工机床的结构及工作原理;加工参数的设置;加工工艺过程;加工后的产品检测。
2. 超声波加工实验(1)实验目的:了解超声波加工的原理、工艺方法和设备操作,掌握超声波加工的基本技能。
(2)实验内容:超声波加工机床的结构及工作原理;加工参数的设置;加工工艺过程;加工后的产品检测。
3. 激光加工实验(1)实验目的:了解激光加工的原理、工艺方法和设备操作,掌握激光加工的基本技能。
(2)实验内容:激光加工机床的结构及工作原理;加工参数的设置;加工工艺过程;加工后的产品检测。
4. 电化学加工实验(1)实验目的:了解电化学加工的原理、工艺方法和设备操作,掌握电化学加工的基本技能。
(2)实验内容:电化学加工机床的结构及工作原理;加工参数的设置;加工工艺过程;加工后的产品检测。
四、实验过程1. 实验前的准备工作(1)熟悉实验设备,了解其结构和工作原理;(2)查阅相关资料,掌握实验操作步骤和注意事项;(3)根据实验要求,设置加工参数。
2. 实验操作(1)按照实验要求,进行电火花成型加工、超声波加工、激光加工和电化学加工实验;(2)观察实验现象,记录实验数据;(3)分析实验结果,找出问题并改进。
3. 实验总结(1)对实验过程中遇到的问题进行总结,提出改进措施;(2)撰写实验报告,总结实验过程、实验结果和心得体会。
《特种加工制造技术实训》课程标准
课程代号:总学时数:60适用专业:机械制造与自动化
一、课程的性质、目的和任务
本课程的性质是必修课、专业技术课、实训课,对实现培养目标(人才培养计划)所起的作用:特种加工制造技术实训是学习数控技术的专业拓展课,学会了特种加工制造技术可从事特种加工生产,本课程的主要培养任务是通过学习让同学们学会数控特种加工制造机床操作技能。
二、课程定位
该课程在专业课程体系中十分重要,是对同学们特种加工技能的一种培养,课程与职业岗位工作关系十分密切,课程对职业素质养成与职业能力培养十分关键,学会了特种加工技术为其就业增加途径。
三、设计思路
课程设计基于生产过程,充分体现校企合作、工学结合的特点,以典型零件为载体来实施课程整体设计。
四、课程能力培养分解
根据行业特点和岗位需求将本课程进行专项能力划分,教学内容根据能力分
五、课程目标
(-)总体目标
通过学习本课程,达到了解特种加工种类、特点,可操特种加工设备,正确使用设备加工出工件,并会对机床进行简单的调整。
了解机械加工的基本常识。
(二)具体目标
通过学习了解特种加工的基本知识,了解特种加工种类、特点,了解激光加工基本原理,会使用激光加工设备,了解数控电加工基本原理,会使用电加工设备,正确选择电参数加工工件。
六、课程内容
(-)学习情境
七、教学资源
设备:特种加工设备八、有关说明
未尽事宜可在此处说明。
《特种加工》实习教案一、教学目的使学生了解电火花加工、线切割加工和激光雕刻技术的基本原理、发展 现状及机床组成等。
二、教学手段课堂教学,采用多媒体辅助手段实现。
三、时间安排:60 分钟四、授课内容1.特种加工的基本知识。
特种加工的特点。
特种加工的种类。
电火花加 工工艺方法分类。
2.电火花加工。
电火花加工的原理;电火花加工过程;电火花加工的特 点;电火花成型加工机床结构;电火花成型加工的应用;工具电极;电火花 加工样品。
3.数控电火花线切割加工概述。
电火花线切割加工是电火花加工的一个分支。
它是利用移动的金 属丝作为工具电极,在金属丝与工件之间通以脉冲电流,利用脉冲放电的电 腐蚀作用,对工件进行切割加工。
随着高科技加工的发展,在 20 世纪 50 年 代末,已逐步形成一种高精度和高自动化的加工方法。
特别是在模具制造业, 成形刀具以及难加工材料等方面获得广泛的应用。
尤其是近年来,计算机技 术的应用与电火花线切割技术相结合,实现了各种复杂形状的模具和零件的 自动化,从而缩短了模具制造以及新产品形成的研制周期,具有很好的经济 效益。
电蚀—在电火花放电的作用下,蚀除电机材料的现象。
电蚀产物—工作液中电火花放电时的生成物。
(1)工作原理:线切割加工技术是线电极加工技术,是电火花加工技术的 一种类型。
线切割机床是采用鉬丝或硬性黄铜作为电极丝。
被切割的工件为 正极,工具为负极,当脉冲电流发生连续的脉冲时,加工工具电极和工具电极上工具与工件之间产生很强的脉冲电场,使其介质被电击穿,产生脉冲放 电,而火花放电通常电极上的温度约为 1 万到 1 万 2 千度。
电极丝在储丝面 的作用下作正反交替或单项运动,在工件和电极丝之间浇注工作液。
在机床 数控的控制下,工作台相对电级丝按预定程序运动,从而切割出需要的工件 形状。
(2)加工机床的特点由于电机工具是直径较小的细丝,故脉冲宽度平均电流不能太大,加工 工具参数范围较小。
采用水式水基工作液,不会导致起火,容易实现无人安全运行。
《特种加工技术》实验课实验数据原始记录及实验报告班级姓名第组年月日
实验一:数控线切割机床的基本操作
1.简述数控线切割机床的工作原理
2.简述数控线切割机床的基本操作步骤
3.在线切割机床的自动编程系统上,设计一个线切割加工零件图,并生成G代码程序和3B格式程序。
(要求绘制零件图、标注尺寸、写出G指令和3B格式程序、在零件图上标注工件坐标系、起割点、孔位点、切割方向)
考勤记录实验老师签名年月日
实验二:电火花成型机床基本操作实验
1.简述电火花成型机床的工作原理
2.简述电火花加工的特点
3.简单描述粗加工、中加工、精加工时的加工速度、表面粗糙度、抬刀高度、抬刀频率等的区别
考勤记录实验老师签名年月日
说明:1.本表中的所有实验数据应是学生亲自动手获得,必须真实,严禁弄虚作假;
2.每个实验的实验数据必须在规定的实验时间内做完,并填写本表,现场上交实验老师批阅,不能课后补交。
3.本表为实验报告的重要内容。
课题C-4 数控电火花线切割手工编程一、实训目的及要求:1、掌握手工编程的基础知识,编制简单图形的3B 程序2、、掌握5B 编程与3B 编程的转换方法3、、学会G 代码编程,并运用到实际加工中二、实训设备工具及量具:电脑、图纸。
三、实训内容及步骤:1、线切割编程简介定义: 所谓的编程就是由操作人员以规定的加工码格式,依照人们的设计意图即图纸的各项尺寸要求等编制加工程序,然后制成穿孔纸带或磁带、软盘或光盘等,输入到机床的控制系统中完成加工任务的工作。
分类: 3B 、4B 、5B手工编程 ISO 标准—G 代码编程方法 各品牌机型专用的自动格式自动编程 YH 、CAXA 、AUTOP 、MASTERCAM 、UG 、EIA 。
2、编程相关知识1)、公差尺寸的编程计算法——中差尺寸中差尺寸 = 基本尺寸 + ( ) )例 1:槽32040020。
++的中差尺寸为: 32 + (2020040。
+) = 32.03 例 2:半径为8.5002.0-的中差尺寸为: 8.5 + (202.00-) = 8.49 例 3:直径为φ24.5024.0-的中差尺寸为: 24.5 + (224.00-) = 24.38 其半径的中差尺寸为: 24.38/2=12.192)、间隙补偿量 f(1)、间隙补偿量的确定方法图C4-1(2) 判定±f 的方法当考虑电极丝中心轨迹后,其圆弧半径比原图形半径增大时取+f ,否则半径减小时取-f ;对于直线段,当考虑电极丝中心轨迹后,使该直线段的法线长度P 增加时取+f ,减小时则取-f 。
加工凹模时,钼丝中心轨迹是在轮廓线内,故间隙补偿量取负值(-f );反之,加工凸模时间隙补偿量取正值(+f )。
(3) 间隙补偿量f 的算法加工冲模的凸、凹模时,应考虑电极丝半径r 丝、电极丝和工件之间的单边放电间隙δ电及凸模和凹模间的单边配合间隙δ配。
我们知道冲裁模包括冲孔模与落料模两种。
这里要注意的是:当加工冲孔模具时(即冲后要求工件保证孔的尺寸),凸模尺寸由孔的尺寸确定。
即以凸模为准,凸模尺寸等于图纸尺寸,故凸模的间隙补偿量f 凸= r 丝+δ电,而配合间隙δ配在凹模上扣除,因此凹模的间隙补偿量f 凹 = r 丝+δ电-δ配。
当加工落料模时(即冲后要求保证冲下的工件尺寸),凹模尺寸由工件的尺寸确定。
因δ配在凸模上扣除,故凸模的间隙补偿量f 凸= r 丝+δ电-δ配,凹模的间隙补偿量f 凹 = r 丝+δ电。
A .电级丝半径r 丝的确定r 丝 = 2丝d B .电极丝和工件之间的单边放电间隙δ电如果采用高速线切割机加工,则单边放电间隙常取定值0.01mm ;若使用低速慢走丝线切割机加工时,应根据加工精度(粗、精加工)要求而定,可参照使用设备的说明书给出。
C .单边冲裁间隙δ配的计算单边冲裁间隙大小与冲压件的厚度(T )有关,一般取冲压件厚度(T )的4%,即:δ配 = T × 4%3、间隙补偿量的实例例如编制加工图所示零件的凹模和凸模程序时首先进行间隙补偿量的计算。
该模具是冲孔模,冲裁工件厚度为1 mm ,在高速线切割机上加工。
其钼丝直径φ=0.14mm ,。
解:(1) 中差计算:中心距尺寸:14+ (2010010。
-) = 14 半径尺寸:5.8+(2010010。
-)=5.8 图C4-2⑵ 由于采用高速线割机,故放电间隙为δ电=0.01mm ⑶ ∵ T=1 mm∴δ配 = T × 4%=δ配 =1 × 4%=0.04mm⑷ 因该模具是冲孔模,凸模尺寸与零件的尺寸相一致故 凸模间隙补偿量为:f 凸 = r 丝+δ电=2丝d+δ电=0.14/2+0.01=0.08 mm而 凹模的间隙补偿量为:f 凹 =-(r 丝+δ电)+δ配=-0.08+0.04=-0.04 mm加工凹模时,间隙补偿量取负值(-f ),图中虚线表示电极丝中心轨迹。
若采用3B 编程要进行交点计算,此图与X 轴上下对称,与Y 轴左右对称。
4、练习题1).偏移量的计算在编制加工图3-33所示零件的凹模和凸模程序时,首先进行间隙补偿量的计算。
该模具是冲孔模,冲裁工件厚度为1.5 mm ,在高速线切割机上加工。
其钼丝直径φ=0.18mm 。
请计算中差尺寸及凸、凹的偏移量?若该套模具为落料模,其工件厚度为0.8 mm 、钼丝直径φ=0.12mm 结果又如何呢?2).已知制作一冲孔模,钼丝直径为0.18mm ,板厚T=0.5mm ;试求凹、凸模的间隙补偿量。
3).已知制作一落料模,钼丝直径为0.16mm ,板厚T=1.5mm ;试计算凹、凸模的间隙补偿量。
4).试计算一复合模的间隙补偿量;已知钼丝直径为0.14mm ,板厚T=0.8mm 。
5、3B 基本格式1)、分隔符号(B )因为X 、Y 、J 均用数码(即数字)表示,所以用分隔符(B )将它们隔开,避免混淆。
2)、坐标值的填写⑴ 只输入坐标值的绝对值,单位为微米(μm )。
例如:当坐标点为(5,-5),可编写成: B5000 B5000⑵ 当X 、Y 值均为零时,可不写,但必须保留分格符,如:B B⑶ 按加工线型填写坐标值。
特殊线形:水平、垂直线;写坐标系原点,默认为零.直线线型一般线形:斜线写终点坐标,可按比例缩放.曲线写起点坐标图C4-3OA水平线:B8000 B0 或B B AB曲线:B 5000 B0 OB垂直线:B0 B8000 或B BOC斜线:B7000 B5000 或 B7 B53)、计数长度J计数长度是指被加工图形在计数方向上的投影长度的总和,以μm为单位。
图C4-4直线段:J=Jx=6000 曲线段:J=Jy1+Jy2+Jy3=254404)、计数方向 G无论是直线还是曲线都以终点为界定,直线取大值,曲线取小值。
(终点判定法)图C4-5水平线: OA∵ 8>0 ,∴G取GX垂直线: OB∵ 0<8,∴G取GY 曲线AB圆弧:∵5>0,斜线: OC∵ 7>5,∴G取GX ∴ G取GY5)、加工指令 Z直线按加工终点方位而定曲线依据起点位置及加工方向给出图C4-66)、线段编程实例图C4-7水平线OA:B B B8000 GX L1 曲线AB圆弧:B707 B 707 B1414 GX NR1 垂直线OB:B B B8000 GY L2 或B707 B 707 B586 GY NR1 斜线OC:B7000 B5000 B7000 GX L4或 B7 B5 B7000 GX L47)、3B编程实例图C4-8加工路线:A→B→C→D→E→F→G→A000 B B B2000 GX L1001 B B B15000 GY L2002 B B B5000 GX L1003 B10000 B B20000 GY NR3004 B B B5000 GX L1005 B B B15000 GX L4 006 B 15000B B30000 GY SR1007 B B B2000 GX L3008 DD6、5B基本格式1)、2)、3B与5B异同:⑴ B、X、Y、J其标注、判定方法同3B所述。
⑵计数方向G:G方向只有两个:一个是GX方向,另一个是GY方向,5B格式中分别用“0”或“1”表示;⑶加工指令Z3)、加工指令 Z(图C4-9)直线“L”用“1”表示,加工指令为:11、12、13、14,顺曲线加工”SR“用“2”表示,加工指令为:21、22、23、24,;逆曲线加工“ NR ”用“3”表示,加工指令为:31、32、33、34;图C4-97、5B编程实例图C4-10加工路线:A→B→C→D→E→F→G→A000 B B B2000 B B 11001 B B B15000 B1 B12002 B B B5000 B B11003 B10000 B B20000 B1 B33004 B B B5000 B B11005 B B B15000 B B14 006 B 15000B B30000 B1 B21007 B B B2000 B B13008 DD8、ISO代码基本格式1)、N x x x x G x x X x x x x x x Y x x x x x x I x x x x x x J x x x x x x 其中,N表示程序段号,x x x x为1-4位数字序号。
G表示准备功能,其后的2位数X X表示各种不同的功能,如:G00 表示点定位,即快速移动到某给定点;G01 表示直线(斜线)插补;G02 表示顺圆插补;G03 表示逆圆插补;G04 表示暂停;G27 表示取消锥度G28、G29 表示钼丝向左、右倾斜角度(锥度)加工G40 表示丝径(轨迹)补偿(偏移)取消,即无偏移加工;G41、G42 表示丝径向左、右补偿偏移(沿钼丝的进给方向看);G90 表示选择绝对坐标方式输入;G91 表示选择增量(相对)坐标方式输入;G92 为工作坐标系设定。
即将加工时绝对坐标原点(程序原点)设定在距钼丝中心现在位置一定距离处。
如: G92X5000Y20000表示以坐标原点为准,钼丝中心起始点坐标值为:X=5 mm,Y=20 mm。
坐标系设定程序,只设定程序坐标原点,当执行这条程序时,钼丝仍在原位置,并不产生运动。
x、Y 表示直线或圆弧终点坐标值,以μm为单位,最多为6位数。
I、J 表示圆弧的圆心对圆弧起点的坐标值,以μm为单位,最多为6位数。
A 表示锥孔的角度。
此外,程序结束后还应有辅助功能,常用的有MOO程序停止;M01选择停止;M02程序结束。
注:当准备功能G x x和上一程序段相同时,则该段的G x x可省略不写。
2)、ISO代码按终点坐标有两种表达(输入)方式(1) 绝对坐标方式,代码为G90线——以图形中某一适当点为坐标原点,用±x、±Y表示终点的绝对坐标值(图C4-11)。
图C4-11 绝对坐标输入直线图C4-12 绝对坐标输入圆弧圆——以图形中某一适当点作坐标原点,用±x、±Y表示某段圆弧终点的绝对坐标值,用I、J表示圆心对圆弧起点的坐标值(图C4-12)。
(2) 增量(相对)坐标方式,代码为G91。
线——以线起点为坐标原点,用±x、±Y来表达线的终点对起点的坐标值。
圆——以圆弧的起点为坐标原点,用±x、±Y来表示圆弧终点对起点的坐标值,用I、J来表示圆心对起点的坐标值,如图C4-13所示。
编程中采用哪种坐标方式,原则上都是可以的,但在具体情况下却有方便与否之区别,它与被加工零件图样的尺寸标注方法有关,大家参看以下例子。
图C4-13 增量坐标输入圆弧3)、ISO代码手工编程实例例l 要加工如图所示的型孔或凹模。