堤防工程检查记录表
- 格式:docx
- 大小:22.46 KB
- 文档页数:5
堤防工程填表说明1.本章表格适用于1级、2级、3级堤防工程的单元工程施工质量验收评定,4级、5级堤防工程可参照执行。
2.单位工程、分部工程名称应按《项目划分表》确定的名称填写。
单元工程名称、部位填写《项目划分表》确定的本单元工程设备名称及部位。
工序前加“△”者为主要工序。
3.工序施工质量验收评定应具下列条件进行验收评定:①工序中所有施工内容已完成,现场具备验收条件;②工序中所包含的施工质量检验项目经施工单位自检全部合格。
4.工序施工质量验收评定应按下列程序进行验收评定:①施工单位应首先对已经完成的工序施工质量进行自检,并做好检验记录;②施工单位自检合格后,应填写工序施工_质量验收评定表,质量责任人履行相应签认手续后,应向监理单位申请复核;③监理单位收到表格后,应在4h内进行复核。
5.监理复核内容包括:①核查施工单位报验资料是否真实、齐全;②结合平行检测和跟踪检测结果等,复核工序施工质量检验项目是否符合本标准的要求;③在施工单位提交的“工序施工质量验收评定表”中填写复核记录,并签署工序施工质量评定意见,评定工序施工质量等级,相关责任人履行相应签认手续。
6.单元工程施工质量具备下列条件后验收评定:①单元工程所含工序(或所有施工项目)已完成,施工现场具备验收条件;②已完工序施工:质量经验收评定全部合格,有关质量缺陷已处理完毕或有监理单位批准的处理意见。
7.单元工程施工质量按下列程序进行验收评定:①施工单位首先对已经完成的单元工程施工质量进行自检,并填写检验记录;②自检合格后,填写单元工程施工质量验收评定表,向监理单位申请复核;③监理单位收到申报后,应在一个工作日内进行复核。
8.监理复核单元工程施工质量包括下列内容:①核查施工单位报验资料是否真实、齐全;②对照施工图纸及施工技术要求,结合平行检测和跟踪检测结果等,复核单元工程质量是否达到《水利水电工程单元工程施工质量验收评定标准堤防工程》(SL 634—2012)的要求;③检查已完单元工程遗留问题的处理情况,在单元工程施工质量验收评定表中填写复核记录,并签署单元工程施工质量评定意见,核定单元工程施工质量等级,相关责任人履行相应签认手续;④对验收中发现的问题提出处理意见。
堤防(或坝体)填筑单元工程质量评定表
表42
说明
堤防(或坝体)压实控制指标干密度(干容重)的取样数量为:坝体工程每100~200m3取一个样,堤防工程每200~400m3去一个样,取样用的环刀容积,对土料不宜小于100cm3(内径50mm)对砾质土和砂砾料不宜小于200m3(内径70mm);取样深度应在压实层厚度下部三分之一的部位,若压实厚度较薄,压实下部三分之一的厚度不足环刀高度,则取样深度以留足环刀取满土为准,每次取样时应测量压实土层厚度。
当含砾多环刀法不能使用时,应采用灌砂法或灌水法进行测试。
保证项目:
检查数量:全数检查。
检查方法:1项观察及查阅试验记录
2项检查验收记录
3项观察及测量铺土厚度
4项观察及检查施工记录
5项观察及尺量检查
基本项目:
检查数量:全数检查。
检查方法:检查干密度(干容重)测试记录。
允许偏差项目:
检查数量与方法:1项用尺量或水准仪测量每100m2一个测点。
2、3、4项每20延长米测一处,2项尺量,3项用经纬
仪、尺量检查,4项用水准仪检查。
堤防工程外观质量评定表1995号)中《水工建筑物外观质量评定表》执行;2 表中第1项按《外部尺寸质量检测表》中的评定结果进行评分;其他各项得分为各评定成员在检查工程现场后对相应项的外部观感质量进行打分后的算术平均值;3实际评定时,仅对实际存在的项目进行评定打分,其标准分累计为应得分,评定打分合计为实得分,得分率=实得分/应得分。
堤防单位工程外部尺寸质量检测评定表说明: 1 评定前应对本表中各项进行全面检查,且各项抽测不少于10点(处)。
2 表中各项“评定结果”根据相应各项抽测点的合格率确定。
测点中符合质量标准(允许偏差)的点数占测点数的百分率大于或等于70%时为合格;不合格时该项必须进行处理,否则该项的合格点数按0计入外观尺寸评定结果中;3 表中合计栏的“总测点数”为各项“测点数”的累计值;“合格点总数”为各项合格点数的累计值;“评定结果”为该栏的“合格率”,即合格点总数占总测点数的百分比。
工程堤坝基面清理单元工程质量评定表本表由施工单位填写一式三份,审核后建设、监理、施工单位各留存一份。
堤坝基面压实密度检测记录表设计密度:检测点数:合格点数:合格率:检测单位:(盖章)堤坝基面清理范围检测记录表设计密度:检测点数:合格点数:合格率:检测单位:(盖章)堤坝基面清理深度检测记录表清基前检测时间:年月日测量:记录:审核:清基后检测时间:年月日测量:记录:审核:土料碾压筑堤单元工程质量评定表工程堤坝碾压填筑铺土厚度、含水量检测记录表检测日期:年月日层次:单位工程:分部工程:单元工程:注意查看有无层间光面、剪切破坏和裂缝、弹簧土、漏压或欠压现象。
测量人员:记录人员:检测单位:堤坝填筑工程铺填边线检测记录表检测日期:年月日高程:层次:单位工程:分部工程:单元工程:检测点数:合格点数:合格率:测量人员:记录人员:检测单位:堤坝填筑压实度检验记录表检测日期:年月日高程:层次:单位工程:分部工程:单元工程:设计干密度:设计压实度:检测仪器:环刀容积土料应大于100mm,每200~400m3的填筑量取样一个,于层厚2/3的深度处。
堤防工程最新评定表第一部分:工程基本信息1.工程名称:2.工程地点:3.工程类型:4.工程规模:5.开工时间:6.完工时间:7.建设单位:8.施工单位:9.监理单位:10.设计单位:第二部分:工程概况1.工程背景:2.工程目标:3.工程重要性:4.工程所在地的气候特点:5.工程对周边环境的影响:6.工程预算:第三部分:工程设计1.设计理念:2.工程设计依据:3.工程设计标准:4.工程设计方案:5.工程设计特点:6.设计审查意见:第四部分:工程施工1.施工方法:2.施工进度:3.施工质量控制:4.施工安全措施:5.施工材料选择:6.现场管理措施:7.施工现场环境保护措施:第五部分:工程监理1.监理方案:2.监理进度:3.监理报告:4.监理质量控制:5.监理安全措施:6.监理人员素质要求:7.监理现场环境保护措施:第六部分:工程质量评定1.工程质量验收标准:2.工程质量验收方法:3.工程质量非常规验收标准:4.工程质量问题整改情况:5.工程质量评定结果:第七部分:工程使用与维护1.工程开始使用时间:2.工程监测控制情况:3.工程维护责任方:4.工程维护保养方法:5.工程定期检查记录:6.工程维护保养预算:7.工程维护保养情况:总结:本评定表对堤防工程的各个方面进行了全面的评定和总结,从工程的基本信息开始,到工程的概况、设计、施工、监理、质量评定以及使用与维护等环节进行分析。
通过对各个环节的评定,可以全面了解该堤防工程的质量情况,为今后类似工程提供经验和借鉴。
同时,对于该工程的问题和不足之处提出整改意见,以保证工程的质量和安全性。
常用水土维持单元工程质量评定表格合同名称:黄河近期防洪工程〔河南段〕濮阳堤防加固和帮宽工程合同编号:YPYDFJGBK2021(补01)讲明:本表一式份,由施工单位填写,监理机构审签后,随同审批意见,施工单位、监理机构、建设单位、设代机构各1份。
临时挡水土埂单元工程质量评定表填表讲明1、单元工程质量检测的数量应符合以下要求:①挡水土埂尺寸采纳钢卷尺进行量测。
②按每20~50米取一个横断面,各横断面检测点许多于3个。
2、单元工程质量评定标准应符合以下:合格标准:检查工程全部符合质量标准;检测工程的合格率不小于70%。
优良标准:检查工程全部符合质量标准;检测工程的合格率不小于90%。
3、检查工程质量标准为“符合设计要求〞,检查〔测〕记录或备查资料名称一栏中不能够照写“符合设计要求〞,应该填写设计的具体要求。
4、检查〔测〕记录或备查资料名称一栏,假设数据能够全部填写的,全部填写数据,假设不能够填写的那么在后附的“检测记录表〞中填写。
注:检测合格率在70%以上为合格,在90%以上为优良。
注:检测合格率在70%以上为合格,在90%以上为优良。
临时袋装土拦挡单元工程质量评定表填表讲明1、单元工程质量检测的数量应符合以下要求:①单个装土袋尺寸采纳钢卷尺进行量测。
②按每20m检查1处,长度准许偏差为±20cm,宽度准许偏差为±10cm;按每20~50米量测一次,每次检测点为3个〔每层各一个〕。
2、单元工程质量评定标准应符合以下:合格标准:检查工程全部符合质量标准;检测工程的合格率不小于70%。
优良标准:检查工程全部符合质量标准;检测工程的合格率不小于90%。
3、检查工程质量标准为“符合设计要求〞,检查〔测〕记录或备查资料名称一栏中不能够照写“符合设计要求〞,应该填写设计的具体要求。
4、检查〔测〕记录或备查资料名称一栏,假设数据能够全部填写的,全部填写数据,假设不能够填写的那么在后附的“检测记录表〞中填写。
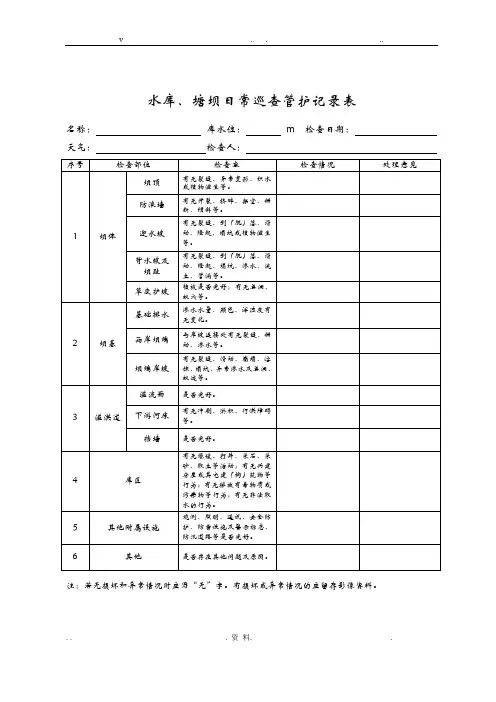
水库、塘坝日常巡查管护记录表
名称:库水位:m 检查日期:
天气:检查人:
注:若无损坏和异常情况时应写“无”字。
有损坏或异常情况的应留存影像资料。
河道堤防日常巡查管护记录表
堤防名称:河(堤)段:检查日期:天气:检查人:
注:若无损坏和异常情况时应写“无”字。
有损坏或异常情况的应留存影像资料。
水闸日常巡查管护记录表
名称:检查日期:
天气:检查人:
注:若无损坏和异常情况时应写“无”字。
有损坏或异常情况的应留存影像资料。
泵站日常巡查管护记录表
名称:检查日期:
天气:检查人:
注:若无损坏和异常情况时应写“无”字。
有损坏或异常情况的应留存影像资料。
灌区日常巡查管护记录表
名称:检查日期:
天气:检查人:
注:若无损坏和异常情况时应写“无”字。
有损坏或异常情况的应留存影像资料。
集中式供水工程日常巡查管护记录表
名称:检查日期:
天气:检查人:
水库、塘坝日常维修保养项目明细表
堤防日常维修保养项目明细表
水闸日常维修保养项目明细表
泵站日常维修保养项目明细表
v .. . ..
灌区日常维修保养项目明细表
. . . 资料. .
集中式供水工程日常维修保养项目明细表。
水利堤防工程施工记录1. 项目基本情况本工程位于XX省XX市XX县,是一处水利堤防工程。
项目总长XX公里,设计高程XX 米,主要承载XX河流的洪水,保护附近农田和居民。
本工程采用XX设计方案,主要包括XX工程内容。
2. 施工准备阶段2.1工程测量与勘探在开工前,工程测量与勘探队对项目区域进行了详细的测量和勘探工作,绘制出详细的工程图纸和设计方案,为后续施工提供了准确的基础数据。
2.2材料采购与运输根据设计方案,施工队提前进行了各种材料的采购,包括水泥、砂石、钢筋等。
同时,制定了详细的运输方案,确保材料的及时供应和运输到工程现场。
2.3施工队伍组建为了保证工程的质量和进度,施工队伍经过严格的筛选和培训,确保具备足够的施工经验和技术水平。
3. 施工过程记录3.1 土地平整与基坑开挖在开始施工之前,施工队对工程现场进行了土地平整工作,并且按照设计要求开挖了基坑。
基坑的深度和宽度严格按照设计方案进行施工,确保基层土壤的坚固性和稳定性。
3.2 混凝土浇筑在基坑开挖完成后,施工队进行了混凝土浇筑工作,确保工程的牢固性和耐久性。
浇筑过程中,施工队严格按照施工方案的要求进行操作,确保混凝土的质量和均匀性。
3.3 护坡施工为了保护堤坝不受水流冲刷,施工队进行了护坡施工工作。
在施工过程中,施工队严格按照设计方案进行施工,确保护坡的坡度和坡面的平整度,保证护坡的稳定性和耐久性。
3.4 设备安装为了保障工程的正常运行,施工队对相关设备进行了安装工作,包括水泵、管道等。
安装完成后,施工队进行了设备调试和检测工作,确保设备运行正常。
4. 施工质量验收工程竣工后,施工队进行了工程质量验收工作。
验收人员对工程进行了全面检查,包括工程质量和施工工艺等方面。
经过验收,工程符合设计要求,达到了预期的效果。
5. 工程总结本次水利堤防工程施工过程中,施工队克服了各种困难和挑战,保质保量地完成了工程。
在今后的工程施工中,我们会不断积累经验,提高技术水平,为推动水利事业的发展贡献自己的力量。
分部工程开工通知(监理[ ]分开工号)堤防工程单位工程施工质量检验资料核查表堤防工程外观质量评定表注:1.堤防联接建筑物的外观质量评定表参照<<水利水电工程施工质量评定表>>(试行)(建地[1995]3 号)中<<水工建筑外观质量评定表>>执行。
2.表中第1项按表2外部尺寸质量检测评定表中的评定结果进行评分;其他各项得分为各评定成员在检查工程现场后对相应的外部观感质量进行打分后的算术平均值。
3.实际评分时,仅对实际存在的项目进行评定打分,其标准分累计为应得分,评定打分合计为实得分,得分率=实得分/应得分堤防单位工程外部尺寸质量检测评定表注:1.评定前应对本表中各项进行全面检查,且各项抽测不少于10点(处)。
2.表中各项“评定结果”根据相应各项抽测点的合格率确定。
测点中符合质量标准(允许偏差)的点数占测点数的百率大于或等于70%为合格;不合格时该项必须进行处理,否则该项的合格点数按0计入外观尺寸评定结果中。
3.表中合计栏的“总测点数”为各项“测点数的累计值;“合格点总数”为各项合格点数的累计值;“评定结果”为该栏的“合格率”,即合格点总数占总测点数的百分比。
水利水电工程单位工程质量评定表堤防工程分部工程质量评定表注分部工程质量在施工单位质检部门自评的基础上, 由监理机构复核其质量等级, 只有大型水利枢纽工程主体建筑物的分部工程质量,在施工单位自评、监理机构复核后, 需报质量监督机构核定其质量等级堤防工程基础处理单元工程质量评定表项目名称:合同编号:NO:注:表中“△”项为主要检查项目。
“+”表示超挖,:“-”表示欠挖;检验日期为终检日期,由施工单位负责填写;评定日期由监理机构填写。
水工建筑物基础验收申请表水工建筑物基础验收证书水利水电工程分部工程施工质量评定表项目名称:合同编号:NO:建筑物地基开挖施工质量终检合格证堤防工程分部工程质量评定表主体建筑物的分部工程质量,在施工单位自评、监理机构复核后,需报质量监督机构核定其质量等级。
(工程建筑套表)堤防工程最新评定表山西省水利水电工程单元工程施工质量验收评定表(四)(试行)——堤防工程山西省水利工程质量和安全监督站目录填表说明1表1.1: 堤基清理单元工程施工质量验收评定表4表2.1:土料碾压筑堤单元工程施工质量评定表7表3.1:土料吹填筑堤单元工程施工质量验收评定表11表4.1:堤身和建筑物结合部填筑单元工程施工质量验收评定表14 表5.1:防冲体护脚单元工程施工质量验收评定表17表6.1:沉排护脚单元工程施工质量验收评定表24表7.1:砂(石)垫层单元工程施工质量验收评定表30 表7.2:土工织物铺设单元工程验收评定表31表7.3:毛石粗排护坡单元工程验收评定表32表7.4:石笼护坡单元工程施工质量验收评定表33表7.5:干砌石护坡单元工程施工质量验收评定表34表7.6:浆砌石护坡单元工程施工质量验收评定表35 表7.7:混凝土预制块护坡单元工程施工质量验收评定表36表7.8:现浇混凝土护坡单元工程施工质量验收评定表37表7.9:模袋混凝土护坡单元工程施工质量验收评定表38表7.10:灌砌石护坡单元工程施工质量验收评定表39表7.11:植草护坡单元工程施工质量验收评定表40 表7.12:防浪护堤单元工程施工质量验收评定表41 表8.1:河道疏浚单元工程施工质量验收评定表42填表说明1.本表适用于1级、2级、3级堤防工程的单元工程施工质量验收评定,4级、5级堤防工程可参照执行。
2.单元工程按工序划分情况,分为划分工序单元工程和不划分工序单元工程。
3.工序施工质量评定等级分为合格和优良俩个等级,其标准应符合下列规定:1)合格等级标准应符合下列规定:(1)主控项目检验结果全部符合本标准的要求。
(2)壹般项目逐项应有70%及之上的检验点合格,且不合格点不应集中分布。
(3)各项报验资料应符合本标准要求。
2)优良等级标准应符合下列规定:(1)主控项目检验结果全部符合本标准的要求。
(2)壹般项目逐项应有90%及之上的检验点合格,且不合格点不应集中分布。
专项防洪防汛安全检查表一、物资准备情况1. 应急物资•☐物资种类:雨衣、橡胶鞋、手电筒、蜡烛、水、干粮、口罩、急救药品等•☐物资数量:计划数目、实际储备数目•☐物资储存情况:储存地点、保存状态是否合适2. 防护工具•☐防汛抢险大礼包:计划数目、实际储备数目•☐防汛卫士安全帽、防尘口罩、手套、橡胶鞋:数量、质量、配备情况3. 应急营地准备•☐计划安置点数量和位置•☐应急营地相关物资、设备和器材储备情况二、人员安排情况1. 安全生产小组组建情况•☐人员组成:班组长、班组员、巡视岗、监察员等•☐职责分工:人员职责明确、分工合理2. 安全隐患、风险评估•☐负责组织安全评估、制定应急救援方案•☐负责安排人员进行应急演练,检验应急救援方案3. 安全防护教育•☐建立安全教育培训制度•☐安排专门人员对一线救援队员进行骨干培训4. 全员防汛意识教育•☐制定救援应急预案•☐开展防汛宣传教育活动三、系统设备安全检查1. 防洪设备安全•☐检查河堤、水库、河道、排涝设施等防洪设施是否安全,有无损坏、漏水等问题•☐检查抗洪险工程的水位、流量等记录是否及时、准确2. 水利工程设备安全•☐检查电力设备、水泵设备是否正常,有无损耗•☐检查水闸、水库、堤防、堰坝等设备是否安全,有无任何问题3. 地质等特殊风险区域安全•☐检查特殊岩层、地质构造等对于洪水超标造成的危害•☐检查相关设施的运行、维护是否严谨,有无异常水位涌入等问题四、日常巡查问题记录1. 巡查情况简要记录•☐巡查内容:巡查区域、巡查内容、巡查时间•☐巡查情况:是否发现问题、处理情况、问题存在时限2. 线路电力设备相关情况记录•☐记录河道及流向安排•☐记录电力设施、通信设备、联网设备等情况3. 防汛物资储备和管理记录•☐记录防汛物资的储备、使用情况•☐记录防汛物资的更新、维护和管理情况五、后续改善措施1. 人员指标调整•☐增加、重新安排人员•☐重新制定救援方案和教育体系2. 设备安全改善•☐对河堤、水库、水闸等进行必要的维修•☐对设备进行完善的安全检查3. 监测体系升级•☐提升监测设备技术水平•☐增加关键监测点,提高监测精度以上就是专项防洪防汛安全检查表,定期进行该项检查,能从各个方面确保安全,避免安全风险。
水利水电工程单元工程施工质量验收评定标准
SL634—2012堤防工程
单元工程施工质量验收评定表
堤基处理单元工程施工质量验收评定表
堤基处理基面清理工序施工质量验收评定表
堤基处理基面平整压实工序施工质量验收评定表
土料碾压筑堤单元工程施工质量验收评定表
土料摊铺工序施工质量验收评定表
土料碾压工序施工质量验收评定表
堤身与建筑物结合部填筑单元工程施工质量验收评定表
建筑物表面涂浆工序施工质量验收评定表
结合部填筑施工工序施工质量验收评定表
防冲体护脚单元工程施工质量验收评定表(划分工序)
防冲体制备工序施工质量验收评定表
防冲体抛投工序施工质量验收评定表
护坡工程砂(石)垫层单元工程施工质量验收评定表(不划分工序)
护坡工程土工织物铺设单元工程施工质量验收评定表
护坡工程毛石粗排护坡单元工程施工质量验收评定表
护坡工程石笼护坡单元工程施工质量验收评定表
护坡工程干砌石护坡单元工程施工质量验收评定表
护坡工程浆砌石护坡单元工程施工质量验收评定表
护坡工程混凝土预制块护坡单元工程施工质量验收评定表
护坡工程模袋混凝土单元工程施工质量验收评定表
护坡工程灌砌石护坡单元工程施工质量验收评定表
护坡工程植草护坡单元工程施工质量验收评定表
护坡工程防浪林单元工程施工质量验收评定表
河道疏浚单元工程施工质量验收评定表(不划分工序)。