石化集团油藏划分标准
- 格式:xls
- 大小:23.00 KB
- 文档页数:1
第一章储油库3.根据油库的储油能力分类根据油库的储油能力不同,可将油库分为一级、二级、三级、和四级油库等。
其划分标准见表1-1。
表1-1 石油库的等级划分表1-1中,总容量是指油库的公称容量和桶装油品设计存放量之和,不包括零位罐、高架罐、放空罐以及石油库自用油品储罐的容量。
除以上的分类外,还可按运输方式将油库分为水运油库、陆运油库和水陆联运油库等;按储存油品的种类将油库分为原油库、成品油库等。
第三章易凝、高粘油品的管道输送二、温降公式中各参数的确定应用温降公式解决加热输油管道实际问题的关键,是合理地确定公式中的各参数。
1.环境温度的t0确定t0取管道铺设处的环境温度。
为了保证管道在最低环境温度时的运行安全,对于埋地铺设的管道,设计时一般取t0为管道中心埋深处的年最低月平均土壤温度;架空铺设的管道,取管道架设处的年最低月平均空气温度。
其中,埋地铺设管道的环境温度与管道的埋设深度有关。
确定加热输油管道的埋设深度除考虑与等温输送管道相同的因素外,还应考虑经济因素。
因为,在其他条件相同的情况下,加大管理埋设深度,可以减少管道的热损失,节约热能,但增加了管道的施工、维修等费用。
从经济比较的角度考虑,大直径的长距离输油管道的埋设深度一般为管径的2~3倍。
按最低环境温度计算温降,将使得管道的设计热力参数偏于保守。
管道运行时,可根据实际的环境温度调节热力设备的运行参数。
2.加热站出站温度t c的确定确定加热站的出站温度,一般应考虑以下几方面的因素:①所输油品中难免含有水分,为了避免水分的汽化,t c应小于100℃。
②为了不使油品汽化,t c应小于报输油品的初馏点。
③应不破坏管道防腐材料的稳定性。
在采用沥青玻璃布用管道外防腐材料时,t c应低于沥青的软化点50℃。
由于专用防腐沥青的软化点大都在120℃左右,所以,我国加热输油管道的加热站出站温度大都在70℃左右。
④经济因素。
从经济因素考虑,我们希望提高出站温度,一是能较显著地降低油品的粘度,二是能使油流的终点(或下一站的进站)温度能有较大的提高。
油品仓库管理一、油品仓库的种类油品仓库(石油库):是指专门用于接收、储存发放液体性的原油或成品油的仓库。
1.按容量等级划分注:表中总容量指油库储油的公称容量和桶装油品设计存放量之和,不包括零位罐、高架罐、放空罐以及油库自用油品储存的容量。
2闪点:是指在规定条件下,加热油品所溢出的蒸气和空气组成的混合物与火焰接触发生瞬间闪火时的最低温度,闪点一般以℃表示。
3.按建筑形式的不同分类(1)人工洞油库(2)地下油库地下油库:是指其油罐内最高液面低于附近地面最低标高0.2m的油库。
特点:较好的隐蔽性,源于军事(3)地面油库地面油库:是指其油罐底面等于或高于附近地面最低标高,且油罐的埋入深度小于其高度一半的油库。
目前多数油库属于此类,是分配和供应油库的主要形式。
(4)半地下油库半地下油库:是指其油罐底部埋入地下且深度不小于罐高一半,罐内液面不高于附近地面最低标高2 m的油库。
4.按管理和业务关系的不同分类公共油库:民用油库(分配油库、储备油库和中转油库);军事油库(储备油库、供应油库和野战油库)。
企业附属油库:是指企业为满足自身生产需要而设置的储存设施。
它可分为油田原油库、炼油厂油库、交通企业自备油库以及一些大型企业的附属油库等。
5.按石油产品的不同分类6.按石油燃料的不同分类储藏库(罐)可按不同燃料分类,如表6-9。
二.油品仓库的结构油库分区布置。
即按其作业要求分为:铁路收发区、水路收发区、储油区、油罐车作业区、桶装油发放区、辅助作业区等几个部分;生活区要求设在库区以外,以利于油库的安全管理。
1.铁路收发区2.水路收发区3.储油区4.油罐车作业区和桶装油发放区5.辅助作业区三.油品仓库的设施1.油品装卸设施轻质油,采用上装上卸的方法;粘质油,多采用下装下卸。
2.油品输送设施油品输送设施是将油库内各种设施有机地组成一个工艺流程系统的装置,主要由管道和泵房构成。
泵房由工艺系统、真空系统以及放空系统组成。
工艺系统应能完成收油、发油、倒管、放空等作业。
油藏第一章1.储集层(孔隙开度较大的岩石层)非储集层(孔隙开度较小的岩石层)水平、倾斜储层无法聚集油气。
2. 圈闭:定义:能够阻止油气继续运移、并能遮挡油气,使其聚集起来的地质构造。
构成要素:储集层(储集油气的岩石层)、盖层(阻止油气向上运移的岩石层)、遮挡物(阻止油气侧向运移的岩石层)。
圈闭大小度量参数:溢出点(圈闭中油气溢出的地方)、闭合高度ht (圈闭的最高点与溢出点之间的垂向距离)、闭合面积At(通过溢出点的闭合等高线所包围的面积)。
圈闭容积Vct:Vct=Ath?(1-Swc) h—储集层的厚度定义:单一圈闭中被油气占据的部分,称作油气藏。
(08年已考)度量参数:油水界面、油柱高度ho、含油面积Ao。
8.地质储量:特定地质构造中所聚集的油气数量。
分为静态地质储量和动态地质储量。
动态地质储量与静态地质储量的比值,称作储量的动用程度。
可采储量:在目前技术经济条件下, 可以采出的地质储量。
采收率:可采储量与地质储量的比值。
静态地质储量:采用静态地质参数(如含油面积和储集层厚度)计算的地质储量。
动态地质储量:在油气开采过程中采用动态生产数据(如油气产量和地层压力)计算的地质储量。
地质储量容积法计算公式:N=Aoh? (1-Swc)/Boi (10年已考)Boi—原始条件下地层原油体积系数。
9. 储量级别:潜在、远景、预测、控制、探明、开发10. 储量丰度:单位含油面积上的石油地质储量。
Ωo=N/Ao= h? (1-Swc)ρos/Boi ρos—地面脱气原油密度。
单储系数:单位岩石体积中的石油地质储量。
(09年已考)ωo= N/Aoh=? (1-Swc)ρos/Boi第四章油气藏压力与温度1. 原始地层压力:油气藏投入开发之前测量的压力,Pi2. 动态地层压力:油气生产过程中测量的压力,P3. 井底流压:油气流动即生产过程中测量的井底压力,Pwf4. 井底静压:油气静止即关井过程中测量的井底压力,Ps5. 地层压力梯度Gp:单位深度的压力变化值。
第三章油气藏分类第一节油气藏分类原则和因素一、油气藏分类一般遵循的原则1、油藏的地质特征,包括油藏的圈闭、储集岩、储集空间、压力等特征;2、油藏的流体性质及分布特征;3、油藏的渗流物理特性,包括岩石的表面润湿性,油水、油气相对渗透率,毛管压力,水驱油效率等;4、油藏的天然驱动能量及驱动类型。
二、油藏的分类因素(一)、原油性质1、低粘度油层条件下原油粘度 <5 mPa .s为低粘度原油。
2、中粘度油层条件下原油粘度在5~20 mPa .s为中粘度原油。
3、高粘度油层条件下原油粘度在20~50 mPa .s为高粘度原油。
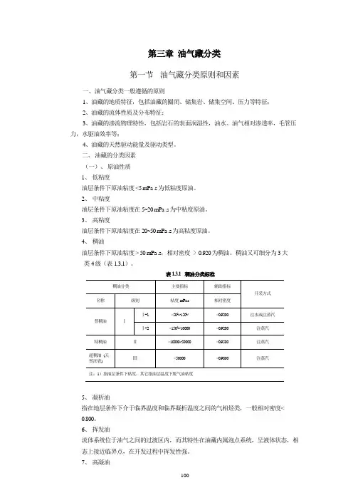
4、稠油油层条件下原油粘度 > 50 mPa .s,相对密度 > 0.920为稠油。
稠油又可细分为3大类4级(表1.3.1)。
表1.3.1 稠油分类标准注:1)指油层条件下粘度,其它指油层温度下脱气油粘度5、凝析油指在地层条件下介于临界温度和临界凝析温度之间的气相烃类,一般相对密度<0.800。
6、挥发油流体系统位于油气之间的过渡区内,而其特性在油藏内属泡点系统,呈液体状态,相态上接近临界点,在开发过程中挥发性强。
7、高凝油为凝点 > 40℃的轻质高含蜡原油。
(二)、圈闭构造圈闭,地层圈闭、水动力圈闭、复合圈闭。
(三)、储集层岩性砂岩、砾岩、碳酸盐岩、泥岩、火山碎屑岩、侵入岩、变质岩。
(四)、渗透性1、高渗透储集岩空气渗透率 > 500×10-3μm2。
2、中渗透储集岩空气渗透率50—500×10-3μm2。
3、低渗透储集岩空气渗透率10—50 ×10-3μm2。
4、特低渗透储集岩空气渗透率 < 10×10-3μm2。
(五)、油、气、水产状边水、底水、气顶。
(六)、储集层形态层状(单层、分层、低倾角、高倾角)、块状。
(七)、储集空间类型孔隙型、裂缝型、双重介质型。
(八)、地层压力常压(压力系数0.9~1.2)、异常高压(压力系数 > 1.2)、异常低压(压力系数 < 0.9)。
石化仓储市场竞争力分析报告第一部分行业现状及发展趋势第一章石化仓储行业概述第一节石化仓储简介一、石化仓储定义石化仓储主要是依托石化仓储设备,对客户提供的石油化工产品的接卸、存储、输转及发送服务。
其主要的石化储运设备为石油储罐,主要的存储方式为散装油品存储和整装油品存储。
石化仓储库区,按其库容可分为四级,如下表:油库等级划分等级总容量一级50000立方米及以上二级10000-50000立方米以下三级2500-100000立方米以下四级500-2500立方米以下二、石化仓储特征1、对于石化仓储行业来说,异地扩张和管理能力是决定一个石化仓储企业能否成长壮大的两个最重要因素。
2、石化行业的地域相对集中决定了石化仓储行业的区域性特征。
受石化工业区域集中度和成本运输的影响,石化物流亦呈现明显的区域性特征。
3、石化仓储行业中码头建设与公司运营一体,则异地扩张需码头建设先行。
三、石化仓储分类及应用石化仓储行业按照所有者不同可以分为生产企业石化仓储和第三方时候仓储。
生产企业石化仓储主要是由石化生产企业建造的主要供本企业存储石化产品的存储设施;而第三方石化仓储是指由非石化企业建造的专门对外租赁的石化仓储设施或石化企业建造的除自己使用外兼营对外租赁业务的石化仓储设施。
四、石化仓储技术发展(一)石化仓储设备容器选择化工生产等流程工业的贮存设备涉及多种复杂的危险化学品,贮量大、特性各异,一旦发生事故,后果往往十分严重。
化工生产中需要存储的有原料、中间产品、成品、副产品以及废液和废气等。
常见的存储设备有罐、桶、池等。
有敞口的也有密封的;有常压的也有高压的;可根据存储物的性质,数量和工艺要求选用。
一般固体物料,不受天气影响的,可以露天存放;有些固体产品和分装液体产品都可以包装、封箱、装袋或灌装后直接存储于仓库,也可运销于厂外。
但有一些液态或气态原料、中间产品或成品需要存储于设备之中,按其性质或特点选用不同的存储容器。
大量液体的存储一般使用圆形或球形贮槽;易挥发的液体,为防物料挥发损失,而选用浮顶贮罐;蒸气压高于大气压的液体,要视其蒸气压大小专门设计贮槽;可燃液体的存储,要在存储设备的开口处设置防火装置;容易液化的气体,一般经过加压液化后存储于压力贮罐或高压钢瓶中;难于液化的气体,大多数经过加压后存储于气柜高压球形贮槽或柱形容器中;易受空气和湿度影响的物料应存储于密闭的容器内。
分油藏管理制度一、引言在石油工业中,油藏管理制度起到了非常重要的作用。
油藏管理制度是指在石油开发过程中,针对油藏产能、采收率、生产效率、环境保护等方面的管理制度,其主要目的是为确保油气资源的高效开发和可持续利用。
油藏管理制度的建立和实施对于企业的长远发展具有重要意义,因此在国内外石油企业中广泛地推广和应用。
二、油藏管理制度体系1. 油气资源管理制度(1)油气资源评估:依据地质勘探数据对油藏储量、盈亏程度进行评估,并按照国家规定进行等级划分和报批。
(2)油气资源开发规划:编制详细的油气资源开发规划,制定合理的开发方案和目标。
(3)油气资源保护:建立油气资源保护管理制度,确保对油气资源的保护和可持续利用。
(4)油气资源调查监测:采用现代化技术对油气资源进行动态监测,及时了解储量变化和生产情况。
2. 油藏开发管理制度(1)井网体系管理:建立合理的井网体系,确保每口井的开发效益。
(2)生产管控:制定严格的生产管控制度,合理排布生产井和注水井,保证油藏的合理开采。
(3)地面设施管理:管理和维护生产设施和配套设备,保障设备的正常运行和生产的顺利进行。
(4)油藏开发技术:不断完善油藏开发技术,提高采收率和生产效率。
3. 油藏环境保护管理制度(1)油藏环境影响评价:开发前进行环境影响评价,确保油气开发活动对环境的最小影响。
(2)环境保护措施:制定合理的环保措施,严格执行环保标准。
(3)环境监测:建立环境监测体系,对开发区域的环境进行长期动态监测。
(4)环境应急预案:建立环境应急预案,确保在突发环境事件发生时的有效处理。
4. 油藏安全管理制度(1)员工安全教育培训:加强安全教育培训,提高员工安全意识和安全技能。
(2)安全生产控制:严格执行安全操作规程,确保生产过程中的安全。
(3)安全设施管理:维护和管理安全设施,确保设施的完好和安全运行。
(4)应急预案管理:建立应急预案,应对突发安全事件。
5. 油藏数据管理制度(1)数据收集存储:及时、准确地收集和存储地质、生产等数据。
第一部份储量类一、石油地质储量(GBn269-88)是指在地层原始条件下具有产油(气)能力的储层中原油的总量。
地质储量(待执行标准)在原始地层条件下,已知油气储集中储藏的油气总体积,换算到地面标准条件下的油气总量。
二、石油储量分级及分类(GBn269-88)根据勘探、开发各阶段对油藏的认识程度将石油储量划分为探明储量, 控制储量和预测储量三级。
1.探明储量:在现代技术和经济条件下,可提供开采,并获得社会效益的可靠储量,分为三类①已开发探明储量:(I类)是指在现代经济技术条件下,通过开发方案的实施已完成开发钻井和开发设施建设,并已投入开发的储量。
②未开发探明储量(II类)是指完成评价钻探,并取得可靠的储量参数所计算的储量③基本探明储量多含油层系的复杂断块油田,复杂岩性油田和复杂裂缝性油田,在完成地震详查,精查或三维地震,并钻了评价井后,在储量计算参数基本取全,含油面积基本控制的情况下所计算的储量。
2.控制储量是在某一圈闭内预探井发现工业油(气)流后,以建立探明储量为目的,在评价钻探过程中钻了少数评价井后所计算的储量。
3.预测储量是在地震详查以及其他方法提供的圈闭内,经过预探井钻探获得油(气)流,油气层或油气显示后,根据区域地质条件分析和类比,对有利地区按容积法估算的储量。
三、动用储量〈(95〉开字第71号〉指已上报生产能力或已投入开发生产的探明储量。
四、已探明未开发储量:〈(95)开字第71号〉指除去已开发储量以外的探明储量。
根据勘探程度,地质认识和储量计算参数的可靠性分为落实储量,待落实储量,待核销储量,表外储量四类1.落实储量勘探工作已经完成对油气藏认识基本清楚,储量计算参数可靠,已经达到“石油储量规范”要求的探明储量。
2.待落实储量需要进一步做工作,搞清油气藏构造,储层以及落实储量计算参数等的探明储量。
3.待核销储量为储量批准后又经过进一步勘探开发评价,如评价井未钻遇油层,油层试油出水或达不到工业油流标准,含油面积、有效厚度等储量计算参数的变化,致使原批准探明储量减少的部份为待核销储量。
油库分级实施方案一、背景随着我国石油化工行业的迅猛发展,油库作为石油产品的重要储存和分配中心,其安全管理工作显得尤为重要。
为了加强对油库的安全管理,提高油库的安全生产水平,制定油库分级实施方案势在必行。
二、分级标准1. 油库分级应根据油库所储存的油品种类、储存量、储存设施等因素进行综合评定,分为一级、二级、三级三个等级。
2. 一级油库:储存量大、种类齐全、设施完备,具备较高的安全隐患,应当加强安全管理措施,提高应急处置能力。
3. 二级油库:储存量较大、种类较齐全、设施较完备,安全隐患较高,需要加强安全管理,提高应急处置能力。
4. 三级油库:储存量较小、种类较单一、设施较简单,安全隐患相对较低,但仍需加强安全管理,提高应急处置能力。
三、分级管理1. 一级油库应设立专门的安全管理部门,配备专业的安全管理人员,制定详细的安全管理制度和应急预案,定期进行安全演练和培训。
2. 二级油库应加强安全管理人员的培训和管理,建立健全的安全管理制度和应急预案,定期组织安全演练和检查。
3. 三级油库应加强对安全管理人员的培训,建立简易的安全管理制度和应急预案,定期进行安全检查和自查。
四、应急处置1. 一级油库应建立完善的应急处置机制,配备专业的应急处置人员和设备,定期进行应急演练和检查。
2. 二级油库应建立健全的应急处置机制,配备专业的应急处置人员和设备,定期进行应急演练和检查。
3. 三级油库应建立简易的应急处置机制,配备基本的应急处置人员和设备,定期进行应急演练和检查。
五、总结油库分级实施方案的制定和执行,对于提高油库的安全管理水平,减少事故发生具有积极的意义。
各级油库应严格按照分级标准进行管理,加强安全管理和应急处置能力,确保油库的安全生产和稳定运行。
加油站等级划分标准
加油站的等级是根据加油站的油罐容积和单罐容积来划分的。
一级加油站总容积大于120立方米,小于或等于180立方米,单罐容积小于或等于50立方米。
二级加油站总容积大于60立方米,小于或等于120立方米,单罐容积小于或等于50立方米。
三级加油站总容积小于或等于60立方米,单罐容积小于或等于30立方米。
柴油罐容积可折半计入油罐总容积。
油库标准
国家标准《石油库设计规范》(GBJ24)根据油库储存油料总容量多少将油库分为四个等级。
不同等级的油库安全防火要求有所不同。
容量愈大,等级愈高,防火安全要求愈严格;油品的轻组分愈多,挥发性愈强,防火安全要求也愈严格。
总油库库容5万立方米以上的油库为大型建设项目。
一级是>10W,二级是3W-10W,三级是1W-3W,四级是1000-1W,五级是<1000
其中,总容量系指石油库的公称容量和桶装油品设计存放量之总和,不包括不但任长期任务的辅助罐以及石油库自用油品储罐的容量。
如石油库有加油站时,其油罐也不包括在总容量内。
2010年12月21日油藏分类方法概述刘峰1(地质创新08 2008041117)摘要:对油藏进行分类是为了更好的对油藏进行管理,提高对油气田的开发。
目前对油藏的分类有很多标准,如粘度、密度、孔渗性等根据原有物性的分类,也有断块、背斜、不整合等根据圈闭构造的分类,也有很多学者进行了系统的聚类分析,实现了油藏的聚类分类方法,各种分类方式有各自的优缺点,适应不同的需求,本文将会就现有的研究成果,对油藏分类问题进行综合的归纳。
关键字:粘度、密度、聚类分析、岩性、构造分类、圈闭、储集层正文:油藏的分类至今也没有统一的答案,根据不同的标准,可以分成不同的等级、类别。
但是油藏分类一般应遵循以下三个原则[3]:1)油藏的地质特征,包括油藏的圈闭、储集岩、储集空间、压力等特征。
2 )油藏的流体及其分布特征。
3 )油藏的渗流物理特性,包括岩石表面的润湿性,油水、油气相对渗流效率等。
4 )油藏的天然驱动能量和驱动类型。
在遵循了这些原则的前提下,油藏的分类仍然受很多因素的影响,也就是分类的标准,包括粘度、挥发性、以及储集层物性等。
按原油的性质分为:低粘油,油层条件下原油粘度<5mPa.s;中粘油,油层条件下原油粘度>5—20mPa .s;高粘油,油层条件下原油粘度>20—50 mPa .s;稠油,油层条件下原油粘度>50 mPa .s,相对密度>0.920.稠油又可细分为3大类4大级,见下表[3]。
在天然气藏中,温度介于临界温度和临街凝析温度时,由于开采时地层的压力降低,形成的凝析油,属于轻质油,密度小于0.8.当地层流体位于气液过渡区时,由于温度压力条件的变化,在开发过程中具有极强的挥发性,称为挥发油藏。
除了原有本身的性质以外,另一个影响因素就是圈闭的类型,不同的圈闭的封闭机理是不一样的,也就形成了不同成因的油藏,一般的圈闭主要有背斜、断层、不整合、刺穿和岩性尖灭等。
背斜油藏,油气运移到背斜圈闭中保存下来形成的油藏;断层油藏,油气运移到由断层和岩性上倾尖灭、断层和背斜一翼构成的圈闭时形成的油藏;不整合油藏,油气运移到由不整合圈闭中形成的油藏,不整合分为削截和上超(必须配有盖层);刺穿油藏,由于岩体刺穿,形成了地层上倾和封堵,形成的油藏;岩性油藏,由于岩性的上倾尖灭形成圈闭,一起聚集其中形成的油藏。
油库分级实施方案最新
近年来,随着我国石油产量的不断增加,油库的建设和管理也成为
了一个重要的议题。
为了更好地保障石油储存的安全和可靠性,我
国制定了油库分级实施方案,以确保各级油库的安全管理和运营。
油库分级实施方案最新的一个重要举措是对油库进行分级管理。
根
据储存的石油种类和储存量的大小,将油库分为不同的等级,分别
进行管理和监督。
这样一来,可以更加有针对性地对不同级别的油
库进行管理,提高油库的安全性和可靠性。
另外,油库分级实施方案最新的一个重要内容是对油库设施和设备
的标准化建设和管理。
通过对油库设施和设备进行标准化建设和管理,可以有效地提高油库的安全性和可靠性,减少事故的发生概率,保障石油储存的安全和可靠性。
同时,油库分级实施方案最新还对油库的安全监测和预警系统进行
了升级和完善。
通过引入先进的监测和预警技术,可以及时监测油
库的运行状态,发现潜在的安全隐患,预警可能发生的事故,从而
及时采取措施,确保油库的安全运行。
总之,油库分级实施方案最新的出台,为我国油库的安全管理和运
营提供了更加科学和有效的管理手段,有利于提高油库的安全性和可靠性,保障石油储存的安全和可靠性。
希望在今后的工作中,能够更加严格地执行这一方案,不断提升我国油库的管理水平,为石油产业的发展提供坚实的保障。
油藏分类现状分析及治理对策探讨我国已开发油藏类型较多,各类油藏类型开发方式迥异,甚至同一类型油藏开发方式和存在问题都不尽相同,因此有必要对已开发油藏进行精细油藏分类,制定相应开发对策,实行分类油藏治理。
标签:油藏分类;现状分析;治理对策引言通用的勘探开发原则是先易后难、先好后差,国内外对石油天然气的大力勘探开发已持续多年,在油气藏开发中非常规油气藏的开发占的比例越来越大。
针对国内油田而言,致密油藏所占比大,加大致密储油层的勘探开发非常重要,其储层评价有利于优选储层。
1分类体系目前,我国油藏分类指标体系较多,不同的研究目的、研究区域与研究对象,通常建立不同的分类体系,如按开发阶段可分为稳产型、建产型、递减型;按地域可分为陆上、海上;按岩性和油品性质可分为中高渗透、低渗透、稠油等。
本文根据技术和经济指标,基于对中国石油322个已开发油田的分类研究,将已开发油藏划分为“双高油藏”、“双低油藏”和“双负油藏”(见表1)。
表1油藏分类标准2油藏开发面临的主要问题2.1储层流体可动性差致密油藏采收率特点表现在:①原油流动阻力大,动用程度低;②地层能量衰竭快,供能不足;③整体波及系数小,洗油效率低?储层岩石渗透率低,孔隙度小,毛细管力高,流体/岩石界面效应显著,储层流体可动性差,是致密油藏难以开采的重要原因?在致密油藏中,储层流体与岩石表面之间存在的固液界面效应会导致一部分流体成为束缚流体,而能够有效流动的可动流体占比变少?有学者研究指出,对于渗透率小于1mD的储层,其平均可动流体百分数通常低于20%,而绝大部分流体成为不可流动的束缚流体[9]?束缚流体会在岩石孔喉表面吸附形成边界层,进一步降低油水有效流动通道,引起渗流附加阻力?致密油藏储层岩石平均孔喉通常小于1μm,部分喉道只有几十到几百纳米?微纳米级孔喉对流体流动会产生显著的毛细管效应,形成的水膜会进一步削弱储层渗流能力?流体可动性差导致致密油藏在生产开发过程中出现“外来流体注不进?地层流体采不出”的情况?因此,开发致密油藏和提高原油采收率,关键在于提高致密储层流体可动性?2.2“双低油藏”采出程度低,单井产量低,面临接替技术不成熟的挑战“双低油藏”多为低、特渗透等低品位油藏,随着开发程度的深入,油藏整体处于高含水开采阶段,部分油藏水驱情况复杂,平面、剖面矛盾突出,含水上升与递减加快,储量动用程度较低,单井产量低,常规调控措施控水稳油难度大,亟需探索油田稳产新技术、新方法。