方形UASB计算
- 格式:doc
- 大小:93.00 KB
- 文档页数:5
UASB 的设计计算6.1 UASB 反应器的有效容积(包括沉淀区和反应区)设计容积负荷为 N v = 5.0kgCOD/(m 3/d)进出水 COD 浓度 C 0 -11200(mg/L) , C^1680(mg/L)(去除率 85%)式中Q —设计处理流量 m 3/dC o —进出水 COD 浓度kgCOD/ m 3E —去除率N V —容积负荷,N v =5.0kgCOD/(m 3/d) 6.2 UASB 反应器的形状和尺寸工程设计反应器3座,横截面积为矩形。
(1)反应器有效高为h = 6.0m 则横截面积:S 有效 =^2856 =476(m 2)h 6.0 单池面积:S i=S = 476 =158.7(m 2)n 3(2)单池从布氺均匀性和经济性考虑,矩形长宽比在2: 1以下较合适。
S 158 7 设池长丨=16m ,则宽b ! 9.9m ,设计中取b =10ml 16单池截面积:s ;=lb =16 10=160(m 2) (3)设计反应器总高 H = 7.5m ,其中超高0.5m单池总容积:V i =S- H'=160 (7.5-0.5) =1120(m 3) 单池有效反应容积: V i 有效=S j h =160 6 = 960(m 3) 单个反应器实际尺寸:l b H =16m 10m 7.5m 反应器总池面积:S = S ;汉n = 160汉3 = 480(m 2)反应器总容积:V =V'j n -1120 3=3360(m 3)QC °E N v1500 11.2 0.8550=2856m总有效反应容积: V 有效二V i 有效n =960 3二2880(m 3) . 2856m 3符合有机负荷要求。
2880UASB 反应器体积有效系数:100%= 85.7% 在70%-90%之间符合要求。
3360(4)水力停留时间(HRT )及水力负荷(V r )J 竺 24=46.08hQ 1500V r-Q 15000.13[m 3 /(m 2.h)]S 24 x 480根据参考文献,对于颗粒污泥,水力负荷 V r =0.1 6.3三项分离器构造设计计算 (1)沉淀区设计表面负荷一般小于 2.0 m 3 /(m 2.h)。
原始数据进水流量Q(m3/d)240.00水温℃进水水质COD0BOD0(mg/l)7290.003500.00容积负荷率U 4.00kgCOD/(m3.d)COD去除率%0.70SS去除率% 0.60沼气表观产率0.50m3/(去除kgCOD)污泥表观产率0.05kgVSS/(去除kgCOD)VSS/SS0.601、处理后出水水质出水水质COD1BOD1(mg/l)2187.002、UASB反应器有效容积及长、宽、高尺寸的确定2.1、有效容积V R437.40m32.2、反应器数量 1.002.3、单个容积V R'437.40m32.4、有效高度H10.00m32.5、反应器面积S43.74m22.6、反应器尺寸设定反应器宽B8.00m反应器直径D7.467.003、反应器的外形尺寸长 5.00宽直径7.00高重新核算后的面积40.00或者圆形容积400.00或者圆形4、反应器的水力停留时间HRT40.00或者圆形5、三相分离器设计沉淀区的表面负荷0.13或者圆形沉淀区的水深h 1.00m停留时间 4.00或者圆形6、回流缝设计设集气罩的水平夹角55.00取保护高度h10.50m设下三角集气罩高度h30.80m上三角形顶水深h20.50m则有b10.56m设单元三相分离器宽b 2.50m则下部污泥回流缝宽度b2 1.38m下部污泥回流缝总面积a122.07或者圆形求得下三角形回流缝的上升流速v10.45或者圆形设上部三角形集气罩回流缝宽度b30.64m总面积a220.47或者圆形求得上部回流缝上升流速v20.24或者圆形7、三相分离器位置的确定上三角形集气罩底端到下三角形集气罩斜面的垂直距离CE上三角形集气罩底端到下三角形集气罩的竖直距离BC取上三角形集气罩与下三角形集气罩重叠的斜面长度AB求得上三角形集气罩底端与下三角形集气罩底端的高度h则确定上三角形集气罩底端到池顶的距离 1.80m下三角形集气罩底端到池顶的距离 3.11m8、气液分离设计沿下集气罩斜面方向的水流速度va0.60或者圆形气泡的直径dg设为0.01cm废水的动力粘滞系数μ=vρ10.01取(β*g/18μ)*(ρ1-ρg)*d²气泡在下集气罩边缘的上升速度vb=0.27cm/s9.59m/h9、核算设计结果BC/AB= 2.28vb/va=16.08或者圆形满足vb/va > BC/AB的要求,可以脱除直径等于或大于0.01cm的气泡。
.UASB的设计计算:1.1 设计说明:厌氧反应器一般可采用矩形和圆形结构,对于圆形反应器在同样面积下,其周长比矩形少12%,但是圆形反应器这一优点仅在采用单独池子时才成立,当采用两个或两个以上时,矩形反应器可以采用共用壁。
本工程厌氧反应器进水水质:水量1200 m3/d COD30000mg/l,BOD20000mg/l,SS2000mg/l。
SS去除率19%,CODcr去除率40%,BOD5去除率45%。
本工程选用四座座矩形UASB反应器,钢筋混凝土结构,体积有效系数90%。
1.2 设计计算:1.反应器几何尺寸:(1)容积负荷法:参考工程实际及本工程的水质条件,容积负荷选用9.5kgCOD/( m3/d)。
反应器体积V=QS0/q其中Q—反应器有效体积,m3 q—容积负荷,kgCOD/( m3/d)S0—进水有机物浓度,gCOD/L则V=1200×30/9.5=3789.47 m3选用4座同样规格的池子,则每个池子体积不小于3789.47/4=947.37 m3,假定UASB体积有效系数取90%,则每池总容积不小于1052m3。
(2)池子几何尺寸(以单池为计算模型):一般UASB的生产性装置的有效高度常采用5—8m,浓度较高的废水水力停留时间长时,常采用较大的反应器高度,鉴于此垃圾渗滤液的浓度较高,从微生物代谢及投资费用方面考虑,最大高度为10.5m。
沉淀区水力负荷不超过0.7。
本工程有效高度H取10.5m,超高H2取0.7m。
则表面积A=V/H1其中A—厌氧反应器表面积,m2;H1—厌氧反应器高度,m;A=1052/11.2=93.9 m3。
由于矩形池在同样面积下比正方形的周长大,从而矩形UASB需要更多的建筑材料,但从单池布水的均匀性和经济性考虑,选择正方形的池子较为合理,从实际工程来看,反应器的宽度在20m以下是成功的。
综上:长取10m,宽取10m,则实际表面积为A=10×10=100m3>93.9 m3,表明设计合理。
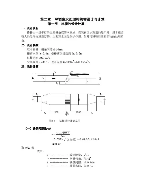
第二章 啤酒废水处理构筑物设计与计算第一节 格栅的设计计算一、设计说明格栅由一组平行的金属栅条或筛网制成,安装在废水渠道的进口处,用于截留较大的悬浮物或漂浮物,主要对水泵起保护作用,另外可减轻后续构筑物的处理负荷。
二、设计参数取中格栅;栅条间隙d=10mm ;栅前水深 h=0.4m ;格栅前渠道超高 h 2=0.3m 过栅流速v=0.6m/s ; 安装倾角α=45°;设计流量Q=5000m 3/d=0.058m 3/s(一)栅条间隙数(n)max sin Q nbhv=0.058×√(sin45)÷0.01÷0.4÷0.6=20.32 取n=21条式中:Q ------------- 设计流量,m 3/sα------------- 格栅倾角,取450 b ------------- 栅条间隙,取0.01m h ------------- 栅前水深,取0.4mv ------------- 过栅流速,取0.6m/s ;(二)栅槽总宽度(B)设计采用宽10 mm 长50 mm ,迎水面为圆形的矩形栅条,即s=0.01m B=S ×(n-1)+b ×n=0.01×(21-1)+0.01×21 =0.41 m 式中:S -------------- 格条宽度,取0.01m n -------------- 格栅间隙数,b -------------- 栅条间隙,取0.01m(三)进水渠道渐宽部分长度(l 1)设进水渠道内流速为0.5m/s,则进水渠道宽B 1=0.17m, 渐宽部分展开角1取为20°则 l 1=112B B tg=(0.41-0.17)÷2÷tg20 =0.32式中:l1-----------进水渠道间宽部位的长度,mL2----------格栅槽与出水渠道连接处的渐窄部位的长度,m B -------------- 栅槽总宽度,m B 1 -------------- 进水渠道宽度,m 1-------------- 进水渠展开角,度(四)栅槽与出水渠道连接处的渐窄部分长度(l 2)l 2= l 1/2=0.32/2 =0.16m(五)过栅水头损失(h 1)取k=3,β=1.83(栅条断面为半圆形的矩形),v=0.6m/sh o =β×(S ÷b )4/3×V ^2÷2÷g ×sin α=1.83×(0.01÷0.01) 4/3×0.6^2÷2÷9.8×sin45=0.024 mh 1=k ×h 0 =3×0.024 =0.072 m 式中:h 0--------计算水头损失,m h 1---------过格栅水头损失,mk -------- 系数,水头损失增大倍数 β-------- 形状系数,与断面形状有关ξ S -------- 格栅条宽度,m b-------- 栅条间隙,m v -------- 过栅流速,m/s α-------- 格栅倾角,度(六)栅槽总高度(H)取栅前渠道超高h 2=0.3m 栅前槽高H 1=h+h 2=0.7m 则总高度H=h+h 1+h 2=0.4+0.072+0.3 =0.772 m(七)栅槽总长度(L)L=l 1+l 2+0.5+1.0+145H tg=0.32+0.16+0.5+1.0+0.745tg=2.68 m 式中:H 1------格栅前槽高, H 1=h +h 2=0.4+0.3=0.7(八)每日栅渣量(W)取W 1=0.06m 3/103m 3 K 2=1.0则W=12864001000Q W K ⨯⨯⨯=0.058×0.08×86400÷1.5÷1000 =0.27 ㎡/d (采用机械清渣)式中:Q ----------- 设计流量,m 3/s W 1 ---------- 栅渣量(m 3/103m 3污水),取0.1~0.01,粗格栅用小值,细格栅用大值,中格栅用中值.取0.08K 2-----------污水流量总变化系数.第二节调节沉淀池的设计计算一、设计说明啤酒废水的水量和水质随时间的变化幅度较大,为了保证后续处理构筑物或设备的正常运行,需对废水的水量和水质进行调节,由于啤酒废水中悬浮物(ss)浓度较高,此调节池也兼具有沉淀池的作用,该池设计有沉淀池的泥斗,有足够的水力停留时间,保证后续处理构筑物能连续运行,其均质作用主要靠池侧的沿程进水,使同时进入池的废水转变为前后出水,以达到与不同时序的废水相混合的目的。
一、设计参数(1) 污泥参数设计温度T=25℃容积负荷N V= 污泥为颗粒状污泥产率kgCOD,产气率kgCOD(2) 设计水量Q=2800m3/d=h= m3/s。
(3) 水质指标表1 UASB反应器进出水水质指标二、 UASB反应器容积及主要工艺尺寸的确定(1) UASB反应器容积的确定本设计采用容积负荷法确立其容积VV=QS0/N VV—反应器的有效容积(m3)S0—进水有机物浓度(kgCOD/L)V=3400×÷=1494m3取有效容积系数为,则实际体积为1868m3(2) 主要构造尺寸的确定UASB反应器采用圆形池子,布水均匀,处理效果好。
取水力负荷q1=(m2·d)反应器表面积 A=Q/q1==反应器高度 H=V/A=1868/= 取H=8m 采用4座相同的UASB反应器,则每个单池面积A1为:A1=A/4=4=取D=9m则实际横截面积 A2=4= m2实际表面水力负荷 q1=Q/4A2=5 = m3/(m2·d)q1〈h,符合设计要求。
二、UASB进水配水系统设计(1) 设计原则①进水必须要反应器底部均匀分布,确保各单位面积进水量基本相等,防止短路和表面负荷不均;②应满足污泥床水力搅拌需要,要同时考虑水力搅拌和产生的沼气搅拌;③易于观察进水管的堵塞现象,如果发生堵塞易于清除。
本设计采用圆形布水器,每个UASB反应器设30个布水点。
(2) 设计参数每个池子的流量Q1=4=h(3) 设计计算查有关数据,对颗粒污泥来说,容积负荷大于4m3/时,每个进水口的负荷须大于2m2则布水孔个数n必须满足πD2/4/n>2即n<πD2/8=×9×9÷8=32 取n=30个则每个进水口负荷 a=πD2/4/n=×9× 9÷4÷30=可设3个圆环,最里面的圆环设5个孔口,中间设10个,最外围设15个,其草图见图1图1 UASB布水系统示意图①内圈5个孔口设计服务面积: S1=5 ×=折合为服务圆的直径为:用此直径作一个虚圆,在该圆内等分虚圆面积处设一实圆环,其上布5个孔口,则圆环的直径计算如下:*()/4=S1/2②中圈10个孔口设计服务面积: S2=10 ×=折合为服务圆的直径为:则中间圆环的直径计算如下:×-d22) /4=S2/2则 d2=③外圈15个孔口设计服务面积: S3=15 ×=折合为服务圆的直径为则中间圆环的直径计算如下:×(92-d32)/4=S3/2则 d3=布水点距反应器池底120mm;孔口径15cm三、三相分离器的设计(1) 设计说明UASB的重要构造是指反应器内三相分离器的构造,三相分离器的设计直接影响气、液、固三相在反应器内的分离效果和反应器的处理效果。
UASB 的设计计算6.1 UASB 反应器的有效容积(包括沉淀区和反应区)设计容积负荷为)//(0.53d m kgCOD N v =进出水COD 浓度)/(112000L mg C = ,)/(1680L mg C e =(去除率85%)V=3028560.585.02.111500m N E QC v =⨯⨯=式中Q —设计处理流量dm /3C 0—进出水COD 浓度kgCOD/3mE —去除率N V —容积负荷,)//(0.53d m kgCOD N v =6.2 UASB 反应器的形状和尺寸工程设计反应器3座,横截面积为矩形。
(1) 反应器有效高为m h 0.6=则横截面积:)(4760.628562m hV S =有效==单池面积:)(7.15834762m n S S i ===(2) 单池从布氺均匀性和经济性考虑,矩形长宽比在2:1以下较合适。
设池长m l 16=,则宽m l S b i 9.9167.158===,设计中取m b 10=单池截面积:)(16010162'm lb S i =⨯==(3) 设计反应器总高m H 5.7=,其中超高0.5m单池总容积:)(1120)5.05.7(160'3'm H S V i i =-⨯=⨯=单池有效反应容积:)(96061603'm h S V i i =⨯=⨯=有效单个反应器实际尺寸:mm m H b l 5.71016⨯⨯=⨯⨯反应器总池面积:)(48031602'm n S S i =⨯=⨯=反应器总容积:)(336031120'3m n V V i =⨯=⨯=总有效反应容积:332856)(28803960m m n V V i >=⨯=⨯=有效有效符合有机负荷要求。
UASB 反应器体积有效系数:%7.8510033602880=⨯% 在70%-90%之间符合要求。
(4) 水力停留时间(HRT )及水力负荷(r V )h Q V t HRT 08.462415002880=⨯==)]./([13.048024150023h m m S Q V r =⨯==根据参考文献,对于颗粒污泥,水力负荷)./(9.01.023h m m V r -=故符合要求。
UASB 的设计计算6.1 UASB 反应器的有效容积(包括沉淀区和反应区)设计容积负荷为)//(0.53d m kgCOD N v =进出水COD 浓度)/(112000L mg C = ,)/(1680L mg C e =(去除率85%) V=3028560.585.02.111500m N E QC v =⨯⨯= 式中Q —设计处理流量d m /3C 0—进出水COD 浓度kgCOD/3mE —去除率N V —容积负荷,)//(0.53d m kgCOD N v = 6.2 UASB 反应器的形状和尺寸工程设计反应器3座,横截面积为矩形。
(1) 反应器有效高为m h 0.6=则 横截面积:)(4760.628562m h V S =有效== 单池面积:)(7.15834762m n S S i === (2) 单池从布氺均匀性和经济性考虑,矩形长宽比在2:1以下较合适。
设池长m l 16=,则宽m l S b i 9.9167.158===,设计中取m b 10= 单池截面积:)(16010162'm lb S i =⨯==(3) 设计反应器总高m H 5.7=,其中超高0.5m单池总容积:)(1120)5.05.7(160'3'm H S V i i =-⨯=⨯=单池有效反应容积:)(96061603'm h S V i i =⨯=⨯=有效单个反应器实际尺寸:m m m H b l 5.71016⨯⨯=⨯⨯反应器总池面积:)(48031602'm n S S i =⨯=⨯=反应器总容积:)(336031120'3m n V V i =⨯=⨯=总有效反应容积:332856)(28803960m m n V V i >=⨯=⨯=有效有效符合有机负荷要求。
UASB 反应器体积有效系数:%7.8510033602880=⨯% 在70%-90%之间符合要求。
UASB相关计算公式UASB(Upflow Anaerobic Sludge Blanket)是一种高效的厌氧消化处理技术,广泛应用于废水和废物处理过程中。
其独特之处在于,废水通过一个垂直的反应器,其中自上而下流动,从而使得废物更好地与具有活性污泥的微生物接触。
为了更好地理解UASB反应器的性能和效率,下面将介绍与UASB反应器相关的一些常用计算公式。
1. 总有机气化速率(Qgas)UASB反应器中的有机废物在厌氧环境下被微生物转化为沼气。
总有机气化速率是指每单位时间内UASB反应器中的有机物质转化为沼气的速率。
它可以通过以下公式计算:Qgas = Qw × CODw × Rm其中,Qw是废水流量,CODw是废水中化学需氧量(COD),Rm是废物中有机物质转化为沼气的比率。
2. 气体产率(Ygas)气体产率是指每单位COD被转化为沼气的产率。
它可以通过以下公式计算:Ygas = Qgas / Qw其中,Qgas是总有机气化速率,Qw是废水流量。
3.气体产率常数(K)气体产率常数定义了废物中的有机物质对沼气产生的影响程度。
它可以通过以下公式计算:K = Ygas / CODw其中,Ygas是气体产率,CODw是废水中的化学需氧量。
4. 污泥产量(Yvss)污泥产量是指每单位COD被转化为污泥的产率。
它可以通过以下公式计算:Yvss = Qvss / Qw其中,Qvss是污泥的流量,Qw是废水流量。
5.污泥产量常数(Km)污泥产量常数定义了废物中的有机物质对污泥产生的影响程度。
它可以通过以下公式计算:Km = Yvss / CODw其中,Yvss是污泥产量,CODw是废水中的化学需氧量。
6. 污泥浓度(Xvss)污泥浓度是指UASB反应器中污泥的固体含量。
它可以通过以下公式计算:Xvss = Qvss / V其中,Qvss是污泥的流量,V是UASB反应器的体积。
7.UASB反应器体积(V)UASB反应器体积是一个关键参数,它决定了反应器的处理能力和效率。
UASB工艺设计计算(全)原始数据进水流量Q(m3/d)240.00水温℃进水水质COD0BOD0(mg/l)7290.003500.00容积负荷率U 4.00kgCOD/(m3.d)COD去除率%0.70SS去除率% 0.60沼气表观产率0.50m3/(去除kgCOD)污泥表观产率0.05kgVSS/(去除kgCOD)VSS/SS0.601、处理后出水水质出水水质COD1BOD1(mg/l)2187.002、UASB反应器有效容积及长、宽、高尺寸的确定2.1、有效容积V R437.40m32.2、反应器数量 1.002.3、单个容积V R'437.40m32.4、有效高度H10.00m32.5、反应器面积S43.74m22.6、反应器尺寸设定反应器宽B8.00m反应器直径D7.467.003、反应器的外形尺寸长 5.00宽直径7.00高重新核算后的面积40.00或者圆形容积400.00或者圆形4、反应器的水力停留时间HRT40.00或者圆形5、三相分离器设计沉淀区的表面负荷0.13或者圆形沉淀区的水深h 1.00m停留时间 4.00或者圆形6、回流缝设计设集气罩的水平夹角55.00取保护高度h10.50m设下三角集气罩高度h30.80m上三角形顶水深h20.50m则有b10.56m设单元三相分离器宽b 2.50m则下部污泥回流缝宽度b2 1.38m下部污泥回流缝总面积a122.07或者圆形求得下三角形回流缝的上升流速v10.45或者圆形设上部三角形集气罩回流缝宽度b30.64m总面积a220.47或者圆形求得上部回流缝上升流速v20.24或者圆形7、三相分离器位置的确定上三角形集气罩底端到下三角形集气罩斜面的垂直距离CE上三角形集气罩底端到下三角形集气罩的竖直距离BC取上三角形集气罩与下三角形集气罩重叠的斜面长度AB求得上三角形集气罩底端与下三角形集气罩底端的高度h则确定上三角形集气罩底端到池顶的距离 1.80m下三角形集气罩底端到池顶的距离 3.11m8、气液分离设计沿下集气罩斜面方向的水流速度va0.60或者圆形气泡的直径dg设为0.01cm废水的动力粘滞系数μ=vρ10.01取(β*g/18μ)*(ρ1-ρg)*d2气泡在下集气罩边缘的上升速度vb=0.27cm/s9.59m/h9、核算设计结果BC/AB= 2.28vb/va=16.08或者圆形满足vb/va > BC/AB的要求,可以脱除直径等于或大于0.01cm 的气泡。
1、比产甲烷活性:max 4124273CH R T K U X V ⋅=⋅⋅ 式中,X —微生物或污泥浓度,gVSS/LK —累计产CH 4量曲线直线段的斜率,mlCH 4/h ;T 1—实验条件对应的绝对温度,K ;V R —反应区容积,100ml 。
U max.COD 可按下式进行计算:4max max (115%)350CH COD U U ⋅⋅=-⋅式中,U max.COD —最大比COD 去除率,gCOD/(gVSS ·d)。
2、VSS/TSS1324m m m m Ash --= Ash 1VSS/TSS -=VSS=(1-Ash)×TSS=(m 3-m 1)-(m 4-m 2)式中:Ash —污泥中的灰分比例,%;m1—坩埚在103~105°C 的烘箱中干燥后的重量,g ;m2—坩埚在600°C 的马弗炉灼烧后的重量,g ;m3—含污泥坩埚在103~105°C 的烘箱中干燥后的重量,g ;m4—含污泥坩埚在600°C 的马弗炉灼烧后的重量,g 。
3、水力停留时间HRT=V/Q式中:Q —进液流量(m 3/h );V —反应器有效容积(m 3);上流速度:u=Q/A ,故:HRT=H/u小反应器反应区体积=1.7L ,有效体积—3L ;EGSB 反应区体积—9.22L ,有效体积—13.6L ;UASB 反应区体积—11.2L ,有效体积—12.8L 。
4、有机负荷有机负荷包括容积负荷(VLR)和污泥负荷(SLR):VLR=Q·ρw/VSLR=Q·ρw/V·ρs式中:V—反应器容积,m3;Q—进水流量m3/d;ρw——进液浓度,KgCOD/m3或KgBOD/m3;ρs—污泥浓度,KgCOD/Kg TSS或KgCOD/Kg VSS或KgBOD/Kg TSS或KgBOD/Kg VSS。
5、UASB 反应器容积一般采用容积负荷计算法,按公式式中:V——反应器有效容积,m3;Q——UASB 反应器设计流量,m3 /d;N v——容积负荷,kgCOD/(m3·d);S0——进水有机物浓度,kgCOD/m3。
UASB 反应器一、 主要的设计参数①Q--设计水量Q=10003/m d =41.67 3/m h②进水浓度BOD 10000mg/l③COD 去除率E=80%④容积负荷:Nr=4.0kgCOD/ 3m d⑤产气率r=0.4(3m /kgCOD )⑥产泥率x=0.15kg/kgBOD二、 设计计算1. 总容积:Q S r V NvQ--设计水量 Sr —去除的有机物污染物浓度(kg/3m )Nr--容积负荷kgCOD/ 3m d则:V=1000*(10000-2000)/4/1000=20003()m设置两个池子,每池容积Vi =V/2=10003()m取有效高度为5(m )则:A=1000/5=200 (m2)取反应器的长为20m ,宽为10m (长宽比2:1最为合适)校核上升流速:v=Q/A=41.67(3/m h )/200/2=0.104(m/h )符合范围(0.1~0.9)m/h2. 三相分离器设计本设计采用上下两层重叠的三角形集气罩。
它由收气率大等特点。
根据上图:设计上下三角形集气罩斜板水平夹角55°,取保护高度0.5m ,下三角形h 1=1.2m ,上三角形顶水深h 2=0. 5m.13/b h tg α=式中:1b --下三角形集气罩的宽度(m )α--下三角形集气罩斜板水平夹角°3h --下三角形集气罩之间垂直距离(m)13/ 1.2/550.84()b h tg tg m α===212b b b =-式中:2b --下三角形集气罩斜板水平距离(m)2b 2.420.840.72=-⨯=(m)下三角形集气罩之间污泥回流风中混合液的上升流速1v11Q v a =式中: Q —设计水量1a --下三角形集气罩回流缝总面积。
12a b l n =⋅⋅式中:l —反应器宽度。
n —反应器三相分离器的个数a1=b2*l*n=0.72*20*5=72 (m2)v1=500/24/72=0.289(m/h)为了使回流缝的水流稳定,固液分离效果好污泥能顺利的回流,上三角形集气罩回流缝的上升流速2v (/)m h22/2Q v a = 式中:2a --上三角形集气罩回流缝总面积。
3.3.3 UASB反应器(1) 设计说明UASB反应器由反应区、进水管道和位于上部的三相分离器组成。
反应器下部由具有良好的沉淀和絮凝性能的高质量分数厌氧污泥形成污泥床,污水从进水口自下而上通过污泥床,与厌氧污泥充分接触反应。
厌氧分解过程中产生的沼气形成微小气泡不断释放、上升,逐渐形成较大气泡。
反应器中,上部污泥在沼气的扰动下形成污泥质量分数较低的悬浮层,顶部的分离器进行污泥、沼气和废水的三相分离。
处理后的水从沉淀区上部溢流排出,气室的沼气可用管道导出,沉淀在泥斗壁上的污泥在重力作用下沿泥斗壁斜面下滑回到反应区,使得反应区有足够的污泥浓度。
本设计中UASB采用钢筋混凝土结构,截面取正方形。
本工程所处理工业废水属高浓度有机废水,生物降解性好,UASB反器作为处理工艺的主体,拟按下列参数设计。
设计流量1200 m³/d =50m³/h进水浓度 CODcr=5000mg/L COD去除率为87.5%容积负荷Nv=6.5kgCOD/(m³•d)产气率r=0.4m³/kgCOD污泥产率 X=0.15kg/kgCOD(2) UASB反应器工艺构造设计计算① UASB总容积计算UASB总容积:V = QSr/Nv = 1200×5×87.5%/6.5 = 807.7 m³(3-1)选用两座反应器,则每座反应器的容积Viˊ= V/2 = 404 m³设UASB的体积有效系数为87%,则每座反应器的实需容积Vi = 404/87%= 464m³若选用截面为8m×8m 的反应器两座,则水力负荷约为0.3m³/(m²•h)<1.0m³/(m²•h)符合要求求得反应器高为8m,其中有效高度7.5m,保护高0.5m.② 三相分离器的设计UASB的重要构造是指反应器内三相分离器的构造,三相分离器的设计直接影响气、液、固三相在反应器内的分离效果和反应器的处理效果。
3.3.3 UASB反应器(1) 设计说明UASB反应器由反应区、进水管道和位于上部的三相分离器组成。
反应器下部由具有良好的沉淀和絮凝性能的高质量分数厌氧污泥形成污泥床,污水从进水口自下而上通过污泥床,与厌氧污泥充分接触反应。
厌氧分解过程中产生的沼气形成微小气泡不断释放、上升,逐渐形成较大气泡。
反应器中,上部污泥在沼气的扰动下形成污泥质量分数较低的悬浮层,顶部的分离器进行污泥、沼气和废水的三相分离。
处理后的水从沉淀区上部溢流排出,气室的沼气可用管道导出,沉淀在泥斗壁上的污泥在重力作用下沿泥斗壁斜面下滑回到反应区,使得反应区有足够的污泥浓度。
本设计中UASB采用钢筋混凝土结构,截面取正方形。
本工程所处理工业废水属高浓度有机废水,生物降解性好,UASB反器作为处理工艺的主体,拟按下列参数设计。
设计流量1200 m³/d =50m³/h进水浓度 CODcr=5000mg/L COD去除率为87.5%容积负荷Nv=6.5kgCOD/(m³•d)产气率r=0.4m³/kgCOD污泥产率 X=0.15kg/kgCOD(2) UASB反应器工艺构造设计计算① UASB总容积计算UASB总容积:V = QSr/Nv = 1200×5×87.5%/6.5 = 807.7 m³(3-1)选用两座反应器,则每座反应器的容积Viˊ= V/2 = 404 m³设UASB的体积有效系数为87%,则每座反应器的实需容积Vi = 404/87%= 464m³若选用截面为8m×8m 的反应器两座,则水力负荷约为0.3m³/(m²•h)<1.0m³/(m²•h)符合要求求得反应器高为8m,其中有效高度7.5m,保护高0.5m.② 三相分离器的设计UASB的重要构造是指反应器内三相分离器的构造,三相分离器的设计直接影响气、液、固三相在反应器内的分离效果和反应器的处理效果。
对污泥床的正常运行和获得良好的出水水质起十分重要的作用,根据已有的研究和工程经验,三相分离器应满足以下几点要求:a.液进入沉淀区之前,必须将其中的气泡予以脱出,防止气泡进入沉淀区影响沉淀效果。
b. 沉淀区的表面水力负荷应在0.7m³/(m²•h)以下,进入沉淀区前,通过沉淀槽底缝隙的流速不大于2.0m/h。
c. 沉淀斜板倾角不小于50°,使沉泥不在斜板积累,尽快回落入反应区内。
d.出水堰前设置挡板以防止上浮污泥流失,某些情况下应设置浮渣清除装置。
三相分离器设计需确定三相分离器数量,大小斜板尺寸、倾角和相互关系。
三相分离器由上下两组重叠的高度不同的三角形集气罩组成。
本设计采用上集气罩为大集气罩,下集气罩为小集气罩。
大集气罩由钢板制成,起集气作用,小集气罩为实心钢筋混凝土结构,实起支撑作用。
取上下三角形集气罩斜面的水平倾角为θ=55°,h2=0.5m根据图b所示几何关系可得:b1=h2/tgθ=0.5/tg55°=0.35m(3-2)b2=b-2 b1=2.67-2×0.35=1.97m(3-3)下三角形集气罩之间污泥回流缝中混合液上升流速v1可用下式计算:v1 = Q/S1 (3-4)S1 = b2×l×n = 1.97×8×3 = 47.28 m²(3-5)= 25/47.28 = 0.53m/h < 2m/h取CD为0.3m,上三角形集气罩与下三角形集气罩斜面之间回流缝流速v2可用下式计算:v2 = Q/S2S2 = CD×l×2n = 0.3×8×2×3 = 14.4 m²= 25/14.4 = 1.74m/h < 2m/h满足v1 < v2 < 2.0m/h 的要求取CE=0.3m,则上三角形集气罩的位置即可确定,且BC = CE/sin35°= 0.3/sin35°= 0.52mAB = ( b1-CD)/cos55°= 0.09mh3 \ = [Abcos55°+(b2-0.5)/2]tg55°=[0.26cos55°+(1.97-0.5)/2] •tg55°= 1.26m取水深h1 = 0.8m.集气罩及各部分的尺寸标注见下图:气分离效果的校核:设沼气气泡的直径d=0.008cm, 20℃时,净水的运动粘滞系数υ=0.0101cm2/s,取废水密度ρ1=1.01g/cm³,沼气密度ρ=1.2×10-3g/c m³,碰撞系数β=0.95,动力粘滞系数µ=υ•ρ=0.0101×1.01=0.0102g/(cm•s)由于废水的µ一般大于净水,可取废水的µ=0.02g/(cm•s)则气泡的上升速度vb= βg•(ρ1-ρ) •d²/18µ(3-6)= 0.95×981×(1.01-1.2×10-3) ×0.008²/(18×0.02)= 0.167cm/s =6.01m/hva= Q/S3=25/(0.3×8×6)=1.74m/h根据以上的计算结果有BC/AB=0 .52/0.56=2vb/va =6.01/1.74=3.45满足 vb/va > BC/AB 的要求,则直径大于0.008的气泡均可进入气室.③ 布水系统的设计两池共用一根DN150的进水干管,采用穿孔管配水。
每座反应器设4根DN150长6.7m的穿孔管,每两根管之间的中心距为2m,配水孔径采用 7φ14mm,孔距为2m,即每根管上设4个配水孔,每个孔的服务面积2m×2m=4m2,孔口向下,穿孔管距反应器底0.20m.每座反应器共有16个配水孔,若采用连续进水,则每个孔的孔口流2.11m/s > 2m/s ,符合要求.估算布水系统的水头损失为0.7m,UASB的水头损失为0.8m,则废水在UASB反应器中的总水头损失为1.5m.管道布置见图10:水面低0.6m.④出水渠的设计计算每座UASB反应器设四条出水渠,出水渠保持水平,四条出水渠的出水汇入集水渠,再经出水管排出.a.出水渠: 采用锯齿形出水渠,钢结构.渠宽取0.2m,渠深取0.3m.b.三角堰设计计算每座UASB反应器处理水量7L/s,溢流负荷为1~2L/(m•s)设计溢流负荷取f=2L/(m•s),则堰上水面总长L= q/f= 7/2= 3.5m (3-7)设计90°三角堰,堰高 H=50mm,堰口宽 B=100mm,堰上水头 h=25mm,则堰口水面宽 b=50mm,三角堰数量 n=L/b=3.5/0.05=70个.设计堰板长为8-0.3=7.7m,共6块,每块堰10个100mm堰口,10个670mm间隙.堰上水头校核:则每个堰出流率q=0.007/70=1×10-4m³/s按90°三角堰计算公式 q=1.43h5/2 (3-8)则堰上水头为h=(q/1.43)0.4=(1×10-4/1.43) 0.4=0.022mc. 集水渠: 集水渠宽取0.3m, 集水渠底比反应器内d. 出水管: 取DN150的铸铁管,出水管在集水渠中心底部.出水管中的水再汇入位于走道下的DN200的排水总管.e.浮渣挡板:为防止浮渣进入曝气池,在出水渠外侧0.3m处设浮渣挡板.挡板深入水面下0.2m,水面上0.025m.⑤ 排泥管的设计计算a.排泥量的设计计算每座UASB的设计流量Q=600m³/d,进水COD浓度为5000mg/L,COD去除率为87.5%,产泥系数为R=0.15kg干泥/kgCOD,则产泥量Q=600×5000÷1000×0.875×0.15=394kg干泥/d设UASB排泥含水率为98%,湿污泥密度为1000kg/m³,则每日产生的湿污泥量Q=394/(1000×2%)=19.7m³/d则两座UASB的总产泥量Q0=2×19.7=39.4m³/d⑥ 沼气管道系统设计计算a.产气量计算每座UASB设计流量 Q=25m ³/h进水CODcr S0=5000mg/L=5kg/m³COD去除率 E=87.5%产气率r=0.4 m³/kgCOD则产气量Gi=Q•S0•Er(3-9)=25×5×0.875×0.4=43.75 m ³/h两座UASB产气量共为G=87.5 m ³/hb.沼气管道的设计出气管: 根据三相分离器的特点,每一个集气罩分别引一根出气管,管径为DN100.水封罐: 本设计选用D=500mm的水封罐.水封高度 H=H1-HMH1—大集气罩内的压力水头,取为1mH2OHM—沼气柜的压力水头,取为0.4mH2O则H=H1-HM=1-0.4=0.6mH2O取水封罐高度Hˊ=1.0m ,其中超高为0.4m在水封罐上设有一根进水管,一根放空管,在外面设一液位计以观察罐内水位情况.气水分离器: 气水分离器起到对沼气干燥作用,选φ500mm×H1800mm.沼气柜: 根据设计规范要求,沼气柜的容积一般按6―10h的平均产量来计算,本设计选用6h 产气量计算,则6h的产气量为W=87.5×6=525m³所以选用550m³的沼气柜 .。