满堂扣件式钢管落地脚手架操作平台
- 格式:doc
- 大小:91.00 KB
- 文档页数:17
满堂脚手架(内脚手架)搭设规范一、地面现场清理,确保脚手架搭设范围内无障碍物,场地无积水,脚手架平台已具备作业条件。
二、材料1、采用外径48毫米、壁厚3.5毫米的钢管,其材质应符合GB 700-793号钢的技术条件。
2、钢管、扣件等材料进场必须有准用证、许可证、企业营业执照、产品合格证及相应检验报告等。
发现有脆裂、变形、滑丝等现象者禁止使用。
3、钢管、扣件、螺栓等零配件,必须规格统一,材质优良,并应有出厂证明书。
三、施工人员设专业质量检查员负责脚手架搭设的具体操作和安全管理材料由材料员负责购买,架子工均经过上岗培训获得上岗操作证书,持证上岗。
四、交底对脚手架搭设施工人员在上岗前进行施工交底,并作安全教育培训,对相关操作人员必须持证上岗。
一满堂脚手架搭设一、钢管扣件满堂脚手架的搭设工艺流程测量放线→竖立管并同时安装扫地杆→搭设水平杆→搭设剪刀撑→铺脚手板→搭挡脚板和栏杆二、扣件式钢管脚手架的构造要求和及全技术条件1、横杆的允许挠度不大于杆长的1/150;2、立杆的垂直偏差不大于立杆全长的l/200;3、脚手架搭设标准:横平竖直,连接牢固,底脚着实,支撑挺直,通畅平坦,安全设施齐全、牢固。
4、脚手架主要受力杆件,如立杆、横杆和剪力撑等,在同一建筑立面必须使用同一材质的材料。
5、脚手架的搭设顺序为:(1)现场材料料及整理,立杆→横杆→剪刀撑→竹笆板→满铺E1级木工板→栏杆。
(2)每根立杆铺设时应准确的放在定位线上。
(3)立杆搭设应满足下列要求a.立杆各向间距按照计算结果确定,并实施。
b.立杆接长除顶层顶步可采用搭接外,其余各层各步接头必须采用对接扣件连接。
对接、搭接应符合下列规定:✧立杆上的对接扣件应交错布置:两根相邻立杆的接头不应设置在同步内,同步内隔一根立杆的两个相隔接头在高度方向错开的距离不宜小于500mm;各接头中心至主节点的距离不宜大于步距的1/3。
✧搭接长度不能小于1m,须采用不少于2个旋转扣件固定,端部扣件盖板的边缘至杆端距离不能小于100mm。
目录一、工程概况.................................................二、编制依据.................................................三、结构简介.................................................四、施工部署.................................................五、脚手架材料要求...........................................................六、搭设形式.................................................................七、脚手架施工构造...........................................................八、安全施工技术措施.........................................................九、安全文明施工.............................................................十、脚手架立面简图(附后)...................................................一、工程概况本项目位于陕北黄土高原北端、毛乌素沙漠东南缘,秃尾河中游地段。
地貌为北部风沙漠滩区,以半固定水和固定沙为主,区内沙丘连绵起伏,形态各异,大小不等,高度几米至十几米,场地占地面积约172公顷。
项目区域内预留120万吨/年煤制甲醇装置,预留地约40公顷。
厂址东距锦界工业开发区6km,西北距大保当镇10km,东北距神木县城53km,西南距榆林市63km。
厂址北面紧领神木县臭柏自然保护区的实验区,省道204、榆神高速公路、神延铁路位于厂址北侧。
工程概况:XXXXX生化股份有限公司生物制剂生产等6项盘扣式装修操作平台施工方案编制:审核:审批:XXXXX生化股份有限公司生物制剂生产等6项工程项目经理部2012年08月13日目录1.编制依据 (3)2.脚手架概况 (3)3.施工部署 (4)3.1施工部位工期要求 (4)3.2组织管理 (4)3.3脚手架的部署及选型 (4)4.施工准备 (5)4.1技术准备 (5)4.2劳动力准备 (5)4.3机具及材料准备 (6)4.4盘扣式脚手架施工流程 (6)5.盘扣式脚手架构件特性 (7)5.1盘扣脚手架分类 (7)5.2立杆及基础立杆 (9)5.3基座 (9)5.4水平杆与水平斜杆 (9)5.5竖向斜杆 (9)5.6可调托撑及可调底座 (9)6.盘口脚手架的搭设 (10)6.1放样 (10)6.2搭设原则 (10)6.3 盘扣系统脚手架的组搭步骤 (10)7.脚手架计算书 (12)7.1编制依据 (12)7.2盘扣架支撑系统验算 (12)7.3杆件内力计算 (13)7.4连墙件计算 (14)7.5基础承载力验算 (15)8.施工要点 (16)9.盘扣脚手架的检查 (16)9.1 脚手架检查、验收的时间 (16)9.2 脚手架检查、验收的程序和要求 (16)9.3 脚手架检查、验收项目 (17)垂直度 (17)水平度 (17)10.盘扣脚手架的安全使用 (18)11.盘扣式脚手架的拆除 (18)12.安全管理 (19)13.脚手架施工图 (21)工程概况:中庭装修操作平台施工方案1.编制依据(1)XXXXX生化股份有限公司生物制剂生产等6项工程《施工组织设计》(2)业主提供的施工图纸(3)《混凝土结构工程施工及验收规范》GB50204-2002(4)《建筑工程质量验收统一标准》GB50300-2001(5)《建筑施工手册》第四版(6)《建筑施工计算手册》(江正荣编著)(7)《建筑施工承插型盘扣式钢管支架安全技术规程》JGJ231-2010(8)《建筑施工高处作业安全技术规范》JGJ80-91(9)《建筑施工扣件式钢管脚手架安全技术规范》JGJ130-2011(10)《建筑结构长城杯工程质量评审标准》DBJ/T01-69-2003(11)《建筑工程资料管理规程》DB11/695-2009(12)《建筑工程监理规程》DBJ01-41-2002(13)《工程建筑标准强制性条文》(14)《危险性较大的分部分项工程安全管理办法》建质(2009)87号(15)贯标体系文件2.脚手架概况本工程主楼中庭(11-12轴/A-L轴)部位有内幕墙及采光顶,采光顶离地高度40.061m-41.180m。
六种脚手架施工方案扣件式钢管落地脚手架引言:脚手架是建筑工程中常用的临时支撑设备,用于提供施工人员在高空作业时的安全通道和工作平台。
扣件式钢管落地脚手架是目前最常见的一种脚手架类型,具有结构简单、安装方便、稳定牢固等优点,在建筑工程中得到广泛应用。
本文将介绍六种脚手架施工方案,以帮助大家更好地了解扣件式钢管落地脚手架的使用方法。
1. 单排脚手架方案单排脚手架方案适合于狭窄的施工场地和高度较低的建筑物。
它使用一排水平杆件和纵向竖杆支撑,通过钢管扣件连接固定。
该方案安装简便,适用于单一作业面的施工。
2. 双排脚手架方案双排脚手架方案适用于较宽场地和较高建筑物的施工。
它在单排脚手架的基础上增加了一排水平杆件和纵向竖杆支撑,形成两层平台,提供更大的工作面积。
双排脚手架方案的搭建需要额外注意安全因素,确保结构的稳定性。
3. 连续悬挑脚手架方案连续悬挑脚手架方案适用于需要在建筑物外部进行作业的工程。
它通过在建筑物上方加设悬挑平台和固定支撑构件,实现从建筑物外部向内部延伸的脚手架结构。
连续悬挑脚手架方案需要特别注意负载和平衡,确保安全可靠。
4. 斜坡脚手架方案斜坡脚手架方案适用于斜坡地形的建筑工程。
它通过改变脚手架的立杆长度和角度,与地形保持平行,确保斜坡上的工作面能够平稳支撑,提供安全的工作平台和通道。
在斜坡脚手架方案中,正确的角度和结构的稳定性是关键。
5. 悬空脚手架方案悬空脚手架方案适用于需要从建筑物垂直面悬挑出来进行作业的工程。
它通过悬挂梁和吊杆将脚手架平台悬挑在建筑物外部,提供工作面积和通道。
悬空脚手架方案需要特别注意安全系数和悬挑结构的牢固性,确保施工人员的安全。
6. 斜面脚手架方案斜面脚手架方案适用于需要在斜面建筑物上进行作业的工程。
它通过调整脚手架立杆的长度和角度,与斜面保持垂直平行,提供稳定的工作平台和通道。
斜面脚手架方案需要特别注意斜面的角度和结构的稳固性,确保安全施工。
总结:六种脚手架施工方案扣件式钢管落地脚手架,通过不同的组合方式和搭建方法,适应了不同的建筑工程需求和施工环境。
目录一、编制依据 (1)二、工程概况 (1)三、总体筹划及施工部署 (1)四、落地操作平台搭设流程及施工工艺 (2)五、材料选择及构造要求 (6)六、劳动力安排 (7)七、脚手架检查与验收 (8)八、脚手架搭设安全技术措施 (9)九、脚手架拆除安全技术措施 (9)十、设计计算 (11)一、编制依据(1)《建筑施工扣件式钢管脚手架安全技术规范》(JGJ 130-2011);(2)《建筑施工安全检查标准》(JGJ 59-2011);(3)《建筑施工高处作业安全技术规范》(JGJ 80-91);(4)《建筑施工手册》(第四版)(中国建筑工业出版社出版);(5)《建筑结构荷载规范》GB50009-2012;(6)《建筑地基基础设计规范》GB50007-2011;(7)《建筑地基基础工程施工质量验收规范》GB50202-2002;二、工程概况工程名称大运城邦花园(二区)21~59号住宅楼、65~70号住宅楼、71号地下室工程建设单位东莞市益田奥城房地产投资有限公司施工单位中铁建工集团有限公司设计单位奥义建筑工程设计有限公司监理单位广东华工工程建设监理有限公司建设地点东莞市凤岗镇官井头村本项目由东莞市益田奥城房地产投资有限公司开发,项目地点位于东莞市凤岗镇龙平南路南侧。
总用地面积53074.085平方米,总建筑面积48247.378平方米。
计容建筑面积25364.237平方米,不计入容积率面积22883.141平方米,其中:地下建筑面积22883.141平方米,首层建筑占地面积12268.499平方米。
本项目包括:22栋独栋别墅,23栋联排别墅及1个地下室。
共设有机动车停车位226个,其中:地上停车位88个,地下停车位138个。
三、总体筹划及施工部署(1)、总体筹划本方案考虑到施工工期、质量、安全和现场实际需要,故在选择方案时,应充分考虑以下几点:1、架体的结构设计,力求做到结构要安全可靠,造价经济合理。
2、在规定的条件下和规定的使用期限内,能够充分满足预期的安全性和耐久性。
满堂脚手架和满堂支撑架搭设规定一、满堂脚手架和满堂支撑架的概述满堂脚手架和满堂支撑架是建筑施工作业中非常重要的设施,主要用于提供作业面、模板支撑、施工设备安装等。
然而,由于其搭设和使用不当所引发的安全事故也时有发生。
因此,了解并遵守满堂脚手架和满堂支撑架的搭设规定,对于保障施工安全具有重要意义。
二、满堂脚手架的搭设规定1、施工前应编制专项施工方案,方案应包含详细的搭设、使用、拆除等操作规程,以及相应的安全技术措施。
2、满堂脚手架的搭设和使用必须符合《建筑施工扣件式钢管脚手架安全技术规范》等相关规范标准。
3、满堂脚手架的基座应稳固,并应能承受搭设和使用过程中产生的各种荷载。
4、满堂脚手架的搭设应按照专项施工方案进行,并应定期进行检查和维护。
5、满堂脚手架的使用高度应符合设计要求,严禁随意增加高度。
6、满堂脚手架的拆除应按照专项施工方案进行,并应遵循安全、环保的原则。
三、满堂支撑架的搭设规定1、施工前应编制专项施工方案,方案应包含详细的搭设、使用、拆除等操作规程,以及相应的安全技术措施。
2、满堂支撑架的搭设和使用必须符合《建筑施工承插型盘扣式钢管支架安全技术规范》等相关规范标准。
3、满堂支撑架的基座应稳固,并应能承受搭设和使用过程中产生的各种荷载。
4、满堂支撑架的搭设应按照专项施工方案进行,并应定期进行检查和维护。
5、满堂支撑架的使用高度应符合设计要求,严禁随意增加高度。
6、满堂支撑架的拆除应按照专项施工方案进行,并应遵循安全、环保的原则。
四、总结满堂脚手架和满堂支撑架的搭设和使用是建筑施工中的重要环节,其安全性直接关系到施工人员的生命财产安全。
因此,所有参与施工的人员都应认真学习和遵守相关的搭设规定,严格按照专项施工方案进行操作。
管理人员也应加强对施工现场的监督和管理,确保各项安全措施得到有效执行。
只有这样,我们才能最大程度地减少安全事故的发生,保障施工的顺利进行。
满堂脚手架拆除专项方案一、工程概述本工程为满堂脚手架拆除专项方案,旨在确保脚手架拆除过程安全、高效,同时符合相关法规和规定。
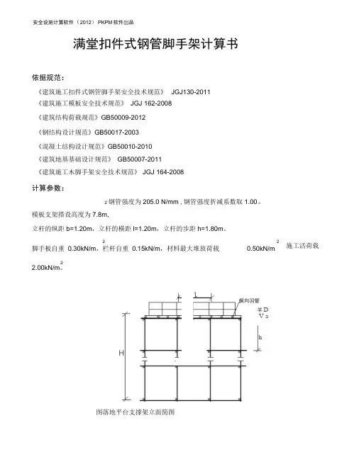
满堂扣件式钢管脚手架计算书依据规范:《建筑施工扣件式钢管脚手架安全技术规范》 JGJ130-2011 《建筑施工模板安全技术规范》 JGJ 162-2008 《建筑结构荷载规范》GB50009-2012 《钢结构设计规范》GB50017-2003 《混凝土结构设计规范》GB50010-2010 《建筑地基基础设计规范》 GB50007-2011 《建筑施工木脚手架安全技术规范》 JGJ 164-2008计算参数:2 钢管强度为205.0 N/mm ,钢管强度折减系数取1.00。
模板支架搭设高度为7.8m,立杆的纵距b=1.20m ,立杆的横距l=1.20m ,立杆的步距h=1.80m 。
22脚手板自重 0.30kN/m ,栏杆自重 0.15kN/m ,材料最大堆放荷载 0.50kN/m22.00kN/m 。
图落地平台支撑架立面简图施工活荷载hH飙向羽管羊DV a-------------------------------------- 、---------------------------------------。
口口Q图落地平台支撑架立杆稳定性荷载计算单元采用的钢管类型为© 48X 2.8。
钢管惯性矩计算采用匸n (D4-d)/64,抵抗距计算采用W=n (D°-d )/32D 一、基本计算参数[同上]纵向钢管按照均布荷载下连续梁计算,截面力学参数为3截面抵抗矩W = 4.25cm ;截面惯性矩I = 10.20cm 4;%纵向钢管计算简图1. 荷载的计算:(1) 脚手板与栏杆自重线荷载(kN/m):q 1 =0.000+0.300 X 0.200=0.060kN/m1a £.、纵向支撑钢管的计算鱼(2) 堆放材料的自重线荷载(kN/m):q 21 = 0.500 x 0.200=0.100kN/m(3) 施工荷载标准值(kN/m):q 22 = 2.000 x 0.200=0.400kN/m经计算得到,活荷载标准值q 2 = 0.400+0.100=0.500kN/m2. 抗弯强度计算最大弯矩考虑为三跨连续梁均布荷载作用下的弯矩。
目录一编制依据 (1)二工程概况 (1)三施工部署 (2)四材料准备 (3)五施工方法 (4)六质量和安全措施 (8)七、附图计算书(附后) (9)一编制依据二工程概况2。
1工程简介2。
2整体工程概况三 施工部署3。
1 卸料平台选型本工程卸料平台采用直径48×3.0mm 钢管搭设的落地式脚手架. 3。
2卸料平台的尺寸及位置设置二、三、四层卸料平台,为连体台阶,每层平面尺寸为2.4m ×4.8m ,高度分别为3。
6米、7。
2米、10.8米,分别在C 轴外侧⑤-⑦轴间、9轴外侧D —E 轴间两处设置。
卸料平台现场平面布置图:详见下列示意图:四材料准备4.1 钢管的进场检验本工程使用外径48扣件式钢管脚手架,其检验标准如下:(1)应有产品质量合格证;(2)应有质量报告,钢管材质检验方法符合国家现行标准《金属拉伸试验方法》(GB/T 228—2010)的有关规定;(3)钢管表面应平直光滑,不得有裂缝、结疤、分层、硬弯、毛刺、压痕和深的划道;(4)钢管必须涂有防锈漆;(5)钢管质量标准见下表:4.2 扣件的进场检验扣件采用直角扣件、旋转扣件、对接扣件三种;其外观及附件质量应符合以下指标:(1)扣件各部位不允许有裂纹存在;(2)扣件不允许在主要部位有缩松;(3)扣件表面大于10mm²的砂眼不应超过三处,且累计面积不应大于50mm²; (4)扣件表面粘砂面积累计不应大于150mm²;(5)扣件表面凸(或凹)的高值(或深)不应大于1mm;(6)扣件与钢管接触部位不应有氧化皮,其他部位氧化面积累计不应大于150mm²;(7)铆钉应符合GB876的规定,铆接处应牢固,铆接头应大于铆钉直径1mm,且美观,不应有裂纹存在;(8)T型螺栓、螺母、垫圈、铆钉采用的材料用符合GB700的有关规定。
螺栓、螺母的螺纹应符合GB196的规定,垫圈应符合GB95的规定。
(9)活动部位应能灵活转动,旋转扣件两面间隙应小于1mm;(10)产品的规格、商标应在醒目处铸出,字迹图案要清晰、完整;(11)扣件表面应进行防锈处理(不能用沥青漆),油漆应均匀美观,不应有堆漆或露铁.五施工方法5.1 搭设工艺流程落地平台搭设的工艺流程为:基础处理、材料配备→定位设置通长脚手板、底座→纵向扫地杆→立杆→横向扫地杆→纵向水平杆→横向水平杆→剪刀撑→连墙件→铺脚手板→扎防护栏杆→扎安全网.5.2 基础处理本工程脚手架地基础部位平整,垫厚度不小于50mm的通常木板。
操作平台6.1 一般规定6.1.1 操作平台应进行设计计算,架体构造与材质应满足相关现行国家、行业标准规定。
6.1.2 面积、高度或荷载超过本规范规定的,应编制专项施工方案。
6.1.3 操作平台的架体应采用钢管、型钢等组装,并应符合现行国家标准《钢结构设计规范》GB50017 及相关脚手架行业标准规定。
平台面铺设的钢、木或竹胶合板等材质的脚手板,应符合强度要求,并应平整满铺及可靠固定。
6.1.4 操作平台的临边应按本规范第4.3 节的规定设置防护栏杆,单独设置的操作平台应设置供人上下、踏步间距不大于400 ㎜的扶梯。
6.1.5 操作平台投入使用时,应在平台的内侧设置标明允许负载值的限载牌,物料应及时转运,不得超重与超高堆放。
6.2 移动式操作平台6.2.1 移动式操作平台的面积不应超过10 ㎡,高度不应超过5m,高宽比不应大于3:1,施工荷载不应超过1.5kN/㎡。
6.2.2 移动式操作平台的轮子与平台架体连接应牢固,立柱底端离地面不得超过80mm,行走轮和导向轮应配有制动器或刹车闸等固定措施。
6.2.3 移动式行走轮的承载力不应小于5kN,行走轮制动器的制动力矩不应小于2.5N·m,移动式操作平台架体应保持垂直,不得弯曲变形,行走轮的制动器除在移动情况外,均应保持制动状态。
6.2.4 移动式操作平台在移动时,操作平台上不得站人。
6.2.5 移动式操作平台的设计应符合本规范附录B 的规定。
6.3 落地式操作平台6.3.1 落地式操作平台的架体构造应符合下列规定:1 落地式操作平台的面积不应超过10 ㎡,高度不应超过15m,高宽比不应大于2.5:1;2 施工平台的施工荷载不应超过 2.0kN /㎡,接料平台的施工荷载不应超过3.0kN /㎡;3 落地式操作平台应独立设置,并应与建筑物进行刚性连接,不得与脚手架连接;4 用脚手架搭设落地式操作平台时其结构构造应符合相关脚手架规范的规定,在立杆下部设置底座或垫板、纵向与横向扫地杆,在外立面设置剪刀撑或斜撑;5 落地式操作平台应从底层第一步水平杆起逐层设置连墙件且间隔不应大于4m,同时应设置水平剪刀撑。
目录第一章工程概况3一、工程概况3二、施工要求3三、技术保证条件3第二章编制依据4第三章施工计划5一、材料与设备计划5第四章施工工艺技术8一、技术参数8二、工艺流程8三、施工方法9四、检查验收14第五章施工安全保证措施15一、组织保障15二、技术措施18三、应急预案22第六章劳动力计划24一、专职安全生产管理人员24二、特种作业人员25第七章计算书及相关图纸26一、计算书26第一章工程概况一、工程概况1、。
2、各责任主体名称建设单位:设计单位:监理单位:施工单位:二、施工要求1、操作平台的设计力求做到结构安全可靠,造价经济合理。
2、确保操作平台在使用周期内安全、稳定、牢靠。
3、选用材料时,力求做到常见通用、可周转利用,便于保养维修。
4、操作平台在搭设及拆除过程中要符合工程施工进度要求。
操作人员需取得特殊作业人员资格上岗证。
三、技术保证条件1、安全网络2、操作平台的搭设和拆除需严格执行该《专项施工方案》。
第二章编制依据1、《建筑施工脚手架实用手册》2、《建筑地基基础设计规范》GB50007-20113、《建筑结构荷载规范》GB50009-20124、《混凝土结构设计规范》GB50010-20105、《钢结构设计规范》GB50017-20036、《木结构设计规范》GB50005-20037、《建筑施工脚手架安全技术统一标准》GB51210-20168、《建筑施工安全检查标准》JGJ59-20119、《建筑施工高处作业安全技术规范》JGJ80-201610、《建筑施工扣件式钢管脚手架安全技术规范》JGJ130-201111、《建筑施工临时支撑结构技术规范》JGJ300-201312、《危险性较大的分部分项工程安全管理办法》(建质[2009]87号文)13、《建设工程安全生产管理条例》国务院令第393号14、本工程设计图纸15、本工程施工组织设计第三章施工计划一、材料与设备计划1、操作平台钢管应采用现行国家标准《直缝电焊钢管》GB/T13793或《低压流体输送用焊接钢管》GB/T3091中规定的Q235普通钢管,钢管的钢材质量应符合现行国家标准《碳素结构钢》GB/T700中Q235级钢的规定。
落地双排扣件式钢管脚手架施工方案(1)一、前言在建筑施工中,脚手架是承载工人和材料、为施工提供支撑的重要设施。
而落地双排扣件式钢管脚手架,作为一种常用的搭建方式,具有稳固、安全的特点,被广泛应用于建筑工地。
本文将详细介绍落地双排扣件式钢管脚手架的施工方案。
二、脚手架材料准备1.脚手架主要采用直径48mm的钢管和相应规格的扣件,确保牢固连接。
2.钢管应检查是否有裂纹、变形等缺陷,保证材料质量。
3.扣件应按照规定的数量准备,确保施工过程中不会出现不足的情况。
三、脚手架搭建步骤1.确定基础:根据实际情况选择合适的基础方式,确保脚手架的承重稳定。
2.安装底座:将底座与基础固定连接,保证脚手架的整体平稳。
3.竖杆架设:将竖杆按照设计要求垂直设置,间距一致,高度一致。
4.水平横杆设置:将水平横杆连接在竖杆上,保证脚手架整体水平稳固。
5.斜杆和斜撑设置:根据需要设置斜杆和斜撑,增加脚手架整体的稳定性。
6.加固设置:根据实际情况,可以适当加固连接处,确保整体的牢固性。
四、施工注意事项1.施工前应对施工现场进行认真检查,确保没有安全隐患。
2.施工过程中要注意工人的安全,穿戴好安全装备,操作时注意防滑和防坠落。
3.脚手架搭建完毕后,进行稳固性检查,确认脚手架没有晃动和变形现象。
4.施工结束后,及时拆除脚手架,保持施工现场的清洁整洁。
五、结语落地双排扣件式钢管脚手架是一种安全稳固的搭建方式,在建筑施工中得到广泛应用。
在施工过程中,严格按照规范要求进行搭建,确保施工安全顺利进行。
希望本文的内容能够对脚手架施工有所帮助。
满堂架操作平台搭设方案脚手架施工平台搭设主要用于各部分钢结构的安装拼装施工。
扣件式钢管脚手架的主要构件有立杆、大横杆、斜杆、直角扣件、旋转扣件、对接扣件、脚手板等。
(1)脚手架搭设步骤钢管脚手架搭设顺序一般为:垫板——摆放扫地杆——立杆搭设,扫地杆搭设——装扫地小横杆并与立杆或扫地杆扣紧——第一步大横杆搭设——第一步小横杆搭设——第二步大横杆搭设——第二步小横杆搭设一加设斜撑杆——第三、四步大横杆和小横杆搭设——搭设剪刀撑——铺脚手板。
(2)立杆搭设立杆横距上为1.2m,纵距为1.5m,底部立杆必须采用不同长度的钢管,立杆的联接必须交错布置,相邻立杆的联接不应在同一高度,其错开的垂直距离不得小于500mm ,并不得在同一步架内。
立杆接头除顶层可以采用搭接联接外,其余接头必须采用对接扣件联接。
搭接联接的长度不应小于1m ,不少于2个旋转扣件固定,固定间距不应少于8OOmm,对接接头中心距纵向水平杆轴心的距离应小于步距的1/3,扣件中心距杆端距离不应小于150mm。
施工第一节立杆时,每六跨应暂设一根抛撑与地面的夹角宜450 至600,直至固定件搭设好后,方可视情况拆除。
立杆的垂直偏差,因架高不超过30m,其垂直偏差应小于架高的1/200。
(3)大横杆的搭设大横杆的步距为1.5m。
大横杆应水平设置,钢管长度不应小于3跨(4.5m)。
大横杆接头采用对接扣件联接,内外两根相邻纵向水平横杆的接头不应在同步同跨内,上、下两个相邻接头应错开一跨,其错开的水平距离不应小于500mm,各接头中心距立杆轴心线距离应小于跨距的1/3(500mm)。
大横杆采用搭接连接时,其搭接长度不应小于1m,不少于2个旋转扣件固定,其固定间距不应少于400mm,相邻扣件中心至杆端的距离不应小于150mm。
大横杆与立杆相交处必须用直角扣件与立杆固定。
同一排大横杆的水平偏差不得大于该片脚手架总长度的1/300,且不大于50mm。
相邻步架的大横杆应错开布置在立杆的里侧和外侧,以减少立杆偏心受载情况。
浅谈工民建扣件式钢管满堂脚手架施工技术[摘要] 满堂脚手架是应用于单层厂房、体育馆、展览大厅等高层、开间较大的建筑顶部的装饰施工工艺之一,是较快捷且安全的施工方法,本文对扣件式钢管满堂脚手架施工技术进行了阐述与分析。
[关键词] 工民建满堂脚手架施工中图分类号:tu731.2 文献标识码:a 文章编号:1、脚手架构造搭设要求1.1地基处理(双排落地式脚手架)拟建项目中,脚手架地基(基坑内)用素土严格分层回填夯实平整至-8m,密实度不低于94%,自内向外设置4%的坡度,便于排水;按脚手架的立杆间距、排距要求进行放线、定位;脚手架外侧300mm 向外四周做排水沟,宽300mm,最高点距沟顶深度100mm,自中向两边流向,坡度为0.5% 。
1.2脚手架搭设顺序(双排落地式脚手架及悬挑架)双排落地式脚手架搭设顺序:铺设5cm厚垫木→放置横向扫地杆→立柱→纵向扫地杆→第一步大横杆→第一步小横杆→连墙件→第二步大横杆→第二步小横杆...→加剪刀撑→铺脚手板→挂安全网;悬挑架搭设顺序:预埋吊环→按设计要求安放工字钢→放置横向扫地杆→立柱→纵向扫地杆→第一步大横杆→第一步小横杆→连墙件→第二步大横杆→第二步小横杆...→斜拉钢丝绳→加剪刀撑→铺脚手板→挂安全网双排落地式脚手架内立杆距建筑墙面400mm,悬挑架内立杆距建筑墙面250mm;双排落地式脚手架搭设立杆时,沿脚手架纵向设置50mm×200mm垫板,垫板必须铺放平稳、不得悬空。
在垫板上放150mm ×150mm×8mm钢板底座(钢板中心焊100mm长φ20钢筋短棍,悬挑架则直接在工字钢中部焊100mm长φ20钢筋短棍),脚手架立杆放在底座上。
并使同一垫板上立杆数量不少于2根。
雨蓬、悬挑板、悬挑梁处立杆沿纵向通长设置、不拐弯,并能将雨蓬、悬挑板、悬挑梁包含在脚手架以内。
待雨蓬、悬挑板施工完毕混凝土达到强度后,在其上表面弹出脚手架各尺寸线以后,采用同心支顶的方法将脚手架立杆沿高度方向继续搭设;立杆接头均采用对接扣件对接,其接头应交错布置,两个相邻立杆接头不应设在同步同跨内。
车间一、二、三,门卫,围墙,消防水池及室外附属工程移动式操作平台搭设方案编制人:________________审核人:________________审批人:________________中浩建设股份有限公司二零一五年一月目录一..工程概况 (1)二.需求说明1三.编制依据1四.材料质量1五.操作平台搭、拆、施工阶段危险源识别、评价与控制 (2)六.移动式操作平台搭设示意图 (3)七.移动式操作平台搭、拆一般规定 (4)八.移动式操作平台的构造、搭设及使用要求 (4)九.施工准备 (6)十..移动式操作平台计算书 (7)一.移动式操作平台搭设验收 (15)十二.移动式操作平台的拆除 (15)十三.应急预案 (15)一.工程概况车间一、二、三,门卫,围墙,消防水池及室外附属工程位于上海市奉贤区柘林镇,位于科工路北侧,东临目华路。
本工程共由3个车间、门卫、围墙、消防水池及室外相关安装部分组成,总建筑面积为22767.28平米,总工期273天。
项目确定的目标为上海市奉贤区文明工地,争创奉贤区优质结构工程。
二.需求说明本工程在龙骨及钢格板铺设时搭设移动式操作平台进行施工。
在移动式操作平台搭、拆及轻钢龙骨等施工登高作业过程中,贯彻执行安全生产方针、国家技术经济政策,做到技术先进、经济合理、安全适用、确保质量,按照《建筑施工高处作业安全技术规范》规范要求,特制订本技术方案。
三.编制依据3.1 《建筑施工扣件式钢管脚手架安全技术规范》JGJ130-20113.2 《建筑施工安全检查评分标准》JGJ59-20113.3 《特殊作业人员安全技术考核管理规则》GB5306-853.4 《钢管脚手架扣件》GB15831-20063.5 《建筑结构荷载规范》GB5007-20123.6 《建筑施工高处作业安全技术规范》JGJ80-20113.7 《高处作业分级》GB3608-20083.8 施工现场安全生产保证体系与建筑施工安全技术标准选编。
满堂扣件式钢管落地脚手架操作平台一、编制依据1、《建筑施工扣件式钢管脚手架安全技术规范》(JGJ130-2001J84-2001)2、《建筑结构荷载规范》(GB50009-2001)3、《钢管脚手架扣件》(GB15831)4、《建筑施工安全检查标准》(JGJ59-99)5、《施工现场临时用电安全技术规范》(JGJ46-2005)6、《高处作业安全技术规范》(JGJ80-91)二、工程概况工程名称:xxxx产业聚集区F#房工程工程地点:x建设单位:xxxx物业发展有限公司设计单位:xxxxx建筑设计院监理单位:xxxx建设监理咨询有限公司施工单位:xxxx建筑实业有限公司本工程F#号满堂脚手架操作平台搭设面积900平方米。
满堂扣件式钢管落地脚手架操作平台搭设高度10.80米。
三、满堂扣件式钢管落地脚手架操作平台设计(一)落地脚手架操作平台设计1、满堂落地脚手架操作平台采用扣件式钢管落地脚手架搭设,满堂落地脚手架操作平台采用单管脚手架操作平台搭设,采用钢管(Ф48×3.5㎜)扣件连接,排架连接组合,脚手架操作平台步距1.2米,立杆纵向间距1米,横向间距1米。
2、脚手架操作平台立杆底部设置统长垫板(厚50×宽200㎜)长不少于2跨木垫板或[16#槽钢。
立杆距垫板200㎜处设置纵向扫地杆,采用直角扣件与立杆扣牢,横向扫地杆亦采用直角扣件紧贴纵向扫地杆下部与内外立杆扣牢。
3、脚手架操作平台纵向水平杆间距1.2米,纵向水平杆采用直角扣件与立杆扣牢,横向水平杆亦采用直角扣件与内外立杆扣牢。
4、脚手架操作平台水平剪力撑(加强层)设置第一步纵横向水平杆平面上及第四步纵横向水平杆平面上,水平剪力撑与纵向水平夹角不小于45度,不大于60度,水平剪力撑搭设不小于4跨,不小于6米,水平剪力撑前后,左右连续搭设,水平剪力撑斜杆一端与纵向水平杆连接,另一端与各主节点水平杆、立杆连接。
5、满堂脚手架操作平台外立面必须设置纵横向剪力撑,纵横向剪力撑搭设不小于4跨,不小于6米,纵横向剪力撑水平向连续设置,竖向连接到顶。
剪力撑一端抵紧木垫板,另一端与立杆,水平杆端,主节点连接到顶,纵横向剪力撑每三排设置一组。
6、满堂脚手架操作平台搁栅采用钢管(Ф48×3.5㎜)扣件连接,搁栅间距0.30米,搁栅上满铺竹笆板,竹笆板四角采用18号镀锌铅丝双股与搁栅绑扎牢固。
7、满堂脚手架操作平台上部四边及斜道口(沿口、临边)设置1.2米高防护栏杆,上下二道水平杆,上杆高度1.2米,中杆居中,下部设置高不少于180㎜踢脚板、防护栏杆内侧采用竹笆板封闭。
四、满堂脚手架操作平台施工(一)施工准备l、材料准备满堂脚手架操作平台钢管应采用现行国家标准《直缝电焊钢管》(GB/T13793)或《低压流体输送用焊接钢管》(GB/T3092)中规定的3号普通钢管,其质量应符合现行国家标准《碳素结构钢》(GB/T700)中Q235-A级钢的规定。
钢管直径Φ48,壁厚3.5mm,扣件采用锻铸制作的扣件,其材质应符合现行国家标准《钢管脚手架扣件》(GB15831)的规定。
竹脚手板宜采用由毛竹或楠竹制作的竹串片段、竹笆板及绿色2000目密目网等材料(连墙杆的材质同钢管要求标准)。
2、单位工程各级负责人应按施工组织设计中有关脚手架操作平台安全技术措施的要求,逐级向搭设和使用人员进行技术交底。
3、要求对钢管、扣件、脚手板等进行检查,不合格的构配件不得使用,经检查合格的构配件应按品种、规格分类,堆放整齐、平稳,堆放场地不得有积水。
、4、应清除地面杂物,平整搭设场地,地基及四周夯实。
5、当脚手架操作平台基础下有设备基础管沟时,在脚手架操作平台使用过程中不应开挖,否则必须采取加固措施。
(二)搭设1、底座安放2、按脚手架操作平台的立杆纵距、横距要求进行放线定位。
3、铺设垫板,应注意以下事项(1)垫板、应准确地放在定位线上;(2)垫板必须铺放平稳,不得悬空。
4、杆件搭设脚手架操作平台搭设顺序如下:放置纵向扫地杆→立杆→横向扫地杆→第一步纵向水平杆→第一步横向水平杆→连墙杆(或斜抛撑)→第二步纵向水平杆→第二步横向水平杆→剪力撑→搁栅→竹笆板→防护栏杆…5、搭设立杆的安全技术措施:(1)外径Φ48mm或Φ51mm的钢管严禁混合使用。
满堂脚手架操作平台步距1.2米,立杆间距,纵向间距1米,横向间距1米,立杆距垫板200处设置纵向扫地杆,采用直角扣件与立杆内外扣牢。
横向扫地杆也采用直角扣件,紧贴纵向扫地杆的下方与内外立杆扣牢。
(2)立杆接长宜用对接扣件连接,立杆的对接扣件应交错布置,两根相邻立杆的接头不应设置在同步内,同步内隔一根立杆的两个相隔接头在高度方向错开的距离不宜小于500mm,各接头中心至主节点的距离不宜大于步距的1/3。
6、搭设纵、横向水平杆的安全技术措施(1)搭设纵、横向水平杆时,其构造应符合规范规定要求,纵横向水平杆宜设置在立杆的内侧,其长度不小于3跨,纵横向水平杆接长宜采用对接扣件连接,纵横向水平杆的对接扣件应交错布置,两根相邻纵横向水平杆的接头不准设置在同步或同跨内,不同步、不同跨两根相邻接头在水平方向错开的距离不应小于500mm,各接头中心至最近主节点的距离不宜大于纵距的l/3。
(2)纵向水平杆1.2米。
纵向水平杆采用直角扣件与立杆扣牢,横向水平杆也采用直角扣件,紧贴纵向水平杆下方与内外立杆扣牢,主节点处横向水平杆严禁拆除。
(3)同一步纵向水平杆必须四周交圈,用直角扣件与内、外立杆固定。
横向水平杆靠墙一端至墙装饰面的距离不应大于100mm。
7、搭设水平剪力撑(加强层)附墙杆拉结、竖向剪力撑,抛撑安全技术措施(1)满堂脚手架操作平台设置水平剪力撑(加强层)在第一步纵横向水平杆平面上,第四步纵横向水平杆平面上,水平剪力撑与纵向水平杆夹角不小于45度、不大于60度,水平剪力撑搭设不小于4跨,不小于6米,水平剪力撑前后、左右连续设置到边。
水平剪力撑斜杆一端与立杆连接,另一端与主节点,水平杆连接到边。
剪力撑接长采用旋转扣件连接二旋转扣件距离不应小于1米,杆端伸出扣件盖板边缘距离不应小于100㎜,各连接扣件中心点至主节点距离不应大于150㎜。
(2)附墙杆拉结:首步附墙杆连接设置在第一步横向水平杆下部不大于300㎜立杆处,附墙杆一端采用直角扣件与立杆扣牢,另一端与结构墙面预埋件电焊(满焊)固定,附墙杆间距:竖向间距2.40米,水平间距3米。
(3)纵横向(竖向)剪力撑:剪力撑搭设不小于4跨,不小于6米,剪力撑纵向连续设置,竖向连接搭设到顶,剪力撑采用斜杆组合或剪力撑,剪力撑斜杆与地面夹角不小于45度,不大于60度,纵横向剪力撑除脚手架操作平台四面搭设外,纵横向剪力撑每三排搭设一组。
剪力撑一端抵紧木垫板,另一端与立杆,横向水平杆杆端连接,各连接扣件中心点至主节点的距离不应大于150㎜,剪力撑接长采用搭接方式,采用旋转扣件连接,二只旋转扣件距离不应小于1米,杆端伸出扣件盖板边缘距离不应小于100㎜。
(4)当脚手架操作平台搭设第一步时,每6跨设置一根抛撑,直至附墙杆安装稳定后,方可根据情况拆除,当搭至有附墙拉结的构造时,在搭设完该处的立杆、纵向水平杆、横向水平杆后,立即设置附墙杆连接。
8、扣件安装的安全技术措施(1)扣件规格必须与钢管外径(Ф48)相同(2)扣件螺栓拧紧扭力矩不应小于45N·m,且不应大于65N·m。
(3)在主节点处固定横向水平杆、纵向水平杆、剪力撑、横向支撑等直角扣件旋转扣件的中心点的相互距离不应大于150㎜。
(4)对接扣件的开口应朝上或朝内。
(5)各杆杆端伸出扣件盖板边缘的长度不应小于100㎜。
9、铺设搁栅、竹笆板、防护栏杆、斜道安全技术措施(1)满堂脚手架操作平台搁栅采用钢管(Ф48×3.5㎜)扣件连接,搁栅间距0.30米,搁栅采用直角扣件与横向水平杆扣牢,搁栅接长采用对接扣件连接,对接扣件应交错布置,搁栅长度不少于3跨。
(2)满堂脚手架操作平台板采用竹笆板铺设,竹笆板应对接铺设,竹笆板四角采用18号铅丝双股与搁栅绑扎牢固,横平竖直。
(3)满堂脚手架操作平台四周及斜道(沿口、临边)设置防护栏杆,防护栏杆高度1.2米,上下二道水平杆,上杆不小于1.2米高,下杆居中,下部设不少于180㎜高踢脚板。
防护栏杆内侧竖向满铺竹笆板围拦封闭。
(4)斜道宜附着脚手架操作平台或建筑物设置,人行斜道宽度不小于1米,坡度采用1:3,拐弯处应设置平台,其宽度不应小于斜道宽度,斜道两侧及平台外围均应设置栏杆及档脚板,栏杆高1.2米,踢脚板高度不小于180㎜,斜道竹笆板铺设、竹笆板横铺时,接头宜采用搭接,下面板头应压在上面的板头,板头的凸棱外宜采用三角木处填顺,人行斜道竹笆板上每250—300㎜设置一根防滑条,木条厚度宜为20—30㎜。
五、满堂脚手架操作平台检查和验收安全要求(一)构配件检查和验收1、新钢管检查应有产品质量合格证,质量检验测报告,产品产许可证,钢管材质检验方法应符合现行国家标准《金属拉伸试验方法》(GB/T228)的有关规定。
2、钢管表面应平直光滑,不应有裂缝、结疤、分层、错位、硬弯、毛刺、压痕和深的划道。
钢管外径、壁厚、端面等偏差,应符合现行国家标准,钢管必须涂有防锈柒。
3、旧钢管的检查:表面锈蚀深度≦0.5㎜,锈蚀检查每年一次,检查时应在锈蚀严重的钢管中抽取三根,在每根锈蚀严重部位横向截断取样检查,当锈蚀深度超过规定值时不得使用。
4、钢管弯曲变形应符合规范规定,钢管端部弯曲长度≦1.5米,弯曲深度≦5㎜。
5、扣件验收:新扣件应有产品生产许可证,法定检测单位的测试报告和产品质量证,当对扣件质量有怀疑时,应按现行国家标准《钢管脚手架扣件》(GB15831)的规定抽样检测,旧扣件使用前后进行质量检查,有裂缝,变形的严禁使用,出现滑丝的螺栓必须更换,新旧扣件均应进行防锈处理。
(二)竹笆板(脚手架)检查竹笆脚手板宜采用毛竹或楠竹制作的竹串片板,竹笆板。
(三)满堂脚手架操作平台检查验收1、脚手架操作平台架及其地基基坑应在下列阶段进行检查验收(1)基础完工后及平台架搭设前(2)作业层上施加荷载前。