市政工程施工允许偏差
- 格式:doc
- 大小:123.50 KB
- 文档页数:5
市政道路宽度允许偏差值摘要:一、引言二、市政道路宽度允许偏差值的规定1.相关规定2.允许偏差值的具体数值三、偏差值的影响因素1.道路设计要求2.施工技术水平3.地理环境四、如何控制市政道路宽度偏差值1.完善设计方案2.提高施工技术水平3.加强施工现场管理4.建立健全质量检测体系五、结论正文:一、引言市政道路是城市交通的重要组成部分,其宽度直接影响到城市交通的顺畅和市民的出行便利。
在我国,市政道路宽度允许偏差值有着明确的规定,下面我们将详细介绍这些规定以及如何控制偏差值。
二、市政道路宽度允许偏差值的规定1.相关规定根据《城市道路工程设计规范》GB 50352-2019,市政道路的宽度允许偏差值应符合以下规定:(1)城市快速路、主干道:宽度允许偏差值为±50mm。
(2)城市次干道、支干道:宽度允许偏差值为±40mm。
(3)城市支路:宽度允许偏差值为±30mm。
2.允许偏差值的具体数值在实际工程中,市政道路宽度的允许偏差值还需根据道路的设计要求、施工技术水平等因素进行调整。
一般来说,设计单位会在设计图纸中明确标注道路宽度的允许偏差值。
施工单位在施工过程中,应严格按照设计要求进行施工,确保道路宽度符合规定。
三、偏差值的影响因素1.道路设计要求:设计单位在设计道路时,会根据道路的功能、交通量等因素确定道路宽度,并在设计图纸中标注允许偏差值。
2.施工技术水平:施工单位的施工技术水平直接影响到道路宽度的偏差值。
提高施工技术水平,可以有效降低偏差值。
3.地理环境:地理环境对道路宽度偏差值也有一定影响。
例如,在地质条件较差的地方,为了保证道路的稳定性和安全性,可能需要适当放宽宽度偏差值。
四、如何控制市政道路宽度偏差值1.完善设计方案:设计单位应充分考虑道路的功能、交通量、地理环境等因素,制定合理的设计方案,明确道路宽度的允许偏差值。
2.提高施工技术水平:施工单位应不断学习新技术、新工艺,提高施工技术水平,确保道路宽度符合设计要求。
一、《城乡道路工程施工与质量验收规范》(CJJ1-2023)3.0.7施工中必须建立安全技术交底制度,并对作业人员进行相关的安全技术教育培训。
作业前主管施工技术人员必须向作业人员进行详尽的安全技术交底,并形成文献。
3.0.9施工中,前一分项工程未经验收合格严禁进行后一分项工程施工。
6.3.3人机配合土方作业,必须设专人指挥。
机械作业时,配合作业人员严禁处在机械作业和走行范围内。
配合人员在机械走行范围内作业时,机械必须停止作业。
6.3.10挖方施工应符合下列规定:1 挖土时应自上向下分层开挖,严禁掏洞开挖。
作业中断或作业后,开挖面应做成稳定边坡。
2 机械开挖作业时,必须避开构筑物、管线,在距管道边1m范围内应采用人工开挖;在距直埋缆线2m范围内必须采用人工开挖。
3 严禁挖掘机等机械在电力架空线路下作业。
需在其一侧作业时,垂直及水平安全距离应符合表6.3.10的规定。
表6.3.10 挖掘机、起重机(含吊物、载物)等机械与电力架空线路的最小安全距离8.1.2沥青混合料面层不得在雨、雪天气及环境最高温度低于5℃时施工。
8.2.20热拌沥青混合料路面应待摊铺层自然降温至表面温度低于50℃后,方可开放交通。
10.7.6在面层混凝土弯拉强度达成设计强度,且填缝完毕前,不得开放交通。
11.1.9铺砌面层完毕后,必须封闭交通,并应湿润养护,当水泥砂浆达成设计强度后,方可开放交通。
17.3.8当面层混凝土弯拉强度未达成1MPa或抗压强度未达成5MPa时,必须采用防止混凝土受冻的措施,严禁混凝土受冻。
二、《城市桥梁工程施工与质量验收规范》(CJJ2-2023)2.0.5 施工单位应按协议规定的或通过审批的设计文献进行施工。
发生设计变更及工程洽商应按国家现行有关规定程序办理设计变更与工程洽商手续,并形成文献。
严禁按未经批准的设计变更进行施工。
2.0.8 施工中必须建立技术与安全交底制度。
作业前主管施工技术人员必须向作业人员进行安全与技术交底,并形成文献。
沟槽开挖与地基处理工程验收批质量验收记录质验表(水管)—1 建设单位:监理单位:合同号:撑板、钢板桩支撑工程验收批质量验收记录质验表(水管)—2 建设单位:监理单位:合同号:建设工程质量监督站监制刚性管道沟槽回填工程验收批质量验收记录质验表(水管)—3 建设单位:监理单位:合同号:建设工程质量监督站监制柔性管道沟槽回填工程验收批质量验收记录质验表(水管)—4 建设单位:监理单位:合同号:管道基础工程验收批质量验收记录质验表(水管)—5 建设单位:监理单位:合同号:接口连接工程验收批质量验收记录(钢管)质验表(水管)—6 建设单位:监理单位:合同号:建设工程质量监督站监制质验表(水管)—7 建设单位:监理单位:合同号:质验表(水管)—8 建设单位:监理单位:合同号:质验表(水管)—9 建设单位:监理单位:合同号:建设工程质量监督站监制接口连接工程验收批质量验收记录(球墨铸铁管)质验表(水管)—10 建设单位:监理单位:合同号:施工单位:编号:建设工程质量监督站监制接口连接工程验收批质量验收记录(钢筋混凝土管、预(自)应力混凝土管、预应力钢筒混凝土管)质验表(水管)—11 建设单位:监理单位:合同号:施工单位:编号:建设工程质量监督站监制接口连接工程验收批质量验收记录(化学建材管)质验表(水管)—12 建设单位:监理单位:合同号:施工单位:编号:建设工程质量监督站监制管道铺设工程验收批质量验收记录质验表(水管)—13 建设单位:监理单位:合同号:施工单位:编号:建设工程质量监督站监制工作井工程验收批质量验收记录质验表(水管)—14 建设单位:监理单位:合同号:建设工程质量监督站监制顶管管道工程验收批质量验收记录质验表(水管)—15 建设单位:监理单位:合同号:施工单位:编号:建设工程质量监督站监制垂直顶升管道工程验收批质量验收记录质验表(水管)—16 建设单位:监理单位:合同号:施工单位:编号:建设工程质量监督站监制盾构管片制作工程验收批质量验收记录质验表(水管)—17 建设单位:监理单位:合同号:建设工程质量监督站监制盾构掘进和管片拼装工程验收批质量验收记录质验表(水管)—18 建设单位:监理单位:合同号:建设工程质量监督站监制盾构施工管道钢筋混凝土二次衬砌工程验收批质量验收记录质验表(水管)—19 建设单位:监理单位:合同号:浅埋暗挖管道土层开挖工程验收批质量验收记录质验表(水管)—20 建设单位:监理单位:合同号:建设工程质量监督站监制浅埋暗挖管道初期衬砌工程验收批质量验收记录质验表(水管)—21 建设单位:监理单位:合同号:建设工程质量监督站监制浅埋暗挖管道防水层工程验收批质量验收记录质验表(水管)—22 建设单位:监理单位:合同号:浅埋暗挖管道二次衬砌工程验收批质量验收记录质验表(水管)—23 建设单位:监理单位:合同号:定向钻施工管道工程验收批质量验收记录质验表(水管)—24 建设单位:监理单位:合同号:建设工程质量监督站监制夯管施工管道工程验收批质量验收记录质验表(水管)—25 建设单位:监理单位:合同号:建设工程质量监督站监制沉管基槽浚挖及管基处理工程验收批质量验收记录质验表(水管)—26 建设单位:监理单位:合同号:建设工程质量监督站监制组对拼装管道(段)沉放工程验收批质量验收记录质验表(水管)—27 建设单位:监理单位:合同号:建设工程质量监督站监制沉放预制钢筋混凝土管节制作工程验收批质量验收记录质验表(水管)—28 建设单位:监理单位:合同号:建设工程质量监督站监制沉放预制钢筋混凝土管节接口预制加工(水力压接法)验收批质量验收记录质验表(水管)—29 建设单位:监理单位:合同号:建设工程质量监督站监制预制钢筋混凝土管沉放工程验收批质量验收记录质验表(水管)—30 建设单位:监理单位:合同号:沉管稳管及回填工程验收批质量验收记录质验表(水管)—31 建设单位:监理单位:合同号:建设工程质量监督站监制桥管管道验收批质量验收记录质验表(水管)—32 建设单位:监理单位:合同号:建设工程质量监督站监制井室工程验收批质量验收记录质验表(水管)—33 建设单位:监理单位:合同号:雨水口及支、连管工程验收批质量验收记录质验表(水管)—34 建设单位:监理单位:合同号:支墩工程验收批质量验收记录质验表(水管)—35 建设单位:监理单位:合同号:____________验收批质量检验记录质验表(水管)—36 建设单位:监理单位:合同号:分项工程质量检验记录质验表(水管)—37 建设单位:监理单位:合同号:建设工程质量监督站监制分部(子分部)工程检验记录质验表(水管)—38 建设单位:监理单位:合同号:建设工程质量监督站监制单位(子单位)工程质量竣工验收记录质验表(水管)—39 建设单位:监理单位:合同号:建设工程质量监督站监制单位(子单位)工程质量控制资料核查记录质验表(水管)—40 建设单位:监理单位:合同号:单位(子单位)工程安全和使用功能检验资料核查及抽查记录质验表(水管)—41 建设单位:监理单位:合同号:施工单位:编号:注:提升泵站的地面建筑应符合现行国家标准《建筑工程施工质量验收统一标准》GB50300的有关规定。
主要检测项目、检验频率、方法、允许偏差土方路基(路床)质量检验应符合下列规定:主控项目1路基压实度应符合本规范表6.3.9的规定。
检查数量:每1000m2、每压实层抽检1组(3点)。
检验方法:查检验报告(环刀法、灌砂法或灌水法)。
2弯沉值,不得大于设计规定。
检查数量:每车道、每20m测1点。
检验方法:弯沉仪检测。
一般项目3土路基允许偏差应符合表6.8.1的规定。
表6.8.1土路基允许偏差二、石灰稳定土,石灰、粉煤灰稳定砂砾(碎石),石灰、粉煤灰稳定钢渣基层及底基层质量检验应符合下列规定:主控项目4原材料质量检验应符合下列要求:1)土应符合本规范第7.2.1条第1款的规定。
2)石灰应符合本规范第7.2.1条第2款的规定。
3)粉煤灰应符合本规范第7.3.1条第2款的规定。
4)砂砾应符合本规范第7.3.1条第3款的规定。
5)钢渣应符合本规范第7.4.1条第3款的规定。
6)水应符合本规范第7.2.1条第3款的规定。
检查数量:按不同材料进厂批次,每批检查1次。
检验方法:查检验报告、复验。
5基层、底基层的压实度应符合下列要求:1)城市快速路、主干路基层大于等于97%、底基层大于等于95%。
2)其他等级道路基层大于等于95%、底基层大于等于93%。
检查数量:每1000m2,每压实层抽检1组(1点)。
检验方法:查检验报告(灌砂法或灌水法)。
6基层、底基层试件作7d饱水抗压强度,应符合设计要求。
检查数量:每2000m21组(6块)。
检验方法:现场取样试验。
一般项目7表面应平整、坚实、无粗细骨料集中现象,无明显轮迹、推移、裂缝,接茬平顺,无贴皮、散料。
8基层及底基层允许偏差应符合表7.8.1的规定。
表7.8.1石灰稳定土类基层及底基层允许偏差三、级配碎石及级配碎砾石基层和底基层施工质量检验应符合下列规定:主控项目1碎石与嵌缝料质量及级配应符合本规范第7.7.1条的有关规定。
检查数量:按不同材料进场批次,每批次抽检不得少于1次。
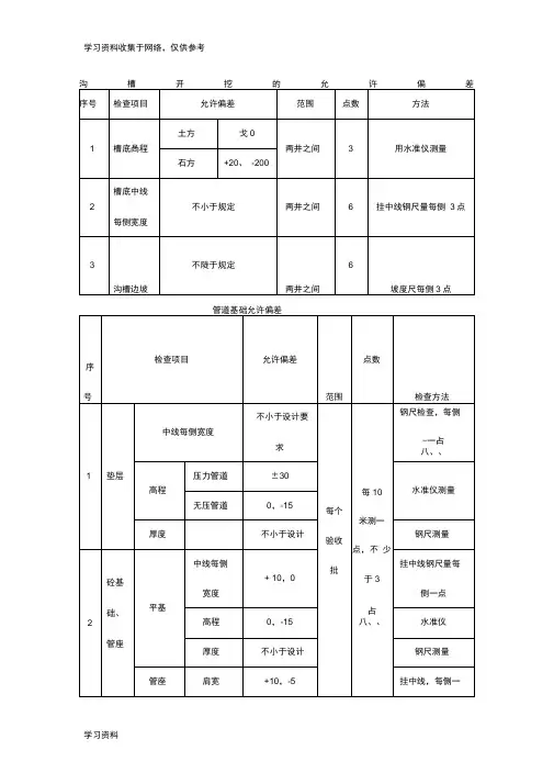
市政工程施工质量标准一、排水管道质量标准(一)沟槽开挖质量标准1.外观质量标准槽底土质严禁扰动槽底壤,如发生超挖,严禁用土回填。
槽底不得受水浸泡或受冻。
2.实测项目(1)槽底高程允许偏差0-30㎜,检验要求两井之间检验3点。
(2)槽底中线每侧宽不少于规定,检验要求两井之间检验6点。
(3)沟槽边坡不少于规定,检验要求两井之间检验6点。
(二)管道平基、管座质量标准1.混凝土抗压强度允许偏差符合设计规定,检验要求100米一组。
2.垫层中线每侧宽度不小于设计规定,检验要求10米2点。
高程允许偏差0,-15㎜,检验要求10米1点。
3.平基中线每侧宽度允许偏差+10,0㎜,检验要求10米2点,高程允许偏差0,-15㎜,检验要求10米1点。
厚度不小于设计规定,检验要求10米1点。
4.管座肩宽允许偏差+10,-5㎜,检验要求10米2点,肩高允许偏差±20㎜,检验要求10米2点。
5.蜂窝麻面面积1%,检验要求两井之间每侧面1点。
(三)管道安装质量标准1.外观质量标准:管道必须垫稳,管底坡度不得倒流水,缝宽应均匀,管道内不得有泥土砖石、砂浆、木块等杂物。
2.实测项目(1)中线位移允许偏差15㎜,检验要求两井之间2点。
(2)管内底高程d≤1000㎜允许偏差±10㎜,检验要求两井之间2点。
d>1000㎜允许偏差±15㎜,检验要求两井之间2点。
倒虹吸管允许偏差±30㎜,检验要求每道直管4点。
(3)相邻管内底错口d<1000㎜允许偏差3㎜,检验要求两井之间3点。
d≥1000㎜允许偏差5㎜,检验要求两井之间3点。
(四)管道接口质量标准1.外观质量标准:承插口或企口应平直,环形间隙应均匀,灰口应整齐、密实、饱满,不得有裂缝空鼓等现象。
抹带口应表面平整密实,不得有间断和裂缝、空鼓等现象。
2.实测项目(1)宽度允许偏差+5,0㎜,检验要求两井之间。
(2)厚度允许偏差+5,0㎜,检验要求两井之间。
市政道路宽度允许偏差值摘要:1.市政道路宽度允许偏差值的定义和意义2.市政道路宽度允许偏差值的标准和规定3.市政道路宽度允许偏差值的测量方法和验收标准4.市政道路宽度允许偏差值的实际应用案例5.市政道路宽度允许偏差值的作用和意义正文:一、市政道路宽度允许偏差值的定义和意义市政道路宽度允许偏差值是指在市政道路工程施工过程中,道路宽度与设计宽度之间允许存在的误差范围。
这个偏差值的设定是为了保证道路施工质量和满足安全通行的要求。
在实际施工中,由于各种原因,道路宽度可能会与设计宽度存在一定的偏差,这时就需要通过允许偏差值来保证道路的施工质量和通行安全。
二、市政道路宽度允许偏差值的标准和规定在我国,市政道路宽度允许偏差值的标准和规定主要依据《城市道路工程施工与质量验收规范》(GB 50268-2018)来进行。
这个规范对于不同等级的城市道路,分别规定了不同的宽度允许偏差值。
例如,对于一级城市道路,其宽度允许偏差值为±20mm;对于二级城市道路,其宽度允许偏差值为±30mm;对于三级城市道路,其宽度允许偏差值为±50mm。
三、市政道路宽度允许偏差值的测量方法和验收标准在市政道路工程中,宽度允许偏差值的测量方法主要包括以下几个步骤:1.确定测量基准点:在道路的两侧选取一定的基准点,用于测量道路宽度。
2.使用测量工具:使用卷尺或者激光测距仪等测量工具,从基准点开始,测量道路宽度。
3.计算偏差值:将测量得到的道路宽度与设计宽度进行比较,计算出宽度允许偏差值。
4.判断是否合格:将计算出的偏差值与规定的允许偏差值进行对比,判断道路宽度是否合格。
四、市政道路宽度允许偏差值的实际应用案例在某市的一条新建市政道路工程中,设计师设计了道路宽度为40 米。
在实际施工过程中,由于施工人员的技术水平和施工条件的限制,道路宽度可能会与设计宽度存在一定的偏差。
假设在施工完成后,使用卷尺和激光测距仪等工具测量得到的道路宽度为39.8 米,那么宽度允许偏差值为±20mm,即在39.8±20mm 的范围内都视为合格。
主要检测项目、检验频率、方法、允许偏差一、土方路基(路床)质量检验应符合下列规定:主控项目1路基压实度应符合本规范表6.3.9的规定。
检查数量:每1000m2 、每压实层抽检1组(3点)。
检验方法:查检验报告(环刀法、灌砂法或灌水法)。
2弯沉值,不得大于设计规定。
检查数量:每车道、每20m测1点。
检验方法:弯沉仪检测。
一般项目3土路基允许偏差应符合表6.8.1的规定。
二、石灰稳定土,石灰、粉煤灰稳定砂砾(碎石),石灰、粉煤灰稳定钢渣基层及底基层质量检验应符合下列规定:主控项目1原材料质量检验应符合下列要求:1)土应符合本规范第7.2.1条第1款的规定。
2)石灰应符合本规范第7.2.1条第2款的规定。
3)粉煤灰应符合本规范第7.3.1条第2款的规定。
4)砂砾应符合本规范第7.3.1条第3款的规定。
5)钢渣应符合本规范第7.4.1条第3款的规定。
6)水应符合本规范第7.2.1条第3款的规定。
检查数量:按不同材料进厂批次,每批检查1次。
检验方法:查检验报告、复验。
2基层、底基层的压实度应符合下列要求:1)城市快速路、主干路基层大于等于97%、底基层大于等于95%。
2)其他等级道路基层大于等于95%、底基层大于等于93%。
检查数量:每1000m2,每压实层抽检1组(1点)。
检验方法:查检验报告(灌砂法或灌水法)。
3基层、底基层试件作7d饱水抗压强度,应符合设计要求。
检查数量:每2000m21组(6块)。
检验方法:现场取样试验。
一般项目4表面应平整、坚实、无粗细骨料集中现象,无明显轮迹、推移、裂缝,接茬平顺,无贴皮、散料。
5基层及底基层允许偏差应符合表7.8.1的规定。
表7.8.1石灰稳定土类基层及底基层允许偏差三、级配碎石及级配碎砾石基层和底基层施工质量检验应符合下列规定:主控项目1碎石与嵌缝料质量及级配应符合本规范第7.7.1条的有关规定。
检查数量:按不同材料进场批次,每批次抽检不得少于1次。
检验方法:查检验报告。
市政道路混凝土路面厚度允许偏差下载提示:该文档是本店铺精心编制而成的,希望大家下载后,能够帮助大家解决实际问题。
文档下载后可定制修改,请根据实际需要进行调整和使用,谢谢!本店铺为大家提供各种类型的实用资料,如教育随笔、日记赏析、句子摘抄、古诗大全、经典美文、话题作文、工作总结、词语解析、文案摘录、其他资料等等,想了解不同资料格式和写法,敬请关注!Download tips: This document is carefully compiled by this editor. I hope that after you download it, it can help you solve practical problems. The document can be customized and modified after downloading, please adjust and use it according to actual needs, thank you! In addition, this shop provides you with various types of practical materials, such as educational essays, diary appreciation, sentence excerpts, ancient poems, classic articles, topic composition, work summary, word parsing, copy excerpts, other materials and so on, want to know different data formats and writing methods, please pay attention!市政道路混凝土路面厚度允许偏差规定市政道路的混凝土路面施工质量直接关系到道路的使用寿命和安全性,其中路面厚度的允许偏差是确保施工质量的重要标准之一。
一般市政道路包含机动车道、非机动车道、人行便道,其结构、造价、分部分项作用及验收标准如下:一、机动车道结构:4cm AC—13F型橡胶改性沥青砼(165.3元/平米,含6cm普通沥青砼)粘层油6cm AC—20C型普通沥青砼单层表处橡胶改性沥青下封层透层油18cm厚水泥稳定碎石(49。
8元/平米)15cm厚石灰粉煤灰综合稳定土15cm厚石灰粉煤灰综合稳定土15cm厚石灰粉煤灰综合稳定土(28。
5元/平米含买土)路床处理60cm(85.9元/平米含买土)1、路床处理深度取决于现况土质情况,路床的主要作用是排水和散布载重力,60cm路床处理需分三层压实,每层20cm,压实后不能出现弹簧、翻浆现象,每层压实强度不小于96%,弯沉值279(1/100mm)2、石灰粉煤灰综合稳定土简称二灰土,二灰土在底基层中起到稳定路基与基层的连接作用,具有很好的强度,压实后不能出现粘土夹层、起皮、松散、裂缝、弹簧、翻浆现象,其7天抗压强度不小于0.6MPa。
压实度:不小于95%平整度:不大于12mm 100m一处每处三米直尺连续测量10尺纵断高程:5,—15每20m一个断面宽度:不小于设计值每40m一处厚度:代表值-10 极值—25 100m一处每处3点路中路边挖坑检查横坡:±0。
3 每100m3个断面3、水泥稳定碎石主要承受车辆荷载的竖向力,并把面层传下来的力扩散,水泥稳定碎石表面平整密实、无坑洼,施工接茬平整、稳定。
其7天抗压强度为3。
0—4。
0MPa。
压实度:最佳密实度的98%平整度:3m直尺检查不超过10mm每40m一处纵断高程:5,—10每20m一个断面宽度:不小于设计值每20m一处厚度:0,-10横坡:±0。
34、透层油会渗入基层一定的深度,其作用可以使沥青面层与非沥青材料基层结合良好5、单层表处橡胶改性沥青下封层的作用一是防水、密水作用,保护基层不受水侵害;二是起到上下粘结作用,使基层与面层良好粘结;三是及时封闭基层,达到有效防止基层由于暴露时间过长而引起收缩应变;四是对已经施工完的基层进行预防性养护,可作为沥青面层施工的临时通车道.6、粘层油的作用是使上下层沥青结构层完全粘结成一个整体。
城镇道路工程施工与质量验收规范水泥路路厚度允许
偏差值
城镇道路工程施工与质量验收规范CJJ1-2008的水泥混凝土面
层里纵断高程:±15mm
农村道路20公分厚村道路硬化允许误差是±10% 。
根据水泥混凝土路面施工及验收规范 GBJ97中规定:路面混凝土板的厚度允许误差为设计厚度的±10% 。
用水泥、石灰或沥青稳定土或粒料、工业废渣、沥青混合料或贫混凝土作混凝土路面的基层,厚约15~20厘米,宽度较混凝土板每侧宽出25~35厘米以上。
土基上层60厘米深度内的压实度要达到最佳密实度的98%以上。
在冰冻地区,还要在基层之下,另设30~80厘米厚的砂砾或炉渣防冻层。
在基层与混凝土面板之间,可铺设1~2厘米厚的沥青砂或塑料薄膜;如基层表面平整,亦可将混凝土直接灌筑于基层上。
2【1】市政大、中修道路工程质量验收标准1 总则1.0.1为了加强市政基础设施工程质量管理,统一城镇道路工程的质量验收标准,提高城镇道路工程质量,促进城镇道路工程的质量管理工作,制定本规程。
1.0.2本规程适用于辖区内的改扩建、翻建的城镇道路、广场、停车场等工程的质量验收。
大、中修的城镇道路工程施工,工厂厂区、生活小区、社区等内部道路工程施工可参照本规程使用。
1.0.3城镇道路工程中采用的工程设计文件以及承包合同文件对工程质量验收的要求,不得低于本规程的规定。
1.0.4本规程应与《市政基础设施工程施工质量验收统一标准》(DB13(J)53-2005)和《市政基础设施工程施工质量验收通用规程》(DB13(J)54-2005)配套使用。
1.0.5城镇道路工程施工质量的验收除应执行本规程外,尚应符合国家及行业现行有关标准的规定。
2基本规定2.0.1道路工程的材料与施工应按照《市政基础设施工程施工质量验收通用规程》(DB13(J)54-2005)第3.1节、第3.2节的规定执行。
2.0.2道路工程质量验收及其验收程序和道路工程单位、分部、分项工程的划分原则,应按《市政基础设施工程施工质量验收统一标准》(DB13(J)53-2005)的规定执行。
2.0.3在施工组织设计中,应根据工程特点和拟采用的施工工艺等具体情况,划分单位、分部、分项工程,可按照下表的规定执行。
2.0.4检验批质量验收合格应符合下列规定:1 主控项目质量经抽样检验全部合格。
2 一般项目中的实测(允许偏差)项目抽样检验的合格率达到80%及以上。
3 具有完整的施工操作依据、质量检查记录等控制资料。
2.0.5检验批、分项工程、分部工程、质量检验记录和单位工程质量竣工验收记录应按《市政基础设施工程施工质量验收统一标准》(DB13(J)53-2005)执行;单位(子单位)工程质量控制资料核查、单位(子单位)工程安全和功能检验资料核查及主要功能抽查记录、单位(子单位)工程外观质量检查记录应按本规程附录A执行。
市政道路宽度允许偏差值摘要:一、引言二、市政道路宽度允许偏差值的规定1.相关规定2.允许偏差的范围3.特殊情况处理三、偏差值的影响1.对交通的影响2.对道路安全的影响3.对城市发展的影响四、如何控制市政道路宽度偏差值1.设计阶段的控制2.施工阶段的控制3.验收阶段的控制五、结论正文:市政道路宽度允许偏差值是城市道路建设中一个十分重要的参数。
在城市道路建设中,宽度偏差值的控制对于保证道路的安全、畅通以及城市的可持续发展具有至关重要的意义。
本文将对市政道路宽度允许偏差值的相关规定、影响及控制方法进行探讨。
一、引言随着我国城市化进程的加快,市政道路建设日益受到关注。
在城市道路建设中,宽度偏差值是一个不容忽视的问题。
了解和掌握市政道路宽度允许偏差值的规定,对于提高道路建设质量具有重要意义。
二、市政道路宽度允许偏差值的规定1.相关规定根据《城市道路工程设计规范》等相关文件规定,市政道路的宽度允许偏差值应符合一定标准。
这些标准包括:主干道宽度允许偏差值为±50mm,次干道宽度允许偏差值为±40mm,支路宽度允许偏差值为±30mm。
2.允许偏差的范围市政道路宽度允许偏差值的规定,不仅包括道路的总体宽度,还包括道路的各个组成部分,如车行道、人行道、绿化带等。
3.特殊情况处理在特殊情况下,如遇到地形、地物等因素影响,宽度偏差值可以适当调整。
但需经过相关部门审批,并在设计文件中明确说明。
三、偏差值的影响1.对交通的影响宽度偏差值过大,可能导致行车轨迹不稳定,影响车辆行驶的安全性和舒适性。
此外,偏差值过大还可能影响道路的通行能力,尤其在高峰时段,容易造成交通拥堵。
2.对道路安全的影响宽度偏差值超标,可能导致道路两侧行人、非机动车与机动车之间的安全距离不足,增加交通事故的风险。
3.对城市发展的影响宽度偏差值的控制不当,可能导致城市道路网络布局不合理,影响城市交通系统的整体效率。
同时,道路宽度的偏差还可能对城市景观产生负面影响。