钢筋工危险源告知书
- 格式:docx
- 大小:14.14 KB
- 文档页数:2
安全风险告知书编号:钢筋加工制作_的同志:您在我工区即将从事钢筋加工制作工作,为了使您更好的了解该项工作中所存在的安全风险及正确的防范措施,应急处理措施等,特编制本安全风险告知书,请您认真阅知,如您有困难或疑惑,请及时向我们专职安全员或现场施工管理人员提出,他们将会向您耐心讲解。
如您确定已清楚了解所从事工作的安全风险后,请在下方签上您的大名并盖上手印。
安全风险告知一、存在的危险源及防范措施1、钢筋制作:(1)钢筋断料、配料、弯料等工作应在地面进行,不准在高空操作。
(2)搬运钢筋要注意附近有无障碍物、架空电线和其他临时电气设备,防止钢筋在回转时碰撞电线或发生触电事故。
(3)绑扎基础钢筋时按规定摆放支架或马凳架起上部钢筋,不得任意减少,操作前应检查基坑土壁和支撑是否牢固。
(4)绑扎立柱、墙体钢筋,不得站在钢筋前架上操作和攀登骨架上下,柱筋在4m以上时,应搭设工作台,柱、墙梁、骨架应用临时支撑拉牢,以防倾倒。
(5)现场绑扎悬空大梁钢筋时,不得站在模板上操作,必须要在脚手架上操作,绑扎独立柱头钢筋时,不准站在钢筋上绑扎,也不准将木料、管子、钢模板穿在钢箍内作为立人板。
(6)起吊钢筋骨架,下方禁止站人,必须待骨架降到距模板1m以下才准靠近,就位支撑好方可摘钩。
(7)起吊钢筋时,规格必须统一,不准长短参差不一,不准一点吊。
(8)钢筋头子应及时清理,成品堆放要整齐,工作台要稳,钢筋工作棚照明灯必须加网罩。
(9)高空作业时,不得将钢筋集中堆放在模板和脚手架上,也不要把工具、钢箍、短钢筋随意放在脚手板上,以免滑下伤人,在必须操作时,应配带安全带。
(10)在雷雨时必须停止露天操作,预防雷击钢筋伤人。
(11)钢筋骨架不论其固定与否,不得在上行走,禁止从柱子上的钢箍上下。
2、钢筋调直机:(1)作业人员必须戴安全帽、手套、穿胶底鞋。
(2)作业前应检查调直钢筋用的卷扬机安装支座、部件连接螺栓、锚固是否牢靠,转动部位是否加好润滑脂,电箱电线是否完好、无破损、接零保护是否可靠,触电保护器动作是否灵敏,两端夹具应无损坏。
钢筋加工厂危险源告知书定稿危险源告知书钢筋加工厂及拌和站:你将从事的施工作业现场,存在各种危险源,现将危险源及预防措予以告知。
你在作业时务必遵守相关的规章制度和操作规程,并熟记作业要点及其特性,掌握好相应的安全防范技能;进入作业场所后,要进行重新检查,发现异常情况和不安全因素必须及时采取有效措施排除;要正确使用和佩戴劳动保护用品,在做好自我防范的同时,还要认真贯彻联保互保。
同时对以下针对性措施必须经常对照执行: 一、施工现场危险源:(一)、机械伤害事故;(二)、触电事故;(三)、火灾事故;(四)、交通事故。
二、事故预防措施(一)、机械伤害事故预防措施1、一般机械伤害事故的预防。
防范措施有:?检修机械必须严格执行断电挂禁止合闸警示牌和设专人监护的制度。
?人手直接频繁接触的机械,必须有完好紧急制动装置,该制动钮位置必须使操作者在机械作业活动范围内随时可触及到;机械设备各传动部位必须有可靠防护装置;各孔口、投料口、螺旋输送机等部位必须有盖板、护栏和警示牌;作业环境保持整洁卫生。
?各机械开关布局必须合理,必须符合两条标准:一是便于操作者紧急停车;二是避免误开动其他设备。
?对机械进行清理积料、捅卡料、上皮带蜡等作业,应遵守停机断电挂警示牌制度。
?严禁无关人员进入危险因素大的机械作业现场,非本机械作业人员因事必须进入的,要先与当班机械操作者取得联系,有安全措施才可同意进入。
?操作各种机械人员必须经过专业培训,掌握该设备性能的基础知识,经考试合格,持证上岗。
2、起重机作业环境应注意的安全问题。
防范措施有:?工作场所光线昏暗,无法看清场地、被吊物情况和指挥信号不能作业。
?起重机不允许在暗沟、地下管道和防空洞上作业。
?起重机作业时,臂架、吊具、辅具、钢丝绳及重物等与输电线最小距离,不应小于规定距离。
?起重机作业区域附近不应有人做其它工作。
?起重机作业场所的建筑物、障碍物,是否符合起重机的行走、回转、转盘、变幅等的安全距离,应测量后再安排作业程序。
钢筋工安全风险告知书
根据相关法律法规和安全管理要求,为确保钢筋工作安全,保护员工的生命财产安全,特向参与钢筋工作的员工发出以下安全风险告知:
1. 高处作业风险:
- 钢筋工作可能需要在高处进行,如楼梯、脚手架等地方。
- 在高处作业时,存在坠落、滑倒、摔伤等意外风险。
- 员工在进行高处作业时应注意固定好安全防护设备,并确保正确使用。
2. 钢筋施工工具的使用风险:
- 钢筋施工工具如钢筋剪、钢筋钻等可能存在使用不当导致伤害的风险。
- 员工在使用钢筋施工工具时应熟悉操作要领,并佩戴好相关的个人防护装备。
3. 钢筋切割时的火灾和烟雾风险:
- 钢筋切割时可能会引起火花,存在火灾和烟雾风险。
- 员工在钢筋切割时应采取必要的防火措施,确保周围环境不易燃烧。
4. 电击风险:
- 钢筋作业中可能接触到电线、电器等带电设备,存在电击风险。
- 员工应严格遵守操作规程,确保与带电设备的安全距离,避免电击伤害。
5. 钢筋工作场所安全隐患:
- 钢筋工作场所可能存在楼梯狭窄、杂物堆放、地面不平整等安全隐患。
- 员工在工作时应注意场所的环境安全,移除障碍物,并配备必要的个人防护设备。
各位员工在参与钢筋工作前,务必要认真阅读本告知书,并按照相关要求进行操作。
如对相关内容有任何疑问,请及时向上级主管或安全管理人员咨询。
特此告知。
日期:[填写日期]
签字:[填写个人签字]
注意:本告知书不得私自涂改或随意弃置,否则造成的一切后果将由责任人承担。
从业人员安全风险告知书亲爱的__________________先生/女士:感谢您参与我们项目建设,您在我项目即将从事钢筋工工作,为了使您更好的了解该项工作中所存在的安全风险及正确的防范措施,应急处理措施等,特编制本安全风险告知书,请您认真阅知,如您有困难或疑惑,请及时向我们专职安全员或现场施工管理人员提出,他们将会向您耐心讲解。
如您确定已清楚了解所从事工作的安全风险后,请在下方签上您的姓名并盖上手印。
安全风险告知一、存在的危险源施工作业特点和危险源:体力消耗大,容易碰伤、划伤等。
二、安全注意事项1.进入施工现场必须戴好合格的安全帽,系紧下颚带,高处作业必须系好安全带,系挂牢固,高挂低用;2.进入施工现场禁止酒后作业,禁止追逐打闹,禁止串岗,禁止操作与自己无关的机械用电设备,严格遵守各项安全操作规程和劳动纪律。
3.严格执行有关规定和规范标准,服从安全管理,做到自己不违章作业,拒绝违章指挥,和及时制止他人违章作业;4.你在作业时务必遵守相关的规章制度和操作规程,并熟记作业要点及其特性,掌握好相应的安全防范技能;进入作业场所后,要进行重新检查,发现异常情况和不安全因素必须及时采取有效措施排除;要正确使用和佩戴劳动保护用品,在做好自我防范的同时,还要认真贯彻联保互保。
同时对以下针对性措施必须经常对照执行:(1)钢筋搭接长度要标准,绑扎要牢固,搭接、绑扎必须按施工规范进行。
(2)多人合抬运钢筋时,起、落、转、停动作必须一致,人工上下传送不得在同一垂直线上。
加工后成品、半成品必须先冷却后搬运。
(3)钢材成品、半成品应按规格、品种分别堆放整齐,制作地要平整,工作台要稳固,照明灯具必须加网罩。
(4)调直机调直钢材时,手与滚筒应保持一定距离,机器运转中不得调整滚筒,严禁戴手套操作;钢筋调直到末端时,人员必须躲开,以防甩动伤人。
(5)卷扬机冷拉钢筋时,卡头要卡牢,地锚要结实牢固,拉筋沿线2米区域内,严禁站人,操作人员不能站在钢筋的同一直线上。
钢筋场作业风险告知书
1、钢筋加工未按规范操作进行,电源线路不合规定,操作人员没有戴手套、穿绝缘鞋,可能导致人身安全事故危险。
2、钢筋制作未进行安全交底,操作人员没戴安全帽、安全防护眼镜或面罩等防护用品,可能导致物体伤人危险。
3、电焊机操作未按规程进行,电源未连接好,更换焊条未戴手套,在潮湿地点工作,未站在绝缘胶板或木板上操作,可能导致导电造成人身伤亡危险。
4、钢筋弯曲机未按操作进行,未检查芯轴、挡块、转盘有无损坏和裂纹,未经空心运转正常后就开始施工,可能导致机械伤人事故危险。
5、机械操作不规范,在作业中更换芯轴、销子和变换角度以及调速,加油或清扫作业,可能导致操作不规范机械伤人危险。
6、调直机未用手转动飞轮就进行生产,调直块未固定、防护罩未盖好就送料,可能导致机械零部件伤人危险。
7、使用调直机时未按要求操作,手与曳轮未保持一定的距离,导筒前未安装一根1米长的钢管,可能导致安全事故危险。
8、钢筋切断机使用时,未检查切刀有无裂纹,刀架螺栓不坚固,齿轮啮合有间隙等,可能导致切刀飞出伤人事故危险。
9、机械未达到正常运转时速时进行切料,可能导致机械伤人危险。
承认
本人已清楚了解所从事工作的安全风险,愿意承担此风险,在工作中严格遵守、落实相关措施,关注自身安全。
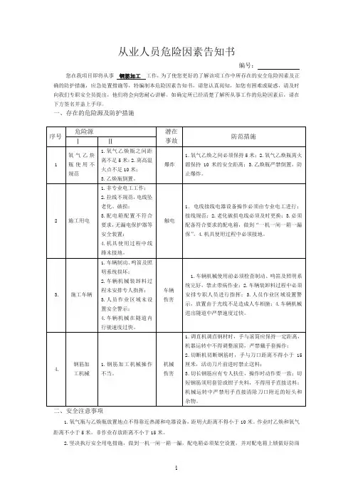
从业人员危险因素告知书编号:您在我项目即将从事钢筋加工工作,为了使您更好的了解该项工作中所存在的安全危险因素及正确的防护措施,应急处置措施等,特编制本危险因素告知书,请您认真阅知,如您有困难或疑惑,请及时向我们专职安全员提出,他们将会向您耐心讲解。
如确定所已经清楚了解所从事工作的危险因素后,请在下方签名并盖上手印。
一、存在的危险源及防护措施二、安全注意事项1.氧气瓶与乙焕瓶放置地点不得靠近热源和电器设备,距明火距离不得小于10米。
作业时乙焕和氧气距离不小于5米,非作业存放距离不小于15米。
2.坚决执行安全用电措施,做到一机一闸一箱一漏,配电箱必须架空设置,并对配电箱上锁做好防雨措施;电焊机的接线头裸露或接线头防护罩损坏时及时就行修复。
四、从业人员的权利和义务1.享有的权利(1)享受工伤保险待遇和人身伤害索赔权(2)危险因素和应急措施的知情权(3)安全管理的批评·检举·控告权(4)拒绝违章指挥和强令冒险作业权(5)危险情况下的停止作业和紧急撤离权(6)获得符合国家标准和劳动防护用品权(7)获得安全生产教育和培训的权利(8)对本单位安全生产工作的建议权2.应遵守的义务(1)自律尊规的义务,即从业人员在作业工程中,应当遵守本单位的安全生产规章制度和操作规程,服从管理,正确佩带和使用劳动防护用品;(2)自觉学习安全生产知识的义务,要求掌握本职工作所需的安全生产知识,提高安全生产技能,增强事故防预和应急处理能力;(3)危险报告义务,即发现事故隐患或者其它不安全因素是,应当立即向现场安全管理人员或者本单位负责人报告。
本人已清楚的了解从事工作的危险因素,愿意在此危险因素中,严格遵守,落实相关规定及措施,关注自身安全,完成本项目工程任务。
专职安全员:作业人员签名(手印):日期:桥梁施工从业人员危险因素告知书编号:您在我项目即将从事桥梁施工工作,为了使您更好的了解该项工作中所存在的安全危险因素及正确的防护措施,应急处置措施等,特编制本危险因素告知书,请您认真阅知,如您有困难或疑惑,请及时向我们专职安全员提出,他们将会向您耐心讲解。
钢筋工岗位风险告知书:你班组将从事的钢筋作业,存在着机械伤害、触电、灼烫、高空坠落等岗位危险,现予以告知。
你班组在作业时务必遵守相关的规章制度、专项工程安全施工方案、安全技术措施,并熟记作业要点及其特性,掌握好相应的安全防范技能;进入作业场所后,要进行重新检查,发现异常情况和不安全因素必须及时采取有效措施排除;要正确使用和佩戴劳动保护用品,在做好自我防范的同时,还要认真贯彻联保互保。
同时对以下针对性措施必须经常对照执行:一、钢筋搭接长度要标准,绑扎要牢固,搭接、绑扎必须按施工规范进行。
二、多人合抬运钢筋时,起、落、转、停动作必须一致,人工上下传送不得在同一垂直线上。
加工后成品、半成品必须先冷却后搬运。
三、钢材成品、半成品应按规格、品种分别堆放整齐,制作地要平整,工作台要稳固,照明灯具必须加网罩。
四、调直机调直钢材时,手与滚筒应保持一定距离,机器运转中不得调整滚筒,严禁戴手套操作;钢筋调直到末端时,人员必须躲开,以防甩动伤人,五、用卷扬机冷拉钢筋时,卡头要卡牢,地锚要结实牢固,拉筋沿线2米区域内,严禁站人,操作人员不能站在钢筋的同一直线上。
卷扬机棚前应设防护栏,台座上也应加防护设施。
六、除锈机对钢筋进行除锈时,应带口罩和手套,带钩的钢筋严禁上机除锈;除锈应在钢筋基本调直后进行,操作时要放平握紧,站在钢丝刷侧面。
七、切断机切断钢筋时,手与刀口距离不得小于15厘米,活动刀片前进时禁止送料;切长钢筋应有专人扶住,操作时动作要一致;切短钢筋须用套管或钳子夹料,不得用手直接送料;机械运转中严禁用手直接清除刀口附近的短头和杂物。
八、用弯曲机制作钢筋时,钢筋要贴紧档板,注意放入插头的位置和回转方向,不得开错。
弯曲长钢筋应有专人负责,并站在钢筋弯曲方向的外面;更换插头、加油和清理,必须停机后进行;严禁制作超过本机规定的钢筋直径、根数及机械转速。
九、高空作业必须系安全带、戴安全帽,备带工具袋。
严禁酒后高空作业。
十、在高空、深坑绑扎钢筋和安装骨架,须搭设脚手架。
一线操作人员安全告知作业名称:作业对象:钢筋工危险等级:一、基础部分(一)认真吸取“8.4”事故教训,增强个人安全意识;(二)遵守劳动纪律,绝不违章作业,拒绝违章指挥;(三)主动接受安全生产教育培训,遵守安全生产规章制度和安全操作规程;(四)熟悉掌握本岗位安全风险及防范应急措施;(五)主动报告工作中发现的安全隐患;(六)发生事故时立即报告负责人,绝不盲目施救;(七)做好夏日防暑措施,身体不适主动报告,绝不带病作业;(八)生产作业过程中做到四不伤害(不伤害自己、不伤害他人、不被他人伤害、保护他人不受伤害)。
二、主要危险因素:1.基坑发生整体或局部土体滑塌失稳;未做到三级配电二级保护,未做到一机一闸一漏一箱。
2.人物同吊、捆绑不牢,特种作业无证操作,,违反“十不吊规定”。
由于“四口”“五临边”安全防护有缺陷导致高处坠落人员伤亡。
4.电线私拉乱接。
三、易发生事故类型:1.触电事故。
2,高处坠落,物体打击。
3.整体倾覆;机械伤害;4.火灾。
四、岗位操作注意事项:高空作业佩戴安全带,严禁私拉乱接,严禁超载吊装。
五、需穿戴的劳动防护用品:安全帽、安全带、防滑鞋、绝缘手套、防焊服、焊帽、焊工眼镜。
六、应急处置措施:1、触电:应该尽快切断电源。
用干燥的木棍、竹竿、绳索、衣服、塑料制品等把触电者与电源线隔开,或者插入触电者身下,使触电者与大地绝缘。
抢救者绝对不能站在地上直接接触触电者。
还要注意防止触电者脱离电源后可能造成的摔伤。
触电者脱离电源后,应尽快在现场不间断的做人工呼吸,并挤压心脏,不要只等医务人员,更不要不经抢救直接送医院。
3、严重者紧急拨打120急救电话。
七、安全警示标志:非工作人员禁止入内;必须系安全带;禁止通行;当心机械伤人;禁止吸烟;禁止跨越;当心坠落;当心坑洞;当心烫伤;当心落物;当心塌方;当心吊物;注意安全;必须戴安全帽;禁止攀爬;禁止酒后上岗;禁止单扣吊装;当心火灾;当心触电;当心扎脚;安全第一预防为主。
岗位危险源告知书第一篇:岗位危险源告知书********工程岗位危险告知书工种:钢筋工编号:01:你将从事的钢筋作业,存在着机械伤害、触电、灼烫等岗位危险,现予以告知。
你在作业时务必遵守相关的规章制度和操作规程,并熟记作业要点及其特性,掌握好相应的安全防范技能;进入作业场所后,要进行重新检查,发现异常情况和不安全因素必须及时采取有效措施排除;要正确使用和佩戴劳动保护用品,在做好自我防范的同时,还要认真贯彻联保互保。
同时对以下针对性措施必须经常对照执行:一、钢筋搭接长度要标准,绑扎要牢固,搭接、绑扎必须按施工规范进行。
二、多人合抬运钢筋时,起、落、转、停动作必须一致,人工上下传送不得在同一垂直线上。
加工后成品、半成品必须先冷却后搬运。
三、钢材成品、半成品应按规格、品种分别堆放整齐,制作地要平整,工作台要稳固,照明灯具必须加网罩。
四、切断机切断钢筋时,手与刀口距离不得小于15厘米,活动刀片前进时禁止送料;切长钢筋应有专人扶住,操作时动作要一致;切短钢筋须用套管或钳子夹料,不得用手直接送料;机械运转中严禁用手直接清除刀口附近的短头和杂物。
五、用弯曲机制作钢筋时,钢筋要贴紧档板,注意放入插头的位置和回转方向,不得开错。
弯曲长钢筋应有专人负责,并站在钢筋弯曲方向的外面;更换插头、加油和清理,必须停机后进行;严禁制作超过本机规定的钢筋直径、根数及机械转速。
被告知者签字(指印):此告知书一式二份,一份交作业者本人留存,一份留项目部存档备查。
工程项目经理部年月日工种:模板工编号:02:你将从事的模板支设作业,存在着物体打击、坍塌等岗位危险,现予以告知。
你在作业时务必遵守相关的规章制度和操作规程,并熟记作业要点及其特性,掌握好相应的安全防范技能;进入作业场所后,要进行重新检查,发现异常情况和不安全因素必须及时采取有效措施排除;要正确使用和佩戴劳动保护用品,在做好自我防范的同时,还要认真贯彻联保互保。
同时对以下针对性措施必须经常对照执行:1、使用锯板机、刨板机、圆盘锯等木工机械前,必须检查锯片、刀片的松紧程度、有无裂缝、损伤及运转是否正确等情况,检查安全防护装置是否有效、并派有经验的人员进行操作。
从业人员安全风险告知书致__________________施工队:您在我项目即将从事梁板制作工作,为了使您更好的了解该项工作中所存在的安全风险及正确的防范措施,应急处理措施等,特编制本安全风险告知书,请您认真阅知,如您有困难或疑惑,请及时向我们专职安全员或现场施工管理人员提出,他们将会向您耐心讲解。
如您确定已清楚了解所从事工作的安全风险后,请在下方签上您的大名并盖上手印。
安全风险告知一、存在的危险源及防范措施二、安全注意事项1、患有高血压、心脏病、癫痫病、贫血病等高处作业禁忌症的人员,不得从事高处作业。
严禁酒后登高作业。
2、应根据不同作业项目,按规定正确穿戴劳动防护用品,如工作服、安全帽、手套、护目镜、脚盖等。
3、作业人员必须是经过专业安全技术知识培训和考试合格,取得特种工种作业操作证的电工并持证上岗;4、进入施工现场必须戴好合格的安全帽,系紧下颚带,锁好带扣,高处作业必须系好安全带,系挂牢固,高挂低用;5、电工作业检修时必须一人操作,一人监护,作业人员必须穿绝缘鞋,停电后挂停电检修标识牌再作业;6、进入施工现场禁止酒后作业,禁止追逐打闹,禁止窜岗,禁止操作与自己无关的机械用电设备,严格遵守各项安全操作规程和劳动纪律;7、严格执行安全用电有关规定和规范标准,服从安全管理,做到自己不违章作业,拒绝违章指挥,和及时制止他人违章作业;8、禁止带电操作,需要拉闸操作和维修时,须经项目部有关部门审批,作业时执行安全用电的组织措施和技术措施,不得自行拆改用电设备设施和线路,严格按规范标准和施工组织设计,交底要求执行;9、每天对现场用电设备、设施、线路进行巡视检查,发现问题及时停电检修并监护,同时报有关领导组织处理,所有设备、设施、线路要防护到位。
10、遇有风力在六级及以上、大雾天、雷雨天、冰雪天等恶劣气候,不得进行钢筋吊装、焊接作业。
起吊或绑扎钢筋靠近架空高压电线路时,应有隔离防护设施,以防钢筋接触电线而触电伤人。
从业人员安全风险告知书亲爱的工友:您在我项目即将从事钢筋加工工作,为了使您更好的了解该项工作中所存在的安全风险及正确的防范措施、应急处置措施等,特编制本安全风险告知书,请您认真阅知,如您有困难或疑惑,请及时向我们专职安全员提出,他们将会向您耐心讲解。
如您确定已清楚了解所从事工作的安全风险后,请在下方签上您的大名。
安全风险告知一、存在的危险源及防范措施㈠、火灾爆炸预防措施⑴建立安全生产责任制,制定消防安全管理制度、易燃易爆危险品安全管理制度和安全施工的各项操作规程等。
⑵汽油、柴油储存必须设置在安全地点,使用安全合格的容器,设专人负责保管,设隔离设施,设相应的防晒、防火、灭火设施,不得超量储存。
储存区严禁吸烟和使用明火,设醒目的警示牌。
装运和加油时,必须使用规定的设备和工具,按操作规程进行。
⑷气割时使用的氧气、乙炔瓶应保持5米以上距离,并正立放置,不得倒放、乱放。
⑸在易燃易爆危险品周围需要明火作业时,应采取有效防护措施,并确保相距10米以上。
⑹汽、柴油等存放场所内,机动车辆离存放地点应保持2.5米距离,避免因排气管喷火引起燃烧、爆炸。
在以上存放场所或仓库要配置充足的消防器材,并建立消防设施平面布置图。
㈡、触电预防措施1、工地配电必须按TN-S系统设置保护接零系统,实行三相五线制,杜绝疏漏。
所有接零接地处必须保证可靠的电气连接。
保护线PE必须采用绿/黄双色线。
严格与相线、工作零线相区别,严禁混用。
2、设置总配电箱,门向外开,配锁,并应符合下列要求:(1)配电箱、开关箱应有防雨措施,安装位置周围不得有杂物,便于操作。
(2)由总配电箱引至工地各分配电箱电源回路,采用BV铜芯导线架空或套钢管埋地敷设。
(3)引至施工楼层用电,在建筑物内预留洞,并套PVC塑料管引上,不准沿脚手架敷设。
3、用电设备与开关箱间距不大于3M,与配电箱间距不大于30M,开关箱漏电保护器的额定漏电动作电流应选用30mA,额定漏电动作时间应小于0.1秒,水泵及特别潮湿场所,漏电动作电流应选用15mA。
从业人员安全风险告知书亲爱的工友:您在我项目即将从事钢筋加工工作,为了使您更好的了解该项工作中所存在的安全风险及正确的防范措施、应急处置措施等,特编制本安全风险告知书,请您认真阅知,如您有困难或疑惑,请及时向我们专职安全员提出,他们将会向您耐心讲解。
如您确定已清楚了解所从事工作的安全风险后,请在下方签上您的大名。
安全风险告知一、存在的危险源及防范措施㈠、火灾爆炸预防措施⑴建立安全生产责任制,制定消防安全管理制度、易燃易爆危险品安全管理制度和安全施工的各项操作规程等。
⑵汽油、柴油储存必须设置在安全地点,使用安全合格的容器,设专人负责保管,设隔离设施,设相应的防晒、防火、灭火设施,不得超量储存。
储存区严禁吸烟和使用明火,设醒目的警示牌。
装运和加油时,必须使用规定的设备和工具,按操作规程进行。
⑷气割时使用的氧气、乙炔瓶应保持5米以上距离,并正立放置,不得倒放、乱放。
⑸在易燃易爆危险品周围需要明火作业时,应采取有效防护措施,并确保相距10米以上。
⑹汽、柴油等存放场所内,机动车辆离存放地点应保持2.5米距离,避免因排气管喷火引起燃烧、爆炸。
在以上存放场所或仓库要配置充足的消防器材,并建立消防设施平面布置图。
㈡、触电预防措施1、工地配电必须按TN-S系统设置保护接零系统,实行三相五线制,杜绝疏漏。
所有接零接地处必须保证可靠的电气连接。
保护线PE必须采用绿/黄双色线。
严格与相线、工作零线相区别,严禁混用。
2、设置总配电箱,门向外开,配锁,并应符合下列要求:(1)配电箱、开关箱应有防雨措施,安装位置周围不得有杂物,便于操作。
(2)由总配电箱引至工地各分配电箱电源回路,采用BV铜芯导线架空或套钢管埋地敷设。
(3)引至施工楼层用电,在建筑物内预留洞,并套PVC塑料管引上,不准沿脚手架敷设。
3、用电设备与开关箱间距不大于3M,与配电箱间距不大于30M,开关箱漏电保护器的额定漏电动作电流应选用30mA,额定漏电动作时间应小于0.1秒,水泵及特别潮湿场所,漏电动作电流应选用15mA。
建筑工地各工种危险因素告知书范文尊敬的施工人员:根据国家相关法律法规和建筑工地安全管理要求,为确保您的安全和健康,特向您告知本工地各工种可能存在的危险因素,请您务必严格遵守安全操作规程,并积极配合现场管理人员的指导和监督。
钢筋工(钢筋绑扎工):工作环境:主要在混凝土结构施工现场操作。
危险因素:钢筋切割时可能产生的金属碎片飞溅、工地起重机械操作时的移动危险。
安全措施:穿戴防护手套、安全帽、防护眼镜,注意机械操作区域的标识和警示信号。
混凝土工(混凝土浇筑工):工作环境:负责混凝土的搅拌、运输和浇筑工作。
危险因素:混凝土搅拌机运转时的机械伤害风险,混凝土浇筑时的坍塌和溅射风险。
安全措施:戴防护手套、耳塞、安全靴,严格按照操作规程进行作业,注意施工现场的通风和照明情况。
木工(木工制作工):工作环境:从事木材的切割、修整和安装工作。
危险因素:电动锯切割时的手部伤害风险,木材安装时的高空坠落风险。
安全措施:佩戴防护手套、安全鞋,使用机械时注意安全操作规范,搭设和使用临时安全防护设施。
电工(电气安装工):工作环境:负责电气设施的安装、维护和接线工作。
危险因素:电气设备操作时的电击风险,电缆接线时的火灾和爆炸风险。
安全措施:佩戴绝缘手套、护目镜,严格遵守电气设备安装规范,使用符合要求的电气工具和设备。
砌筑工(砖瓦工):工作环境:进行砖瓦的摆放、砌筑和抹灰工作。
危险因素:高处作业时的坠落风险,砖瓦运输和搬运过程中的手部伤害风险。
安全措施:佩戴安全帽、防护手套和防滑鞋,搭设安全工作平台和使用安全绳索进行高处作业。
祝您工作顺利、安全!工地安全管理部门焊工(电焊工):工作环境:负责金属结构的焊接和接合工作。
危险因素:电焊时产生的强光和紫外线对眼睛的伤害,焊接过程中的火花飞溅和烟尘危害。
安全措施:戴防护面罩、焊接手套、防火服,确保焊接区域的通风良好,避免与易燃物接触。
挖掘机司机(重型机械操作工):工作环境:操控挖掘机进行土方作业和基础施工。
钢筋工安全风险告知书感谢您参与我们项目建设,您在我项目即将从事钢筋工工作,为了使您更好的了解该项工作中所存在的安全风险及正确的防范措施,应急处理措施等,特编制本安全风险告知书,请您认真阅知,如您有困难或疑惑,请及时向我们专职安全员或现场施工管理人员提出,他们将会向您耐心讲解。
如您确定已清楚了解所从事工作的安全风险后,请在下方签上您的姓名并盖上手印。
一、存在的危险源二、安全注意事项1.进入施工现场必须戴好合格的安全帽,系紧下颚带,高处作业必须系好安全带,系挂牢固,高挂低用;2.进入施工现场禁止酒后作业,禁止追逐打闹,禁止串岗,禁止操作与自己无关的机械用电设备,严格遵守各项安全操作规程和劳动纪律。
3.严格执行有关规定和规范标准,服从安全管理,做到自己不违章作业,拒绝违章指挥,和及时制止他人违章作业;4.你在作业时务必遵守相关的规章制度和操作规程,并熟记作业要点及其特性,掌握好相应的安全防范技能;进入作业场所后,要进行重新检查,发现异常情况和不安全因素必须及时采取有效措施排除;要正确使用和佩戴劳动保护用品,在做好自我防范的同时,还要认真贯彻联保互保。
同时对以下针对性措施必须经常对照执行:(1)钢筋搭接长度要标准,绑扎要牢固,搭接、绑扎必须按施工规范进行。
(2)多人合抬运钢筋时,起、落、转、停动作必须一致,人工上下传送不得在同一垂直线上。
加工后成品、半成品必须先冷却后搬运。
(3)钢材成品、半成品应按规格、品种分别堆放整齐,制作地要平整,工作台要稳固,照明灯具必须加网罩。
(4)调直机调直钢材时,手与滚筒应保持一定距离,机器运转中不得调整滚筒,严禁戴手套操作;钢筋调直到末端时,人员必须躲开,以防甩动伤人。
(5)卷扬机冷拉钢筋时,卡头要卡牢,地锚要结实牢固,拉筋沿线2米区域内,严禁站人,操作人员不能站在钢筋的同一直线上。
卷扬机棚前应设防护栏,台座上也应加防护设施。
(6)除锈机对钢筋进行除锈时,应带口罩和手套,带钩的钢筋严禁上机除锈;除锈应在钢筋基本调直后进行,操作时要放平握紧,站在钢丝刷侧面。
从业人员安全风险告知书编号:____________亲爱的__________________先生/女士:您在我项目即将从事桩基、系梁、立柱、盖梁等工作,为了使您更好的了解该项工作中所存在的安全风险及正确的防范措施,应急处理措施等,特编制本安全风险告知书,请您认真阅知,如您有困难或疑惑,请及时向我们专职安全员或现场施工管理人员提出,他们将会向您耐心讲解。
如您确定已清楚了解所从事工作的安全风险后,请在下方签上您的大名并盖上手印。
安全风险告知一、存在的危险源及防范措施二、安全注意事项1、患有高血压、心脏病、癫痫病、贫血病等高处作业禁忌症的人员,不得从事高处作业。
严禁酒后登高作业。
2、应根据不同作业项目,按规定正确穿戴劳动防护用品,如工作服、安全帽、手套、护目镜、脚盖等。
3、起吊预制钢筋骨架时,钢筋骨架本身应形成稳定结构,必要时需加临时斜撑、支撑。
吊具栓的方向、位置应正确。
拴挂牢靠并栓挂溜绳。
起吊时,其下方禁止站人。
必须待骨架降落到距地面(或底模)1m 以下方准靠近,在骨架就位支撑好后,方可摘钩,以防钢筋骨架倾倒伤人。
4、遇有风力在六级及以上、大雾天、雷雨天、冰雪天等恶劣气候,不得进行钢筋吊装、焊接作业。
起吊或绑扎钢筋靠近架空高压电线路时,应有隔离防护设施,以防钢筋接触电线而触电伤人。
5、高处绑扎钢筋时,应先检查脚手架或平台栏杆等安全设施是否完善牢靠,应设高度大于 1.1 米牢固的防护栏杆,并设间距 35 厘米的水平横杆。
如有缺陷应处理好后方可作业,在钢筋密集处作业时,钢筋绑扎与电焊尽量不要同时作业,确需同时作业时,应有防护措施,以防电弧光击伤眼睛或焊渣烧伤。
6、不得在绑扎好的钢筋或模板拉杆、支撑上行走和攀登,以防坠落伤人。
7、钢筋焊接前,应检查使用的工具,机械设备是否完好,作业场所的环境是否整洁,电焊机四周的防火设备是否完善,电气设备的安装是否符合要求,夜间作业点是否有足够的照明等。
8、高处作业时,应配备工具袋,防止各种工具、零件、物料等坠落伤害他人。
岗位危险书面告知书
工种:钢筋工
你将从事的钢筋作业,存在着机械伤害、触电、灼烫、高空坠落等岗位危险,现予以告知。
你在作业时务必遵守相关的规章制度和操作规程,并熟记作业要点及其特性,掌握好相应的安全防范技能;进入作业场所后,要进行重新检查,发现异常情况和不安全因素必须及时采取有效措施排除;要正确使用和佩戴劳动保护用品,在做好自我防范的同时,还要认真贯彻联保互保。
同时对以下针对性措施必须经常对照执行:
一、钢筋搭接长度要标准,绑扎要牢固,搭接、绑扎必须按施工规范进行。
二、多人合抬运钢筋时,起、落、转、停动作必须一致,人工上下传送不得在同一垂直线上。
加工后成品、半成品必须先冷却后搬运。
三、钢材成品、半成品应按规格、品种分别堆放整齐,制作地要平整,工作台要稳固,照明灯具必须加网罩。
四、调直机调直钢材时,手与滚筒应保持一定距离,机器运转中不得调整滚筒,严禁戴手套操作;钢筋调直到末端时,人员必须躲开,以防甩动伤人,
五、用卷扬机冷拉钢筋时,卡头要卡牢,地锚要结实牢固,拉筋沿线 2 米区域内,严禁站人,操作人员不能站在钢筋的同一直线上。
卷扬机棚前应设防护栏,台座上也应加防护设施。
六、除锈机对钢筋进行除锈时,应带口罩和手套,带钩的钢筋严禁上机除锈;除锈应在钢筋基本调直后进行,操作时要放平握紧,站在钢丝刷侧面。
七、切断机切断钢筋时,手与刀口距离不得小于 15 厘米,活动刀片前进时禁止送料;切长钢筋应有专人扶住,操作时动作要一致;切短钢筋须用套管或钳子夹料,不得用手直接送料;机械运转中严禁用手直接清除刀口附近的短头和杂物。
八、用弯曲机制作钢筋时,钢筋要贴紧档板,注意放入插头的位置和回转方向,不得开错。
弯曲长钢筋应有专人负责,并站在钢筋弯曲方向的外面;更换插
头、加油和清理,必须停机后进行;严禁制作超过本机规定的钢筋直径、根数及机械转速。
九、高空作业必须系安全带、戴安全帽,备带工具袋。
严禁酒后高空作业。
十、在高空、深坑绑扎钢筋和安装骨架,须搭设脚手架。
此告知书一式二份,一份交作业者本人留存,一份留项目部安全部存档备查。
告知人:年月日被告知者签字(指印):
年月日。