预制道板(大方砖、小方砖)质量检验评定表
- 格式:doc
- 大小:28.00 KB
- 文档页数:1
预制构件单元工程质量检验评定表
表11
说明
保证项目:
检查数量:全数检查
检查方法:1、现场检查和检查试验室配和比与施工记录。
2、现场检查和检查出厂合格证与施工记录。
允许偏差项目:
检查数量:大型构件如排架、吊车梁、屋架梁等每个构件必须检查,小型构件抽查,抽查预制构件的10%,除对角线(指每个对角),侧向弯曲(指每一侧),预埋件(指每一项埋件)检查1处外,其它各项每隔2m抽查1处。
检验方法:钢筋所有各项用尺量检查,构件1、2、3、4项用尺量检查,5项用拉线和尺量检查,6项用2m靠尺和楔形塞尺检查。
注:表中括号内数字为过水流量大于2m3/S的预制构件。
市政道路工程质量检验评定标准(CJJ1-90)2007.9.25第一节土方路基1.1 填土经碾压后不得有翻浆、“弹簧”现象。
1.2 填土中不得含有淤泥、腐植土及有机物质等。
②填方高度小于80cm及不填不挖路段,原地面以下0~30cm范围内土的压实度不低于表中所挖方的要求。
③道路的类型应根据设计要求确定。
分期扩建的道路需按永久规划的道路类型设计。
第二节路床2.1 路床不得有翻浆、弹簧、起皮、波浪、积水等现象。
2.2 用12~15t压路机碾压后,轮迹深度不得大于5mm。
第三节路肩3.1 肩线必须直顺,外表必须平整,不得有阻水现象。
第四节碎石基层4.1 外表应坚实、平整,嵌缝料不得浮于外表或聚集形成一层。
4.2 用12t以上压路机碾压后,轮迹深度不得大于5mm。
第五节石灰土类基层5.1 灰土中粒径大于20mm的土块不得超过10%,但最大的土块粒径不得大于50mm。
灰土应拌和均匀,色泽调和,石灰中严禁含有未消解颗粒。
5.2 用12t以上压路机碾压后,轮迹深度不得大于5mm,并不得有浮土、脱皮、松散现象。
5.3 石灰类基层允许偏差应符合下表:第六节石灰、粉煤灰类混合料基层6.1 石灰、粉煤灰类混合料应拌合均匀,色泽调和一致。
砂砾(碎石)最大粒径不大于50mm,大于20mm在灰块不得超过10%,石灰中严禁含有未消解颗粒。
6.2 摊铺层无明显的粗细颗粒离析现象。
6.3 用12t以上压路机碾压后,轮迹深度不得大于5mm,并不得有浮料、脱皮、松散现象。
第七节水泥稳定砂砾基层7.1 水泥稳定砂砾基层外表应坚实平整,不得有浮灰。
7.2 用12t压路机碾压无明显轮迹。
第八节水泥砼(包括预制砼)面层8.1 模板必须支立牢固,不得倾斜、漏浆。
8.2 板面边角应整齐,不得有大于0.3mm的裂缝,并不得有石子外露和浮浆、胶皮、印痕、积水等现象。
8.3 伸缩缝必须垂直,缝内不得有杂物。
伸缝必须全部贯穿,传力杆必须与缝面垂直。
8.4 切缝直线段应线直,曲线段应弯顺,不得有夹缝,灌缝不得漏灌。
预制方桩质量检验评定表单位工程分部工程浇筑日期部位数量 JTJ 221-98 表10.2.6②有接桩要求时,接桩面的倾斜和配件的质量应按设计要求检查;评定日期:年月日③空心桩空心对桩中心线的偏位允许值为20mm,每条生产线每一次生产抽查一根,在混凝土初凝前任意抽查一处,如不合格,逐根检查;④抹面应平顺并二次压光;⑤预埋件、预留孔在设计上有特殊要求时,应按设计要求检查。
重要预埋件、预留孔的位置应逐件检查。
下面为赠送的述职报告不需要的可以编辑删除述职报告尊敬的各位领导,各位同仁:大家好!本人被组织任聘为。
副校长已有五年,主抓德育教育工作,分管学校后勤、德育、艺体、安全、卫生、综合治理等工作。
身为副校长,我努力学习党的教育方针,学习邓小平教育理论。
用全新的教育教学理念武装自己,努力提高自身教育理论素养。
我在党的组织生活中,学习党建理论;在政治学习中学习党的路线、方针、政策、法规;在业务学习中,学习人文文化,加强自身政治理论,道德修养,培养高层次的道德感、责任感。
工作几年来,我以强烈的事业心、责任心力抓好德育工作,确保学校教育教学工作运作正常。
我的工作原则是倡导培养“勤奋乐干,善于思索,不断创新”三种优秀品质。
以奖励机制为主,及时勉励,激发老师团队精神,从而完成教育教学任务。
其出发点是一切为了学生,为了学校的生存、发展而不辍劳作。
下面我就德育工作管理谈谈自己的做法,将一年工作总结如下:一、加强学习,联系实际,提高认识教师是一门终身学习的职业。
社会在不断发展,不学习就会跟不上时代的步伐,特别是作为一名校级领导和德育工作者,必须始终站在社会发展的前列,德育工作更要求紧跟社会形势的发展。
因此,我坚持做到每天看新闻和阅读一小时的书,提高自己对政治的敏锐性,提高对教育的认识和个人品德修养,提高管理能力。
在这一年里,我先后阅读了《德育文集》、《成功学校内部管理全书》、《教育管理》等各类书籍,这些为我提高思想认识、更新教育理念、加快德育创新提供了扎实的基础。
市政基础设施工程
预制块人行道质量检查评定表
市政质检-26 工程名称:承包单位:共页第页部位名称桩号、位置
主要工程数量
序号检查项目
CJJ 1-90
质量要求质量情况
1 第6.2.1条铺砌必须平整稳定,灌缝应饱满,不得有翘动现象。
2 第6.2.2条人行道面层与其它构筑物应接顺,不得有积水现象。
质保资料必须符合相关管理法规和质量标准的要求
实测值或实测偏差值(mm)
序号实测项目
规定值或
允许偏差
(mm) 1 2 3 4 5 6 7 8 9 10 11 12
应
检
点
数
合
格
点
数
合
格
率
% 路床≥90%
1 压实度
基层≥95%
2 平整度 5
3 相邻块高差 3
4 横坡±0.3%
5 纵缝直顺10
6 横缝直顺10
7 井框与路
面的高差
5
平
均
合
格
率
(%
)
承包
单位
自评
意见
项目负责人:
年月日监
理
意
见
监理工程师:
年月日
评定
等级
技术负责人:质检员:填表人:年月日。
工程名称:倒班公寓场地平整工程(综合管网) 承包单位:广东省第二建筑工程公司共页第页
工程名称:倒班公寓场地平整工程(综合管网) 承包单位:广东省第二建筑工程公司共页第页
工程名称:倒班公寓场地平整工程(综合管网) 承包单位:广东省第二建筑工程公司共页第页
工程名称:倒班公寓场地平整工程(综合管网) 承包单位:广东省第二建筑工程公司共页第页
工程名称:倒班公寓场地平整工程(综合管网) 承包单位:广东省第二建筑工程公司共页第页
工程名称:倒班公寓场地平整工程(综合管网) 承包单位:广东省第二建筑工程公司共页第页
工程名称:倒班公寓场地平整工程(综合管网) 承包单位:广东省第二建筑工程公司共页第页
工程名称:倒班公寓场地平整工程(综合管网) 承包单位:广东省第二建筑工程公司共页第页
工程名称:倒班公寓场地平整工程(综合管网) 承包单位:广东省第二建筑工程公司共页第页
工程名称:倒班公寓场地平整工程(综合管网) 承包单位:广东省第二建筑工程公司共页第页。
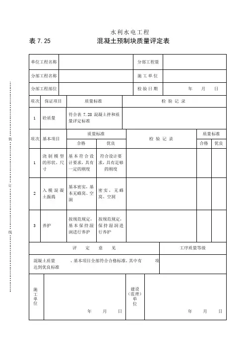
水利水电工程游步道方砖预制、铺设单元工程质量评定表单位工程名称单元工程量分部工程名称施工单位单元工程名称、部位评定日期年月日项次工序名称工序质量等级1△彩色方砖预制2砂垫层铺设3△彩色方砖铺设评定意见单元工程质量等级工序质量全部合格,主要工序-彩色方砖预制、铺设两工序质量,工序质量优良率为%施工单位建设(监理)单位年月日年月日单位工程名称分部工程名称单元工程名称、部位游步道方砖预制工序质量评定表单元工程量施工单位检验日期年月日项次保证项目混凝土质量基本项目质量标准符合表7.28混凝土拌和质量评定标准质量标准合格优良检验结果检验记录质量等级合格优良基本符合设计浇制模型的1要求,具有一形状、尺寸定的刚度符合设计要求,具有一定的刚度2入模混凝土振捣基本密实,基本无蜂窝、空洞按规范规定进密实,无蜂窝、空洞按规范规定进3养护行养护、基本保持湿润行养护、保持湿润评定意见工序质量等级混凝土质量;基本项目全部符合合格标准,其中有项达到优良标准建设施工(监理)单位年月日单位年月日单位工程名称分部工程名称单元工程名称、部位垫层铺设工序质量评定表单元工程量施工单位评定日期年月日项次项目名称质量标准检验记录评定1基面按SL260-2014《堤防工程施工规范》验收合格检查项目2垫层材料3垫层施工方法和程序符合设计要求符合SL260-2014《堤防工程施工规范》要求检总测点数合格点数合格率测项目1垫层厚度偏小值不大于设计厚度的15%评定意见工序质量等级检查项目达到质量标准;检测项目合格率%建设施工(监理)单位年月日单位年月日水利水电工程游步道方砖铺设工序质量评定表单位工程名称单元工程量分部工程名称施工单位单元工程名称、部位评定日期年月日项次项目名称质量标准检验记录评定1方砖规格符合设计要求2表面色彩、光洁度颜色均一,表面光滑、轧花图案一致检总测点数合格点数合格率测用2m靠尺检查偏差为1表面平整度项±5mm目评定意见工序质量等级检查项目达到质量标准;检测项目合格率%建设施工(监理)单位年月日单位年月日。
预制梁(板)质量检验评定表QL-2标空心板梁预制首件工程施工工艺总结一、首件概况根据指挥部及监理部要求,同时为了提高施工质量,提升自身的管理水平,我部选择石固大桥2-2#中板进行空心板梁预制首件工程。
该梁板顶面宽1.04米,底宽1.24米,3梁高0.95米,长19.4米,该梁板砼理论方量为11.3m。
该梁板于2010年03月13日上午9点20分开始浇筑,至11点10分浇筑结束。
于03月14日上午模板拆除。
二、编制依据1、239省道高淳东段工程QL-2标施工图;2、《公路桥涵施工技术规范》(JTJ041-2000);3、《交通工程质量检验评定标准》(JTG F80/1-2004)。
三、施工机具设备及人员在首件工程施工过程中,我部人员、设备、仪器配置如下:人员配备序号岗位数量1 管理技术人员 22 钢筋工 63 机修 24 模板工 65 砼工 15测量试验仪器设备序号仪器名称型号数量1 全站仪 TOPCON-300 12 水准仪 DS3 13 水准尺 5m 14 钢尺 50m 25 试模 5组6 坍落度筒 2套工机具表序号名称型号、规格单位数量31 砼运输车 8.0m 辆 22 电焊机 30KVA 台 23 空压机台 34 钢筋弯曲机台 15 钢筋切断机台 16 插入式振捣棒台 4 四、原材料及试验该梁板设计为C50砼,水灰比为0.35,坍落度为160?20mm;砼目标配合比:水泥:砂:碎石:水:外加剂486:663:1081:170:4.86水泥:句容台泥牌PO.52.5 级普通硅酸盐水泥砂:采用江西产中粗砂碎石:碎石采用高淳产的5-20mm 连续级配碎石;水:日常生活用水.外加剂:采用江苏新博特生产的JM-1型早强高效减水剂。
钢筋:采用沙钢产HPB235φ8、永钢产热轧带肋钢筋HRB335ф10、Ф12、Ф16。
五、各个工序施工时间:2010年3月11日-12日:进行钢筋安装并通过验收;2010年3月12日进行板梁模板的支立;2010年3月13日进行空心板梁砼浇筑;六、各工序施工工艺及技术控制措施1、底模底模做法为C30砼10cm厚,长度为20.4m,两端部加厚,采用20cm厚的钢筋砼,以提高两端部的承压能力,防止底模断裂。