国际焊接工程师考试IWE-结构试题
- 格式:doc
- 大小:356.94 KB
- 文档页数:5
IWE结构模块姓名答题前认真阅读,不定项选择题,每题1-4个正确答案;计分规则:若某题选项完全正确,得分为满分;若不完全正确,得分为正确选项个数减错误选项个数,除以正确选项个数再乘以每题分值(负分记为0分)。
1.关于焊接结构的设计原则,说法正确的是:ACDA、减少焊缝的数量B、焊缝尽量布置在拉应力区C、焊缝尽量布置在压应力区D、尽量避免应力集中2.关于焊接内应力,说法正确的是:ADA、在焊缝区,焊接内应力通常是拉应力B、在焊缝区,焊接内应力通常是压应力C、焊接内应力的大小和焊缝变形大小成正比D、焊接内应力的大小和焊缝变形大小成反比3.高温情况下,可能产生的主要破坏形式:BCA、脆性断裂B、屈服极限的高温失效C、蠕变失效D、疲劳断裂4.关于层状撕裂,下列说法正确的是:ABDA、T型接头会产生层状撕裂B、减小焊接残余应力可以避免层状撕裂产生C、预热对避免层状撕裂产生没有帮助D、使用S355J2+Z25可以防止层状撕裂5.关于工字梁说法正确的是:ABDA、工字梁抗弯能力强B、相对于箱型梁,工字梁抗偏心载荷能力差C、通常,工字梁腹板要厚于翼板D、工字梁中,腹板容易出现局部失稳6.根据DIN18800-1,在静载工作条件下Δt至少为多少时,必须按图中方式处理:AA、10mmB、5mmC、3mmD、6mm7.关于腹板加强,说法正确的是:ABDA、腹板加强的主要目的是增加腹板的局部稳定性B、可以使用型材作为加强板C、受拉处需要加强D、受压处需要加强8.关于桁架梁说法正确的是:CDA、桁架梁不承受弯矩B、桁架梁结构只能选择使用空心型材C、相对于工字梁,桁架梁结构重量轻D、桁架梁中的腹杆只承受拉应力或压应力9.根据DASt-009(EN1993-1-10),为了防止脆性断裂,在选择材料的质量级别时,需考虑哪些因素?ACDA、环境因素B、焊接方法C、材料厚度D、应力状态10.关于立柱,说法正确的是:BCDA、立柱不承受弯矩B、立柱在现场安装时,应避免偏心C、开式结构立柱与其他部件连接方便D、闭式结构立柱能充分利用其截面积11.根据DIN18800-1,如果板厚为40mm,在冷弯区域焊接没有限制,冷弯半径至少为:ABA、400mmB、300mmC、20mmD、40mm12.框架转角结构的内转角不能设计成直角的原因是:BDA、不利于焊接制造B、理论上,转角局部应力无穷大C、会造成局部承受拉应力D、会造成局部失稳13.下列那些措施可以防止脆性断裂:ABA、降低应力集中B、使用高韧性材料C、使用高强度材料D、使用厚板材料14.KIc中的I是指: AA、裂纹为张开型扩展B、裂纹为滑移型扩展C、裂纹为撕裂型扩展D、无特别意义15.在抗弯梁设计中,如果截面积相同,下述哪个说法是正确的?ABA、方形断面的抗弯惯性矩比圆形断面的大B、空心断面中外形尺寸大而壁薄的断面,抗弯惯性矩比外形尺寸小而壁厚的大C、实心断面的抗弯惯性矩比空心的大D、以上说法都正确16.脆性断裂的影响因素包括:ACDA、应力状态B、焊接方法C、材料的韧塑性D、应力集中程度17.脆性断裂的特点是:BCDA、名义应力高B、名义应力低C、断裂前没有明显的塑性变形D、通常发生在低温条件下18.影响焊接结构疲劳强度的因素:ACDA、焊接接头形式B、材料抗拉强度C、应力集中D、焊接残余应力19.动载循环中,如果r=1,则说明:ABDA、σm=σminB、σm=σmaxC、σa=σmD、σmax=σmin20.开式结构与闭式结构相比,说法正确的是?BCA、开式结构抗扭能力比闭式结构强B、闭式结构比开式结构抗扭能力强C、开式结构方便施焊D、闭式结构焊接可达性好21.疲劳断裂的特点是:ABDA、低应力破坏B、破坏前无塑性变形C、对应力集中不敏感D、需要经历较长时间22.Δσ是指: AA、应力变化幅值B、应力振幅C、拉应力D、正应力23.关于疲劳强度许用应力设计法,说法正确的是:ABDA、没有考虑疲劳载荷的累积效应B、所有不确定因素涵盖在安全系数里,加以考虑C、校核公式为:Δσe≤[Δσ]D、校核公式为最大疲劳工作应力σmax≤许用应力[σr]24.下列说法正确的是:ABDA、焊缝种类包括对接焊缝和角焊缝B、对接焊缝包括完全熔透对接焊缝和未焊透对接焊缝C、T型接头上不可能有对接焊缝D、T型接头既可以是对接焊缝也可以是角焊缝25.铝合金的结构特点是:ACA、重量轻B、成本低C、防腐性能好D、高温条件下,强度高26.铝合金焊接时,坡口较大是因为:BCA、铝合金重量轻B、铝合金导热性能好(散热快)C、为了避免未融合D、铝合金焊接时会产生裂纹27、下列那些载荷会产生正应力:ABDA、拉伸载荷B、压缩载荷C、横向载荷D、弯曲载荷28.铝合金挤压型材的优点是:ABA、可以使焊缝不在最高应力区B、减少焊缝的数量C、降低成本D、改善铝合金的焊接性29.工字梁中,剪应力主要由下列哪部分承担: CA、上翼板B、下翼板C、腹板D、3个部分均匀承担30.按照GB150,关于焊缝分类说法正确的是:BCDA、所有环向焊缝都是B类焊缝B、凸形封头上的拼接焊缝都是A类C、法兰与壳体的非对接焊缝都是C类D、加强板与壳体的焊缝都是D类31.下列关于疲劳强度说法错误的是:BCA、疲劳强度是疲劳载荷作用N次而断裂时的应力B、疲劳强度就是屈服强度σs或σ0.2C、疲劳强度就是抗拉强度σpD、疲劳强度就是疲劳极限值32.碳钢焊接结构设计的静载许用应力应根据: DA、延伸率B、剪应力C、极限拉伸应力D、屈服应力33.疲劳强度是什么意思:CDA、疲劳强度就是抗拉强度σbB、疲劳强度就是屈服强度σs或σ0.2C、疲劳强度就是疲劳载荷作用N次而不断裂时的应力D、疲劳强度就是疲劳极限值34.决定断裂韧性指标KIc的主要因素是:ABDA、应力σ的大小B、裂纹的尺寸C、裂纹的位置D、环境温度35.下述哪些说法是错误的:BCA、横向加强配置在具有较大剪力的区域内B、横向加强配置在具有较大弯矩的区域内C、纵向加强配置在具有较大剪力的区域内D、纵向加强配置在具有较大弯矩的区域内36.压力容器条例包括以下哪几种技术规程: DA、TRD、TRR、TRGB、TRR、TRB、TRDC、TRD、TRB、TRG D、TRB、TRG、TRR37.铝合金焊缝表面喷丸的作用:ADA、提高构件寿命B、对铝合金构件基本无影响C、对铝合金构件有负面影响D、提高疲劳强度38.铝合金结构相对刚结构有哪些优点:BDA、承载能力强B、重量轻C、更容易制造D、无低温脆断倾向39.下列那些接头应避免在承受疲劳载荷时使用: DA、表面加工的双面焊全熔透焊接接头B、双面焊全熔透焊接接头C、表面加工的单面焊全熔透焊接接头D、带永久性衬垫的全熔透焊接接头40.部分焊透的不等厚板双面对接焊缝的熔深为: BA、母材厚度B、较薄母材厚度减去未熔透厚度C、母材厚度的3/4D、双面焊缝金属熔透量的焊缝金属厚度之和41.求矩形截面梁所承受的正应力:ABA、100N/mm²B、10KN/cm²C、10N/mm²D、1KN/cm²42.梁可以承受哪种载荷: AA、轴向载荷、横向载荷、弯曲载荷B、只承受轴向载荷C、只承受横向载荷D、只承受弯曲载荷43.计算支座反作用力: AA、A=37.5KNB、A=12.5KNC、B=37.5KND、B=16KN44.求上翼板的加强版(图中阴影部分),对y轴的静钜: AA、2580cm³B、3280cm³C、2460cm³D、3440cm³45.已知一断续焊接焊缝,一下说法正确的是:ACDA、a表示焊缝厚度B、n表示单个焊缝条数C、l表示单个焊缝长度D、e表示间隔46.按DIN18800T1杆件连接时最小焊接长度的限定: CA、5倍有效焊缝厚度B、6倍有效焊缝厚度D、6倍有效焊缝厚度,同时要求最小焊接长度大于40mm47.计算屈强比时用到哪些特征值:ABA、屈服强度B、抗拉强度C、硬度D、冲击功48.下列说法正确的是:ABCA、轴向力引起的正应力B、剪力引起的剪切应力C、弯矩引起的正应力D、扭矩引起的正应力49.哪些因素与对接焊缝坡口形式有关:ABCA、所选择的材料B、材料厚度C、所选择的焊接方法D、焊接填充材料50.承受动载荷的构件,两对接接头的板厚差不许超过(超过必须将板加工成斜坡状):AA、3mmB、5mmC、2mmD、6mm51.角焊缝的焊缝厚度为8mm,实际焊接完后的焊缝厚度为10mm,则焊缝体积增加了:AA、56%B、36%C、40% D70%52.验证立柱在压力作用下的稳定性时,需考虑的参量:ABCA、街面的惯性矩B、长细比C、横截面面积D、材料的质量等级53.下列接头中,疲劳强度按从大到小的排列顺序为: AA、1>2>3B、2>1>3C、3>2>1D、3>1>254.对焊接接头进行计算时,应考虑以下问题:ACA、不考虑应力分布不均匀(应力集中)B、必须考虑应力分布不均匀(应力集中)C、不考虑焊接残余应力D、必须考虑焊接残余应力55.下列说法正确的是:ABCA、COD是材料受载后裂纹尖端张开位移B、裂纹尖端张开位移临界值δc是材料断裂韧性指标之一C、COD能反映裂纹尖端能量聚集和金属硬化变脆的程度D、COD是用来确定焊接接头不同部位的韧性56.下列说法正确的是:ABA、断续焊缝主要用于薄壁构件和横向及纵向加强的场合B、关于断续焊缝的最小焊缝厚度,与所焊材料的最大板厚有关C、关于断续焊缝的最小焊缝厚度,与所焊材料的板厚没有任何关系D、断续焊缝可以用于动载结构中57.压力容器中角焊缝的焊缝厚度(S为壳体厚度): DA、0.7SB、根号S-0.5C、0.6SD、按照所采用的设计规范而确定58.焊接压力装置中,焊缝减弱系数与哪些因素有关:ABCA、检验范围B、壁厚C、热处理D、焊缝的破口形式59.以下说法正确的是:ABCA、压力容器壁厚与内部压力大小有关B、压力容器壁厚与容器直径有关C、压力容器壁厚与材料的许用应力有关D、压力容器壁厚与材料的许用应力无关60.关于焊接压力容器,以下说法正确的是: AA、纵缝所承受的载荷是环缝的两倍B、纵缝所承受的载荷是环缝的三倍C、纵缝所承受的载荷和环缝所承受的载荷D、纵缝所承受的载荷时环缝的四倍出师表两汉:诸葛亮先帝创业未半而中道崩殂,今天下三分,益州疲弊,此诚危急存亡之秋也。
国际焊接工程师IWE结构部分复参考题1.承受静载的焊接结构,断裂形式为:※A.脆性断裂;B.蠕变失效;C.失稳破坏;D.疲劳断裂。
2.在热负荷状态下,将导致;※A.低温脆性断裂;B.疲劳断裂;C.高温蠕变失效;D.形变断裂。
3.产生层状撕裂的原因,主要是:※A.轧制板材中平行于表面的非金属物夹层;B. 轧制板材中C.在厚度方向上的应力;D.平行于板表面的载荷过大。
4.层状撕裂主要发生在:※A.厚板的T型或十字街头;B.受剪切应力的搭接接头;C.沿板厚方向承受较大的应力接头;D板厚的对接接头。
5. 层状撕裂的防止办法有:A.焊缝连接的基础尽可能小;B.焊道数量应多;C.采用对接焊接;D.缓冲连接范围。
6.脆性断裂的决定因素:※A.焊接缺陷;B.多变载荷;C.加载速度;D.焊接应力;E.温度。
7.疲劳断裂的决定因素:※A.焊接缺陷;B. 多变载荷;C. 加载速度;D. 焊接应力;E. 温度。
8. 脆性断裂与疲劳断裂的的主要区别:※A.载荷方式不同,有静载、动载之分;B.完成时间不同;C.温度影响不一样;D.断口形状不一样。
9.板厚相差4㎜,单侧削边至少应为:A.4㎜;B.12㎜;C16㎜;.D20㎜。
10.承受动载的对接接头设计时,如果两个板差8㎜,则双侧削斜为:A.8㎜;B.16㎜;C.24㎜;D.32㎜11.不同板厚的对接接头,当板厚差多少时,应加工过渡斜面?A. 2㎜;B. 3㎜;C>4㎜.; D>6㎜.12.接头设计及焊接中,应注意的问题;※A.应保证构件上的作用力均匀分布,避免不必要的应力集中;B.不可避免的缺口,应尽量布置在地应力区或受拉应力区;C.保证良好的焊接质量,避免产生表面积内在的缺陷;D.对于截面变化较大的部位应采取较小的过渡半径。
13.对于下列3种结构,疲劳断裂的危险性顺序为:※A.2≤1≤3;B. 3≤1≤2;C. 2≤3≤1;D. 1≤3≤2。
13214.关于固定支座,下列哪种说法正确?A.有两个自由度,一个未知力;B. 有一个自由度,两个未知力;C.无自由度,一个未知力;D. 有一个自由度,一个未知力。
IWE 参考题1.承受静载的焊接结构,断裂形式为:※ACA. 脆性断裂;B.蠕变失效;C.失稳破坏;D.疲劳断裂。
2.在热负荷状态下,将导致;※ ACA .低温脆性断裂;B.疲劳断裂;C.高温蠕变失效;D.形变断裂。
3.产生层状撕裂的原因,主要是:※ ACC. 在厚度方向上的应力;D.平行于板表面的载荷过大。
4.层状撕裂主要发生在:※ ACA.厚板的T 型或十字街头;B.受剪切应力的搭接接头;向承受较大的应力接头;D 板厚的对接接头。
5.层状撕裂的防止办法有:CDA.焊缝连接的基础尽可能小;B.焊道数量应多;C.采用对接焊接;D.缓冲连接范围 6.脆性断裂的决定因素:CE 探A. 焊接缺陷;B.多变载荷;C.加载速度;D.焊接应力;E.温度。
7.疲劳断裂的决定因素:※ ABA.焊接缺陷;B.多变载荷;C.加载速度;D.焊接应力;E.温度。
8.脆性断裂与疲劳断裂的的主要区别:※BCDA.载荷方式不同,有静载、动载之分;B.完成时间不同;C.温度影A.轧制板材中平行于表面的非金属物夹层;B.轧制板材中C.沿板厚方响不一样;D.断口形状不一样。
A.4 mm ;B.12 mm ; C16 mm ; .D20 mm 。
10.承受动载的对接接头设计时,如果两个板差8 mm 则双侧削斜为:A.8 mm ;B.16 mm ;C.24 mm ;D.32 m11.不同板厚的对接接头,当板厚差多少时,应加工过渡斜面A. 2 mm ;B. 3 mm ; C>4 mm.; D >6 mm. 12.接头设计及焊接中,应注意的问题;※ ADA.应保证构件上的作用力均匀分布,避免不必要的应力集中B. 不可避免的缺口,应尽量布置在地应力区或受拉应力区;C. 保证良好的焊接质量,避免产生表面积内在的缺陷;D. 对于截面变化较大的部位应采取较小的过渡半径13.对于下列3种结构,疲劳断裂的危险性顺序为:※BA.2 w K 3;B. 3< 1< 2;C. 2< 3< 1;D. K 3< 2。
IWE结构模块姓名答题前认真阅读,不定项选择题,每题1-4个正确答案;计分规则:若某题选项完全正确,得分为满分;若不完全正确,得分为正确选项个数减错误选项个数,除以正确选项个数再乘以每题分值(负分记为0分)。
1.关于焊接结构的设计原则,说法正确的是:ACDA、减少焊缝的数量B、焊缝尽量布置在拉应力区C、焊缝尽量布置在压应力区D、尽量避免应力集中2.关于焊接内应力,说法正确的是:ADA、在焊缝区,焊接内应力通常是拉应力B、在焊缝区,焊接内应力通常是压应力C、焊接内应力的大小和焊缝变形大小成正比D、焊接内应力的大小和焊缝变形大小成反比3.高温情况下,可能产生的主要破坏形式:BCA、脆性断裂B、屈服极限的高温失效C、蠕变失效D、疲劳断裂4.关于层状撕裂,下列说法正确的是:ABDA、T型接头会产生层状撕裂B、减小焊接残余应力可以避免层状撕裂产生C、预热对避免层状撕裂产生没有帮助D、使用S355J2+Z25可以防止层状撕裂5.关于工字梁说法正确的是:ABDA、工字梁抗弯能力强B、相对于箱型梁,工字梁抗偏心载荷能力差C、通常,工字梁腹板要厚于翼板D、工字梁中,腹板容易出现局部失稳6.根据DIN18800-1,在静载工作条件下Δt至少为多少时,必须按图中方式处理:AA、10mmB、5mmC、3mmD、6mm7.关于腹板加强,说法正确的是:ABDA、腹板加强的主要目的是增加腹板的局部稳定性B、可以使用型材作为加强板C、受拉处需要加强D、受压处需要加强8.关于桁架梁说法正确的是:CDA、桁架梁不承受弯矩B、桁架梁结构只能选择使用空心型材C、相对于工字梁,桁架梁结构重量轻D、桁架梁中的腹杆只承受拉应力或压应力9.根据DASt-009(EN1993-1-10),为了防止脆性断裂,在选择材料的质量级别时,需考虑哪些因素?ACDA、环境因素B、焊接方法C、材料厚度D、应力状态10.关于立柱,说法正确的是:BCDA、立柱不承受弯矩B、立柱在现场安装时,应避免偏心C、开式结构立柱与其他部件连接方便D、闭式结构立柱能充分利用其截面积11.根据DIN18800-1,如果板厚为40mm,在冷弯区域焊接没有限制,冷弯半径至少为:ABA、400mmB、300mmC、20mmD、40mm12.框架转角结构的内转角不能设计成直角的原因是:BDA、不利于焊接制造B、理论上,转角局部应力无穷大C、会造成局部承受拉应力D、会造成局部失稳13.下列那些措施可以防止脆性断裂:ABA、降低应力集中B、使用高韧性材料C、使用高强度材料D、使用厚板材料14.KIc中的I是指: AA、裂纹为张开型扩展B、裂纹为滑移型扩展C、裂纹为撕裂型扩展D、无特别意义15.在抗弯梁设计中,如果截面积相同,下述哪个说法是正确的?ABA、方形断面的抗弯惯性矩比圆形断面的大B、空心断面中外形尺寸大而壁薄的断面,抗弯惯性矩比外形尺寸小而壁厚的大C、实心断面的抗弯惯性矩比空心的大D、以上说法都正确16.脆性断裂的影响因素包括:ACDA、应力状态B、焊接方法C、材料的韧塑性D、应力集中程度17.脆性断裂的特点是:BCDA、名义应力高B、名义应力低C、断裂前没有明显的塑性变形D、通常发生在低温条件下18.影响焊接结构疲劳强度的因素:ACDA、焊接接头形式B、材料抗拉强度C、应力集中D、焊接残余应力19.动载循环中,如果r=1,则说明:ABDA、σm=σminB、σm=σmaxC、σa=σmD、σmax=σmin20.开式结构与闭式结构相比,说法正确的是? BCA、开式结构抗扭能力比闭式结构强B、闭式结构比开式结构抗扭能力强C、开式结构方便施焊D、闭式结构焊接可达性好21.疲劳断裂的特点是: ABDA、低应力破坏B、破坏前无塑性变形C、对应力集中不敏感D、需要经历较长时间22.Δσ是指: AA、应力变化幅值B、应力振幅C、拉应力D、正应力23.关于疲劳强度许用应力设计法,说法正确的是: ABDA、没有考虑疲劳载荷的累积效应B、所有不确定因素涵盖在安全系数里,加以考虑C、校核公式为:Δσe≤[Δσ]D、校核公式为最大疲劳工作应力σmax≤许用应力[σr]24.下列说法正确的是: ABDA、焊缝种类包括对接焊缝和角焊缝B、对接焊缝包括完全熔透对接焊缝和未焊透对接焊缝C、T型接头上不可能有对接焊缝D、T型接头既可以是对接焊缝也可以是角焊缝25.铝合金的结构特点是: ACA、重量轻B、成本低C、防腐性能好D、高温条件下,强度高26.铝合金焊接时,坡口较大是因为: BCA、铝合金重量轻B、铝合金导热性能好(散热快)C、为了避免未融合D、铝合金焊接时会产生裂纹27、下列那些载荷会产生正应力: ABDA、拉伸载荷B、压缩载荷C、横向载荷D、弯曲载荷28.铝合金挤压型材的优点是: ABA、可以使焊缝不在最高应力区B、减少焊缝的数量C、降低成本D、改善铝合金的焊接性29.工字梁中,剪应力主要由下列哪部分承担: CA、上翼板B、下翼板C、腹板D、3个部分均匀承担30.按照GB150,关于焊缝分类说法正确的是: BCDA、所有环向焊缝都是B类焊缝B、凸形封头上的拼接焊缝都是A类C、法兰与壳体的非对接焊缝都是C类D、加强板与壳体的焊缝都是D类31.下列关于疲劳强度说法错误的是: BCA、疲劳强度是疲劳载荷作用N次而断裂时的应力B、疲劳强度就是屈服强度σs或σ0.2C、疲劳强度就是抗拉强度σpD、疲劳强度就是疲劳极限值32.碳钢焊接结构设计的静载许用应力应根据: DA、延伸率B、剪应力C、极限拉伸应力D、屈服应力33.疲劳强度是什么意思:CDA、疲劳强度就是抗拉强度σbB、疲劳强度就是屈服强度σs或σ0.2C、疲劳强度就是疲劳载荷作用N次而不断裂时的应力D、疲劳强度就是疲劳极限值34.决定断裂韧性指标KIc的主要因素是:ABDA、应力σ的大小B、裂纹的尺寸C、裂纹的位置D、环境温度35.下述哪些说法是错误的:BCA、横向加强配置在具有较大剪力的区域内B、横向加强配置在具有较大弯矩的区域内C、纵向加强配置在具有较大剪力的区域内D、纵向加强配置在具有较大弯矩的区域内36.压力容器条例包括以下哪几种技术规程: DA、TRD、TRR、TRGB、TRR、TRB、TRDC、TRD、TRB、TRG D、TRB、TRG、TRR37.铝合金焊缝表面喷丸的作用:ADA、提高构件寿命B、对铝合金构件基本无影响C、对铝合金构件有负面影响D、提高疲劳强度38.铝合金结构相对刚结构有哪些优点:BDA、承载能力强B、重量轻C、更容易制造D、无低温脆断倾向39.下列那些接头应避免在承受疲劳载荷时使用: DA、表面加工的双面焊全熔透焊接接头B、双面焊全熔透焊接接头C、表面加工的单面焊全熔透焊接接头D、带永久性衬垫的全熔透焊接接头40.部分焊透的不等厚板双面对接焊缝的熔深为: BA、母材厚度B、较薄母材厚度减去未熔透厚度C、母材厚度的3/4D、双面焊缝金属熔透量的焊缝金属厚度之和41.求矩形截面梁所承受的正应力:ABA、100N/mm²B、10KN/cm²C、10N/mm²D、1KN/cm²42.梁可以承受哪种载荷:AA、轴向载荷、横向载荷、弯曲载荷B、只承受轴向载荷C、只承受横向载荷D、只承受弯曲载荷43.计算支座反作用力: AA、A=37.5KNB、A=12.5KNC、B=37.5KND、B=16KN44.求上翼板的加强版(图中阴影部分),对y轴的静钜: AA、2580cm³B、3280cm³C、2460cm³D、3440cm³45.已知一断续焊接焊缝,一下说法正确的是:ACDA、a表示焊缝厚度B、n表示单个焊缝条数C、l表示单个焊缝长度D、e表示间隔46.按DIN18800T1杆件连接时最小焊接长度的限定: CA、5倍有效焊缝厚度B、6倍有效焊缝厚度D、6倍有效焊缝厚度,同时要求最小焊接长度大于40mm47.计算屈强比时用到哪些特征值:ABA、屈服强度B、抗拉强度C、硬度D、冲击功48.下列说法正确的是:ABCA、轴向力引起的正应力B、剪力引起的剪切应力C、弯矩引起的正应力D、扭矩引起的正应力49.哪些因素与对接焊缝坡口形式有关:ABCA、所选择的材料B、材料厚度C、所选择的焊接方法D、焊接填充材料50.承受动载荷的构件,两对接接头的板厚差不许超过(超过必须将板加工成斜坡状):AA、3mmB、5mmC、2mmD、6mm51.角焊缝的焊缝厚度为8mm,实际焊接完后的焊缝厚度为10mm,则焊缝体积增加了:AA、56%B、36%C、40% D70%52.验证立柱在压力作用下的稳定性时,需考虑的参量:ABCA、街面的惯性矩B、长细比C、横截面面积D、材料的质量等级53.下列接头中,疲劳强度按从大到小的排列顺序为: AA、1>2>3B、2>1>3C、3>2>1D、3>1>254.对焊接接头进行计算时,应考虑以下问题:ACA、不考虑应力分布不均匀(应力集中)B、必须考虑应力分布不均匀(应力集中)C、不考虑焊接残余应力D、必须考虑焊接残余应力55.下列说法正确的是:ABCA、COD是材料受载后裂纹尖端张开位移B、裂纹尖端张开位移临界值δc是材料断裂韧性指标之一C、COD能反映裂纹尖端能量聚集和金属硬化变脆的程度D、COD是用来确定焊接接头不同部位的韧性56.下列说法正确的是:ABA、断续焊缝主要用于薄壁构件和横向及纵向加强的场合B、关于断续焊缝的最小焊缝厚度,与所焊材料的最大板厚有关C、关于断续焊缝的最小焊缝厚度,与所焊材料的板厚没有任何关系D、断续焊缝可以用于动载结构中57.压力容器中角焊缝的焊缝厚度(S为壳体厚度): DA、0.7SB、根号S-0.5C、0.6SD、按照所采用的设计规范而确定58.焊接压力装置中,焊缝减弱系数与哪些因素有关:ABCA、检验范围B、壁厚C、热处理D、焊缝的破口形式59.以下说法正确的是:ABCA、压力容器壁厚与内部压力大小有关B、压力容器壁厚与容器直径有关C、压力容器壁厚与材料的许用应力有关D、压力容器壁厚与材料的许用应力无关60.关于焊接压力容器,以下说法正确的是: AA、纵缝所承受的载荷是环缝的两倍B、纵缝所承受的载荷是环缝的三倍C、纵缝所承受的载荷和环缝所承受的载荷D、纵缝所承受的载荷时环缝的四倍。
1.按ISO2553进行焊缝图示是,在为不说明符号后面可以给处下述哪些内容?※A.施焊焊工的号码B.焊接位置C.焊接电源种类D.按ISO5817的评定组别E.焊接方法2.如采用X型对接焊取代V型对接焊:A.焊接接头性能提高B.焊接金属耗材降低C.焊接成本降低D.横向收缩增大E.收缩角度增大3.关于焊缝许用应力的选择,下述哪些说法是正确的?A.与焊缝的接头形式有关B.与母材本身的需用应力有关C.环境条件对焊缝许用应力无影响D.焊缝许用应力的选择与应力状态无关E.焊缝许用应力的选择与焊缝质量级别无关4.焊接结构设计方法之一是按许用应力设计,计算焊缝强度时,是否有焊缝许用应力A.计算焊缝强度时,使用母材许用应力,并不另外有焊缝许用应力的概念B.计算焊缝强度时,应当采用焊缝许用应力C.焊缝许用应力始终是母材许用应力同一数值D.焊缝许用应力不一定等于母材许用应力,数值也可以小于母材许用应力E.焊缝许用应力不一定等于母材许用应力,数值也可以大于母材许用应力5.图1557中所示截面的惯性矩IX为:A.592cm4B.576cm4C.632cm4D.608cm4E.620cm46. 下述哪些关于正应力的说法是正确的?※A.正应力平行地作用于截面B.正应力是由轴向力和弯矩产生的C.在承受弯曲载荷的梁上不会出现弯曲拉应力和弯曲压应力D.人们把正应力划分为拉和压应力及弯曲拉应力和弯曲压应力E.纯剪力载荷能够产生正应力7. 在图示5种薄壁型材中,哪些会出现扭转?※(把焊缝计算ⅢIWE-3/3.3 2/6中的各种型钢的在受不在中心力的作用时将受到什么力?仔细看一下)8.出于焊接技术方法原因,在DIN18800标准中,对于角焊接的焊缝厚度推荐了界限值,下述哪些关系对于※A.a的最小值≥4B.a的最大值≤0.7×tminC.a的最小值(tmin)^(1/2)-0.5D.A的最大值≤0.7×tmaxE.a的最小值≥(tmax)^(1/2)-0.59.裂韧性研究和应用中,裂纹尖端张开唯一(COD)法主要用于哪些情况?※A.适用弹塑性断裂力学B.使用线弹塑性断裂力学C.主要适用于塑性较好的中、低强度钢D.主要适用于超高强度钢E.可用小试样间接求得材料平面应变断裂韧性KIC10.用断裂力学研究焊接结构中疲劳裂纹扩展规律,其影响裂纹扩展速率(da/dN)的A.应力振幅B.平均应力C.裂纹长度aD.最大应力E.疲劳强度11.哪种结构的脆断倾向较小?A.厚壁接头B.薄壁接头C.在厚壁和薄壁构件之间的可以自由收缩的接头D.在厚壁和薄壁构件之间的不能自由收缩的接头E.具有较高C和N含量的材料12.焊接接头的疲劳强度之所以比铆焊等其它连接的疲劳强度小,其原因是:A.焊接接头性能不均匀B.焊接缺陷C.焊接接头应力集中D.焊接应力变形E.结构整体性13.疲劳强度用σ0表示,是什么意思?A.应力循环内最大应力σmax=0B.应力循环内最小应力σmin=0C.应力循环内的平均应力σm=0D.应力循环内的最大应力与最小应力相等,即σmax=σminE.应力循环内的振幅为014.断裂韧性Klc受哪些因素影响?A.温度B.试样高度C.加载速度D.试样材料15.焊接结构设计时,为有效防止层状撕裂,下列哪些说法为正确:A.与焊缝有效厚度aD有关B.与接头型式和焊缝位置有关C.与结构及焊缝区域的刚性无关D.与焊接工艺无关E.与材料的韧性无关16.在承受主要静载的状态下,构件将发生以下哪些破坏形式?A.蠕变B.脆性断裂C.层状撕裂D.失稳破坏E.疲劳断裂17.同一材料和相同材料用量的梁构件,截面面积相同而截面形状不同,如※A.空心截面比实心截面好B.空心截面中方形比圆形好C.空心截面中,封闭型比不封闭型截面好D.空心封闭型各种截面中,构件厚度满足设计要求情况下,包围的面积E.空心封闭型各种截面中,方型或矩型截面比圆型者好18.压力容器条例适用于下列哪些设备?※A.蒸汽锅炉B.高压锅C.输送可燃性气体的管道D.机器部件E.临界温度<50℃,蒸汽压力>3bar压缩气体设备19.20.2122.图示承受动载的构件,疲劳断裂的危险按怎样顺序增大?(图同IWE参考复习题)※A.1<2<3B.2<3<1C.3<2<1D.3<1<2E.1<3<223.影响焊接接头疲劳强度的因素,下列哪几项是对的?※A.对接接头的焊缝余高增加,疲劳强度下降B.T形接头和十字接头比对接接头的疲劳强度低得多C.增加角焊缝尺寸总会提高疲劳强度D.焊态的接头和焊后消除内应力处理过同样的接头,疲劳强度几乎相同E.焊接接头表面缺陷对疲劳强度的影响比内部缺陷者大24.在按内压计算压力容器所要求的壁厚时,应考虑什么?※A.环境温度B.由于腐蚀导致的损耗C.制造公差D.保温层的重量E.构件的几何形状,如:接管尺寸25.一般情况下,作为高温使用的焊接接头强度特性值K要考虑哪项?※A.蠕变极限B.持久强度C.持久塑性D.抗拉强度E.屈服强度26.根据AD规程,在压力容器计算时,其计算压力应包括下列哪些压力?※A.许用工作压力B.静态液体压力C.介质的腐蚀应力D.检验压力E.材料的抗拉强度27.钢材的高温短时拉伸性能应包括下列哪些数据?※A.高温抗拉强度B.高温屈服点C.高温冲击吸收功D.高温伸长量E.高温硬度28.锅炉受压部件和压力容器应尽量采用应力集中系数低的焊接接头,下列哪些是低应力集中... A.1,3,4,5B.1,2,4,5C.1,3,4D.1,2,3E.1,4,529.压力容器的单层受压壳体上的焊接接头,按其受力状态和所处部位,分为A、B、C、D(※这道题题型变了主要问的是容器的环缝B、纵缝A这个图主要参考针对ISO9606/EN287标准的练习 IWE-3/4.9-10中的图12气体储罐)A.筒身与法兰相连的角接接头B.在筒身表面堆焊接头C.人孔圈与筒身的角接接头D.法兰和接管相连的角接接头E.支座与筒身相接的角接接头30.与结构钢比较铝的优点为:※A.更轻,且更加耐腐蚀B.更高的韧性C.更好的经济性D.更佳的焊接性E.无优点31.用何种焊接方法允许焊接由BST500S钢筋构成的承载搭接接头※A.E(手工电弧焊)B.MAG(CO2)C.RA (闪光对焊)D.RP(电阻点焊)E.MAGM(混合气体)32.静不定系统有哪些优点?A.构件变形受阻B.计算时与材料无关C.能经济地充分利用所使用材料的截面D.有利于防止腐蚀E.容易计算33.应力及应变※A.只在比例上有所不同(如:应力等于几倍的应变)B.具有相同的意思C.二者根本无关D.意思不同,但二者具有一定的关系34.在焊接结构中为什么应尽可能避免交叉焊缝?※A.由于重量的原因B.由于散热差C.由于存在产生很高内应力的危险D.由于难于进行焊接操作E.由于缺口效应35.36.Array 37.在冷变形区域内,不允许焊接的区域a是如何确定的?※图953A.a=4tB.a=5tC.a=6tD.a=r/tE.a=3t38.对于框架的角部,在图示弯矩载荷作用下存在哪些危险?(见图697)A .外翼板相对腹板撕裂B .内翼板相对腹板撕裂C .外翼板相对腹板压紧D .内翼板相对腹板压紧E .腹板的翘曲变形39.在DASt-009规程汇中(脆性断裂的影响因素---),哪些参数起决定性作用?※ A .工件的厚度 B .防腐种类 C .予热温度 D .环境温度 E .应力状态40.非镇静钢轧制塑材肋板的焊接连接,图1194中哪些情况是允许的?(※这道题题型变了图形主要看主静载钢结构ⅠⅡⅢⅣ IWE-3./3.6-9 17/40中的图55) A . B . C .D . E哪种载荷能使极限应力比为-0.5:A 动载;B 交变载荷;C 静载,D 脉动载荷,E 热载荷例1 图2-85 大型储罐的合理装配焊接顺序:① 中部板焊成长条:从中心,向两侧焊; ② 中部板连成大板:从中心,向两侧焊;③对接壁板之下的局部底板对接焊缝;④对称焊接壁板与边板之间的环缝;⑤焊接边板其余的焊缝;⑥最后焊接中部板与边板之间的焊缝。
IWE参考题1.承受静载的焊接结构,断裂形式为:※(脆性断裂、形变断裂、层状撕裂和失稳破坏)A.脆性断裂;B.蠕变失效;C.失稳破坏;D.疲劳断裂。
2.在热负荷状态下,将导致;※(低温脆性断裂和高温蠕变失效)A.低温脆性断裂;B.疲劳断裂;C.高温蠕变失效;D.形变断裂。
3.产生层状撕裂的原因,主要是:※(T和十存在夹杂+ 应力)A.轧制板材中平行于表面的非金属物夹层;B. 轧制板材中C.在厚度方向上的应力;D.平行于板表面的载荷过大。
4.层状撕裂主要发生在:※A.厚板的T型或十字街头;B.受剪切应力的搭接接头;C.沿板厚方向承受较大的应力接头;D板厚的对接接头。
5. 层状撕裂的防止办法有:A.焊缝连接的基础尽可能小;B.焊道数量应多;C.采用对接焊接;D.缓冲连接范围。
6.脆性断裂的决定因素:※A.焊接缺陷;B.多变载荷;C.加载速度;D.焊接应力;E.温度。
7.疲劳断裂的决定因素:※A.焊接缺陷;B. 多变载荷;C. 加载速度;D. 焊接应力;E. 温度。
8. 脆性断裂与疲劳断裂的的主要区别:※A.载荷方式不同,有静载、动载之分;B.完成时间不同;C.温度影响不一样;D.断口形状不一样。
9.板厚相差4㎜,单侧削边至少应为:A.4㎜;B.12㎜;C16㎜;.D20㎜。
10.承受动载的对接接头设计时,如果两个板差8㎜,则双侧削斜为:A.8㎜;B.16㎜;C.24㎜;D.32㎜11.不同板厚的对接接头,当板厚差多少时,应加工过渡斜面?A. 2㎜;B. 3㎜;C>4㎜.; D>6㎜.12.接头设计及焊接中,应注意的问题;※A.应保证构件上的作用力均匀分布,避免不必要的应力集中;B.不可避免的缺口,应尽量布置在地应力区或受拉应力区;C.保证良好的焊接质量,避免产生表面积内在的缺陷;D.对于截面变化较大的部位应采取较小的过渡半径。
13.对于下列3种结构,疲劳断裂的危险性顺序为:※A.2≤1≤3;B. 3≤1≤2;C. 2≤3≤1;D. 1≤3≤2。
IWE参考题(焊接结构)1承受静载的焊接结构,其主要断裂形式为:A 脆性断裂;B 蠕变失效;C 失稳破坏;D 疲劳断裂。
2在热负荷状态下,将导致:A 低温脆性断裂;B 疲劳断裂;C 高温蠕变失效;D 形变断裂。
3 产生层状撕裂的原因,主要是:A 轧制板材中平行于表面的非金属物夹层;B 轧制板材中垂直于表面的非金属物夹层;C 在厚度方向上的应力; D平行于板材表面的载荷过大。
4层状撕裂主要发生在:A 厚板的T型或十字接头;B 受剪切应力的搭接接头;C 沿板厚方向承受较大应力的接头;D 厚板的对接接头。
5 层状撕裂的防止办法有:A 焊接连接基础尽可能的小;B 焊道数应多;C 采用对称焊接;D 缓冲连接范围。
6 脆性断裂的决定因素:A 焊接缺陷;B 多变载荷;C 加载速度;D 焊接应力;E 温度。
7 疲劳断裂的决定因素:A 焊接缺陷;B 多变载荷;C 加载速度;D 焊接应力;E 温度。
8脆性断裂与疲劳断裂的主要区别在于:A 载荷方式不同,有静载、动载之分;B 完成时间不同;C 温度影响不一样;D 断口形状不一样。
9板厚相差4mm,单侧削边至少应为:A 4mm;B 12mm;C 16mm;D 20mm.10承受动载的对接接头设计时,如果两个板差为8mm,则双侧削斜为:A 8mm;B 16mm;C 24mm;D 32mm。
11 不同板厚的对接接头,当板厚差为多少时,应加工过渡斜面?A >2mm;B >3mm;C >4mm;D >6mm。
12接头设计及焊接中,应注意的问题:A 应保证构件上的作用力均匀分布,避免不必要的应力集中;B 对不可避免的缺口,应尽量布置在低应力区或受拉应力区;C 保证良好的焊接质量,避免产生表面及内在的缺陷;D 对于截面变化较大的部位应采取较小的过渡半径。
13对于下列3种结构,疲劳断裂的危险性顺序为:A 2≤1≤3;B 3≤1≤2;C 2≤3≤1;D 1≤3≤2。
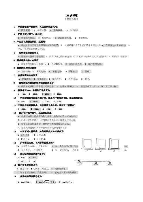
1. 关于焊接结构的设计原则,说法正确的是:A. 减少焊缝的数量B. 焊缝尽量布置在拉应力区C. 焊缝尽量布置在压应力区D.尽量避免应力集中2. 关于焊接内应力,说法正确的是:A. 在焊缝区,焊接内应力通常是拉应力B. 在焊缝区,焊接内应力通常是压应力C. 焊接内应力的大小和焊接变形的大小成正比D. 焊接内应力的大小和焊接变形的大小成反比3. 高温情况下,可能产生的主要破坏形式:A. 脆性断裂B. 屈服极限的高温失效C.蠕变失效D. 疲劳断裂4. 关于层状撕裂,下列说法正确的是:A. T型接头会产生层状撕裂B. 减小焊接残余应力可以避免层状撕裂产生C. 预热对避免层状撕裂产生没有帮助D. 可以S355J2+Z25防止层状撕裂5. 关于工字梁说法正确的是:A. 工字梁抗弯能力强B. 相对于箱型梁,工字梁抗偏心载荷能力差C. 通常,工字梁的腹板要厚于翼板D. 工字梁中,腹板容易出现局部失稳6. 根据DIN18800-1,在静载工作条件下Δt至少为多少时,必须按图中方式处理:A. 10mmB. 5mmC.3mmD. 6mm7. 关于腹板加强,说法正确的是:A. 腹板加强的主要目的是增加腹板的局部稳定性B. 可以使用型材做为加强板C. 受拉处需要加强D. 受压处需要加强8. 关于桁架梁说法正确的是:A. 桁架梁不承受弯矩B. 桁架梁结构只能选择使用空心型材C. 相对于工字梁,桁架梁结构重量轻D. 桁架梁中的腹杆只承受拉应力或压应力9. 根据DASt-009(EN1993-1-10),为了防止脆性断裂,在选择材料的质量级别时,需考虑那些因素?A. 环境温度B. 焊接方法C. 材料厚度D. 应力状态10. 关于立柱,说法正确的是:A. 立柱不承受弯矩B. 立柱在现场安装时,应避免偏心C. 开式结构立柱与其它部件连接方便D. 闭式结构立柱能充分利用其截面积11. 根据DIN18800-1,如果板厚为40mm,在冷弯区域焊接没有限制,冷弯半径至少为?A. 400mmB. 300mmC. 20mmD. 40mm12. 框架转角结构的内转角不能设计成直角原因是:A. 不利于焊接制造B. 理论上,转角局部应力无穷大C. 会造成局部承受拉应力D. 会造成局部失稳13. 下列哪些措施可以防止脆性断裂:A. 降低应力集中B. 使用高韧性材料C. 使用高强度材料D. 使用厚板材料14. KIC中的I是指:A. 裂纹为张开型扩展B. 裂纹为滑移型扩展C. 裂纹为撕裂型扩展D. 无特别意义15在抗弯梁设计中,如果截面积相同,下述哪个说法是正确的?A. 方形断面的抗弯惯性矩比圆形断面的大B. 空心断面中外形尺寸大而壁薄的断面,抗弯惯性矩比外形尺寸小而壁厚的大C. 实心断面的抗弯惯性矩比空心的大D. 以上说法都正确16. 脆性断裂的影响因素包括:A. 应力状态B. 焊接方法C. 材料的韧塑性D. 应力集中程度17. 脆性断裂的特点是:A. 名义应力高B. 名义应力低C. 断裂前没有明显的塑性变形D.通常发生在低温条件下18. 影响焊接结构疲劳强度的因素:A. 焊接接头形式B. 材料的抗拉强度C. 应力集中D. 焊接残余应力19. 动载循环中,如果r=1,则说明:A. σm= σminB. σm= σmaxC. σa= σmD. σmax= σmin20. 开式结构与闭式结构相比,说法正确的是?A. 开式结构抗扭能力比闭式结构强B. 闭式结构比开式结构抗扭能力强C. 开式结构方便施焊D. 闭式结构焊接可达性更好21. 疲劳断裂的特点是:A. 低应力破坏B. 破坏前无塑形变形C. 对应力集中不敏感D. 需要经历较长时间22. Δσ是指:A. 应力变化幅值B. 应力振幅C. 拉应力D. 正应力23. 关于疲劳强度许用应力设计法,说法正确的是:A. 没有考虑疲劳载荷的累积效应B. 所有不确定因素涵盖在安全系数里,加以考虑C. 校核公式为D. 校核公式为最大疲劳工作应力σmax≤许用应力[σrp]24. 下列说法正确的是?A.焊缝种类包括对接焊缝和角焊缝B.对接焊缝包括完全熔透对接焊缝和未焊透对接焊缝C.T型接头上不可能有对接焊缝D.T型接头既可以是对接焊缝也可以是角焊缝25. 铝合金结构的特点是:A. 重量轻B. 成本低C. 防腐性能好D. 高温条件下,强度高26. 铝合金焊接时,坡口较大是因为:A. 铝合金重量轻B. 铝合金导热性能好(散热快)C. 为避免未熔合D. 铝合金焊接时会产生裂纹27. 下列哪些载荷会产生正应力?A. 拉伸载荷B. 压缩载荷C. 横向力D. 弯曲载荷28. 铝合金挤压型材的优点是:A. 可以使焊缝不在最高应力区B. 减少焊缝的数量C. 降低成本D. 改善铝合金的焊接性29. 工字梁中,剪应力主要由那列那部分承担?A. 上翼板B. 下翼板C. 腹板D. 3个部分均匀承担30. 按照GB150,关于焊缝分类说法正确的是:A. 所有的环向焊缝都是B类焊缝B. 凸形封头上的拼接焊缝都是A类C. 法兰与壳体的非对接焊缝是C类D. 加强板与壳体的焊缝是D类31. 下列关于疲劳强度说法错误的是?A. 疲劳强度是疲劳载荷作用N次而断裂时的应力B. 疲劳强度就是屈服强度σs或σ0.2C. 疲劳强度就是抗拉强度σbD. 疲劳强度就是疲劳极限值32. 碳钢焊接结构设计的静载许用应力应根据:A. 延伸率B. 剪应力C. 极限拉伸应力D. 屈服应力33. 疲劳强度是什么意思?A. 疲劳强度就是抗拉强度σbB. 疲劳强度就是屈服强度σs或σ0.2C. 疲劳强度是疲劳载荷作用N次而断裂时的应力D. 疲劳强度就是疲劳极限值34. 决定断裂韧性指标KIC的主要因素是什么?A. 应力σ的大小B. 裂纹的尺寸C. 裂纹的位置D. 环境温度35. 下述哪些说法是错误的?A.横向加强配置在具有较大剪力的区域内B.横向加强配置在具有较大弯矩的区域内C.纵向加强配置在具有较大剪力的区域内D.纵向加强配置在具有较大弯矩的区域内36. 压力容器条例包括以下哪几种技术规程?A. TRD . TRR . TRGB. TRR . TRB . TRDC. TRD . TRB . TRGD. TRB . TRG . TRR37. 对铝合金焊缝表面喷丸有什么作用?A. 提高构件的寿命B. 对铝合金构件无影响C. 对铝合金构件有负面影响D. 提高疲劳强度38. 铝合金结构相对钢结构有哪些的优点?A. 承载能力强B. 重量轻C. 更容易制造D. 无低温脆断的倾向39. 下列哪些接头应避免在承受疲劳载荷时使用:A. 表面加工的双面焊全熔透焊接接头B. 双面焊全熔透焊接接头C. 表面加工的单面焊全熔透焊接接头D. 带永久性衬垫的全熔透焊接接头40. 部分焊透的不等厚板双面对接焊缝的熔深为:A. 母材厚度B. 较薄母材厚度减去未焊透厚度C. 母材厚度的3/4D. 双面焊缝金属熔透量的焊缝金属厚度之和41.求矩形截面梁所承受的正应力A. 100N/mm2B. 10KN/cm2C. 10N/mm2D. 1KN/cm242.梁可以承受哪种载荷A.轴向载荷、横向载荷、弯曲载荷B.只承受轴向载荷C.只承受横向载荷D.只承受弯曲载荷43.计算支座反作用力A. A=37.5KNB. A=12.5KNC. B=37.5KND. B=16KN44.求上翼板的加强板,图中阴影部分对y轴的静矩()A.2580cm3B. 3280 cm3C. 2460 cm3D. 3440 cm3A. a表示焊缝厚度B. n表示单个焊缝条数C. l表示单个焊缝长度D. e表示间隔46.按DIN18800T1杆件连接时最小焊接长度的限定A. 5倍有效焊缝厚度B. 6倍有效焊缝厚度C. 6倍有效焊缝厚度,同时要求最小焊接长度大于30mmD. 6倍有效焊缝厚度,同时要求最小焊接长度大于40mm47.计算屈强比时用到哪些特征值A. 屈服强度B.抗拉强度C. 硬度D. 冲击功E. 延伸率48.下列说法正确的是A.轴向力引起正应力B. 剪力引起剪切应力C. 弯矩引起正应力D. 扭矩引起正应力49.哪些因素与对接焊缝的坡口形式有关A.所选择的材料B.材料厚度C.所选择的焊接方法D.焊接填充材料50.承受动载荷的构件,两对接接头的板厚差不允许超过(),超过必需将厚板加工成斜坡状A.3mmB.5mmC.2mm D 6mm51.角焊缝的焊缝厚度为8mm,实际焊接完后的焊缝厚度为10mm,则焊缝体积增加了A.56%B.36%C.40%D.70%52.验证立柱在压力作用下稳定性时,需考虑的参量A.截面的惯性矩B.长细比C.横截面面积D.材料的质量等级53.下列接头中,疲劳强度按从大到小的排列顺序为A. 1>2>3B. 2>1>3C. 3>2>1D. 3>1>254.对焊接接头进行计算时,应考虑以下问题A.不考虑应力分布不均匀(应力集中)B.必须考虑应力分布不均匀(应力集中)C.不考虑焊接残余应力D.必须考虑焊接残余应力55.下列说法正确的是A.COD是材料受载后裂纹尖端张开位移B.裂纹尖端张开位移临界值δc是材料断裂韧性的指标之一C.COD能反映裂纹尖端能量聚集和金属硬化变脆的程度D.COD是用来确定焊接接头不同部位的韧性56.下列说法正确的是A.断续焊缝主要用于薄壁构件和横向及纵向加强的场合B.关于断续焊缝的最小焊缝厚度,与所焊材料的最大板厚有关C.关于断续焊缝的最小焊缝厚度,与所焊材料的板厚没有任何关系D.断续焊缝可以用于动载结构中57.压力容器中角焊缝的焊缝厚度(S为壳体厚度)A.0.7SB. BC.0.6SD.按照所采用的设计规范而确定58.焊接压力装置中,焊缝减弱系数与哪些因素有关A.检验范围B.壁厚C.热处理D.焊缝的坡口型式59.以下说法正确的是A.压力容器壁厚与内部压力大小有关B.压力容器壁厚与容器直径有关C.压力容器壁厚与材料的许用应力有关D.压力容器壁厚与材料的许用应力无关60.以下说法正确的是A.纵缝所承受的载荷是环缝的两倍B.纵缝所承受的载荷是环缝的三倍C.纵缝所承受的载荷和环缝所承受的载荷相同D.纵缝所承受的载荷是环缝的四倍。
选择题
在焊接过程中,为减少焊接残余应力,以下哪种方法最为有效?
A. 增加焊接速度
B. 使用小电流焊接
C. 预热焊件(正确答案)
D. 采用间断焊接
焊接接头进行无损检测时,超声波检测主要用于检测哪种缺陷?
A. 表面裂纹
B. 内部夹渣(正确答案)
C. 焊缝余高过大
D. 焊缝宽度不足
在焊接材料选择时,对于低碳钢薄板焊接,应优先选择哪种焊条?
A. 酸性焊条(正确答案)
B. 碱性焊条
C. 不锈钢焊条
D. 铸铁焊条
焊接结构中,为防止裂纹的产生,应采取的措施不包括?
A. 合理的焊接顺序
B. 适当的预热温度
C. 增大焊接电流(正确答案)
D. 焊后进行热处理
以下哪种焊接方法适用于厚板焊接且能获得高质量焊缝?
A. 手工电弧焊
B. 气焊
C. 电渣焊
D. 窄间隙焊(正确答案)
焊接接头形式中,哪种形式承受拉应力能力最强?
A. 对接接头(正确答案)
B. 角接接头
C. T形接头
D. 搭接接头
在焊接过程中,为防止气孔的产生,应严格控制哪种气体的含量?
A. 氧气(正确答案)
B. 氮气
C. 二氧化碳
D. 氩气
焊接工艺评定是为了验证什么而进行的试验?
A. 焊接材料的质量
B. 焊接设备的性能
C. 焊接工艺的合理性(正确答案)
D. 焊工的技能水平。
IWE参考题(焊接结构)1承受静载的焊接结构,其主要断裂形式为:A 脆性断裂;B 蠕变失效;C 失稳破坏;D 疲劳断裂。
2在热负荷状态下,将导致:A 低温脆性断裂;B 疲劳断裂;C 高温蠕变失效;D 形变断裂。
3 产生层状撕裂的原因,主要是:A 轧制板材中平行于表面的非金属物夹层;B 轧制板材中垂直于表面的非金属物夹层;C 在厚度方向上的应力;D 平行于板材表面的载荷过大。
4层状撕裂主要发生在:A 厚板的T型或十字接头;B 受剪切应力的搭接接头;C 沿板厚方向承受较大应力的接头;D 厚板的对接接头。
5 层状撕裂的防止办法有:A 焊接连接基础尽可能的小;B 焊道数应多;C 采用对称焊接;D 缓冲连接范围。
6 脆性断裂的决定因素:A 焊接缺陷;B 多变载荷;C 加载速度;D 焊接应力;E 温度。
7 疲劳断裂的决定因素:A 焊接缺陷;B 多变载荷;C 加载速度;D 焊接应力;E 温度。
8脆性断裂与疲劳断裂的主要区别在于:A 载荷方式不同,有静载、动载之分;B 完成时间不同;C 温度影响不一样;D 断口形状不一样。
9板厚相差4mm,单侧削边至少应为:A 4mm;B 12mm;C 16mm;D 20mm.10承受动载的对接接头设计时,如果两个板差为8mm,则双侧削斜为:A 8mm;B 16mm;C 24mm;D 32mm。
11 不同板厚的对接接头,当板厚差为多少时,应加工过渡斜面?A >2mm;B >3mm;C >4mm;D >6mm。
12接头设计及焊接中,应注意的问题:A 应保证构件上的作用力均匀分布,避免不必要的应力集中;B 对不可避免的缺口,应尽量布置在低应力区或受拉应力区;C 保证良好的焊接质量,避免产生表面及内在的缺陷;D 对于截面变化较大的部位应采取较小的过渡半径。
13对于下列3种结构,疲劳断裂的危险性顺序为:A 2≤1≤3;B 3≤1≤2;C 2≤3≤1;D 1≤3≤2。
IWE参考题1.承受静载的焊接结构,断裂形式为:※A.脆性断裂;B.蠕变失效;C.失稳破坏;D.疲劳断裂。
2.在热负荷状态下,将导致;※A.低温脆性断裂;B.疲劳断裂;C.高温蠕变失效;D.形变断裂。
3.产生层状撕裂的原因,主要是:※A.轧制板材中平行于表面的非金属物夹层;B. 轧制板材中C.在厚度方向上的应力;D.平行于板表面的载荷过大。
4.层状撕裂主要发生在:※A.厚板的T型或十字街头;B.受剪切应力的搭接接头;C.沿板厚方向承受较大的应力接头;D板厚的对接接头。
5. 层状撕裂的防止办法有:A.焊缝连接的基础尽可能小;B.焊道数量应多;C.采用对接焊接;D.缓冲连接范围。
6.脆性断裂的决定因素:※A.焊接缺陷;B.多变载荷;C.加载速度;D.焊接应力;E.温度。
7.疲劳断裂的决定因素:※A.焊接缺陷;B. 多变载荷;C. 加载速度;D. 焊接应力;E. 温度。
8. 脆性断裂与疲劳断裂的的主要区别:※A.载荷方式不同,有静载、动载之分;B.完成时间不同;C.温度影响不一样;D.断口形状不一样。
9.板厚相差4㎜,单侧削边至少应为:A.4㎜;B.12㎜;C16㎜;.D20㎜。
10.承受动载的对接接头设计时,如果两个板差8㎜,则双侧削斜为:A.8㎜;B.16㎜;C.24㎜;D.32㎜11.不同板厚的对接接头,当板厚差多少时,应加工过渡斜面?A. 2㎜;B. 3㎜;C>4㎜.; D>6㎜.12.接头设计及焊接中,应注意的问题;※A.应保证构件上的作用力均匀分布,避免不必要的应力集中;B.不可避免的缺口,应尽量布置在地应力区或受拉应力区;C.保证良好的焊接质量,避免产生表面积内在的缺陷;D.对于截面变化较大的部位应采取较小的过渡半径。
13.对于下列3种结构,疲劳断裂的危险性顺序为:※A.2≤1≤3;B. 3≤1≤2;C. 2≤3≤1;D. 1≤3≤2。
13214.关于固定支座,下列哪种说法正确?A.有两个自由度,一个未知力;B. 有一个自由度,两个未知力;C.无自由度,一个未知力;D. 有一个自由度,一个未知力。
1.按ISO2553进行焊缝图示是,在为不说明符号后面可以给处下述哪些内容?
A.施焊焊工的号码
B.焊接位置
C.焊接电源种类
D.按ISO5817的评定组别
E.焊接方法
2.如采用X型对接焊取代V型对接焊:
A.焊接接头性能提高
B.焊接金属耗材降低
C.焊接成本降低
D.横向收缩增大
E.收缩角度增大
3.关于焊缝许用应力的选择,下述哪些说法是正确的?
A.与焊缝的接头形式有关
B.与母材本身的需用应力有关
C.环境条件对焊缝许用应力无影响
D.焊缝许用应力的选择与应力状态无关
E.焊缝许用应力的选择与焊缝质量级别无关
4.焊接结构设计方法之一是按许用应力设计,计算焊缝强度时,是否有焊缝许用应力
A.计算焊缝强度时,使用母材许用应力,并不另外有焊缝许用应力的概念
B.计算焊缝强度时,应当采用焊缝许用应力
C.焊缝许用应力始终是母材许用应力同一数值
D.焊缝许用应力不一定等于母材许用应力,数值也可以小于母材许用应力
E.焊缝许用应力不一定等于母材许用应力,数值也可以大于母材许用应力
5.图1557中所示截面的惯性矩IX为:
A.592cm4
B.576cm4
C.632cm4
D.608cm4
E.620cm4
6. 下述哪些关于正应力的说法是正确的?
A.正应力平行地作用于截面
B.正应力是由轴向力和弯矩产生的
C.在承受弯曲载荷的梁上不会出现弯曲拉应力和弯曲压应力
D.人们把正应力划分为拉和压应力及弯曲拉应力和弯曲压应力
E.纯剪力载荷能够产生正应力
7. 在图示5种薄壁型材中,
哪些会出现扭转?
A.1
B.2
C.3
D.4
E.5
8. 由于焊接技术方法原因,在DIN18800标准中,对于角焊缝厚度推荐了界限值,下述哪些关系对于角XXXXXX?
A.a的最小值≥4
B.a的最大值≤0.7*t min
C.a的最小值≥(t min)∧(1/2)-0.5
D.a的最大值≤0.7*t max
E.a的最小值≥(t max)∧(1/2)-0.5
9.XX裂韧研究和应用中,裂纹尖端张开位移(COD)法主要用于哪些情况?
A.适用弹塑性断裂力学
B.适用线弹塑性断裂力学
C.主要适用于塑性较好的中、低强度钢
D.主要适用于超高强度钢
E.可用小试样间接求得材料平衡应变断裂韧性KIC
10.用断裂力学研究焊接结构中疲劳裂纹扩展规律,其影响裂纹扩展速率(da/dN)的XXX? A.应力振幅
B.平均应力
C.裂缝长度a
D.最大应力
E.疲劳强度
11.哪种结构的脆断倾向较小?
A.厚壁接头
B.薄壁接头
C.在厚壁和薄壁构件之间的可以自由收缩的接头
D.在厚壁和薄壁构件之间的不能自由收缩的接头
E.具有较高C和N含量的材料
12.焊接接头的疲劳强度之所以比铆焊等其它连接的疲劳强度小,其原因是:
A.焊接接头性能不均匀
B.焊接缺陷
C.焊接接头应力集中
D.焊接应力变形
E.结构整体性
13.疲劳强度用σ0表示,是什么意思?
A.应力循环内最大应力σmax=0
B.应力循环内最小应力σmin=0
C.应力循环内的平均应力σm=0
D.应力循环内的最大应力与最小应力相等,即σmax=σmin
E.应力循环内的振幅为0
14.断裂韧性KIC受哪些因素影响?
A.温度
B.试样高度
C.加载速度
D.试样材料
15.焊接结构设计时,为有效防止层状撕裂,下列哪些说法为正确:
A.与焊缝有效厚度aD有关
B.与接头形式和焊缝位置有关
C.与结构及焊缝区域的刚性无关
D.与焊接工艺无关
E.与材料的韧性无关
16.在承受主要静载的状态下,构件将发生以下哪些破坏形式?
A.蠕变
B.脆性断裂
C.层状撕裂
D.失稳破坏
E.疲劳断裂
17.同一材料和相同材料用量的梁构件,截面面积相同而截面形状不同。
如*****
A.空心截面比实心截面好
B.空心截面中方形比圆形好
C.空心截面中,封闭型比不封闭型截面好
D.空心封面型各种截面中,构件厚度满足设计要求情况下,包围的面积
E.空心封闭型各种截面中,方形或矩形截面比圆形者好
18.压力容器条例适用于下列哪些设备?
A.蒸汽锅炉
B.高压锅
C.输送可燃性气体的管道
D.机器部件
E.临界温度〈 50 ℃,蒸汽压力〉3bar压缩气体设备
23.影响焊接接头疲劳强度的因素,下列哪几项是对的?
A.对接接头的焊缝余高增加,疲劳强度下降
B.T形接头和十字接头比对接接头的疲劳强度低得多
C.增加角焊缝尺寸总会提高疲劳强度
D.焊态的接头盒焊后消除内应力处理过的同样接头,疲劳强度几乎相同
E.焊接接头表面缺陷对疲劳强度的影响比内部缺陷者大
24.在按内压计算压力容器所要求的壁厚时,应考虑什么?
A.环境温度
B.由于腐蚀导致的损耗
C.制造公差
D.保温层的重量
E.构件的几何形状,如:接管尺寸
25.一般情况下,作为高温使用的焊接接头强度特性值K要考虑下列哪项?
A.蠕变极限
B.持久强度
C.持久塑性
D.抗拉强度
E.屈服强度
26.根据AD规程,在压力容器计算时,其计算压力应包括下列哪些压力? A.许用工作压力
B.静态液体压力
C.介质的腐蚀应力
D.检验压力
E.材料的抗拉强度
27.钢材的高温短时拉伸性能应包括下列哪些数据?
A.高温抗拉强度
B.高温屈服点
C.高温冲击吸收功
D.高温伸长量
E. 高温硬度
30.与结构钢比较铝的优点为:
A.更轻且更加耐腐蚀
B.更高的韧性
C.更好的经济性
D.更佳的焊接性
E.无优点
31.用何种焊接方法允许焊接由BST5000S钢筋结构的承载搭接接头
A.E(手工电弧焊)
B,MAGC(CO2)
C.RA(闪光对焊)
D.RP(电阻对焊)
E.MAGM(混合气体)
32.静不定系统有哪些优点?
A.构件变形受阻
B.计算时与材料无关
C.能经济的充分利用所使用材料的截面
D.有利于防止腐蚀
E.容易计算
33.应力及应变:
A.只在比例上有所不同(如:应力等于几倍的应变)
B.具有相同的意思
C.二者根本无关
D.意思不同但二者具有一定的关系
34.在焊接结构中为什么应尽可能避免交叉焊接
A.由于重量的原因
B.由于散热差
C.由于存在产山很高内应力的危险
37.在冷变形区域内,不允许焊接的区域a是如何确定的?图953
A.a=4t
B.a=5t
C.a=6t
D.a=r/t
E. a=3t
39.在DASt-009规程中(脆性断裂的影响因素。
)哪些参数起决定性作用?
A.工件的厚度
B.防腐种类
C.预热温度
D.环境温度
E.应力状态
40.非镇静钢轧制型材肋板的焊接连接哪些是允许的?。