完整版浙江监理全套表格
- 格式:docx
- 大小:174.18 KB
- 文档页数:36
施工阶段监理工作的基本表式A类表(承包单位用表)浙建监A1-1 工程开工报审表浙建监A1-2 复工报审表浙建监A2 施工组织设计(专项施工方案)报审表浙建监A3 分包单位资格报审表浙建监A4 承包单位通知单浙建监A5 承包单位报审表(通用)浙建监A5-1 主要施工机械设备报审表浙建监A5-2 施工测量放线报验申请表浙建监A5-3 工程报验申请表浙建监A6 工程款支付申请表浙建监A7 监理工程师通知回复单浙建监A8 工程临时延期申请表浙建监A9 费用索赔申请表浙建监A10 工程材料/构配件/设备报审表浙建监A11 工程竣工报验单浙建监A12 第周拟实施工程项目报告单浙建监A13 第周完成工程项目报告单浙建监A14 工程质量/安全问题(事故)报告单浙建监A15 工程质量/安全问题(事故)技术处理方案报审表浙建监A16 价格调整报审表浙建监A17 工程变更、洽商费用报审表B类表(监理单位用表)浙建监B1 监理工程师通知单浙建监B2 工程暂停令浙建监B3 工程款支付证书浙建监B4 工程临时延期审批表浙建监B5 工程最终延期审批表浙建监B6 费用索赔审批表C类表(各方通用表)浙建监C1 监理工作联系单浙建监C2 工程变更单D类表浙建监D1 监理日记浙建监D2 旁站监理记录浙建监D3 工程建设监理月报工程开工报审表本表一式三份,经项目监理机构审核后,建设单位、监理单位、承包单位各存一份。
复工报审表本表一式三份,经项目监理机构审核后,建设单位、监理单位、承包单位各存一份。
施工组织设计(专项施工方案)报审表本表一式三份,经项目监理机构审核后,建设单位、监理单位、承包单位各存一份。
分包单位资格报审表本表一式三份,经项目监理机构审核后,建设单位、监理单位、承包单位各存一份。
承包单位通知单本表一式三份,经项目监理机构审核后,建设单位、监理单位、承包单位各存一份。
承包单位报审表(通用)本表一式三份,经项目监理机构审核后,建设单位、监理单位、承包单位各存一份。
《建设工程监理规》(GB50319-2013)中25个监理工作用表基本表式填写目录1、A类表(工程监理单位用表)(1)表A.0.1 《总监理工程师任命书》(2)表A.0.2 《工程开工令》(3)表A.0.3 《监理通知》(4)表A.0.4 《监理报告》(5)表A.0.5 《工程暂停令》(6)表A.0.6 《旁站记录》(7)表A.0.7 《工程复工令》(8)表A.0.8 《工程款支付证书》2、B类表(施工单位报审/验用表)(9)表B.0.1 《施工组织设计/(专项)施工案报审表》(10)表B.0.2 《开工报审表》(11)表B.0.3 《复工报审表》(12)表B.0.4《分包单位资格报审表》(13)表B.0.5 《施工控制测量成果报验表》(14)表B.0.6《工程材料/构配件/设备报审表》(15)表B.0.7 《报审/验表》(16)表B.0.8 《分部工程报验表》(17)表B.0.9 《监理通知回复单》(18)表B.0.10 《单位工程竣工验收报审表》(19)表B.0.11 《工程款支付报审表》(20)表B.0.12 《施工进度计划报审表》(21)表B.0.13 《费用索赔报审表》(22)表B.0.14 《工程临时/最终延期报审表》3、C类表(通用表)(23)表C.0.1 《工作联系单》(24)表C.0.2 《工程变更单》(25)表C.0.3 《索赔意向通知书》表A.0.1 《总监理工程师任命书》工程名称:编号:注:本表一式三份,项目监理机构、建设单位、施工单位各一份。
表A.0.2 《工程开工令》工程名称:编号:注:本表一式三份,项目监理机构、建设单位、施工单位各一份。
表A.0.3 《监理通知单》工程名称:编号:注:本表一式三份,项目监理机构、建设单位、施工单位各一份。
表A.0.4 《监理报告》工程名称:编号:注:本表一式四份,主管部门、建设单位、工程监理单位、项目监理机构各一份。
表A.0.5 《工程暂停令》工程名称:编号:注:本表一式三份,项目监理机构、建设单位、施工单位各一份。
浙江省建设监理统一用表目录A类表---承包单位用表A1-1 工程开工报审表A1-2 工程复工报审表A2 施工组织设计(专项施工方案)报审表A3 分包单位资格报审表A4承包单位通知单A5承包单位报审表(通用)A5-1 主要施工机械设备报审表A5-2 施工测量放线报验申请表A5-3 工程报验申请表A6 工程款支付申请表A7监理工程师通知回复单A8工程临时延期申请表A9费用索赔申请表A10工程材料/构配件/设备报审表A11工程竣工报验单A12 第周拟实施工程项目报告单A13 第周已完成工程项目报告单A14工程质量/安全问题(事故)报告单A15工程质量/安全问题(事故)技术处理方案报审表A16价格调整报审表A17工程变更、洽商费用报审表B类表---监理单位用表B1监理工程师通知单B2工程暂停令B3工程款支付证书B4工程临时延期审批表B5工程最终延期审批表B6费用索赔审批表C类表---各方通用表C1监理工作联系单C2工程变更单D类表---监理单位内部用表D1监理日记D2旁站监理记录D3 建设监理工作月报D4监理平行检验表2003.9.1实行浙建监A1-1工程开工报审表工程复工报审表施工组织设计(专项施工方案)报审表分包单位资格报审表承包单位通知单承包单位报审表(通用)主要施工机械设备报审表施工测量放线报验申请表浙建监A5-3工程报验申请表工程款支付申请表监理工程师通知回复单工程临时延期申请表费用索赔申请表工程材料/构配件/设备报审表工程竣工报验单第周拟实施工程项目报告单第周已完成工程项目报告单工程质量/安全问题(事故)报告单工程质量/安全问题(事故)技术处理方案报审表价格调整报审表工程变更、洽商费用报审表监理单位用表浙建监B1监理工程师通知单工程名称:鹿城高科技开发区污水整治工程Ⅱ标段编号:01本表一式三份,建设单位、监理单位、承包单位各存一份。
浙建监B2工程暂停令工程名称:编号:本表一式三份,建设单位、监理单位、承包单位各存一份。
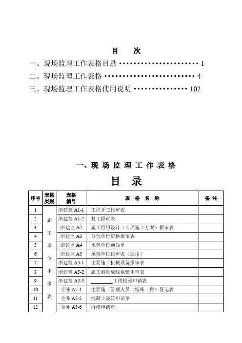
目次一、现场监理工作表格目录 (1)二、现场监理工作表格 (4)三、现场监理工作表格使用说明 (102)一、现场监理工作表格¥目录注:1、本《现场监理工作表格》合订本(2006年3月版),是公司依据国家标准《建设工程监理规范》(GB50319-2000)、浙江省建设工程(施工阶段)监理工作基本表式,综合在监理实践中积累的经验修订而成。
自2006年4月1日起在公司各新开工监理项目中统一使用。
各项目监理部在使用中,发现问题或有合理化建议,请书面向公司总师办提出,以便修改本标准。
,2、本套《现场监理工作表格》及与其配套使用的《现场监理工作表格使用说明》为公司企业标准的组成部分,仅供内部使用,望领用人妥善保管,请勿外传。
二、现场监理工作表格浙建监A1-1工程开工报审表工程名称:文化中心工程编号:A1-1注:本表一式三份,经项目监理机构审核后,建设单位、监理单位、承包单位各存一份。
*《施工现场质量管理检查记录》指的是《建筑工程施工质量验收统一标准》(GB50300-2001)附表A.0.1浙建监A1-2复工报审表工程名称:编号:A1-2注:本表一式三份,经项目监理机构审核后,建设单位、监理单位、承包单位各存一份。
浙建监A2施工组织设计(专项施工方案)报审表工程名称:浙江恒盛建设有限公司编号:A2注:本表一式三份,经项目监理机构审核后,建设单位、监理单位、承包单位各存一份。
…浙建监A3分包单位资格报审表工程名称:编号:A3注:本表一式三份,经项目监理机构审核后,建设单位、监理单位、承包单位各存一份。
浙建监A4承包单位通知单工程名称:编号:A4注:本表一式三份,经项目监理机构审核后,建设单位、监理单位、承包单位各存一份。
浙建监A5承包单位报审表(通用)工程名称:杭州市下沙文化中心工程编号:A5注:本表一式三份,经项目监理机构审核后,建设单位、监理单位、承包单位各存一份。
浙建监A5-1主要施工机械设备报审表工程名称:浙江恒盛建设有限公司编号:A5-1注:本表一式三份,经项目监理机构审核后,建设单位、监理单位、承包单位各存一份。
浙江省建设工程监理用表(ABC表格)附:建设工程监理基本表式A类表(工程监理单位用表)浙建监A1 工程开工令浙建监A2 工程暂停令浙建监A3 工程复工令浙建监A4 总监理工程师任命书浙建监A4-1 总监理工程师代表授权书浙建监A5 监理通知单浙建监A5-1 施工现场安全检查整改单浙建监A6 旁站记录浙建监A7 见证取样异常情况记录表浙建监A8 工程款支付证书浙建监A9 监理报告B类表(施工单位报审、报验表)浙建监B1 施工组织设计/(专项)施工方案报审表浙建监B1-1 超过一定规模的危险性较大的分部分项工程专项方案报审表浙建监B2 开工报审表浙建监B3 复工报审表浙建监B4 分包单位资格报审表浙建监B5 施工控制测量成果报验表浙建监B6 工程材料、设备、构配件报审表浙建监B6-1 主要施工机械设备报审表浙建监B7 报审、报验表浙建监B8 分部工程报验表浙建监B9 监理通知回复单浙建监B10 单位工程竣工验收报审表浙建监B11 工程款支付报审表浙建监B12 施工进度计划报审表浙建监B13 费用索赔报审表浙建监B14 工程临时/最终延期报审表C类表(通用表)浙建监C1 工作联系单浙建监C2 工程变更单浙建监C3 索赔意向通知书工程开工令工程名称:编号:工程暂停令工程名称:编号:注:本表一式三份,项目监理机构、建设单位、施工单位各一份。
工程复工令工程名称:编号:注:本表一式三份,项目监理机构、建设单位、施工单位各一份。
浙建监A4总监理工程师任命书工程名称:编号:浙建监A4-1总监理工程师代表授权书工程名称:编号:注:本表一式三份,项目监理机构、建设单位、施工单位各一份。
浙建监A5监理通知单工程名称:编号:浙建监A5-1施工现场安全检查整改单工程名称:编号:注:本表一式三份,项目监理机构、建设单位、施工单位各一份。
浙建监A6旁站记录工程名称:编号:注:本表一式一份,项目监理机构留存浙建监A7见证取样异常情况记录表工程名称:编号:浙建监A8工程款支付证书工程名称:编号:注:本表一式三份,项目监理机构、建设单位、施工单位各一份。
附:建设工程监理基本表式A类表(工程监理单位用表)浙建监A1 工程开工令浙建监A2 工程暂停令浙建监A3 工程复工令浙建监A4 总监理工程师任命书浙建监A4-1 总监理工程师代表授权书浙建监A5 监理通知单浙建监A5-1 施工现场安全检查整改单浙建监A6 旁站记录浙建监A7 见证取样异常情况记录表浙建监A8 工程款支付证书浙建监A9 监理报告B 类表(施工单位报审、报验表)浙建监B1 施工组织设计/ (专项)施工方案报审表浙建监B1-1 超过一定规模的危险性较大的分部分项工程专项方案报审表浙建监B2 开工报审表浙建监B3 复工报审表浙建监B4 分包单位资格报审表浙建监B5 施工控制测量成果报验表浙建监B6 工程材料、设备、构配件报审表浙建监B6-1 主要施工机械设备报审表浙建监B7 报审、报验表浙建监B8 分部工程报验表浙建监B9 监理通知回复单浙建监B10 单位工程竣工验收报审表浙建监B11 工程款支付报审表浙建监B12 施工进度计划报审表浙建监B13 费用索赔报审表浙建监B14 工程临时/ 最终延期报审表C类表(通用表)浙建监C1 工作联系单浙建监C2 工程变更单浙建监C3 索赔意向通知书浙建监A1工程开工令工程名称:编号:致 _____________________________ (施工单位):经审查,本工程已具备施工合同约定的开工条件,现同意你方开始施工,开工日期为:年月日。
附件:开工报审表项目监理机构(盖章)总监理工程师(签字、加盖执业印章)年月日浙建监A2工程暂停令工程名称:编号:致 _____________________________ (施工单位):由于原因,现通知你方于年月日时起,暂停_________________ 部位(工序)施工,并按下述要求做好后续工作。
要求:项目监理机构(盖章)总监理工程师(签字、加盖执业印章)年月日工程复工令工程名称:编号:致(施工单位):部位日时我方发出的编号为__ 《工程暂停令》,要求暂停(工序)施工,经查已具备复工条件。
附:建设工程监理基本表式A 类表(工程监理单位用表)浙建监A1 工程开工令浙建监A2 工程暂停令浙建监A3 工程复工令浙建监A4 总监理工程师任命书浙建监A4-1 总监理工程师代表授权书浙建监A5 监理通知单浙建监A5-1 施工现场安全检查整改单浙建监A6 旁站记录浙建监A7 见证取样异常情况记录表浙建监A8 工程款支付证书浙建监A9 监理报告B 类表(施工单位报审、报验表)浙建监B1 施工组织设计/(专项)施工方案报审表浙建监B1-1 超过一定规模的危险性较大的分部分项工程专项方案报审表浙建监B2 开工报审表浙建监B3 复工报审表浙建监B4 分包单位资格报审表浙建监B5 施工控制测量成果报验表浙建监B6 工程材料、设备、构配件报审表浙建监B6-1 主要施工机械设备报审表浙建监B7 报审、报验表浙建监B8 分部工程报验表浙建监B9 监理通知回复单浙建监B10 单位工程竣工验收报审表浙建监B11 工程款支付报审表浙建监B12 施工进度计划报审表浙建监B13 费用索赔报审表浙建监B14 工程临时/最终延期报审表C 类表(通用表)浙建监C1 工作联系单浙建监C2 工程变更单浙建监C3 索赔意向通知书工程开工令工程名称:编号:致_____________________________ (施工单位):经审查,本工程已具备施工合同约定的开工条件,现同意你方开始施工,开工日期为:年月日。
附件:开工报审表项目监理机构(盖章)总监理工程师(签字、加盖执业印章)年月日注:本表一式三份,项目监理机构、建设单位、施工单位各一份。
工程暂停令工程名称:编号:致______________________________ (施工单位):由于原因,现通知你方于年月日时起,暂停_________________ 部位(工序)施工,并按下述要求做好后续工作。
要求:项目监理机构(盖章)总监理工程师(签字、加盖执业印章)年月日注:本表一式三份,项目监理机构、建设单位、施工单位各一份。
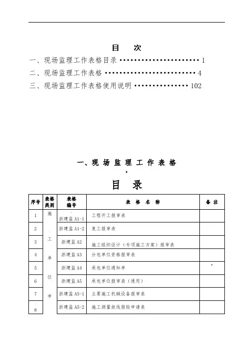
目次一、现场监理工作表格目录 (1)二、现场监理工作表格 (4)三、现场监理工作表格使用说明 (102)一、现场监理工作表格目录注:1、本《现场监理工作表格》合订本(2006年3月版),是公司依据国家标准《建设工程监理规范》(GB50319-2000)、浙江省建设工程(施工阶段)监理工作基本表式,综合在监理实践中积累的经验修订而成。
自2006年4月1日起在公司各新开工监理项目中统一使用。
各项目监理部在使用中,发现问题或有合理化建议,请书面向公司总师办提出,以便修改本标准。
2、本套《现场监理工作表格》及与其配套使用的《现场监理工作表格使用说明》为公司企业标准的组成部分,仅供内部使用,望领用人妥善保管,请勿外传。
二、现场监理工作表格工程开工报审表工程名称:文化中心工程编号:A1-1注:本表一式三份,经项目监理机构审核后,建设单位、监理单位、承包单位各存一份。
*《施工现场质量管理检查记录》指的是《建筑工程施工质量验收统一标准》(GB50300-2001)复工报审表工程名称:编号:A1-2施工组织设计(专项施工方案)报审表工程名称:浙江恒盛建设有限公司编号:A2分包单位资格报审表工程名称:编号:A3承包单位通知单工程名称:编号:A4承包单位报审表(通用)工程名称:杭州市下沙文化中心工程编号:A5。
主要施工机械设备报审表工程名称:浙江恒盛建设有限公司编号:A5-1注:本表一式三份,经项目监理机构审核后,建设单位、监理单位、承包单位各存一份。
施工测量放线报验申请表工程名称:编号:A5-2注:本表一式三份,经项目监理机构审核后,建设单位、监理单位、承包单位各存一份。
地基验槽工程报验申请表工程名称:编号:A5-3注:本表一式三份,经项目监理机构审核后,建设单位、监理单位、承包单位各一份。
企业补充用表A5-4主要施工管理人员(特殊工种)登记表(承包单位申报表)工程名称:编号:A5-4注:本表由承包单位填报,一式三份,监理、施工、建设单位各存在份。
附:建设工程监理基本表式A类表(工程监理单位用表)浙建监A1 工程开工令浙建监A2 工程暂停令浙建监A3 工程复工令浙建监A4 总监理工程师任命书浙建监A4-1 总监理工程师代表授权书浙建监A5 监理通知单浙建监A5-1 施工现场安全检查整改单浙建监A6 旁站记录浙建监A7 见证取样异常情况记录表浙建监A8 工程款支付证书浙建监A9 监理报告B类表(施工单位报审、报验表)浙建监B1 施工组织设计/(专项)施工方案报审表浙建监B1-1 超过一定规模的危险性较大的分部分项工程专项方案报审表浙建监B2 开工报审表浙建监B3 复工报审表浙建监B4 分包单位资格报审表浙建监B5 施工控制测量成果报验表浙建监B6 工程材料、设备、构配件报审表浙建监B6—1 主要施工机械设备报审表浙建监B7 报审、报验表浙建监B8 分部工程报验表浙建监B9 监理通知回复单浙建监B10 单位工程竣工验收报审表浙建监B11 工程款支付报审表浙建监B12 施工进度计划报审表浙建监B13 费用索赔报审表浙建监B14 工程临时/最终延期报审表C类表(通用表) 浙建监C1 工作联系单浙建监C2 工程变更单浙建监C3 索赔意向通知书工程开工令工程名称:编号:工程暂停令工程名称:编号:注:本表一式三份,项目监理机构、建设单位、施工单位各一份。
工程复工令工程名称: 编号:注:本表一式三份,项目监理机构、建设单位、施工单位各一份.浙建监A4总监理工程师任命书工程名称:编号:浙建监A4-1总监理工程师代表授权书工程名称: 编号:注:本表一式三份,项目监理机构、建设单位、施工单位各一份。
浙建监A5监理通知单工程名称:编号:浙建监A5-1施工现场安全检查整改单工程名称:编号:注:本表一式三份,项目监理机构、建设单位、施工单位各一份。
浙建监A6旁站记录工程名称:编号:注:本表一式一份,项目监理机构留存浙建监A7见证取样异常情况记录表工程名称: 编号:浙建监A8工程款支付证书工程名称: 编号:注:本表一式三份,项目监理机构、建设单位、施工单位各一份。