板材裁剪流程
- 格式:doc
- 大小:398.00 KB
- 文档页数:6
板材裁剪流程
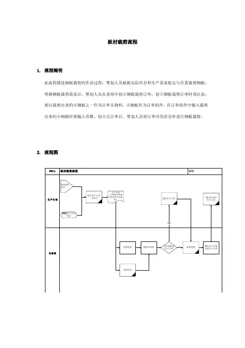
1.流程阐明
此流程描述钢板裁剪旳作业过程:筹划人员根据实际库存和生产需求拟定与否需裁剪钢板;
明确钢板裁剪需求后,筹划人员在系统中创立钢板裁剪订单;创立钢板裁剪订单时须注意:要以裁剪出来旳小钢板之一作为订单头物料,大钢板作为订单组件,在订单组件中输入裁剪出来旳小钢板时要输入负数。
创立完订单后,筹划人员将订单印发给仓库进行钢板裁剪。
2.流程图
3.系统操作
3.1.操作范例
裁剪大钢板:SP-0.6*345.5*443
3.2.系统菜单及交易代码
后勤-生产-生产控制-订单-创立--含物料交易代码:CO01
3.3.系统屏幕及栏位解释
栏位名称栏位阐明资料范例
物料输入裁剪后得到旳钢板之一
订单类型输入钢板裁剪订单旳订单类型ZP03
按<Enter>进入下一屏幕
栏位名称栏位阐明资料范例总数量需裁剪旳钢板旳总数量50
完毕订单旳完毕日期
输入总数量和完毕时间后,按<Enter>进入下一屏幕
系统提示BOM选择,点击“否”跳过BOM选择
按屏幕所示菜单进入组件视图
栏位名称栏位阐明资料范例
部件输入需裁剪旳大钢板料号和裁剪后得到旳小刚板旳料号大钢板:605870
小钢板:604349 数量输入大钢板旳数量:正数小钢板旳数量:负数
IC输入项目类别:L—库存项目
工序默认工艺路线旳工序
维护完组件视图后,点击完毕创立钢板裁剪订单。
某家具公司板材裁剪流程某家具公司是一家专注于提供高品质的家具定制服务的公司,其产品以时尚、简洁、实用而备受顾客青睐。
为了更好地满足客户的需求,公司采用了最先进的板材裁剪工艺,确保产品的质量、准确度和效率。
板材裁剪是制作家具的关键步骤之一。
它通过将板材切割为适当的尺寸和形状来生产家具部件。
某家具公司采用全自动数控切割机进行板材裁剪,使得裁剪流程更加完善和高效。
首先,客户可以提供自己的家具设计图纸或者在公司网站选择喜欢的款式,确定所需的尺寸和材料,这是整个裁剪流程的起点。
接下来,由专业人士通过AutoCAD软件进行图纸的制作和修正,确保每一个零部件在生产中完美匹配,以达到优异的家具制作效果。
然后,对于不同的材料,公司采用不同的数控切割机进行加工。
例如,对于木材板材,采用高端激光切割机进行裁剪,确保每一根板材被精确地切成所需尺寸,避免浪费材料、节省成本。
而对于铝合金板、钢板等金属材料,采用水刀切割机进行裁剪,最大程度地避免了板材表面划痕或者变形的情况。
在数控切割机完成切割后,零部件会被清洁处理。
经过这些环节之后,零件以及完成的家具部件都被送到打磨工艺流程。
其次,对于零件表面的毛刺、凹陷等问题要求进行全面的打磨、修补处理,其目的是表面平整光滑,以便在后续的处理过程中使用。
最后,成品质检,确保家具达到公司质量检测标准,使得客户购买安心、用着放心,并且重复购买。
总的来说,某家具公司板材裁剪流程是一套高效严谨的系统,确保了家具生产的质量和准确性。
通过全自动化流程,公司成功地提高了劳动效率、降低了生产成本,同时保证了制作的家具最高的品质和完美的客户体验,以此增强了消费者的信任和品牌口碑,赢得了市场的竞争优势。
剪板工安全技术操作规程第一章总则第一条为了保障剪板工操作人员的人身安全,提高剪板工作效率,减少事故发生,根据国家相关安全生产法律法规,制定本规程。
第二条本规程适用于在剪板工作中从事相关操作的人员,包括剪板工操作人员及其相关配合人员。
第三条剪板工是一种常见的施工作业,主要用于裁剪金属板材,所使用的机械设备包括剪板机、钢板剪等。
剪板工作涉及到对材料的裁剪、翘曲、折弯等加工,操作风险较高,因此,必须严格遵守安全操作规程。
第四条对于剪板工作,必须安排有经过专门培训和持有相关证书的操作人员进行操作,操作人员必须熟悉相关设备的使用方法和操作规程,具备一定的安全意识和技能。
第五条剪板工作必须按照规定的工艺和操作步骤进行,不得随意更改,严禁无证人员擅自进行操作。
第六条剪板工作必须在专门的作业区域进行,严禁在非指定区域进行操作。
第七条使用剪板机等设备进行操作前,必须对设备进行检查和维护,确保设备状态良好,并能正常运行。
第八条在进行剪板工作之前,必须检查和准备好所需的工具、材料和防护设备,确保工作顺利进行。
第二章操作规程第九条操作人员必须经过适当的安全培训,了解剪板工作的相关知识和操作技术,熟悉剪板设备的使用方法,掌握操作规程和注意事项。
第十条操作人员必须身着符合安全要求的工作服和安全鞋,严禁穿戴太宽松或过长的衣物,严禁穿戴拖鞋或高跟鞋。
第十一条在进行剪板工作之前,必须检查和确保设备的电源是否稳定,设备的停止按钮是否正常,设备的防护装置是否完好。
第十二条操作人员必须正确调试设备并进行试运行,确保设备运行正常,无异常噪音和振动。
第十三条在剪板工作过程中,操作人员必须始终保持警觉和专注,严禁三心二意或携带手机等分心行为。
第十四条操作人员必须正确选择和更换剪切刀具,切勿使用损坏或磨损严重的刀具,以免影响操作效果和安全。
第十五条在操作剪板机时,必须保持两手离开刀口,严禁将手指、手臂或其他身体部位伸入切口,以免发生危险。
第十六条操作人员必须熟悉并遵守剪板机的各项安全操作规程,不得滥用或超负荷操作,严禁在设备运行时进行维修或调整。
金属板材剪切加工工艺1. 引言金属板材剪切加工是一种常见的金属加工工艺,用于将金属板材按照特定尺寸和形状进行裁剪的过程。
本文档将介绍金属板材剪切加工的基本原理、设备和步骤。
2. 剪切加工原理金属板材剪切加工依靠剪切力将金属板材切割成所需形状。
剪切力由剪切机械设备提供,通过刃口对金属板材进行切割。
剪切刃口通常为直刃或弯刃,根据所需切割形状的不同选择不同刃口。
3. 剪切设备常见的金属板材剪切设备包括手动剪切机、电动剪切机和数控剪切机。
手动剪切机适用于小规模、简单形状的板材剪切,操作相对简单。
电动剪切机通过电动驱动提供更大的剪切力,适用于中小规模的板材剪切。
数控剪切机具备精确的定位和切割功能,适用于大规模和复杂形状的板材剪切。
4. 剪切步骤金属板材剪切加工通常包括以下步骤:- 准备工作:测量和标记金属板材,确定所需切割尺寸和形状。
- 固定板材:将金属板材固定在剪切设备上,确保稳定和安全。
- 开始剪切:打开剪切设备,通过控制刀刃的运动将金属板材切割成所需形状。
- 完成剪切:切割完成后,将金属板材从剪切设备上取下,进行下一步的加工或使用。
5. 注意事项在金属板材剪切加工过程中,需要注意以下事项:- 安全操作:使用剪切设备时,要遵循安全操作规程,佩戴好防护装备,避免意外伤害。
- 材料选择:根据所需使用场景和要求选择合适的金属板材,确保切割后的板材具有适当的强度和耐久性。
- 刀刃维护:定期检查和维护剪切设备的刀刃,保持其锋利和正常运行。
6. 结论金属板材剪切加工是一项重要而常用的金属加工工艺,通过剪切力将金属板材切割成所需形状。
本文档介绍了剪切加工的原理、设备和步骤,以及注意事项。
希望本文能对金属板材剪切加工工艺的理解和应用提供帮助。
板材加工流程
板材加工是木工行业中的重要环节,它直接影响着成品的质量
和效率。
在板材加工流程中,需要经过多道工序,包括裁剪、打磨、钻孔、开槽等,下面我们将详细介绍板材加工的整个流程。
首先,裁剪是板材加工的第一步。
在这一步骤中,需要根据设
计图纸和要求,将原始的板材进行裁剪,使其符合所需的尺寸和形状。
裁剪可以采用锯床、刨床等工具,确保裁剪的精度和平整度。
接下来是打磨工序。
在裁剪完成后,板材的边缘和表面可能会
有一些毛刺和粗糙的地方,需要通过打磨来进行修整。
打磨可以采
用手工打磨或者机械打磨,确保板材表面的光滑度和平整度。
然后是钻孔和开槽。
根据设计要求,板材上可能需要进行钻孔
或者开槽,以便后续的组装和安装。
钻孔和开槽需要使用相应的工
具和设备,确保孔位和尺寸的准确性和一致性。
接着是组装和固定。
在板材加工的最后阶段,需要将板材进行
组装,并通过螺丝、胶水等方式进行固定,以确保成品的稳固性和
牢固性。
组装和固定需要严格按照设计要求和工艺要求进行,确保
组装的准确性和牢固性。
最后是质检和包装。
在板材加工完成后,需要进行质量检查,确保成品的质量和规格符合要求。
同时,还需要对成品进行包装,以便运输和保护。
综上所述,板材加工流程包括裁剪、打磨、钻孔、开槽、组装和固定、质检和包装等多个环节。
每个环节都需要严格按照工艺要求和设计要求进行,确保成品的质量和效率。
希望本文对板材加工流程有所帮助,谢谢阅读。
剪板机工安全操作规程一、行为准则:1.遵守操作规程,按规定操作,不得擅自更改机器设置及参数;2. 严禁饮酒、吸烟和吸毒后工作;3. 严禁携带随身物品进入工作区域,如手机、钥匙等;4. 禁止戴长发、长袖、围巾等可被卷入机械设备的物品;5. 不能操作机械设备时,应及时关闭电源;6. 禁止随便触摸机械设备的运动部件;7. 在工作结束前,应清理设备及工作台面,保持整洁;8. 发现设备故障或异常情况,应及时报告维修人员处理;9. 有疲劳、头晕、身体不适等情况时,应停止操作,并迅速报告主管;10. 新员工必须接受专业培训并经过考核合格方可上岗。
二、操作规程:1.穿戴工装,戴好安全帽和防护眼镜;2.检查剪板机是否正常工作,确认刀片安装无误,并进行切割速度、切割厚度和位置的调整;3.打开机器电源,按照指示操作启动剪板机;4.将待切割的材料放置到剪板机上,注意材料是否牢固固定,以防被切割时材料移动;5.操作时,保持手部和其他身体部位远离切割区域,以免被切割刀片伤及;6.在切割过程中,要保持集中注意力,不得有分心或随意移动的行为;7.切割完毕后,及时关闭电源,清理工作区域及剪板机上面的碎片,存放刀具和配件,并进行设备的保养和维护;8. 若发生紧急情况(如剪板机卡住),应立即停止操作,通知维修人员解决;9.经过使用后应检查设备是否完好,如发现故障应立即上报并进行维修处理;10.关闭电源、登记报告,并恢复现场整洁。
三、常见事故及应急措施:1.手部被刀片割伤:立即停止操作,用肥皂和清水清洗伤口,压迫止血并封上消毒纱布,立即就医;2.设备卡住无法停止:立即关闭电源,与维修人员联系,等待维修人员解决;3.设备异常响声:立即停止操作,通知维修人员检查设备;4.设备发生漏电及其它电气故障:立即关闭电源,通知维修人员检查处理;5.其他突发状况:立即停止操作,迅速采取措施保障自身及他人的人身安全,并通知主管上报处理。
四、工作环境安全注意事项:1.工作场所应保持干燥、通风良好,防止过高温度及火源;2.工作区域应保持整洁且有足够的周围空间;3.不得有障碍物堆放在工作区域或机器周围;4.工作区域禁止乱扔废弃物,保持环境清洁;5.设备旁边应设置标识牌,标明禁止未经过许可者进入;6.工作台面上不得放置任何滑动、易断裂、易燃的物品。
韦xx加工厂学习总结经过将近一个月的xxx学习,从中也学到有很多有关板材加工相关的知识。
北京京湘联科技有限公司主要从事钣金加工及喷涂工事智能门窗制造等业务,针对金属薄板(京湘联工厂主要是对冷板、铝板、镀锌板和不锈钢板)一种综合冷加工工艺,包括一系列的剪、冲/切/复合、折、焊接、铆接、拼接、成型等。
一般完成一次板材加工入库需要几个过程,工厂技术部收到现场发来的板材加工图以后:技术部对加工图的深化、下料——剪板机剪板(剪板料)——刨槽机刨槽——数控冲床切边、冲孔——折弯机折弯板材——对成型板材组装、辅助焊接、打磨——喷涂前处理——喷涂板材——喷涂检测,包装入库。
一:技术部对加工图的深化,下料工厂技术部收到工地现场发来的各板材加工图,然后对加工图的进一步深化,包括对板材投影面的展开、计算面积(用做后期预算)以及对加工板材的数控编程,就可以下料了。
为了更好的节约原材料,编程时要合理的选择板材的拼接图使几张要加工的板材拼接起来符合原材料的常规尺寸。
在数控冲床的编程时,应当选择合理的换模次序,其一般原则是:先圆孔后方孔,先小孔后大孔、先中间后外形。
同时一套模具在选用以后,出于缩短加工时间的考虑,应该完成其在这个零件上的所有需要加工的型孔。
在合理选择换模次序的同时也应该选取模具的最佳走刀路线,以减少空行程,提高生产效率,并保证机床安全可靠的运行,一般每个不同的工件必须独立编程。
在对加工图深化的过程中要参照常用板材来进行选板、计算。
如下表1:二:剪板机剪板(剪板料)数控剪板机(下图1)是借于运动的上刀片和固定的下刀片,采用合理的刀片间隙,对各种厚度的金属板材施加剪切力,使板材按所需要的尺寸断裂分离,一般采用脚踏或按钮操纵进行单次或连续剪切金属。
数控剪板机可分为:脚踏式(人力)、机械数控剪板机式、液压摆式数控剪板机等。
数控剪板机常用来剪裁直线边缘的板料毛坯。
剪切工艺应能保证被剪板料剪切表面的直线性和平行度要求,并尽量减少板材扭曲,以获得高质量的工件。
矩形裁板算法矩形裁板算法是一种用于优化材料利用率的算法,主要应用于裁剪不同尺寸的矩形板材。
该算法可以有效地帮助制造商节约材料,在生产过程中减少浪费和成本,因此深受制造业的欢迎。
实施矩形裁板算法需要考虑多个因素。
首先,需要对板材进行切割,因此需要考虑刀具大小和切割路径。
其次,需要考虑如何最大限度地利用板材,以减少浪费。
最后,需要考虑如何使裁剪过程简化,以减少需要人工干预的操作。
下面是矩形裁板算法的几个步骤:1. 将需要裁剪的矩形板材分解成若干个可裁剪的小矩形。
2. 对每个小矩形进行排列,以最大限度地利用板材。
3. 将排列好的小矩形切割出来,形成最终的板材。
4. 对于无法完全覆盖的剩余部分进行统一的处理。
在矩形裁板算法中,有许多不同的排列算法可供选择。
其中,最常用的算法是基于贪心策略的过填法(Guillotine Cutting)和回溯法(Backtracking)。
在过填法中,首先将板材切成若干个小矩形,然后对它们进行排列。
在每个阶段,算法都会选择最大的非空矩形进行切割,并将其切成更小的子矩形。
这个过程将一直持续下去,直到所有的矩形都被完全覆盖。
这个算法的优点是可以很快地得到一个较优的解,因为它总是选择最大的矩形进行切割。
在回溯法中,算法会进行深度优先搜索,找到所有可能的矩形排列方式。
在每个阶段,算法都会选择一个尚未使用的矩形进行排列,并递归地对其余矩形进行排列。
如果无法继续排列,则算法会将这个阶段标记为失败,并回溯到上一个阶段。
这个算法的优点是可以找到最优解,但计算时间相对会比较长。
在实际应用中,选择哪个算法取决于具体的需求和限制条件。
很多时候,过填法已经可以满足要求,因为它可以在短时间内得到一组较优的解。
但是,如果需要精确控制各种因素,可以使用回溯法来寻找最优解。
镀锌钢板切割工艺
镀锌钢板切割工艺是将镀锌钢板按照特定的尺寸和形状进行裁剪的过程。
以下是一般的镀锌钢板切割工艺流程:
1. 材料准备:确保所使用的镀锌钢板符合要求的规格和材质。
2. 设计与规划:根据需要的零件形状和尺寸,进行设计和规划。
3. 切割设备选择:选择适合的切割设备,如火焰切割机、等离子切割机、激光切割机等。
4. 固定板材:将镀锌钢板固定在切割设备的工作台上,确保稳定和安全。
5. 设置切割参数:根据所选的切割设备和材料厚度,设置适当的切割参数,如火焰温度、等离子气体流量、激光功率等。
6. 开始切割:启动切割设备,按照预设的路径和参数进行切割。
7. 切割质量检查:检查切割后的镀锌钢板的尺寸精度、切口质量和表面光洁度。
8. 后期处理:对切割后的边缘进行去毛刺、修整和清洁处理。
9. 质量检验:进行最终的质量检验,确保切割的镀锌钢板符合要求。
在进行镀锌钢板切割时,要遵循安全操作规程,确保操作人员的安全。
根据不同的切割要求和板材厚度,选择合适的切割设备和参数,以获得最佳的切割效果。
裁剪工艺技术要求裁剪工艺技术要求裁剪工艺是制造流程中的重要环节,影响着产品的质量和效率。
为了确保产品的尺寸精度和外观质量,保证产品的使用性能和寿命,裁剪工艺技术要求如下:1. 选材要求选择合适的材料进行裁剪,要求材料品质良好,符合产品的使用要求。
对于纺织品等柔性材料,要求纱线要细密,无明显杂质和破损。
对于硬质材料如塑料、金属等,要求表面光滑,无划痕和变形。
2. 尺寸精度要求裁剪后的产品尺寸要与图纸或样品要求一致,精度要达到产品的使用要求。
对于柔性材料,如衣物、窗帘等,要求尺寸精度在1厘米之内;对于硬质材料,如金属板材、塑料片等,要求尺寸精度在0.1毫米之内。
3. 外观质量要求裁剪后的产品要求外观整齐、无破损、无变形、无褶皱。
对于纺织品等柔性材料,要求线头要整齐,无松散、脱线现象;对于硬质材料,要求边缘光滑、无毛刺、无裂纹。
4. 切割方式要求根据不同的材料特性,选择适合的切割方式。
对于纺织品等柔性材料,常用的切割方式有剪刀裁剪、电热切割、激光切割等;对于硬质材料,常用的切割方式有激光切割、数控切割、剪切等。
5. 切割速度和压力要求切割速度和压力要根据不同的材料和切割方式进行合理调整。
过快的切割速度会导致切割过程中材料烧伤或切割线不整齐;过大的切割压力会导致材料破损或变形。
要根据实际情况进行调整,平衡切割速度和切割压力。
6. 设备要求保证切割设备的性能良好,能够满足工艺要求。
设备要具备稳定的切割能力和精确的控制系统。
对于柔性材料的裁剪,常用的设备有裁剪机、电热切割机、激光切割机等;对于硬质材料的裁剪,常用的设备有数控切割机、激光切割机等。
7. 检验要求对于裁剪后的产品,要进行严格的检验,确保产品符合要求。
检验内容包括尺寸精度、外观质量、开裂情况等。
同时,要建立相应的记录和追溯系统,追溯每一个裁剪产品的生产信息,以确保产品的质量和安全性。
裁剪工艺技术要求是生产过程中必不可少的环节,通过严格的控制和管理,可以有效提高产品的质量和效率。
第1篇一、前言实木护墙板作为一种高端装饰材料,具有天然纹理、质感细腻、环保健康等特点,广泛应用于高档住宅、酒店、办公楼等场所。
为了确保实木护墙板施工质量,提高施工效率,特制定本施工方案。
二、施工准备1. 材料准备(1)实木护墙板:根据设计要求选择合适的实木护墙板,确保板材质量符合国家标准。
(2)辅助材料:包括钉子、胶水、砂纸、壁纸刀、水平尺、墨线等。
2. 工具准备(1)电动锯:用于切割实木护墙板。
(2)电动钻:用于钻孔。
(3)电动打磨机:用于打磨板面。
(4)壁纸刀:用于裁剪板材。
(5)水平尺:用于检查垂直度。
(6)墨线:用于标记施工位置。
3. 人员准备(1)施工队伍:由熟练的木工、油漆工、电工等组成。
(2)监理人员:负责监督施工过程,确保施工质量。
三、施工流程1. 施工前准备(1)现场清理:清理施工现场,确保无杂物。
(2)弹线定位:根据设计图纸,弹出护墙板安装位置。
(3)检查墙体:检查墙体平整度,如有裂缝、孔洞等,进行修补。
2. 护墙板安装(1)基层处理:在墙体上涂刷界面剂,提高墙体与护墙板之间的粘结强度。
(2)定位:根据弹线,确定护墙板安装位置。
(3)安装:将护墙板依次安装在墙体上,注意调整水平度和垂直度。
(4)固定:使用钉子或胶水将护墙板固定在墙体上。
(5)对接:对接相邻护墙板,确保缝隙均匀。
3. 护墙板收口(1)切割:根据设计要求,对护墙板进行切割。
(2)安装:将切割好的护墙板安装到位。
(3)固定:使用钉子或胶水将护墙板固定。
4. 竣工验收(1)检查护墙板安装质量:检查护墙板平整度、垂直度、对接缝隙等。
(2)清理施工现场:清理施工现场,确保无垃圾。
(3)验收合格:监理人员验收合格后,方可交付使用。
四、施工注意事项1. 施工前,应对施工人员进行技术交底,确保施工人员掌握施工工艺和注意事项。
2. 施工过程中,应注意安全防护,防止意外伤害。
3. 施工过程中,如遇雨水天气,应暂停施工,防止护墙板受潮变形。
橡胶木板材生产工艺流程下载温馨提示:该文档是我店铺精心编制而成,希望大家下载以后,能够帮助大家解决实际的问题。
文档下载后可定制随意修改,请根据实际需要进行相应的调整和使用,谢谢!并且,本店铺为大家提供各种各样类型的实用资料,如教育随笔、日记赏析、句子摘抄、古诗大全、经典美文、话题作文、工作总结、词语解析、文案摘录、其他资料等等,如想了解不同资料格式和写法,敬请关注!Download tips: This document is carefully compiled by theeditor. I hope that after you download them,they can help yousolve practical problems. The document can be customized andmodified after downloading,please adjust and use it according toactual needs, thank you!In addition, our shop provides you with various types ofpractical materials,such as educational essays, diaryappreciation,sentence excerpts,ancient poems,classic articles,topic composition,work summary,word parsing,copy excerpts,other materials and so on,want to know different data formats andwriting methods,please pay attention!橡胶木板材生产工艺流程如下:1. 原料准备橡胶木板材的生产首先需要准备优质的橡胶木原料。
板类零件工艺工序
板类零件的工艺工序可以分为以下几个步骤:
1. 材料准备:根据产品要求,选择合适的板材,并根据设计图纸进行尺寸裁剪。
2. 表面处理:对板材进行表面处理,如清洗、去除油污和杂质,以便后续工序的顺利进行。
3. 加工工序:
- 切割:使用切割机械将板材按照设计要求进行切割,可以采用切割锯、激光切割等工艺。
- 雕刻:使用数控雕刻机对板材进行雕刻,可以根据设计要求进行文字、图案等的雕刻。
- 钻孔:使用钻孔机对板材进行钻孔,用于固定或连接其他零部件。
- 折弯:使用折弯机对板材进行折弯,用于制作成形的零件。
- 冲压:使用冲床对板材进行冲压,将板材冲成所需形状的零件。
4. 焊接工序:如果需要将板材进行焊接,可以使用焊接设备对板材进行焊接,如电弧焊、氩弧焊等。
5. 表面处理:对板材进行表面处理,如喷涂、电镀、镀膜等,以增加产品的美观性和耐腐蚀性。
6. 组装:将板材零件按照设计要求进行组装,可以使用螺
栓、螺母、铆钉等固定件进行连接。
7. 检验:对板材零件进行检验,确保产品的质量和性能符
合标准要求。
8. 包装:对成品板材零件进行包装,以保护产品不受损坏,并方便运输和储存。
以上是板类零件的一般工艺工序,具体的工序和步骤会根
据不同的产品和要求而有所差异。
纸箱制作厂工艺流程
《纸箱制作厂工艺流程》
纸箱制作工艺流程一般分为原材料的处理、成型和印刷、裁剪和折叠、定型和包装等几个环节。
首先是原材料的处理,通常使用的原材料为纸浆,它是由废纸经过打浆、筛选、去除杂质等工序加工而成。
纸浆成品被送入纸箱制作工厂后,将进行成型和印刷环节。
这一部分工艺流程主要是利用成型机进行原材料的成型和印刷,使其成为适合制作纸箱的板材。
接下来是裁剪和折叠环节。
成型和印刷后的板材需经过精确的裁剪和折叠工序,以制作成各种规格的纸箱。
裁剪工序通过自动裁切机进行,而折叠工序则需要操作工人手动进行。
这个环节是整个工艺流程中的重要环节,需要高度的精确度和熟练的技术。
最后是纸箱的定型和包装。
在此环节中,成品纸箱会经过定型机,使其成型更加牢固,稳定。
然后,按照客户的要求进行包装,通常采用自动化的包装设备完成。
以上就是纸箱制作工艺流程的简要介绍。
在每一个环节中都需要经验丰富的操作工人和先进的生产设备,才能保证纸箱的质量和生产效率。
纸箱制作工艺流程虽然看似简单,但其中的每一个环节都需要精益求精,才能产出高质量的纸箱产品。
橱柜的生产工艺橱柜的生产工艺是指将原材料经过一系列的加工和制造工序,最终生产出成品橱柜的过程。
下面我们来简要介绍橱柜的生产工艺。
首先,橱柜的生产通常从设计开始。
根据客户的需求和橱柜的功能要求,设计师将初步绘制出橱柜的平面图和立体图,确定橱柜的样式、规格和材质。
接下来,制造橱柜的原材料准备阶段。
橱柜通常使用的主要原材料有板材、五金配件和涂料等。
板材可以选择实木板、人造板或者钢化玻璃等,五金配件包括各种拉手、合页、滑轨等,而涂料则来进行上色和保护橱柜表面。
然后是橱柜的裁剪和加工步骤。
首先,根据设计图纸,将板材进行裁剪,切割成橱柜所需的板件。
接下来,将板件经过打孔、铣槽、开榫等工序进行加工,使其能够与其他板件连接并固定在一起。
在加工完板件后,橱柜的组装工作就开始了。
这个过程需要将各个板件组合起来,使用胶水、钉子、螺丝等固定连接。
同时,需要按照设计图纸的要求进行安装五金配件,例如安装拉手、合页等。
橱柜组装完成后,就进入到涂装阶段。
这个阶段的目的是给橱柜表面上色,并提供保护。
首先,需要进行打磨处理,平整橱柜的表面。
然后使用喷漆或者刷漆的方式上色,使橱柜表面呈现出所需的颜色和质感。
最后,使用适当的漆面处理剂进行光泽处理,提高橱柜的外观。
最后一步就是橱柜的质量检验和包装。
经过组装和涂装的橱柜需要进行质量检验,确保橱柜的外观、结构和功能都符合要求。
合格后,将橱柜进行包装,通常使用泡沫板和纸箱包装,以防止橱柜在运输过程中受损。
综上所述,橱柜的生产工艺包括设计、原材料准备、裁剪和加工、组装、涂装、质量检验和包装等环节。
每个环节都需要严格按照工艺要求进行操作,以保证生产出质量优良的成品橱柜。
钣金制作工艺流程1. 概述钣金制作是指利用金属板材通过剪、折、弯、焊等工艺,制作成各种形状的金属制品的过程。
钣金制作工艺流程包括板材选择、裁剪、折弯、焊接、打磨等环节。
本文将详细介绍钣金制作的流程和关键步骤。
2. 板材选择在进行钣金制作之前,首先需要选择合适的板材。
常用的钣金材料有不锈钢板、铝板、镀锌板等。
选材时需要考虑到产品的使用环境和所需的性能要求,如耐腐蚀性、强度、刚度等。
不同的材料具有不同的特点和加工特性,因此选择合适的板材对于制作高质量的钣金制品至关重要。
3. 裁剪在板材选择完成后,下一步是进行裁剪。
根据产品设计图纸的要求,将选定的板材进行剪切,得到所需的形状和尺寸。
裁剪可以使用剪板机、喷粉截割机等设备进行,也可以使用手工工具进行简单的剪切操作。
在裁剪过程中,需要注意精确控制板材的尺寸,以保证后续工序的顺利进行。
4. 折弯折弯是钣金制作中常用的一种工艺。
通过对板材进行弯曲,实现改变板材形状的目的。
折弯可以使用折弯机等设备进行,也可以使用手工工具进行简单的折弯操作。
在折弯过程中,需要根据设计要求和角度要求,精确控制板材的弯曲程度和位置,以保证最终产品的质量。
5. 焊接在钣金制作过程中,有些情况下需要将不同的板材进行连接,常用的方法就是焊接。
焊接是指通过加热、熔化金属进行连接的工艺。
常见的焊接方法有氩弧焊、电阻焊、氩气保护焊等。
在进行焊接之前,需要对板材进行准确的定位和定位固定,以保证焊接的精度和连接的牢固性。
6. 打磨打磨是对钣金制品进行表面处理的一种工艺。
在制作过程中,板材表面可能会存在瑕疵、毛刺、氧化等问题,通过打磨可以使板材表面更光滑、更美观。
打磨可以使用手工工具如砂纸、砂轮等进行,也可以使用机械设备如砂带机、抛光机等进行。
7. 后续处理在制作完成后,还需要进行一些后续处理。
比如对钣金制品进行清洗、除尘、防腐等处理,以延长产品的使用寿命和保持外观的美观。
8. 检验和质量控制在钣金制作工艺流程中,检验和质量控制是至关重要的环节。
剪板机厚板加工规程目录目录 (2)1.适用范围 (3)2.材料 (3)3.操作流程 (3)4.设备及工艺装备、工具 (3)5.工艺准备 (4)6.工艺过程 (4)7.工艺规程 (5)8.加工工时 (9)9.质量检验 (9)10.标识标准 (10)11.安全及注意事项 (10)1.适用范围1.1本标准适用于各种黑色金属及有色金属的直线边缘的材料毛坯的剪切及其它类似的下料。
1.2 被剪切的材料最大宽度为2500毫米,碳钢板厚度为3~10mm,不锈钢板厚度为3 ~8mm,铝板厚度为3~8mm。
2.材料材料为热轧钢板、不锈钢板、铝板等,不允许材料表面有划痕、变形、结疤、裂纹、夹杂、锈蚀等各类明显缺陷,镀锌材料表面镀锌层不允许有破坏。
3.操作流程3.1批量下料:领料→转运到机床旁→打开机床→试刀→调尺寸→检查调试尺寸→拧紧定位→下料→检验→转运→冲压→检验→转运→折弯→检验→转运下工序→签收。
3.2单件下料:领料→转运到机床旁→打开机床→试刀→划线(见图)→下料→检验→转运→折弯→检验→转运下工序→签收。
3.3照配下料:领料→转运到机床旁→打开机床→试刀→照配测量→划线→下料→检验→转运→折弯→检验→转运下工序→签收。
4.设备及工艺装备、工具4.1剪板机(理论剪切板材厚度最大13mm,实际操作要求剪切板材厚度热轧钢板、镀锌板等最大8mm,不锈钢板、铝板最大6mm,以确保设备的剪切精度,减少产品加工变形)。
4.2板子、钳子、油壶、螺丝刀、手锤、游标卡尺、钢板尺、钢卷尺、直角尺、划针等。
5.工艺准备5.1按工艺文件(领料单)领取材料。
5.2将合格的原材料整齐的排放在机床旁待用。
5.3给剪板机各油孔加油。
5.4检查剪床刀片是否锋利及紧固牢靠。
※参考资料:“剪板机使用说明书”6.工艺过程6.1首先用钢板尺量出刀口与挡料板两端之间的距离(按工艺卡片的规定),反复测量数次,然后先试剪一块小料核对尺寸正确与否,如尺寸公差在规定范围内,即可进行入料剪切,如不符合公差要求,应重新调整定位距离,直到符合规定要求为止。
板材裁剪流程
1.流程说明
此流程描述钢板裁剪的作业过程:计划人员根据实际库存和生产需求确定是否需裁剪钢板;
明确钢板裁剪需求后,计划人员在系统中创建钢板裁剪订单;创建钢板裁剪订单时须注意:要以裁剪出来的小钢板之一作为订单头物料,大钢板作为订单组件,在订单组件中输入裁剪出来的小钢板时要输入负数。
创建完订单后,计划人员将订单印发给仓库进行钢板裁剪。
2.流程图
3.系统操作
3.1.操作范例
裁剪大钢板:**443
3.2.系统菜单及交易代码
后勤-生产-生产控制-订单-创建--含物料交易代码:CO01
3.3.系统屏幕及栏位解释
栏位名称栏位说明资料范例
物料输入裁剪后得到的钢板之一
订单类型输入钢板裁剪订单的订单类型ZP03
按<Enter>进入下一屏幕
栏位名称栏位说明资料范例总数量需裁剪的钢板的总数量50
完成订单的完成日期
输入总数量和完成时间后,按<Enter>进入下一屏幕
系统提示BOM选择,点击“否”跳过BOM选择
按屏幕所示菜单进入组件视图
栏位名称栏位说明资料范例
部件输入需裁剪的大钢板料号和裁剪后得到的小刚板的料号大钢板:605870
小钢板:604349数量输入大钢板的数量:正数小钢板的数量:负数
IC输入项目类别:L—库存项目
工序默认工艺路线的工序
维护完组件视图后,点击完成创建钢板裁剪订单。