渝建竣99 电气配管隐蔽检查记录
- 格式:doc
- 大小:58.50 KB
- 文档页数:1
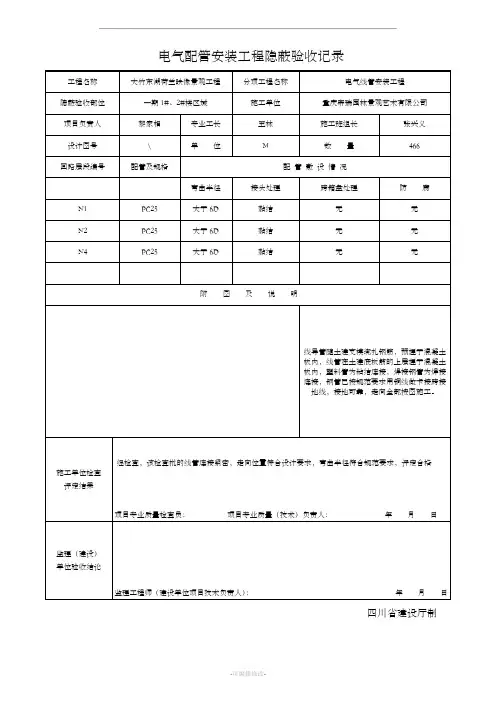
工程名称大竹东湖荷兰映像景观工程分项工程名称电气线管安装工程隐蔽验收部位一期1#、2#楼区域施工单位重庆帝瑞园林景观艺术有限公司项目负责人黎家相专业工长王林施工班组长张兴义设计图号\ 单位M 数量466回路层段编号配管及规格配管敷设情况弯曲半径接头处理跨箱盘处理防腐N1 PC25 大于6D 黏结无无N2 PC25 大于6D 黏结无无N4 PC25 大于6D 黏结无无附图及说明线导管随土建支模绑扎钢筋,预埋于混凝土板内,线管在土建底板筋的上层埋于混凝土板内,塑料管为粘结连接,焊接钢管为焊接连接,钢管已按规范要求用铜线做卡接跨接地线,接地可靠,走向全部按图施工。
经检查,该检查批的线管连接紧密,走向位置符合设计要求,弯曲半径符合规范要求,评定合格施工单位检查评定结果项目专业质量检查员:项目专业质量(技术)负责人:年月日监理(建设)单位验收结论监理工程师(建设单位项目技术负责人):年月日四川省建设厅制工程名称大竹东湖荷兰映像景观工程分项工程名称电气线管安装工程隐蔽验收部位一期6#、7#、8#楼区域施工单位重庆帝瑞园林景观艺术有限公司项目负责人黎家相专业工长王林施工班组长张兴义设计图号\ 单位M 数量622回路层段编号配管及规格配管敷设情况弯曲半径接头处理跨箱盘处理防腐N1 PC25 大于6D 黏结无无N2 PC25 大于6D 黏结无无N4 PC25 大于6D 黏结无无N6 PC25 大于6D 黏结无无附图及说明线导管随土建支模绑扎钢筋,预埋于混凝土板内,线管在土建底板筋的上层埋于混凝土板内,塑料管为粘结连接,焊接钢管为焊接连接,钢管已按规范要求用铜线做卡接跨接地线,接地可靠,走向全部按图施工。
经检查,该检查批的线管连接紧密,走向位置符合设计要求,弯曲半径符合规范要求,评定合格施工单位检查评定结果项目专业质量检查员:项目专业质量(技术)负责人:年月日监理(建设)单位验收结论监理工程师(建设单位项目技术负责人):年月日四川省建设厅制工程名称大竹东湖荷兰映像景观工程分项工程名称电气线管安装工程隐蔽验收部位一期5#楼至主入口区域施工单位重庆帝瑞园林景观艺术有限公司项目负责人黎家相专业工长王林施工班组长张兴义设计图号\ 单位M 数量436回路层段编号配管及规格配管敷设情况弯曲半径接头处理跨箱盘处理防腐N1 PC25 大于6D 黏结无无N2 PC25 大于6D 黏结无无N3 PC25 大于6D 黏结无无N4 PC25 大于6D 黏结无无附图及说明线导管随土建支模绑扎钢筋,预埋于混凝土板内,线管在土建底板筋的上层埋于混凝土板内,塑料管为粘结连接,焊接钢管为焊接连接,钢管已按规范要求用铜线做卡接跨接地线,接地可靠,走向全部按图施工。