钢结构验收标准模板
- 格式:doc
- 大小:37.50 KB
- 文档页数:12
钢结构制作(安装)焊接工程检验批质量验收记录表GB50205—2001010901□□□说明010901(Ⅰ)(主控) 020401 主控项目:1.检查数量:全数检查。
检验方法:检查产品的质量合格证明文件,中文标志及检验报告.2。
全数检查。
检查复验报告。
3。
全数检查。
检查质量证明书和烘焙记录和材料用量证明。
4.全数检查。
检查焊工合格证及其认可范围,有效期。
5.全数检查。
检查焊接工艺评定报告。
6.全数检查.检查超声波或射线探伤记录。
7.资料全数检查;同类焊缝抽查10%,且不应少于3条。
观察检查,用焊缝量规抽查测量.见图5。
2.5。
8。
每批同类构件抽查10%,且不应少于3件;被抽查构件中,每一类型焊缝按条数抽查5%且不应少于1条,每条检查1处,总抽查数不应少于10处.观察检查或使用放大镜、焊缝量规和钢尺检查,当存在疑义时,采用渗透或磁粉探伤检查.钢结构制作(安装)焊接工程检验批质量验收记录表GB50205—2001010901□□说明010901(Ⅰ)(一般) 020401 一般项目:1。
按量抽查1%,且不应少于10包.观察检查。
2。
全数检查。
检查预、后热施工记录和工艺试验报告。
3。
检查数量同主控项目第8条。
观察检查或使用放大镜、焊缝量规和钢尺检查。
见附录A。
0.1表。
4。
检查数量同主控项目第8条.用焊缝量规检查。
注:B指焊缝宽度h f>8.0mm的角焊缝其局部焊脚尺寸允许低于设计要求值1.0mm,但总长度不得超过焊缝长度10%;焊接H形梁腹板与翼缘板的焊缝两端在其两翼缘板宽度范围内,焊缝的焊脚尺寸不得低于设计值。
见附录A。
0。
1-2表.5.检查数量:每批同类构件抽查10%,且不应少于3件,观察检查。
6。
检查数量:每批同类构件抽查10%,且不应少于3件,被抽查构件中,每件焊缝按数量各抽查5%,总抽查处不应少于5处.观察检查.注:t为连接处较薄的板厚。
钢结构工程施工质量验收标准本检验规范适用于建筑钢结构产品的最终检验,即钢结构构件最后出厂前的构件检验。
引用标准为GB-2001《钢结构工程施工质量验收规范》。
生产技术部负责构件检验、记录和记录的收集工作。
最终检验时主要是对钢结构安装有重要影响的部位、尺寸进行检验并做好记录。
对影响较小或在前面制造过程中已检验的项目,最终检验时只检验但不做记录。
经检验不合格的产品按《不合格品的控制程序》处理。
构件检验合格后由质量总负责人签发产品出厂合格证。
钢结构主要构件最终检验规范如下:4.1 单层钢柱外形尺寸的允许偏差应符合表1的规定。
表1中包括柱底面与柱端与桁架连接的最上一个安装孔距离、柱底面到牛腿支撑面距离、牛腿面的翘曲Δ、柱身弯曲矢高、牛腿处柱身扭曲、连接处柱截面几何尺寸等项目。
检验方法包括用钢尺检查、用拉线直角和钢尺检查、用拉线、吊线和钢尺检查等。
4.2 多节钢柱外形尺寸的允许偏差应符合表2的规定。
表2中包括一节柱高度H、两端最外侧安装孔距离l、铣平面到第一个安装孔距离a、柱身弯曲矢高f、一节柱的柱身扭曲、牛腿端孔到柱轴线距离l等项目。
检验方法包括用拉线和钢尺检查、用拉线、吊线和钢尺检查、用钢尺检查等。
删除了一些明显有问题的段落,如第二段中的“总则”标题和第三段中的“图例”标题。
对每段话进行了小幅度的改写,使其更加清晰易懂。
删除明显有问题的段落,剔除格式错误,重新改写如下:1.柱子连接处的垂直度应该小于b/100,且不应该大于5.0度。
柱子脚螺栓对柱轴线的距离应该为3.0.箱型截面连接处的对角线应该为3.0Δ度。
箱型柱身板的垂直度应该为h(b)/150,且不应该大于5.0度。
使用直尺和钢尺检查。
2.检查焊接实腹钢梁外形尺寸的允许偏差,符合表3的规定。
使用拉线和钢尺检查。
3.钢桁架外形尺寸的允许偏差应符合表4的规定。
检查图例。
4.钢管构件外形尺寸的允许偏差应符合表5的规定。
直径d的允许偏差为±d/500,构件长度l的允许偏差为±5.0,管口圆度的允许偏差为±d/500,管面对管轴的垂直度的允许偏差为±d/500,且不应该大于5.0.弯曲矢高的允许偏差为±l/500,且不应该大于5.0.使用拉尺、吊线和钢尺检查。
钢结构厂房施工协议书范本验收标准一、引言二、验收标准1. 工程质量验收标准1.1 钢结构质量验收标准1.工程合格的基本条件:–钢结构材料符合设计要求,无严重变形、腐蚀等缺陷。
–焊接接头牢固,无裂缝、气孔等缺陷。
–结构节点连接牢固,无松动等现象。
–钢结构与基础连接稳固,无脱落、错位等现象。
–钢结构整体平整,垂直度符合设计要求。
2.检验方法:–目测检查:对钢结构材料、焊接接头、结构节点等进行目测检查,确保无明显缺陷。
–测量检查:采用测量设备对钢结构的平整度、垂直度等进行测量,不得超出设计要求的容许范围。
–力学性能检测:对钢结构材料进行拉伸、弯曲、冲击等力学性能检测,确保其符合设计要求。
1.2 混凝土质量验收标准1.工程合格的基本条件:–混凝土材料配合比符合设计要求,无明显的偏差。
–浇注混凝土的坍落度符合设计要求。
–混凝土的均匀性好,无明显的颜色、密实度不一致等现象。
–混凝土凝结后的强度符合设计要求。
2.检验方法:–取样检测:按照设计要求,在施工过程中进行混凝土的取样,并送到实验室进行强度、密实度等检测。
–非破坏性检测:采用声学、电阻率等非破坏性检测方法,对混凝土的强度、密实度等进行检测。
2. 安全验收标准2.1 施工现场安全验收标准1.安全生产制度:–施工单位应建立健全安全生产制度,明确责任分工,制定安全操作规程。
–工人应按照规程进行安全操作,佩戴必要的个人防护装备。
2.施工现场安全设施:–施工现场应设置明显的安全警示标志,提示危险区域、禁止通行区域等。
–施工现场应设有消防设备,并保持通畅。
3.施工人员培训:–施工人员应接受安全培训,了解施工过程中的安全注意事项和应急措施。
2.2 工程物料安全验收标准1.物料供应商合格性:–施工单位应对工程物料供应商进行资质审核,确保其合法合规。
–工程物料供应商应提供符合国家标准的物料,不得使用假冒伪劣产品。
2.物料质量检验:–施工单位应对进场物料进行抽样检验,确保其质量符合设计要求。
常德桥南隆腾物流园一期工程1—12#物流用房钢结构分部工程竣工验收资料项目经理:陈君箭ﻩ技术负责人: 张永进鑫博集团有限公司目录钢结构工程概况日期:复核人: 填表人:A3.1 施工安全生产管理体系报审表企业法人营业执照企业资质、承包范围安全生产许可证五大员证书施工组织设计/方案报审表工程名称:常德桥南隆腾物流园一期建设工程1-12#物流用房施工组织设计、施工方案及审批注:附施工组织设计、施工方案。
常德桥南隆腾物流园一期工程1-12#物流用房施工组织设计鑫博集团有限公司二零年月日编制审核批准目录一、编制依据二、工程概况三、施工组织机构框图四、施工总平面布置图五、施工网络图六、施工方案七、资源配置八、工期保证措施九、安全保证措施十、文明施工措施十一、质量保证措施十二、竣工验收工作十三、工作回访、保修工作一、方案编制依据1.甲方施工现场实际尺寸2.工程蓝图3。
《钢结构设计规范》GB50017—20034。
《门式刚架轻型房屋钢结构技术规程》CECS102—20025.《建筑钢结构焊接规程》JGJ81—916.《钢结构高强度螺栓连接的设计、施工及验收规程》JGJ82—91 7。
《钢结构施工及验收规范》GB50205-20018。
《冷弯薄壁钢结构技术规范》GBJ50018—20029.《建筑抗震设计规范》GB50011-2001ﻩ10.《建筑结构荷载规范》GB50009-2001二、工程概况1、本工程为徐州汇鸿纺织原料市场单跨轻钢厂房仓库,檐口高度为6米,柱距8~9米,屋面为0.5mm彩钢板加50mm保温棉,墙面为0。
4mm彩钢板,单脊双坡有组织排水.2、设计荷载屋面恒荷载: 0。
25 kN/ m2屋面活荷载:0。
50kN/ m2风荷载: 0.35 kN/ m2雪荷载 0。
35 kN/ m2檩条施工或检修集中荷载:1。
0 kN/ 根建筑安全等级: 二级抗震设防烈度:7度地基基础设计等级: 丙级三、施工组织机构框图1.项目部人员设置:四、施工总平面布置图本工程较为集中,其施工平面布置见附图五、施工网络施工网络图略六、施工方案(一) 钢梁等构件的制作1。
工程验收套表钢结构验收表格钢结构(钢构件焊接)分项工程检验批验收记录附表(一)(二)钢结构(零件及部件加工)分项工程检验批验收记录附表(二)附表-06附表-09钢结构(构件组装)分项工程检验批验收记录附表(五)附表-11附表-12(一)钢结构(单层结构安装)分项工程检验批质量验收记录附表(二)钢结构(单层构件安装)分项工程检验批质量验收记录附表(三)(四)(五)钢结构(多层及高层结构安装)分项工程检验批质量验收记录附表(一)表(二)附表-20钢结构(多层及高层结构安装)分项工程检验批质量验收记录附表(三)附表-21钢结构(多层及高层构件安装)分项工程检验批质量验收记录附表(四)附表-22附表-23附表-24钢结构(单层结构安装)分项工程检验批质量验收记录钢结构(零件及部件加工)分项工程检验批质量验收记录钢结构(构件组装)分项工程检验批质量验收记录钢结构(防腐涂料涂装)分项工程检验批质量验收记录开工日期:分部工程验收记录分项工程质量验收记录表说明:1.高强度螺栓扭矩系数取 K=0.13;2.初拧和复拧应在当天内完成;3.对于大型节点应分初拧、复拧和终拧,复拧扭矩等于初拧扭矩;4.扭矩的检查应在终拧 1h 以后、24 小时以内完成。
扭矩检查时,应将螺母退回30°~50°,再拧至原位置测定扭矩,该扭矩与检查扭矩的偏差应在检查扭矩的±10%以内。
设计:校对:审核:施工技术交底单年月日工程材料/构配件/设备报审表致:(监理单位)我方于年月日进场的工程材料/构配件/设备数量如下(见附件)。
现将质量证明文件及自检结果报上,拟用于下述部位:高强度螺栓网架检测记录记录施工记录-02。
工程名称结构类型门式钢架检验批数施工单位项目经理项目技术负责人分包单位分包单位负责人分包项目经理序号1 2 3 4 5 6 7 8 910111213检查结论检验批部位、区段钢构件焊接钢构件紧固件连接钢构件零件及部件加工钢构件组装钢构件涂装钢构件拼装钢构件安装屋面、墙面板安装经抽样检查均符合设计要求。
项目专业技术负责人: 年监理(建设)单位验收结论符合要求符合要求符合要求符合要求符合要求符合要求符合要求符合要求监理工程师:月日 (建设单位项目专业技术负责人)年月日施工单位评定结果技术部门负责人分包单位负责人检验批数 施工单位检查评定1 符合要求 1 符合要求 1 符合要求 1 符合要求 1 符合要求 1 符合要求 1 符合要求完整 合格较好监理(建设)单位项目经理: 年施工执行标准 名称及编号专业工长施工班组长序号 分项工程名称1 钢构件焊接2 钢构件紧固件连接3 钢构件零件及部件加工4 钢构件组装5 钢构件涂装6 钢构件拼装7 钢构件安装总经理工程师:日 (建设单位项目专业负责人)年 月 日层数 质量部门负责人分包技术负责人验 收 意 设计单位项目负责人: 月 日 年 月 质量控制资料安全和功能检验(检测)报告检验批部位项目经理分包项目经理GB50205—2001工程名称 施工单位 分包单位工程名称施工单位分包单位施工单位项目经理: 参加验 收 单 位月 日 年 观感质量验收分包单位结构类型 主钢构门式单见施工单位 检查评定记录 焊材品种、规格 符合设计要求 复检符合国家标准 焊材与母材匹配 上岗在使用期内 工艺评定合格 焊缝内部缺陷的检验合格 焊接尺寸达到要求 表面无气孔、裂纹 焊材品种、规格 符合设计要求—项 项目 外观质量允许偏差(mm)次缺陷类1 二级 三级型未焊满 ≤0.2+0.02t , ≤0.2+0。
04t,2 (指不 且≤1。
0 且≤2。
0足设计要求) 每 100.0 焊缝内部缺陷总长≤25.0≤0。
钢结构龙骨架验收合格单模板
验收合格单
项目名称:
项目地址:
施工单位:
监理单位:
验收时间:
一、建设单位意见:
经过对钢结构龙骨架施工验收的检查和测试,确认如下:
1. 钢结构龙骨架按照图纸要求进行施工,基本尺寸、节点连接等符合设计要求;
2. 钢材表面无明显损伤、划痕、锈蚀等缺陷;
3. 接头连接牢固,焊缝无裂纹、气孔、紧缩等质量问题;
4. 防腐、防锈处理符合相关规范;
5. 龙骨架的整体稳定性满足要求。
建设单位意见:
鉴于上述情况,建设单位对钢结构龙骨架施工进行验收,验收合格。
建设单位代表签字:日期:
二、施工单位意见:
施工单位代表签字:日期:
三、监理单位意见:
监理单位代表签字:日期:。
1 单层钢结构基础和支撑面I 主控项目1.1 建筑物的定位轴线、基础轴线和标高、地脚螺栓的规格及其紧固应符合设计要求。
检查数量:按柱基数抽查10%,且不应少于3个。
检验方法:用经纬仪、水准仪、全站仪和钢尺现场实测。
1.2 基础顶面直接作为柱的支承面和基础顶面预埋钢板或支座作为柱的支承面时,其支承面、地脚螺栓(锚栓)位置的允许偏差应符合表1.2的规定。
检查数量:按柱基数抽查10%,且不应少于3个。
检验方法:用经纬仪、水准仪、全站仪、水平尺和钢尺实测。
表1.2 支承面、地脚螺栓(锚栓)位置的允许偏差(mm)1.3 采用座浆垫板时,座浆垫板的允许偏差应符合表10.2.3的规定。
检查数量:资料全数检查。
按柱基数抽查10%,且不应少于3个。
检验方法:用水准仪、全站仪、水平尺和钢尺现场实测。
表1.3 座浆垫板的允许偏差(mm)1.4 采用杯口基础时,杯口尺寸的允许偏差应符合表10.2.4的规定。
检查数量:按基础数抽查10%,且不应少于4处。
检验方法:观察及尺量检查。
表1.4 杯口尺寸的允许偏差(mm)Ⅱ一般项目1.5 地脚螺栓(锚栓)尺寸的偏差应符合表10.2.5的规定。
地脚螺栓(锚栓)的螺纹应受到保护。
检查数量:按柱基数抽查10%,且不应少于3个。
检验方法:用钢尺现场实测。
表1.5 地脚螺栓(锚栓)尺寸的允许偏差(mm)2 多层和高层钢结构基础和支撑面I 主控项目2.1 建筑物的定位轴线、基础上柱的定位轴线和标高、地脚螺栓(锚栓)的规格和位置、地脚螺栓(锚栓)紧固应符合设计要求。
当设计无要求时,应符合表2.1的规定。
检查数量:按柱基数抽查10%,且不应少于3个。
检验方法:采用经纬仪、水准仪、全站仪和钢尺实测。
表2.1 建筑物定位轴线、基础上柱的定位轴线和标高、地脚螺栓(锚栓)的允许偏差(mm)2.2多层建筑以基础顶面直接作为柱的支承面,或以基础顶面预埋钢板或支座作为柱的支承面时,其支承面、地脚螺栓(锚栓)位置的允许偏差应符合本规范表1.2的规定。
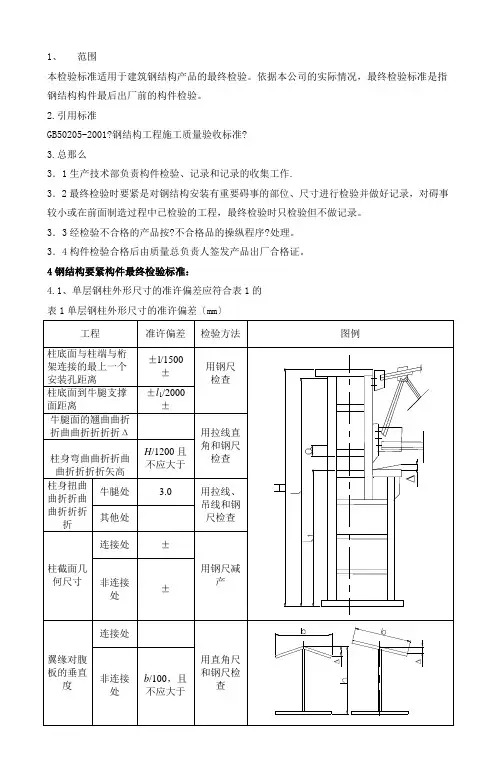
1、范围
本检验标准适用于建筑钢结构产品的最终检验。
依据本公司的实际情况,最终检验标准是指钢结构构件最后出厂前的构件检验。
2.引用标准
GB50205-2001?钢结构工程施工质量验收标准?
3.总那么
3.1生产技术部负责构件检验、记录和记录的收集工作.
3.2最终检验时要紧是对钢结构安装有重要碍事的部位、尺寸进行检验并做好记录,对碍事较小或在前面制造过程中已检验的工程,最终检验时只检验但不做记录。
3.3经检验不合格的产品按?不合格品的操纵程序?处理。
3.4构件检验合格后由质量总负责人签发产品出厂合格证。
4钢结构要紧构件最终检验标准:
4.1、单层钢柱外形尺寸的准许偏差应符合表1的
表1单层钢柱外形尺寸的准许偏差〔mm〕
4.2、多节钢柱外形尺寸的准许偏差应符合表2的表2多节钢柱外形尺寸的准许偏差〔mm〕
4.3焊接实腹钢梁外形尺寸准许偏差应符合表3的表3焊接实腹钢梁外形尺寸准许偏差〔mm〕
4.4.钢桁架外形尺寸的准许偏差应符合表4的
表4钢桁架外形尺寸的准许偏差
4.5.钢管构件外形尺寸的准许偏差应符合表5的
表5钢管构件外形尺寸的准许偏差
4.6.钢平台、钢梯和防护钢栏杆外形尺寸的准许偏差应符合表6的
表6钢平台、钢梯和防护钢栏杆外形尺寸的准许偏差
日期:
日期:日期:。
一、关于发布国家标准《钢结构结构施工质量验收规范》的通知建标[2002]11号根据我部“关于印发《二OOO至二OO一年度工程建设国家标准制订、修订计划》的通知”(建标[2001]87号)的要求,由冶金工业部建筑研究总院会同有关单位共同修订的《钢结构结构施工质量验收规范》,经有关部门会审,批准为国家标准,编号为GB50205-2001自2002年3月1日起施行。
其中,4。
2.1、4。
3。
1、4。
4.1 、5.2。
2 、5。
2.4 、6。
3.1 、8.3。
1 、10。
3。
4 、11。
3.5 、12。
3。
4 、14。
2.2 、14.3.3为强制性条文,必须严格执行.原《钢结构结构施工质量验收规范》GB50205—95和《钢结构结构施工质量检验评定标准》GB50221—95同时废止。
本规范由建设部负责管理和对强制性条文的解释,冶金工业部建筑研究总院负责具体技术内容的解释,建设部标准定额研究所组织中国计划出版社出版发行.中华人民共和国建设部二OO二年一月十日二、前言本规范是根据中华人民共和国建设部建标[2001]87号文“关于印发《二OOO年至二OO一年度工程建设国家标准制定、修订计划》的通知”的要求,由冶金工业部建筑研究总院会同有关单位共同对原《钢结构结构施工质量验收规范》GB50205-95和《钢结构结构施工质量检验评定标准》GB50221—95修订而成的.在修订过程中,编制组进行了广泛的调查研究,总结了我国钢结构工程施工质量验收的实践经验,按照“验评分离,强化验收,完善手段,过程控制"的指导方针,以现行国家标准《建设工程施工质量验收统一标准》GB50300为基础,进行全面修改,并以多种方式广泛征求了有关单位和专家的意见,对主要问题进行了反复修改,最后经审查定稿.本规范共分15章,包括总则、术语、符号、基本规定、原材料及成口进场、焊接工程、紧固件连接工程、钢零部件加工工程、钢构件组装工程、钢网架结构安装工程、压型金属板工程、钢结构涂装工程、钢结构分部工程竣工验收以及9个附录。
钢结构安装工程验收标准1单层钢结构安装工程1.1安装和矫正I 主控项目1.1.1 钢构件应符合设计要求和本规范的规定。
运输、堆放和吊装等造成的钢构件变形及涂层脱落,应进行矫正和修补。
检查数量:按构件数抽查10%,且不应少于3个。
检验方法:用拉线、钢尺现场实测或观察。
1.1.2 设计要求顶紧的节点,接触面不应少于70%紧贴,且边缘最大间隙不应大于0.8mm。
检查数量:按节点数抽查10%,且不应少于3个。
检验方法:用钢尺及0.3mm和0.8mm厚的塞尺现场实测。
1.1.3 钢屋(托)架、桁架、梁及受压杆件的垂直度和侧向弯曲矢高的允许偏差应符合表1.1.3的规定。
检查数量:按同类构件数抽查10%,且不应少于3个。
检验方法:用吊线、拉线、经纬仪和钢尺现场实测。
表1.1.3 钢屋(托)架、桁架、梁及受压杆件垂直度和侧向弯曲矢高的允许偏差(mm)1.1.4 单层钢结构主体结构的整体垂直度和整体平面弯曲的允许偏差符合表1.1.4的规定。
检查数量:对主要立面全部检查。
对每个所检查的立面,除两列角柱外,尚应至少选取一列中间柱。
检查方法:采用经纬仪、全站仪测量。
表1.1.4 整体垂直度和整体平面弯曲的允许偏差(mm)Ⅱ一般项目1.1.5 钢柱等主要构件的中心线及标高基准点等标记应齐全。
检查数量:按同类构件数抽查10%,且不应少于3件。
检验方法:观察检查。
1.1.6 当钢桁架(或梁)安装在混凝土柱上时,其支座中心对定位轴线的偏差不应大于10mm;当采用大型混凝土屋面板时,钢桁架(或梁)间距的偏差不应大于10mm。
检查数量:按同类构件数抽查10%,且不应少于3榀。
检验方法:用拉线和钢尺现场实测。
1.1.7 钢柱安装的允许偏差应符合本规范附录E中表E.0.1的规定。
检查数量:按钢柱数抽查10%,且不应少于3件。
检验方法:见本规范附录E中表E.0.1。
1.1.8 钢吊车梁或直接承受动力荷载的类似构件,其安装的允许偏差应符合本规范附录E中表E.0.2的规定。
钢结构安装质量验收标准
1. 引言
本文档旨在规范钢结构安装的质量验收标准,确保安装过程符合相关要求,并保证施工质量和安全。
2. 安装前准备
- 检查施工图纸和设计文件的准确性和完整性;
- 检查施工现场的准备情况,包括场地平整程度和所需设备的准备;
- 检查施工人员的相关证书和培训记录,确保其具备相应的专业知识和技能。
3. 安装过程
- 钢结构的各个部件应按照施工图纸和设计要求进行准确的安装;
- 安装过程中应注意防止钢结构的损坏和变形,必要时采取相应的保护措施;
- 安装过程中应使用适当的工具和设备,确保安装质量;
- 在安装过程中,应及时清理施工现场,确保施工区域的整洁和安全。
4. 安装完成后验收
- 检查安装后的钢结构是否符合设计要求和相关标准;
- 检查连接件的紧固情况和焊接质量;
- 进行钢结构的质量检测,包括可视检查和非破坏性检测等;
- 检查安装过程中产生的废弃物和杂物是否清理完毕;
- 对安装过程进行记录和总结,及时发现并纠正存在的问题。
5. 安全和质量保证
- 施工现场应遵守相关安全规定,确保施工人员的安全;
- 确保钢结构安装的质量符合相关标准和要求,确保工程的质量;
- 对安装质量进行跟踪和监督,及时发现和解决存在的问题。
6. 结论
本文档提供了钢结构安装质量验收的基本标准和要求,在实际工程中应根据具体情况进行具体操作。
通过遵守本文档所述的标准
和要求,可以提高钢结构安装的质量和安全性,确保工程的顺利进行。
**********钢结构车间钢结构工程验收资料建设单位:施工单位:监理单位:日期:目录 编号第一章 名 称 页码 备注钢结构工程施工、技术管理资料钢结构工程概况施工单位资格及焊工证报审施工组织设计、施工方案及审批技术交底记录图纸设计变更、会审记录钢结构工程质量控制资料检查表 有关安全及功能检验和见证检测项目检查记录钢结构工程观感质量检查记录钢结构交工资料第二章 钢构件下料检验记录钢构件拼装检验记录钢构件 CO 保护焊接检验记录2焊接超声波探伤报告钢构件抛丸除锈检验记录钢构件防腐涂装检验记录第三章钢结构工程质量控制核查资料 原材料进出场合格证证书及检验报告钢结构工程原材料、成品质量合格证明文件、检测报告钢板材料质量合格证明文件、检测报告焊接质量合格证明文件、检测报告高强度大六角螺栓连接副扭矩系数试验报告高强度螺栓连接摩擦面抗滑系数试验报告其它附属材料质量合格证明文件、检测报告施工试验报告及见证检测报告1 2 超声波探伤报告钢构件射线探伤报告高强螺栓抗滑移系数检测报告网架节点承载力试验报告3 施工记录高强度螺栓施工记录钢结构矫正施工记录钢零部件边缘加工施工记录焊接材料的烘焙记录4 5 隐蔽工程验收记录分项分部工程质量验收记录钢结构子分部工程质量验收记录钢结构焊接分项工程质量验收记录钢结构焊接分项工程检验批质量验收记录钢结构紧固件连接分项工程质量验收记录钢结构(普通紧固件连接)分项工程检验批质量验收记录钢结构(高强度螺栓连接)分项工程检验批质量验收记录钢零件及钢部件加工分项工程质量验收记录零件及钢部件加工分项工程检验批质量验收记录钢结构组装分项工程质量验收记录钢构件组装分项工程检验批质量验收记录钢构件组装分项工程检验批中有关允许偏差检查记录压型金属板分项工程质量验收记录压型金属板分项工程检验批质量验收记录单层钢结构安装分项工程质量验收记录单层钢结构安装分项工程检验批质量验收记录单层钢结构安装分项工程检验批质量验收中有关允许偏差检查记录钢结构涂装分项工程质量验收记录钢结构防腐涂料涂装分项工程检验批质量验收记录第一章钢结构工程施工、技术管理资料钢结构工程概况施工单位资格及焊工证报审施工组织设计、施工方案及审批技术交底记录图纸设计变更、会审记录钢结构工程质量控制资料检查表有关安全及功能检验和见证检测项目检查记录钢结构工程观感质量检查记录第二章钢结构交工资料钢构件下料检验记录钢构件拼装检验记录钢构件 CO保护焊接检验记录2焊接超声波探伤报告钢构件抛丸除锈检验记录钢构件防腐涂装检验记录第三章钢结构工程质量控制核查资料1 原材料进出场合格证证书及检验报告钢结构工程原材料、成品质量合格证明文件、检测报告钢板材料质量合格证明文件、检测报告焊接质量合格证明文件、检测报告高强度大六角螺栓连接副扭矩系数试验报告高强度螺栓连接摩擦面抗滑系数试验报告其它附属材料质量合格证明文件、检测报告2 施工试验报告及见证检测报告超声波探伤报告钢构件射线探伤报告高强螺栓抗滑移系数检测报告网架节点承载力试验报告3 施工记录高强度螺栓施工记录钢结构矫正施工记录钢零部件边缘加工施工记录焊接材料的烘焙记录4 隐蔽工程验收记录5 分项分部工程质量验收记录钢结构子分部工程质量验收记录钢结构焊接分项工程质量验收记录钢结构焊接分项工程检验批质量验收记录钢结构紧固件连接分项工程质量验收记录钢结构(普通紧固件连接)分项工程检验批质量验收记录钢结构(高强度螺栓连接)分项工程检验批质量验收记录钢零件及钢部件加工分项工程质量验收记录零件及钢部件加工分项工程检验批质量验收记录钢结构组装分项工程质量验收记录钢构件组装分项工程检验批质量验收记录钢构件组装分项工程检验批中有关允许偏差检查记录压型金属板分项工程质量验收记录压型金属板分项工程检验批质量验收记录单层钢结构安装分项工程质量验收记录单层钢结构安装分项工程检验批质量验收记录单层钢结构安装分项工程检验批质量验收中有关允许偏差检查记录钢结构涂装分项工程质量验收记录钢结构防腐涂料涂装分项工程检验批质量验收记录钢结构工程概况工程名称建设单位 工程地址结构层次监理单位 建筑面积钢结构名称 工程量 联系联系总监理 工程师 建筑 项目负责人 设计资质设计单位 钢结构 证书 联系证书 联系设计单位 钢结构 执业资格 证号设计人员 等级钢结构 资质等级 施工单位 项目经理 开工日期证号竣工日期附 注:复核人: 填表人:施工安全生产管理体系报审表工程名称:致:编号:(监理单位)兹报验:工程施工安全生产管理体系,请核查和批准。
I 主控项目12.3.1小拼单元的允许偏差应符合表12.3.1 的规定。
检查数量:按单元数抽查5%,且不应少于5 个。
检验方法:用钢尺和拉线等辅助量具实测。
12.3.2中拼单元的允许偏差应符合表12.3.2 的规定。
检查数量:全数检查。
检验方法:用钢尺和辅助量具实测。
12.3.3对建筑结构安全等级为一级,跨度40M 及以上的公共建筑钢网架结构,且设计有要求时,应按下列项目进行节点承载力试验,其结果应符合以下规定:1 焊接球节点应按设计指定规格的球及其匹配的钢管焊接成试件,进行轴心拉、压承载力试验,其试验破坏荷载值大于或等于1.6 倍设计承载力为合格。
2 螺栓球节点应按设计指定规格的球最大螺栓孔螺纹进行抗拉强度保证荷载试验,当达到螺栓的设计承载力时,螺孔、螺纹及封板仍完好无损为合格。
检查数量:每项试验做3 个试件。
检验方法:在万能试验机上进行检验,检查试验报告。
12.3.4 钢网架结构总拼完成后及屋面工程完成后应分别测量其挠度值,且所测的挠度值不应超过相应设计值的1.15 倍。
检查数量:跨度24M 及以下钢网架结构测量下弦中央一点;跨度24M 以上钢网架结构测量下弦中央一点及各向下弦跨度的四等分点。
检验方法:用钢尺和水准仪实测。
Ⅱ一般项目12.3.5钢网架结构安装完成后,其节点及杆件表面应干净,不应有明显的疤痕、泥沙和污垢。
螺栓球节点应将所有接缝用油腻子填嵌严密,并应将多余螺孔封口。
检查数量:按节点及杆件数抽查5%,且不应少于10 个节点。
检验方法:观察检查。
12.3.6钢网架结构安装完成后,其安装的允许偏差应符合表12.3.6 的规定。
检查数量:除杆件弯曲矢高按杆件数抽查5%外,其余全数检查。
检验方法:见表12.3.6。
12 钢网架结构安装工程12.0一般规定12.1.1本章适用于建筑工程中的平板型钢网格结构(简称钢网架结构)安装工程的质量验收。
12.1.2钢网架结构安装工程可按变形缝、施工段或空间刚度单元划分成一个或若干检验批。
钢结构工程验收标准哎呀,说到钢结构工程验收标准,这事儿可不简单,就像是给一座房子做“体检”,得仔细检查每一个角落,确保它结实、安全、耐用。
今儿个,我就来聊聊我参与的一个钢结构工程验收的经历。
首先,咱们得明白,钢结构工程验收,可不是随便看看,敲敲听听那么简单。
这得有一套严格的标准,比如《钢结构工程施工质量验收规范》GB50205-2020,这可是我们的“圣经”。
验收的时候,我们得像侦探一样,用放大镜一样的眼睛去检查每一个细节。
记得那是一个风和日丽的下午,我们验收团队来到了一个新建的钢结构仓库。
这仓库,看起来挺结实,但是,咱们验收的,可不是外表,是内在。
我们得检查它的结构稳定性,材料质量,焊接质量,还有防腐防锈处理等等。
我们先从材料入手。
这材料啊,得是合格的,不能有裂缝、锈蚀、变形。
我们用小锤子轻轻敲击,听声音,声音清脆,说明材料没问题。
然后,我们用尺子量尺寸,确保每一根钢梁、钢柱的尺寸都符合设计要求。
接下来,我们检查焊接。
焊接可是钢结构的“关节”,要是焊接不好,那整个结构就不稳了。
我们用放大镜检查焊缝,看有没有气孔、裂纹、未熔合。
我们还得用超声波探伤仪检测内部有没有缺陷。
这可是个技术活,得有经验才能干得好。
然后,我们检查防腐防锈处理。
这可是个细致活儿,因为一旦生锈,钢结构的寿命就会大大缩短。
我们检查涂层是否均匀,有没有漏涂的地方。
我们还用小刀轻轻刮涂层,看看涂层的附着力怎么样。
最后,我们还得做整体的稳定性测试。
这就像是给房子做“俯卧撑”,看看它能不能承受一定的压力。
我们用仪器测量结构的变形,确保它在规定范围内。
验收结束后,我们还得写一份详细的报告,记录所有的检查结果。
这份报告,就像是给房子的“健康证明”,证明它合格,可以投入使用。
总之,钢结构工程验收,是个细致活儿,得有耐心,有技术,还得有责任心。
就像我们生活中的每一件小事,都得认真对待,才能确保安全和质量。
所以,下次当你看到一座钢结构建筑的时候,别忘了,它的背后有一群像我们这样的验收人员,用他们的专业知识和细心,确保了你的安全和舒适。
钢结构质量检验记录
1.原材料及成品进场
Ⅰ基本要求和内容
( 1) 原材料及成品进场应提供质量合格证明文件、中文标志及出厂检验报告等。
( 2) 钢材
1) 钢材、钢铸件品种、规格、性能等应符合现行国家产品
标准和设计要求。
进口钢材产品的质量应符合设计和合
同规定标准的要求并附有商检证。
2) 对属于下列情况之一的钢材, 应进行抽样复验:
a.国外进口钢材;
b.钢材混批;
c.板厚等于或大于40mm, 且设计有Z向性能要求的厚板;
d.建筑结构安全等级为一级, 大跨度钢结构中主要受力构件
所采用的钢材;
e.设计有复验要求的钢材;
f.对质量有疑义的钢材。
其复验结果应符合现行国家产品标准和设计要求
( 3) 焊接材料
1) 焊接材料品种、规格、性能等应符合现行国家产品标准和设计要求。
2) 重要钢结构采用的焊接材料应进行抽样复验, 复验结果应
符合现行国家产品标准和设计要求。
( 4) 连接用紧固标准件
1) 钢结构连接用高强度大六角头螺栓连接副、扭剪型高强度
螺栓连接副、钢网架用高强度螺栓、普通螺栓、铆钉、
自攻钉、拉铆钉、射钉、锚栓( 机械型和化学试剂型) 、地脚锚栓等紧固标准件及螺母、垫圈等标准配件, 其品种、规格、性能等应符合现行国家产品标准和设计要求。
高强度大六角头螺栓连接副和扭剪型高强度螺栓连接副出厂时应分别随箱带有扭矩系数和紧固轴力( 预拉力) 的检验报告。
2) 高强度大六角头螺栓连接副应按现行国家标准《钢结构工
程施工质量验收规范》GB50205的规定复验其扭矩系数, 其检验结果应符合规定。
复验用螺栓应在施工现场待安装的螺栓批中随机抽取, 每批应按规格抽取8套连接副进行复验。
3) 扭剪型高强度螺栓连接副应按现行国家标准《钢结构工程
施工质量验收规范》GB50205的规定复验预拉力, 其检验结果应符合规定。
复验用螺栓应在施工现场待安装的螺栓批中随机抽取, 每批应按规格抽取8套连接副进行复验。
4) 对螺栓球节点钢网架结构, 其连接高强度螺栓应进行拉力
载荷或表面硬度试验, 其值应符合现行国家标准《钢网架螺栓球节点用高强度螺栓》GB/T16939或《紧固件机械性能螺栓、螺钉和螺柱》GB3098.1的规定。
对8.8级的高强度螺栓其表面硬度应为HRC21~29; 10.9级高强度螺栓其表面硬度应为HRC32~36, 且不得有裂纹或损伤。
检查数量: 同规格的螺栓每600只为一批, 不足600只仍按一批计, 每批取3只为一组随机抽检。
5) 对设计有螺栓实物最小荷载检验要求的螺栓, 其抗拉强度
应符合设计要求, 当设计无要求时应符合现行国家标准《紧固件机械性能螺栓、螺钉和螺柱》GB3098.1或其它现行
国家产品标准要求。
复验用螺栓应在施工现场待安装的螺栓批中随机抽取, 每批应按规格抽取8套连接副进行复验。
( 5) 焊接球
1) 焊接球及制造焊接球所采用的原材料, 其品种、规格、性
能等应符合现行国家产品标准和设计要求。
2) 焊接球焊缝应进行无损检验, 其质量应符合设计要求, 当
设计无要求时应符合《钢结构工程施工质量验收规范》GB50205中规定的二级质量标准, 检查数量: 每种规格按数量各抽查5%, 且不应少于3个。
焊接球焊缝检验应按照现行行业标准《焊接球节点钢网架焊缝超声波探伤及质量分级法》JG/T3034.1执行。
3) 焊接球节点应按设计指定规格的球及其匹配的钢管焊接
成试件, 进行轴心拉、压承载力试验, 其试验破坏荷载值大于或等于1.6倍设计承载力为合格。
检查数量: 每项工程中取受力最不利的同规格的焊接球600只为一批, 不足600只仍按一批计, 每批取3只为一组随机抽检。
( 6) 螺栓球
1) 螺栓球及制造螺栓球节点所采用的原材料, 其品种、规
格、性能等应符合现行国家产品标准和设计要求。
2) 螺栓球不得有过烧、裂纹及褶皱。
检查数量: 每种规格各
抽查5%, 且不应少于5只。
3) 螺栓球节点应按设计指定规格的球最大螺栓孔螺纹进行
抗拉强度保证荷载试验, 当达到螺栓的设计承载力时, 螺孔、螺纹及封板仍完好无损为合格。
检查数量: 每项工程中取受力最不利的同规格的焊接球600只为一批, 不足600只仍按一批计, 每批取3只为一组随机抽检。
( 7) 网架杆件
1) 杆件的钢管与封板或锥头的连接焊缝抗拉强度应符合现
行行业标准《钢网架螺栓球节点》JG10或《网架结构工程质量检验评定标准》JGJ78的规定。
检查数量: 取受力最不利的拉杆, 以同规格杆件300根为一批, 不足300根仍按一批计, 每批取3根为一组随机抽检。
2) 杆件的钢管两端对接焊缝应进行无损检验, 其质量应符合
设计要求, 当设计无要求时应符合《钢结构工程施工质量验收规范》GB50205中规定的二级质量标准, 抽检杆件接头焊缝数量的20%。
杆件焊缝检验应按照现行行业标准《螺栓球节点网架焊缝超声波探伤及质量分级法》JG/T3034.2执行。
( 8) 封板、锥头和套筒
1) 封板、锥头和套筒及制造封板、锥头和套筒所采用的原
材料其品种、规格、性能等应符合现行国家产品标准和设计要求。
2) 封板、锥头、套筒外观不得有裂纹、过烧及氧化皮。
( 9) 金属压型板
1) 金属压型板及制造金属压型板所采用的原材料, 其品种、
规格、性能等应符合现行国家产品标准和设计要求。
2) 压型金属泛水板、包角板和零配件的品种、规格以及防
水密封材料的性能应符合现行国家产品标准和设计要求。
( 10) 涂装材料
1) 钢结构防腐涂料、稀释剂和固化剂等材料的品种、规格、
性能等应符合现行国家产品标准和设计要求。
2) 钢结构防火涂料的品种和技术性能应符合设计要求, 并应
经过具有资质的检测机构检测, 符合国家现行有关标准的
规定。
( 11) 其它
1) 钢结构用橡胶垫的品种、规格、性能等应符合现行国家
产品标准和设计要求。
2) 钢结构工程所涉及到的其它特殊材料, 其品种、规格、性
能等应符合现行国家产品标准和设计要求。
Ⅱ核查办法
( 1) 按照单位工程结构设计、变更设计文件和原材料配料汇总表, 核查原材料与产品出厂合格证( 商检证) 及试验报告
中的原材料品种、规格是否一致, 是否按批取样, 取样所
代表的批量之和是否与实际用量相符。
( 2) 核查原材料或成品试验( 复验) 结果是否符合标准、规范和规程要求。
( 3) 核查合格证、试验( 复验) 报告中的工程名称是否与实际工程一致, 各项技术数据是否符合标准规定, 试验方法及
计算结论是否正确, 试验项目是否齐全, 是否符合先试验
后使用, 先验收后隐蔽的原则。
( 4) 核查原材料或成品代换使用是否有计算书及设计签证, 计算结果是否符合现行标准、规范要求。
Ⅲ核定原则
凡出现下列情况之一, 本项目核定为”不符合要求”。
( 1) 进场原材料或成品无出厂合格证或试验报告。
( 2) 进场原材料或成品的品种、规格和设计文件不一致, 又无代换设计签证。
( 3) 进场原材料或成品的抽检数量不足, 或性能试验项目不齐。