环评所需资料清单
- 格式:doc
- 大小:100.50 KB
- 文档页数:5
一、建设单位需提供的文件:1、发改委相关部门立项文件/会议纪要2、国土部门土地使用证明/选址意见书3、规划部门建设用地规划许可证4、建设项目可研性报告书/项目建议书二、环评所需资料清单:1、主要工艺设备名称、规格型号和数量2、原辅材料及消耗(原料、配料、电、新水、循环水的年消耗量及单位消耗量)3、共用工程:供电系统:需要建几座供电所、供电所的规模供水系统:新鲜用水量、冷却水用量、循环水用量、生活用水量、生产用量、消防用水量各是多少供暖系统:若项目有自建供暖系统,供暖锅炉的大小、种类、规模;燃料的种类、来源、年消耗量、锅炉的循环补充水量。
供汽系统:项目是否新建供汽系统?若新建,供汽系统的规模、总用汽量(其中的生产用汽、采暖用汽、除氧气耗汽、汽水损失、运行恶化耗汽量)污水处理:污水处理工艺、年处理能力、主要处理工艺流程、处理后的污水处理方式、项目生活废水排放量,生活污水中COD、BOD和NH3-N排放初始浓度,及处理后的浓度、削减量和最终排放量。
4、锅炉:锅炉的大小、种类、规模、用途、各种用途所占比例锅炉的大小、种类、规模;燃料的种类、来源、年消耗量、锅炉的循环补充水量。
5、固废:燃煤炉渣、生活垃圾产生量及去向。
6、项目总平面布置图。
7、项目总平面布置图主要技术经济指标。
8、项目总投资额及来源9、新建构筑物指标。
(新建构筑物名称、面积、体积、结构形式)10、建厂区域地勘报告。
11、环境现状调查报告。
12、项目物料运输情况。
13、建设方基本资料(公司名称、法人、联系方式、公司地址、所从事行业)14、如果是报告书的话,收集的资料还包括:建设地近3年气象数据(包括风频、风速、风向、温度、湿度等等。
这些要去气象局买)、监测资料(包括大气、地表水、地下水和声环境。
这些要和当地监测站联系,出钱请他们去监测)、项目的可行性研究报告(一般来说可研在环评之前)、项目的水文及地质勘探报告、项目的备案证明、立项批文等文件三、报告书或者表的编制(一定要让建设方多和环保局沟通拿到总量)一般来说,编制报告书的时间较长,四十天左右;而报告表的编制时间较短,十五天左右四、评审报告书需要环保局专门组织专家进行评审,需要开评审会,环评单位需要将项目的工艺、排污、污染源、排污量、环保措施及投资等等等等向专家及环保局进行介绍。
环境影响评价所需资料清单
一、文件
1、环评委托书
2、立项报告及各级批文
3、可研报告
4、相关规划(文本及图纸)
二、工程概况
1、项目名称、建设地点、建设内容、建设规模、总投资、劳动定员及主要经济技术指标
2、产品方案及规模
3、生产工艺流程
4、主要设施、设备型号及数量
5、原辅材料清单,能耗、物耗
6、工程污染排放情况,拟采取的的污染物防治措施
7、给、排水路径,污水处理厂相关情况
8、供电来源和方式(如有高压线经过,提供负荷、位置、距离、高度等指标)
9、供热制冷方式(有无锅炉、冷却塔,若有,提供其型号、规模)等
三、与项目有关的原有污染情况及主要环境问题
四、图例
1、项目地理位置图
2、项目厂区及车间平面布置图
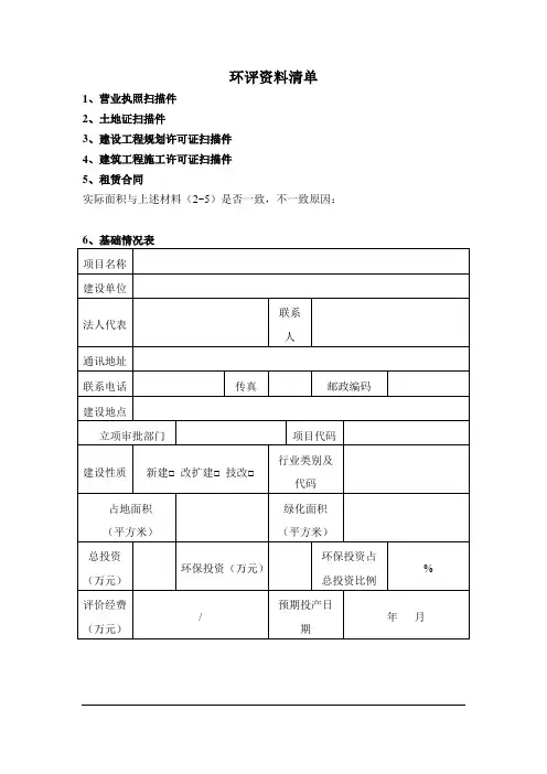
项目基本情况
项目名称:
建设单位:
法人代表:
联系人:
通讯地址:
联系电话:
传真:
邮政编码:
建设地点:
立项审批部门、备案编号:占地面积(平方米):
绿化面积(平方米):
总投资(万元):
预期投产日期:。
环境评价提资单
3、原材料名称及其消耗(吨/年或公斤/月)(化工原料请提供原料的理化性质、
4、产品具体清单及年产量
5、生产设备清单(所有设备名称、型号、数量、使用工序),是否有配套吸尘器?(型号?风量?处理率?)(所有大小设备均需填写)
6、年耗电量、水量及其他能源
7、发电机及锅炉情况
8、是否产生工艺废水?废水来源?说明类型?产生量(t/d),现是否建有治理设施,有,请提供废水治理方案?排放去向?
9、固体废物
10.员工及食堂情况
11.其他需要提供的资料(如有请提供复印件)
注:入污水管网证明为项目生活污水是否接入污水处理厂,如没有接入,将新建污水处理设施。
12、扩建、迁建、改建项目(如有请提供复印件)
(1)扩建项目未验收的现有项目需申请验收后再进行扩建项目环评报批。
(2)对于未批先建项目,一是主动补办环评手续的无需配套治理设施的轻污染项目,应该完善环评手续;二是对涉及污染的项目,需先停止生产,环保分局处以相应罚款,在办理环评手续。
(3)、工业项目周边存在居住区等敏感点的,需要对项目环境影响进行公众参与意见参与调查,影响较大,需要提供由规划部门出具的用地规划证明文件(说明项目用地属于工业用地或适合项目性质的用地)。
13、项目周围四置图及厂区平面布置图,须明厂门口的位置、各排气筒位置、高度。
N
贵单位需对以上提供资料真实性负责!如有瞒报、假报等情形,承担一切由此引起的责任;生产工艺、设备、规模、内容及地点如改变,另外申报环保局。
建设方法人或代表签字确认:电话:时间。
环评材料清单
一、环评报告支撑材料(甲方提供)
1、土地文件(土地证或土地出让书等);
2、规划文件(规划证明或用地规划等);
3、供电证明;
4、供水证明;
5、供气证明;
6、供热证明;
7、污水接收证明;
8、施工合同;
9、岩土工程勘察报告;
10、营业执照。
二、环评报告附属材料(乙方协助完成)
1、标准申请;
2、监测报告;
3、公众参与调查方案当地主管部门核查意见、项目所在区域公示证明、公众参与问卷调查当地主管部门审核意见。
三、环评报告工作材料(乙方协助完成)
1、第一次公示;
2、第二次公示;
3、问卷调查(根据项目区域敏感情况确定,常住人口的10%);
四、基本材料(甲方提供)
(1)项目名称、建设单位;以及建设单位简介(电子版)
(2)法人代表;
(3)联系人及电话;
(4)通讯地址及建设地点;
(5)占地面积;
(6)总投资;
(7)建设周期;
(8)详细的规划图(清晰描述建设内容和规模)、地下车库图(包含地下设备分布图和地下车库施工设计图)、管线综合规划图;日照分析图;均提供电子版(9)周围环境状况;
(10)现有厂址情况(如是否有企业,企业从事何种行业等等);。
学校环评资料清单学校环境影响评价(Environmental Impact Assessment,EIA)是指在进行学校规划、建设、改建、扩建等相关项目前,对项目可能产生的环境影响进行预测、评价和预防,从而保护生态环境和提高环境质量的过程。
为了进行学校环评,需要收集和整理相关的资料。
下面是一个学校环评资料清单的例子:1.学校相关资料-学校规划图纸:学校的总平面布局、建筑分布图和功能区划图等。
-学校建设文件:学校的建设规划、建设申请、施工合同等。
-学校管理文件:学校的管理制度、教学计划、规章制度等。
2.自然环境资料-土地利用和地形图:了解学校所在地的土地利用情况和地形地貌特征。
-气象数据:学校所在地的气象数据,包括气温、降水量、风向风力等。
-水文地质资料:学校所在地的地下水和地质状况资料。
3.社会经济资料-学校周边人口和就业状况:学校周边的居民人口数量、就业情况等。
-交通状况:学校周边的交通情况,包括道路、公共交通等。
-经济发展情况:学校所在地区的经济状况、产业结构等。
4.环境保护资料-环境保护政策和法规:国家和地方关于环境保护的政策法规。
-学校环境保护措施:学校已经采取的环境保护措施,如节能措施、废物处理设施等。
-环境污染源:学校周边的可能存在的环境污染源,如工厂、污水处理厂等。
5.环境影响评价资料-项目建设方案:学校项目的具体建设方案,包括施工工艺、建筑材料等。
-生态环境参数:学校项目对周围生态环境可能产生的影响,如土地破坏、生物多样性减少等。
-环境监测结果:学校周边环境的监测结果,包括空气质量、水质等。
6.公众意见和参与资料-公众听证会记录:学校项目进行公众听证会的记录和意见反馈。
-网络舆情和媒体报道:学校项目在网络和媒体上的舆情和报道。
环评文件报批所需材料清单
1、环境影响报告书(表)(报送稿)2本(由环评单位提供);环评简本(由环评单位提供);
2、电子版(word格式)光盘1张(由环评单位提供);
3、建设项目环境保护审批登记表1份(由环评单位提供);
4、项目竣工环境保护验收清单1份(由环评单位提供);
5、环评文件修改清单(由环评单位提供);
6、请求审批环评材料的申请(企业提供);
7、总量确认文件(由环评单位协助企业提供);
8、设区市环保局和县(市、区)环保局书面意见各1份(由市县两级环保局提供);
9、工程建设领域项目信息公开申报表(由环评单位协助企业提供);
10、评估中心技术评估意见2份(由评估中心提供);
11、专家意见及签字表1份(由评估中心提供);
12、项目跟踪表(由评估中心提供)。
环评所需资料清单
1、发改委备案文件(复印件或扫描件);
2、规划用地范围红线图(复印件或扫描件);
3、土地文件(合同或租赁协议)(复印件或扫描件);
4、企业法人营业执照或预核名(复印件或扫描件);
5、工程资料:项目厂区平面布置图(CAD版)、建筑内容及面积、项目方案、项目所用原辅材料(包括名称、规格/型号、年用量等)、设备(包含名称、规格、型号、数量等);
6、企业简介、职工人数班制、年工作时间;
7、项目可研报告或项目建议书(电子版);
8、本项目产生的废水(是否有污水处理设备)、废气的排放去向及治理措施等;
9、本项目所在地是否有截污管网,污水最终排入哪个污水处理厂;
10、本项目是否有食堂、员工宿舍,有的话请详细介绍规模、具体位置、容纳人数等。
请您准备上述材料,如有问题请及时联系!
环评单位:江苏诚智工程设计咨询有限公司
联系人:丁晓娜
联系方式:66660366。
规划环境影响评价所需资料清单(一)1.委托评价规划范围的说明及委托工作界限2.开发区审核公告3.请提供环境保护申请登记表,项目立项批复,备案、土地使用证,选址意向书、规划许可证4.提供地区总体规划、委托规划区的总体规划设计方案、可行性研究报告、控制性详细规划、总体规划设计方案、土地整理规划、人口规划、复耕规划等。
a)规划纲要,其中包括:政府同意筹建开发区的批准文件;规划开发示意图及方案说明。
b)规划设计方案,包括:用地现状详图及文本说明,规划用地现状卫星遥感图及用地类型解译,土地利用规划图,工程规划图及规划设计说明书。
委托规划区的总体规划中包括规划名称、位置图、图中画出规划边界、占地面积、目的、定位、规模、期限、发展战略、规划布局、规划行业,能源供给,市政基础设施规划图件及文本(给水工程、排水工程、供热、燃气、电力、信息、能源、综合交通、绿化设计、生态建设、环境保护、卫生规划),提供图件应为CAD图,具有比例,能够测量与计算。
c)评价区域内的居民住宅、工厂、企业的安置、补偿方案d)工程的实施方案,分几期建设,每期建设的位置,工程内容,规模e)规划的供排水平衡,新鲜水来源,供水能力,用水量,排水去向,是否建设污水处理厂,若建污水处理厂,请提供处理规模,建设位置,占地面积,处理工艺,最终废水排放去向。
若不建废水处理厂,则提供废水接受的支持性文件。
f)供热规划,热源,是否自建锅炉,若建,请提供吨位,燃料种类,位置;若采用规划区外供热,则提供供热证明性文件。
g)燃气工程,燃气量,来源h)人口来源,规划人口数,用地平衡i)规划区的生态、景观详细规划文字及图像说明(包括水景、绿化、公园)j)区内中水、雨水的详细的利用和规划方案k)环保措施及投资预算l)生态补偿措施(移栽补偿计划等)。
5.现有规划区产业布局、现有基础设施现状(供水、排水、供电、供热等),现有环境污染处理设施,现有重点污染企业概况,能源、水资源消耗情况、废水、废气、固体废物排放情况,及处理方式。
环境影响评论需供给资料清单一、工程方面技术资料(假如项目可研报告有以下内容可附可研报告)1、生产工艺流程2、主要生产设备清单3、原资料种类及用量4、产品方案:产品种类、名称及数目;5、能源及水耗费状况:用水、用电等,锅炉容量及耗煤状况;6、拟采纳的污染防治举措,包含污染治理设备种类及名称;7、工作班制,员工数目;8、用水根源及排水去处二、工程建设内容(包含建筑物构造、楼层及面积)1、生产主体设备建设内容:2、生产协助设备建设内容;3、生活服务设备建设内容。
三、有关附件1、厂区平面部署图;2、项目立项文件(有一项即可):存案证或立项批文、立项申请报告;3、环评拜托函;4、建设用地的规划预审建议(规划部门)或土地证。
四、其余:1、改、扩建工程需供给现有工程的有关资料及拟建项目的关系;环评所需资料检查表建设项目基本状况项目名称建设单位法人代表电话联系人电话通信地址联系电话传真邮政编码建设地址立项审批同意文号(存案)部门建设性质新建□改扩建□技改□行业类型及代码占地面积绿化面积(平方米 ) (平方米 )总投资此中:环保投(万元 ) 资(万元)建设时间投产日期员工人数工作班次用水根源排水去处原辅资料产品产量能源及水耗数目(计量单数目(计量单名称年耗量名称名称位 /年)位/年)建设项目工程状况工艺流程简述 (图示 ):生产主体设备建设内容:(车间名称、数目、建筑物构造、楼层及面积)生产协助设备建设内容:(供热、供水、供电设备名称、数目、建筑物构造、楼层及面积)生活服务设备建设内容:(食堂、浴池、小卖部、员工宿舍等建筑物构造、楼层及面积)主要生产设备清单设备名称设备型号设备数目备注项目环保设备信息表类型设备名称主要设备投资额及成效废水治理举措废气治理举措噪声治理固体废物处理委托书***环境科学研究所:依据《中华人民共和国环境影响评论法》的规定,现拜托你所为我单位的项目编制《建设项目环境影响报告表》。
拜托单位(盖印)年月日。
12、生产工艺图及文字描述(明确产污环节及环保处理措施)流程图及产污环节:
文字描述(或关键生产工序介绍):
污染物治理措施:
气:
水:
固废:
13、厂址四邻及2公里范围内环境敏感点(居住、医疗、教育、科研、办公、文
物保护)
东:
南:
西:
北:
2公里内的敏感目标:
14、辅助材料
(1)可行性研究报告/申请报告/项目建议书/项目简介
(2)备案证明
(3)厂区平面图、车间设备布置图
(4)现场照片
(5)如厂区有其他项目,请提供一下原有项目的资料(环评报告、环评批复、验收报告、验收批复、其他变更资料等)
(6)项目联系人身份证正反面
15、立项所需资料。
环境影响评价所需资料清单
一、文件
1、环评委托书
2、申报登记表
3、预审意见或备案通知书
4、标准确认函
5、供货及副产物协议
6、公示证明
7、企业营业执照
8、土地使用证明
9、监测资料
二、图件
1、项目地理位置图
2、项目厂区平面布置图
3、厂区周边状况图
4、勘测定界图
1、基本情况
2、能耗
3、生产规模
3、设备清单(旧设备标“√”,进口设备标“△”)
4、原辅料清单
5、生产工艺流程
按产品分别给出生产工艺流程图,工艺说明(需说明温度、压力、时间、投料方式、配比、产污环节等)。
6、污染防治措施
废水:是否雨污分流,厂内废水处理设施、处理效率、处理工艺,雨污排放去向;
废气:废气净化设施、处理效率、处理工艺,排气筒/烟囱高度;
噪声:隔声、减振、降噪措施;
固废:各种固废如何处理处置。
7、相关附件
①厂区平面布置图(标注设备位置,厂房名称,雨污管线,污水池、消防水池、清水池及废水排口位置,排气筒/烟囱位置、固废临时堆场位置、厂区宽度与长度、指北方向等);
②厂区周边状况图(标明厂区四周500m内道路、企业、村庄名称,并给出相应距离)
③建设项目环境影响评价审批预审申报表及预审意见;
④污水接管协议、固废处置协议、土地租赁协议/用地许可证等;
⑤若为改扩建项目,需要提供原有项目的环评文件、批复及验收报告。
⑥其他附件,如可行性研究报告、规划用地许可证、企业备案、发改委批文、营业执照、相关环保局出具文件等。
资料清单1)、主要工艺设备名称、型号规格及数量。
2)、原辅材料供应及消耗(原料、配料、电、新水和循环水的年消耗量和单位消耗量)。
3)、项目总平面布置图主要技术经济指标。
4)、施工期平面图、地形图。
5)、项目搬迁内容。
6)、公用工程a.供电系统:需要自建几座变电所?变电所的规模?b.供水系统:新鲜用水量、循环冷却用水量、生活用水量,生产用水量、消防用水量各是多少?c.供暖系统:若项目有自建供暖系统,供暖锅炉的大小、种类、规模;燃料的种类、来源、年消耗量、锅炉的循环补充水量。
d.供气系统:项目是否新建供气系统?若新建,供气系统的规模是多少?总用气量是多少(其中的生产用气、采暖用气、除氧气耗气、汽水损失、运行恶化耗气各是多少?)?e.污水处理:采用何种污水处理工艺?年处理能力多少?主要处理工艺流程? 处理后的污水如何处理?项目生活废水排放量,生活污水中COD、BOD和NH3-N排放初始浓度,及处理后的浓度、削减量和最终排放量。
7)、锅炉:锅炉的大小、种类、规模、用途、各种用途所占比例锅炉的大小、种类、规模;燃料的种类、来源、年消耗量、锅炉的循环补充水量。
8)、固废:生活垃圾产生量及去向。
9)、项目总投资额及来源。
10)、新建构筑物指标。
(新建构筑物名称、面积、体积、结构形式)11)、建厂区域地勘报告。
12)、环境现状调查报告。
13)、项目物料运输情况。
14)、建设方基本资料(公司名称、法人、联系方式、公司地址、所从事行业)15)、监测资料、项目的可行性研究报告、项目的水文及地质勘探报告、项目的备案证明、立项批文等文件。
谢谢观赏环评报告需要提供的资料清单清单一1、厂区平面布置图、总投资、环保投资、项目概况(项目建议书或可研报告)(基本信息概况)2、生产工艺详细叙述及流程图、主要生产设备(型号、台数)(工艺流程概况)3、原辅材料消耗、能源消耗、原辅材料成分化验报告(化验报告概况)4、物料平衡、水平衡图(能源平衡图)5、职工人数、班制、生产天数、厂址四邻情况6、产污环节分析:(污染源概况)⑴废气产生部位、废气产生量、废气中主要污染因子(包括产生浓度、产生量)、废气治理措施及设施(投资、型号、台数、处理效率)、废气排放量、废气中主要污染因子排放浓度、排放量、烟气温度、排气筒(高度、直径)⑵水耗(新鲜水消耗量、循环水量、循环率)、废水产生部位、产生量、废水中主要污染因子(产生浓度、产生量)、废水治理措施及设施(投资、型号、台数、处理效率)、废水排放量、废水中主要污染因子排放浓度、排放量、排水去向⑶噪声产生部位、降噪措施(投资、型号、台数)⑷固废产生部位、产生量、固废性质及组成、处置或利用措施、排放量清单二1、项目法人代表、联系人、联系电话、传真、电子邮件、联系地址;2、项目的各类相关政府部门批准文件,例如发改委备案、水资源取水证明(直接取地下水)、建设项目选址意见书等;3、产品方案,包括产品名称、规格、产量等。
主要设备名称型号数量(例如:锅炉DZL-4-AⅡ1台);4、厂区总平面布置图、厂区周边关系图、厂区设备布置图,图纸要依比例给出,图件要清晰;5、工艺流程详细文字叙述加工工艺流程图示;6、项目按工艺流程提供逐步物料平衡图、全厂水平衡图。
有化学反应的提供各步反应方程式。
项目在能耗、物耗、环保、清洁生产等指标在国内同类行业所处水平数据比对;7、原材料及动力消耗,动力包括水、电、蒸汽、煤炭、燃料油、压缩空气等,水、蒸汽要说明来源,煤炭要提供共煤协议和媒质分析报告,燃料油要说明燃料油的各种类及等级。
厂内化学危险品(例如硫酸、盐酸、汽油等易燃、易爆、腐蚀性物质)在厂区内储存量、储存地点、储存方式;8、各污染源污染治理方案[包括具体处理措施、处理工艺详细文字叙述和图示、设计处理指标(包括污染物去除效率,各处理工段污染物进出口浓度)等]。
环评报告书资料清单一、前言环境评价报告书是一份重要的文档,用于评估项目对环境的影响,并提供相应的环境管理和监控措施。
编写环评报告书需要搜集大量的资料,包括项目背景、环境影响评价方法与结果、环境管理措施等内容。
本文将提供一个环评报告书的资料清单,以帮助编写人员逐步思考和规划报告的编写过程。
二、资料清单1. 项目背景资料•项目名称、地点、范围等基本信息•项目的背景和目的•项目所在地的地形、地质、气候等基本情况•项目的规模和产能预测•项目的经济和社会影响评价资料2. 环境基准资料•项目所在地的环境基线调查报告•相关环境规划和管理文件•环境监测数据和结果•环境质量标准和相关法规3. 环境影响评价方法与结果•项目所采用的环境影响评价方法和指标体系•可行性研究和环境影响评价报告的结果和结论•环境影响预测模型和数据4. 环境管理措施•环境管理体系建设和组织结构•监测与评价措施•环境风险管理和应急预案•环境保护设施和技术措施5. 环境监测计划与报告•环境监测计划书•监测设备和方法•监测数据和结果分析•监测报告和评估三、编写步骤1.研究相关法律法规和标准,了解环评报告书的编写要求和结构。
2.收集项目背景资料,包括项目的基本信息、背景和目的等。
3.搜集环境基准资料,包括环境基线调查报告、环境监测数据等。
4.确定环境影响评价方法与结果,包括评价指标体系、环境影响预测模型等。
5.制定环境管理措施,包括管理体系建设、监测与评价措施等。
6.规划环境监测计划与报告,包括监测计划书、设备和方法选择等。
7.逐步整理和完善环评报告的各个章节,确保逻辑清晰、数据准确。
8.进行报告的审查和修改,确保报告的质量和准确性。
9.最后,将报告进行排版和编辑,以便最终的出版和交付。
四、总结环评报告书资料清单是编写环评报告书的重要参考,有效的收集和整理资料可以提高报告的质量和准确性。
本文提供了一个逐步思考的过程,帮助编写人员在编写环评报告书时有条理地搜集和整理资料。
环评报告需要提供的资料清单第一篇:环评报告需要提供的资料清单环评报告需要提供的资料清单清单一1、厂区平面布置图、总投资、环保投资、项目概况(项目建议书或可研报告)(基本信息概况)2、生产工艺详细叙述及流程图、主要生产设备(型号、台数)(工艺流程概况)3、原辅材料消耗、能源消耗、原辅材料成分化验报告(化验报告概况)4、物料平衡、水平衡图(能源平衡图)5、职工人数、班制、生产天数、厂址四邻情况6、产污环节分析:(污染源概况)⑴废气产生部位、废气产生量、废气中主要污染因子(包括产生浓度、产生量)、废气治理措施及设施(投资、型号、台数、处理效率)、废气排放量、废气中主要污染因子排放浓度、排放量、烟气温度、排气筒(高度、直径)⑵水耗(新鲜水消耗量、循环水量、循环率)、废水产生部位、产生量、废水中主要污染因子(产生浓度、产生量)、废水治理措施及设施(投资、型号、台数、处理效率)、废水排放量、废水中主要污染因子排放浓度、排放量、排水去向⑶噪声产生部位、降噪措施(投资、型号、台数)⑷固废产生部位、产生量、固废性质及组成、处置或利用措施、排放量清单二1、项目法人代表、联系人、联系电话、传真、电子邮件、联系地址;2、项目的各类相关政府部门批准文件,例如发改委备案、水资源取水证明(直接取地下水)、建设项目选址意见书等;3、产品方案,包括产品名称、规格、产量等。
主要设备名称型号数量(例如:锅炉DZL-4-AⅡ1台);4、厂区总平面布置图、厂区周边关系图、厂区设备布置图,图纸要依比例给出,图件要清晰;5、工艺流程详细文字叙述加工工艺流程图示;6、项目按工艺流程提供逐步物料平衡图、全厂水平衡图。
有化学反应的提供各步反应方程式。
项目在能耗、物耗、环保、清洁生产等指标在国内同类行业所处水平数据比对;7、原材料及动力消耗,动力包括水、电、蒸汽、煤炭、燃料油、压缩空气等,水、蒸汽要说明来源,煤炭要提供共煤协议和媒质分析报告,燃料油要说明燃料油的各种类及等级。
环评所需资料清单
一、宝利纺织
(1)、基础资料
1、现有企业概况介绍:包括企业演变过程、占地面积、建筑面积、固定资产、职工人数、生产班制、食宿,2011年的产量、产值、利润、税收等。
6、人员数量及时间安排
现有企业职工总人数人,职工年工作日为天,企业年生产日为天;
生产班制或(车间班制)
7、生产工艺流程(根据生产品分别说明)
(1)工艺流程图
(2)工艺流程说明
请参照各个工序岗位操作说明书(生产指导书),详细提供每个工序的操作说明、工艺原理等资料(涉及保密的工艺可适当保留、变化)。
(2)所需附件及资料
1、现有企业最近一次环评报告及批复
2、现有企业三同时验收报告及验收会议纪要
3、企业法人营业执照;
4、项目所在地土地证;
5、项目厂区平面布置图;
二、宝星印染
1.现有企业概况介绍:包括企业演变过程、占地面积、建筑面积、固定资产、
职工人数、生产班制、食宿,近2011年的产量、产值、利润、税收等。
2.现有企业生产情况:最好能提供近2011年企业生产情况,如生产各种产品种
类、数量等,各种产品对应坯布门幅及克重。
3.现有企业设备详细清单:需分别列出不同加工产品生产车间加工生产设备;
包括设备名称、型号、规格、产地、数量、每天24小时生产能力(正常情况下);各设备24小时正常生产情况下排污量,若相同产品则不需分车间说明。
并说明加工不同品种设备实际加工产量为设计容量的比例。
4.现有企业原辅材料消耗:各加工坯布品种、主要染料品种及数量、主要助剂
品种及数量、液碱、水、电、蒸汽、导热油损耗量及循环量、煤量(若有蒸汽锅炉则与导热油锅炉分别列出);各设备及加工品种每天冷却水用量。
并提供原辅料的包装规格及用什么包装。
5.现有企业各产品生产工艺流程。
最好能提供各加工产品详细工艺说明。
染色
生产需提供各工序染料、助剂品种及投加量、浴比、温度、时间等。
印花工艺需提供制网设备、工艺,浆料品种及配比,每万米浆料的平均消耗量。
各设备水洗方式(染色机水洗方式及印花水洗方式)及清洗次数。
请参照各个工序岗位操作说明书(生产指导书),详细提供每个工序的操作说明、工艺原理等资料。
6.现有企业生产排污情况:2011年各月产量及排污量、中水实际回用量及用途
(如有中水回用设施)。
污水水质在线监测数据及排水公司每月抽查数据、近几年环保监测站监测数据(包括废水、锅炉废气),冷却水收集情况,池子大小。
每台定型机每天废油回收量、废水排放量。
各设备每天排污量(24小时运转)、各加工品种万米排污量或吨排污量。
7.最好能提供清洁生产审核报告、Iso14001环境管理体系及其他相关环保材料。
8.三同时验收报告及验收会议纪要、上次环评批复、排污许可证、污水排放处
理协议、企业法人营业执照。
9.污水处理设施及中水回用设施设计方案、中水回用核查报告、锅炉废气治理
装置说明书。
10.定型机废气监测资料及治理方案。
二、项目附件:
1.提供企业现有已审批项目环评报告、环评批复,如现有项目已通过验收,则
还需提供“三同时”验收监测报告和验收意见、项目实施情况;
2.项目平面布置图:标明各车间布置,还需要标明污水、清下水、雨水、回用
水管道走向,同时标明污水接入点位置,各污水池位置、冷却水回用装置位置。
3.固定资产并联审批联系单。
4.企业法人营业执照。
5.提供排污许可证或排水协议、供天然气或蒸汽协议。
6.若产生危险固废则需提供危险固废处置协议。
浙江省环境保护科学设计研究院
联系人:吴立华
联系电话:84139781 传真:84139782。