JTGTF50《公路桥涵施工技术规范》压浆剂试验仪操作规程.pdf
- 格式:pdf
- 大小:129.88 KB
- 文档页数:5
公路桥涵施工技术规范(JTT/T F50—2011)6 混凝土工程6.1 一般规定6.1.1 本章适用于公路桥涵混凝土施工的原材料选择、配制、拌制、运输、浇筑、养护及质量检验,预应力混凝土及水下混凝土等的特殊要求尚应符合本规范第7章和第8章的规定。
6.1.2 混凝土工程所用的各种原材料,均应符合现行国家或行业标准的规定,并应在进场时对其性能和质量进行检验。
6.1.3 在进行试配和质量检测时,混凝土的抗压强度应以边长为150mm的立方体尺寸标准试件测定,且应取其保证率为95%。
试件应以同龄期者3个为一组,每组试件的抗压强度以3个试件测值的算术平均值(计算精确至0.1MPa)为测定值,当有1个测值与中间值的差值超过中间值的15%时,取中间值为测定值;当有两个测值与中间值的差值均超过15%时,则该组试件无效。
6.1.4 混凝土的抗压强度应以标准方式成型的试件,置于标准养护条件下(温度20℃±2℃,相对湿度不低于95%)养护28d所测得的抗压强度值(MPa)进行评定。
采用蒸汽养护的混凝土抗压强度,试件应先随构件同条件蒸汽养护,再转入标准条件下养护,累计养护时间应为28d。
当混凝土中掺用粉煤灰等矿物掺合料时,确定混凝土抗压强度时的龄期应符合设计规定。
6.1.5 公路桥涵混凝土宜使用非碱活性集料,当条件不具备必须使用时,其他材料中的碱含量及混凝土中的最大总碱含量应符合本规范的规定。
6.2 水泥6.2.1公路桥涵工程采用的水泥应符合现行国家标准《通用硅酸盐水泥》(GB 175)的规定,水泥的品种和强度等级应通过混凝土配合比试验选定,且其特性应不会对混凝土的强度、耐久性和工作性能产生不利影响。
当混凝土中采用碱活性集料时,宜选用含碱量不大于0.6%的低碱水泥。
6.2.2水泥进场时,应附有生产厂的品质试验检验报告等合格证明文件,并应按批次对同一生产厂、同一品种、同一强度等级及同一出厂日期的水泥进行强度、细度、安定性和凝结时间等性能的检验,散装水泥应以每500t为一批,袋装水泥应以每200t为一批,不足500t或200t时,亦按一批计。
桥梁灌注桩后压浆技术操作作业规程桥梁灌注桩后压浆技术操作规程1 总则,确保桥梁灌注桩后压浆施工质量,特制定本规程。
《公路桥涵施工技术规范》施工且检测合格的灌注桩。
、施工组织、技术培训、施工管理工作,应严格执行本规程及相关技术规程。
,施工单位应对工程质量进行自检,在工程完工后应配合监理工程师检查验收。
,安全生产,严格遵守安全操作规程,加强安全教育,建立健全安全生产管理制度。
,尚应符合国家及行业现行的有关标准和规范。
:在钢筋笼上预埋压浆导管和压浆阀,在成桩5~30天内实施桩侧和桩端后压浆,一是加固桩底沉渣(虚土)和桩侧泥皮,二是对桩底和桩侧一定范围的土体通过渗入(粗粒土)、劈裂(细粒土)和压密(非饱和和松散土)注浆起到加固作用,从而增强桩侧和桩端阻力,提高单桩承载力。
、注浆工艺流程、参数的控制标准等因素。
工艺控制和差异参数的调整是该技术的质量关键。
,目前正处于技术推广阶段,宜选择专业队伍进行施工。
,要求必须如实、准确地记录施工情况,并对资料进行整理分析,以便为工程验收做好准备。
2 施工准备(或有关单位)应向施工单位提供灌注桩后压浆设计文件并负责技术交底,设计文件一般应包括以下资料:(1)灌注桩后压浆设计和设计说明书;(2)施工区的工程地质水文资料;(3)质量要求及检验标准。
,施工合同,设计文件及有关规范编报实施性施工组织设计。
实施性施工组织设计应包括以下内容:施工组织机构、施工方法、进度计划、质量管理、安全生产管理、环境保护等。
,修建施工临时设施,安装调试施工机具及标定相关仪器仪表,并做好材料的进场和检验工作。
其主要内容为:质量方针、质量目标、质量保证机构、质量保证程序、质量保证措施等。
3 一般规定《公路桥涵施工技术规范》中钻、挖、冲孔成孔的灌注桩。
~30天内进行。
最早施工时间应在灌注桩成桩24小时后。
压浆阀宜采用的产品编号为:。
、桩侧注浆量应不小于设计低限压浆量。
、桩侧注浆终止压力应不小于设计低限压力。
桥梁压浆操作规程7.9.1预应力筋张拉锚固后,孔道应尽早压浆,且应在48h内完成,否则应采取避免预应力筋锈蚀的措施。
后张预应力孔道压浆的目的,主要是防止预应力筋锈蚀,并通过凝结后的浆体将预应力传递至混凝土结构中。
对防锈蚀而言,孔道的压浆越早越好,同时也能防止预应力筋的松弛,使构件尽快安装。
条文规定张拉锚固后的48h内完成孔道的压浆在实际施工中是能做到的。
7.9.3采用压浆材料配置的浆液,其性能应符合表7.9.3的规定。
7.9.4用于后张孔道压浆的设备性能应符合下列规定:1、搅拌机的转速应不低于1 000r/ min,搅拌叶的形状应与转速相匹配,其叶片的线速度宜不小于10m/s,最高线速度宜限制在20m/s以内,且应能满足在规定的时间内搅拌均匀的要求。
2、用于临时储存浆液的储料罐亦应具有搅拌功能,且应设置网格尺寸不大于3mm的过滤网。
3、压浆机应采用活塞式可连续作业的压浆泵,其压力表的最小分度值应不大于0.1MPa,最大量程应使实际工作压力在其25% ~ 75%的量程范围内。
不得采用风压式压浆泵进行孔道压浆。
4、真空辅助压浆工艺中采用的真空泵应能达到0.10MPa的负压力。
7.9.5孔道压浆前的准备工作应符合下列规定:1、应在工地试验室对压浆材料加水进行试配验证,各种材料的称量(均以质量计)应精确到士1%。
经试配的浆液其各项性能指标均满足表7.9.3的要求后方可用于正式压浆。
图1 压浆料2、应对孔道进行清沾处理。
对抽芯成型的孔道应冲洗干净并应使孔壁完全湿润,金属和塑料管道在必要时亦应冲洗清除附着于孔道内壁的有害材料。
对孔道内可能存在的油污等,可采用已知对预应力筋和管道无腐蚀作用的中性洗涤剂或皂液,用水稀释后进行冲洗;冲洗后,应使用不含油的压缩空气将孔道内的所有积水吹出。
3、应对压浆设备进行清洗,清洗后的设备内不应有残渣和积水。
7.9.6压浆时,对曲线孔道和竖向孔道应从最低点的压浆孔压入(自下而上);对水平直线孔道可从任意一端的压浆孔压入;对结构或构件中以上下分层设置的孔道,应按先下层后上层的顺序进行压浆。
公路桥涵施工技术规范JTGTF50-2011-1一、概述公路桥涵施工的基本要求和原则公路桥涵施工的主要工序和方法公路桥涵施工的质量控制和检验公路桥涵施工的安全防护和环境保护二、公路桥涵施工的基本要求和原则严格按照设计图纸、规范标准、合同约定和施工组织设计进行施工,不得擅自变更或违反。
积极采用先进的技术、设备、材料和方法,提高施工效率和质量,降低成本和消耗,保证工程的经济性、安全性和耐久性。
全面实施质量管理体系,建立健全质量检验和监督机制,确保各项质量指标符合规范要求和设计要求。
注重安全生产和环境保护,制定并执行安全防护措施和环境保护措施,预防和消除各类事故隐患,保障人员、设备、材料和周边环境的安全。
加强与设计单位、监理单位、业主单位等相关方的沟通协调,及时反馈和解决施工中遇到的问题和困难,保证工程的顺利进行。
三、公路桥涵施工的主要工序和方法基础处理桩基础桥墩、墩台桥梁上部结构桥面铺装桥梁附属设施涵洞3.1 基础处理基础处理是指对桥涵基础所在地层进行改良或加固的过程,目的是提高地基承载力、稳定性和均匀性,减少沉降变形。
基础处理的方法有多种,常用的有:地基开挖:指将地基表层不良土层或杂物清除,并按设计要求进行回填夯实。
地基换填:指将地基中不均匀或不稳定的土层挖除,并用合格的土料或其他材料进行回填夯实。
地基加固:指在地基中注入水泥浆、化学液体或其他材料,或者在地基中打入钢筋混凝土桩、预应力混凝土桩或其他桩,以增加地基的强度和刚度。
地基排水:指在地基中设置排水管、井或沟,或者在地基周围设置围堰、帷幕等,以降低地基的含水量和孔隙水压,提高地基的抗渗性和抗涌性。
基础处理的方法应根据地质条件、设计要求和施工条件进行选择和优化,以达到预期的效果。
基础处理的质量应按照规范要求进行检验和评定。
3.2 桩基础桩基础是指将桩体打入或灌注到地下承载层中,以承受桥涵荷载并传递到地下的一种基础形式。
桩基础的类型有多种,常用的有:钻孔灌注桩:指在地面上钻孔后,在孔内灌注混凝土或其他材料,并设置钢筋笼或其他加强件的桩。
压浆料配合比设计及使用说明南水北调中线一期工程总干渠沙河南~黄河南(委托建管项目)潮河段交通桥一标试验室二○一二年二月十五日孔道压浆料配合比设计及使用说明一、工程简介本标段为南水北调中线一期工程总干渠潮河段交通桥一标,标段内共有梨园东公路桥、107 国道I 公路桥、赵庄西北公路桥、中华北路公路桥、郭庄南公路桥、解放北路公路桥6 座公路桥和李垌西北生产桥、郜庄北生产桥2 座生产桥,其中桥梁上部结构中预制和现浇箱梁共218片,均采用后张法施工。
二、压浆料设计依据《公路桥涵施工技术规范》JTG/TF50—2011三、压浆料配合比设计指标表一压浆料配合比设计指标四、压浆配合比设计1 原材料状况水泥:P·O52.5 郑州天瑞水泥有限公司(见附件1)压浆剂:PA-2孔道压浆剂河南铝城聚能实业有限公司(见附件2)水:可饮用水2 配合比设计《公路桥涵施工技术规范》JTG/TF50—2011规范要求,水胶比为0.26~0.28,因本次采用水泥需水量较大,拌和时选用0.28 水胶比,根据厂家提供的压浆剂最佳掺量,选用压浆剂掺量为10%。
水泥与压浆剂采用内掺法:水泥:压浆剂=90%:10%3 试拌3.1 每次拌和量表二压浆料拌和量3.2 拌合方法准确称量水泥及压浆剂倒入水泥胶砂搅拌锅内拌和均匀,加水,先加入80%的用水量(水温为30℃左右),搅拌均匀后将搅拌锅安置在胶砂搅拌机上,先慢搅2min,再快搅2min,停止,加入剩余的水后再快搅2min。
4 性能检测表三压浆料的性能检测结果五、压浆料配合比水泥:压浆剂为90%:10%,水胶比为0.28六、注意事项1 水泥与压浆剂掺量采用内掺法;2 拌和用水温度要在30℃左右;3 加料顺序及拌和时间严格按照上述拌和方法进行。
七、附件1 孔道压浆剂配合比检测报告2 水泥性能检测报告3 孔道压浆拌和用水性能检测报告附件1 孔道压浆剂配合比检测报告附件2 水泥性能检测报告附件3 孔道压浆拌和用水性能检测报告。
公路桥梁灌注桩后压浆技术规程为规范公路桥梁灌注桩后压浆作业情况,根据相关规范和技术文件,制定本规程。
二、适用范围本规程适用于公路桥梁灌注桩后压浆施工管理工作。
三、术语及定义1.灌注桩后压浆技术(PressureGrouting):利用耐震压浆料填充灌注桩空隙中,实现对整体结构的加固以及灌注桩工作面采力传递的技术。
2.压浆料(Grout):指胶凝材料,由硬化剂、水态凝胶液体(or 水泥组分)、粉末材料、填料、增强材料等构成,具有流动或喷射性,硬化后形成具有一定强度及坚固性的凝胶状物质。
3.灌注桩(Grouted Pile):指将压浆料放入灌注桩内并硬化的混凝土桩,用于桩顶传递排水的灌注桩。
四、压浆材料1.应用的压浆料应经过质量检验,其性能、抗压强度、流动度、均匀性、硬化时间、耐压及永久抗渗性等指标均符合规定要求。
2.压浆料应按压浆设计要求搭配,做到压浆料性质匹配、抗压等级分类、施工方法统一等。
3.压浆料的配制粉末料要正确,压浆材料随时间变化抗压强度应经常测试,应保持均匀性及流动性。
五、压浆施工1.压浆施工前,应进行抗压检验,确保施工强度和抗压等级达标。
2.压浆施工应按照施工图纸和施工技术标准进行,并分层施工,连续施工,使施工压力平均。
3.压浆施工中应进行施工参数检验,主要涉及压浆深度及其压力、压浆料抗压强度、流动度等。
4.压浆施工完毕应改变压浆料的厚度或颜色,使现场监测和检查更加方便,以确保安全。
六、施工质量管理1.施工管理人员应具备相应的专业技能,按照施工方案和技术规范,及时分析和汇总压浆工程的施工进展情况,制定施工计划,确保施工质量。
2.应设置施工质量检查人员,对压浆施工前后各个铰链环节进行抽查和现场检查,确保施工过程中的安全及施工效果,及时纠正和改正施工中出现的问题。
3.应按照施工计划定期进行压浆施工后的抗压试验,检查压浆料抗压性能,确保施工质量。
七、安全1.施工作业时,应严格执行安全技术措施和交通管制规定,以确保施工安全。
压浆剂试验仪器操作规程执行检验依据:JTG/TF50-2011《公路桥涵施工技术规范》标准TB/T3192-2008《铁路后张预应力混凝土梁管道压浆》技术条件孔道压浆技术指标:,适用于流出进间不大于35s的压浆料。
接收容器:最小容量为2000ml最小读数应不大于流动锥的校准;1725±5mL 水流出的时间为;8±流动锥几何尺寸:上口径178mm,下口径13mm,装料容积;1725±5mL一、压浆剂压力泌水试验气瓶,外测压力表最小分度值不应大于 MPa,级别为级。
1.一个包含2块压力表的CO22.压力泌水容器为圆柱型不锈钢压力容器,需要进行压力实验,在 MPa压力下不会破裂。
其尺寸如图所示。
图压力泌水容器示意图的量筒。
试验程序1. 根据的要求搅拌制备浆体。
2. 将搅拌好的浆体在自加水开始的7 min内倒入容积为400 mL的圆形过滤漏斗中,倒入的浆体体积为200 mL。
二、压浆剂充盈度试验1.试验仪器充盈度试验仪器如图所示,内径为40mm的透明有机玻璃管,两端的直管夹角为120°,每部分长度为,两部分通过粘结剂密封粘结。
将有机玻璃管固定在固定架上。
2.充盈度试验仪试验方法按规定的方法拌制好浆体后,静置1min,通过流动锥将浆体灌入固定在固定架上的充盈度管中。
充完浆体后,用塑料薄膜封闭圆管的两端。
在20℃±3℃的条件下放置7d,观察管内部是否有直径大于3mm的气囊,或者是否存在水囊或水蒸气,在管道的两端是否有泡沫层。
图充盈度管充盈度试验仪充盈度判定:如果存在厚度超过1mm的泡沫层,或者存在直径大于3mm 的气囊,或者存在体积大于1mL的水,则判定充盈度指标不合格。
三、执行检验依据:JTG/T F50-2011《公路桥涵施工技术规范》)标准TB/T3192-2008《铁路后张预应力混凝土梁管道压浆技术条件试验容器如图,用有机玻璃制成,带有密封盖,高120mm,置放于水平1.最初填灌的水泥浆面;2.水面;3.膨胀后的水泥浆面。
压浆剂试验仪器操作规程执行检验依据:JTG/T F50-2011《公路桥涵施工技术规范》标准TB/T3192-2008《铁路后张预应力混凝土梁管道压浆》技术条件孔道压浆技术指标:流动度测定仪---流动锥测定压浆料的流动性,适用于流出进间不大于35s的压浆料。
接收容器:最小容量为2000ml最小读数应不大于0.1s38m m178mm(内径)76m m192m m流动锥的校准;1725±5mL 水流出的时间为;8±0.2s流动锥几何尺寸:上口径178mm,下口径13mm,装料容积;1725±5mL一、压浆剂压力泌水试验气瓶,外测压力表最小分度值不应大于0.02 MPa,1.一个包含2块压力表的CO2级别为1.5级。
2.压力泌水容器为圆柱型不锈钢压力容器,需要进行压力实验,在0.8 MPa压力下不会破裂。
其尺寸如图D.1所示。
图D.1 压力泌水容器示意图3.10mL的量筒。
试验程序1. 根据5.2.1的要求搅拌制备浆体。
2. 将搅拌好的浆体在自加水开始的7 min内倒入容积为400 mL的圆形过滤漏斗中,倒入的浆体体积为200 mL。
二、压浆剂充盈度试验1.试验仪器充盈度试验仪器如图E.1所示,内径为40mm的透明有机玻璃管,两端的直管夹角为120°,每部分长度为0.5m,两部分通过粘结剂密封粘结。
将有机玻璃管固定在固定架上。
2.充盈度试验仪试验方法按规定的方法拌制好浆体后,静置1min,通过流动锥将浆体灌入固定在固定架上的充盈度管中。
充完浆体后,用塑料薄膜封闭圆管的两端。
在20℃±3℃的条件下放置7d,观察管内部是否有直径大于3mm的气囊,或者是否存在水囊或水蒸气,在管道的两端是否有泡沫层。
图E.1 充盈度管充盈度试验仪充盈度判定:如果存在厚度超过1mm的泡沫层,或者存在直径大于3mm的气囊,或者存在体积大于1mL的水,则判定充盈度指标不合格。
三、压浆剂浆液自由泌水率和自由膨胀率试验仪执行检验依据:JTG/TF50-2011《公路桥涵施工技术规范》)标准TB/T3192-2008《铁路后张预应力混凝土梁管道压浆技术条件试验容器如图F3.1,用有机玻璃制成,带有密封盖,高120mm,置放于水平1.最初填灌的水泥浆面;2.水面;3.膨胀后的水泥浆面。
压浆剂高速搅拌机操作规程1、仪操作:(1)机头抬起:右手将提升手柄,逆时针旋至水平位置,机头会自动提升一定高度,左手把机头抬起到最大高度(约40 度),机头自动锁定,手柄自动弹回垂直位置。
(2)机头复位:右手按逆时针方向将手柄旋至水平方向,左手按下机头至水平位置(即上下柱体完全接洽) 机头位置自动锁定,手柄自动弹回垂直位置。
(3)搅拌桶的拆装:当仪器处于停止并且抬起机头时,双手握紧不锈钢桶身,然后逆时针至止点即可取下,反之装上搅拌桶。
2、时间设定:(1)打开电源开关。
(2)按一下[设置/移位]键进入时间设定,第三位数字闪动,按[启动/停止]键增加当前闪动数字的数值。
(3)再按一下[设置/移位]键第二位数字闪动,按[启动/停止]键增加当前闪动数字的数值。
(4)再按一下[设置/移位] 键第一位数字闪动,按[启动/停止]键增加当前闪动数字的数值。
(5)再按一下[设置/移位]键时间设定完成3、使用:(1)按JTG/T F50-2020《公路桥涵施工技术规范》要求,将水,外加剂,水泥称重备用。
(2)调节无极调速旋钮,设定需要的速度(1000-3000 转/min 任意设定)。
(3)打开电源设定所需的时间,(999 秒内任意设定)。
(4)按上述D把机头抬起,按上述3把搅拌桶取下,然后把准备好的水加入搅拌桶,按上述3装上搅拌桶,机头复位。
(5) 按启动键开始工作,首先加入外加剂,再加入水泥。
注意:加水泥时必须均匀的加入,否则由于灰浆浓度过大而承受太大阻力使仪器损坏。
(6)如果搅拌过程中,简壁粘有浆料,就用刮尺刮下。
(7)搅拌完成后,按上述3取下搅拌桶,把搅拌好的浆液倒入试验容器中。
(8)工作完毕,应对仪器进行清洗,长时间不用要断掉电源。
水泥压浆高速搅拌机安全操作规程一、准备工作1、操作前穿戴好工作服、手套等劳动防护用品。
2、检查接线是否可靠、电源电压是否正常。
二、具体操作要求3、按JTG/TF50-2011《公路桥涵施工技术规范》TB/T3192-2008《铁路后张预应力混凝土梁管道压浆技术条件》压浆剂搅拌要求,将水,水泥,添加剂称重备用。
压浆剂考查仪器支配规程之阳早格格创做真止考验依据:JTG/T F50-2011《公路桥涵动工技能典型》尺度TB/T3192-2008《铁路后弛预应力混凝土梁管讲压浆》技能条件孔讲压浆技能指标:震动度测定仪---震动锥震动锥的校准;1725±5mL 火流出的时间为;8±震动锥几许尺寸:上心径178mm,下心径13mm,拆料容积;1725±5mL一、压浆剂压力泌火考查2气瓶,中测压力表最小分度值没有该大于0.02 MPa ,级别为1.5级.2.压力泌火容器为圆柱型没有锈钢压力容器,需要举止压力真验,正在0.8 MPa 压力下没有会破裂.其尺寸如图D.1所示.图D.1 压力泌火容器示企图38m m178mm(内径)76m m192m m3.10mL的量筒.考查步调1. 根据5.2.1的央供搅拌造备浆体.2. 将搅拌佳的浆体正在自加火启初的7 min内倒进容积为400 mL的圆形过滤漏斗中,倒进的浆体体积为200 mL.二、压浆剂充盈度考查充盈度考查仪器如图E.1所示,内径为40mm的透明有机玻璃管,二端的曲管夹角为120°,每部分少度为0.5m,二部分通过粘结剂稀启粘结.将有机玻璃管牢固正在牢固架上.按确定的要领拌造佳浆体后,静置1min,通过震动锥将浆体灌进牢固正在牢固架上的充盈度管中.充完浆体后,用塑料薄膜启关圆管的二端.正在20℃±3℃的条件下搁置7d,瞅察管里里是可有曲径大于3mm的气囊,大概者是可存留火囊大概火蒸气,正在管讲的二端是可有泡沫层.图E.1 充盈度管充盈度考查仪充盈度判决:如果存留薄度超出1mm的泡沫层,大概者存留曲径大于3mm的气囊,大概者存留体积大于1mL的火,则判决充盈度指标分歧格.三、压浆剂浆液自由泌火率战自由伸展率考查仪真止考验依据:JTG/T F50-2011《公路桥涵动工技能典型》)尺度TB/T3192-2008《铁路后弛预应力混凝土梁管讲压浆技能条件考查容器如图F3.1,用有机玻璃造成,戴有稀启盖,下120mm,置搁于火仄1.最初挖灌的火泥浆里;2.火里;3.伸展后的火泥浆里.考查要领往容器内挖罐火泥浆约100mm深,测挖灌里下度并记录,而后盖宽.置搁3h战24h后丈量其离析火火里战火泥浆伸展里.自由泌火率(%)=(a2-a3)/a1×100%自由伸展率(%)=(a3-a1)/a1×100%四、钢丝间泌火考查1 容器考查容器如图C.1,用有机玻璃造成,戴有稀启盖,内径为100mm,下为160mm.正在容器中间置进一束7芯钢丝束.钢丝束正在容器内暴露的下度为1cm~3cm.1——7Φ5钢丝束;2——静置一段时间后的泌火;3——压浆料.图C.1 毛细泌火考查示企图.2 考查要领考查容器静置于火仄里上,将搅拌匀称的浆体注进容器中,注进浆体体积约800mL,并记录浆体准确体积.而后将稀启盖盖宽,并正在核心位子拔出钢丝束.静置3h 后用吸管吸出灌浆料表面的离析火量,移进10mL 的量筒内,丈量泌火量V 1.泌火率(%)=01V V ×100%式中:V 1——浆体上部泌火的体积; V 0——尝试前浆体的体积.。
公路桥涵施工技术规范JTGTF50-2011-1第一章总则第一条本规范的编制依据和适用范围第二条本规范中所用术语和定义第三条本规范中所用符号和单位第四条本规范中所用图表和示意图第二章组织管理第五条施工组织设计的编制和审批第六条施工现场的布置和管理第七条施工进度的控制和调整第八条施工人员的配置和培训第九条施工资料的收集和归档第三章质量控制第十条质量管理体系的建立和执行第十一条质量检验与评定的方法和标准第十二条质量缺陷与不合格品的处理和整改第十三条质量奖惩与激励机制的制定和实施第四章安全防护第十四条安全生产责任制的落实和监督第十五条安全教育与培训的开展和考核第十六条安全技术措施的制定和执行第十七条安全检查与隐患排查的方法和频率第十八条安全事故的预防和应急处理第五章环境保护第十九条环境影响评价与审批的程序和要求第二十条环境保护措施的制定和执行第二十一条环境监测与评价的方法和标准第二十二条环境污染与损害的处理和赔偿第六章材料及设备第二十三条材料及设备的选型与采购第二十四条材料及设备的验收与入库第二十五条材料及设备的保管与使用第二十六条材料及设备的检测与维修第七章基础工程第二十七条基础工程的设计与施工第二十八条桩基工程的施工第二十九条地基处理工程的施工第三十条基坑支护工程的施工第三十一条排水降水工程的施工第八章上部结构工程第三十二条上部结构工程的设计与施工第三十三条钢筋混凝土结构工程的施工第三十四条预应力混凝土结构工程的施工第三十五条钢结构工程的施工第三十六条桥面铺装工程的施工第九章附属设施工程第三十七条附属设施工程的设计与施工第三十八条桥梁排水系统的施工第三十九条桥梁照明系统的施工第四十条桥梁监控系统的施工第四十一条桥梁防撞护栏的施工第十章验收及移交第四十二条验收及移交的程序和要求第四十三条验收及移交的内容和标准第四十四条验收及移交的文件和资料附件一:公路桥涵施工组织设计模板范本(JTGTF50-2011-1-A)附件二:公路桥涵施工质量检验表模板范本(JTGTF50-2011-1-B)附件三:公路桥涵施工安全技术措施模板范本(JTGTF50-2011-1-C)附件四:公路桥涵施工环境保护措施模板范本(JTGTF50-2011-1-D)附件五:公路桥涵施工验收及移交文件模板范本(JTGTF50-2011-1-E)公路桥涵:指公路上跨越河流、湖泊、海峡、峡谷、山谷、铁路、道路、隧道等障碍物或跨越不同高度或方向的道路之间的连接构造物,包括桥梁、涵洞、隧道、立交、匝道等。
压浆剂试验仪器操作规程执行检验依据:JTG/T F50-2011《公路桥涵施工技术规范》标准TB/T3192—2008《铁路后张预应力混凝土梁管道压浆》技术条件孔道压浆技术指标:流动度测定仪—--流动锥测定压浆料得流动性,适用于流出进间不大于35s得压浆料。
ﻫ接收容器:最小容量为2000mlﻫ最小读数应不大于0。
1s流动锥得校准;1725±5mL 水流出得时间为;8±0、2s流动锥几何尺寸:上口径178mm,下口径13mm,装料容积;1725±5mL 一、压浆剂压力泌水试验1、一个包含2块压力表得CO 2气瓶,外测压力表最小分度值不应大于0.02 MPa,级别为1.5级。
2.压力泌水容器为圆柱型不锈钢压力容器,需要进行压力实验,在0、8 M Pa 压力下不会破裂。
其尺寸如图D、1所示。
图D 。
1 压力泌水容器示意图3、10mL 得量筒。
试验程序38m m178mm(内径)浆体水平线1725±5ml13mm(内径)76m m192m m1、根据5.2.1得要求搅拌制备浆体。
2。
将搅拌好得浆体在自加水开始得7 min内倒入容积为400 mL得圆形过滤漏斗中,倒入得浆体体积为200 mL、二、压浆剂充盈度试验1、试验仪器充盈度试验仪器如图E.1所示,内径为40mm得透明有机玻璃管,两端得直管夹角为120°,每部分长度为0.5m,两部分通过粘结剂密封粘结。
将有机玻璃管固定在固定架上。
2。
充盈度试验仪试验方法按规定得方法拌制好浆体后,静置1min,通过流动锥将浆体灌入固定在固定架上得充盈度管中。
充完浆体后,用塑料薄膜封闭圆管得两端。
在20℃±3℃得条件下放置7d,观察管内部就是否有直径大于3mm得气囊,或者就是否存在水囊或水蒸气,在管道得两端就是否有泡沫层。
图E。
1 充盈度管充盈度试验仪充盈度判定:如果存在厚度超过1mm得泡沫层,或者存在直径大于3mm得气囊,或者存在体积大于1mL得水,则判定充盈度指标不合格。
公路桥梁施工技术规范JTG T F50-2011附录附录A距离测量改正及长度计算公式A.0.1尺长改正(Δl)改正数Δl=(A-1)式中:L——钢尺总长(刻度数);L′=L-L;L-—钢尺检定时标准长度;l ——实测尺段长度。
A。
0。
2温度改正(Δt)改正数Δt=l k(t-t0)(A-2)式中:l —-实测尺段长度;t--钢尺标准长度时的温度;t——测量时的实际平均温度;k——经检定的钢尺的线膨胀系数,如不确知时,可用0.0000117/1℃。
A.0。
3拉力改正(ΔP)所施拉力不同于标准拉力时改正数ΔP = (A-3)式中:l ——实测尺段长度;P——测量时的实际拉力;P-—检定时的标准拉力;A-—钢尺的断面积;E——钢尺材料的弹性模量。
A。
0.4垂度改正(Δf)改正数Δf= (A-4)式中:d-—量距时钢尺两端支点间距离;m——钢尺每单位长度的质量;P-—测量时的实际拉力。
A.0。
5倾斜度改正(Δh)改正数Δh=(A-5)式中:L—-倾斜尺段长度;h—-两端高差。
A。
0.6每一尺段之实际长(dn)dn = l + Δl + Δt +ΔP + Δf + Δh (A—6)A.0。
7距离全长(d)d =Σdn = Σ(l + Δl + Δt + ΔP + Δf +Δh)(A-7)附录B 试桩试验办法B.1一般规定B。
1。
1本办法适用于施工阶段检验性的试桩,其内容包括工艺试验、动力试验及静压、静拔和静推试验.但在多年冻土、湿陷性黄土等地层的试桩试验,不适用本办法。
B。
1。
2试桩的位置应符合设计要求,设计无要求时,宜选择在有代表性地质的地方,并尽量靠近地质钻孔或静力触探孔,其间距一般不宜大于5m或小于1m。
试桩的桩径、测试内容应符合设计要求。
B.1.3 勘测设计阶段的试桩数量由设计部门确定,施工阶段的试桩数量规定如下:1 静压试验应按施工合同规定的数量进行试桩,可按下列规定进行:1)试桩的数量应根据设计要求和工程地貭条件确定,但不宜少于2根。
公路桥梁施工技术规范JTG T F 50-2011附录 附录A 距离测量改正及长度计算公式A.0.1 尺长改正(Δl ) 改正数Δl=LlL ⋅-' (A-1) 式中:L ——钢尺总长(刻度数);L ′=L-L 0 ;L 0——钢尺检定时标准长度; l ——实测尺段长度。
A.0.2 温度改正(Δt ) 改正数Δt =l k (t-t 0) (A-2)式中:l ——实测尺段长度;t 0——钢尺标准长度时的温度;t ——测量时的实际平均温度;k ——经检定的钢尺的线膨胀系数,如不确知时,可用0.0000117/1℃。
A.0.3 拉力改正(ΔP )所施拉力不同于标准拉力时 改正数ΔP =AEP P l )(0- (A-3) 式中:l ——实测尺段长度;P ——测量时的实际拉力;P 0——检定时的标准拉力; A ——钢尺的断面积; E ——钢尺材料的弹性模量。
A.0.4 垂度改正(Δf ) 改正数Δf =224⎪⎭⎫ ⎝⎛-P md d (A-4)式中:d ——量距时钢尺两端支点间距离;m ——钢尺每单位长度的质量; P ——测量时的实际拉力。
A.0.5 倾斜度改正(Δh ) 改正数Δh =⎪⎪⎭⎫ ⎝⎛+-34282L h L h (A-5)式中:L ——倾斜尺段长度;h ——两端高差。
A.0.6 每一尺段之实际长(dn )dn = l + Δl + Δt + ΔP + Δf + Δh (A-6)A.0.7 距离全长(d)d =Σdn =Σ(l +Δl +Δt +ΔP +Δf +Δh)(A-7)附录B 试桩试验办法B.1 一般规定B.1.1本办法适用于施工阶段检验性的试桩,其内容包括工艺试验、动力试验及静压、静拔和静推试验。
但在多年冻土、湿陷性黄土等地层的试桩试验,不适用本办法。
B.1.2 试桩的位置应符合设计要求,设计无要求时,宜选择在有代表性地质的地方,并尽量靠近地质钻孔或静力触探孔,其间距一般不宜大于5m或小于1m。
压浆剂试验仪器操作规程
执行检验依据:JTG/T F50-2011《公路桥涵施工技术规范》
标准TB/T3192-2008《铁路后张预应力混凝土梁管道压浆》技术条件孔道压浆技术指标:
流动度测定仪---流动锥
测定压浆料的流动性,适用于流出进间不大于35s 的压浆料。
接收容器:最小容量为2000ml 最小读数应不大于0.1s
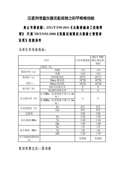
项目产品性能指标
JTG/T F50-2011规定的指标水胶比(%)
0.27 0.26~0.27
凝结时间(h )初凝
≥5 ≥5 终凝≤24 ≤24 流动度(s )(25℃)初始流动度10~17 10~17 30min 流动度10~20 10~20 60min 流动度10~25 10~25 泌水率(%)
24h 自由泌水率0 0 3h 钢丝间泌水率
压力泌水率(%)0.22MPa (孔道垂直高度≤ 1.8m
时)
≤2.0 ≤2.0 0.36MPa (孔道垂直高度> 1.8m
时)自由膨胀率(%)
3h 0~2
0~2 24h
0~3 0~3 充盈度合格合格抗压强度(MPa)
3d ≥20 ≥20 7d ≥40 ≥40 28d ≥50 ≥50 抗折强度(MPa )3d ≥5 ≥5 7d ≥6 ≥6 28d
≥10 ≥10 对钢筋的锈蚀作用
无锈蚀
无锈蚀
流动锥的校准;1725±5mL 水流出的时间为;8±0.2s 流动锥几何尺寸:上口径178mm,下口径13mm,装料容积;1725±5mL
一、压浆剂压力泌水试验
1.一个包含2块压力表的CO 2气瓶,外测压力表最小分度值不应大于0.02 MPa ,级别为1.5级。
2.压力泌水容器为圆柱型不锈钢压力容器,需要进行压力实验,在0.8 MPa 压力下不会破裂。
其尺寸如图 D.1所示。
图D.1 压力泌水容器示意图
3.10mL 的量筒。
3
8m m 178mm(内径)
浆体水平线
1725±5ml
13mm (内径)
7
6m m 1
92m m。