国网计量中心电能表全性能试验
- 格式:pdf
- 大小:628.62 KB
- 文档页数:39
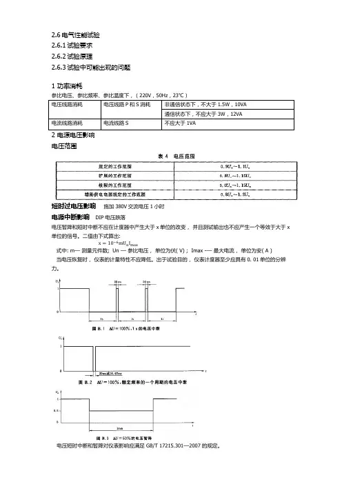
2.6电气性能试验2.6.1试验要求2.6.2试验原理2.6.3试验中可能出现的问题1 功率消耗2 电源电压影响电压范围短时过电压影响施加380V交流电压1小时电源中断影响DIP电压跌落电压暂降和短时中断不应在计度器中产生大于x单位的改变,并且测试输出也不应产生一个等效于大于x 单位的信号。
二值由下式算出:式中: m—测量元件数; Un —参比电压,单位为伏( V) ; Imax -—最大电流,单位为安( A )当电压恢复时,仪表的计量特性不应降低。
出于试验目的,仪表计度器至少应具有0. 01单位的分辨力。
电压短时中断和暂降对仪表影响应满足 GB/T 17215.301—2007 的规定。
电能表在 70℃、115%Un、Imax的运行环境下应能正常工作。
试验应按下列条件进行:—电压线路和辅助线路通以参比电压;—电流线路无电流。
a ) 电压中断△ U=100%—中断时间: 1s ;—中断次数: 3次;—中断间隔时间: 50ms,见图B.1;b ) 电压中断,△ U=100%—中断时间: 额定频率的一个周期;—中断次数: 1 次,见图B.2 ;c ) 电压暂降,△ U=50%—暂降时间: 1min;—暂降次数: 1 次,见图B.3 .短时过电流影响接线端保持电压进行短时过电流以后,在各电压线路通电条件下,应使仪表恢复到初始温度。
自热影响①电流线路无电流,电压线路接参比电压至少2h(对于1级表)和1h(对于2级表)后,②在电流线路中应施加最大电流。
③在功率因数为1时,施加电流后立刻测量仪表误差,④接着以足够短的间隔时间准确地画出作为时间函数的误差变化曲线。
此项试验应进行1h,且在任何情况下直至在20min内其误差变化不大于0.2%时为止。
表 11 技术规范规定表4 GBT17215.321规定温升影响在115%Un、120%Imax条件下,线路和绝缘体的温升不应达到影响电能表正常工作的温度。
电能表任何一点的温升,在环境温度为40℃时不应超过25K。
国网电力设备带电检测仪器性能检测方案随着时代的发展,科技的进步和电力设备的不断更新换代,人们对电力设备的使用和维护要求不断提高。
在现代化的电网系统中,各种检测仪器在电力设备的运行和维护中起着至关重要的作用,特别是带电检测仪器,更是电力设备维护的重要工具之一。
国网电力作为国内电力行业的龙头企业,拥有一系列带电检测仪器,其中的带电检测仪器性能检测方案更是备受广大用户好评。
一、国网电力设备带电检测仪器的种类在电力设备的使用和维护过程中,对于不同的电力设备,需要使用不同的带电检测仪器,而国网电力的带电检测仪器主要包括以下几种:1、万用表万用表是电力设备维护中最常用的仪器之一。
作为电力设备维护的基础工具,万用表不仅可以进行各种电量参数的测量,还可以用于漏电和绝缘阻燃测试。
2、霍尔电流夹霍尔电流夹是一种用于测量直流电流或交流电流的电力测量仪器。
这种仪器可以无接触地测量电力设备内部的电流情况,能够有效地避免对电力设备的损伤。
3、振动与温度测试仪振动与温度测试仪是一种能够测量电力设备振动和温度参数的设备。
在电力设备运行和维护中,经常需要使用这种仪器来评估电力设备的工作状态和维护需求。
4、数字微欧计数字微欧计是一种可以进行高低电压低阻抗和高低电铁高阻抗测试的设备。
这种仪器可以有效地检测电力设备的接触电阻和绝缘情况,为后续的设备维护和修理提供参考。
二、国网电力设备带电检测仪器的性能检测方案国网电力设备带电检测仪器的性能检测方案主要包括以下几个方面:1、设计标准国网电力设备带电检测仪器的设计必须符合国家相关标准和行业标准,保证设备性能符合规范要求。
2、检测方法在进行设备性能检测时,需要制定合理的检测方法和流程,遵循科学的测试标准和手段,全面检测设备的各项性能参数。
检测方法的具体规定包括仪器的检测、验收及向用户提供使用说明。
3、检测设备对于国网电力设备带电检测仪器的性能检测,需要选用符合标准要求的检测设备,保证检测结果的准确性和可靠性。
2.8MC试验2.8.1试验要求2.8.2试验原理2.8.3试验中可能出现的问题——静电放电;详细介绍查看附录W——浪涌抗扰度;详细介绍查看附录R——高频电磁场;——快速瞬变脉冲群;详细介绍查看附录Q——射频场感应的传导;——衰减振荡波试验(仅对经互感器接入电能表)。
——无线电干扰抑制主要进行的试验有3项1 静电放电需要专用的试验设备。
1.2试验标准要求试验应按 GB/T 17626.2 ,在下列条件下进行:—作为台式设备试验;—仪表在工作状态电压线路和辅助线路通以参比电压;电流线路无电流( 开路) ;—接触放电;—试验电压: 8 k V;—放电次数: 1 0 ( 以最敏感的极性) ;- 一如因无外露金属部件而不能接触放电,则以一 1 5 k V试验电压作空气放电静电放电作用应不使计度器产生大于二单位的改变以及测试输出不应产生大于等同二计量单位的信号量。
在试验中,功能或性能有短暂的降低或失去是容许的。
1.3 试验的实施试验应按照试验计划,采用对受试设备直接和间接的放电方式进行。
它包括:——确定施加放电点;——在每个点上,是采用接触放电还是空气放电;——所使用的试验等级;——符合性试验中在每个点上施加的放电次数;——是否还进行安装后的试验。
对空气放电,选择圆形枪头,HV on时可以选择参数;按下按钮AIR CONTACT,选择SINGLE单次放电,电压值15KV,打电表缝隙处。
接触放电,选择尖枪头,关掉AIR CONTACT,选择Repeat重复放电,HV on时可以选择电压值,8/10/15KV,打电表螺丝钉和485接口处。
标准一般打8V,做击穿试验时可以逐次增加电压值到15V,检查485通信是否受到影响,能否正常读取地址和电压值等信息。
1.4试验原理静电放电发生器输出电流的典型波形1.5试验报告试验报告应包括能重现试验的全部信息。
特别是下列内容:——本部分中第5章要求的试验计划中规定的项目内容;——受试设备和辅助设备的标识,例如商标、产品型号、序列号;——试验设备的标识,例如商标、产品型号、序列号;——任何进行试验所需的专门环境条件,例如屏蔽室;——进行试验所需的任何特定条件;——制造商、委托方或购买方规定的性能水平;——在通用、产品或产品类标准中规定的性能要求;——试验时在骚扰施加期间及以后观察到的对受试设备的任何影响,及其持续时间;——试验通过/失败的判断原因(根据通用标准、产品标准或产品类标准规定的性能判据或制造商和购买方达成的协议);——采用的任何特殊条件,例如电缆长度或类型,屏蔽或接地,或受试设备运行条件,均要符合规定。
2012年12月(下)电力科技科技创新与应用电能表的试验室校验靳冬梅(内蒙古呼和浩特供电局计量中心,内蒙古呼和浩特010020)1电能表的工作原理当电能表被接入待测电路的时候,电流线圈以及电压线圈中有交变电流流过,这两个交变电流分别在其铁芯中产生交变的磁通;交变磁通则穿过铝盘,在铝盘中感应出一定的涡流;接着涡流会在磁场中受到力的作用,从而带动铝盘得到转矩而转动。
对于负载来说,其消耗的功率与通过电流线圈的电流成正比,即消耗的功率越大、得到的电流线圈的电流越大,同时铝盘中感应出的涡流也越大,从而使得铝盘转动的力矩也越来越大。
这就说明转矩的大小跟负载消耗的功率成正比,即功率越大,转矩也越大,铝盘转动也就越快。
在铝盘转动的过程中,由于受到永久磁铁产生的制动力矩作用,制动力矩与主动力矩方向相反;制动力矩的大小与铝盘的转速成正比,铝盘转动得越快,制动力矩也越大。
当主动力矩与制动力矩达到平衡状态时时,铝盘将匀速转动。
负载所消耗的电能与铝盘的转数成正比。
铝盘转动时,带动计数器,把所消耗的电能指示出来。
以上就是电能表工作的基本过程。
2电能表试验室校验项目一般的电能表试验室校验项目比较繁多,就电能表校验规程JJG596-1999来说,笔者将通过表格形式详细为读者展示,详见如下表格。
注:标“”表示需要做的校验工作。
3电能表校验的工作条件基于电能表高技术含量的前提,电能表在制成出场之前以及正式投入使用之前,务必进行精密的校验。
一般情况下,批量生产的电能表在常规的校验过程中会出现基本误差、启动灵敏度以及电能表常数等等,因此对投入使用之前的电能表校验包括型式试验(也称全性能试验)和试验室校验等等。
与此同时,不同的工作条件下,电能表的校验结果也是不同的,一般来说工作条件对于电能表校验结果的影响是非常之大的。
就校验规程JJG596-1999而言,笔者将就电能表试验室校验的工作条件问题进行简单的探讨。
3.1工作环境电源电压和温度、湿度以及外界磁场的干扰等等都在影响电能表试验室校验结果的工作环境范围内。
智能电能表全性能试验系统设计研究智能电能表全性能试验检测系统整体规划智能电能表和用电信息采集终端全性能试验智能检测系统是采纳AGV小车、自动检表机器人、集胜利能检定台体和独立电磁兼容试验设备加上集中掌握软件组成智能检测系统。
智能检测系统能实现被测样品(包括单、三相电能表、用电信息采集终端)全性能试验,包括样品转运,自动上下试验台,试验结果判定,功能性能试验结果推断,最终输出试验结果。
方案设计包括智能检测系统的检测流程设计、夹持转运设备设计、固定治具设计、试验室整体布局设计、智能检测系统软件架构设计。
智能检测系统检测流程设计根据国网公司智能电能表质量管控要求,计量设备质量检测分为到货前全性能检测、到货后抽样检测、到货后全检验收检测,其中全性能检测工程最多,多达五六十项,包括精确度要求试验、功能要求试验、电气绝缘、电磁兼容试验、费控安全试验、气候影响试验、机械试验等。
计量设备测试样品到达试验室后,首先对测试样品的信息进展登记,记录批次测试样品的数量、规格和型号等信息。
进入试验流程,试验人员对测试样品进展人工检视,核对测试样品的登记信息。
检视完成后,放置样品至转运周转箱内,将周转箱放至起始位置料架上,并给AGV启动信号,使其进入自动测试流程。
进入自动测试流程后,AGV小车从起始位置把料架举起,运输至对应的检测室相应的放置位(由二次定位机构进展夹紧/导向定位机构二次定位,准确定位),完成后,由挂表机器人将所需测试样品的中转端子台抓取放入对应的检测定台上,再将其所需检测的样品抓取放入测试台;对测试样品的根本精度进展测试。
测试合格后记录测试样品的精度数据,依据测试样品数量将测试样品分为三组,一组留在三合一功能检定台上进展功能测试;一组由挂表机器人拆下,由AGV转运至性能试验台,自动进展性能试验;一组由挂表机器人拆下,放回周转箱,由AGV运输至起始位置料架处,组,抽取一台封存样品比对。
例如测试样品为10台,首先进展根本精度测试,测试后,一组三台连续功能试验,一组三台进展性能试验,一组三台进展人工气候影响和机械性能试验,最终抽取一台封存样品比对。
电能表试验方案1. 引言电能表是用于测量电能消耗的仪器,是电力系统中不可或缺的设备之一。
为了确保电能表的准确性和可靠性,需要进行一系列的试验。
本文档将介绍电能表试验的方案,包括试验目的、试验内容、试验方法和试验结果的评定等。
2. 试验目的电能表试验的目的是验证电能表的准确性、可靠性和稳定性,确保其能够精确测量电能消耗。
具体目标如下: 1. 确定电能表的错误限值,即误差范围; 2. 检验电能表的动作准确性和动作时间; 3. 评估电能表在极端条件下的性能。
电能表试验的内容包括以下几个方面: 1. 预试验(Pre-test):在进行正式试验之前,对电能表进行功能性检验,确认电能表的基本功能正常。
2. 清零试验(Zero Test):在无负荷状态下,测量电能表的零位误差,即电流和电压为零时的指示误差。
3. 额定负荷试验(Rated Load Test):根据电能表的额定负荷,模拟实际使用条件下的负荷情况,测量电能表的指示误差。
4. 动作特性试验(Operation Characteristics Test):通过改变电能表的输入条件,测试电能表的动作准确性和动作时间,在极低负荷状态和过负荷状态下进行测试。
5.温度试验(Temperature Test):将电能表置于高温和低温环境下,测试电能表的性能是否受到温度的影响。
6. 震动试验(Vibration Test):通过施加不同水平的震动,检验电能表在振动环境下的性能。
7. 防护等级试验(Protection Class Test):测试电能表的防护等级,以确保其能够适应不同的工作环境。
根据试验内容的不同,电能表试验采用的方法也有所不同。
以下是常用的试验方法: 1. 直流比较法(DC Comparison Method):利用标准电能表与待测试电能表进行比较,通过计算两者之间的差值来确定电能表的误差。
2. 标准表法(Standard Meter Method):使用标准电能表与待测试电能表连接在同一电路中,通过比较两者的指示值来确定电能表的准确性。
国网公司电能表全性能试验送检电能表参数配置表
送检电能表参数配置表
自2014年6月第二批次(具体时间参见2013年5月31日发布的国网计量中心电能表全性能试验检测公告)起,送检电能表按照如下配置表进行参数设置。
电能表出厂时将电量和需量清零。
电能表的内部存储信息不应出现制造单位相关内容。
参数如下表格:
注1:表格中参数涵盖所有表型,具体对某款表型,不支持的参数不要求配置,例非费控表不要求设置客户编号,单相表不要求无功组合方式特征字。
注2:背光报警
智能表背光报警事件包括:失压、逆相序、过载、功率反向(双向表除外)、电池欠压、透支。
单相静止式多费率电能表背光报警事件规范没要求,建议包括:电池欠压。
注3:显示屏数、显示项按规范要求,具体如下:
智能电能表送检默认显示项目按Q/GDW 1354 — 2013 《智能电能表功能规范》附录B和《国网计量中心电能表全性能试验检测公告
第3号补遗》要求执行。
单相静止式多费率电能表送检默认显示项目按Q/GDW 1828 —2013 《单相静止式多费率电能表技术规范》附录G执行。
注4:事件参数
表格中没列出的事件,其参数按《智能电能表及采集终端事件记录采集规则》、Q/GDW 1354 — 2013 《智能电能表功能规范》附录D要求执行,两文件中均要求的同一参数按《智能电能表及采集终端事件记录采集规则》执行。
注5:出厂执行第一套时区表、第一套日时段表,继电器处于合闸状态,不处于保电状态,出厂时处于测试密钥状态,具有本地费控功能的电能表送检时应预置500元电费。
XX开展计量用低压电流互感器全性能试验检测的XX为进一步XX低压电流互感器质量监督,国网计量中心已按照XX电网XX企业技术标准《计量用低压电流互感器技术规范》(XX/GDW572—2021)的要求,建立了计量用低压电流互感器全性能试验检测能力,自2021年7月开始可接受XX生产厂家自愿送检.现将相关检测事宜XX如下:一、送检原则及目的1.送检原则:制造单位自愿送检。
2。
送检目的:送检样品的检测报告将作为XX电网XX计量用低压电流互感器招标采购的评审依据之一。
二、送检样品的有关要求1.送检样品由制造单位按照以下要求进行盲样处理。
(1)样品上不得带有制造单位的任何信息及标志,如:计量器具生产许可证证号、厂家商标、制造厂名称、其他特殊标记等;(2)样品外形尺寸须符合XX电网XX企业标准XX/GDW572《计量用低压电流互感器技术规范》的要求;(3)样品铭牌安装方式为与互感器一体式浇筑,铭牌的正面应按企标XX格式标明该互感器电流比、准确度等级、二次负荷、保安系数、环境等级,铭牌背面应有制造厂名称标识,在不破坏互感器本体的情况下该标识应不可见。
铭牌布局图详见XX.2。
送样时应同时提供试验委托协议(见XX2)、样品所用主要材料清单(见XX3)。
三、样品接收程序1.样品检测机构负责对所送样品外观是否符合“盲样”要求进行XX,如果制造单位所送样品不符合“盲样”要求,样品将被拒收。
2.样品检测机构在收到制造单位的试验委托协议及样品之后,在试验委托协议上签字确认作为接收凭证。
3.对于制造单位在送样时提供的主要材料清单,由样品检测机构存档。
四、样品检测程序1.样品检测工作由国网计量中心承担。
2。
检测机构将依据XX电网XX企业标准XX/GDW 572《计量用低压电流互感器技术规范》中规定的项目和要求进行检测。
3。
检测机构将依据XX电网XX对低压电流互感器的技术要求进行试验项目检测结果评定,并根据下述不同情形作出XX:(1)如任意一项试验项目不满足该技术要求,则XX该厂商的该类型互感器不能满足采购的技术要求.(2)如送检样品在检测过程中出现不符合“盲样"要求的情形,检测单位将停止检测,并视同该类型电流互感器不能满足采购的技术要求.4.检测工作结束后,由国网计量中心统一出具检测报告。
国网计量中心电能表全性能试验检测公告第9号补遗针对支持面向对象协议电能表的调制式红外光口、各通信口、协议等,作如下补遗说明:一、调制式红外光口长字节通信要求(1)正常室内光照下,通信距离为2m时,要求报文传输长度满足最大200字节。
(2)正常室内光照下,通信距离为5m时,要求报文传输长度满足最大60字节。
二、通信口要求各通信通道物理层独立,链路独立,可同时通信,互不干扰。
三、面向对象协议补充要求(1)对象“异常插卡事件记录单元”(OI:3310),事件发生源定义为NULL。
(2)电能表可不支持分相分费率电能数据,读取分相电能数据块时,数据元素个数填1。
(3)当对象“电能表有跟随上报状态字”(OI:2015)需要上报时,或对象“新增上报事件对象列表”(OI:3320)的主动上报对象时,电能表将本地通信模块的事件管脚置高电平;当无需要上报的状态字,且3320中也无需要上报的事件OAD时,将事件管脚置低电平;该上报规则同时适用于GPRS电能表和本地载波/微功率无线电能表。
(4)对于对象“公共假日表”(OI:4011),设置参数时需判断日期及星期的合法性,不合法时拒绝设置。
(5)如果每天收到的数据帧数据验证码校验失败、密文校验失败总累计达到200次,则要求电能表远程设置参数、方法执行、远程控制、清零功能挂起;在每日的零点,清除挂起状态、累计次数。
失败次数累计不区分服务类型。
(6)电能表可不支持通信模块变更事件。
(7)设置数组类型参数时,参数对象OAD的属性内元素索引如果是0,需将原参数项清除后,用新设置参数替代,同时不改变参数项个数。
(8)显示类对象(OI:F300、F301)的属性4“显示参数”中“允许最大对象数”为只读(最大允许数为99),“当前总对象数”不可超过“允许最大对象数”。
(9)显示类对象(OI:F300、F301)的属性2“显示对象列表”,需支持属性内元素索引为非0的设置。
(10)关联对象在Q/GDW 1354—2013 《智能电能表功能规范》上没有要求的(如开表盖累计时间,电源异常累计时间等),可直接回NULL。
规章制度编号:国网(营销/4)380-2014国家电网公司电能表质量管控办法第一章总则第一条为加强电能表质量管控,落实公司技术监督的各项要求,健全质量管控保障体系,提升优质服务水平,依据公司相关管理办法,制定本办法。
第二条本办法按照全过程质量管理的要求,在电能表的检测、仓储、配送、安装、调试、运行、申校、服务、预警、业务协同等各环节中,对易发质量问题和服务问题的工作环节制定了质量管控要求,确保建设质量可控、在控。
第三条本办法适用于公司总(分)部、国网计量中心、所属各级供电企业(以下简称“各级供电企业”)的电能表质量管控工作。
第二章职责分工第四条国网营销部是电能表质量管控工作的归口管理部门,履行以下职责:(一)负责建立公司质量管控工作组,并开展质量管控工作;(二)负责组织制定质量管控的管理办法、制度、标准;(三)负责对各省公司质量管控工作进行监督检查和评价;控措施。
第五条国网物资部履行以下职责:(一)负责组织制定供应商评价技术标准,对供应商进行评价和监督;(二)负责将质量管控评价结果应用于供应商评价。
第六条国网计量中心履行以下职责:(一)负责支撑公司营销部开展质量管控的日常工作;(二)负责职责范围内的技术监督工作;(三)负责监控、分析电能表全寿命周期质量情况,统计分析质量问题,开展质量预警;(四)参与制定质量管控的管理办法、制度、标准;(五)参与对各省公司质量管控工作进行监督检查和评价。
第七条省(自治区、直辖市)电力公司(以下简称“省公司”)营销部履行以下职责:(一)负责建立省公司质量管控工作组,并开展质量管控工作;(二)负责贯彻执行质量管控的管理办法、制度、标准;(三)负责对下属单位的质量管控工作进行监督检查和评价;提升管控措施;(五)负责对质量管控发现的重大问题报送公司营销部。
第八条省公司物资部履行以下职责:(一)负责组织制定供应商评价标准,对供应商进行评价和监督;(二)负责将质量管控评价结果应用于供应商评价。
2.7气候影响试验2.7.1试验要求2.7.2试验原理2.7.3试验中可能出现的问题气候影响试验包含:高温、低温、交变湿热,阳光辐射防护试验。
1 高温1.1严酷等级温度:+2002℃;1752℃;1552℃;1252℃;1002℃;852℃;702℃;552℃;402℃;302℃;对于200~1000时,应该如下选择:250,315,400,500,630,800,1000;对于100以下的,用5℃;100到200时,用3℃.时间:2h;16h;72h;96h。
1.2试验标准试验应按GB/T2423.2 ,在下列条件进行:—仪表在非工作状态下;—温度: +70℃士20℃;—试验时间: 722 低温2.1严酷等级温度:-65℃;-55℃;-50℃;-40℃;-33℃;-25℃;-20℃;-10℃;-5℃;5℃;时间:2h;16h;72h;96h。
1.2试验标准试验应按G B / T 2 4 2 3 . 1 ,在下列条件进行:—仪表在非工作状态下;—温度: -25 ℃士3 0℃,户内用仪表;40 ℃士3 ℃,户外用仪表;—试验周期: 72h ,户内用仪表;16 h ,户外用仪表。
3 交变湿热3.1严酷等级a.高温温度: 4 0℃试验周期: 2 , 6 , 1 2 , 2 1 , 5 6 d .b . 高温温度. 55 ℃试验周期: 1 , 2 , 6d .3.2试验标准试验应按GB/T 2423 . 4 ,在下列条件下进行:—电压线路和辅助线路通参比电压;—电流线路无电流;—交变方式: 1 ;—上限温度: +4 0℃士2 ℃,户内用仪表;+5 5 ℃士2℃,户外用仪表;—不采取特殊的措施来排除表面潮气;—试验时间: 6个周期3.3试验的实施1 初始检测2 条件试验(1)将无包装、不通电的试验样品,在“准备使用”状态下,按其正常工作位置,或按有关标准规定的状态放入试验箱( 室) 的工作空间内。
如试验样品安装方式特殊. 需配安装架时,样品架的热传导系数应尽可能低,使试验样品实际上是绝热的。
国网计量中心电池可更换电能表全性能试验检测公告各电能表生产企业:为解决单相智能电能表时钟电池欠压无法更换电池问题,在国网公司营销部的组织下,国网计量中心牵头设计了电池可更换智能电能表,并于2016年6月向电能表生产企业进行了宣贯。
国网计量中心自2016年9月26日起将开展该款表型的全性能检测,现将相关检测事宜公告如下:一、送检时间及样表类型序号样表类型样品规格首次送样时间1 2级单相费控智能电能表(模块-远程-开关内置-电池可换)220V,5(60)A2016.9.262 2级单相费控智能电能表(模块-远程-开关外置-电池可换);220V,5(60)A3 2级单相费控智能电能表(远程-开关内置-电池可换)220V,5(60)A4 2级单相费控智能电能表(远程-开关外置-电池可换)220V,5(60)A5 2级单相费控智能电能表(模块-CPU卡-开关内置-电池可换)220V,5(60)A6 2级单相费控智能电能表(模块-CPU卡-开关外置-电池可换)220V,5(60)A7 2级单相费控智能电能表(CPU卡-开关内置-电池可换)220V,5(60)A82级单相费控智能电能表(CPU卡-开关外置-电池可换)220V,5(60)A注:收样日期为送样时间起的三个工作日(送样日期遇节假日顺延),供应商在样品送检前需通过发传真方式向样品接收单位进行预约送检;预约日期:每月2~4日(在10~12日送检的)、18~20日(拟在25~27日送检的)。
二、样品接收单位、地点及联系人接收单位:中电国际货运代理有限责任公司接收地点:北京市西城区六铺炕街5号联系人及联系电话:于漫,####传真:####三、电池可更换电能表相关要求(一)技术要求1.电池可更换式电能表,表内应增加超级电容,且能够满足电能表极限工作温度范围。
2.在电能表断电且电池欠压情况下,超级电容只为时钟供电,且维持时钟正确计时至少2天。
3.电能表掉电时应及时备份当前时间。
1单相电能表全性能试验
1.1试验项目及相关设备
表出现任一项A类不合格即判定为不合格,出现B类不合格经整改后通过试验,可判定合格。
1.2全性能试验明细附录A
1.3影响量试验
2全性能试验
2.1功能
2.1.1《智能表功能规范》
2.1.2《单相智能表技术规范》
2.1.3功能测试
2.2通信功能
2.3费控试验
2.4准确度试验
2.5一致性试验
2.6电气性能
2.6.1试验要求
2.6.2试验原理
2.6.3试验中可能出现的问题
功率消耗、电源电压影响、短时过电压影响、电源中断影响、短时过电流影响、自热影响、自热影响、绝缘要求
2.7气候影响试验
2.7.1试验要求
2.7.2试验原理
2.7.3试验中可能出现的问题
气候影响试验包含:高温、低温、交变湿热,阳光辐射防护试验
2.8 EMC试验
2.8.1试验要求
2.8.2试验原理
2.8.3试验中可能出现的问题
——静电放电;详细介绍查看附录W
——浪涌抗扰度;详细介绍查看附录R
——高频电磁场;
——快速瞬变脉冲群;详细介绍查看附录Q
——射频场感应的传导;
——衰减振荡波试验(仅对经互感器接入电能表)。
——无线电干扰抑制
2.9机械性能。