大金多联机配管
- 格式:doc
- 大小:102.00 KB
- 文档页数:3
各厂商多联机分歧管及管径选择标准汇总约克YES 多联式空调(A 系列、B 系列) 1、使用范围 YDOH35-65:1)最大配管长度可达70米;2)室内机与室外机的水平落差可达30米(室外机在上);3)室内机之间水平落差可达15米。
YDOH80-480:1)最大配管长度可达125米; 2)室内机与室外机的水平落差可达50米(室外机在上);3)室内机之间水平落差可达15米。
2、配管管径 YDOH-A含 义室外机容量型号 液管配管规格(mm ) 气管配管规格(mm ) 室外机连接配管YDOH35/45/50 φ9.52 φ19.05YDOH55 φ12.7 φ22.23YDOH65 φ12.7 φ25.4含义下游室内机总容量(KW ) 液管配管规格(mm ) 气管配管规格(mm )室内机分歧管之间的连接配管 X≤9 φ9.52 φ15.88 9<X≤16φ9.52 φ19.05 X >16φ12.7 φ25.4 室内机连接配管 X≤2.8φ6.35φ9.52 2.8≤X<4.7 φ6.35 φ12.7 4.7≤X<8.5 φ9.52φ15.88X >8.5 φ9.52 φ19.05含义下游室内机总容量(KW ) Y 型分歧管液管侧型号 Y 型分歧管气管侧型号室内机连接的分歧管 X <16YBP-YL1A YBP-YG1A X≥16 YBP-YL1A YBP-YG2A梳型分歧管液管侧型号 梳型分歧管气管侧型号 X <25 YBP-CL1A YBP-CG1A室外机连接的第一个分歧管室外机Y 型分歧管液管侧型号 Y 型分歧管气管侧型号 YDOH35/45/50/55 YBP-YL1A YBP-YG1AYDOH65 YBP-YL1A YBP-YG2A室外机梳型分歧管液管侧型号 梳型分歧管气管侧型号YDOH35/45/50/55/65 Y BP-CL1A YBP-CG1A含义 室外机总容量 标准安装的配管规格最大管长超过50m 安装的配管规格(mm )室外机与第一个分歧管之间的配管 YDOH35/45/50 φ9.52 φ19.05 φ12.7 φ22.23YDOH55φ12.7 φ22.23 φ15.88 φ25.4 YDOH65 φ12.7 φ25.4 φ15.88 φ28.58YDOH-B含 义室外机上游容量和 液管配管规格(mm ) 气管配管规格(mm ) 模块组合连接时分歧管之间的连接配管 18HP/20HP φ15.88 φ34.922HPφ19.05 φ34.9 24HP/30HP φ19.05 φ41.3 32HP/34HPφ22.23φ41.336HP~48HP φ22.23 φ54.1含义室外机容量型号 液管配管规格(mm ) 气管配管规格(mm )室外机模块与第一个室外机汇总管之间的配管 8HP/10HP φ12.7 φ28.58 12HP φ15.88 φ28.5814HP/16HPφ15.88 φ34.9 含义下游室内机总容量(KW ) 液管配管规格(mm ) 气管配管规格(mm ) 室内机分歧管之间的连接配管(来自暖通南社整理) X≤9 φ9.52 φ15.889<X≤16φ9.52 φ19.05 16<X <21φ12.7 φ25.4 21≤X<30φ12.7 φ28.58 30≤X<35φ15.88 φ28.58 35≤X<50φ15.88 φ34.9 50≤X<68φ19.05φ38.168≤X<85 φ19.05 φ41.3 85≤X≤90 φ22.23 φ41.3 X >90 φ22.23 φ54.1 室内机连接配管X≤2.8φ6.35φ9.52 2.8≤X<4.7 φ6.35φ12.7 4.7≤X<8.5 φ9.52φ15.88 8.5≤X≤16 φ9.52φ19.05X >16 φ12.7 φ22.23含义下游室内机总容量(KW ) Y 型分歧管液管侧型号 Y 型分歧管气管侧型号 室内机连接的分歧管 X <16 YBP-YL1A YBP-YG1A16≤X<35YBP-YL1A YBP-YG2A 35≤X≤50YBP-YL1AYBP-YG3AX >50 YBP-YL2A YBP-YG3A室外机连接的第一个分歧管 室外机总容量(HP ) Y 型分歧管液管侧型号 Y 型分歧管气管侧型号8HP~12HPYBP-YL1A YBP-YG2A 14HP~24HP YBP-YL1A YBP-YG3A24HP 以上YBP-YL2AYBP-YG4A含义室外机总容量(HP ) 标准安装的配管规格最大管长超过90m安装的配管规格(mm )室外机与第一个分歧管之间的配管 8-10 φ12.7 φ28.58 φ15.88 φ28.58 12φ15.88 φ28.58 φ19.05 φ34.9 14-20φ15.88 φ34.9 φ19.05 φ41.3 22 φ19.05 φ34.9 φ22.23 φ41.3 24-30φ19.05 φ41.3 φ22.23 φ54.1 32-34 φ22.23 φ41.3 φ22.23 φ54.1 36-48φ22.23 φ54.1 φ22.23 φ54.1海尔:(奥蕴多联中央空调) 1、室外机汇总管套件外机匹数 汇总管型号 备注8~16匹 无18~32匹HZG-20/A对应2个模块34~48匹HZG-30/A 对应3个模块2、分歧管套件室内机支流合计容量(100W)型号支流合计未满335 FQG-B335A支流合计在335以上而未满506 FQG-B506A支流合计在506以上而未满730 FQG-B730A支流合计在730以上FQG-B1350A3、室内机配管分歧管之间管径选择表室内机组合计容量气管液管(×100)<168 φ15.88φ9.52168≤X<224 φ19.05φ9.52224≤X<330 φ22.22φ9.52330≤X<470 φ28.58φ12.7470≤X<710 φ28.58φ15.88710≤X<1010 φ31.8φ19.05≥1010φ38.1φ19.054、使用范围总长度:300米;配管单程最长可达150米;第一分歧管到最远室内机配管长度达40米;室外机与室内机落差:室外机在上方时为50米,室外机在下方时为40米;室内机与室内机的落差为:15米。
多联机空调配管方案多联机空调系统是一种中央空调系统,可以同时连接多个室内机和一个室外机。
它为用户提供了更多的灵活性和便利性,可以在不同的房间中提供不同的温度控制,提高了空调的舒适度。
然而,多联机空调系统的配管方案是非常重要的,它直接关系到系统的运行效率和使用寿命。
下面将详细介绍多联机空调系统的配管方案。
首先,多联机空调系统的室内机数量需要根据不同的使用场所和需求来确定。
一般来说,每个室内机对应一个房间,室内机的数量可以根据房间的大小、形状和使用率来确定。
比如,客厅、卧室和办公室通常需要一个室内机,而大型会议室和开放式办公区可能需要多个室内机来保持室内温度的均匀分布。
在确定了室内机的数量后,就需要进行配管的设计。
多联机空调系统的配管包括两个方面:液体管路和气体管路。
液体管路的设计是为了将制冷剂从室外机输送到室内机。
通常情况下,液体管路需要考虑以下几个因素:1.管道长度和高度差:液体管路的长度和高度差会对制冷剂的流动速度和压力产生影响。
一般来说,液体管路的长度不宜过长,通常限制在50米以内。
高度差也需要控制在合理范围内,一般不超过15米。
2. 管径选择:液体管路的管径需要根据室内机的数量和容量来确定。
通常情况下,每个室内机需要独立供给制冷剂,因此每个室内机对应一条液体管路。
液体管路的管径一般在6-12mm之间,具体大小需要根据制冷剂的流量和压力来确定。
3.管道绝热:液体管路需要进行绝热处理,以减少能量损失。
一般来说,可以使用防护套或者保温材料对管道进行包裹,防止冷热交换,提高系统的效率。
气体管路的设计是为了将室内机产生的热气排到室外。
气体管路的设计需要考虑以下几个因素:1.管道长度和高度差:气体管路的长度和高度差会对气体的流动速度和压力产生影响。
一般来说,气体管路的长度不宜过长,通常限制在50米以内。
高度差也需要控制在合理范围内,一般不超过15米。
2. 管径选择:气体管路的管径需要根据室内机的数量和容量来确定。
如何选择REFNET接头
·REFNT接头用在从室外机数起的第一个分支外请根据室外机的容量型号,从下表中选择
·请根据REFNET接头下游连接的所有室内机的总容量指数,从下表中选报REFNET 接头,第一个分支处除处
室内机的配管
开式膨胀水箱定压 膨胀水箱有效容积为膨胀水量Vp与调节水量Vt之和
a、膨胀水量:Vp=α*Vc*△t
α——水的膨胀系数,取0.0006;
Vc——系统水容量(L);
△t——水的平均温差,冷水取15℃,热水取45℃。
估算时膨胀量Vp:冷水约0.1L/Kw;热水约0.3L/Kw。
b、调节水量Vt为补水泵3min的流量,且保持水箱调节水位不小于200mm。
c、最低水位应高于系统最高点0.5m以上。
d、膨胀管应接在循环泵吸入侧总管上,膨胀管上不应有任何截断装置,膨胀管按上表确定。
海尔:(奥蕴多联中央空调)1、室外机汇总管套件2、分歧管套件3、室内机配管分歧管之间管径选择表4、使用范围总长度:300米配管单程最长可达150米第一分歧管到最远室内机配管长度达40米室外机与室内机落差:室外机在上方时为50米,室外机在下方时为40米室内机与室内机的落差为:15米三菱重工海尔:(KX4)1、使用范围配管总长度:510米以内配管单程长度:160米以内从室外机到第一分歧管长度:130米以内第一分歧管到最远室内机配管长度:40米以内室外机间的配管长度:到第一汇总管后5米以内(只限于组合使用)室外机与室内机落差:室外机在上方时为50米以内,室外机在下方时为40米以内同一系统室外机间的落差:1米以内室外机到第一汇总管之间的配管长度为10米以内室内机之间的落差:15米以内2、室外机组合分歧管套件3、分歧管套件4、冷媒配管的选定要领4—1 主管(室外侧分歧~室内侧第一分歧)1)室外机容量在255~960时,最长从(室外机到最远的室内机)在90m以上时,一定将气侧、液侧的主管尺寸加大。
2)室外机容量在1010以上时,请不要将气管尺寸变大。
液管加大到下表所示的尺寸。
4—2 分歧管之间配管选定4-3 室内机连接配管的尺寸东芝:(SMMSi直流变速多联式中央空调) 1、使用范围:总配管长度:1000米最大当量接管长度235米,最大实际接管长度190米。
最大室内外机高度差:室外机在上方时70米,室外机在下方时40米最大室内机高度差:40米第一分歧管到最远室内机配管长度:90米2、室外机组合分歧管套件3、分歧管套件大金:(VRVⅢ)(CMSⅡ)1、使用范围配管总长度:1000米最大实际单程配管长度:165米等效单管长度190米最大室内外机高度落差:室外机在上方时50米,室外机在下方时90米最大管长差:40米(离第一分歧管最近室内机到最远室内机距离)室内机高度落差:15米2、室外机组合分歧管套件3、分歧管套件4、配管尺寸大金:(CMS)1、使用范围配管总长度:510米最大实际单程配管长度:120米最大室内外机高度落差:室外机在上方时50米最大管长差:40米(第一分歧管离最远室内机长度)室内机高度落差:15米2、分歧管套件3、配管尺寸约克YES多联式空调(A系列、B系列)1、使用范围YDOH35-651.最大配管长度可达70米2.室内机与室外机的水平落差可达30米(室外机在上)3.室内机之间水平落差可达15米YDOH80-4804.最大配管长度可达125米5.室内机与室外机的水平落差可达50米(室外机在上)6.室内机之间水平落差可达15米2、配管管径YDOH—AYDOH-BLG分歧管<16<33<71<145<232格力。
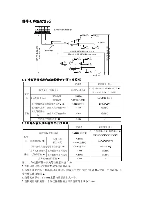
附件4.冷媒配管设计2.内机尽量均等地安装在U型分歧管的两边。
3.当外机在上的场合且落差超过20米,建议在主管的气管上每隔10m设置一个回油弯,回油弯规格建议如图2。
4.当外机在下时,H≥40m主管与液管需加大一号。
5.连接到室内机的第一个分歧管组件的允许长度应等于或小于40m。
6.所有分歧管必须采用美的专用的分歧管,不按此要求操作可能导致系统严重故障。
4.3冷媒配管设计(侧出风系列)MDV-200W/DSN1-8R0、MDV-224W/DSN1-8R0、MDV-260W/DSN1-8R0MDV-400W/DSN1-8T0、 MDV-450W/DSN1-8T0、 MDV-500W/DSN1-8T1 (表2 )注: 1.当液侧+气侧配管等效长度之和≥90m时,必须将气侧主管的尺寸增大。
此外,根据制冷剂配管距离以及内机超配情况,在能力变小时也可以增大气侧主管尺寸;2.连接方式一、二分别见下图1、图2.图1室内机组图2注意:1).A表示:配管下游内机(从该段配管的至最后一台内机之间所有内机)的能力之2).第一分歧管以外机总能力为准,其他分歧管不得大于第一个分歧管。
4.5分歧管选型注意事项冷媒配管设计时不能两个FQZHN-04C分歧管连续相接;下游室内机容量大于71KW 时,不能两个FQZHN-03C分歧管连续相接。
遇到冷媒配管与分歧管接不上的情况时,要调整管路走向,合理布置冷媒管路,避免造成冷媒截流等问题注意:1)表中所有配管指气管+液管等效管长之和。
2)请根据上表选择室外机连接配管管径,如果超配,出现主配管大于主管的情况,则按照就大原则,选择较大值的主管和主配管;L: FQZHW-02N1CM: FQZHW-03N1CN:FQZHW-04N1C4.8注:为保证室内机的最佳使用效果,请把支配管长度控制在10m以内。
若超过10m(长度禁止超过20m),室内换热效果将受到影响。
如何选择REFNET接头
·REFNT接头用在从室外机数起的第一个分支外请根据室外机的容量型号,从下表中选择
·请根据REFNET接头下游连接的所有室内机的总容量指数,从下表中选报REFNET接头,第一个分支处除处
室内机的配管
开式膨胀水箱定压膨胀水箱有效容积为膨胀水量Vp与调节水量Vt之和
a、膨胀水量:Vp=α*Vc*△t
α——水的膨胀系数,取0.0006;
Vc——系统水容量(L);
△t——水的平均温差,冷水取15℃,热水取45℃。
估算时膨胀量Vp:冷水约0.1L/Kw;热水约0.3L/Kw。
b、调节水量Vt为补水泵3min的流量,且保持水箱调节水位不小于200mm。
c、最低水位应高于系统最高点0.5m以上。
d、膨胀管应接在循环泵吸入侧总管上,膨胀管上不应有任何截断装置,膨胀管按上表确定。
多联机工程配管设计方案一、引言二、设计原则1.实现平衡供给:在配管设计中,应根据不同房间的需求,合理规划管道的分支和走向,保证每个房间能够得到均匀的制冷或供暖。
2.考虑管道长度和高差:为减小制冷或供暖过程中的压力损失,应尽量缩短管道长度。
同时,还需考虑不同室内机的高度差,保证室内机之间的平衡运行。
3.与建筑结构相协调:为了美观,可以将管道与建筑结构相融合,例如将管道隐藏在墙体内或者使用装饰性的管道罩。
三、制冷模式的设计方案制冷模式下,室内机通过蒸发制冷原理吸热,然后通过配管将吸收的热量传至室外机,实现制冷效果。
以下是多联机工程制冷模式的设计方案:1.配管的布置方式:多联机工程的室内机数量较多,为避免管道混乱,可采用多根主干管,从室外机出发,向不同房间分支布置。
在各个房间内,可采用分支管的方式连接室内机,形成一个完整的配管系统。
2.采用不同直径的管道:根据室内机的功率大小,可设置不同直径的管道,以满足室内机的制冷需求。
通常情况下,功率较大的室内机可采用直径较大的管道,以保证制冷效果。
3.考虑制冷负荷和气量:根据各个房间的制冷负荷和气量,合理设计管道的尺寸和长度。
例如,对于气量较大的房间,可增加分支管道的直径,以满足制冷效果。
四、供暖模式的设计方案供暖模式下,室内机通过燃烧或电加热等方式产生热量,然后通过配管将热量传递至室外机。
以下是多联机工程供暖模式的设计方案:1.采用循环式供暖系统:多联机工程的供暖系统可采用循环式供暖系统,即室外机将热量传递给室内机后,再将冷却的循环水经过回流管道再次传递给室外机,形成循环。
2.设计合理的水流速度:在配管设计中,需要控制循环水的流速,以确保热量能够充分传递。
一般来说,供暖模式下的水流速度应为0.5-1.0米/秒。
3.考虑各个房间的供暖负荷:根据不同房间的供暖负荷量,合理规划供暖系统的管线直径和分支布置。
对于供暖负荷较大的房间,可增加分支管道的直径,确保供暖效果。
海尔:(奥蕴多联中央空调)1、室外机汇总管套件2、分歧管套件3、室内机配管分歧管之间管径选择表4、使用范围总长度:300米配管单程最长可达150米第一分歧管到最远室内机配管长度达40米室外机与室内机落差:室外机在上方时为50米,室外机在下方时为40米室内机与室内机的落差为:15米三菱重工海尔:(KX4)1、使用范围配管总长度:510米以内配管单程长度:160米以内从室外机到第一分歧管长度:130米以内第一分歧管到最远室内机配管长度:40米以内室外机间的配管长度:到第一汇总管后5米以内(只限于组合使用)室外机与室内机落差:室外机在上方时为50米以内,室外机在下方时为40米以内同一系统室外机间的落差:1米以内室外机到第一汇总管之间的配管长度为10米以内室内机之间的落差:15米以内2、室外机组合分歧管套件室外机合计容量分歧管735~1360(2台用)DOS-2A-13、分歧管套件室内机合计下流容量型号小于180 DIS-22-1180~371 DIS-180-1371~540 DIS-371-1大于540 DIS-540-14、冷媒配管的选定要领4-1 主管(室外侧分歧~室内侧第一分歧)1)室外机容量在255~960时,最长从(室外机到最远的室内机)在90m以上时,一定将气侧、液侧的主管尺寸加大。
2)室外机容量在1010以上时,请不要将气管尺寸变大。
液管加大到下表所示的尺寸。
4-2 分歧管之间配管选定4-3 室内机连接配管的尺寸东芝:(SMMSi直流变速多联式中央空调)1、使用范围:总配管长度:1000米最大当量接管长度235米,最大实际接管长度190米。
最大室内外机高度差:室外机在上方时70米,室外机在下方时40米最大室内机高度差:40米第一分歧管到最远室内机配管长度:90米2、室外机组合分歧管套件3、分歧管套件大金:(VRVⅢ)(CMSⅡ)1、使用范围配管总长度:1000米最大实际单程配管长度:165米等效单管长度190米最大室内外机高度落差:室外机在上方时50米,室外机在下方时90米最大管长差:40米(离第一分歧管最近室内机到最远室内机距离)室内机高度落差:15米2、室外机组合分歧管套件3、分歧管套件4、配管尺寸大金:(CMS)1、使用范围配管总长度:510米最大实际单程配管长度:120米最大室内外机高度落差:室外机在上方时50米最大管长差:40米(第一分歧管离最远室内机长度)室内机高度落差:15米2、分歧管套件3、配管尺寸约克YES多联式空调(A系列、B系列)1、使用范围YDOH35-651.最大配管长度可达70米2.室内机与室外机的水平落差可达30米(室外机在上)3.室内机之间水平落差可达15米YDOH80-4804.最大配管长度可达125米5.室内机与室外机的水平落差可达50米(室外机在上)6.室内机之间水平落差可达15米2、配管管径YDOH-AYDOH-BLG分歧管<16<33<71<145<232格力。
如何选择REFNET接头
·REFNT接头用在从室外机数起的第一个分支外请根据室外机的容量型号,从下表中选择
·请根据REFNET接头下游连接的所有室内机的总容量指数,从下表中选报REFNET接头,第一个分支处除处
室内机的配管
开式膨胀水箱定压膨胀水箱有效容积为膨胀水量Vp与调节水量Vt之和
a、膨胀水量:Vp=α*Vc*△t
α——水的膨胀系数,取0.0006;
Vc——系统水容量(L);
△t——水的平均温差,冷水取15℃,热水取45℃。
估算时膨胀量Vp:冷水约0.1L/Kw;热水约0.3L/Kw。
b、调节水量Vt为补水泵3min的流量,且保持水箱调节水位不小于200mm。
c、最低水位应高于系统最高点0.5m以上。
d、膨胀管应接在循环泵吸入侧总管上,膨胀管上不应有任何截断装置,膨胀管按上表确定。
如何选择REFNET接头
·REFNT接头用在从室外机数起的第一个分支外请根据室外机的容量型号,从下表中选择
·请根据REFNET接头下游连接的所有室内机的总容量指数,从下表中选报REFNET接头,第一个分支处除处
室内机的配管
开式膨胀水箱定压膨胀水箱有效容积为膨胀水量Vp与调节水量Vt之和
a、膨胀水量:Vp=α*Vc*△t
α——水的膨胀系数,取0.0006;
Vc——系统水容量(L);
△t——水的平均温差,冷水取15℃,热水取45℃。
估算时膨胀量Vp:冷水约0.1L/Kw;热水约0.3L/Kw。
b、调节水量Vt为补水泵3min的流量,且保持水箱调节水位不小于200mm。
c、最低水位应高于系统最高点0.5m以上。
d、膨胀管应接在循环泵吸入侧总管上,膨胀管上不应有任何截断装置,膨胀管按上表确定。