安全生产执法检查表
- 格式:docx
- 大小:22.85 KB
- 文档页数:12
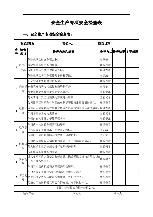
安全生产监督检查表安全生产监督检查表序号:_____________单位名称:_____________检查日期:_____________检查人员:_____________一、基本信息1. 当前是否有安全生产相关的研究、制定和发布的规章制度、标准和操作规程?2. 是否有明确的安全管理岗位和人员?3. 是否存在监测、报警和应急处置措施?4. 是否有定期的安全培训和应急演练?5. 是否有健全的事故隐患排查和整改措施?二、生产过程安全检查1. 是否有清晰的生产工艺流程图或操作手册?2. 是否明确了可能存在的安全风险点和事故隐患?3. 是否建立了生产过程中的安全检查制度?4. 是否有正确使用和维护设备的工作指导书和操作规程?5. 是否有独立的设备、工具和工装的保养计划?三、危险物品管理1. 是否对危险物品进行了明确的标识、分类和储存?2. 是否建立了危险物品的安全使用、运输和储存制度?3. 是否存在危险物品泄漏、火灾、爆炸和中毒等应急预案和设施?4. 是否有定期的危险物品的盘点和检查?四、场所环境安全1. 是否有安全出口和防火通道的设置和标识?2. 是否有合理的电气线路和设备布置?3. 是否存在防火、防爆和安全疏散设备的检查和维护制度?4. 是否有独立的物品货架和堆放区域?五、安全生产记录和档案1. 是否建立了安全生产日志和事故隐患整改记录?2. 是否有完整、准确的安全事故报告和调查记录?3. 是否有隐患排查和整改的报告和台账?4. 是否保留了完整的安全生产相关的文件和档案?六、其他1. 存在的安全风险点和事故隐患是否得到及时整改?2. 安全培训和应急演练的执行情况如何?3. 是否存在安全生产宣传教育的制度和实施情况?4. 是否得到了相关部门的安全生产检查和评估结果?五、检查结论根据以上检查情况,对单位的安全生产监管整体情况进行评估,并提出存在的问题和改进建议。
评审人员:_____________评审日期:_____________评审结果:_____________改进建议:_____________签名:_____________以上就是安全生产监督检查表的样例,可以根据实际情况进行修改和补充,确保安全生产工作得到有效监督和管理。
山东省重点行业领域安全生产执法检查表1.工贸企业落实安全生产主体责任检查表 (2)2.钢铁企业安全生产执法检查表 (5)3.铝加工(深井铸造)企业安全生产执法检查表 (10)4.金属冶炼企业安全生产执法检查表 (13)5.机械制造企业安全生产执法检查表 (29)6.涉氨制冷企业安全生产执法检查表 (40)7.粉尘涉爆企业安全生产执法检查表 (46)8.工贸企业有限空间安全生产执法检查表 (57)9.危险化学品生产企业安全生产执法检查表 (60)10.危险化学品经营企业安全生产执法检查表 (79)11.危险化学品使用企业安全生产执法检查表 (101)12.一般化工企业安全生产执法检查表 (119)13.非煤矿山企业安全管理执法检查表 (128)14.地下非煤矿山现场作业管理执法检查表 (133)15.露天非煤矿山现场作业管理执法检查表 (139)16.尾矿库现场作业管理执法检查表 (141)17.陆上石油天然气开采企业安全生产执法检查表 (143)18.烟花爆竹批发企业安全生产执法检查表 (156)19.安全生产“三到位”执法检查表 (161)20.安全生产投入及使用执法检查表 (166)- 1 -表 1工贸企业落实安全生产主体责任检查表- 2 -- 3 -- 4 -表 2钢铁企业安全生产执法检查表- 5 -- 6 -- 7 -- 9 -表 3铝加工(深井铸造)企业安全生产执法检查表- 10 -表 4金属冶炼企业安全生产执法检查表表 5机械制造企业安全生产执法检查表表 6涉氨制冷企业安全生产执法检查表表 7粉尘涉爆企业安全生产执法检查表。