广州电视塔钢结构施工(20200730081710)
- 格式:pdf
- 大小:10.30 MB
- 文档页数:83
浅谈广州新电视塔钢结构制作工程监造摘要:本文通过广州新电视塔工程实例,介绍了钢结构制作工程监造的方法。
关键词:广州新电视塔工程;钢结构制作;监造1.工程概况广州新电视塔项目位于在广州市海珠区艺苑路,电视塔高610米,由一座454米高的主塔体(混凝土核芯筒与钢结构外筒组成)及由和一个高156米的天线桅杆构成。
本工程的主体钢结构主要包括:钢结构外筒、楼层结构和天线桅杆等。
钢结构外筒是电视塔主要的垂直承重及抗侧力结构,包括三种类型的杆件:立柱,环和斜撑。
内外筒之间共设置37层楼层。
楼层钢结构为主次梁结构,主梁一端与混凝土核芯筒连接,另一端与钢外筒连接。
本工程钢结构总重逾5万吨。
本钢结构制作工程分为A、B两个标段,监理单位派遣了监造组对钢结构构件制作予以全程监造。
2.监造工作方式2.1 督促制作单位完成建立和完善质量保证体系,以制作单位质量保证体系为基础,实行制作单位的自控与监理单位的监控相结合。
2.2 采用巡回检查、抽样检查、报验检查、旁站监督、审核及跟踪检查,对钢结构制作实行事先控制、过程控制、重点控制,并以过程控制为主要控制对象。
2.3 以质量控制为基础,实施对投资、进度、质量的全过程、全面的控制。
3.监造工作的职责和内容3.1协助业主组织设计单位会审钢结构工程制作图纸及技术资料;参与有关设计修改、技术核定等技术工作的洽商,协助钢结构制作单位解决制作中遇到的技术问题。
3.2 对钢结构制作单位提交的开工申请报告、施工组织设计、生产进度计划、质量管理体系及资源配置、工艺设计文件及焊工等特种作业人员的资质等进行审查。
3.3对材料供应商的资质进行审查,对其供应处理的质量进行检查验收和见证取样复验(包括钢材、焊接材料等原材料的复验)。
3.4对钢结构各零部件的加工机械、加工工器具、检测工具、生产流程等进行检查。
3.5检查原材料及设备仪器的规格、型号是否符合设计及制作方案的要求,核查现场使用的原材料及仪器设备的质量合格证书、检验试验报告和资料,根据政府文件和本工程专用验收标准进行复核试验,不合格的原材料、设备仪器严禁使用。
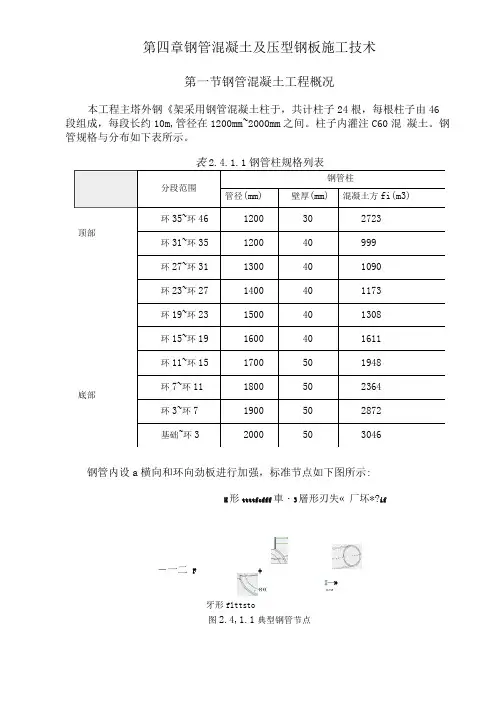
第四章钢管混凝土及压型钢板施工技术第一节钢管混凝土工程概况本工程主塔外钢《架采用钢管混凝土柱于,共计柱子24根,每根柱子由46 段组成,每段长约10m,管径在1200mm~2000mm之间。
柱子内灌注C60混凝土。
钢管规格与分布如下表所示。
表2.4.1.1钢管柱规格列表钢管内设a横向和环向劲板进行加强,标准节点如下图所示:H形ttttfefff車・3層形刃失« 厂坏*?if―一二 F +««图2.4,1.1典型钢管节点顶部底部分段范围钢管柱管径(mm) 壁厚(mm) 混凝土方fi(m3) 环35~环46 1200 30 2723环31~环35 1200 40 999环27~环31 1300 40 1090环23~环27 1400 40 1173环19~环23 1500 40 1308环15~环19 1600 40 1611环11~环15 1700 50 1948环7~环11 1800 50 2364环3~环7 1900 50 2872基础~环3 2000 50 3046I—»择牙形flttsto表2.4.1.2钢簷混凝土方量统计表TOm处柱定位图图2.4,1.2钢管柱节点编号454ni处柱定位图第二节钢管混凝土结构施工方法作为较为成孰的施工技术,钢管混凝土浇灌方法可分为以下三种:(1)泵送顶升浇灌法;(2)立式手工浇捣法;(3)立式高位抛落无振捣法。
三种方法的适用范围及优缺点各不相同,对比分析如下:**泵送顶升浇灌法 1)原理:在钢管接近地面或某楼层板处安装一个带闸门的进料管,直接与泵的输送管连接,由泵车将混凝土连续不断地自下而上灌入钢管。
2)优缺点:施工质量容易保证,如果结构高,则需要较高的泵送压力。
另外由于需要在钢管壁上开洞,影响结构的外观质量。
**立式手工浇捣法1)原理:混凝土自钢管上口灌入,一次浇灌高度不宜大于2m。
2)优缺点:施工效率较低,质量不容易保证。
广州新电视塔厚壁锥形钢管柱、节点加工技术及卷制管的应力特点分析与质量控制王晓波周永明蒋良军李强徐刚杨志明张庆摘要:本文介绍了广州新电视塔钢结构工程,建筑造型复杂,主要构件加工制作难度非常大,通过对高强度厚板锥形钢管柱的加工工艺的不断改进,提高了生产效率和加工质量,本文对厚板锥形钢管柱的加工、制作全过程进行了总结。
关键词:电视塔厚壁锥形钢管柱加工应力分析广州市新电视塔高610米,由一座高达454米的主塔体和一个高156米的天线桅杆构成,建成后,在我国乃至世界上都属于最高的钢结构之一,具有广泛的实用性和观赏性,,也是当前世界经典建筑中最具有时代性的标志性建筑,不仅为广州市增加了一道亮丽的风景线,同时也是我国在国际地位与实力的显示。
如下图示:钢结构外筒是结构的主要抗侧力体系,主要由钢管构件组成,包括钢管混凝土立柱、钢管环梁和钢管斜撑,钢管混凝土立柱共24根,由地下二层柱定位点起呈倾斜状沿直线至塔顶(+454.0m)相应的柱定位点,各柱的倾角不相同,柱钢管截面的直径与壁厚均沿高度变化,由底部外径2000mm,壁厚50mm缩至顶部外径1200mm,壁厚30mm,,钢材材质采用Q390JGC和Q345GJC,管内充填C60高强混凝土。
因建筑外观造型的要求,立柱钢管是带锥度的锥形管。
一.锥形钢管成形工艺方案的确定分析本工程所用的各种规格钢管,立柱φ2000×50~φ1200×30,其径厚比为38,符合此规范采用冷卷工艺的要求,钢板经压制或卷制后,其力学性能又要发生变化,压制、卷制的过程,实际就是在外力作用下,使钢板的外层纤维伸长,内层纤维缩短而产生塑性弯曲变形。
冷弯时变形越大,材料的冷加工硬化也越严重,在钢板内产生的残余应力也越大,甚至会发生表面裂纹。
压制或(卷制)后钢管的表面硬度、冷硬化层深度将随压制(卷制)压力和次数的增加而加大。
根据本工程设计要求的钢管柱规格(主要是径厚比)、材质、受力状态和构件类别,考虑到卷制和压制制管工艺上各自的特点和应用范围,以及工厂的实际加工设备,制作质量比较,经过综合比较分析后,确定锥形钢管柱采用卷制成型的工艺。
xxxxxxxx电视塔钢结构加工制作工程(B标)新增工程量补充协议业主:xxxxxxxx电视塔建设有限公司,以下简称“业主”发包方:上海建工(集团)总公司(联合体主办方)、广州市xxxxxxxx有限公司,以下简称“总承包人”承包方:浙江xxxxxxxx有限公司,以下简称“供货商”依照《中华人民共和国合同法》、《中华人民共和国建筑法》及其他有关法律、行政法规,遵循平等、自愿、公平和诚实信用的原则,三方就xxxxxxxx电视塔工程加工制作工程(B标)中新增加的核心筒劲性钢结构加工制作、双向铰加工制作与工厂内拼装施工承包事项协商一致,愿在xxxxxxxx电视塔钢结构加工制作工程(B标)合同条款基础上签定本补充协议。
一、工程量增加范围1、xxxxxxxx电视塔工程核心筒劲性结构分项工程:设计图纸所显示的劲性钢结构的施工详图设计、制作及供应工作(防腐涂装除外)。
2、xxxxxxxx电视塔工程双向铰分项工程:设计图纸所显示的由总承包单位书面划归B标段的内容,主要包括销轴、销轴盖板、两块嵌固板及连接高强螺栓和嵌固板内咬合键等的施工详图设计、加工制作、工厂拼装及供应工作(防腐涂装除外)。
二、协议价款1、核心筒劲性钢结构增加总价款暂定为¥15,073,063.6元(大写:壹仟伍佰零柒万叁仟零陆拾叁元陆角)。
劲性柱工字柱、牛腿、钢管柱固定综合单价分别暂定为:(1)工字型截面柱¥9212.43元/吨,(2)牛腿¥9568.55元/吨,(3)钢管柱¥13840.74 元/吨。
工程量暂定为1520.65吨,最终按深化设计图纸及设计变更联系单按实结算。
2、双向铰(划归B标的部分)增加价款暂定为¥20,631,391.47 元(大写:贰仟零陆拾叁万壹仟叁佰玖拾壹元肆角柒分)。
固定综合单价分别暂定为:双向铰A综合单价为13633.46元/个,双向铰B综合单价为19186.34元/个,双向铰C综合单价为28006.92元/个,双向铰D综合单价为64442.46元/个,工程量按深化设计图及设计变更按实结算。
1. 工程概况1.1 建筑概况总用地面积约17.6万m2 总建筑面积99946m2塔楼主体高度454m桅杆高度156m总高610m钢结构总量50000t电视塔及世界超高层建筑排名1.2 结构组成1) 钢结构外筒是结构主要的承重和抗侧力构件,包括三种类型的杆件立柱,环和斜撑。
外筒共有24根柱,全部采用钢管混凝土组合柱。
2) 桅杆天线高度达156米,位于塔体顶部,下部采用格构式钢结构,上部为箱型结构。
桅杆天线上部楼层观光楼梯中部楼层下部楼层混凝土核心筒结构截面内径尺寸为:14mX17m标高:-16m至+448m,总高464m壁厚从2m至0.4m不等,多孔洞劲性钢骨共14根,为H型钢截面第一环结构投影中心线第四十六环结构投影中心线核心筒内墙投影线YX钢结构外筒中心偏离核心筒中心布置, 钢结构顶部与底部的结构中心偏移达9m楼层结构示意楼层主梁与混凝土核心筒及外筒钢结构铰接连接,大量采用关节轴承。
结构特点:(1)结构超高—— 610m(2)结构扭转——扭转45度(3)结构偏斜——没有统一的结构中心(4)钢结构重——单件80t,总量5万吨(5)结构细柔——腰部直径最小仅20m (6)楼层缺失—— 50%以上缺失(7)焊接连接——高强管材斜交高空焊接1.3 施工环境a) 地理环境紧邻珠江,地下室遍布b) 气侯影响气温湿度雷雨大风图 例群柱稳定性试验细腰段整体模型试验群柱面外无支撑长度大;失稳形态细腰段150多米与核心筒无连接2、塔体安装总体技术路线以外挂爬升式塔吊和重型履带起重机为主要施工机械,以每一环作为施工区段,根据起重能力和楼层(支撑)布置状况划分吊装单元,以楼层梁或临时支撑作为施工阶段外筒结构稳定构件,自下而上,柱、斜撑和环梁同步施吊,综合安装区段钢结构。
天线桅杆安装总体技术路线改外挂爬升塔吊为外附自升塔吊,进行天线格构结构和临时辅助钢结构的安装,在格构结构内分段组装实腹式天线段,设液压可调导轮导轨系统作导向及抗风纠偏装置,以液压千斤顶为提升设备,由计算机多参数自动控制,实现实腹段天线桅杆的超高空连续提升,一次就位安装。
广州新电视塔钢结构加工制作工程B标段一、工程背景广州新电视塔是一项重要的城市工程,是广州市中心的地标建筑之一,也是广州新的商业、文化和旅游中心。
为了完成这项工程,广州市政府立项,进行了招标,最终确定了由某建筑公司负责广州新电视塔钢结构加工制作工程B标段的施工任务。
二、工程概述广州新电视塔钢结构加工制作工程B标段是广州新电视塔工程的重要组成部分。
本工程是在大楼开工建设前期对于塔楼框架的加工制造和安装,并负责架设相关设备。
三、工程要求根据施工方案和施工图纸要求,制造加工塔楼所需的各种钢材和构件,保证安全、质量和品质,并满足工期要求。
工程主要量:•计划用钢材总量约为8000吨。
•主要工程包括制作塔楼主体结构钢构件、大型压板、消防楼梯和观光楼梯等。
四、工程难点1. 材料标准和要求本工程材料的标准和要求非常严格,需要根据施工图纸要求进行选材和采购。
特别要求钢材必须具备抗风、抗震、耐腐蚀和防火等多种性能,同时还要遵循国家标准和法规的要求。
2. 制造加工工艺钢结构加工制造需要手工操作和机械加工相结合,需要一定的技术和经验,精度要求高,规格复杂。
加工工艺需要严格控制,确保部件的加工质量和精度达到要求。
3. 施工安全本工程施工安全性要求较高,因为本工程主要掌握在制造加工环节中,也就是钢构件的制作捆绑安装和悬吊任务,因此需要非常注意施工过程中的安全,保障工人的生命财产安全。
五、施工方案和措施为了实现工程质量和施工期限的要求,必须要遵循以下施工方案和措施:1. 材料选购和审批在材料选购和审批阶段,必须根据施工图纸要求进行材料的筛选和试验。
对于材料的标准化和规范化要求满足市场标准和季度标准,满足标准化的要求。
2. 施工流程和管理在施工过程中,需要根据要求制定管理办法,严格按照操作规范和接口的要求来管理,在每一道工序中都必须记录材料种类和用量、精度、质量等情况。
3. 返工控制和质量检查在工程进行中,出现问题的时候必须尽早发现并返工。
610m⾼的⼴州新电视塔是世界的电视塔,也是⼀个典型的超⾼层建筑,具有⾼、扭、偏等复杂结构特征。
本⽂对其关键施⼯技术和措施进⾏了分析和论述。
⼀、⼴州新电视塔简介 ⼴州新电视塔是为2010年⼴州亚运会建设的⼴播电视塔。
位于珠江岸边,是⼴州新城市中轴线上的主要建筑物。
总⽤地⾯积约 18万m2,总建筑⾯积 10 万m2,结构总⾼ 610 m ,钢结构总量 5.5 万吨,7.2m平台层 3万m2.形体扭转向上,形成纤纤细腰,体态优美。
⼴州新电视塔有⼀座454m的塔⾝和156m的钢结构桅杆组成,总⾼610m.塔⾝由钢结构外框筒和钢筋混凝⼟核芯筒构成。
内外框筒通过楼层结构相连,但楼层缺失⼀半。
功能层分段分布,外框筒由24根钢柱和46个钢椭圆环及钢斜撑组成,由下到上,截⾯由⼤变⼩,再由⼩变⼤,扭转⽽成,钢柱截⾯由2000mm渐变到1200mm.核芯筒结构⾼达448m,截⾯呈椭圆形,外壁壁厚由1200mm随⾼度减⼩到400mm,混凝⼟标号由C80变化到C40,内置14根⼯字型截⾯的劲性柱。
24根外框筒柱呈空间三维倾斜,且环间距离⾼达10余⽶,且采⽤低收缩的C60混凝⼟。
⼆、⼴州新电视塔的特点和难点 ⼴州新电视塔这样⼀个标志性建筑,由于建筑师创新性的设计,使得结构具有以下特点和难点: (1)⾼:塔楼⾼454m,天线桅杆顶⾼610m,超⾼度带来施⼯⾼风险。
(2)扭:钢外筒⾃下⽽上扭转45度,使结构呈三维倾斜,万余构件⽆⼀相同。
施⼯变形控制难度⼤。
(3)偏:钢结构底座与核⼼筒偏⼼9.3m,⽽顶部钢结构⼜与底座偏位9m,使结构在⾃重作⽤下发⽣侧移。
(4)柔:结构细长,内外框筒连接较弱,核芯筒截⾯只有14X17m,⾼度却达450余⽶。
(5)外:外框筒位于功能层外侧,因此施⼯时不能依靠楼层作操作⾯,⼤⼤增加了施⼯难度。
三、⼴州新电视塔的关键施⼯技术和措施 由于⾯临上述结构上的特点和难点,⼴州新电视塔施⼯过程必然⾯临很多的技术难点和困难。
广州新电视塔钢结构吊装开工
8日中午11时,一个直径2米、重达18吨的钢外框架柱脚被缓缓起吊就位,标帜着广州新电视塔钢结构吊装正式开工。
结构主承包方上海机施公司,决心用最先进的设备和技术,最优秀的管理和服务,全力打造世界第一高塔,积极抢占高耸结构施工领域的市场制高点,进一步唱响外埠市场上海建工的企业品牌。
上海机施公司是上海建工(集团)总公司下属的核心企业,自去年8月开始,就对广州新电视塔工程进行信息跟踪和技术研究,并制定出一套挑战世界第一高塔的详尽技术方案;今年4月以优异的技术标的获得了1.7亿的钢结构主承包任务。
该公司斥资五千多万元从澳大利亚引进两台M900D(1200t?m)内爬变幅式塔式起重机作为钢结构安装的主机;7月份其派出的一批优秀施工和管理队伍就逐步进入了施工现场。
经过短短几个月时间,机施公司就完成了工程的前期准备。
——文章来源网络,仅供个人学习参考。
广州新电视塔高空钢结构防腐施工技术一、背景介绍随着现代城市化进程的不断发展,高层建筑、桥梁、交通枢纽等工程逐渐成为城市建设的代表。
而钢结构作为一种优质的建筑材料,被广泛应用于上述建筑工程中。
然而,高层钢结构的施工和维护难度较大,且使用环境恶劣,容易被氧化腐蚀,从而影响其安全使用。
因此,正确的防腐保护措施对于高层钢结构的使用至关重要。
本文将介绍广州新电视塔的高空钢结构防腐施工技术,为类似工程的施工和维护提供有益的参考。
二、施工方案1.基础处理首先需要对电视塔的基础进行处理。
基础地面需要处理干净无油,并在基础原位处进行防腐处理,以防止防腐导流。
2.结构处理根据电视塔的设计需求,将防腐蜡涂布在结构件表面。
防腐蜡是一种气密性材料,能够有效防止空气、水等物质的侵蚀,从而实现良好的防腐保护效果。
3.涂层处理对钢结构的涂层也需要进行处理。
将涂层刮除,然后使用短切纤维墙面处理,确保表面光滑并且没有杂物。
使用高压喷涂或者气动喷涂进行涂层切削,确保涂层的均匀。
4.检查、矫正施工过程中需要定期检查钢结构的防腐性能,并适时调整、矫正工艺,以确保施工质量和使用效果。
三、施工工艺及注意事项1.工艺要求施工高空钢结构防腐,先要严格按照设计方案完成工程防腐,结构处理过程中必须满足以下几点要求:•现有基础必须满足钢结构的设计需求;•防腐蜡防护层必须充分覆盖结构;•涂层应用规定厚度;•施工现场应采用防尘措施;•操作人员必须经过钢结构防腐施工专业培训。
2.注意事项钢结构防腐施工比较特殊,因此在实际操作过程中需要注意以下几点:•防腐蜡对涂料和溶剂有很强的侵蚀性,安全操作时要注意。
•施工现场必须设有安全网,防止物品或操作人员坠落,保证施工安全。
•需要保持施工区域内的空气清新、干燥、通风、凉爽;并确保较低的相对湿度,以加快涂层的干燥。
四、结论钢结构防腐工程,是保证建筑工程使用寿命的关键之一。
在实际施工过程中,应按照施工工艺要求和注意事项,严格把控每个环节,保证施工质量和效果。
第一章钢结构施工概述第一节钢结构工程概况本工程的主体钢结构包括:混凝土核芯筒内的劲性柱、外筒结构、楼层结构(包括塔顶转换层和空中漫步道)和天线桅杆等。
劲性柱共设置14根,沿混凝土核芯筒周边布置,为工字型截面型式。
钢结构外筒是电视塔主要的垂直承重及抗侧力结构,包括三种类型的杆件:立柱,环和斜撑。
外筒共有24根立柱,由地下二层柱定位点沿直线至塔体顶部相应的柱定位点,全部采用钢管混凝土组合柱。
柱截面尺寸由底部的钢管直径2.0米逐渐减小到顶部的1.2米,柱内填充混凝土的强度等级为C60。
斜撑的材料为钢管,其直径大小为Φ850~Φ700。
斜撑与钢管混凝土柱的连接采用相贯节点刚接形式。
外筒的环梁共有46组,环梁材料亦为钢管,环梁直径均为Φ800。
环梁与钢管混凝土柱通过外伸的圆柱节点相贯连接。
所有现场节点均为焊接连接。
内外筒之间共设置37层楼层。
楼层钢结构为主次梁结构,主梁一端与混凝土核芯筒连接,另一端与钢外筒连接。
考虑内外筒存在垂直位移差,连接节点采用铰接。
部分楼层采用重型桁架和悬挂结构。
在+178.400~+272.000米和+287.600~+318.800米,围绕核芯筒外侧旋转而上设有空中漫步道,对应核芯筒楼层处设置休息平台。
漫步道悬挑横梁长度约1.4米,采用H型钢。
连接桅杆天线和外筒钢管混凝土柱的转换层从+438.40米至+448.80米,高10.4米。
共设置八榀转换桁架,中间与椭圆钢环连接,外端与钢外筒连接。
混凝土核芯筒顶标高居于转换层之下约200mm,待结构稳定后中间填充柔性垫层。
转换桁架上下弦杆采用600x1200的箱形截面,斜杆采用600x1000的箱形截面,竖杆为Φ600的钢管。
桅杆天线高度达156米,位于塔体顶部,下部采用格构式钢结构,上部采用全钢板焊接成箱形截面。
桅杆天线平面形状为正八边形和方形两种形式,底部正八边形平面轮廓为10.0m x 10.0m,顶部平面轮廓为0.75m x 0.75m。
第一章钢结构施工概述 (1)第一节钢结构工程概况 (1)第二节施工特点及难点 (3)2.1 钢结构特点 (3)2.1.1 结构形式特殊 (3)2.1.2 体量大,高度高 (3)2.1.3 构件重,高空焊接量大 (3)2.1.4 安装精度高,影响因素多 (3)2.2 工程对钢结构施工的要求 (4)2.2.1 施工环境 (4)2.2.2 钢结构与其它各工序之间的搭接施工 (4)2.2.3 工期要求 (4)2.3 钢结构安装的难点和关键 (5)2.3.1 起重设备的选择、布置和吊装单元的划分 (5)2.3.2 高精度的测量、校正和定位 (5)2.3.3 结构(构件)在安装过程中的稳定问题 (5)2.3.4 超高空作业的安全操作设施 (5)2.3.5 施工阶段的结构验算、施工控制和施工监测 (5)2.3.6 选择合理的焊接工艺,确保超高空焊接质量 (6)2.3.7 钢结构与混凝土结构施工的合理搭接 (6)2.3.8 塔顶钢结构转换层和天线桅杆的安装 (6)第三节钢结构安装总体技术路线及总体施工流程 (6)3.1 安装总体技术路线 (6)3.2 关于钢结构安装总体技术路线的几点说明 (7)3.2.1 起重机械的选择和布置 (7)3.2.2 钢结构构件安装顺序的考虑 (11)3.2.3 结构安装精度的控制 (12)3.2.4 安全设施的设置和安全隔离的重要性 (16)3.2.5 钢桅杆天线的安装和校正 (17)3.2.6 临时支撑的设置 (19)3.3 安装总体流程 (20)3.3.1 钢结构安装作业流程框图 (20)3.4 机械选用 (29)3.4.1 主要施工机械设备的选用 (29)3.4.2 主要辅助机械的选用 (29)3.5 机械平面布置 (32)3.6 主要机械设备汇总表 (42)3.7 钢结构施工现场平面布置 (42)第二章钢结构外框筒(塔楼)安装的实施技术 (44)第一节塔楼钢结构安装有关说明 (44)第二节钢结构安装主要施工方法 (45)2.1 核心筒内劲性柱安装 (45)2.2 柱脚安装 (47)2.3 一至三环钢结构安装 (51)2.3.3 斜撑进挡就位 (57)2.3.4 +6.8米楼层施工 (59)2.3.5 +27.6米楼层主梁(桁架)与外框筒安装 (59)2.3.6 悬挂结构安装 (66)2.4 第四环至第42环钢结构安装 (67)2.4.1 第四至第七环钢结构安装 (68)2.4.2 第八至第十一环钢结构安装 (74)2.4.3 第十二环以上钢结构安装 (77)2.4.4 细腰段钢结构安装 (77)2.5 顶部结构安装 (80)2.5.1 安装流程 (81)2.5.2 安装实施技术 (83)2.5.2.1 第43、44环结构安装 (83)2.5.2.2 转换层内环框筒结构安装 (83)2.5.2.3 第45、46环结构安装 (85)2.5.2.4 转换桁架结构安装 (86)2.6 空中漫步道安装 (92)第三节测量定位技术 (92)3.1 测量重点及难点 (92)3.2 应对方式概述 (93)3.3 测量实施的依据和保障 (93)3.3.1 标准和依据 (93)3.3.2 测量技术实施原则和要求 (93)3.3.3 工程测量步骤 (94)3.3.4 工程测量管理机构 (94)3.4 测点仪器的选用与人员配置 (95)3.4.1 测量仪器、设备选用 (95)3.4.2 测量人员配备 (97)3.5 具体测量方案 (97)3.5.1 控制测量 (97)3.5.2 施工测量 (99)3.5.2.3 桅杆天线安装测量 (107)3.6 测量刻画线的工厂制作 (107)3.7 安装校正固定 (107)3.8 质量保证措施 (109)第四节高空焊接技术及质量保证措施 (110)4.1工程焊接特点及难点 (110)4.2 广州气候特点对现场焊接的影响 (110)4.3 钢材 (110)4.4 焊接方法 (111)4.5 焊接材料 (111)4.5.1 焊接材料选用 (111)4.5.2 焊材复验 (111)4.5.4 焊材使用 (111)4.6 焊接及相关设备 (112)4.7 焊工资质及培训 (112)4.7.1 焊工资质 (112)4.7.2 焊工培训 (112)4.8 焊接工艺评定 (112)4.8.1 焊接工艺评定试验 (112)4.8.2 现场模拟接头施焊试验 (112)4.9 现场焊接施工流程 (113)4.10 焊前准备 (114)4.11 焊接预热 (114)4.12 焊接坡口 (114)4.13 焊接工艺措施 (115)4.14 焊后处理 (116)4.15 焊接变形控制 (116)4.15.1 焊接方法优选 (116)4.15.3 余量控制 (120)4.15.4 安装顺序和焊接顺序 (120)4.15.5 通过信息化施工手段,优化焊接顺序,控制结构变形 (120)4.16 焊接应力控制 (120)4.17 焊接质量检查 (121)4.18 焊接缺陷返修 (121)4.19 焊接操作注意事项 (121)4.19.1 防风措施 (121)4.19.2 防雨、防湿措施 (122)4.19.3 其它注意事项 (123)第五节高空吊装的安全保证措施 (124)5.1 施工作业面通道 (124)5.1.3 临时支撑上通道 (126)5.1.4 Φ609临时支撑管登高通道。
一、工程概况本工程为某地区电视塔钢结构安装工程,主要内容包括电视塔塔身、桅杆、塔楼等钢结构部件的安装。
塔身采用小蛮腰结构形式,塔高XX米,塔身直径由底部XX米逐渐缩小至顶部XX米。
施工区域位于市区,施工场地狭小,周边环境复杂。
二、施工准备1.技术准备(1)熟悉施工图纸,明确设计要求,了解施工工艺和施工顺序。
(2)组织施工人员学习相关规范和标准,提高施工质量意识。
(3)编制施工方案,明确施工流程、技术措施和质量保证措施。
2.现场准备(1)施工场地平整,满足吊装作业要求。
(2)搭建临时施工设施,如脚手架、安全防护设施等。
(3)安装临时照明、通讯设施,确保施工顺利进行。
3.材料准备(1)钢材、焊接材料、紧固件等材料应符合国家相关标准。
(2)施工所需的各种工具、设备应齐全完好。
4.人员准备(1)组建专业施工队伍,包括焊工、起重工、测量工等。
(2)明确各岗位人员的职责,确保施工顺利进行。
三、施工方法及工艺要求1.施工顺序(1)塔身柱安装:先安装中心立柱,然后依次安装斜杆、水平杆和隔面层。
(2)过渡段安装:先安装过渡段柱,然后安装斜杆、水平杆和隔面层。
(3)塔楼和桅杆安装:先安装塔楼,然后安装桅杆。
2.施工工艺(1)塔身柱安装:采用分件吊装法,先吊装中心立柱,然后依次吊装斜杆、水平杆和隔面层。
安装过程中,注意调整构件位置,确保构件垂直度和水平度。
(2)过渡段安装:与塔身柱安装方法相同。
(3)塔楼和桅杆安装:采用整体吊装法,将塔楼和桅杆整体吊装至预定位置,然后进行校正和固定。
3.焊接工艺(1)采用手工电弧焊进行焊接,焊工应持有相应资格证书。
(2)焊接过程中,严格控制焊接参数,确保焊接质量。
(3)焊接完成后,对焊缝进行外观检查和无损检测。
四、质量控制1.严格控制材料质量,确保符合国家相关标准。
2.加强施工过程中的质量检查,发现问题及时整改。
3.严格执行焊接规范,确保焊接质量。
4.做好施工记录,为工程验收提供依据。
广州塔钢结构设计原理1. 引言广州塔(Canton Tower)是位于中国广州市的一座超高层建筑,是世界第四高的电视塔。
其独特的外形和巨大的高度给钢结构设计带来了巨大的挑战,需要采用创新的设计原理来确保其安全性和稳定性。
本文将详细解释与广州塔钢结构设计相关的基本原理,并确保解释清楚、易于理解。
2. 结构形式广州塔采用了一种独特的双曲面网壳结构形式,这种结构形式可以提供较大的空间刚度和抗震能力。
双曲面网壳结构由一系列弯曲而相互交叉的曲面组成,整体呈现出流线型和优美的外观。
3. 结构材料广州塔的主要结构材料是钢材,包括大量使用的高强度钢板和钢管。
这些材料具有良好的抗拉强度和刚度,可以满足大跨度和高层建筑对结构强度和稳定性的要求。
4. 受力分析在设计过程中,需要对广州塔的受力情况进行详细的分析。
主要受力包括重力荷载、风荷载和地震荷载。
重力荷载主要由自重和使用荷载组成,风荷载则是由于建筑物在风中产生的压力差引起的,地震荷载则是由于地震引起的地面振动所产生的。
5. 结构设计原理广州塔钢结构设计遵循以下基本原理:5.1. 强度原理强度原理是钢结构设计的基本原则之一。
在广州塔的设计中,需要确保结构材料具有足够的强度来承受各种受力情况。
这包括对钢材进行合理的截面尺寸和厚度设计,以满足承载能力要求。
5.2. 稳定性原理稳定性原理是指结构在受到外部作用力时保持稳定的能力。
在广州塔设计中,采用了多种措施来增强结构的稳定性,包括设置剪刀撑、加强节点连接等。
5.3. 刚度原理刚度原理是指结构对外部变形抵抗的能力。
在广州塔的设计中,需要保证结构具有足够的刚度来抵抗风荷载和地震荷载引起的变形。
这包括通过增加材料的截面尺寸、设置加劲肋等方式来增强结构的刚度。
5.4. 抗震原理抗震原理是指结构对地震作用的抵抗能力。
在广州塔设计中,需要采取一系列措施来提高结构的抗震能力,包括设置阻尼器、加固节点连接等。
6. 结构分析与计算在设计过程中,需要进行详细的结构分析与计算,以验证结构的安全性和稳定性。
广州新电视塔钢结构加工制作工程B标段资格预审文件项目名称:广州新电视塔钢结构加工制作工程招标人:广州新电视塔建设有限公司招标代理机构:广州建筑工程监理有限公司二〇〇六年三月一日一、总则1、鉴于广州新电视塔建设有限公司作为拟进行广州新电视塔钢结构加工制作工程的招标人,已按照有关法律、法规、规章等规定完成了工程施工招标前的所有批准、登记、备案等手续,已具备工程施工招标的条件,且已有用于该招标项目的相应资金或资金来源已经落实。
2、招标人将对本工程投标申请人进行资格预审。
3、关于本工程项目的基本情况以及工期要求,在附件2中说明。
4、投标申请人如需分包,应详细提供分包理由和分包内容以及分包商的相关资料,如分包理由不充分或分包内容不适当,将可能导致其不能通过资格预审。
二、资格预审申请5、资格预审将面向有承担本招标工程项目能力且具备以下资质的企业(本标段不允许联合体报名):(1)钢结构工程专业承包一级资质。
(2)轻型房屋钢结构专项工程设计甲级资质或建筑工程设计甲级资质,且必须完成过一个或一个以上重型钢结构(指主要钢构件的钢板厚度不小于30mm的钢结构,以下同)工程的施工详图设计工作。
如不具备轻型房屋钢结构专项工程设计甲级资质或建筑工程设计甲级资质,则须选择一家具备轻型房屋钢结构专项工程设计甲级资质或建筑工程设计甲级资质的企业或单位作为钢结构工程施工详图设计分包单位,且此施工详图设计分包单位必须完成过一个或一个以上重型钢结构工程的施工详图设计工作。
(3)投标人必须具有符合CNACL201-99或GB/T15481-2000或ISO/IEC17025(ISO/IEC导则25)规定的检测、检验相关证书,并能够对钢结构加工制作全过程(包括原材料、钢结构焊接、组装等)进行检测、检验(如投标人不具备相应的检验、检测资质,则须选择1家具备相应检验、检测资质的机构作为其自身检测、检验的分包单位)。
6、投标申请人应向招标人提供充分和有效的证明材料,证明其具备第5条规定的资质条件。