CHR-01阻抗型高分子湿度传感器湿敏电阻产品规格书
- 格式:doc
- 大小:182.00 KB
- 文档页数:4
CHR-01阻抗型高分子湿度传感器(湿敏电阻)产品规格书一.应用范围:本资料适用于阻抗型高分子湿度传感器,型号CHR-01二.外型尺寸及内部结构示意图:1—外壳(ABS) 2—基片(AL2O3) 3—电极4—感湿材料5—引脚三.电性能参数表1* 元件使用在(85 - 120℃)时,需在高温下标定,器件外壳需另制** 25℃标准曲线见图2 *** 0-60℃阻抗特性数据见表2及图3表2:0~60℃湿度阻抗特性数据单位: KΩ* 所有数据均由LCR数字电桥在1VAC/1KHZ测试所得。
四、应用电路建议1、如使用模拟电路,建议将湿度信号变为电压信号输出,请向厂家索取。
2、可采用555时基或RC振荡电路,将湿度传感器等效为阻抗值,测量振荡频率输出,振荡频率在1K Hz左右,(在60%RH,25℃)(建议串联电容采用温度系数低,精度在±5% J级有机聚合物电容,例如涤纶或聚丙烯类电容)3、对于采用单片机电路采集信号,可参考厂家提供的《湿度传感器单片机应用指南》五.引用标准GB/T15768-95 电容式湿敏元件及湿度传感器总规范SJ/T10431-93 湿敏元件用湿度发生器和湿度测试方法SJ20760-99 高分子湿度传感器总规范六.注意事项1.不要对元件使用直流电源,检测时请使用电桥阻抗(LCR)测试设备2.避免硬物或手指直接接触元件表面,以免划伤或污染敏感膜3.焊接时温度不能过高(<180℃,2S 膜表面),使用低温烙铁或用镊子保护4.尽量避免在以下环境中直接使用:盐雾,腐蚀性气体:强酸(硫酸,盐酸),强碱,有机溶剂(酒精,丙酮等)5.推荐储存条件:温度:10℃~40℃ 湿度:20%RH --60%RH图2110100100020%30%40%50%60%70%80%90%100%相对湿度(%RH)图2:25℃下湿度阻抗特性图阻抗(K Ω)图3110100100020%30%40%50%60%70%80%90%100%相对湿度(%RH)图3:0~60℃湿度阻抗特性图阻抗(K Ω)。
Honeywell 的相对湿度传感器是热固聚酯电容式具有信号处理功能的传感器,线性放大输出、工厂标定,独特的多层结构能非常好地抵抗环境的侵蚀,诸如湿气、尘埃、脏物、油、及一些化学品。
特点:● 低成本,大批量OEM 设计● 0.05″和0.1″两种引脚间距可选● 精度2%,激光修正互换性至5%● 低功耗设计:200µA 驱动电流● 快速反应:15秒● 稳定性好、低漂移、抗化学腐蚀性能HIH-3610 湿度传感器是为大批量OEM 设计、具有仪表级测量性能、低成本、SIP封装。
线性放大的电压输出可使器件直接与控制器或其他器件一致性好,减少和消除了OEM 生产时标定费用,并且厂家可提供单个传感器标定数据(后缀-CP)。
特点● 6针TO-39金属封装● 低漂移、卓越的稳定性能、抗化学腐蚀● 精度2%,激光修正互换性至5%● 低功耗设计:200µA 驱动电流● 快速反应:30秒运用可靠的聚合物介质电容测量湿度,已被用于商业和工业数千个领域,包括:冷藏、干燥、气象等。
可抵御氯气、氨水和其他有机溶剂的蒸汽和凝结液体。
被证明是世界上唯一最为可靠的集成的湿度传感器,线性的电压输出可使传感器直接与控制器或其他器件相连,精密的器件一致性好,减少和消除了OEM 生产时标定费用,厂方可提供单个传感器标定打印数据表,维修无需重新标定,IC 内置抗静电干扰电路。
特点● 内置温度传感器、NTC100K Ω(A 型)或精确厚膜热电阻1000Ω(C 型)● 适用于露点和绝对温度的测定● 6针的TO -5金属封装● 烧结的滤网防尘和防凝结● 低漂移、卓越的稳定性能互换性至5%● 低功耗设计:200µA 驱动电流● 快速反应:30秒温度传感器被内置于相对湿度传感器内,客户能更方便、更准确的对输出做温度补偿,独到的烧结滤网能更好地抵抗各种物质的侵蚀,不受典型的挥发性有机化合物的影响。
厂方可提供单个传感器标定打印数据,无需重新标定,内置抗静电干扰电路。
湿度传感器参数认真说明及操作规程湿度传感器参数认真说明1.简介湿度传感器英文名称为humiditytransducer,是一种能感受气体中水蒸气含量,并转换成可用输出信号的传感器。
紧要应用于机械工程、传感器、气体及湿度传感器等方面。
多数情况下,假如没有精准明确的控温手段,或者被测空间是非密封的±5%RH的精度就够了。
对于要求精准明确掌控恒温、恒湿的局部空间,或者需要随时跟踪记录湿度变化的场合,再选用±3%RH。
2.特性湿敏元件是简单的湿度传感器。
湿敏元件紧要电阻式、式两大类。
湿敏电阻:湿敏电阻的特点是在基片上覆盖一层用感湿材料制成的膜,当空气中的水蒸气吸附在感湿膜上时,元件的电阻率和电阻值都发生变化,利用这一特性即可测量湿度。
湿敏电阻的优点是灵敏度高,紧要缺点是线性度和产品的互换性差。
湿敏电容:湿敏电容一般是用高分子薄膜电容制成的。
当环境湿度发生更改时,湿敏电容的介电常数发生变化,使其电容量也发生变化,其电容变化量与相对湿度成正比。
湿敏电容的紧要优点是灵敏度高、产品互换性好、响应速度快、湿度的滞后量小、便于制造、简单实现小型化和集成化,其精度一般比湿敏电阻要低一些。
3.选择选择测量范围————和测量重量、温度一样,选择湿度传感器首先要确定测量范围。
除了气象、科研部门外,搞温、湿度测控的一般不需要全湿程测量。
在当今的信息时代,传感器技术与技术、自动掌控拄术紧密结合着。
测量的目的在于掌控,测量范围与掌控范围合称使用范围。
选择测量精度————和测量范围一样,测量精度同是传感器紧要的指标。
每提高—个百分点.对传感器来说就是上一个台阶,甚至是上一个档次。
由于要达到不同的精度,其制造成本相差很大,售价也相差甚远。
考虑时漂和温漂————几乎全部的传感器都存在时漂和温漂。
由于湿度传感器必需和大气中的水汽相接触,所以不能密封。
这就决议了它的稳定性和寿命是有限的。
电容式湿度传感器,是湿度传感器中常用的一种,它是以高分子湿度湿敏电容器为基本感湿元件,利用对测量结果进行分析处理、显示和远距离传输,测量精准度达±2.5%。
1、说明此份资料适用于型号为CHTM-02/N的温湿度模块。
产品标志“CHM-02/N”2、参数3、电气特性1)敏感元件(湿度):高分子湿敏电阻“CHR-01”2)供电:5V±5%3)耗电电流:5mA max.(2mA avg.)4)工作范围:温度0~60℃湿度10% -- 95%RH5)储存条件:温度0-50℃湿度60%RH6)湿度变送范围:0~100%RH7)精度(湿度准确度):±5%RH (在25℃,输入电压=5V)一致性:±3%RH/每批8)输出信号:(对应0~100%RH,在25℃,输入电压=5V下)型号:CHTM-02/NA 0 — 3V型号:CHTM-02/NB 1 — 3V型号:CHTM-02/NC 0 – 1V9)温度系数: 0.4%RH/℃(输入电压=5V,30~80%RH温度范围10~40℃(基准点25℃)10)电源电压范围: 4.75~5.25V (基准点5V,±5%)11)敏感元件(温度):NTC 热敏电阻(可选)LM35,TMP35 (可选)12)温度输出信号:可选热敏电阻或集成温度传感器,电路板上已经预留焊接位置热敏电阻:NTC R(25℃)=10KΩ±5%,B值(25/50℃)=3950K±2% (NTC 具体阻值与B 值可按用户指定,焊接位置可选择接地或接+5V)集成温度传感器(3 PIN +5V,T,GND )推荐型号:LM35,TMP35:0--100℃输出0 – 1V 4、标准测试条件㈠测试条件:室温25℃,电压5V,在需测试的湿度环境下放置15分钟,测试模块电压。
㈡测试仪器1)湿度发生器:高精度恒温恒湿试验箱巨孚2)标准:GE公司光电露点仪3)电压表HP5、可靠性测试:通过常规冲击试验,振动试验,冷热试验,高湿试验,温度循环等试验6、包装1)盒装,提供散包装,形式不限。
2)参数表,合格证,生产日期标志。
湿度传感器单片机应用指南检测电路原理及说明(第二版)一、 湿度传感器检测需要注意的问题1、交流供电的问题:高分子湿度传感器CHR01、CHR02系列为新一代复合型电阻型湿度敏感部件,其复阻抗与空气相对湿度成指数关系,直流阻抗(普通数字万用表测量)几乎为无穷大,等效电容相对来说比较大,与传统意义上的电阻有明显的区别,可以等效为电阻与电容的串联体。
由于湿度敏感元件本身需要空气中水分子参与膜中的离子导电,水分子为极性分子,如果直流电流一直存在的情况下,水分子会电离,并分解为H2与O2,从而影响导电与元件的寿命,所以通过传感器的电流必须为双向电流,即为交流电流。
2、检测频率对湿度传感器而言,频率与阻抗之间存在一定的关系,数据表中的检测数据,是通过LCR电桥所测试出来的,(1KHz正弦波),对于测量20%--90%RH范围内,频率的变化(300 Hz—10K Hz)对传感器影响并不明显。
3、湿度传感器查表法及温度补偿说明相对湿度是指在某一温度下,水蒸气的分压P与此温度下饱和水蒸气压P0之比,由于不同温度下,饱和水蒸气压是不同的,因此相对湿度是与温度存在必然的联系。
湿度传感器阻抗变化与温度的关系见规格书中的数据表(Z/RH/T),在实际应用中必须先检测实际的温度,然后通过A/D或频率算出此时湿度传感器的阻抗值,再对照数据表,按查表法求出此时的相对湿度。
如果湿度精度要求不是特别严格的情况,(从数据处理简易的法则来说),可以推算湿度传感器温度系数为-0.4%RH/℃,公式为:H(t)=H (25℃) - 0.4*(t – 25)例如,以实测阻抗按25℃的数据表读数,例如在35℃时读到的阻抗为30K,按25℃表格,相对湿度为60%RH,此时按公式计算的实际湿度应为56%RH。
4、实测校正及软件修正的问题在通过单片机对湿度传感器进行实际采样应用时,需要通过实测修正数据,首先将传感器置于湿度发生装置中(例如恒温恒湿箱),进行实测AD 值或频率值,通过软件对显示值进行修正,此项修正基本上可以弥补频率变化以及数据取值等等所产生的误差。
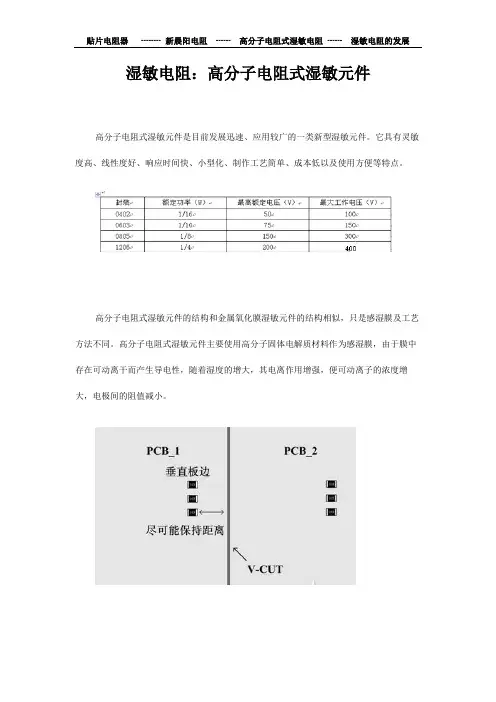
湿敏电阻:高分子电阻式湿敏元件
高分子电阻式湿敏元件是目前发展迅速、应用较广的一类新型湿敏元件。
它具有灵敏度高、线性度好、响应时间快、小型化、制作工艺简单、成本低以及使用方便等特点。
高分子电阻式湿敏元件的结构和金属氧化膜湿敏元件的结构相似,只是感湿膜及工艺方法不同。
高分子电阻式湿敏元件主要使用高分子固体电解质材料作为感湿膜,由于膜中存在可动离干而产生导电性,随着湿度的增大,其电离作用增强,便可动离子的浓度增大,电极间的阻值减小。
当湿度减小时,电离作用也相应减弱,可动离子的浓度也减小,电极间的电阻值增大。
这样,湿敏元件对水分子的吸附和释放情况,可通过电极间电阻值的变化检测出来,从而得到相应的湿度值。
高分子感湿膜可使用的材料很多,如高氯酸埋-聚氯乙烯、有亲水性基的有机硅氧烷以及四乙基硅烷的等离子共聚膜等。
图所示是一个高分子电阻式湿敏元件的电阻值与相对湿度的关系曲线。
相对湿度(RH%)。
特点:湿敏电阻(湿敏传感器)是在导电半导体陶瓷基片上涂履一层高分子感湿膜,与空气中相对湿度变化导致电阻值系数变化原理。
应用于数字式温湿度表、电子温湿度计、加湿机、抽湿机、空调、气象测量场合。
优点:具有良好的灵敏感应特性、防水性、稳定性、高精度、低飘移,工业级,可替代日本韩国等同类进口产品。
SHR01-313K特点:湿敏电阻(湿敏传感器)是在导电半导体陶瓷基片上涂履一层高分子感湿膜,与空气中相对湿度变化导致电阻值系数变化原理。
应用于数字式温湿度表、电子温湿度计、加湿机、抽湿机、空调、气象测量场合。
优点:具有良好的灵敏感应特性、防水性、稳定性、高精度、低飘移,工业级,可替代日本韩国等同类进口产品。
特点:湿敏电阻(湿敏传感器)是在导电半导体陶瓷基片上涂履一层高分子感湿膜,与空气中相对湿度变化导致电阻值系数变化原理。
应用于数字式温湿度表、电子温湿度计、加湿机、抽湿机、空调、气象测量场合。
优点:具有良好的灵敏感应特性、防水性、稳定性、高精度、低飘移,高性价比,可替代日本神荣、北陆、韩国等同类进口产品。
SHR02-313K特点:湿敏电阻(湿敏传感器)是在导电半导体陶瓷基片上涂履一层高分子感湿膜,与空气中相对湿度变化导致电阻值系数变化原理。
应用于数字式温湿度表、电子温湿度计、加湿机、抽湿机、空调、气象测量场合。
优点:具有良好的灵敏感应特性、防水性、稳定性、高精度、低飘移,高性价比,可替代日本神荣、北陆、韩国进口等同类产品。
特点:湿敏电阻(湿敏传感器)是在导电半导体陶瓷基片上涂履一层高分子感湿膜,与空气中相对湿度变化导致电阻值系数变化原理。
应用于数字式温湿度表、电子温湿度计、加湿机、抽湿机、空调、气象测量场合。
优点:具有良好的灵敏感应特性、防水性、稳定性、高精度、低飘移,高性价比,可替代日本神荣、北陆、韩国进口等同类产品。
特点:电容式温湿度模块是将湿度传感器非线性电阻值转换为线性电压信号输出,体积小,使用方便,精度高。
哈尔滨工程大学本科生毕业论文第1章绪论1.1课题研究背景和意义湿度,表示大气干燥程度的物理量。
在一定的温度下在一定体积的空气里含有的水汽越少,则空气越干燥;水汽越多,则空气越潮湿。
空气的干湿程度叫做“湿度”。
在此意义下,常用绝对湿度、相对湿度、比较湿度、混合比、饱和差以及露点等物理量来表示。
湿度表示气体中的水蒸汽含量,有绝对湿度和相对湿度两种表示方法。
绝对湿度是一定体积的空气中含有的水蒸气的质量,一般其单位是克/立方米,绝对湿度的最大限度是饱和状态下的最高湿度;相对湿度是绝对湿度与最高湿度之间的比,它的值显示水蒸气的饱和度有多高[1]。
温度、湿度和人类的生产、生活有着密切的关系,同时也是工业生产中最常见最基本的工艺参数,例如机械、电子、石油、化工等各类工业中广泛需要对温度、湿度的检测与控制。
并且随着人们生活水平的提高,人们对自己的生存环境越来越关注,而空气中温湿度的变化与人体的舒适度和情绪都有直接的影响,所以对温度、湿度的检测及控制就非常有必要了。
温度、湿度是工业农业生产不可缺少的因素,但传统的方法是用温度表、毛发湿度表、双金属式测量计和湿度试纸等测试器材,通过人工进行检测,对不符合温度和湿度要求的库房进行通风、去湿和降温等工作。
这种人工测试方法费时费力、效率低,且测试的温度及湿度误差大,随机性大。
含有微型计算机或微处理器的测量仪器,由于它拥有对数据存储,运算逻辑判断及自动化的功能,有着智能作用。
随着生产的发展,一个低成本和具有较高精度的温度湿度测量仪在许多领域会代替人工操作,自动控制各种仪器调整环境温度湿度。
目前市场上普遍存在的温湿度检测仪器大都是单点测量,而且温湿度信息传递不及时,精度达不到要求,不利于控制者根据温度、湿度变化及时做出决定,为此,本设计开发了一种能够同时测量多点,并实时性高、1哈尔滨工程大学本科生毕业论文精度高,能够综合处理多点温湿度信息,并能进行温湿度控制的测控产品。
总之,环境温湿度的检测与调节仪器的设计和开发具有非常大的市场前景和实用价值。
兰州工业高等专科学校毕业设计(论文)题目温度、湿度以及CO2浓度测控仪的设计系别电气工程系专业电气自动化技术班级电自09-2班姓名学号指导教师(职称)(教授)日期摘要随着蔬菜大棚的迅速增多,人们对其性能要求也越来越高,特别是为了提高生产效率,对大棚的自动化程度要求也越来越高。
随着单片机及各种电子器件性价比的迅速提高,使得这种要求变为可能。
本文介绍了一种以AT89S52单片机为控制核心的测控仪,主要是为了对蔬菜大棚内的温湿度,以及二氧化碳浓度进行有效、可靠地检测与控制而设计的。
该测控仪具有检测精度高、使用简单、成本较低和工作稳定可靠等特点,所以具有一定的应用前景。
关键词:二氧化碳浓度蔬菜大棚测控仪温湿度检测自动化程度性能要求AbstractWith the rapid increase of the awning vegetables, people on its performance requirements also more and more high, especially in order to increase the production efficiency, to shed the automation degree of demand more and more is also high. With the single chip microcomputer and various kinds of electronic device performance to price ratio increased quickly, make such a request possible. This paper introduces a kind of AT89S52 SCM in as control core and control the device, mainly is for vegetables in the trellis of temperature and humidity, and carbon dioxide concentration is effective and reliable to detect and control and of the design. The measurement and control instrument has high accuracy, easy to use and low cost and stable and reliable, and other characteristics, so has certain application prospect. Keywords: carbon dioxide concentration measurement instrument testing temperature and humidity awning vegetables automation degree of performance requirements1.概述课题名称:温度、湿度、二氧化碳浓度测控仪的设计课题内容性质:工程设计课题来源性质:教师收集的结合生产实际的课题目前,在仓库、图书馆、蔬菜大棚等许多场合需要温度、湿度、二氧化碳浓度的控制。
温湿度模块AM2001/AMT2001 产品手册更多详情请登陆:一、产品概述AM2001/AMT2001是湿敏电容型温湿度传感器,其中AM2001是单湿型,AMT2001是温湿度一体型传感器;传感器信号采用模拟电压输出方式;本模块具有精度高,可靠性高,一致性好,且已带温度补偿,确保长期稳定性好,使用方便及价格低廉等特点,尤其适合对质量、成本要求比较苛刻的企业使用图1实物图图2外形尺寸(单位:mm)二、应用范围暖通空调、加湿器、除湿机、通迅、大气环境监测、工业过程控制、农业、测量仪表等应用领域。
三、产品亮点低功耗,小体积、带温度补偿、单片机校准线性输出、使用方便、成本低、完全互换、超长的信号传输距离、精确校准。
四、产品选型区别仅仅是增加了温度,其他功能一样,此后不再重复说明。
五、接口定义5.1 引脚分配表1:引脚分配图3:引脚分配图5.2 电源引脚(VDD GND)该模块的供电电压范围为4.5V - 5.5V,建议供电电压为5.0V。
5.3 电压输出信号线(Hout)湿度信号从该信号线以电压的形式输出,电压输出范围为0-3V,具体湿度与电压关系请参照电压与湿度特性表(表6)。
5.4 温度输出信号线(Tout)温度输出有两种选择:第一种:模拟信号输出.所接传感器为LM35,测温范围为0-80℃,+10.0mv/℃线性刻度系数,0℃时输出0.0V;连接方式为图4中的第3种接线方式;第二种:温度传感器为10K NTC B.3435热敏电阻而非模拟信号输出,用户需另加读取电路。
特殊注意:客户在购买本产品时,须注明温度传感器的类型,如接NTC10K热敏电阻须说明连接方式;如无说明,则默认为LM35模拟型温度传感器,按图4中的第3种连接方式,输出0-0.8V的电压信号。
客户如特殊要求请注明或在线咨询。
5.5温度传感器接线方式示意图图4:温度接线方式示意图六、传感器性能6.1 相对湿度表2:相对湿度性能表[1] 此精度为出厂时检验时,传感器在25℃和5V,条件下测试的精度指标,其不包括迟滞和非线性,且只适合非冷凝环境。
湿敏电阻器HR202L 产品手册更多详情请登陆:一、产品概述HR202L湿敏电阻器是采用有机高分子材料的一种新型湿度敏感元件,具有感湿范围宽,响应迅速,抗污染能力强,无需加热清洗及长期使用性能稳定可靠等诸多特点。
二.外形尺寸(单位:mm 公差:±0.2mm)三、应用范围用于温湿度显示计、温湿度礼品表、大气环境监测、工业过程控制、农业、测量仪表等应用领域。
四、产品亮点外型小巧美观、长期稳定性好、温湿度测量范围宽、高低温湿度测量精确。
五、电路图六、产品参数定额电压:1.5V AC (Max,正弦波)定额功率:0.2mW (Max,正弦波)工作频率:500Hz~2kHz使用温度:0~60℃使用湿度:95%RH以下(非结露)湿滞回差:≤2%RH响应时间:吸湿, ≤20S;脱湿≤40S稳定性:≤1%RH/年湿度检测精度:≤±5%RH相对湿度条件:at25℃1kHz 1V AC (正弦波) 湿度:60%RH中心值:31 KΩ阻抗值范围:19.8~50.2 KΩ湿度检测精度:±5%RH七、标准检定条件大气中、温度25℃、测定频率数1kHz、测定电压1V AC(正弦波)作为基准。
特性测定,测定前先把湿度传感器放入25℃/ 0%RH的干燥空气中放置30分钟,湿度发生装置发生湿度60%RH,放入湿度传感器15分钟后测定阻抗值。
测定装置:分流式湿度发生装置:AHR-1型LCR电桥:TH2810A测定用线:1芯屏蔽线稳定性测试:规格值以60%RH 湿度变化量为基准。
各试验完毕后,湿度传感器在常温常湿的正常空气中放置24小时后、测定出其湿度变化量。
八、相对湿度-阻抗特性九、电气阻抗R(KΩ)十、示例代码/**********************单片机:SN8P2501B晶振:内置16M 4分频子程序说明:__interrupt IntIn() 为定时器中断函数StartOneTImeSample(void) 执行一次检测操作**********************/typedef struct{unsigned char u8WihtchIOCharge;unsigned long u16ChargeTimeIo; //固定电阻充电时间unsigned long u16ChargeTimeHumi; //湿度电阻充电时间}ChargeTyPe;#define CHARGE_HUMIDITY_IO_HIGH() FP21 = 1#define CHARGE_HUNIDITY_IO_LOW() FP21 = 0#define CHARGE_IO_HIGH() FP20 = 1#define CHARGE_IO_LOW() FP20 = 0#define CHARGE_IO_HI() P2M = 0X00#define F_data 20__interrupt IntIn(){WDTR = 0X5A; //看门狗T0C = F_data;m_st_ChargeType.u8WihtchIOCharge++;if(m_st_ChargeType.u8WihtchIOCharge&0x80) //湿充电{if(m_st_ChargeType.u8WihtchIOCharge >= 0x84) //高低脉冲比例3:1{CHARGE_HUNIDITY_IO_LOW();m_st_ChargeType.u8WihtchIOCharge = 0x80;}else if(m_st_ChargeType.u8WihtchIOCharge >= 0x81){CHARGE_HUMIDITY_IO_HIGH();}}else{if(m_st_ChargeType.u8WihtchIOCharge == 0x01)//标准充电{CHARGE_IO_HIGH();}else if(m_st_ChargeType.u8WihtchIOCharge == 0x04)//高低脉冲比例3:1{CHARGE_IO_LOW();m_st_ChargeType.u8WihtchIOCharge = 0x00;}}m_st_ChargeType.u16ChargeTimeIo++;FT0IRQ = 0; //clear t0 irq flag}void StartOneTImeSample(void){CHARGE_IO_HI(); //P1口转为输入当作高阻m_st_ChargeType.u16ChargeTimeIo = 0; //变量初始化if(m_st_ChargeType.u8WihtchIOCharge&0x80){FP21M = 1; //输出CHARGE_HUNIDITY_IO_LOW();}else{FP20M = 1; //输出CHARGE_IO_LOW();}delay1N(2); //延时等待端口稳定T0C = F_data; //记数值从新装载FT0ENB = 1;// //开定时器自动进行测量while(1){if(FP22) //检测充电门限{FT0ENB = 0;// 门限到,关定时器if(m_st_ChargeType.u8WihtchIOCharge&0x80)//记录湿度敏电阻充电时间{m_st_ChargeType.u16ChargeTimeHumi =m_st_ChargeType.u16ChargeTimeIo;}break;}}P2M = 0X23;P2 = 0X00;//放电FP22M = 1;FP22 = 0;delay1N(100);FP22M = 0;}十一、许可证协议未经版权持有人的事先书面许可,不得以任何形式或者任何手段,无论是电子的还是机械的(其中包括影印),对本手册任何部分进行复制,也不得将其内容传达给第三方。
CHR-01阻抗型高分子湿度传感器(湿敏电阻)产品规格书一.应用范围:本资料适用于阻抗型高分子湿度传感器,型号CHR-01二.外型尺寸及内部结构示意图:1—外壳(ABS) 2—基片(AL2O3) 3—电极4—感湿材料5—引脚三.电性能参数表1工作电压1V AC(50Hz ~ 2 K Hz)检测范围20%~ 90% RH检测精度±5%工作温度范围最高使用温度0℃~+85℃120℃ *特征阻抗范围30 (21 ~ 40.5) KΩ( 60%RH, 25℃)响应时间≤12 s (20%~ 90%)湿度飘移(/年)≤±2% RH湿滞≤ 1.5%RH* 元件使用在(85 - 120℃)时,需在高温下标定,器件外壳需另制** 25℃标准曲线见图2 *** 0-60℃阻抗特性数据见表2及图3表2:0~60℃湿度阻抗特性数据单位: KΩ* 所有数据均由LCR数字电桥在1VAC/1KHZ测试所得。
四、应用电路建议1、如使用模拟电路,建议将湿度信号变为电压信号输出,请向厂家索取。
2、可采用555时基或RC振荡电路,将湿度传感器等效为阻抗值,测量振荡频率输出,振荡频率在1K Hz左右,(在60%RH,25℃)(建议串联电容采用温度系数低,精度在±5% J级有机聚合物电容,例如涤纶或聚丙烯类电容)3、对于采用单片机电路采集信号,可参考厂家提供的《湿度传感器单片机应用指南》五.引用标准GB/T15768-95 电容式湿敏元件及湿度传感器总规范SJ/T10431-93 湿敏元件用湿度发生器和湿度测试方法SJ20760-99 高分子湿度传感器总规范六.注意事项1.不要对元件使用直流电源,检测时请使用电桥阻抗(LCR)测试设备2.避免硬物或手指直接接触元件表面,以免划伤或污染敏感膜3.焊接时温度不能过高(<180℃,2S 膜表面),使用低温烙铁或用镊子保护4.尽量避免在以下环境中直接使用:盐雾,腐蚀性气体:强酸(硫酸,盐酸),强碱,有机溶剂(酒精,丙酮等)5.推荐储存条件:温度:10℃~40℃ 湿度:20%RH --60%RH图2110100100020%30%40%50%60%70%80%90%100%相对湿度(%RH)图2:25℃下湿度阻抗特性图阻抗(K Ω)图3110100100020%30%40%50%60%70%80%90%100%相对湿度(%RH)图3:0~60℃湿度阻抗特性图阻抗(K Ω)。
湿度传感器课件α粒子带正电荷由两粒带正电荷的质子和两粒中性的中子组成相等于一个氦原子核由于带正电荷它会受电磁场影响在自然界内大部份的重元素原子序数为82或以上都会在衰变时释放它例如铀和镭由于α粒子的体积比较大又带两个正电荷很容易就可以电离其他物质因此它的能量亦散失得较快穿透能力在众多电离辐射中是最弱的人类的皮肤或一张纸已能隔阻α粒子不过如果人类吸入或进食具有α粒子放射性的物质譬如吸入了辐射烟羽α粒子就能直接破坏内脏细胞它的穿透能力虽然弱但由于它的电离能力很强它对生物所造成的危害并不下于其他辐射β粒子是高速的电子由于带负电荷会受电磁场影响它的体积比α粒子细得多穿透能力则比α粒子强需要一块几毫米厚的铝片才可以阻挡它很多放射性物质都会在衰变时放出β粒子放射性元素的半衰期长短差别很大短的远小于一秒长的可达数万年利用物质吸收水分子而导电率发生变化检测湿度潮解指的是物质在空气中吸收水分使得表面逐渐变得潮湿滑润最后物质就会从固体变为该物质的溶液反映湿度传感器温度特性的一个比较直观实用的物理量氯化锂湿敏电阻即电解质湿敏电阻利用物质吸收水分子而导电率发生变化检测湿度在氯化锂LiCl溶液中Li和Cl以正负离子的形式存在锂离子Li对水分子的吸收力强离子水合成度高溶液中的离子导能力与溶液浓度成正比溶液浓度增加导电率上升当溶液置于一定湿度场中若环境RH上升溶液吸收水分子使浓度下降电阻率ρ上升反之RH下降溶液吸收水分子使浓度上升电阻率ρ下降通过测量溶液电阻R值实现对湿度测量负湿敏特性半导体瓷湿敏电阻电阻随湿度增加而下降由于水分子中氢原子具有很强的正电场当水分子在半导体瓷表面吸附时可能从半导体瓷表面俘获电子使半导体表面带负电相当表面电势变负电阻率随湿度增加而下降 7电压特性加直流电会引起感湿体内水分子的电解使电导率随时间的增加而下降用湿度传感器测量湿度时不能用直流电压采用交流电压右图表示湿度传感器的电阻与外加交流电压之间的关系测试电压小于5V时电压对阻湿特性没有影响交流电压大于15V时由于产生焦耳热对湿度传感器的阻湿特性产生了较大影响因而一般湿度传感的使用电压都小于10V Lg R Ω 0 1 2 3 4 5 6 5 7 8 4 20℃ 100Hz 11 RH 33 RH 75 RH 100 RH UV 电阻-频率特性 20℃ 5V 11 RH 33 RH 100 RH Lg f Hz 0 1 2 3 4 5 6 5 7 8 4 75 RH Lg R Ω 8频率特性湿度传感器的阻值与外加电压频率的关系在高湿时频率对阻值的影响很小当低湿高频时随着频率的增加阻值下降对这种湿度传感器当电压频率小于103Hz时阻值不随使用频率而变化所以使用频率的上限为103Hz 湿度传感器的使用频率上限由实验确定直流电压会引起水分子的电解因此测试电压频率也不能太低三电解质湿度传感器电解质是以离子形式导电的物质分为固体电解质和液体电解质若物质溶于水中在极性水分子作用下能全部或部分地离解为自由移动的正负离子称为液体电解质电解质溶液的电导率与溶液的浓度有关而溶液的浓度在一定的温度下又是环境相对湿度的函数氯化锂湿度传感器的结构 A B B 钯丝 A 涂有聚苯乙烯薄膜的圆筒电解质氯化锂湿度传感器最为典型 0 30 60 90 001 01 1 10 R108Ω相对湿度①②③④⑤④ 10 LiCl ⑤ 22LiCl ③ 05 LiCl ② 025 LiCl ① PVAC 氯化锂湿度传感器的阻湿特性组合式氯化锂的阻湿特性 0 30 60 90 001 01 1 10 相对湿度 R108Ω把不同感湿范围的单片湿度传感器组合起来可制成相对湿度工作量程为20%~90%RH的湿度传感器四陶瓷湿度传感器利用半导体陶瓷材料制成优点测湿范围宽可实现全湿范围内的湿度测量工作温度高常温型工作温度在150℃以下高温型工作温度可达800℃响应时间较短精度高抗污染能力强工艺简单成本低典型产品是烧结型陶瓷湿敏元件是MgCr2O4-TiO2此外还有TiO2-V2O5ZnO-Li2O-V2O5ZnCr2O4ZrO2-MgOFe3O4Ta2O5等这类湿度传感器的感湿特征量大多数为电阻除Fe3O4外都为负特性湿度传感器即随着环境相对湿度的增加阻值下降也有少数陶瓷湿度传感器它的感湿特性量为电容 1结构感湿体是MgCr2O4-TiO2系多孔陶瓷陶瓷的气孔大部分为粒间气孔气孔直径随TiO2添加量的增加而增大粒间气孔与颗粒大小无关相当于一种开口毛细管容易吸附水分材料的主晶相是MgCr2O4相此外还有TiO2相等感湿体是一个多晶多相的混合物陶瓷湿敏元件结构图护圈电极感湿陶瓷氧化钌电极加热器基板电极引线 2主要特性与性能 1电阻一湿度特性 MgCr2O4-TiO2陶瓷湿度传感器的电阻一湿度特性随着相对湿度的增加电阻值急骤下降基本按指数规律下降在单对数的坐标中电阻湿度特性近似呈线性关系当相对湿度由0变为100%RH时阻值从108Ω下降到104Ω即变化了四个数量级 20 40 60 80 100 103 104 105 106 107 108相对湿度 RΩ 2电阻温度特性在不同的温度环境下测量陶瓷湿度传感器的电阻湿度特性从图可见从20℃到80℃各条曲线的变化规律基本一致具有负温度系数感湿负温度系数为–038%RH/℃如果要求精确的湿度测量需要对湿度传感器进行温度补偿 20 40 60 80 100 103 104 105 106 107 108 相对湿度 20℃40℃ 60℃ 80℃ RΩ MgCr2O4-TiO2系湿度传感器的电阻温度特性MgCr2O4-TiO2系湿度传感器的时间响应特性 20 40 60 80 100 0 10 20 30 94RH 50RH 1RH 50RH t s RH 3响应时间响应时间特性如图根据响应时间的规定从图中可知响应时间小于10s 4稳定性制成的MgCr2O4-TiO2陶瓷类湿度传感器需要实验高温负荷实验大气中温度150℃交流电压5V时间104h 高温高湿负荷试验湿度大于95%RH温度60℃交流电压5V时间104h 常温常湿试验[湿度 10~90 %RH温度–10℃~+40℃ ] 油气循环试验油蒸气加热清洗循环25万次交流电压5V经过以上各种试验大多数陶瓷湿度传感器仍能可靠地工作说明稳定性比较好五高分子湿度传感器有机高分子材料制成的湿度传感器主要是利用其吸湿性与胀缩性电容式湿度传感器高分子电介质吸湿后介电常数明显改变电阻式湿度传感器高分子电解质吸湿后电阻明显变化利用胀缩性高分子如树脂材料和导电粒子在吸湿之后的开关特性制成结露传感器一电容式湿度传感器1结构高分子薄膜电介质电容式湿度传感器的基本结构高分子薄膜上部电极下部电极 2感湿机理与性能电容式高分子湿度传感器其上部多孔质的金电极可使水分子透过水的介电系数比较大室温时约为79感湿高分子材料的介电常数并不大当水分子被高分子薄膜吸附时介电常数发生变化随着环境湿度的提高高分子薄膜吸附的水分子增多因而湿度传感器的电容量增加根据电容的变化测得相对湿度 2响应特性高分子薄膜可以做得极薄响应时都很短一般都小于5s有的响应时间仅为1s 3电容一温度特性感湿特性受温度影响非常小在5℃~50℃范围内电容温度系数约为006%RH℃相对湿度 0 50 100 200 250 300 350 电容湿度特性 CpF f 15MHZ 1电容湿度特性电容随着环境温度的增加而增加基本上呈线性关系当测试频率为l5MHz 左右时其输出特性有良好的线性度对其它测试频率如1kHz10kHz尽管传感器的电容量变化很大但线性度欠佳可外接转换电路使电容湿度特性趋于理想直线二电阻式高分子膜湿度传感器 1结构聚苯乙烯磺酸锂湿度传感器的结构引线端感湿膜聚苯乙烯磺酸锂湿度传感器的结构梳状电极基片 2主要特性 1电阻湿度特性当环境湿度变化时传感器在吸湿和脱湿两种情况的感湿特性曲线如图在整个湿度范围内传感器均有感湿特性其阻值与相对湿度的关系在单对数坐标纸上近似为一直线吸湿和脱湿时湿度指示的最大误差值为 3~4 %RH 1K 30 40 50 60 70 80 90 吸湿 10K 100K 1M 10M 相对湿度 R Ω脱湿Δ±3RH 电阻湿度特性 2温度特性聚苯乙烯磺酸锂的电导率随温度的变化较为明显具有负温度系数在 0~55 ℃时温度系数为–06%~–10% RH℃ 0 40 20 104 60 80 100 50℃ 10 102 103 聚苯乙烯磺酸锂湿度传感器的湿度特性 25℃ 40℃ RΩ相对湿度 3其它特性聚苯乙烯磺酸锂湿度传感器的升湿响应时间比较长降湿响应时间比较短响应时间在一分钟之内有良好的稳定性存储一年后测量误差不超过2%RH可以满足器件稳定性的要求缺点含有机溶液气体的环境下测湿时器件易损坏不能用于80℃以上的高温六湿度传感器的测量电路一检测电路的选择 1电源选择电阻式湿度传感器必须使用交流电源否则性能会劣化甚至失效电解质湿度传感器的电导是靠离子的移动实现的在直流电源作用下正负离子必然向电源两极运动产生电解作用使感湿层变薄甚至被破坏在交流电源作用下正负离子往返运动不会产生电解作用感湿膜不会被破坏交流电源的频率选择在不产生正负离子定向积累情况下尽可能低一些在高频情况下测试引线的容抗明显下降会把湿敏电阻短路另外湿敏膜在高频下也会产生集肤效应阻值发生变化影响到测湿灵敏度和准确性 2.温度补偿湿度传感器具有正或负的温度系数其温度系数大小不一工作温区有宽有窄所以要考虑温度补偿问题对于半导体陶瓷传感器其电阻与温度的的关系一般为指数函数关系通常其温度关系属于NTC型即 H相对湿度 T绝对温度R0在T 0℃相对湿度H 0时的阻值 A湿度常数B温度常数温度系数=湿度系数=湿度温度系数=若传感器的湿度温度系数为007%RH℃工作温度差为30℃测量误差为021%RH℃则不必考虑温度补偿若湿度温度系数为04%RH℃则引起12%RH℃的误差必须进行温度补偿 3.线性化湿度传感器的感湿特征量与相对湿度之间的关系不是线性的给湿度的测量控制和补偿带来了困难需要通过一种变换使感湿特征量与相对湿度之间的关系线性化下图为湿度传感器测量电路原理框图 A2 A1 A3 A4 A5 A6 _ _ 湿敏元件 R1 R2 R3 R4 R5 R6 RT USC C1 C2 C3 W 湿度传感器测量电路原理框图 D1 振荡器放大电路传感器驱动电路整流电路对数温补电路二典型电路电阻式湿度传感器其测量电路主要有两种形式 1.电桥电路振荡器对电路提供交流电源电桥的一臂为湿度传感器湿度变化使湿度传感器的阻值发生变化电桥失去平衡产生信号输出放大器可把不平衡信号加以放大整流器将交流信号变成直流信号由直流毫安表显示振荡器和放大器都由9V直流电源供给电桥法适合于氯化锂湿度传感器振荡器电桥放大器桥式整流电表指示直流电源9V 湿度传感器电桥测湿电路框图 100kΩ传感器湿度 3AX3 ╳ 2 10kΩ 100kΩ╳6 3DG6 2kΩ 2kΩ 22kΩ 9V 10μF 10μF 20μF 10μF 20μF 3kΩ╳2 U 10μF 51kΩ 51kΩ 100mA 便携式湿度计的实际电路 2.欧姆定律电路电路用于可承受较大电流的陶瓷湿度传感器由于测湿电路可以获得较强信号故可以省去电桥和放大器用市电作为电源降压变压器降压欧姆定律电路220V 22kΩ 51kΩ 3V 2AP9╳4 输入 Rd 插口 005μF╳2 3.带温度补偿的湿度测量电路在实际应用中需要同时考虑对湿度传感器进行线性处理和温度补偿常常采用运算放大器构成湿度测量电路下图为湿度测量电路中Rt是热敏电阻器 20kΩB 4100K RH为H204C湿度传感器运算放大器型号为LM2904该电路的湿度电压特性及温度特性表明在 30%~90% RH15℃~35℃范围内输出电压表示的湿度误差不超过3%RH _ _ 1V 120HZ 51kΩ 91kΩ 22kΩ91kΩ RH 12V -12V D 20μF 47kΩ 100kΩ 100kΩ 330kΩ UOUT -VS Rt A2 A1 释义与简介声呐就是利用水中声波对水下目标进行探测定位和通信的电子设备是水声学中应用最广泛最重要的一种装置它是SONAR 一词的义音两顾的译称旧译为声纳SONAR是Sound Navigationand Ranging声音导航测距的缩写声呐技术至今已有100年历史它是1906年由英国海军的刘易斯·尼克森所发明他发明的第一部声呐仪是一种被动式的聆听装置主要用来侦测冰山这种技术到第一次世界大战时被应用到战场上用来侦测潜藏在水底的潜水艇目前声呐是各国海军进行水下监视使用的主要技术用于对水下目标进行探测分类定位和跟踪进行水下通信和导航保障舰艇反潜飞机和反潜直升机的战术机动和水中武器的使用此外声呐技术还广泛用于鱼雷制导水雷引信以及鱼群探测海洋石油勘探船舶导航水下作业水文测量和海底地质地貌的勘测等和许多科学技术的发展一样社会的需要和科技的进步促进了声呐技术的发展工作的原理声波是观察和测量的重要手段有趣的是英文sound一词作为名词是声的意思作为动词就有探测的意思可见声与探测关系之紧密在水中进行观察和测量具有得天独厚条件的只有声波这是由于其他探测手段的作用距离都很短光在水中的穿透能力很有限即使在最清澈的海水中人们也只能看到十几米到几十米内的物体电磁波在水中也衰减太快而且波长越短损失越大即使用大功率的低频电磁波也只能传播几十米然而声波在水中传播的衰减就小得多在深海声道中爆炸一个几公斤的炸弹在两万公里外还可以收到信号低频的声波还可以穿透海底几千米的地层并且得到地层中的信息在水中进行测量和观察至今还没有发现比声波更有效的手段结构与分类声呐装置一般由基阵电子机柜和辅助设备三部分组成基阵由水声换能器以一定几何图形排列组合而成其外形通常为球形柱形平板形或线列行有接收基阵发射机阵或收发合一基阵之分电子机柜一般有发射接收显示和控制等分系统辅助设备包括电源设备连接电缆水下接线箱和增音机与声呐基阵的传动控制相配套的升降回转俯仰收放拖曳吊放投放等装置以及声呐导流罩等换能器是声呐中的重要器件它是声能与其它形式的能如机械能电能磁能等相互转换的装置它有两个用途一是在水下发射声波称为发射换能器相当于空气中的扬声器二是在水下接收声波称为接收换能器相当于空气中的传声器俗称麦克风或话筒换能器在实际使用时往往同时用于发射和接收声波专门用于接收的换能器又称为水听器换能器的工作原理是利用某些材料在电场或磁场的作用下发生伸缩的压电效应或磁致伸缩效应声呐的分类可按其工作方式按装备对象按战术用途按基阵携带方式和技术特点等分类方法分成为各种不同的声呐例如按工作方式可分为主动声呐和被动声呐按装备对象可分为水面舰艇声呐潜艇声呐航空声呐便携式声呐和海岸声呐等主动声呐主动声呐技术是指声呐主动发射声波照射目标而后接收水中目标反射的回波以测定目标的参数大多数采用脉冲体制也有采用连续波体制的它由简单的回声探测仪器演变而来它主动地发射超声波然后收测回波进行计算适用于探测冰山暗礁沉船海深鱼群水雷和关闭了发动机的隐蔽的潜艇被动声呐被动声呐技术是指声呐被动接收舰船等水中目标产生的辐射噪声和水声设备发射的信号以测定目标的方位它由简单的水听器演变而来它收听目标发出的噪声判断出目标的位置和某些特性特别适用于不能发声暴露自己而又要探测敌舰活动的潜艇安装及运用传统上潜艇安装声呐的主要位置是在最前端的位置由于现代潜艇非常依赖被动声呐的探测效果巨大的收音装置不仅仅让潜艇的直径水涨船高原先在这个位置上的鱼雷管也得乖乖让出位置而退到两旁去其他安装在潜艇上的声呐型态还包括安装在艇身其他位置的被动声呐听音装置利用不同位置收到的同一讯号经过电脑处理和运算之后就可以迅速的进行粗浅的定位对于艇身较大的潜艇来说比较有利因为测量的基线较长准确度较高另外一种声呐称为拖曳声纳因为这种声呐装置在使用时以缆线与潜艇连接声呐的本体则远远的拖在潜艇的后面进行探测拖曳声呐的使用大幅强化潜艇对于全方位与不同深度的侦测能力尤其是潜艇的尾端这是因为潜艇的尾端同时也是动力输出的部分由于水流的声音的干扰位于前方的声呐无法听到这个区域的讯号而形成一个盲区使用拖曳声呐之后就能够消除这个盲区找出躲在这个区域的目标影响的因素影响声呐工作性能的因素除声呐本身的技术状况外外界条件的影响很严重比较直接的因素有传播衰减多路径效应混响干扰海洋噪声自噪声目标反射特征或辐射噪声强度等它们大多与海洋环境因素有关例如声波在传播途中受海水介质不均匀分布和海面海底的影响和制约会产生折射散射反射和干涉会产生声线弯曲信号起伏和畸变造成传播途径的改变以及出现声阴区严重影响声呐的作用距离和测量精度现代声呐根据海区声速--深度变化形成的传播条件可适当选择基阵工作深度和俯仰角利用声波的不同传播途径直达声海底反射声会聚区深海声道来克服水声传播条件的不利影响提高声呐探测距离又如运载平台的自噪声主要与航速有关航速越大自噪声越大声呐作用距离就越近反之则越远目标反射本领越大被对方主动声呐发现的距离就越远目标辐射噪声强度越大被对方被动声呐发现的距离就越远从科学的角度来说电磁波是能量的一种凡是能够释出能量的物体都会释出电磁波微波能通常由直流电或50MHz交流电通过一特殊的器件来获得可以产生微波的器件有许多种但主要分为两大类半导体器件和电真空器件电真空器件是利用电子在真空中运动来完成能量变换的器件或称之为电子管在电真空器件中能产生大功率微波能量的有磁控管多腔速战速调管微波三四极管行波管等在目前微波加热领域特别是工业应用中使用的主要是磁控管及速调管微波是指频率为300MHz-300GHz的电磁波是无线电波中一个有限频带的简称即波长在1米不含1米到1毫米之间的电磁波是分米波厘米波毫米波的统称微波频率比一般的无线电波频率高通常也称为超高频电磁波微波作为一种电磁波也具有波粒二象性.微波量子的能量为1 99×l0 -25~ 1.99×10-22j.1946年斯潘瑟还是美国雷声公司的研究员一个偶然的机会他发现微波溶化了糖果事实证明微波辐射能引起食物内部的分子振动从而产生热量1947年第一台微波炉问世顾名思义微波炉就是用微波来煮饭烧菜的微波是一种电磁波这种电磁波的能量不仅比通常的无线电波大得多而且还很有"个性"微波一碰到金属就发生反射金属根本没有办法吸收或传导它微波可以穿过玻璃陶瓷塑料等绝缘材料但不会消耗能量而含有水分的食物微波不但不能透过其能量反而会被吸收微波炉正是利用微波的这些特性制作的微波炉的外壳用不锈钢等金属材料制成可以阻挡微波从炉内逃出以免影响人们的身体健康装食物的容器则用绝缘材料制成微波炉的心脏是磁控管这个叫磁控管的电子管是个微波发生器它能产生每秒钟振动频率为245亿次的微波这种肉眼看不见的微波能穿透食物达5cm深并使食物中的水分子也随之运动剧烈的运动产生了大量的热能于是食物"煮"熟了这就是微波炉加热的原理用普通炉灶煮食物时热量总是从食物外部逐渐进入食物内部的而用微波炉烹饪热量则是直接深入食物内部所以烹饪速度比其它炉灶快4至10倍热效率高达80以上目前其它各种炉灶的热效率无法与它相比而微波炉由于烹饪的时间很短能很好地保持食物中的维生素和天然风味比如用微波炉煮青豌豆几乎可以使维生素C一点都不损失另外微波还可以消毒杀菌使用微波炉时应注意不要空"烧"因为空"烧"时微波的能量无法被吸收这样很容易损坏磁控管另外人体组织是含有大量水分的一定要在磁控管停止工作后再打开炉门提取食物微波炉的基本结构微波炉的基本外形和构造微波式传感器的组成微波振荡器和微波天线二微波传感器测量原理由发射天线发出的微波遇到被测物体时将被吸收或反射使功率发生变化若利用接收天线接收通过被测物或由被测物反射回来的微波并将它转换成电信号再由测量电路处理就实现了微波检测微波传感器可分为反射式与遮断式两种 1.反射式传感器通过检测被测物反射回来的微波或经过时间间隔来表达被测物的位置厚度等参数 2.遮断式传感器通过检测接收天线接收到的微波功率的大小来判断发射天线与接收天线间有无被测物或被测物的位置等参数三微波传感器的应用 1.微波液位计微波发射天线微波接收天线当发射功率波长增益均恒定时只要测得接收功率就可获得被测液面的高度 2.微波物位计 1 当被测物位较低时发射天线发出的微波束全部由接收天线接收经放大器比较器后发出正常工作信号2 当被测物位升高到天线所在的高度时微波束部分被吸收部分被反射接收天线接到的功率相应减弱经放大器比较器就可给出被测物位高出设定物位的信号观察者 R S 波源 u 观察者的运动速度 u波速波源和观察者相对静止时观察者接收到的波源的频率波源的运动速度波源和观察者相对运动时观察者接收到的波源的频率 3 观察者静止波源以速率运动 a波源朝向观察者以速度运动 u t时刻的波阵面 t1秒时刻的波阵面接收频率增高了 a波源与接收者相互靠近 u t时刻的波阵面 t1秒时刻的波阵面接收频率增高了4波源及观察者同时运动 a波源与接收者相互靠近 u t时刻的波阵面 t1秒时刻的波阵面接收频率增高了 4波源及观察者同时运动 b波源与接收者相互远离u t时刻的波阵面 t1秒时刻的波阵面接收频率降低了利用多普勒效应监测车速固定波源发出频率为v 100Hz 的超声波当汽车向波源行驶时与波源安装在一起的接收器接收到从汽车反射回来的波的频率为已知空气中的声速为。
CHR-01阻抗型高分子湿度传感器
(湿敏电阻)产品规格书
一.应用范围:
本资料适用于阻抗型高分子湿度传感器,型号CHR-01
二.外型尺寸及内部结构示意图:
1—外壳(ABS) 2—基片(AL2O3) 3—电极4—感湿材料5—引脚
三.电性能参数表1
工作电压1V AC(50Hz ~ 2 K Hz)
检测范围20%~ 90% RH
检测精度±5%
工作温度范围最高使用温度0℃~+85℃120℃ *
特征阻抗范围30 (21 ~ 40.5) KΩ
( 60%RH, 25℃)
响应时间≤12 s (20%~ 90%)
湿度飘移(/年)≤±2% RH
湿滞≤ 1.5%RH
* 元件使用在(85 - 120℃)时,需在高温下标定,器件外壳需另制
** 25℃标准曲线见图2 *** 0-60℃阻抗特性数据见表2及图3
表2:0~60℃湿度阻抗特性数据
单位: KΩ
* 所有数据均由LCR数字电桥在1VAC/1KHZ测试所得。
四、应用电路建议
1、如使用模拟电路,建议将湿度信号变为电压信号输出,请向厂家索取。
2、可采用555时基或RC振荡电路,将湿度传感器等效为阻抗值,测量振荡频率输出,振荡频率在1K Hz左右,(在60%RH,25℃)(建议串联电容采用温度系数低,精度在±5% J级有机聚合物电容,例如涤纶或聚丙烯类电容)
3、对于采用单片机电路采集信号,可参考厂家提供的《湿度传感器单片机应用指南》
五.引用标准
GB/T15768-95 电容式湿敏元件及湿度传感器总规范
SJ/T10431-93 湿敏元件用湿度发生器和湿度测试方法
SJ20760-99 高分子湿度传感器总规范
六.注意事项
1.不要对元件使用直流电源,检测时请使用电桥阻抗(LCR)测试设备
2.避免硬物或手指直接接触元件表面,以免划伤或污染敏感膜
3.焊接时温度不能过高(<180℃,2S 膜表面),使用低温烙铁或用镊子保护
4.尽量避免在以下环境中直接使用:盐雾,腐蚀性气体:强酸(硫酸,盐酸),
强碱,有机溶剂(酒精,丙酮等)
5.推荐储存条件:
温度:10℃~40℃ 湿度:20%RH --60%RH
图2
110
100
1000
20%
30%40%
50%60%70%
80%90%100%
相对湿度(%RH)
图2:25℃下湿度阻抗特性图
阻抗(K Ω
图3
110
100
1000
20%
30%
40%
50%
60%
70%
80%
90%
100%
相对湿度(%RH)
图3:0~60℃湿度阻抗特性图
阻抗(K Ω)。