常用型钢规格表29965(建筑助手)
- 格式:doc
- 大小:650.00 KB
- 文档页数:12
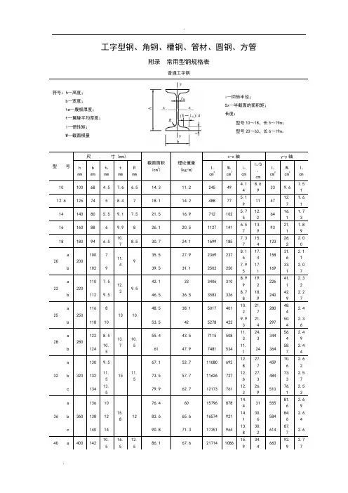
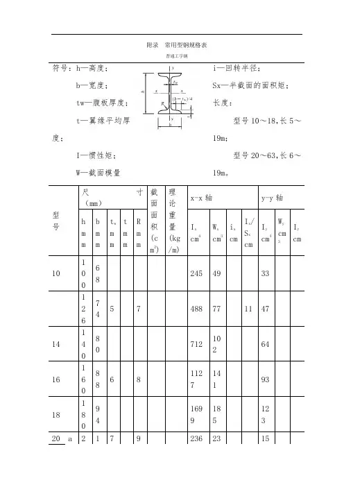
工字型钢、角钢、槽钢、管材、圆钢、方管附录常用型钢规格表普通工字钢符号:h—高度;b—宽度;tw—腹板厚度;t—翼缘平均厚度;I—惯性矩;W—截面模量i—回转半径;Sx—半截面的面积矩;长度:型号10~18,长5~19m;型号20~63,长6~19m。
型号尺寸(mm)截面面积(cm2)理论重量(kg/m)x-x轴y-y轴hmmbmmt wmmtmmRmmI xcm4W xcm3i xcmI x/S xcmI ycm4W ycm3I ycm10 100 68 4.5 7.6 6.5 14.3 11.2 245 49 4.14 8.69 33 9.6 1.51 12.6 126 74 5 8.4 7 18.1 14.2 488 77 5.19 11 47 12.7 1.61 14 140 80 5.5 9.1 7.5 21.5 16.9 712 102 5.75 12.2 64 16.1 1.73 16 160 88 6 9.9 8 26.1 20.5 1127 141 6.57 13.9 93 21.1 1.89 18 180 94 6.5 10.7 8.5 30.7 24.1 1699 185 7.37 15.4 123 26.2 2.0020 a200100 711.4 935.5 27.9 2369 237 8.16 17.4 158 31.6 2.11b 102 9 39.5 31.1 2502 250 7.95 17.1 169 33.1 2.0722 a220110 7.512.3 9.542.1 33 3406 310 8.99 19.2 226 41.1 2.32b 112 9.5 46.5 36.5 3583 326 8.78 18.9 240 42.9 2.2725 a250116 813 1048.5 38.1 5017 401 10.2 21.7 280 48.4 2.4b 118 10 53.5 42 5278 422 9.93 21.4 297 50.4 2.3628 a280122 8.513.7 10.555.4 43.5 7115 508 11.3 24.3 344 56.4 2.49b 124 10.5 61 47.9 7481 534 11.1 24 364 58.7 2.4432 a320130 9.515 11.567.1 52.7 11080 692 12.8 27.7 459 70.6 2.62b 132 11.5 73.5 57.7 11626 727 12.6 27.3 484 73.3 2.57c 134 13.5 79.9 62.7 12173 761 12.3 26.9 510 76.1 2.5336 a360136 1015.8 1276.4 60 15796 878 14.4 31 555 81.6 2.69b 138 12 83.6 65.6 16574 921 14.1 30.6 584 84.6 2.64c 140 14 90.8 71.3 17351 964 13.8 30.2 614 87.7 2.640 a400142 10.516.5 12.586.1 67.6 21714 1086 15.9 34.4 660 92.9 2.77b 144 12.5 94.1 73.8 22781 1139 15.6 33.9 693 96.2 2.71c 146 14.5 102 80.1 23847 1192 15.3 33.5 727 99.7 2.6745 a450150 11.518 13.5102 80.4 32241 1433 17.7 38.5 855 114 2.89b 152 13.5 111 87.4 33759 1500 17.4 38.1 895 118 2.84c 154 15.5 120 94.5 35278 1568 17.1 37.6 938 122 2.7950 a500158 1220 14119 93.6 46472 1859 19.7 42.9 1122 142 3.07b 160 14 129 101 48556 1942 19.4 42.3 1171 146 3.01c 162 16 139 109 50639 2026 19.1 41.9 1224 151 2.9656 a560166 12.521 14.5135 106 65576 2342 22 47.9 1366 165 3.18 b 168 14.5 147 115 68503 2447 21.6 47.3 1424 170 3.12c 170 16.5 158 124 71430 2551 21.3 46.8 1485 175 3.0763 a630176 1322 15155 122 94004 2984 24.7 53.8 1702 194 3.32b 178 15 167 131 98171 3117 24.2 53.2 1771 199 3.25c 780 17 180 141 102339 3249 23.9 52.6 1842 205 3.2H型钢符号:h—高度;b—宽度;t1—腹板厚度;t2—翼缘厚度;I—惯性矩;W—截面模量i—回转半径;Sx—半截面的面积矩。
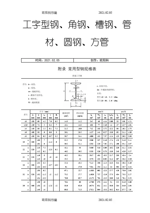
附录常用型钢规格表普通工字钢符号:h—高度;b—宽度;tw—腹板厚度;t—翼缘平均厚度;I—惯性矩;W—截面模量i—回转半径;Sx—半截面的面积矩;长度:型号10~18,长5~19m;型号20~63,长6~19m。
型号尺寸(mm)截面面积(cm2)理论重量(kg/m)x-x轴y-y轴hmmbmmt wmmtmmRmmI xcm4W xcm3i xcmI x/S xcmI ycm4W ycm3I ycm1016824549331267457488771147141487121026416168868112714193181894169918512320a21792362315H型钢符号:h—高度;b—宽度;t1—腹板厚度;t2—翼缘厚度;I—惯性矩;W—截面模量i—回转半径;Sx—半截面的面积矩。
类别H型钢规格(h×b×t1×t2)截面积Acm2质量qkg/mx-x轴y-y轴I x W x i x I y W y I y(cm4)(cm3)(cm)(cm4)(cm3)(cm)H W 100×100×6×8238329001600503017001080115017001160205016001440330011204030b—宽度;t1—腹板厚度;t2—翼缘厚度;I—惯性矩;W—截面模量i—回转半径;Sx—半截面的面积矩。
类别H型钢规格(h×b×t1×t2)截面积Acm2质量qkg/mx-x轴y-y轴I x W x i x I y W y I y(cm4)(cm3)(cm)(cm4)(cm3)(cm)1890112011001170310015301190104061201140160017001280610081106080140029301030118090201060b—宽度;t1—腹板厚度;t2—翼缘厚度;I—惯性矩;W—截面模量i—回转半径;Sx—半截面的面积矩。
型钢规格表型钢是一种常见的金属材料,主要用于建筑、造船、机械制造、铁路和道路桥梁等领域。
根据其形状的不同,型钢可以分为一些常见的规格,下面我们来详细介绍一下型钢规格表。
1. 各种型钢的命名方法型钢按形状可分为工字钢、槽钢、角钢、H型钢等,其命名方法均为由型钢形状的英文字母加上其尺寸组成。
其中,工字钢的命名方法为“H×b×t1×t2”,其中,“H”为工字钢的英文字母,“b”为腰板宽度,“t1”为腰板厚度,“t2”为腿板厚度。
槽钢的命名方法为“L×b×t1×t2”,其中,“L”为槽钢的英文字母,“b”为槽钢宽度,“t1”为上翼板厚度,“t2”为下翼板厚度。
角钢的命名方法为“∠a×b×c”,其中,“a”为角钢长边厚度,“b”为角钢短边宽度,“c”为角钢长度。
H型钢的命名方法为“H×b×t1×t2”,其中,“H”为H型钢的英文字母,“b”为腰板宽度,“t1”为腰板厚度,“t2”为翼缘厚度。
2. 型钢的尺寸范围型钢的尺寸范围根据不同类型和不同规格的型钢有所不同。
下面列出一些常见型钢的尺寸范围:工字钢:H100-500mm,b68-180mm,t1 4.5-17mm,t2 7-26mm槽钢:L50-400mm,b37-104mm,t1 4.5-14.5mm,t2 6.5-24mm 角钢:∠25-250mm,a 3-20mm,b 20-30mm,c 3-12mH型钢:H100-450mm,b100-190mm,t1 6-16mm,t2 8-28mm3. 型钢的材质及标准型钢的材质主要为Q235、Q345等碳素结构钢。
根据国内标准,型钢批次不少于2个,每批应按下列标准化验:元素 C、Si、Mn、P、S、Cr、Ni、Cu、V的化学成分应符合国家标准;焊接性能:在标准状态下,型材的同一位置上两侧的焊缝一致且清晰,无气孔、缺陷等;外观质量:表面应平整,无裂纹、皮疤、油污或锈蚀等。
附录常用型钢规格表普通工字钢符号:h—高度;b—宽度;tw—腹板厚度;t—翼缘平均厚度;I—惯性矩;W—截面模量i—回转半径;Sx—半截面的面积矩;长度:型号10~18,长5~19m;型号20~63,长6~19m。
H型钢质量q kg/mx-x轴I x W x (cm4) (cm3)质量q kg/mx-x轴I x W x (cm4) (cm3)符号:同普通工字钢但Wy为对应翼缘肢尖长度:型号5~8,长5~12m;型号10~18,长5~19m;型号20~20,长6~19m。
截面积惯性矩截面模量iy,当a为下列数值等边角钢重心矩截面积惯性矩截面模量i y,当a为下列数值不等边角钢重心矩截面iy,当a为下列数值iy,当a为下列数值不等边角钢截面积质量iy,当a为下列数值iy,当a为下列数值Zy A ix 8mm 10mm 6mm 8mm 10mm 12mm注:一个角钢的惯性矩I x=Ai x2,I y=Ai y2;一个角钢的截面个角钢的截面模量W x max=I x/Z x,W x min=I x/(b- Z x); W y ax=I y Z y W x min=I y(b- Z y)。
热轧无缝钢管每米重量表注:1、括号内的尺寸不推荐使用。
2、钢管长度:3~12.5米。
冷拔(轧)无缝钢管每米重量表(理论重量)注:1、括号内的尺寸不推荐使用。
2、钢管长度:壁厚<=1毫米;壁厚>1毫米,1.5~9米。
一、钢板单位重量表钢板每平方米重量表花纹钢板每平方米重量表二、圆钢单位重量表热轧圆钢每米重量表冷拉圆钢每米重量表三、热轧扁钢每米重量表四、角钢单位重量表热轧等边角钢每米重量表热轧不等边角钢每米重量表GB/T 1123——1998 宽、中、窄翼缘H型钢截面尺寸、截面面积、理论重量和截面。
工字型钢、角钢、槽钢、管材、圆钢、方管时间:2021.02.05 创作:欧阳科附录常用型钢规格表普通工字钢符号:h—高度;b—宽度;tw—腹板厚度;t—翼缘平均厚度;I—惯性矩;W—截面模量i—回转半径;Sx—半截面的面积矩;长度:型号10~18,长5~19m;型号20~63,长6~19m。
型号尺寸(mm)截面面积(cm2)理论重量(kg/m)x-x轴y-y轴hmmbmmt wmmtmmRmmI xcm4W xcm3i xcmI x/S xcmI ycm4W ycm3I ycm10 100 68 4.5 7.6 6.5 14.3 11.2 245 49 4.14 8.69 33 9.6 1.51 12.6 126 74 5 8.4 7 18.1 14.2 488 77 5.19 11 47 12.7 1.61 14 140 80 5.5 9.1 7.5 21.5 16.9 712 102 5.75 12.2 64 16.1 1.73 16 160 88 6 9.9 8 26.1 20.5 1127 141 6.57 13.9 93 21.1 1.89 18 180 94 6.5 10.7 8.5 30.7 24.1 1699 185 7.37 15.4 123 26.2 2.0020 a200100 711.4 935.5 27.9 2369 237 8.16 17.4 158 31.6 2.11b 102 9 39.5 31.1 2502 250 7.95 17.1 169 33.1 2.0722 a220110 7.512.3 9.542.1 33 3406 310 8.99 19.2 226 41.1 2.32b 112 9.5 46.5 36.5 3583 326 8.78 18.9 240 42.9 2.2725 a250116 813 1048.5 38.1 5017 401 10.2 21.7 280 48.4 2.4b 118 10 53.5 42 5278 422 9.93 21.4 297 50.4 2.3628 a280122 8.513.7 10.555.4 43.5 7115 508 11.3 24.3 344 56.4 2.49b 124 10.5 61 47.9 7481 534 11.1 24 364 58.7 2.4432 a320130 9.515 11.567.1 52.7 11080 692 12.8 27.7 459 70.6 2.62b 132 11.5 73.5 57.7 11626 727 12.6 27.3 484 73.3 2.57c 134 13.5 79.9 62.7 12173 761 12.3 26.9 510 76.1 2.5336 a360136 1015.8 1276.4 60 15796 878 14.4 31 555 81.6 2.69b 138 12 83.6 65.6 16574 921 14.1 30.6 584 84.6 2.64c 140 14 90.8 71.3 17351 964 13.8 30.2 614 87.7 2.6H 型钢符号:h—高度;b—宽度;t1—腹板厚度;t2—翼缘厚度;I—惯性矩;W—截面模量i—回转半径;Sx—半截面的面积矩。
工字型钢、角钢、槽钢、管材、圆钢、方管
附录常用型钢规格表
普通工字钢
符号:h—高度;
b—宽度;
tw—腹板厚度;
t—翼缘平均厚度;
I—惯性矩;
W—截面模量i—回转半径;
Sx—半截面的面积矩;
长度:
型号10~18,长5~19m;
型号20~63,长6~19m。
H型钢
质量q kg/m
x-x轴
I x W x (cm4) (cm3)
~ 3 ~
质量q kg/m
x-x轴
I x W x (cm4) (cm3)
~ 4 ~
普通槽钢
符号:
同普通工字钢
但Wy 为对应翼缘肢尖
长度:
型号5~8,长5~12m ;
型号10~18,长5~19m ; 型号20~20,长6~19m 。
等边角钢
截面积惯性
矩
截面模量iy,当a为下列数值
~ 6 ~
~ 7 ~
等边角钢
重心矩截面
积
惯性
矩
截面模量i y,当a为下列数值
~ 8 ~
不等边角钢
重心矩截面
iy,当a为下列数值iy,当a为下列数值
~ 9 ~
~ 10 ~
不等边角钢
截面积质量iy,当a为下列数值iy,当a为下列数值
Zy A ix 8mm 10mm 6mm 8mm 10mm 12mm
~ 11 ~
注:一个角钢的惯性矩I x=Ai x2,I y=Ai y2;一个角钢的截面个角钢的截面模量W x max=I x/Z x,W x min=I x/(b- Z x); W y ax=I y Z y W x min=I y(b- Z y)。
~ 12 ~。
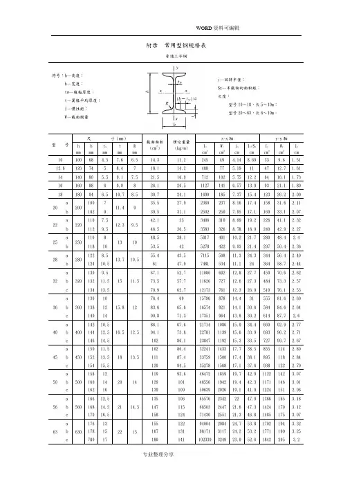
附录常用型钢规格表普通工字钢符号:h—高度;b—宽度;tw—腹板厚度;t—翼缘平均厚度;I—惯性矩;W—截面模量i—回转半径;Sx—半截面的面积矩;长度:型号10~18,长5~19m;型号20~63,长6~19m。
型号尺寸(mm)截面面积(cm2)理论重量(kg/m)x-x轴y-y轴hmmbmmt wmmtmmRmmI xcm4W xcm3i xcmI x/S xcmI ycm4W ycm3I ycm10 100 68 4.5 7.6 6.5 14.3 11.2 245 49 4.14 8.69 33 9.6 1.51 12.6 126 74 5 8.4 7 18.1 14.2 488 77 5.19 11 47 12.7 1.61 14 140 80 5.5 9.1 7.5 21.5 16.9 712 102 5.75 12.2 64 16.1 1.73 16 160 88 6 9.9 8 26.1 20.5 1127 141 6.57 13.9 93 21.1 1.89 18 180 94 6.5 10.7 8.5 30.7 24.1 1699 185 7.37 15.4 123 26.2 2.0020 a200100 711.4 935.5 27.9 2369 237 8.16 17.4 158 31.6 2.11b 102 9 39.5 31.1 2502 250 7.95 17.1 169 33.1 2.0722 a220110 7.512.3 9.542.1 33 3406 310 8.99 19.2 226 41.1 2.32b 112 9.5 46.5 36.5 3583 326 8.78 18.9 240 42.9 2.2725 a250116 813 1048.5 38.1 5017 401 10.2 21.7 280 48.4 2.4b 118 10 53.5 42 5278 422 9.93 21.4 297 50.4 2.3628 a280122 8.513.7 10.555.4 43.5 7115 508 11.3 24.3 344 56.4 2.49b 124 10.5 61 47.9 7481 534 11.1 24 364 58.7 2.4432 a320130 9.515 11.567.1 52.7 11080 692 12.8 27.7 459 70.6 2.62b 132 11.5 73.5 57.7 11626 727 12.6 27.3 484 73.3 2.57c 134 13.5 79.9 62.7 12173 761 12.3 26.9 510 76.1 2.5336 a360136 1015.8 1276.4 60 15796 878 14.4 31 555 81.6 2.69b 138 12 83.6 65.6 16574 921 14.1 30.6 584 84.6 2.64c 140 14 90.8 71.3 17351 964 13.8 30.2 614 87.7 2.640 a400142 10.516.5 12.586.1 67.6 21714 1086 15.9 34.4 660 92.9 2.77b 144 12.5 94.1 73.8 22781 1139 15.6 33.9 693 96.2 2.71c 146 14.5 102 80.1 23847 1192 15.3 33.5 727 99.7 2.6745 a450150 11.518 13.5102 80.4 32241 1433 17.7 38.5 855 114 2.89b 152 13.5 111 87.4 33759 1500 17.4 38.1 895 118 2.84c 154 15.5 120 94.5 35278 1568 17.1 37.6 938 122 2.7950 a500158 1220 14119 93.6 46472 1859 19.7 42.9 1122 142 3.07b 160 14 129 101 48556 1942 19.4 42.3 1171 146 3.01c 162 16 139 109 50639 2026 19.1 41.9 1224 151 2.9656 a560166 12.521 14.5135 106 65576 2342 22 47.9 1366 165 3.18b 168 14.5 147 115 68503 2447 21.6 47.3 1424 170 3.12c 170 16.5 158 124 71430 2551 21.3 46.8 1485 175 3.0763 a630176 1322 15155 122 94004 2984 24.7 53.8 1702 194 3.32b 178 15 167 131 98171 3117 24.2 53.2 1771 199 3.25c 780 17 180 141 102339 3249 23.9 52.6 1842 205 3.2H型钢符号:h—高度;b—宽度;t1—腹板厚度;t2—翼缘厚度;I—惯性矩;W—截面模量i—回转半径;Sx—半截面的面积矩。
型钢规格表1. 引言型钢是一种重要的建筑结构材料,广泛应用于各种建筑、机械制造以及其他领域。
型钢的规格种类繁多,不同的规格适用于不同的工程需求。
本文档旨在提供一份全面的型钢规格表,以便工程师、设计师和其他相关人员能够准确选择适合的型钢规格,以确保项目的安全和顺利进行。
2. 型钢规格表规格高度(mm)宽度(mm)厚度(mm)H100x5010050 5.0H125x6012560 6.0H150x7515075 6.5H175x90175907.0H200x1002001008.0 H250x1252501259.0 H300x150********.0 H350x175********.0 H400x20040020012.0 H450x20045020014.0 H500x20050020016.0 H550x25055025018.0 H600x25060025020.0 H700x30070030021.0 H800x30080030024.03. 规格说明•规格:指型钢的型号名称。
•高度:指型钢的截面高度,单位为毫米(mm)。
•宽度:指型钢的截面宽度,单位为毫米(mm)。
•厚度:指型钢的截面厚度,单位为毫米(mm)。
4. 选型指南选择适当的型钢规格对于工程的安全和性能至关重要。
在选择型钢规格时,需要考虑以下因素:•承载能力:根据工程的荷载要求计算所需型钢规格的承载能力。
根据荷载大小和受力情况选择合适的型钢规格。
•强度:型钢的强度是指其抗弯和抗拉的能力。
根据工程设计要求和预期的力学性能,选择合适的型钢规格。
•使用环境:考虑工程的使用环境,包括温度、湿度和腐蚀等因素。
选择适合的型钢规格以满足使用环境的要求。
•施工方便性:考虑型钢的尺寸和重量,选择施工方便的型钢规格。
最大限度地减少切割和连接的数量,节省施工时间和成本。
•经济性:通过综合考虑上述因素,选择经济合理的型钢规格。
避免使用过大或过小的型钢规格,以最大程度地减少成本。
工字型钢、角钢、槽钢、管材、圆钢、方管附录常用型钢规格表普通工字钢符号:h—高度;b—宽度;tw—腹板厚度;t—翼缘平均厚度;I—惯性矩;W—截面模量i—回转半径;Sx—半截面的面积矩;长度:型号10~18,长5~19m;型号20~63,长6~19m。
型号尺寸(mm)截面面积(cm2)理论重量(kg/m)x-x轴y-y轴hmmbmmt wmmtmmRmmI xcm4W xcm3i xcmI x/SxcmI ycm4W ycm3I ycm10 100 68 4.5 7.6 6.5 14.3 11.2 245 49 4.148.6933 9.61.5112.6 126 74 5 8.4 7 18.1 14.2 488 77 5.1911 4712.71.6114 140 80 5.5 9.1 7.5 21.5 16.9 712 102 5.7512.26416.11.7316 160 88 6 9.9 8 26.1 20.5 1127 141 6.5713.99321.11.8918 180 94 6.5 10.78.5 30.7 24.1 1699 1857.3715.412326.22.020 a200100 711.4935.5 27.9 2369 2378.1617.415831.62.11b 102 9 39.5 31.1 2502 2507.9517.116933.12.0722 a220110 7.512.39.542.1 33 3406 3108.9919.222641.12.32b 112 9.5 46.5 36.5 3583 3268.7818.924042.92.2725 a250116 813 1048.5 38.1 5017 40110.221.728048.42.4b 118 10 53.5 42 5278 4229.9321.429750.42.3628 a280122 8.513.710.555.4 43.5 7115 50811.324.334456.42.49b 12410.561 47.9 7481 53411.124 36458.72.4432 a320130 9.51511.567.1 52.7 11080 69212.827.745970.62.62b 13211.573.5 57.7 11626 72712.627.348473.32.57c 13413.579.9 62.7 12173 76112.326.951076.12.5336 a360136 1015.81276.4 60 15796 87814.431 55581.62.69b 138 12 83.6 65.6 16574 92114.130.658484.62.64c 140 14 90.8 71.3 17351 96413.830.261487.72.640 a 400 142 10.516.512.586.1 67.6 21714 108615.934.466092.92.77H型钢符号:h—高度;b—宽度;t1—腹板厚度;t2—翼缘厚度;I—惯性矩;W—截面模量i—回转半径;Sx—半截面的面积矩。
常用型材钢规格表.H型钢质量q kg/mx-x轴I x W x (cm4) (cm3)质量q kg/mx-x轴I x W x (cm4) (cm3)注:“#”表示的规格为非常用规格。
符号:同普通工字钢但Wy为对应翼缘肢尖长度:型号5~8,长5~12m;型号10~18,长5~19m;型号20~20,长6~19m。
截面积质量惯性矩iy,当a为下列数值A Ix Wxmax螺旋钢管规格表|螺旋钢管每米理论重量表720*8螺旋钢管每米重量公式[(外径-壁厚)*壁厚]*0.02466=kg/米(每米的重量)等边角钢重心矩截面积惯性矩截面模量i y,当a为下列数值不等边角钢重心矩截面iy,当a为下列数值iy,当a为下列数值不等边角钢截面积质量iy,当a为下列数值iy,当a为下列数值Zy A ix 8mm 10mm 6mm 8mm 10mm 12mm注:一个角钢的惯性矩I x=Ai x2,I y=Ai y2;一个角钢的截面个角钢的截面模量W x max=I x/Z x,W x min=I x/(b- Z x); W y ax=I y Z y W x min=I y(b- Z y)。
槽钢规格表大全2010(最新)国际标准槽钢规格,槽钢规格表2010年最新更新版!槽钢规格表大全2010(最新)不锈钢管规格表一览Ф6x1 Ф34x2-8 Ф70x3-10 Ф152x3-20Ф8x1-2 Ф36x2-8 Ф73x3-10 Ф159x3-25Ф10x1-2 Ф38x2-8 Ф76x2-16Ф168x3-30Ф12x1-3 Ф40x2-8 Ф80x2-16 Ф180x3-30Ф14x1-4 Ф42x2-8 Ф83x2-16 Ф219x4-35Ф16x1-4 Ф45x2-8 Ф89x2-16 Ф245x5-35Ф18x1-4 Ф48x2-8 Ф95x2.5-16 Ф273x5-40Ф20x1-5 Ф50x2-8 Ф102x2.5-18 Ф325x5-40Ф22x1-5 Ф51x2-8 108x2.5-18 Ф355x7-40Ф25x1.5-5 Ф57x2-10Ф114x2.5-18 Ф377x8-45Ф27x2-5 Ф60x2-10Ф120x3-18 Ф426x8-50Ф28x2-5 Ф63x2-10Ф127x3-18 Ф456x8-50Ф30x2-8 Ф65x3-10 Ф133x3-18 Ф530x8-50Ф32x2-8 Ф68x3-10Ф140x3-20 Ф630x10-40不锈钢管规格产品名称规格、型号标准名称标准号不锈钢管Φ6~630x 1~50mm 流体输送用不锈钢管 GB/T14976-2002不锈钢管Φ6~630x 1~50mm 结构用无缝不锈钢管 GB/T14975-2002不锈钢管Φ6~630x 1~50mm 锅炉、热交换器用不锈钢管 GB13296-91不锈钢焊管Φ219~1200x 3~20mm 流体输送用不锈钢管 GB12770-2002钢管种类钢管尺寸(毫米)精度普通级高级冷拔外径6-10 流体输送用不锈钢管Ф355x7-40>10-30 结构用无缝不锈钢管Ф377x8-45>30-50 锅炉、热交换器用不锈钢管Ф426x8-50 >50 流体输送用不锈钢管Ф456x8-50(轧)管壁厚0.5-1.0 ±0.15毫米Ф530x8-50 >1.0-3.0 ±14%±12%>3.0 ±12% -10%-10% +10%方通方管规格壁厚规格壁厚15×15 0.8-1.2 50×50 1.2-4.016×16 0.6-1.5 60×60 1.5-4.018×18 0.6-1.8 70×70 1.5-4.020×20 0.6-1.8 80×80 1.7-4.025×25 0.8-2.5 90×90 1.7-4.030×30 0.8-2.75 100×100 1.5-4.040×40 1.0-4.0 0 0方管最大可做到400*400壁厚12毫米矩形管规格壁厚规格壁厚20×10 0.8-2.550×40 1.5-4.030×20 0.8-2.5 50×70 1.5-4.040×20 0.8-2.75 60×30 1.5-4.040×25 1.2-3.0 60×80 1.5-4.040×30 1.5-3.75 60×90 1.5-4.040×60 1.5-4.0 80×100 1.5-4.040×80 1.0-4.0 100×40 1.5-4.050×25 1.0-4.0 100×50 1.5-4.050×30 1.0-4.0 120×50 1.5-4.0矩形管最大到400*300壁厚12毫米。
常用型钢规格(截面)表工字型钢、角钢、槽钢、管材、圆钢、方管附录常用型钢规格表普通工字钢i —回转半径; Sx —半截面的面积矩;长度:型号10〜18,长5〜19m ; 型号20〜63,长6〜19m 。
型号尺寸 (mm )截面面积(cm 2) 理论重量 (kg/m) x-x 轴y-y 轴h mmb mm t w mm t mm R mm l x cm 4W x cm 3 i x cmI x /S x cmI y cm 4 W y cm 3I y cm 10 100 68 4.5 7.6 6.5 14.3 11.2 245 49 4.14 8.69 33 9.6 1.5112.6 126 74 5 8.4 7 18.1 14.2 488 77 5.191147 12.7 1.61 14 140 80 5.5 9.1 7.5 21.5 16.9 712 102 5.75 12.2 64 16.1 1.73 16 160 88 6 9.9 8 26.1 20.5 1127 141 6.57 13.9 93 21.1 1.89 18180 946.5 10.78.5 30.7 24.1 1699 185 7.37 15.4 123 26.2 2.00a100735.5 27.9 2369 237 8.16 17.4 158 31.6 2.11 20b200102 911.4939.5 31.1 2502 250 7.95 17.1 169 33.1 2.07a1107.542.133 3406 310 8.99 19.2 226 41.1 2.32 22b220112 9.512.39.546.5 36.5 3583 326 8.78 18.9 240 42.9 2.27a116848.538.1 5017 401 10.2 21.7 280 48.4 2.4 25b250118 101310 53.5 42 5278 422 9.93 21.4 297 50.4 2.36a1228.555.443.5 7115 508 11.3 24.3 344 56.4 2.49 28b280124 10.513.7 10.561 47.9 7481 534 11.124364 58.7 2.44a1309.567.152.7 11080 692 12.8 27.7 459 70.6 2.62 32b320132 11.51511.5 73.5 57.7 11626 727 12.6 27.3 484 73.3 2.57c13413.579.962.7 12173 761 12.3 26.9 510 76.1 2.53a1361076.460 15796 878 14.431555 81.6 2.69 36b 360138 1215.812 83.6 65.6 16574 921 14.1 30.6 584 84.6 2.64c1401490.871.3 17351 964 13.8 30.2 614 87.72.6a14210.586.1 67.6 21714 1086 15.9 34.4 660 92.9 2.77 40b 400144 12.5 16.5 12.594.1 73.8 22781 1139 15.6 33.9 693 96.2 2.71c14614.510280.1 23847 1192 15.3 33.5 727 99.7 2.67 a15011.510280.4 32241 1433 17.7 38.5 855 114 2.89 45b 450152 13.5 1813.5 111 87.4 33759 1500 17.4 38.1 895 118 2.84 c 154 15.5 120 94.5 35278 1568 17.1 37.6 938 122 2.79a1581211993.6 46472 1859 19.7 42.9 1122 142 3.07 50b 500 160 14 2014 129 101 48556 1942 19.4 42.3 1171 146 3.01 c 162 16 139 109 50639 2026 19.1 41.9 1224 151 2.96a16612.51351066557623422247.913661653.18符号:h —高度; b —宽度; tw —腹板厚度; t —翼缘平均厚度; I —惯性矩; W —截面模量{卜一治)456b 560168 14.52114.5147 115 68503 2447 21.6 47.3 1424 170 3.12符号:h—高度;b—宽度;t1—腹板厚度; t2—翼缘厚度; i—惯性矩; W—截面模量i—回转半径;Sx —半截面的面积矩。