C51实验程序(流水灯、矩阵键盘、动态显示、串行口、1602液晶)
- 格式:doc
- 大小:62.29 KB
- 文档页数:9
实验二单片机并行I/O口应用实验
一、实验目的:
1.熟悉keil软件的使用方法;
2. 熟悉单片机应用电路的设计方法
3. 掌握用单片机并行接口控制外部设备的方法;
4.掌握单片机应用程序的设计和调试的方法
二、实验仪器:
单片机开发板、下载线、应用软件及微机
三、实验原理
单片机I/O口的基本输入输出功能。
四、实验内容
1.在p1.0至1.7口线上分别接LED0~LED7八个发光二级管。
2. 编写程序:要求LED0~LED7要求以秒速率循环右移
2.编写程序:要求LED0~LED7要求以秒速率循环左移
3.连接开发板,观察实验现象,并用Keil uVision仿真程序的执行过程;
五、实验报告要求
1、实验目的和要求
2、实验的原理
3、电路原理图
4、实验程序流程框图和实验程序清单
5、实验总结
6、实验思考题
六、思考题
1、思考如何实现LED0~LED7两个灯同时循环左移或右移?
2、如何同时实现循环左移后再循环右移?。
实验3.1.2 数字量输出输出扩展——LED流水灯一、实验目的1、掌握单片机外设扩展的方法2、使用单片机和8255实现LED流水灯的控制。
二、实验内容使用汇编语言编程,功能为:通过KK1脉冲实现LED灯工作方式即时控制,完成LED 开关控制显示和LED左循环、右循环、间隔闪烁功能。
三、实验环境PC机一台,Proteus仿真软件(或TD-PIT实验系统)一套四、实验硬件电路图说明:U2为单片机SST89E554RC,U1为8255A,通过8255A的PB输出使LED工作,BUTTON 为脉冲开关。
五、程序流程图六、实验程序清单ORG 0000HAJMP 0100HORG 0100HMAIN:MOV TMOD,#60H MOV TH1,#0FFHMOV TL1,#0FFHMOV DPTR,#7300HMOV A,#80HMOVX @DPTR,ASETB TR1MOV DPTR,#7100HLEFT:MOV R0,#8MOV A,#01HAG1:MOVX @DPTR,ACALL DELAYRLC ADJNZ R0,AG1JBC TF1,RIGHTAJMP LEFTRIGHT:MOV R0,#8MOV A,#80HAG2: MOVX @DPTR,ACALL DELAYRRC ADJNZ R0,AG2JBC TF1,FLASHAJMP RIGHTFLASH:MOV R0,#8AG3: MOV A,#55HMOVX @DPTR,ACALL DELAYMOV A,#0AAHMOVX @DPTR,ACALL DELAYDJNZ R0,AG3JBC TF1,LEFTAJMP FLASHDELAY:MOV R1,#0FFHDEL0:MOV R2,#0FFHDEL: DJNZ R2,$DJNZ R1,DEL0RETEND七、实验步骤1、按实验电路图接线;2、编写实验程序,编译连接无误后进入调试状态(可用PROTEUS也可以用硬件调试);3、按动BUTTON(PROTEUS下)或KK1(实验箱),观察流水灯工作情况,验证程序功能。
初学者必备第01 篇基础程序设计01 闪烁的LED/* 名称:闪烁的LED说明:LED按设定的时间间隔闪烁*/#include<reg51.h>#define uchar unsigned char#define uint unsigned intsbit LED=P1^0;//延时void DelayMS(uint x){uchar i;while(x--){for(i=0;i<120;i++);}}//主程序void main(){while(1){LED=~LED;DelayMS(150);}}02 从左到右的流水灯/* 名称:从左到右的流水灯说明:接在P0口的8个LED从左到右循环依次点亮,产生走马灯效果*/#include<reg51.h>#include<intrins.h>#define uchar unsigned char#define uint unsigned int//延时void DelayMS(uint x){uchar i;while(x--){for(i=0;i<120;i++);}}//主程序void main(){P0=0xfe;while(1){P0=_crol_(P0,1); //P0的值向左循环移动DelayMS(150);}}03 8只LED左右来回点亮/* 名称:8只LED左右来回点亮说明:程序利用循环移位函数_crol_和_cror_形成来回滚动的效果*/#include<reg51.h>#include<intrins.h>#define uchar unsigned char#define uint unsigned int//延时void DelayMS(uint x){uchar i;while(x--){for(i=0;i<120;i++);}}//主程序void main(){uchar i;P2=0x01;while(1){for(i=0;i<7;i++){P2=_crol_(P2,1); //P2的值向左循环移动DelayMS(150);}for(i=0;i<7;i++){P2=_cror_(P2,1); //P2的值向右循环移动DelayMS(150);}}}04 花样流水灯/* 名称:花样流水灯说明:16只LED分两组按预设的多种花样变换显示*/#include<reg51.h>#define uchar unsigned char#define uint unsigned intuchar code Pattern_P0[]={0xfc,0xf9,0xf3,0xe7,0xcf,0x9f,0x3f,0x7f,0xff,0xff,0xff,0xff,0xff,0xff,0xff,0xff,0xe7,0xdb,0xbd,0x7e,0xbd,0xdb,0xe7,0xff,0xe7,0xc3,0x81,0x00,0x81,0xc3,0xe7,0xff, 0xaa,0x55,0x18,0xff,0xf0,0x0f,0x00,0xff,0xf8,0xf1,0xe3,0xc7,0x8f,0x1f,0x3f,0x7f,0x7f,0x3f,0x1f,0x8f,0xc7,0xe3,0xf1,0xf8,0xff,0x00,0x00,0xff,0xff,0x0f,0xf0,0xff,0xfe,0xfd,0xfb,0xf7,0xef,0xdf,0xbf,0x7f,0xff,0xff,0xff,0xff,0xff,0xff,0xff,0xff,0xff,0xff,0xff,0xff,0xff,0xff,0xff,0xff,0x7f,0xbf,0xdf,0xef,0xf7,0xfb,0xfd,0xfe,0xfe,0xfc,0xf8,0xf0,0xe0,0xc0,0x80,0x00,0x00,0x00,0x00,0x00,0x00,0x00,0x00,0x00, 0x00,0x00,0x00,0x00,0x00,0x00,0x00,0x00,0x00,0x80,0xc0,0xe0,0xf0,0xf8,0xfc,0xfe, 0x00,0xff,0x00,0xff,0x00,0xff,0x00,0xff};uchar code Pattern_P2[]={0xff,0xff,0xff,0xff,0xff,0xff,0xff,0xfe,0xfc,0xf9,0xf3,0xe7,0xcf,0x9f,0x3f,0xff,0xe7,0xdb,0xbd,0x7e,0xbd,0xdb,0xe7,0xff,0xe7,0xc3,0x81,0x00,0x81,0xc3,0xe7,0xff, 0xaa,0x55,0x18,0xff,0xf0,0x0f,0x00,0xff,0xf8,0xf1,0xe3,0xc7,0x8f,0x1f,0x3f,0x7f,0x7f,0x3f,0x1f,0x8f,0xc7,0xe3,0xf1,0xf8,0xff,0x00,0x00,0xff,0xff,0x0f,0xf0,0xff,0xff,0xff,0xff,0xff,0xff,0xff,0xff,0xff,0xfe,0xfd,0xfb,0xf7,0xef,0xdf,0xbf,0x7f,0x7f,0xbf,0xdf,0xef,0xf7,0xfb,0xfd,0xfe,0xff,0xff,0xff,0xff,0xff,0xff,0xff,0xff,0xff,0xff,0xff,0xff,0xff,0xff,0xff,0xff,0xfe,0xfc,0xf8,0xf0,0xe0,0xc0,0x80,0x00,0x00,0x80,0xc0,0xe0,0xf0,0xf8,0xfc,0xfe,0xff,0xff,0xff,0xff,0xff,0xff,0xff,0xff,0x00,0xff,0x00,0xff,0x00,0xff,0x00,0xff};//延时void DelayMS(uint x){uchar i;while(x--){for(i=0;i<120;i++);}}//主程序void main(){uchar i;while(1){ //从数组中读取数据送至P0和P2口显示for(i=0;i<136;i++){P0=Pattern_P0[i];P2=Pattern_P2[i];DelayMS(100);}}}05 LED模拟交通灯/* 名称:LED模拟交通灯说明:东西向绿灯亮若干秒,黄灯闪烁5次后红灯亮,红灯亮后,南北向由红灯变为绿灯,若干秒后南北向黄灯闪烁5此后变红灯,东西向变绿灯,如此重复。
C51单⽚机实现呼吸灯和花样流⽔灯程序1.⽤C51单⽚机实现花样流⽔灯,代码如下:#include <reg52.h>#define LED_A P1 //led灯所⽤的接⼝,是哪个⼝就写P⼏void delayms(){unsigned char x = 0; unsigned char i;unsigned char y = 0;while(y < 0.001) //定义led灯的切换的延时时间,越⼩越快。
{ //(y < 0.001);(x<100);(i<100)都可以修改x = 0;while(x<100){i = 0;while(i<100){i++;}x++;}y++;}}#define LED_NUM 8 //定义led灯的数量,可快速实现不同⽤途的修改;void main(){unsigned char k;unsigned char j;unsigned char LED_ALL[] = {0XFE,0XFD,0XFB,0XF7,0XEF,0XDF,0XBF,0X7F}; //led灯亮灭的⼗六进制数组;unsigned char LED_ALL_2[] = {0XFC,0XF3,0XCF,0X3F}; while(1) { for(k=0;k<3;k++) //第⼀个for实现奇偶灯交叉闪烁三次,想闪烁⼏次就修改(K<3)中的数值; { LED_A = 0xAA; delayms(); LED_A = 0x55; delayms(); } for(k=3;k>0;k--) //实现⼀个流⽔灯左右三次(从左到右再从右到左算⼀次); { for(j=0;j<LED_NUM;j++) { LED_A = LED_ALL[j]; delayms(); } for(j=6;j>0;j--) { LED_A = LED_ALL[j]; delayms(); } } for(k=0;k<3;k++) //实现前四个灯亮后四个灯灭,交叉闪烁3次,修改次数同上; { LED_A = 0xf0; delayms(); LED_A = 0xf; delayms(); } for(k=3;k>0;k--) //实现两个灯依次流⽔3次; { for(j=0;j<4;j++) { LED_A = LED_ALL_2[j]; delayms(); } for(j=2;j>0;j--) { LED_A = LED_ALL_2[j]; delayms(); } } }}2.实现第⼀个灯呼吸,由暗变亮,再由亮变暗,程序如下;#include <reg52.h>sbit LED1 = P3^0;void delay(unsigned int a) //定义⼀个延时函数{ while(--a);}void main(){ unsigned int t,circle=800; //定义变量,circle=800为led灯呼吸的间隔长短,数值越⼩,间隔越短。
C51流水灯多样显示程序流水,多样,程序功能说明:1、单个LED流水灯从左到右2、单个LED流水灯从右到左3、从左边一个个点亮8个LED4、从右边一个个点亮8个LED5、所有的LED开关8次6、左右闪烁8次7、8个流水灯两边向中间依次点亮8次8、8个流水灯中间向两边依次点亮8次测试环境:在ME300B开发板上测试通过*************************************************************/ #include<reg51."h> //51系列单片机定义文件#define uchar unsigned char //定义无符号字符#define uint unsigned int //定义无符号整数void delay(uint); //声明延时函数void main(void); //声明主函数/***********************************************************主程序/***********************************************************/void main(void){uint i;uchar temp;while(1){/***********************************************************8个流水灯逐个闪动/***********************************************************/temp=0x01;for(i=0;i<8;i++){P0=~temp;delay(100);temp<<=1;}/******************************************************* ****8个流水灯反向逐个闪动/***********************************************************/temp=0x80;for(i=0;i<8;i++){P0=~temp;delay(100);temp>>=1;}/******************************************************* ****8个流水灯依次全部点亮/***********************************************************/temp =0xFE;for(i=0;i<8;i++){P0=temp;delay(100);temp<<=1;}/******************************************************* ****8个流水灯依次全部熄灭/***********************************************************/temp =0xFE;for(i=0;i<8;i++){P0=~temp;delay(100);temp<<=1;}/******************************************************* ****8个流水灯依次反向全部点亮/***********************************************************/temp=0x7F;for(i=0;i<8;i++){P0=temp;delay(100);temp>>=1;}/******************************************************* ****8个流水灯依次反向全部熄灭/***********************************************************/temp=0x7F;for(i=0;i<8;i++){P0=~temp;delay(100);temp>>=1;}/******************************************************* ****8个流水灯全部点亮关闭8次/***********************************************************/temp=0xfF;for(i=0;i<8;i++){P0=temp;delay(100);P0=~temp;delay(100);}/***********************************************************8个流水灯左右晃动8次/***********************************************************/temp=0xAA;for(i=0;i<8;i++){P0=temp;delay(100);P0=~temp;delay(100);}/*********************************************************** 8个流水灯两边向中间点亮8次/***********************************************************/P0=0XFF;delay(200);for(i=0;i<8;i++){P0=0x7e;delay(100);P0=0xbd;delay(100);P0=0xdb;delay(100);P0=0xe7;delay(100);}/***********************************************************8个流水灯中间向两边点亮8次/***********************************************************/P0=0XFF;delay(200);for(i=0;i<8;i++){P0=0xe7;delay(100);P0=0xdb;delay(100);P0=0xbd;delay(100);P0=0x7e;delay(100);}}}/********************************************************** *延时程序/***********************************************************/void delay(uint t) //定义延时函数{register uint bt; for(;t;t--)for(bt=0;bt<255;bt++);}。
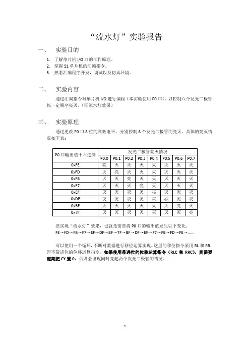
“流水灯”实验报告一、实验目的1.了解单片机I/O口的工作原理。
2.掌握51单片机的汇编指令。
3.熟悉汇编程序开发,调试以及仿真环境。
二、实验内容通过汇编指令对单片机I/O进行编程(本实验使用P0口),以控制八个发光二极管以一定顺序亮灭。
(即流水灯效果)三、实验原理通过更改P0口8位的高低电平,分别控制8个发光二极管的亮灭。
具体的亮灭情况如下表:要实现“流水灯”效果,也就是需要将P0口的输出值发生以下变化:FE→FD→FB→F7→EF→DF→BF→7F→BF→DF→EF→F7→FB→FD→FE→......可以使用一个循环,不断对数据进行移位运算实现。
这里的移位指令采用RL和RR,即不带进位的位移运算指令。
如果使用带进位的位移运算指令(RLC和RRC),则需要定期把CY置0,否则会出现同时亮起两个发光二极管的情况。
四、实验过程1.在仿真系统中绘制好单片机的电路图2.编写汇编程序,程序如下:ORG 0000H Delay: MOV R0, #0FFHSJMP Start Delay1: MOV R1, #0FFH Start: MOV A, #0FEH Delay2: NOPMOV P0, A DJNZ R1, Delay2CLR P2.7 DJNZ R0, Delay1CLR P3.7 RETMove: MOV R2, #7H ENDMOV R3, #7HRMove: RL AMOV P0, ACALL DelayDJNZ R2, RMoveLMove: RR AMOV P0, ACALL DelayDJNZ R3, LMoveSJMP Move五、实验结果为了便于实验结果的描述,下面分别把P0.0, P0.1…, P0.7对应的发光二极管编号为1, 2, …, 8号二极管。
在仿真系统中,先从1号二极管下面是在仿真系统中的实验结果:1.只有1号二极管点亮2.只有2号二极管点亮3.只有3号二极管点亮4.只有4号二极管点亮5.只有5号二极管点亮6.只有6号二极管点亮7.只有7号二极管点亮8.只有8号二极管点亮实验的结果:二极管的发光状态从1→2→3→4→5→6→7→8→7→…→1→2;如此往复循环。
C51单片机实验报告流水灯交通灯定时器双机交互时钟C51单片机实验报告流水灯交通灯定时器双机交互时钟学号:班级:自动化10 班姓名:张指导老师:胡2019.12单片机核心板实验要求一、流水灯实验、实验目的:) 简单I/O 引脚的输出2 ) 掌握软件延时编程方法3 ) 简单按键输入捕获判断 2 、完成功能要求) 开机是点亮12 发光二极管,闪烁三下2 ) 按照顺时针循环依次点亮发光二极管3 ) 通过按键将发光二极管的显示改为顺逆时针方式二、定时器或实时时钟实验、实验目的) 数码管动态显示技术2 ) 定时器的应用3 ) 按键功能定义 2 、完成功能要求) 通过按键可以设定定时时间,启动定时器,定时时间到,让12 个发光二极管闪烁,完成定时器功能。
) 实时时钟,可以设定当前时间,完成钟表功能(四位数码管分别显示分钟和秒)。
上述二个功能至少完成一种功能。
三、双机通信实验1 、实验目的UART 串行通信接口技术应用2 、完成功能要求用两片核心板之间实现串行通信,将按键信息互发到对方数码管显示。
四、交通灯实验1 、实验目的1 )按键、数码管、发光二极管综合应用编程技术2 )数据存储于EEPRO的技术(也可以不使用)3 )定时中断技术4 )按键中断技术2 、完成功能要求)对每个路口(主干道、次干道)的绿灯时间,及黄灯时间的设定。
)设定参数掉电后不丢失(如果不使用EEPRO,此功能可以不实现)。
)紧急按键功能,当按下该键时,所有路口变成红灯,相当于交警指挥特殊车辆通过。
再按该键,恢复正常显示。
实验一流水灯实验一、实验目的1 )简单I/O 引脚的输出2 )掌握软件延时编程方法 3 )简单按键输入捕获判断二、实验实现的功能 1 )开机是点亮12发光二极管,闪烁三下 2 )按照顺时针循环依次点亮发光二极管 3 )通过按键将发光二极管的显示改为顺逆时针方式三、系统硬件设计1 )如单片机核心板所示的硬件电路。
四、系统软件设计设计思路:1 )定义数组使得调用数组可以使led 灯能够顺时针和逆时针显示;2 )将按键的输入端全部置零,做单独按键使用;3 )利用“ while ”循环使得数码管可以闪烁三下;)利用“ for ”循环使得小灯能够依次点亮一个周期;5 )将以上思想汇总,编程,实现功能。
51单片机数码管显示及矩阵键盘扫描程序硬件实验十一八段数码管实验一、实验任务1、在静态数码管上轮流显示数字0-9。
2、在两个4位数码管上动态显示数字0-9二、流程图及程序静态显示:流程图:程序代码:#include#define uchar unsigned chucharcodevalue[10]={0xC0,0xF9,0xA4,0xB0,0X99,0x92,0x82,0xF8,0 x80,0x90};//0 -9数码管显示段码void delay(char x) //延时子程序{uchar i;for(i=0;i<200;i++);}main() //主函数{int i;while(1){for(i=0;i<10;i++) //显示0-9{P0=codevalue[i];delay(500); //延时1秒}}}动态显示:#include#includetab1[]={0x3f,0x06,0x5b,0x4f,0x66,0x6D,0x7D,0x07,0x7f,0x6f}; //数码管显示数字字段unsigned char tab2[]={0xfe,0xfd,0xfb,0xf7,0xef,0xdf,0xbf,0x7f};//片选字段unsigned char i,k,j,x;void delay(x); //声明延时子函数void main() //主函数{while(1){for(i=0;i<8;i++) //显示0-7{ P1=tab1[i];P0=tab2[i];delay(5); //延时}P1=tab1[8]; P0=tab2[0]; delay(5); //显示8-9P1=tab1[9]; P0=tab2[1]; delay(5);}}void delay(x) //延时函数定义{do{for(j=0;j<250;j++)for(k=0;k<250;k++);}}硬件实验十二矩阵键盘扫描显示一、实验任务1、把矩阵键盘上的按键输入的键码在静态数码管上显示出来。
单片机流水灯实验报告:实验一:用C51实现流水灯实验实验要求:完成亮流水,即LED从低位流向高位流动,每次流动一位,且每次只亮一个LED灯,其它LED灭。
实验原理:单片机流水的实质是单片机各引脚在规定的时间逐个上电,使LED灯能逐个亮起来但过了该引脚通电的时间后便灭灯的过程,实验中使用了单片机的P2端口,对8个LED灯进行控制,要实现逐个亮灯即将P2的各端口逐一置零,中间使用时间间隔隔开各灯的亮灭。
使用r1或rr a实现位的转换。
实验内容:通过仿真来实现实验电路图代码如下;for(x=0;x<8;x++){P0=num[x];delay();}for(x=6;x>0;x--){P0=num[x];delay();}P0=0xfe;实验结果:实验程序:#include<REG51.H>void delay();//延时函数声明void main()//主函数{unsigned charx,num[]={0xfe,0xfd,0xfb,0xf7,0xef,0xdf,0xbf,0x7f};while(1){for(x=0;x<8;x++){P0=num[x];delay();}for(x=6;x>0;x--){P0=num[x];delay();}P0=0xfe;}}void delay()//延时函数,无符号字符型变量i为形式参数{unsigned int j,k;//定义无符号字符型变量j和kfor(k=0;k<500;k++)//双重for循环语句实现软件延时for(j=0;j<100;j++);}实验总结:这次试验通过仿真实验软件实现流水灯实验,充分学会了keil 软件和Proteus电路仿真的联合调试,为后期的实验做足了功课。
也认识到仿真实用性。
单片机(Single-Chip Microcomputer)是一种集成电路芯片,是采用超大规模集成电路技术把具有数据处理能力的中央处理器CPU、随机存储器RAM、只读存储器ROM、多种I/O口和中断系统、定时器/计数器等功能(可能还包括显示驱动电路、脉宽调制电路、模拟多路转换器、A/D转换器等电路)集成到一块硅片上构成的一个小而完善的微型计算机系统,在工业控制领域广泛应用。
c51单片机实验报告C51单片机实验报告引言C51单片机作为一种常见的微控制器,广泛应用于各种电子设备中。
本实验报告旨在介绍C51单片机的基本原理、实验过程和结果分析,以及对其在实际应用中的潜力进行探讨。
一、C51单片机的基本原理C51单片机是一种高度集成的微处理器,由中央处理器、存储器、输入输出接口和时钟电路等组成。
其核心是Intel公司开发的8051系列单片机,具有高性能、低功耗和易于编程等优点。
C51单片机采用汇编语言进行编程,可以实现各种功能,如数据处理、控制和通信等。
二、实验过程本次实验选取了LED灯的控制作为示例,通过C51单片机控制LED灯的亮灭来展示其基本功能。
1. 实验材料准备准备工作包括C51单片机开发板、连接线、电源和LED灯等。
确保所有材料齐全并连接正确。
2. 编写程序使用汇编语言编写程序,通过控制特定的IO口来控制LED灯的亮灭。
程序需考虑到时序和逻辑关系,确保正确的控制信号发送到LED灯。
3. 烧录程序将编写好的程序通过烧录器烧录到C51单片机中,确保程序能够正确运行。
4. 运行实验将电源接入开发板,开启电源。
通过按下相应的按键或其他输入方式,触发C51单片机发送控制信号,从而控制LED灯的亮灭。
三、实验结果分析经过实验,我们成功地实现了通过C51单片机控制LED灯的亮灭。
通过改变程序中的控制信号,我们可以实现不同的灯光效果,如闪烁、流水灯等。
这说明C51单片机具有良好的可编程性和控制能力。
此外,我们还发现C51单片机具有较高的稳定性和可靠性。
在实验过程中,单片机能够稳定地工作,并根据程序的要求正确地控制LED灯的状态。
这为其在实际应用中提供了良好的基础。
四、C51单片机在实际应用中的潜力C51单片机作为一种常见的微控制器,广泛应用于各种电子设备中。
其可编程性和控制能力使得它在工业自动化、家电控制、通信设备和电子产品等领域有着广阔的应用前景。
例如,在工业自动化领域,C51单片机可以用于控制机器人、自动化生产线和仪器设备等。
51单片机流水灯实验报告一、实验目的1.熟悉51单片机的硬件资源2.掌握51单片机的I/O口编程3.掌握51单片机的定时器/计数器编程二、实验原理流水灯是一种简单的电子设计,通过依次点亮和熄灭多个LED灯来形成流水灯的效果。
本实验使用的是51单片机,它有40个I/O口和3个定时器/计数器,可以方便地实现流水灯的效果。
三、实验器材1.51单片机开发板B数据线3.LED灯若干4.面包板5.连线材料(公对公、公对母杜邦线)四、实验过程1.准备工作:a.将51单片机开发板和LED灯连接起来,将LED灯依次插在面包板上,并与51单片机的I/O口相连接。
b.连接电脑与51开发板,使用USB数据线将它们连接起来。
2.编写程序:a. 打开Keil开发环境,新建一个工程。
b.在C代码文件中编写流水灯的控制程序,并引用51单片机的头文件和IO口控制相关的函数。
代码示例:```c#include <reg51.h>sbit LED1 = P1^0;sbit LED2 = P1^1;sbit LED3 = P1^2;sbit LED4 = P1^3;sbit LED5 = P1^4;void delay(unsigned int t)while(t--)for(unsigned int i = 0; i < 125; i++);}void maiwhile(1)LED1=0;//点亮LED1delay(1000); // 延时LED1=1;//熄灭LED1LED2=0;//点亮LED2delay(1000); // 延时LED2=1;//熄灭LED2LED3=0;//点亮LED3delay(1000); // 延时LED3=1;//熄灭LED3LED4=0;//点亮LED4delay(1000); // 延时LED4=1;//熄灭LED4LED5=0;//点亮LED5delay(1000); // 延时LED5=1;//熄灭LED5}}```3.烧录程序:a.将开发板上的烧录开关调整为“USB”模式。
51单片机实验报告51单片机是一款非常流行的单片机芯片,被广泛应用于各种电子产品中。
在这篇文章中,我们来探讨一下51单片机的一些实验,以及对于这些实验的理解和体会。
第一部分:实验内容我们进行的51单片机实验主要包括以下几个方面:1. 闪烁LED灯实验:这个实验是入门级别的,主要是为了熟悉51单片机的基本操作和编程方法。
在这个实验中,我们使用了一块51单片机开发板和几个LED灯,通过控制单片机的IO口信号来实现LED灯的闪烁。
2. 按键控制LED实验:这个实验是在闪烁LED实验的基础上进一步延伸的,主要是为了了解如何通过外部按键来控制单片机的输出。
在这个实验中,我们运用了单片机的外部中断和定时器等功能,实现了按键控制LED灯的亮灭。
3. LCD1602显示屏实验:这个实验是为了让我们熟悉如何在51单片机中使用LCD1602液晶显示屏。
在这个实验中,我们使用了I2C总线来与LCD1602进行通信,通过向LCD1602发送命令和数据来实现字符的显示。
4. 电机驱动实验:这个实验是让我们了解如何使用51单片机来控制电机的运转。
在这个实验中,我们运用了单片机的PWM控制功能,通过改变PWM波的占空比来控制电机的转速和方向。
第二部分:实验体会通过这些实验,我对于51单片机有了更深刻的理解和体会。
在这里,我想分享一下我的一些体会。
首先,我认为51单片机具有非常强大的控制能力和灵活性。
通过编写程序,我们可以控制单片机的各种IO口、定时器、PWM输出等功能,从而实现各种复杂的控制任务。
同时,由于其能够直接操作硬件,所以可以快速响应各种外部事件,对实时性要求较高的应用场景有很好的适应性。
其次,我发现在51单片机开发中,良好的软硬件结合非常重要。
由于51单片机具有丰富的外部中断、定时器等功能,因此我们可以很好地利用这些硬件资源来实现各种功能。
同时,在编写程序时,我们也需要充分发挥51单片机的硬件优势,例如使用定时器来完成计时任务,使用外部中断来完成输入检测等等。
实验一并行输入输出口的使用一、实验目的:学会设计proteus 7仿真电路,学习P1口的使用方法和延时子程序的编写用Keil uVision 3编程实现发光二极管的流水点亮。
二、实验原理:P1口为8位准双向I/O口,它的每一位都可以分别定义为输入线或输出线(作为输入时,口锁存器必须置1)。
P1口作为输出,接8个发光二极管D1~D8经限流电阻分别接至8个引脚。
本实验仿真电路图、流程图如下:三、实验代码:#include<reg51.h>#include<intrins.h> //移位库函数包含于此头文件中void delay(unsigned int d) //定义延时子函数{ while(--d>0);}void main(){ unsigned char i,sel;while(1){ sel=0xfe;for(i=0;i<=8;i++){ P1=sel; //显示变量赋给P1口delay(50000); //延时sel=_crol_(sel,1); //改变显示变量}}}四、实验结论:用while语句实现发光二极管循环流水点亮,从上到下一次点亮。
实验二C51分支程序设计一、实验目的:学习多分支选择结构和switch语句,了解循环的嵌套。
二、实验原理:do while 循环先执行后判断是否循环,switch括号中的表达式的值与某case后的常量表达式的值相同时,就执行它后面的语句,遇到break语句则退出switch语句。
本实验仿真电路图、流程图如下:(仿真电路图)(流程图)三、实验代码:#include <reg51.h>void main(){ char a;do{ P1=0xff;a=P1;a=a&0x03;switch(a){ case 0:P2=0x0e;break;case 1:P2=0x0d;break;case 2:P2=0x0b;break;case 3:P2=0x07;break;}}while(1);}四、实验结论:多分支选择的switch/case语句,可直接处理并行多分支选择问题,从匹配表达式的括号开始执行,不再进行判断。
单片机矩阵键盘实验实验报告
实验名称:单片机矩阵键盘实验
实验目的:掌握单片机矩阵键盘的原理和应用,能够使用单片机按键输入
实验内容:利用Keil C51软件,采用AT89C51单片机实现一个4x4的矩阵键盘,当按下任何一个按键时,将相应的键值传输到液晶显示屏上进行显示。
实验步骤:
1、搭建实验电路,将矩阵键盘与单片机相连,连接好电源正负极,然后将电路焊接成一个完整的矩阵键盘输入电路。
2、打开Keil C51软件,新建一个单片机应用工程,然后编写代码。
3、通过代码实现对矩阵键盘输入的扫描功能,当按下任何一个按键时,将相应的键值传输到液晶显示屏上进行显示。
4、编译代码,生成HEX文件,下载HEX文件到单片机中,将单片机与电源相连,然后就可以测试了。
5、测试完成后,根据测试结果修改代码,重新编译生成HEX 文件,然后下载到单片机中进行验证。
实验结果:
经过测试,实验结果良好,能够准确地输入按键的值,显示在液晶屏上。
实验感想:
通过这次实验,我深深地认识到了矩阵键盘技术的重要性以及应用价值,同时也更加深入了解单片机的工作原理和应用技术,这对我的学习和工作都有很好的帮助。