综采工作面的检查表
- 格式:xls
- 大小:21.00 KB
- 文档页数:8
采煤机使用单位:工作面名称:检查时间:年月日
注:1、机电副区长指定当天日常检查检修责任人,2、未按本表规定进行日常检查维护,经机电科监查,对责任人进行处罚,工区干部占70%(区长、机电副区长各占比例的20%),责任人占30%
刮板运输机使用单位:工作面名称:检查时间:年月日
注:1、机电副区长指定当天日常检查检修责任人,2、未按本表规定进行日常检查维护,经机电科监查,对责任人进行处罚,工区干部占70%(区长、机电副区长各占比例的20%),责任人占30%。
附表一:综采. 综放工作面“三机”日检查维护规范
液压支架使用单位:工作面名称:检查时间:年月日
机电副区长各占比例的20%),责任人占30%。
附表一:综采工作面“三机”日检查维护规范
电器设备使用单位:工作面名称:检查时间:年月日
注:1、机电副区长指定当天日常检查检修责任人,2、未按本表规定进行日常检查维护,经机电科监查,对责任人进行处罚,工区干部占70%(区长、机电副区长各占比例的20%),责任人占30%。
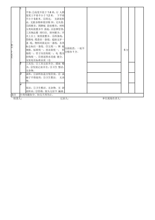
综采工作面(采煤专业)回撤安全质量标准化检查表工作面编号:施工区队:考核时间:总分:100分项目检查项目及标准标准分评分办法扣分实际得分(一)软件管理(10分)1.规程、措施必须有审批、贯彻学习、签字并考试,有成绩、试卷 2 一处不合格扣1分,扣完为止2.班检记录填写规范、及时、真实有效,隐患闭环管理 2 一处不合格扣1分,扣完为止3.工作面各设备运转记录、检修记录填写认真及时 2 一处不合格扣1分,扣完为止4.顶板动态监测、锚杆应力监测,有定期观测记录,图牌齐全、清晰、完好 2 一处不合格扣1分,扣完为止5.工作面各设备操作规程和施工图牌齐全、清晰、完好 2 一处不合格扣1分,扣完为止(二)挂网(15分)1.挂网期间保证工作面断面、坡度达到《回撤措施》的规定,调平调直,无浮货 2 一处不合格扣1分,扣完为止2.挂网紧贴围岩,网与网连接符合规定,不能出现漏顶 2 一处不合格扣1分,扣完为止3.锚杆、锚索安设符合作业规程规定 3 一处不合格扣1分,扣完为止4.钢丝绳铺设符合作业规程规定,固定牢固,钢丝绳间的距离不得超过700mm,扣距不得超过300mm 2一处不合格扣1分,扣完为止5.贴帮柱架设齐全,无卸液现象,要有防倒绳,架设在实底,迎山角度符合要求,失效的贴帮柱及时更换,工字钢梁搭接符合要求 2一处不合格扣1分,扣完为止6.回撤出口扩大支护符合规程规定,锚杆、锚索安设符合标准 2 一处不合格扣1分,扣完为止7.木垛架设牢固,位置适当,与顶板接实 2 一处不合格扣1分,扣完为止(三)回撤采煤机、刮板输送机(10分)1.采煤机必须开至工作面上端头顶板完好处拆卸,采煤机、工作面刮板输送机打零位并断电 2一处不合格扣1分,扣完为止2.拆卸工作应按规定顺序依次进行拆卸,装车外运 2 一处不合格扣1分,扣完为止3.首先将链子解开、拉出、装车,再依次将电动机、减速机、机尾、中部槽、机头解开、装车、运输 2一处不合格扣1分,扣完为止4.溜槽解体向上拽出时不超过4节溜槽 2 一处不合格扣1分,扣完为止5.电缆槽、销排必须全部回收 2 一处不合格扣1分,扣完为止(四)回撤液压支架(10分)1.撤出时,必须按作业规程规定的顺序进行回撤 2 一处不合格扣1分,扣完为止2.装车时,必须按上齐螺丝,紧固好压板 2 一处不合格扣1分,扣完为止3.撤出后,先拉移动掩护支架在回支柱及工字钢 2 一处不合格扣1分,扣完为止4.支架出列后,在撤出支架位置架设走向棚,每撤出一部支架至少架设4根木点柱,点柱钢丝绳2 一处不合格扣1分,扣完为止5.支架回撤到上出口附近,注意观察顶板,必要时加设临时支护 2 一处不合格扣1分,扣完为止(五)绞车硐室(5分)1.绞车硐室规格符合规程规定,支护符合规定 2 一处不合格扣1分,扣完为止2.绞车基础尺寸、强度符合标准 1 一处不合格扣1分,扣完为止3.绞车要有“四压两戗”和地锚固定 1 一处不合格扣1分,扣完为止4.绞车安装距离满足要求,安设牢固 1 一处不合格扣1分,扣完为止(六)安全管理(22分)1.各种检测仪表设置合理,准确、齐全 2 一处不合格扣1分,扣完为止2.运送拉移所用的链、环、绳销要使用符合标准要求,经检测的合格品 2 一处不合格扣1分,扣完为止3.支柱不超高使用,用护绳拴牢 2 一处不合格扣1分,扣完为止4.起吊、支撑器具满足承载要求 2 一处不合格扣1分,扣完为止5.机械设备的外露旋转部位按规定加装防护罩 2 一处不合格扣1分,扣完为止6.调度绞车安装平稳,位置适当,距轨道外缘不小于700mm,长期固定运输绞车有基础,临时经常性移挪的绞车可用地锚及压、戗柱固定(四压两戗),并牢固可靠 2一处不合格扣1分,扣完为止7.各类绞车完好、安全防护装置齐全、有效;绞车钢绳、钩头完好 2 一处不合格扣1分,扣完为止8.无极绳绞车安装必须符合规程规定要求,张紧制动装置安全有效可靠,托轮、压绳轮齐全、完好 2一处不合格扣1分,扣完为止9.所有绞车必须悬挂管理牌板,明确规定挂车数,开关上架,有远方操作按钮,双向对打声光信号 2一处不合格扣1分,扣完为止10.安全出口畅通,净高、净宽符合规定 2 一处不合格扣1分,扣完为止11.顶板支护完好,随时观察安全出口的压力情况,必要时加强支护 2 一处不合格扣1分,扣完为止(七)铺设混凝土地面(8分)1.混凝土地面规格符合设计要求 2 一处不合格扣1分,扣完为止2.混凝土必须使用搅拌机搅拌,配比符合规定,浇筑使用震动棒 2 一处不合格扣1分,扣完为止3.混凝土铺设严格按设计尺寸施工 2 一处不合格扣1分,扣完为止4.保证混凝土达到规定强度后方可使用 2 一处不合格扣1分,扣完为止(八)文明生产(20分)1.巷道内无淤泥积水、无浮货、无杂物堆积、水沟畅通 3 一处不合格扣1分,扣完为止2.设备和材料分类码放在距安全出口20m以外的安全地点,整齐有序,不影响运输及行人;油脂集中分类摆放,挂牌编号管理,不漏油、不洒油;材料码放整齐,挂牌管理,标识准确5 一处不合格扣1分,扣完为止3.管线吊挂整齐,成直线 2 一处不合格扣1分,扣完为止4.皮带机下无浮货杂物,架间、架前的浮煤、浮矸必须清理干净 2 一处不合格扣1分,扣完为止5.工作面支架干净、无杂物、积水 2 一处不合格扣1分,扣完为止6.液压支架内无杂物,浮矸不埋压管路和液压件 2 一处不合格扣1分,扣完为止7.工作面、泵站、休息地点、油脂库等场所有照明,照明符合规定 2 一处不合格扣1分,扣完为止考核人员签字考核得分。
综采工作面现场安全检查模版一、基本信息1. 工作面名称:2. 所属矿井名称:3. 巡检日期:4. 负责人员:二、安全防护设施1. 工作面进风口是否设有围板,围网是否完好?2. 工作面通风系统是否正常运行?风量是否满足要求?3. 确保通风门、风帘及排风机无异常情况。
4. 工作面入口和出口是否设置有安全警示标志?是否清晰可见?5. 通风巷道、采煤工作面是否有安全通道,通道是否畅通无阻?三、瓦斯抽放和探测1. 瓦斯抽放系统是否正常运行?瓦斯抽放管道是否畅通无阻?2. 瓦斯抽放泵站及电气设备是否正常运行?是否存在漏电、过载等隐患?3. 采煤工作面瓦斯浓度是否超标?是否存在积极的瓦斯抽放措施?4. 瓦斯检测仪器是否校准合格?操作人员是否熟悉使用方法?四、煤尘防治1. 煤矸石、尾矿堆放区是否清理干净?是否存在可燃物和易燃物?2. 工作面喷雾装置是否正常运行?喷雾覆盖面积是否全部覆盖?3. 工作面水质是否满足喷雾要求?喷雾水位是否充足?4. 煤尘浓度是否超标?是否采取了有效的控制措施?五、支护和顶板管理1. 工作面支护设施是否完好?是否存在支护材料老化、变形等问题?2. 工作面采煤进度、煤柱厚度是否合理?是否存在支护压力过大或过小的情况?3. 顶板是否有掉块、片帮等危险情况?是否采取了相应的处理措施?4. 工作面顶板管理是否严格按照规定操作,是否存在违规行为?六、运输和机电设备1. 运输巷道是否畅通无阻?是否存在坍塌、滑坡等情况?2. 巡检机械设备是否正常运行?是否存在异响、震动等异常情况?3. 机电设备是否按规定进行定期维修保养?保养记录是否完备?4. 运输车辆是否符合安全要求?驾驶人员是否持证上岗?七、作业人员安全1. 作业人员是否佩戴安全帽、防护鞋、防护眼镜等个人防护用品?2. 作业人员是否熟悉安全操作规程?是否存在违章作业行为?3. 作业人员是否经过必要的培训和考核?是否持证上岗?4. 是否严格执行作业人员轮岗制度和离岗制度?八、应急救援措施1. 矿井是否配备有应急救援队伍?救援人员是否熟悉应急预案?2. 矿井是否配备有应急救援设备,如逃生器具、矿灯、呼吸器等?3. 是否定期进行应急演练,并记录演练情况和改进意见?4. 作业现场是否设置了急救站和急救药品,是否能够及时处理工伤事故?九、其他1. 检查中发现的其他安全隐患和问题。
综采工作面的安全检查模版一、现场环境检查1. 确认现场整体环境是否清洁,有无杂物、垃圾堆放等情况。
2. 检查综采工作面附近是否有积水、沉积物等可能导致滑倒、摔倒的情况。
3. 检查工作面附近是否有明火、易燃物品等火灾隐患。
4. 确认综采工作面周围的通风是否良好,有无有毒、有害气体积聚现象。
5. 检查综采工作面附近的进出口道路是否畅通,有无障碍物阻碍或堵塞。
二、设备和机械检查1. 检查综采机的工作状态,确认其是否正常运转,有无异常噪音、异味等情况。
2. 检查综采机的相关安全防护装置是否完好,如安全带、安全防护罩等。
3. 检查综采机的液压系统、电气系统以及其他重要部件,确认其是否存在漏油、漏电等问题。
4. 检查综采机周围的辅助设备和机械,确认其是否正常运转,有无异常情况。
三、工作面的安全检查1. 检查工作面的支护情况,确认支护设施是否完好,有无变形、开裂、脱落等情况。
2. 检查工作面的支护材料储存情况,确认其是否按规定摆放,有无堆放不稳、过期等情况。
3. 检查工作面的通风设施是否正常运行,有无堵塞、漏风等情况。
4. 检查工作面的照明设备是否正常使用,有无亮度不足、灯具破损等情况。
5. 检查工作面的作业人员是否佩戴安全帽、防尘口罩等必要的个人防护装备。
6. 检查工作面的作业人员是否按规定进行工作,有无违反操作规程、违章行为等情况。
四、应急救援和应急预案检查1. 检查综采工作面的应急救援设备是否齐全,如急救箱、呼吸器等,确认其是否处于有效状态。
2. 检查综采工作面的应急预案和疏散路线是否制定并张贴在显眼位置,是否为作业人员进行了必要的培训。
3. 检查综采工作面的通信设备是否正常运行,有无信号不稳定、无法通讯等问题。
五、作业人员检查1. 检查综采工作面的作业人员是否符合上岗资格,是否持有有效的操作证件。
2. 检查综采工作面的作业人员是否接受过必要的安全培训和岗前培训。
3. 检查综采工作面的作业人员是否严格按照操作规程进行作业,有无违章操作、安全意识差等情况。