砌体包管现场施工工法试行.docx
- 格式:docx
- 大小:235.24 KB
- 文档页数:5
砌体工程专项施工组织方案一、项目概况本项目是一座住宅小区的砌体工程,包括建筑物的墙体、隔墙、烟道等砌体部分,总建筑面积为X平方米。
施工周期为X个月。
二、施工目标1.按照设计图纸要求,完成所有砌体工程。
2.确保施工质量,避免砌体出现开裂、空鼓等质量问题。
3.做好施工过程中的安全管理,保证施工人员的安全。
三、施工组织1.总体施工方案根据项目特点和施工条件,制定以下施工方案:1)施工分包:将砌体工程分为若干分包任务,分包给不同的施工队伍进行施工。
2)施工工序:按照墙体→隔墙→烟道的工序进行施工,确保施工进度和质量。
3)施工队伍:组织由专业砌筑工人组成的施工队伍进行施工,施工人员应熟悉砌体工艺,并具备相关操作证书。
4)施工设备:准备好钢筋剪、螺纹钢剪、测量仪器、搅拌机等必要施工设备。
2.施工流程图3.项目管理1)建立施工现场的安全管控区域,在施工现场设置必要的警示标志和围栏,确保施工人员和周围环境的安全。
2)每日施工前,施工管理人员应进行安全交底,明确施工任务和相关安全事项,并提醒施工人员使用个人防护装备。
3)施工人员应按照工艺要求进行作业,避免使用质量不合格的材料。
4)定期组织施工质量检查,发现问题及时整改。
包括检查墙体、隔墙的垂直度、平整度和抗压强度等。
四、施工进度计划制定详细的施工进度计划,合理安排每个分包任务的施工进度,并与相关供应商和施工队伍进行沟通和协调,确保施工进度的顺利进行。
五、安全措施1)施工过程中,要加强对高处作业的管理,设置安全防护网和安全带等措施,确保施工人员的安全。
2)施工现场要保持整洁,定期清理施工现场的杂物和垃圾,避免滑倒和事故发生。
3)施工人员应定期参加安全培训,了解施工现场的安全风险和应对措施。
4)针对特殊环境和特殊工艺的施工,要制定详细的安全操作方案,并严格执行。
六、质量保证1)施工人员应按照图纸要求和工艺要求进行施工,严禁违章施工和擅自改变施工工序。
2)施工过程中,要对材料进行抽检,确保材料质量符合要求。
******第一章工程概况及编制依据1、综合说明:重庆屋之巧装饰材料有限责任公司新建厂区工程位于重庆市九龙坡区西彭。
本工程由四川XX建筑勘测设计有限公司设计,重庆XX建设监理有限公司实施监理工作,重庆XX建筑工程有限公司承建。
本工程由1#-5#厂房组成,1#、2#厂房为地上5F,为三类建筑,建筑总高度为22.5m;3#、4#厂房为地上3F,屋面为H型钢屋面,为丙类厂房,建筑总高度为16.5m;5#厂房为地上3F,屋面为H型钢屋面,为丁类厂房,建筑总高度为22.5m;总建筑面积约37103.7㎡。
2、编制依据:《工程建设标准强制性条文》2002年制《建筑工程施工质量验收统一标准》GB50300-2001《砌体工程施工质量验收规范》GB50203-2011《住宅工程质量通病控制技术规程》DBJ/T50--074--2008《钢筋砼过梁》03G322-1《框架轻质填充墙构造图集--烧结空心砖填充墙》西南05G701(四)第二章施工目标1、质量目标:施工过程中,标准层按每三层划为一个检验批,根据《建筑工程施工质量验收统一标准》(GB50300-2011)、《砌体工程施工质量验收规范》(GB50203-2011)并结合重庆市优质结构工程评选办法的相关要求进行验收,保证填充墙砌体分项工程符合验收规范及评优的要求。
2、进度目标:按项目部总体进度计划的要求实施。
第三章施工准备1、主要材料准备(1)、砖:烧结页岩空心砖规格为: 190×115×200mm,容重≤8.0KN/m3,12孔;配砖:95×53×200mm。
(2)、水泥:大厂生产合格的普通硅酸盐32.5#水泥。
(3)、砂:特细砂(4)、冷镀锌钢丝网:0.8mm直径。
2、各种资源准备(1)劳动力需用量及进出场计划(详见施工组织设计)。
(2)材料需用量及进出场计划:由专项施工员每月23日前提供每月需用计划。
(3)机械设备需用量及进出场计划(详见施工组织设计)。
二次结构砌体包管施工工法二次结构砌体包管施工工法一、前言二次结构砌体包管施工工法是一种常见的结构施工技术,它具有高效、安全、节约材料等特点,适用于各种建筑工程。
本文将对该工法的特点、适应范围、工艺原理、施工工艺、劳动组织、机具设备、质量控制、安全措施以及经济技术分析进行详细介绍,并通过一个工程实例来加深对该工法的理解。
二、工法特点二次结构砌体包管施工工法具有以下几个特点:1. 高效:采用模板一次性灌浆施工,节省了大量的工序和施工时间。
2. 安全:采用力学连接方式,保证了施工过程的稳定和安全。
3. 节约材料:施工过程中,只需要原材料砌砖和灌浆,不需要额外的材料和消耗。
4. 环境友好:施工过程中不会产生有害物质和垃圾。
三、适应范围二次结构砌体包管施工工法适用于各种建筑工程,特别适合于高层建筑、桥梁、隧道等大型工程。
它可以满足不同工程对结构强度、建造效率和施工安全的要求,具有广泛的适应性。
四、工艺原理二次结构砌体包管施工工法的工艺原理是将砌体与混凝土包管进行结构连接,增强结构的整体承载能力。
施工中采取了以下技术措施:1. 模板安装:根据设计要求,安装模板与原结构连接,形成一个封闭的空间。
2. 砌体砌筑:在模板内进行砌体砌筑,确保砌体与原结构之间的紧密连接。
3. 灌浆施工:完成砌体后,采用灌浆的方式填充空隙,将砌体与混凝土包管连接起来。
五、施工工艺施工工艺主要包括以下几个阶段:1. 确定施工方案和准备施工材料。
2. 安装模板和脚手架。
3. 砌体砌筑:采用专用胶粘剂将砖块按照设计要求进行砌筑。
4. 灌浆施工:选择适当的灌浆材料,按照一定的比例进行灌浆。
5. 拆卸模板和脚手架,进行收尾工作。
六、劳动组织该工法需要设立专门的工班,包括工长、技术员、砌筑工、灌浆工、机械操作员等。
根据具体工程规模和施工周期,确定合理的劳动力数量和工作分工。
七、机具设备主要机具设备包括:起重机、搅拌机、搅拌车、灌浆泵、模板等。
根据具体的工程需求,选择合适的机具设备,并保证其正常运行和维护。
“砌体包管”施工工艺演示砌体墙机电管线埋设一般是采用开槽开洞的方法,容易造成墙面空鼓、开裂的质量通病。
预制块(件)的运用,配合“砌体包管”施工工艺和砌体集中加工、集中配送的施工方法可以有效提升砌体质量,降低后续粉刷工序的空鼓、开裂。
学习行业标杆规范化的施工工艺1、砌体二次深化设计根据施工合同、建筑施工图纸进行砌体深化设计,形成精确砌块排布图,其内容包括:立面整体排版、墙体拉结筋位置、电箱电盒框位置及大小、砌块清单等。
2、水电管线布置二次深化设计为提高包管砌体施工质量,需对水电管线进行优化,调整其布置位置,内容包括:梁内管线布置、混凝土面上管线布置、卫生间内上水管定位等。
3、控制与调整通过水电管线布置、砌体深化设计,把电管线布置在墙中,混凝土面电管线采用扎丝双向绑扎方式进行定位,沿墙长方向定位要准确,开关插座等管线上下接时垂直。
4、配砖加工配砖加工需搭设专用操作棚、操作平台,采用路面切割机、型材切割机进行切割。
标准配砖,按砌体深化设计图纸配砖尺寸进行统筹安排,合理使用整砖,不造成砖块浪费。
包管配砖,及开口配砖,可根据墙体实际情况自行设计,但一定要满足上下皮砖错缝原则设计,配砖的数量与尺寸按砌体深化图纸生产。
5、砌体放线除一般施工过程放线(隔墙、门洞口的位置线)外,还需弹出墙体施工300控制线,电盒水平中心位置线,电箱水平边线等,以便于砌体包管时施工。
6、水电管线安装砌体放线后,应对预埋的电管线进行纠偏、疏通等,并把开关线管下接、插座线管上接以及排布电箱线管等。
厨卫间除安装电管线外,还需接给水管,为保证质量,可以先安装厨卫翻边混凝土部分的给水管线。
7、配砖运输和装卸标准配砖应按每个墙面设计的配砖尺寸,运输至楼层分开就位。
应避免尺寸相差较小砌块混淆使用,影响墙面砌体排版效果。
8、排砖定位按深化图中墙面立面图排版尺寸严格定位,在基层面上,用卷尺先分好尺寸,画出起头砖、构造柱边砖等,分好砖与砖间灰缝宽度。
砌体包管施工工法(试行)1.适用范围本工法较适用于框架结构的房建工程,砌体工程一般采用普通砖、多孔砖、空心砖及加气混凝土砌块的工程,尤其对采用页岩砖的砌体工程特别适用。
2.特点本工法的特点主要有以下几个方面:2.1不开槽、补槽:砌体水电管线预埋可不用开槽、补槽,墙体砖(砌)块、水电管线同步把墙砌筑完成。
2.2节省工期:在施工进度安排中,可以提前进入装修施工,无需等待墙面水电管线预埋后进行。
2.3防止通病:通过砌体与水电管线预埋的一次性施工,避免开槽后松动墙体引起的外墙头缝渗水、门框松动闭门不严等,以及避免开槽、补槽后造成墙面抹灰层易空鼓、开裂等。
2.4节约材料、节约人工:推行“工厂化”生产,采用标准化切割生产,不再有砍砖,浪费砖块。
预制块、过梁制作方面,采用主体施工时建筑垃圾,节材又环保;合理优化工种及工效,节材同时节约人工。
抹灰时,不需要为水电管线槽配专用的钢丝网,节约成本。
3.施工准备3.1技术准备3.1.1砌筑前,应认真熟悉图纸,核实填充墙位置、门窗洞口位置及洞口尺寸,明确预埋、预留位置,算出窗台及圈梁标高,熟悉相关构造及材料要求。
3.1.2使用的砂浆,应由厂家试验室出具完整的砌筑砂浆配合比试验报告。
3.1.3测量放线根据图纸进行测量放线工作。
要放出墙身位置线及门窗洞口和构造柱的位置线。
经复核无误后用红色油漆在留洞等位置斜对角描出三角控制标志,以防破坏。
根据校测后的楼层标高控制点在结构墙、柱上抄测楼层1米(建筑)标高线,复核无误后用红三角标识。
3.1.4对水电线管深化设计,按照图纸进行排砖定位。
3.2、机具准备砌筑工程主要使用的机具设备主要包括:预拌砂浆灌或搅拌机、磅秤、施工电梯、配砖切割机、手推车、铁锹、灰桶、皮数杆、托线板等。
3.3材料准备3.3.1砌块:所使用的砖应符合现行规范的要求,并满足节能的要求,满足现场进度的需要。
3.3.2砂浆:满足现场需要。
3.3.3混凝土:构造柱及圈梁为C25混凝土,反坎为C20混凝土,均采用商品混凝土。
砌体包管施工工法砌体包管施工工法一、前言砌体包管施工工法是一种常用的建筑施工工法,适用于多种不同类型的建筑项目。
它以砌体结构为基础,在施工过程中采取一系列技术措施,以确保施工质量和安全。
本文将介绍砌体包管施工工法的特点、适应范围、工艺原理、施工工艺、劳动组织、机具设备、质量控制、安全措施、经济技术分析和工程实例等方面内容。
二、工法特点砌体包管施工工法的特点如下:1. 采用砌体结构,具有较好的承重性能和建筑物整体稳定性。
2. 通过采取包裹砌体的方式,增强了砌体之间的粘结力,提高了整体结构的抗震性能。
3. 工艺简单、施工容易,适用于各种规模的建筑项目。
4. 施工速度快,能够在较短的时间内完成建筑物的主体结构。
5. 技术成熟、经验丰富,广泛应用于建筑行业,具有较高的可靠性和可行性。
三、适应范围砌体包管施工工法适用于以下建筑项目:1. 住宅建筑:适用于高层、别墅等各种类型的住宅建筑。
2. 商业建筑:适用于商业综合体、购物中心、酒店等商业建筑。
3. 工业建筑:适用于工厂、仓库、车间等工业建筑。
4. 文化建筑:适用于图书馆、博物馆、剧院等文化建筑。
5. 公共建筑:适用于学校、医院、体育馆等公共建筑。
6. 基础设施:适用于桥梁、隧道、地铁等基础设施建设。
四、工艺原理砌体包管施工工法的工艺原理主要是通过增加砌体结构的包裹层,提高整体结构的稳定性和抗震性能。
具体的工艺原理包括以下几点:1. 选择合适的砌体材料,如砖、混凝土块等,确保其质量符合设计要求。
2. 在施工过程中,采用适当的砌缝形式,如普通摊铺、毛刷砌缝等,增加砌体之间的粘结力。
3. 钢筋的加固,通过在砌体中央设置钢筋网,使整体结构更加坚固。
4. 采取分段施工的方式,减少由于整体砌体收缩引起的裂缝。
五、施工工艺砌体包管施工工法的施工过程主要包括以下几个阶段:1. 地基处理:对地基进行平整、加固等处理,为后续的砌体施工做好准备。
2. 砌体施工:按照设计要求,依次进行砖砌、砼浇筑等工序,形成砌体结构。
砌体包管施工工法砌体包管施工工法一、前言砌体包管施工工法是一种在建筑施工中常用的技术,通过砌筑砖石和使用合适的材料,形成一个结构稳定、可靠的墙体。
该工法具有较好的适应性和经济性,被广泛应用于建筑工程中。
二、工法特点1. 构造简单:该工法采用砝码、支架、墙体和边框等组件构成,结构简单直观,易于理解和施工。
2. 施工工艺可控:该工法采用分段施工的方式,每段施工细节都能被准确控制,确保施工质量和效果。
3. 施工效率高:该工法适用于大面积砖石的砌筑,可以有效提高施工速度和效率。
4. 施工成本低:该工法使用的材料简单,不需要特殊设备和工具,可以降低施工成本。
5. 结构稳定:该工法砌筑的墙体结构坚固、牢固,具有较强的承重能力和抗震性能。
三、适应范围该工法适用于多种建筑类型和工程需求,包括住宅、商业建筑、工业建筑等。
适用于地下室、地下通道、墙体、护坡等需要结构稳定、耐久的场所。
四、工艺原理砌体包管施工工法的核心原理是通过砌筑砖石和运用合适的材料,形成一个稳定的墙体结构。
该工法依靠施工工艺和技术手段来提高施工质量和效率。
具体措施包括:选用合适的砖石材料、施工方案设计、墙体砌筑、背填材料、墙面养护等。
五、施工工艺1. 基础准备:清理基底、找平基底、安装放线桩等。
2. 基础处理:按设计要求做好柱基座、墙下端砌筑或边框的施工。
3. 墙体砌筑:根据设计图纸和实际情况砌筑墙体,使用砖石和砂浆进行砌筑,在砌墙过程中保持垂直、水平和整齐。
4. 包管施工:使用合适的材料填充墙体中的空隙和缝隙,增强墙体的稳定性和抗震能力。
5. 后续处理:清理施工现场,做好养护工作,确保施工质量和效果。
六、劳动组织该工法需要合理组织施工人员的分工和协作,保证施工工艺和步骤的正确执行。
劳动组织应包括现场管理、施工人员组织、安全保障等方面。
七、机具设备该工法所需的机具设备包括砌筑工具、倾斜仪器、砼灌装设备、抹灰机器、脚手架等。
这些机具设备的选用应根据施工规模和具体要求来确定。
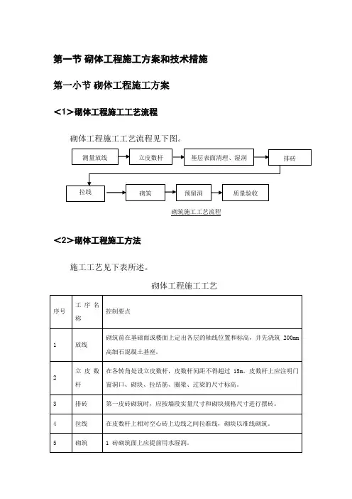
第一节砌体工程施工方案和技术措施
第一小节砌体工程施工方案
<1>砌体工程施工工艺流程
砌体工程施工工艺流程见下图。
砌筑施工工艺流程<2>砌体工程施工方法
施工工艺见下表所述。
砌体工程施工工艺
第二小节砌体工程技术措施
<1>砌体工程工期控制技术措施
为了保证工期的顺利实现,砌体施工时从裙房结构施工完开始插入地下室砌体施工,配备足够的劳动力。
<1.1>砌体工程质量控制技术措施
1质量验收标准,砌体工程质量标准一览表如下。
砌筑工程质量标准
<1.2>2.2.2砌体质量控制措施
①砌体与混凝土柱或墙之间要用拉结筋连接,使两者连成整体。
②砌体顶部与框架梁板接槎处20~30mm空隙,用混合砂浆封堵。
③砌块提前一天浇水湿润,砂浆灌缝要饱满,尤其立缝,施工过程中极易忽视,砂浆不饱满,透缝、隔音效果不好,整体性差。
④砌体工程应紧密配合安装各专业预留预埋进行,在总包单位统筹管理下,合理组织施工,减少不必要的损失和浪费。
⑤砌体施工如在冬期进行,施工时注意外围提前进行封闭,各种通道口采用彩条布及双草帘遮挡,所用砌筑砂浆按配比要求掺加防冻剂,砌筑完后及时用草帘进行覆盖。
<2>砌体工程安全控制技术措施
砌筑安全措施见下表所述。
砌筑工程安全措施
<3>砌体工程环保控制技术措施
1施工时必须配备收集砌体落地灰、碎砖等材料及时收集清理落地材料,放入设置的垃圾池内,并及时清理。
2当天施工结束后的剩余材料及工具应及时入库,不许随意放置。
3施工时提前对材料进行洒水湿润,注意控制长流水,节约用水。
砌体包管施工工法(一)引言概述:砌体包管施工工法是一种常用于建筑工程中的施工方法,用于加固墙体结构和提升建筑整体强度。
本文将详细介绍砌体包管施工工法的原理、步骤和注意事项,并探讨其在建筑工程中的应用。
正文内容:1. 墙体包管的原理- 墙体包管是通过在原有墙体表面外侧增加一个新的包管层,以提升墙体整体结构强度和稳定性。
- 包管层可采用砖、混凝土或其他材料,具有较高的抗压和抗震能力。
- 墙体包管可以有效分担水平荷载和垂直荷载,减少墙体的应力集中,提高抗震性能。
2. 砌体包管施工步骤a) 准备工作- 对原有墙体进行勘测和评估,了解墙体的状况和承载能力。
- 选用适合的包管材料和工具,准备施工所需的人员和设备。
b) 清理和处理墙体表面- 清除墙体表面的灰尘、油污和老化材料,确保包管材料能够牢固附着。
- 对墙体表面进行处理,如打磨、刷胶等,提高包管层与原墙面的粘结力。
c) 安装包管材料- 将包管材料按照设计要求进行切割和安装,确保包管层的均匀性和牢固性。
- 使用专用胶水或焊接等方式将包管材料与原墙面进行连接,增加整体强度。
d) 加固和填充- 在包管层内部添加钢筋或加固材料,提升墙体的抗拉和抗弯能力。
- 针对墙体存在的裂缝或空隙,采用填充材料进行修补,增加墙体的密实性。
e) 完工和验收- 完工后进行包管层的检查和破损修补,确保包管施工的质量和精度。
- 进行包管层的验收,保证施工符合相关标准和要求。
3. 砌体包管施工的注意事项- 需要针对具体工程情况进行设计和施工方案制定,确保施工效果和安全性。
- 严格控制施工过程中的质量和材料选用,以确保包管层的稳定性和可靠性。
- 对已存在的裂缝、脱落等问题部位,需提前进行修补和加固,以减少未来潜在风险。
- 在施工过程中要注意施工工人的安全防护,确保施工现场的安全和秩序。
4. 砌体包管施工的应用范围- 砌体包管施工工法适用于不同类型的墙体,如砖砌墙、混凝土墙等。
- 在地震频发的地区,砌体包管施工可以增加墙体的抗震能力,提高建筑的安全性。
砌体包管施工工法砌体包管施工工法一、前言砌体包管施工工法是一种常用的施工方法,特别适用于建筑物的砌体结构施工。
本文将介绍砌体包管施工的工法特点、适应范围、工艺原理、施工工艺、劳动组织、机具设备、质量控制、安全措施、经济技术分析以及工程实例。
二、工法特点砌体包管施工工法的特点有:1. 工法简单易行,施工周期较短。
2. 适用范围广泛,可用于不同类型的建筑物砌体结构的施工。
3. 施工效果好,可以较好地保证施工质量和结构的稳定性。
三、适应范围砌体包管施工工法适用于各种规模的建筑工程,包括住宅、商业建筑和公共设施等。
特别适用于多层、高层建筑的砌体结构施工。
四、工艺原理砌体包管施工工法是将砌体结构在施工过程中进行包管,即在砌体建筑的每一层进行水平和垂直方向的勾筋加固。
这样可以增强砌体结构的稳定性和承载力,提高建筑物的整体结构安全性。
具体采取的技术措施包括:使用钢筋、龙骨和锚固件等进行加固,合理布置勾筋和连接件,使砌体结构形成整体承力体系。
五、施工工艺砌体包管施工工法的施工工艺包括以下几个阶段:1. 建筑设计与准备阶段:根据建筑设计图纸,确定砌体包管施工的具体要求,包括勾筋位置、龙骨设备等。
2. 基础施工阶段:进行地基基础的开挖、土方回填和地基垫层的施工。
3. 砌体墙体施工阶段:依据设计要求进行砌体墙体的施工,包括砌筑砌体、埋设勾筋和连接件。
4. 包管施工阶段:对已经砌筑完成的墙体进行包管施工,包括龙骨的安装、勾筋的加固和连接件的设置。
5. 完工阶段:对施工完成的砌体墙体进行检查、清理和整理工作。
六、劳动组织砌体包管施工工法需要组织设计、技术、人力、物资等多方面的资源。
具体的劳动组织包括项目经理、施工队长、技术员、砌筑工、勾筋工等人员,他们协同工作,共同完成施工任务。
七、机具设备砌体包管施工工法需要使用一些机具设备进行施工,例如:砌筑工具、勾筋工具、水平仪、千斤顶、电动钻等。
这些机具设备能够提高施工效率,保证施工质量。
砌体包管施工工法(二)引言概述:砌体包管施工工法(二)是一种常用的建筑施工方法,用于砌筑围墙、建筑外墙等结构。
该工法通过逐层砌筑砖块,并在砌体内部加入钢筋、水泥浆等材料,提高结构的强度和稳定性。
本文将重点介绍砌体包管施工工法(二)的工艺流程和具体施工要点。
正文:1. 工艺流程a. 确定施工范围:根据建筑设计图纸,确定砌体包管的具体位置和范围。
b. 准备材料和工具:准备所需的砖块、水泥浆、钢筋等材料,并配备相应的工具和设备。
c. 基础处理:在围墙或外墙的基础上进行处理,确保基础的平整和牢固。
d. 砌筑砖块:按照设计要求,逐层砌筑砖块,并在每层砌筑过程中做好浇筑水泥浆的工作。
e. 加入钢筋:根据结构要求,适时加入钢筋,并注意合理布置和连接。
f. 浇筑水泥浆:在砌筑过程中,不断浇筑水泥浆,并使用锤子轻敲,使其充分填充,并提高砌体的密实性。
g. 完成施工:待砌筑工作完成后,进行养护和修整,确保结构的坚固和整齐。
2. 施工要点a. 砌体选择:选用质量好、尺寸一致的砖块,确保砌筑的稳定性和美观度。
b. 砂浆比例:控制好砂浆的配比,保证砌筑质量,一般采用1:3的水泥砂浆比例。
c. 混合砂浆:在搅拌砂浆时,采用机械搅拌,使混合均匀,确保水泥充分与沙子和水混合。
d. 砌筑顺序:按照从下往上、从内到外的顺序进行砌筑,保证结构的稳定和外观的整齐。
e. 加入钢筋:根据设计要求,加入适量的钢筋,并注意钢筋与砖块的连接和固定。
f. 水泥浆浇筑:在砌筑过程中,及时浇筑水泥浆,并用锤子轻敲,使其充分填充整个砌体空隙。
g. 养护和修整:施工完成后,对砌体进行养护和修整,保证围墙或外墙的整体性和美观度。
3. 注意事项a. 施工安全:施工过程中,要注意安全防护,使用合格的安全帽、安全绳等个人防护设备。
b. 设备运输:运输设备时,要确保设备的稳定和安全,避免损坏设备或其他施工材料。
c. 环境保护:施工过程中,要注意环境保护,严禁乱丢弃建筑垃圾和污水,做到垃圾分类和污水处理。
砌体工程施工管理规范一、施工前的准备工作1、施工单位需对施工现场进行认真的勘察,了解地基情况、周边环境情况等。
2、施工单位需制定详细的施工计划和施工方案,明确施工的时间节点和施工的方法。
3、施工单位需对施工材料进行检查和验收,确保质量合格。
二、施工现场管理1、施工现场需设立专门负责施工管理的人员,对施工进度、安全等进行监督。
2、施工现场应按照规范搭建安全的施工搭棚,保障工人的安全施工。
3、施工单位需配备专业的施工人员,并规范施工作业流程,杜绝违章操作。
三、混凝土砌体工程施工管理1、混凝土砌体工程施工前需对基础进行检查,确保基础质量合格。
2、混凝土砌体施工时,需按照设计要求合理布置砌筑工艺,确保砌筑质量。
3、混凝土砌体工程施工中,需对混凝土质量进行检查,保证施工质量。
四、砖砌体工程施工管理1、砖砌体工程施工前需对砖材料进行检查,保证质量合格。
2、砖砌体施工过程中,需对砌体墙体进行垂直度、水平度等检查,确保施工质量。
3、砖砌体工程施工中,需严格按照设计要求和施工规范进行施工,保证砌筑质量。
五、安全管理1、施工单位需建立健全的安全生产管理制度,严格执行各项安全规定。
2、施工现场应配备必要的安全设施,保障施工人员的安全。
3、施工单位应定期进行安全教育和培训,增强员工的安全意识。
六、质量管理1、施工单位需建立完善的质量管理体系,确保施工质量。
2、施工单位应配备专业技术人员进行质量监控,及时发现和纠正质量问题。
3、施工单位需对施工过程和成果进行验收,确保工程质量达标。
七、进度管理1、施工单位需制定详细的施工计划,按计划合理安排施工进度。
2、施工现场应及时跟进施工进度,做好进度控制和调整。
3、对于施工中出现的延期情况,需及时报告相关部门或单位,协商解决方案。
八、成本管理1、施工单位需合理控制施工成本,并确保按照合同约定履行。
2、施工单位应加强成本核算和管理,做到成本控制有效。
3、施工单位需定期进行成本分析,及时调整施工方案,降低施工成本。
可编辑修改精选全文完整版砌体工程施工方案本工程砌筑内外墙均为200(或100)厚蒸压加气混凝土砌块(砌筑砂浆强度为M5),构造柱、圈梁等二次结构混凝土强度为C25。
1、施工工艺施工准备(包括放线、立皮数杆、湿润楼面)→植筋→构造柱钢筋绑扎→排砖撂底(厨卫间浇筑混凝土反坎)→砌砖(包括双面勾缝)→构造柱混凝土模板→混凝土浇筑→拆模→顶砌(不少于14d)→养护(1)、砌块施工前将楼面清理干净,剔除表面灰浆,每层楼层要在地面弹出墙身线,及门窗洞口位置线,经复核符合图纸要求后方可进行下道工序。
砌块使用前提前1d 浇水湿润。
(2)、砌体工程施工前核对好放样尺寸,核对实际的轴线、尺寸、位置、标高、门窗的实际尺寸是否与设计相符;使用的砌筑预埋件,其规格质量要符合设计要求。
结构经验收合格后,把砌筑基层楼地面的浮浆残渣清理干净,并根据设计图纸进行墙身、门窗洞口位置弹线,同时在结构墙柱上标出标高线。
(3)、立皮数杆(采用30mm×40mm木料制作,一般距墙皮或墙角50mm为宜,皮数杆应垂直、牢固、标高一致。
确定基座、拉结筋间距、门顶过梁、水平系梁、窗台、砌块皮数的高度。
每层开始时从转角处或墙定位处开始,用大铲铺灰均匀,每层均拉线控制砌体标高和砌块平整度。
砌块应每皮顺砌,竖缝应互相错开1/2主规格砌块长度。
(4)、砌筑隔墙时,按墙宽尺寸,预先试排砌块,并优先使用整体砌块。
不得已须断开砌块时,使用手锯、切割机等工具锯裁整齐,并保护好砌块的棱角,锯裁砌块的长度不应小于砌块总长度的1/3。
长度小于等于200mm的砌块不得上墙。
凡厕、厨外阳台等经常受干湿交替作用的墙体根部房间的墙体部位应设置高出楼地面不小于200mm强度等级C20的现浇混凝土坎台,厚度与墙体同。
其余房间砌筑最底层砌块时,从梁底向下排砖,使用水泥砖砌筑砌筑高度不小于200mm,不少于3皮,上下皮灰缝应错开搭砌。
加气混凝土砌块搭砌长度不应小于砌块总长的1/3。
铺管和砖砌体安全操作规程范本一、总则1. 本操作规程适用于铺管和砖砌体施工作业,以确保人员安全、工程质量并遵守相关法律法规。
2. 所有参与施工作业的人员必须严格遵守本规程,加强安全意识,严禁违反操作规程进行施工。
3. 所有参与施工作业的人员必须严格遵守岗位责任,做好相关的人身防护、设备维护和施工管理。
二、人身防护1. 所有施工人员必须佩戴安全帽,确保头部的安全。
2. 对于高空作业,必须佩戴安全带,进行固定,防止坠落事故发生。
3. 砖砌体施工时,必须穿戴适当的防护手套,防止手部受伤。
4. 在施工作业中,禁止穿拖鞋、高跟鞋等不合适的鞋类,必须穿戴防滑鞋。
三、电器安全1. 在施工现场应确保所有电器设备符合国家安全标准,定期检查维护,防止电气火灾事故。
2. 操作人员必须熟悉电器设备的操作方法,不得私自进行拆卸和修理,必须专人负责维护。
四、设备维护1. 施工作业前,必须对所使用的施工设备进行全面检查,确保其安全、易用、功能完好。
2. 使用叉车等运输设备时,必须有专人操作,确保操作规范、安全。
3. 设备使用完毕后,必须进行清洁、维护,确保下次使用时功能完好。
五、施工现场管理1. 工地内必须设立合适的安全警示标志,确保施工作业人员能够清晰了解相关安全信息。
2. 施工现场应保持整洁有序,避免杂物堆放和道路障碍物。
3. 对于较大的施工现场,应设置适当的安全区域和隔离警示线,以保护外来人员和施工人员的安全。
4. 施工现场应设立专门的材料堆放区域,合理安排材料摆放,确保不影响施工作业。
5. 施工作业前,必须进行必要的检查,确保施工现场符合安全要求。
六、危险源防控1. 在施工现场中,必须严禁吸烟和明火操作,以防止火灾事故。
2. 施工现场中应设立明确的防护区域,避免人员靠近高墙、悬崖边缘等危险区域。
3. 施工现场应设有紧急救援设备和消防器材,并指定人负责检查和维护。
4. 施工作业现场应有明确的指挥和管理人员,及时解决施工中出现的安全问题。
砌体工程施工规程一、施工准备1.1 技术准备:在施工前,要完成轴线复测,熟悉图纸,做好施工平面布置,划分好施工段,安排好施工流水,工序交叉衔接安排等工作。
编制工程材料、机具、劳动力的需求计划。
完成进场材料的见证取样,检验及砌筑砂浆的试配工作。
组织施工人员进行技术质量、安全生产、文明施工交底。
弹好轴线及墙身线,根据进场砌块的实际规格尺寸,弹出门窗洞口位置线,经验线符合设计要求,办完预检手续。
根据设计标高要求立好皮数标。
1.2 主要施工机具设备:砂浆搅拌机,塔式起重机,提升架,切割机,手推车。
铁铲、砖刀、托线板、开缝铁皮、网线、皮数杆、灰桶、砖夹子、软水管、筛子、铁板、扫帚、手锯、灰头、吊篮等。
水准仪、靠尺、卷尺、水平尺、线铊、磅秤、托线板、砂浆试模。
1.3 材料准备:空心砌块,砖的品种、规格、强度、容重、放射性等必须符合设计要求,规格应一致。
有出厂证明、试验报告单。
一般用32.5级矿渣硅酸盐水泥或普通硅酸盐水泥,有出厂证明,复试报告。
砂:宜用中砂,过5mm孔径筛子。
砂含泥量不超过5%,不含草根块状泥等杂物。
掺合料:石灰要充分熟化,禁止使用脱水硬化的石灰膏。
水:用自来水。
二、施工工艺流程2.1 基础砌筑:按照基础组砌图,放出砌体基础的边线和中线,根据标高控制线侧出水平标高。
根据砌块尺寸和灰缝厚度制作皮数杆。
按照设计要求砌筑基础,注意基础的防水、防潮处理。
2.2 墙体砌筑:按照墙体组砌图,放出墙体的边线和中线,根据标高控制线侧出墙体的高度。
根据砌块尺寸和灰缝厚度制作皮数杆。
按照设计要求砌筑墙体,注意墙体的稳定、抗震、防火处理。
2.3 门窗洞口处理:在砌筑墙体时,注意预留门窗洞口。
待墙体砌筑完成后,按设计要求进行门窗框的安装,注意门窗的密封、防水处理。
2.4 构件安装:按照设计要求,进行构造柱、过梁等构件的安装,注意构件的连接、固定、防水处理。
2.5 砌体抹灰:待砌体砌筑完成后,进行砌体抹灰,注意抹灰的厚度、均匀度、压实度。
铺管和砖砌体安全操作规程一、总则1. 本规程的制定目的是为了确保铺管和砖砌体施工过程中的安全,保护施工人员的身体健康,并防止事故的发生。
二、施工前的准备工作1. 确保施工现场安全,清理地面杂物,确保施工区域没有其他危险物品。
2. 查看施工材料的质量,如砖块有无开裂、瓦解等现象,管材有无变形、损坏等情况,如有问题应及时更换。
3. 确保施工人员具备相关操作技能,并了解施工过程中可能遇到的风险和应对措施。
三、管道安装操作规程1. 使用合格的管件和管材,严禁使用有裂纹、变形等缺陷的管材。
2. 在铺设管道前,应先进行管道布局,标明管道走向、连接方式等,确保管道铺设的准确性。
3. 在铺设过程中,需保持管道的平直和水平状,并严禁弯曲、扭曲管道。
4. 在管道连接处应使用合适的连接件,并确保连接牢固、无渗漏。
5. 在管道施工过程中应注意防火安全,禁止使用明火,并定期检查施工区域的消防设备是否完好。
四、砖砌体施工操作规程1. 使用合格的砖块,检查砖块是否有裂纹、瓦解等情况,如有问题应及时更换。
2. 在砌筑之前,应先将墙体布局绘制好,并标明墙体厚度、高度等要求。
3. 在砌筑过程中,应保持砖块的整齐排列,并用水平仪检查墙体的垂直度和水平度。
4. 砌筑过程中的砖缝应保持整齐、一致,并及时清理砂浆溢出的部分。
5. 在砖砌体施工过程中应注意防止墙体倾斜,增加支撑,保证墙体稳定。
五、安全防护措施1. 施工人员应戴好安全帽、防护眼镜、防护鞋等个人防护装备。
2. 施工现场应设置明显的安全警示标志,防止无关人员进入施工区域。
3. 在高空作业时,应设置安全网或者灵活可靠的防护措施,防止跌落事故的发生。
4. 在搬运重物时,应使用合适的搬运工具,并遵循正确的搬运姿势,防止腰椎及其他部位受伤。
5. 在施工现场应设置合适的通风设备,保证施工人员的呼吸道畅通,并防止空气中有害气体的积聚。
六、应急处理措施1. 施工现场应配备合适的急救箱和急救设备,并安置在容易被看到和取得的位置。
精心整理
砌体包管施工工法(试行)
1.适用范围
本工法较适用于框架结构的房建工程,砌体工程一般采用普通砖、多孔砖、空心砖及加气混凝
土砌块的工程,尤其对采用页岩砖的砌体工程特别适用。
2.特点
本工法的特点主要有以下几个方面:
2.1 不开槽、补槽:砌体水电管线预埋可不用开槽、补槽,墙体砖(砌)块、水电管线同步把
墙砌筑完成。
2.2 节省工期:在施工进度安排中,可以提前进入装修施工,无需等待墙面水电管线预埋后进
行。
2.3 防止通病:通过砌体与水电管线预埋的一次性施工,避免开槽后松动墙体引起的外墙头缝
渗水、门框松动闭门不严等,以及避免开槽、补槽后造成墙面抹灰层易空鼓、开裂等。
2.4 节约材料、节约人工:推行“工厂化”生产,采用标准化切割生产,不再有砍砖,浪费砖
块。
预制块、过梁制作方面,采用主体施工时建筑垃圾,节材又环保;合理优化工种及工效,节材
同时节约人工。
抹灰时,不需要为水电管线槽配专用的钢丝网,节约成本。
3.施工准备
3.1 技术准备
3.1.1砌筑前,应认真熟悉图纸,核实填充墙位置、门窗洞口位置及洞口尺寸,明确预埋、预留位
置,算出窗台及圈梁标高,熟悉相关构造及材料要求。
3.1.2使用的砂浆,应由厂家试验室出具完整的砌筑砂浆配合比试验报告。
3.1.3测量放线
根据图纸进行测量放线工作。
要放出墙身位置线及门窗洞口和构造柱的位置线。
经复核无误后用红色油漆在留洞等位置斜对角描出三角控制标志,以防破坏。
根据校测后的楼层标高控制点在结构墙、柱上抄测楼层 1 米(建筑)标高线,复核无误后用红三角标识。
3.1.4 对水电线管深化设计,按照图纸进行排砖定位。
3.2 、机具准备
砌筑工程主要使用的机具设备主要包括:预拌砂浆灌或搅拌机、磅秤、施工电梯、配砖切割
机、手推车、铁锹、灰桶、皮数杆、托线板等。
3.3 材料准备
3.3.1 砌块:所使用的砖应符合现行规范的要求,并满足节能的要求,满足现场进度的需
要。
3.3.2 砂浆:满足现场需要。
3.3.3混凝土:构造柱及圈梁为C25 混凝土,反坎为 C20 混凝土,均采用商品混凝土。
3.3.4其它:构造柱、圈梁所用的钢筋、模板等。
3.4 料场布置
砌块在现场分规格进行堆放,堆垛上设立标志牌,标志牌注明砌块厂家、类型、规格、使用
部位、检验状态等,堆放高度不得超过 1.5m。
运输、装卸过程中,严禁抛掷和倾倒。
现场设砌体集中加工区,采用定尺加工,包管砌筑砌体集中加工区。
现场设预拌干粉砂浆贮罐或砂浆搅拌场和相关原材堆场。
砂堆场用C15混凝土硬化,干粉砂浆贮罐处挂牌,标明砂浆配合比。
材料垂直运输采用人货电梯,水平运输采用手推车。
4. 主要施工方法
4.1 工艺流程
水电管线深化设计配砖加工楼层清理
墙体放线
水电管线安装
配砖运输
按图纸排砖定位
预制砖、预制构件制作砌体包管施工配砖包管
电箱电盒砌筑
顶砖砌筑
4.2 施工工艺
4.3 水电管线布置二次深化设计
砌体工程是在主体结构完成后开始的,但部分工作需在开工前就应进行,如水电管线布置的位置,
如何优化一下管线位置来提高包管砌体施工的质量,主要内包括梁内电管布置、混凝土面上管线布置、卫生间内上水管定位等。
梁内管线居墙中布置
梁底管线预埋拆模后效果
4.2 砌体二次深化设计
4.2.1 运用 AutoCAD软件,根据施工合同、建筑说明中的砌体材料类型与尺寸,以及平面图中
的墙体尺寸进行优化设计,把墙体拉结筋位置、立面整体排版、计算每块配砖尺寸、预制成品空调洞位置、预制电箱电盒框位置及大小等等,把平面图内每个墙面用立面图、节点详图的做成一整套施工作业图。
4.2.2 为施工方便,把尺寸长短相差 10mm 以内的配砖,通过调整灰缝大小统一成一个尺寸;
顶砖的高度也应该尽量调整到一个高度,统一三角砖的尺寸
4.3 配砖加工
4.3.1 配砖加工,需搭设专用的操作棚、操作平台,用路面切割机、型材切割机等进行切割。
“4.<4型”预包制管砖配生砖产
按砌体深化设计,预制水泥砖有直角三角砖、等腰三角砖、水泥标准砖等,根据高度顶砖高度“一户型砌体深化作业图”型包管配砖“ L型”包管配砖深化作业图----墙面立面图
与角度、砌体尺寸的高度等,配置专用的钢模制作水泥砖。
4.5 预制构件生产
同预制砖制作,需要专用操作场地,根据砌体深化设计的构件尺寸大小,配置专用的钢模,手
工制作。
有过梁、电箱框、电盒框等。
深化作业图内的各种配砖
单个开关插座 U 型预制块多个开关插座U型预制块
砌体放线除一般施工过程放线(隔墙、门洞口的位置线)施工外,还需弹出墙体施工300 控制线,电盒水平中心位置线,电箱水平边线等,以便于砌体包管时施工。
砌体放线后,应对预埋的电管线进行纠偏、疏通等,并把开关线管下接、插座线管上接
户内强、弱配电箱框预制
厨卫间除安装块电管线外,还需接给水管,为保证质量,可以先安装厨卫翻边混凝土部分
的给水管线
水4.电8配管砖线包安管装水电管线安装
300 控制线电盒位置线
4.8.1 砌体包管根据墙体宽度、水电管线粗细及管线数量的不同,采用的方法也各不相同;
电箱位置线
100-120 砖墙一般采用开口配砖,采用左右对叉的方式,错开竖向灰缝包管。
(100-120)厚墙包管砌筑方法
4.8.2200 或 200 以上砖墙可采用双拼配砖的方式包管;配砖包管后,用砂浆把水电管线周边
空隙塞实,空隙大于 50mm 时应用细石混凝填塞。
( 200-240)厚墙包管砌筑方法
4.9 预制电箱、电盒框砌筑
砌筑时标高及位置为电箱或电盒时,应严格根据深化设计作业图中的标高及位置砌筑预制的电
箱、电盒框。
实图
4.10 梁底顶砖砌筑
顶砖砌筑方法同平砖砌筑方法,在包管时同样用包管配砖进行包管施工,不同的是包管配砖同
顶砖一样需斜着砌筑。
梁底顶砖包管砌筑方法
实图
实图
5.质量验收
5.1 主控项目
电盒框砌筑电箱框砌筑
5.1.1 砖、砂浆的强度等级必须符合设计要求。
5.1.2 对砖外型规格尺寸《砌墙砖试验方法》(GB/T2542-2003)规范要求。
5.1.3 配砖应按作业图设计的尺寸切割,标准配砖长度最大允许偏差± 3mm,包管配砖切割最大允许偏差± 10mm,且不应有破损。
5.1.4 预制砖、构件制作尺寸最大允许偏差± 10mm,混凝土应该振捣密实,表面无麻面、孔洞等缺陷,强度在 C10-C15间,过梁混凝土强度应达到图纸及规范设计要求。
5.1.5 包管砌筑严禁使用断裂的破损砖,砌筑时应上下错缝,线管较多部位,应采用双拼配
砖或设φ 6 加强筋进行包管;配砖砌一皮,砂浆塞缝(水电线管周边缝隙)一皮。
5.2 一般项目
5.2.1 主体结构预埋时水电线管应该保证
在墙中,墙长方面定位应准备,确保在以后接管时垂直。
5.2.2 水电管线安装,需保证管线的垂直度及顺直度,电管安装时应调整管线接头处的弯度,
控制管线垂直,如遇较多管线时,应用钢筋进行定位绑扎;安装水管线时可以在楼面上植定位筋,保证垂直度。
5.2.3 包管配砖在运输、装卸过程中,还需重点注意严禁抛掷和倾倒,应轻拿轻放,保证包
管配砖(开口砖)运输不破坏。
5.2.4 排砖定位、预制砖砌筑、预制构件搁置,标高及位置严格按深化作业图施工,尺寸准
确是保证墙面观感质量的前提。
5.2.5 墙体每天的砌筑高度不应大于 1.8m。
5.2.6 每天砌筑的墙面应及时做好检查,并在墙上做好检查记录,及时整改,避免返工及返
工的浪费材料。