弱电人要知道的综合布线系统基础知识
- 格式:docx
- 大小:249.35 KB
- 文档页数:21
弱电布线施工知识点总结一、弱电系统概述弱电系统是指电信、广播电视、计算机网路、安防监控、消防报警等非供电系统,是建筑物中不同功能部门的数据、语音、影像等信息传递和控制的载体。
弱电布线系统的设计和施工对于保障建筑物内部信息和通信设备的正常工作,以及提高建筑物的安全性和可靠性具有非常重要的意义。
二、弱电布线系统的分类弱电布线系统包括电信系统、计算机网络系统、广播电视系统、安全监控系统等几个大类。
不同的系统有不同的传输介质、设备和布线方式,因此在施工前需要对各个系统的特点和要求进行深入的了解。
1. 电信系统电信系统主要包括电话、传真、数据传输、视频会议等通信设备,传输介质有铜线、光纤等。
在施工时需要考虑到设备的连接、线缆的敷设和保护、接地等方面的问题。
2. 计算机网络系统计算机网络系统是指包括局域网、广域网、因特网在内的各种网络系统,传输介质有双绞线、光纤等。
在施工时需要考虑到网络设备的布置、面板安装、线缆的敷设和连接、综合布线系统的配置等问题。
3. 广播电视系统广播电视系统是指包括有线电视、无线电视、卫星电视在内的各种电视系统。
在施工时需要考虑到天线的安装、信号的调试、线缆的敷设和保护等问题。
4. 安全监控系统安全监控系统是指包括闭路电视、门禁系统、防盗报警、消防报警等各种监控系统。
在施工时需要考虑到摄像头、监视器、传感器、控制器等设备的安装、线缆的敷设和连接、防火防盗等方面的问题。
三、弱电布线系统的施工流程弱电布线系统的施工流程包括设计、材料准备和采购、敷设和连接、调试和验收等几个阶段。
在每个阶段都需要严格遵守相关的规范和标准,确保系统的正常运行和质量的可靠性。
1. 设计阶段弱电布线系统的设计需要根据建筑物的结构、功能、使用人数等因素进行合理的规划和布局,确保系统的安全、稳定和易于维护。
设计中需要考虑到线缆的种类和规格、设备的安装位置和布局、接地和屏蔽等问题。
2. 材料准备和采购阶段根据设计要求,对所需要的线缆、接头、面板、插座、设备等进行准确的数量计算和规格选择,并进行统一的采购,确保所使用的材料符合质量标准和系统要求,避免可能的材料损坏和施工延期。
综合布线知识点总结第一部分:综合布线的概念及分类综合布线是指在建筑物内部进行的有关通信网络的综合布线系统工程。
综合布线是指为了满足当代建筑物内各类信息通信系统和智能化建筑设备的通信需求,而在建筑物内部进行的一种综合布线系统。
综合布线系统是信息通信网络的基础设施,它集成了声音、数据、视频和其他信息,是建筑物内各类信息设备和用户之间相互通信的基础设施。
综合布线系统的分类:1. 结构化布线系统:结构化布线系统是指在建筑物内联接各种信息通信设备的一种通用的、标准化的、灵活的布线系统。
结构化布线系统通常包括水平布线子系统、垂直布线子系统和设备间布线子系统。
水平布线子系统是指将终端设备与通信机房之间的联接系统;垂直布线子系统是指终端设备与水平布线系统之间的联接系统;设备间布线子系统是指各种信息设备之间的联接系统。
2. 非结构化布线系统:非结构化布线系统是指不符合结构化布线标准的布线系统。
由于非结构化布线系统的非标准化特点,使得这种布线系统的维护和管理非常困难,且难以适应信息技术的发展和建筑物内部的改变。
因此,结构化布线系统已经成为建筑物内部通信网的主流。
第二部分:综合布线的标准化和规范综合布线系统的标准化和规范是综合布线系统的设计、安装、维护和管理的重要依据。
综合布线系统的标准和规范主要包括国际标准、国家标准和行业标准。
1. 国际标准:国际标准主要是由ISO/IEC制定的有关综合布线系统的通用标准。
例如ISO/IEC 11801《信息技术——通信光纤布线系统规范》、ISO/IEC 24764《信息技术——通信铜质布线系统规范》等。
2. 国家标准:国家标准是由国家标准化委员会制定的有关综合布线系统的国家标准。
例如《GB 50311-2016 电信建设工程工程设计规范》、《GB 50312-2016 电信建设工程建设装璜工程技术规范》等。
3. 行业标准:行业标准是由政府部门和行业协会制定的有关综合布线系统的行业标准。
前言:大家好,我是薛哥。
综合布线系统是各个弱电系统的基础,所以说综合布线系统方面的知识一定要学会,今天分享135条综合布线系统专业知识,收藏起来吧正文:1、1000BASE-T:当前的一种局域网标准,用于在5类以上级别双绞线电缆上执行1000 Mbps以太网,另请见千兆以太网。
2、100BASE-T:100Mbps以太网的双绞线版本,需要5类以上的双绞线电缆3、10BASE2:又称"细缆网络"。
基于细(RG58)同轴电缆的10 Mbps以太网。
4、10BASE5:又称"粗缆网络"。
基于粗同轴电缆的10 Mbps 以太网。
5、10BASE-T:基于双绞线(3类和以上级别)的10 Mbps 以太网。
6、110 连接器:一种常用的绝缘位移连接器(IDC),采用模块插座、配线架和交叉连接。
7、3270 (IBM):一种大型计算机。
起初在RG62同轴电缆上运行,现在一般在非屏蔽双绞线上运行。
8、66 Block:一种传统的交叉连接系统,功能与AMP 110Connect XC类似。
9、AS/400 (IBM):一种中型计算机系统。
起初在双轴电缆上运行。
现在一般利用介质均衡转换器在非屏蔽双绞线上运行。
10、衰减:信号在通过布线系统时损失的能量。
11、背板:指固定在电信机柜壁上的胶合板。
用于安装交叉连接。
12、主干电缆:建筑物各楼层或一个园区内各建筑物之间的连接电缆。
13、均衡转换器:一种用于同轴或双轴电缆设备与双绞线电缆连接的转换器14、BNC:一种同轴电缆连接器。
15、3类:双绞线电缆、连接器和系统性能的一个等级。
规定适用于10 Mbps速率以下的16Mhz语音和数据应用。
16、5类:双绞线电缆、连接器和系统性能的一个等级。
规定适用于155 Mbps(或者1000 Mbps)速率以下的100Mhz 语音和数据应用。
17、5e类:又称超5类。
双绞线电缆、连接器和系统性能的一个等级。
综合布线知识点范文综合布线是指将局域网的各种网络设备连接起来并提供稳定和高效的数据传输的技术和方法。
在现代企业和家庭网络中,综合布线是建立可靠和高速网络连接的基础,它不仅影响到网络的性能和可靠性,还关系到日常办公和生活的顺利进行。
综合布线的知识点如下:1.布线系统的组成部分:综合布线系统一般由布线井、线缆、插座、配线架、交换机等组成。
布线井用于集中管理和分配线缆,线缆用于传输信号,插座用于连接设备,配线架用于组织和管理线缆,交换机用于连接网络设备。
2.布线的分类:3.线缆的种类:常见的线缆种类包括双绞线、光纤和同轴电缆等。
双绞线是最常用的线缆类型,可以分为屏蔽双绞线(STP)和无屏蔽双绞线(UTP)。
光纤具有高速、大带宽和抗干扰能力强的优点,适用于长距离传输。
同轴电缆一般用于电视信号的传输。
4.线缆的规格和等级:线缆通常有不同的规格和等级,如Cat 5、Cat 6、Cat 6A等。
这些规格和等级决定了线缆的传输能力和传输距离。
通常情况下,规格越高、等级越好的线缆能够提供更高的传输速度和更远的传输距离。
5.线缆的敷设方式:线缆可以通过不同的敷设方式进行安装,如架空敷设、地下敷设和隧道敷设等。
敷设方式的选择取决于具体的应用场景和建筑环境。
6.线缆的连接方式:线缆的连接方式一般有两种:直接连接和交叉连接。
直接连接适用于将终端设备连接到配线架上,而交叉连接则适用于将不同的配线架或交换机进行连接。
7.布线系统的管理和维护:8.综合布线的标准:综合布线是构建现代化企业和家庭网络的关键技术之一,它对于保持网络的高性能和高可靠性至关重要。
掌握综合布线的知识点,能够有效地规划、设计和维护网络,提供高速、稳定和安全的数据传输服务。
弱电新人必学的综合布线系统基础知识工作区子系统工作区子系统由终端设备连接到信息插座之间的设备组成。
包括:信息插座、插座盒、连接跳线和适配器组成。
水平区子系统水平区子系统应由工作区用的信息插座,楼层分配线设备至信息插座的水平电缆、楼层配线设备和跳线等组成。
水平子系统根据整个综合布线系统的要求,应在二级交接间、交接间或设备间的配线设备上进行连接,以构成电话、数据、电视系统和监视系统,并方便地进行管理。
管理子系统管理子系统设置在楼层分配线设备的房间内。
管理间子系统应由交接间的配线设备,输入/输出设备等组成,也可应用于设备间子系统中。
管理子系统应采用单点管理双交接。
垂直干线子系统通常是由主设备间(如计算机房、程控交换机房)提供建筑中最重要的铜线或光纤线主干线路,是整个大楼的信息交通枢纽。
一般它提供位于不同楼层的设备间和布线框间的多条联接路径,也可连接单层楼的大片地区。
设备间子系统设备间是在每一幢大楼的适当地点设置进线设备,进行网络管理以及管理人员值班的场所。
设备间子系统应由综合布线系统的建筑物进线设备、电话、数据、计算机等各种主机设备及其保安配线设备等组成。
建筑群子系统建筑群子系统将一栋建筑的线缆延伸到建筑群内的其它建筑的通信设备和设施。
它包括铜线、光纤、以及防止其它建筑的电缆的浪涌电压进入本建筑的保护设备。
常用名词:1、应用系统:应采用某种方式传输信息的系统,这个系统能在综合布线上正常运行。
2、线缆:线缆是指与信息技术设备相连的电缆、光缆及各种软电缆。
3、综合布线:综合布线是由线缆及相关连接硬件组成的信息传输通道,它能支持多种应用系统。
综合布线中不包括应用系统中的各种终端设备和转换装置。
4、建筑群、园区:一个或多个建筑物构成的区域。
例如:学校、工厂、机场、小区或军事基地等。
5、建筑群干线电缆、光缆:在建筑群内,连接建筑群配线架与建筑物配线架的电缆、光缆。
这种电缆、光缆还可用来直接连接不同建筑物间的建筑物配线架。
弱电系统综合布线施工基础知识弱电系统是现代建筑物内的综合系统工程。
它包括与大楼内建筑体、变配电、供气、照明等设施有关的安全防范系统、有线电视系统、结构化综合布线系统、安保监控系统等。
大楼弱电系统对建筑物来说是一个整体,从管理、控制机房、弱电管道到各个信息点或控制点都有相关的路由。
这些路由要按一定的规律,合理有序、有机地通过弱电系统的综合管路安置在大楼内。
综合管路系统的设计,可以合理地建立弱电系统的公共通道。
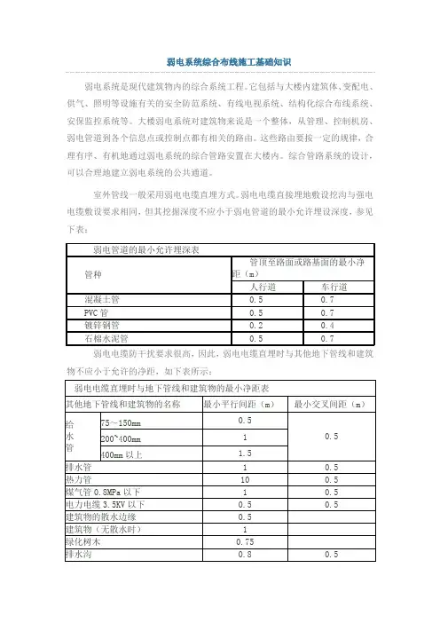
室外管线一般采用弱电电缆直埋方式。
弱电电缆直接埋地敷设挖沟与强电电缆敷设要求相同,但其挖掘深度不应小于弱电管道的最小允许埋设深度,参见下表:弱电管道的最小允许埋深表管种管顶至路面或路基面的最小净距(m)人行道车行道混凝土管0.5 0.7PVC管0.5 0.7镀锌钢管0.2 0.4石棉水泥管0.5 0.7 弱电电缆防干扰要求很高,因此,弱电电缆直埋时与其他地下管线和建筑物不应小于允许的净距,如下表所示:弱电电缆直埋时与地下管线和建筑物的最小净距表其他地下管线和建筑物的名称最小平行间距(m)最小交叉间距(m)给水管75~150mm 0.50.5 200~400mm 1400mm以上 1.5排水管 1 0.5 热力管10 0.5 煤气管0.8MPa以下 1 0.5 电力电缆3.5KV以下0.5 0.5 建筑物的散水边缘0.5建筑物(无散水时) 1绿化树木0.75排水沟0.8 0.5进户管线设计进户管线有两种方式:地下进户和外墙进户。
地下进户方式:这种方式时为了美观要求而将管线转入地下。
根据建筑物是否设有地下层,地下进户管线又分为两种敷设形式。
第一种是建筑物设有地下层,地下进户管直接进入地下层,采用的是直进户管。
地下进户管应埋出建筑物散水坡外1m以上,户外埋设深度在自然地坪下0.8m。
当进线电缆数较多时,建筑物户外应设人孔。
外墙进户方式这种方式是在建筑物机房层和服务室的配线设备间或配线箱内。
进户管应呈内高外低倾斜状,并作防水弯头,以防雨水进入管中。
综合布线系统基础知识点1、综合布线系统(PDS)是一个用于语音、数据、影像和其他信息技术的标准结构化布线系统。
综合布线系统具有先进性、开放性、兼容性、可靠性、灵活性和经济性 6 个特点。
综合布线系统可分为6个独立的系统(模块):(1)工作区子系统:概念:工作区子系统是指从由水平子系统的信息插座到用户终端设备之间的连接。
组成:1、工作区的信息模块(UTP/FTP)2、面板(单口/双口墙装86型面板、光纤面板、地插)3、跳线(UTP/FTP软跳线,双工光纤跳线,电话跳线)——最大长度不超过5米。
(2)水平干线子系统:概念:将双绞线从楼层配线间的配线架连接到各用户工作区的信息插座上。
组成:1、水平连接双绞线(超五类/六类/屏蔽/非屏蔽)(PVC管、金属管、桥架、直线槽等)。
2、水平光缆(常用2芯。
4芯)。
注:水平双绞线的长度不超过90米。
(3)管理间子系统,它是连接垂直干线子系统和水平干线子系统的设备,其主要设备是配线架、交换机和机柜、电源组成。
——楼层间配线间(4)垂直干线子系统:概念:通过主干线缆将主设备与各楼层配线间系统连接起来。
组成:光纤(单模/多模)、大对数电缆。
(5)设备间子系统也称设备子系统。
设备间子系统由电缆、连接器和相关支撑硬件组成。
它把各种公共系统设备的多种不同设备互连起来,其中包括邮电部门的光缆、同轴电缆、程控交换机等。
——中心机房(6)楼宇(建筑群)子系统也称校园子系统,它是将一个建筑物中的电缆延伸到另一个建筑物的通信设备和装置,通常是由光缆和相应设备组成。
综合布线系统的作用就是以满足所有通信、电力设备在现在和将来布线需求为主要目标,而发展起来的一种整体并开放的配线系统,它不仅能为大楼提供电讯服务;还能够提供通信网络服务,安全报警服务,监控管理服务,是大楼实现通信自动化、办公自动化和大楼自动化的基础。
用模块化设计,易于配线上的扩充和重新配置,在物理结构上,采用分级的星型分布,以利于数据的采集及信息的传递。
弱电系统综合布线弱电系统简介弱电系统是指除了电力系统之外的所有电气系统,如通信系统、安防系统、广播系统等,这些系统需要使用信号、数据传输和处理,而大多数情况下使用的电力较小,通常是低电压电信号,因此被统称为“弱电”。
弱电系统以其灵活性、高效性和可靠性,已经广泛地应用于建筑物、医院、学校和企业等场所。
在弱电系统中,综合布线是非常重要的一部分。
综合布线的定义综合布线是将多种不同的信息通信系统集成成统一的系统,实现互联互通的一种基础设施。
这些不同的系统可以包括信息型、安全型、监控型等。
综合布线系统必须提供最大的灵活性,最低的维护成本,并且能够支持各种性能需求,也就是说,它必须支持高速率、大带宽和低损失等特性。
综合布线系统的构成综合布线系统由一系列组成部分组成,包括:1. 骨干布线骨干布线是整个综合布线系统最核心的部分,它负责连接综合布线系统的各种分支。
骨干布线可以是铜线,也可以是光纤。
铜线骨干布线可以承载高速率和高带宽信号,但距离受到限制,而光纤则可以远距离传输信号,但成本较高。
2. 水平布线水平布线是终端设备连接到骨干布线的部分,这些终端设备可以是计算机终端、网络设备、电话终端等。
水平布线可以采用铜线(如Cat5e或Cat6a)或光纤。
3. 接线架、插座和配线接线架是将水平布线和骨干布线连接的设备,也可以连接电话系统、电视系统和音频系统等其它终端设备。
插座和配线则是终端设备(如计算机和电话)和水平布线之间的连接设备。
4. 机房设备综合布线系统中的机房包括主机房和分机房。
主机房是综合布线系统的中央枢纽,它包括服务器、交换机、存储设备和防火墙等设备;分机房则是机房设备的延伸,支持分散式部署。
综合布线系统的优点综合布线系统能够为建筑物的各种通信和安全需求提供一个通用平台,其优点如下:1.易于管理和维护:综合布线系统中的布线结构简单,易于维护。
所有设备的连接和移动都不会对整个系统的结构产生影响。
2.提高效率和灵活性:综合布线系统能够解决新设备和服务的增加,而不必重新布线,提高了系统的灵活性和效率。
2024年弱电工程综合布线施工精华知识总结一、综合布线施工概述综合布线是将弱电系统中的不同分支线路统一布设在一个通道内,以实现数据、语音、视频等多种信号的传输。
它是建筑物内部通信设备的基础建设,对于现代化办公、住宅环境的建立和提高提供了有力的保障。
综合布线施工的重点在于设计、材料选择、施工过程和验收等各个环节的把握。
二、综合布线施工前期准备1. 设计阶段:确定弱电系统的需求,包括数据、语音、视频传输的类型和数量,以及接口类型和布置方式等。
2. 材料选择:选择适合具体场景的弱电设备,包括网线、光纤、设备支架等。
3. 材料预订:根据设计方案,提前预订所需的材料,以确保施工过程的顺利进行。
4. 动力施工准备:布线前需要与动力施工方沟通,确定共用的通道和设备间。
三、综合布线施工的基本流程1. 开槽和铺管:根据布线方案,使用电刨、开槽机等工具开槽,铺设管道,将弱电线缆引入管道。
2. 弱电线缆布线:根据设计方案,将弱电线缆从起始点引入管道,沿着预定的路径进行布线。
3. 弱电设备安装:根据布线方案,将各种弱电设备(如交换机、路由器、配线架等)安装在预留位置上。
4. 终端设备连接:将终端设备(如电脑、电话等)通过网线、光纤等连接到交换机、配线架上。
5. 验收测试:使用专业测试设备对布线的质量进行检测,包括信号强度、传输速度等方面的测试。
6. 杂物清理:清理施工过程中产生的杂物和垃圾,保持施工现场的整洁。
四、综合布线施工的注意事项1. 安全第一:施工过程中要注意工作场所的安全,做好防护措施,避免人员和设备受到损害。
2. 施工质量:严格按照设计方案进行施工,做好线缆标识和布线记录,确保布线质量和后期维护。
3. 材料使用:选择合格的弱电设备和材料,确保其符合相关标准,并严格按照要求进行使用。
4. 环境保护:注意施工对环境的影响,做好施工现场的清理工作,避免对环境造成污染。
5. 工期控制:合理安排施工工期,做好施工计划和进度管理,确保项目能够按时完工。
弱电工程综合布线系统精华知识1. 要确认电缆的拉力当电缆在两个终端有多余时,应该按照需要的长度将其剪断,而不应将其卷起并捆绑起来。
电缆的接头处反缠绕开的线段距离不应超过2厘米。
过长会引起较大的近端串扰。
在进行认证测试的时候,NEXT 近端串扰就无法通过了。
在接头处,电缆的外保护层需要压在接头中而不能在接头外。
因为当电缆受到外界的拉力时受力的是整个电缆,否则受力的是电缆和接头连接的金属部分,会使接头和模块之间端接不牢靠。
在电缆接线施工时,电缆的拉力是有一定限制的,一般为9公斤左右。
请和电缆的供应商确认其拉力,过大的拉力会破坏电缆对绞的匀称性。
2. 打线技巧要规范有些施工工人在做条线的时候,并不是按照568A或者568B的打线技巧进行打线的,而是按照1、2线对打白色和橙色,3、4线对打白色和绿色,5、6线对打白色和蓝色,7、8线对打白色和棕色,这样的条线在施工的过程中是能够保证线路畅通的,但是它的线路指标却是很差的,特别是近端串扰指标特别差,会导致严重的信号泄漏,造成上网困难和间接性中断。
因此,项目经理一定要提醒制作工人不要犯这样的错误。
3. 抗干扰有方案在综合布线系统中,水平线缆的管路尽量采用钢管,主干线缆的敷设尽量采用桥架,然后在施工的过程中,做好钢管与钢管之间、钢管与桥架之间、桥架与桥架之间的接地跨接工作。
这样的管路,我们再将非屏蔽线缆和大对数线缆敷设其中,可起到有效的屏蔽作用,减少外界干扰对综合布线系统信号传输的影响,弥补非屏蔽布线系统的不足。
4. 线槽最好安装在吊顶内在安装线槽时应多方考虑,尽量将线槽安装在走廊的吊顶内,并且去各房间的支管应适当集中至检修孔附近,便于维护。
集中布线施工要赶在走廊吊顶前即可,不仅减少布线工时,还利于已穿线缆的保护,不影响房内装修。
一般走廊处于中间位置,布线的平均距离最短,节约线缆费用,提高综合布线的性能(线越短传输的品质越高),尽量避免线槽进入房间,否则,不仅费线,而且影响房间装修,不利于以后的维护。
综合布线系统基础知识及施工要点一、综合布线是什么?所谓综合布线系统,就是一套用于建筑物内或建筑物群之间的、模块化的、灵活性极高的信息传输通道,是一个支持语音、图形、影像等各种信息传输的布线系统。
它能够实现多产品的兼容,模块化更新、拓展和重组,既满足了用户对现代化系统的要求又节约了维护成本。
综合布线一般采用高品质标准材料,统一进行规划设计,采用标准化的组合压接方式组成一套完整的布线系统,所以综合布线系统是现代化互联智能控制系统的重要组成部分,是互联网络的基础。
二、综合布线系统的组成综合布线系统采用是开放式的星型拓扑结构,在该结构中各个分支的子系统都是相对独立的作业单元。
综合布线系统由六个子系统组成:工作区子系统、水平区干线子系统、管理间子系统、垂直干线子系统、设备间子系统和建筑群子系统。
综合布线系统一般由几种不同功能的部件组成,包括传输介质(非屏蔽双绞线、大对数电缆和光纤等)、设备连接硬件(如配线架、连接转换器、适配器、标准信息插座、插头等)以及相适应的电器保护设备等。
这些部件构成各种不同功能子系统,它们都有各自的具体职能,采用通用标准建设,这样就易于整个系统的构建,而且可以根据实际需求变化不断完善升级。
随着现代技术的发展,智能化设备对互联网络的依赖越来越严重,人们对综合布线的意识和要求不断提高,相信综合布线技术的开放性、可靠性和兼容性会进一步提高。
1.工作区子系统(Work Location )工作区子系统主要负责完成各个信息点与设备终端的匹配与连接。
该系统主要包括机房内各服务器分布下来的面板及信息插座(FD-TO)、连接信息插座和终端设备的跳线和适配器等非有源配件。
其中,现代化的信息插座都应该支持多种多媒体设备,包括计算机、电话、数据终端和显示器等(为这些设备预留的相关物理接口可以统称成为信息点,有时具体来讲信息点可以指代计算机,语点可以指代电话机)。
其中双绞线可分为屏蔽双绞线与非屏蔽双绞线(UTP),大多数局域网采用非屏蔽双绞线作为局域网内传输介质来组网,网线则由一定距离长度的双绞线与RJ45头(俗称“水晶头”的一种,为塑料接头)组成。
1、家庭弱电布线的目的是共享网络、电话、有线电视等资源,最好主要的房间这三种接口都有。
网络、电话、有线电视家用的分频设备一般都是一入四出(多的也有,比较贵),如果是两室一厅一般可在客厅、主卧、次卧留网络、电话、电视接口,餐厅留电视接口,卫生间留电话接口。
如果房间更多,可以选择预留;也可以先把线都跑出来,放在弱电配电箱中,需要时可以更换通向各个房间的插头。
音频、视频有所不同,虽然也能分频共享,但在家里基本上同一时间只能为一个终端提供信号,就没有必要每个房间都留接口了。
2、弱电布线要达到共享、互通的要求,必需使用分频或交换设备。
网络的内外网的交换设备是路由器(LAN用)或调制解调器(ADSL用)也就是猫,价格大约300元左右,内网的交换设备是交换机或集线器,用交换机好一点,价格不到200元,集线器现在80-90就能买到。
市场上有自带交换机的路由器和自带路由及交换机的猫,价格300-500元,建议使用。
电话的交换分频设备是交换机或分线盒,也是交换机好,价格100-200元,分线盒很便宜,但各个房间不能互通,也带不了3部以上的电话;电视的分频设备就是分频(支)器,大家应该都清楚。
3、弱电线路要采用星型布线,从交换、分频设备向各个端口放射。
从布线施工简单、维护方便考虑,最好各种设备放在同一个地方。
现在的新房门口一般都有弱电配电箱,在配电箱里预留了各种线路的接头;有的不是预留接头,只是线路在箱子中转一圈,然后通向一个房间。
无所谓,在箱子中把线截断,入户一端接交换分频设备的IN插口,另一端接OUT插口,继续使用。
我们可以把弱电配电箱自己改造一下,装上交换、分频设备,注意大部分设备要用电,应该弱电配电箱里面留电源插座。
在现在市面上卖的弱电配电箱基本功能都不行,主要是网络方面,虽然有一进四出的接口,但只是一个配线架,无法实现内部互通和多台电脑同时上网,还比较贵,不如自己DIY一个。
个别房子没有弱电配电箱布线就比较麻烦了,要不把各种设备分别放在入户口旁边;要不先把入户线引到的一起。
综合布线知识点综合布线是指在建筑物或办公场所内,对网络、电话和其他数据通信设备进行有序连接的过程。
它是建筑物内部的基础设施,直接关系到数据通信的稳定性和可靠性。
下面是一些关于综合布线的知识点,希望能够帮助你理解和应用综合布线技术。
1.布线系统的分类:综合布线系统可以分为两类:水平布线和垂直布线。
水平布线是指建筑物内部不同楼层或不同房间之间的布线,通常包括光缆、高速以太网电缆和电话线等。
垂直布线是指建筑物内部不同楼层之间的布线,通常使用光纤电缆。
2.布线系统的组成:综合布线系统由多个组成部分组成,包括垂直和水平布线电缆、连接器、设备连接器、配线架、连接模块、配线管道及其它相关设备等。
3.不同的布线标准:综合布线系统一般遵循国际或行业标准,例如ISO/IEC11801、TIA/EIA-568和EN50173等。
这些标准规定了布线系统的要求、测试方法和性能参数等。
4.不同类型的布线电缆:布线系统中常用的电缆包括双绞线、光纤电缆和同轴电缆。
双绞线可分为不同类别,如Cat5e、Cat6、Cat6a和Cat7等,其传输带宽和距离有所不同。
光纤电缆可分为单模光纤和多模光纤,它们在传输距离和带宽上也有所不同。
5.布线系统的测试:为了确保布线系统的性能,需要对其进行测试。
测试的内容包括连接的合规性、传输性能(如带宽和衰减)以及物理链路的完整性和正常工作状态等。
6.布线系统的拓扑结构:布线系统的拓扑结构可以是星型、总线型或环形。
星型是最常用的拓扑结构,每个设备都与中心节点(例如配线架)相连。
总线型拓扑结构是所有设备连接在一条主干电缆上,而环形拓扑结构则是设备间形成一个环。
7.布线系统的容量和扩展性:在规划布线系统时,需要考虑当前和未来的数据需求。
布线系统需要具备足够的容量和扩展性,以适应日益增长的数据流量。
8.布线系统的标识和管理:为了方便管理和维护布线系统,每个布线点(例如插座、光纤接头等)都应该进行标识,并建立详细的记录。
弱电人要知道的综合布线系统基础知识综合布线系统由六个子系统组成,它们是工作区子系统、水平干线子系统、管理子系统、垂直干线子系统、建筑群子系统和设备间子系统。
子系统之间的关系如图6-39所示。
图6-39综合布线系统的结构示意图综合布线系统中需要用到的功能部件,一般有以下几种。
(1)建筑群配线架(CD)。
(2)建筑群干线电缆或建筑群干线光缆。
(3)建筑物配线架(BD)。
(4)建筑物干线电缆或建筑物干线光缆。
(5)楼层配线架(FD)。
(6)水平电缆或水平光缆。
(7)转接点(选用)(TP)。
(8)信息插座(IO)。
(9)通信引出端(TO)。
1.工作区子系统工作区子系统由终端设备连接到信息插座的连线(或软线)组成,它包括装配软线、适配器和连接所需的扩展软线,并在终端设备和I/O之间搭桥。
在进行终端设备和I/O连接时,可能需要某种传输电子装置,但是这种装置并不是工作区子系统的一部分。
例如,有限距离调制解调器能为终端与其他设备之间的兼容性和传输距离的延长提供所需的转换信号。
有限距离调制解调器不需要内部的保护线路,但一般的调制解调器都有内部的保护线路。
工作区布线是用接插软线把终端设备连接到工作区的信息插座上。
工作区布线随着系统终端应用设备不同而改变,因此它是非永久的。
工作区子系统的终端设备可以是电话、微机和数据终端,也可以是仪器仪表、传感器和探测器。
图6-40所示为工作区子系统的信息插座配置,图6-41为工作区子系统组成示意图。
图6-40工作区子系统的信息插座配置图6-41工作区子系统2.水平配线子系统从楼层配线架到各信息插座的布线属于水平布线子系统。
水平布线子系统是整个布线系统的一部分,它将干线子系统线路延伸到用户工作区。
水平布线子系统总是处在一个楼层上,并端接在信息插座或区域布线的中转点上。
SYSTIMAX SCS将上述的电缆数限制为4对或25对UTP(非屏蔽双绞线),它们能支持大多数现代通信设备。
在需要某些宽带应用时,可以采用光缆。
水平布线子系统一端端接于信息插座上,另一端端接在干线接线间、卫星接线间或设备机房的管理配线架上。
水平子系统包括水平电缆、水平光缆及其在楼层配线架上的机械终端、接插软线和跳接线。
水平电缆或水平光缆一般直接连接至信息插座。
必要时,楼层配线架和每一个信息插座之间允许有一个转接点。
进入和接出转接点的电缆线对或光纤应按1∶1连接,以保持对应关系。
转接点处的所有电缆或光缆应作机械终端。
转接点处只包括无源连接硬件,应用设备不应在这里连接。
转接点处宜为永久连接,不应作配线用。
图6-42水平子系统图6-42所示为水平子系统,它由工作区用的信息插座及其至楼层配线架(FD)以及它们之间的缆线组成。
水平子系统设计范围遍及整个智能化建筑的每一个楼层,且与房屋建筑和管槽系统有密切关系。
(1)水平配线子系统概述水平配线子系统涉及水平子系统的传输介质和部件集成,主要有以下5点。
1)确定线路走向。
2)确定线缆、槽、管的数量和类型。
3)确定电缆的类型和长度。
4)订购电缆和线槽。
5)如果采用吊杆或托架走支撑线槽,需要用多少根吊杆或托架。
(2)水平子系统布线线缆水平子系统布线中常用的线缆有以下4种。
1)100Ω非屏蔽双绞线(UTP)电缆。
2)100Ω屏蔽双绞线(STP)电缆。
3)75Ω同轴电缆。
4)62.5/125μm光纤线缆。
(3)水平子系统布线方案。
水平子系统布线根据建筑物的结构特点,按路由(线)最短、造价最低、施工方便、布线规范等几个方面考虑,优选最佳的水平布线方案。
如图6-43所示,水平布线方案一般可采用3种布线方式。
图6- 43 水平子系统布线方案(a)直接埋管布线方式;(b)先走线槽再走支管布线方式;(c)地面线槽方式1)直接埋管式。
2)先走吊顶内线槽,再走支管到信息出口。
3)地面线槽方式。
水平子系统的网络结构都为星型结构,它是以楼层配线架(FD)为主节点,各个信息插座为分节点,二者之间采取独立的线路相互连接,形成以FD为中心向外辐射的星型线路网状态。
这种网络结构的线路较短,有利于保证传输质量,降低工程造价和维护管理。
布线线缆长度等于楼层配线间或楼层配线间内互连设备电端口到工作区信息插座的线缆长度。
水平子系统的双绞线最大长度为90m。
工作区、跳线及设备电缆总和不超过10m,即A+B+E≤10m。
图6-44(a)给出了水平布线的距离限制。
当需要有转换接点时,布线距离如图6-44(b)所示。
要合理安排好弱电竖井的位置,如水平线缆长度超过90m,则要增加IDF(楼层配线架)或弱电竖井的数量。
图6-44水平子系统布线距离限制(a)不带转换接点的距离限制;(b)带转换接点的距离限制3.管理子系统管理子系统的作用是提供与其他子系统连接的手段,使整个综合布线系统及其所连接的设备、器件等构成一个完整的有机体。
通过对管理子系统交接的调整,可以安排或重新安装系统线路的路由,使传输线路能延伸到建筑物内部的各工作区。
管理子系统由交连、互连以及I/O 组成。
管理应对设备间、交接间和工作区的配线设备、线缆、信息插座等设施,按一定的模式进行标识和记录。
(1)管理交接方案。
一般有两种管理方案可供选择,即单点管理和双点管理。
常用的管理方案如图6-45所示。
图6-45管理交接方案(a)单点管理—单交连;(b)单点管理—双交连;(c)双点管理—双交连;(d)双点管理—三交连单点管理位于设备间里面的交换机附近,通过线路直接连至用户间或连至服务接线间里面的第二个硬件接线交连区。
如果没有服务间,第二个交连可安放在用户房间的墙壁上。
(2)综合布线交连系统标记。
综合布线交连系统标记是管理子系统的一个重要组成部分,标记系统能提供如下信息:建筑物名称(如果是建筑群)、位置、区号和起始点。
综合布线系统使用了3种标记:电缆标记、场标记和插入标记。
其中插入标记最常用。
插入标记所用的底色及其含义如下。
1)蓝色:对工作区的信息插座(I/O)实现连接。
2)白色:实现干线和建筑群电缆的连接。
端接于白场的电缆布置在设备间与楼层配线间及二级交接间之间或建筑群各建筑物之间。
3)灰色:配线间与二级交接间之间的连接电缆或二级交接之间的连接电缆。
4)绿色:来自电信局的输入中继线。
5)紫色:来自PBX或数据交换机之类的公用系统设备的连线。
6)黄色:来自控制台或调制解调器之类的辅助设备的连线。
标记方法如下。
1)端口场(公用系统设备)的标记。
2)设备间干线/建筑群电缆(白场)的标记。
3)干线接线间的干线电缆(白场)标记。
4)二级交接间的干线/建筑群电缆(白场)标记。
4.垂直干线子系统(1)垂直干线子系统概述。
垂直干线子系统的功能是通过建筑物内部的传输电缆或光缆,把各接线间和二级交接间的信号传送到设备间,直至传送到最终接口,再通往外部网络。
垂直干线子系统如图6-46所示。
垂直干线子系统必须既满足当前的需要,又能适应今后的发展。
图6-46垂直干线子系统(2)垂直干线子系统包括的内容如下。
1)接线间和二级交接间与设备间之间的竖向或横向电缆通道。
2)干线接线间和二级交接间之间的连接电缆通道。
3)主设备间与计算机中心间的干线电缆。
(3)干线子系统布线的拓扑结构。
综合布线系统中干线子系统的拓扑结构主要有:星型、总线型、环型、树型和网型。
推荐采用星型拓扑结构。
(4)干线子系统常用的介质。
1)100Ω大对数非屏蔽电缆。
2)150ΩFTP电缆。
3)62.5/125μm多模光缆。
4)8.3/125μm单模光缆。
(5)干线子系统布线的距离。
干线子系统布线的最大距离,即楼层配线架到设备间主配线架之间的最大允许距离,与信息传输速率、信息编码技术以及所选的传输介质和相关连接件有关。
5.设备间子系统设备间子系统是安装公用设备(如电话交换机、计算机主机、进出线设备、网络主交换机、综合布线系统的有关硬件和设备)的场所。
设备间使用面积的大小主要与设备数量有关,最小不得小于20m2。
设备间净高一般与使用面积有关,但不得低于2.5m。
门的高度不小于2.0m,宽不小于0.9m。
楼板承重一般不低于500kg/m2。
设备间内在距地面0.8m处,照度不应低于300lx。
应设事故照明,在距地面0.8m处,其照度不应低于5lx。
设备间供电电源为50Hz、380V/220V,采取三相五线制/单相三线制。
一般应考虑备用电源。
可采用直接供电和不间断供电相结合的方式。
噪声、温度、湿度应满足相应要求,安全和防火应符合相应规范。
6.建筑群子系统连接各建筑物之间的传输介质和各种支持设备(硬件)组成了综合布线建筑群子系统。
(1)建筑群子系统布线内容。
1)根据小区建筑详细规划图了解:整个小区的大小、边界、建筑物数量。
2)确定电缆系统的一般参数。
3)确定建筑物的电缆入口。
4)查清障碍物的位置,以确定电缆路由。
5)根据前面资料,选择所需电缆类型、规格、长度、敷设方式,穿管敷设时的管材、规格、长度;画出最终的施工图。
6)进行每种选择方案成本核算。
7)选择最经济、最实用的设计方案。
(2)电缆布线方法。
电缆布线方法有架空、直埋和管道布线,如图6-47所示。
电缆架空安装方法通常只用于具有现有的电线杆,电缆的走法不是主要考虑内容的场合下,从电线杆至建筑物的架空进线距离不超过30m为宜。
建筑物的电缆入口可以是穿墙的电缆孔或管道,入口管道的最小口径为50mm。
建议另设一根同样口径的备用管道,如果架空线的净空有问题,可以使用天线杆型的入口。
该天线的支架一般不应高于屋顶1200mm。
如果再高,就应使用拉绳固定。
此外,天线型入口杆高出屋顶的净空间应有2400mm,该高度正好使工人可摸到电缆。
通信电缆与电力电缆之间的距离必须符合我国室外架空线缆的有关标准。
架空电缆通常穿入建筑物外墙上的U形钢保护套,然后向下(或向上)延伸,从电缆孔进入建筑物内部,如图6-47(a)所示,电缆入口的孔径一般为50mm,建筑物到最近处的电线杆通常相距应小于30m。
图6-47电缆布线方法(a)架空电缆布线;(b)直埋电缆布线;(c)管道电缆布线在挖掘电缆沟槽和接头坑位时,应符合以下要求。
1)挖掘电缆沟槽和接头坑位,一般采取人工挖掘方式。
电缆沟槽的中心线应与设计路由的中心线一致,允许有左右偏差,但不得大于10cm。
电缆沟槽的深度应符合设计规定的电缆埋设深度要求,沟槽底面的高程偏差不应大于±5/10cm。
弯曲的电缆沟槽不论是平面弯曲或纵面弯曲,都要符合直埋电缆最小曲率半径的规定和埋设深度的要求。
电缆沟槽底面应加工平整,沟底必须清理干净,无碎乱石或带有尖角的杂物,以保证直埋电缆在敷设后不受机械损伤。
2)在敷设直埋电缆前,应对沟槽底部再次检查和清理,务必使沟槽底部平整,无杂物和碎石。
如系砂砾碎石地基层或有一般的腐蚀性土壤时,应先将沟底部加挖深度约10cm,并加以夯实抄平,然后在沟底铺垫一层10cm 细土或细砂后,再在上面覆土10cm(覆土中不得含有大量碎石块或有尖角的杂物),予以大致抄平后,再盖红砖或预制的混凝土板保持平整,以保护直埋电缆不会受到外界机械损伤。