工作组常用绘图规则-全
- 格式:pdf
- 大小:2.05 MB
- 文档页数:10
CAD绘图的基本规范与标准CAD(计算机辅助设计)绘图是当今工程领域广泛应用的一种技术。
它可以将传统的手绘图纸转化为数字化图像,并提供更快、更准确的设计过程。
然而,要保证CAD绘图的质量和可读性,我们需要遵守一些基本规范与标准。
本文将介绍CAD绘图的一些基本规范与标准,帮助读者提高CAD绘图的效率和准确性。
首先,准确的尺度是CAD绘图的关键。
在进行绘图之前,我们需要确定绘图所使用的比例尺,并将其应用于整个绘图过程。
常见的比例尺有1:1、1:50和1:100等。
合理使用比例尺可以确保绘图的真实性和可读性。
其次,CAD绘图需要使用统一的图层和线条样式。
图层是CAD绘图中重要的组织方式,它可以将不同类型的几何图形分离开来,使得绘图更加清晰和可管理。
同时,选择适当的线条样式可以增强图形的可读性。
在选择线条样式时,我们可以参考一些行业标准或自行定义适合自己的样式。
第三,CAD绘图需要遵循几何精度要求。
在进行绘图时,我们需要保证绘图的几何精度,即图形的几何特征应该尽可能准确地呈现。
为了实现这一点,我们可以使用CAD软件自带的检查命令和工具来检查和修复图形中可能存在的错误。
此外,为了提高CAD绘图的可读性和可编辑性,我们需要选择适当的字体和字号。
选择适合的字体可以确保文字的清晰和美观,而选择适当的字号可以使得文字在绘图中占据合适的比例。
在选择字体和字号时,我们可以参考一些行业标准,并根据需要进行调整。
最后,注释和标注是CAD绘图中重要的一部分。
准确和清晰的注释和标注可以提供更多的信息,并帮助他人更好地理解和使用绘图。
在进行注释和标注时,我们需要选择合适的文字和箭头样式,并确保其与主要图形相互关联。
综上所述,CAD绘图的基本规范与标准对于保证绘图质量、提高效率和减少错误非常重要。
本文介绍了CAD绘图中的几个基本规范与标准,包括比例尺、图层和线条样式、几何精度要求、字体和字号选择以及注释和标注。
通过遵循这些规范和标准,我们可以有效地进行CAD绘图,并产生高质量和可读性的图纸。
CAD制图规范及技巧整理关键信息项1、制图目的2、适用范围3、软件版本4、图层设置规则5、字体与标注样式6、图形比例与精度7、图纸布局与打印设置8、图框与标题栏规范9、绘图基本技巧10、图形文件管理与保存11 制图目的本协议旨在确立统一的 CAD 制图规范和技巧,以提高制图效率、保证图纸质量、增强图纸的可读性和可理解性,便于不同人员之间的交流与协作。
111 确保图纸能够准确传达设计意图,减少误解和错误。
112 遵循行业标准和最佳实践,使图纸符合相关规范和要求。
12 适用范围本协议适用于所有使用 CAD 软件进行制图的项目和任务,包括但不限于建筑设计、机械设计、电气设计等领域。
121 涵盖从初步设计到最终施工图的整个制图过程。
122 适用于内部团队协作以及与外部合作伙伴的图纸交流。
13 软件版本指定使用的 CAD 软件版本,以确保功能的一致性和兼容性。
131 明确所支持的最低版本和推荐使用的版本。
132 说明在不同版本之间转换图纸时的注意事项。
14 图层设置规则建立清晰合理的图层分类体系,便于对图形元素进行管理和控制。
141 定义不同类型图形元素所属的图层,如轮廓线、中心线、标注等。
142 规定图层的颜色、线型、线宽等属性设置。
143 强调图层的开关、冻结、锁定等操作的规范使用。
15 字体与标注样式统一字体和标注样式,使图纸表达清晰、规范。
151 选择适合的字体类型和大小,确保在不同比例下的可读性。
152 制定标注的格式、精度、箭头样式等。
153 明确尺寸标注、文字注释、引线标注等的规范要求。
16 图形比例与精度根据实际需要选择合适的图形比例,保证图形的准确性和精度。
161 确定常用的图形比例,如 1:1、1:5、1:10 等。
162 规定图形的精度设置,包括小数位数、角度精度等。
163 说明在不同比例下图形尺寸的标注方法。
17 图纸布局与打印设置合理布局图纸,优化打印效果。
171 确定图纸的图幅大小、方向和边框尺寸。
作业规程绘图标准一、总体要求1、图纸布局合理、美观、清晰、紧凑。
2、图纸使用统一标准符号,标注、文字、数字等样式统一。
3、图纸符合实际,准确无误,能够起到指导生产作用。
4、附图样式、数量符合要求。
二、具体要求(一)图纸幅面要求1、在图纸上必须用粗实线画出图框,格式分为不留装订边和留有装订边两种。
图框格式如图1-1、1-2、1-3、1-4所示图1-1 不留装订边的图纸图框格式一图1-2不留装订边的图纸图框格式二图1-1 留装订边的图纸图框格式一图1-2 留装订边的图纸图框格式二边都可加长。
加长部分应为原边长的1/8及其整数倍数。
表1-1 图框尺寸(mm)(二)图纸标题栏标准1、图纸必须设有标题栏,以表明该图纸名称、设计日期、设计者和各级审核者等。
标题栏应位于图纸右下角,特殊情况时可位于图纸右上角。
2、标准标题栏必须具备更改区、签字区、名称及代号区等部分,格式符合规范要求,并作为统一标识不得修改。
3、标题栏的外框用粗实线画出,分栏线用细实线画出,标题栏中的文字方向为看图方向。
4、图纸标题栏均宜采用下图格式,见图2-1所示。
图2-1 图纸标题栏格式(三)标注标准1、尺寸标注①图纸上的尺寸数字,规定以毫米或米为单位,(在1∶50~1∶500比例的图纸上采用毫米为单位,在1∶1000~1∶10000比例的图纸上采用米为单位)。
如不按照上述规定时,则必须在各尺寸数字右边回流所采用计量单位,同时在图纸附注中均应注明单位。
②图纸的尺寸应以标注的尺寸数值为准,同一尺寸一般只标注一次,并应标注在表示该结构最清晰的图形上;对表达设计意图没有意义的尺寸,不应标注。
③尺寸线与尺寸界线应用细实线绘制。
尺寸线起止符号可用箭头、圆点、短斜线绘制,见图3-1。
同一张工程图中,一般宜采用一种起止符号形式,当采用箭头位置不够时,可用圆点或斜线代替。
半径、直径、角度和弧度的尺寸起止符宜用箭头表示。
图3-1 尺寸标注画法(一)④水平尺寸线数字应标注在尺寸线的上方中部,垂直方向尺寸线数字应标在尺寸线的左侧中部,当尺寸线较密时,最外边的尺寸数字可标于尺寸线外侧,中部尺寸数字可将相邻的数字标注于尺寸线的上下或左右两边,见图3-2。
CAD技术绘图标准与规范要点在现代工程设计和制造领域中,CAD(计算机辅助设计)技术已经成为一种重要的工具。
它能够快速、准确地制作出各种工程图纸和设计方案。
然而,为了保证CAD绘图的质量和效率,我们需要遵循一些绘图标准与规范要点。
下面将介绍一些主要内容。
1. 尺寸和比例:在CAD绘图中,尺寸和比例是非常重要的。
所有的尺寸都应该清晰明确,并且保持一致。
使用恰当的比例可以确保绘图的真实性和可读性。
2. 绘图单位:在CAD软件中,我们可以选择使用不同的绘图单位,如毫米、厘米、英寸等。
选择适当的单位可以简化计算和沟通,并且能够准确表达设计意图。
3. 图层和颜色:图层和颜色的使用可以帮助我们更好地组织和识别绘图元素。
不同的图层可以分别代表不同的物体或属性。
使用统一的颜色方案能够提高图纸的可读性和可视化效果。
4. 图纸布局:在CAD绘图中,图纸的布局应该合理有序。
通常我们可以将标题、图例、尺寸标注和视图等元素进行合理的分布和排列,以便更好地展示设计内容和方便理解。
5. 图例和符号:图例和符号的使用可以帮助我们快速理解和解释图纸上的信息。
符合行业标准的图例和符号能够提高交流和协作的效率。
6. 线型和线宽:线型和线宽的选择直接影响到绘图的清晰度和可读性。
不同的线型和线宽可以体现不同的物体特性和细节,例如实线表示物体的外轮廓,虚线表示隐藏部分。
7. 标注和注释:准确的标注和注释是CAD绘图中非常重要的一部分。
尺寸标注、文字标注和注解可以帮助我们确定物体的尺寸、材料和规格要求。
8. 图纸格式:在CAD绘图中,使用统一的图纸格式能够提高文档的一致性和规范性。
符合特定标准的图纸格式通常包括标题、编号、日期和单位等信息。
9. 绘图精度和一致性:CAD绘图要求精确度和一致性。
我们应该保持绘图的准确性,并且在不同的绘图中保持一致的风格和规范。
10. 审查和修改:在完成CAD绘图后,我们需要对图纸进行审查和修改。
仔细检查绘图是否符合要求,并校对尺寸、文字、图层等是否正确。
图规范一、文件管理首先,我们第一件要做的事情是在我们的D盘里建一个文件包,文件包名称为“金螳螂”。
我们所做的所有文件都必需保存在该文件包里。
每个项目要写清楚项目名称。
便于查找。
二、CAD画图方法为了提高我们的做图速度。
CAD图框要用1/1的在图纸空间里加,绝不永许在模型空间里加。
要很好地利用视口等相关命令。
以后再出现在模型空间里加图框,视同没做!三、完整(不能出现低级错误)什么叫完整?这里拿一张图来说明。
完整首先是保证图纸本身没有错误,在保证图纸本身没有错误的前提下有以下几个很容易忽略的问题,我们称之为低级错误:1) 图框,每个方案做图之前首先要做的是做一个1/1的图框。
图框内的所有内容必需准确无误。
图框内的项目名称、图名、设计单位、日期、项目负责人、主任设计师、设计师、制图人、比例、图号。
以上10个内容必需填写且字体大小统一标准!责任到人。
每做一张图,首先要检查一下这些内容是否正确。
具体细节见附图绿色标记位置:YANJINGHOTELBEIJ11北京燕京饭店2) 图纸本身的文字标注、尺寸标注及其标注箭头所指的点要准确无误,文字标注本身的引线不得和图纸造型线重复。
文字及尺寸标注本身不得相互叠加。
文字及尺寸标注本身是否正确?改图时要特别注意以上问题。
3) 图纸下面的图名要写清楚,该图名也要在图纸空间里标。
比例为1/1。
标准见附图:4)图例:每张系统图左下角必须有个图例,见附图:5)每个尺寸标注必须是整数。
除了特殊剖面详图外。
四、施工图制图要点(1)、打印线型粗细设置:红色1:0.5;黄色2:0.35;绿色3:0.15;紫色6及黑色7:0.25;其它都是0.1;9好灰淡显50(一般用于系统图当中的柱和墙体填充)。
(2)、字体统一用黑体,统一字库,统一填充。
(拷贝)(3)、要分图层,具体分多少在以下内容详细写出。
系统图:系统图当中的每一张图都有其侧重点(一)平面图:无论何种方案,平面图的重点是功能区划分,每个功能区之间的关系及其动线流向。
工业制图标准和规范
1.图幅可按需要加长:对于AO、A2、A4幅面的加长量应按AO幅面长边的八分之一的倍数增加;对于A1、A3幅面的加长量应按AO幅面短边的四分之一的倍数增加;AO和A1幅面也允许同时加长两边。
图框格式可分横式和立式两种,AO~A3图纸常用横式,但也可立式绘制,A4图纸则立式装订。
2.标题栏和会签栏
一般在图纸的右下角有一标题栏,又称图标。
在装订线边的图框线外侧有一会签栏。
学校制图作业可不设会签栏。
标题栏的内容:
设计单位甲方单位
图纸内容、编号、比例设计项目
W .docin.设计阶段
专业名称
项目设计、审核、绘图人员设计日期等等。
一、常用制图规范:1、图纸尺寸:A0:841X1189 A1:594X841 A2:420X594 A3:297X420 A4:210X2972、线型:虚线、单点画线或双点画线的线段长度和间隔,宜各自相等。
单点画线或双点画线的两端,不应是点。
点画线与点画线交接或点画线与其他图线交接时,应是线段交接。
虚线与虚线交接或虚线与其他图线交接时,应是线段交接。
虚线为实线的延长线时,不得与实线连接。
图线不得与文字、数字或符号重叠、混淆,不可避免时,应首先保证文字等的清晰。
3、比例:常用比例:1、2、5、10、20、50、100、150、200、500、1000……4、剖切符号:需要转折的剖切位置线,应在转角的外侧加注与该符号相同的编号。
建(构)筑物剖面图的剖切符号宜注在±0.00标高的平面图上。
断面剖切符号的编号宜采用阿拉伯数字,按顺序连续编排,并应注写在剖切位置线的一侧;编号所在的一侧应为该断面的剖视方向5、对称符号由对称线和两端的两对平行线组成。
对称线用细点画线绘制;平行线用细实线绘制,其长度宜为6~10mm,每对的间距宜为2~3mm;对称线垂直平分于两对平行线,两端超出平行线宜为2~3mm。
连接符号应以折断线表示需连接的部位。
指北针的形状宜如图所示,其圆的直径宜为24mm,用细实线绘制;指针尾部的宽度宜为3mm,指针头部应注“北”或“N”字。
需用较大直径绘制指北针时,指针尾部宽度宜为直径的1/8。
6、轴线:定位轴线应用细点画线绘制。
定位轴线一般应编号,编号应注写在轴线端部的圆内。
圆应用细实线绘制,直径为8~10mm。
定位轴线圆的圆心,应在定位轴线的延长线上或延长线的折线上。
平面图上定位轴线的编号,宜标注在图样的下方与左侧。
横向编号应用阿拉伯数字,从左至右顺序编写,竖向编号应用大写拉丁字母,从下至上顺序编写。
拉丁字母的I、O、Z不得用做轴线编号。
7、材料图例:普通砖、混凝土、钢筋混凝土、木材(纵横)、夯实土壤。
CAD绘图规范与标准指南在进行计算机辅助设计(CAD)绘图时,遵循一定的规范和标准非常重要。
这不仅能提高绘图效率和准确性,还能使图纸具有更好的可读性和一致性。
本文将介绍一些CAD绘图的规范和标准指南,帮助读者更好地进行CAD绘图。
1. 图层管理图层是CAD绘图中非常重要的组成部分。
正确使用图层可以使绘图更加清晰和易于编辑。
在绘图之前,先规划好图层的命名和组织结构,并确保命名具有一定的规范性和描述性。
例如,可以按照不同的构件、功能或材料划分图层。
同时,设置图层的颜色、线型和线宽等属性,以满足绘图要求。
2. 尺寸标注尺寸标注是CAD绘图中必不可少的一部分,它能够提供绘图中构件和空间的尺寸信息。
在进行尺寸标注时,要保持一致性和准确性。
选择适当的标注样式,确保标注文字清晰可读并与图形对齐。
避免标注文字重叠或覆盖图形。
同时,使用正确的标注单位和符号,确保标注的一致性和易于理解。
3. 符号和图形CAD绘图中使用符号和图形能够提供更多的信息。
在选择和使用符号和图形时,要确保其准确性和一致性。
选择标准的符号库,并熟悉其使用方法。
符号和图形应按照绘图标准放置和缩放,以保持图纸的整洁和易读性。
4. 图纸布局图纸布局是CAD绘图中一个重要的考虑因素,它能够决定图纸的大小和比例。
在进行图纸布局时,要根据绘图要求和输出需求选择合适的纸张大小和比例。
将图纸按照合理的布局进行排列,以充分利用纸张空间并保持图纸的统一性。
5. 图形准确性CAD绘图的一个重要目标是保持图形的准确性。
在进行CAD绘图时,要遵循精确性和准确性的原则。
确保图形的坐标和尺寸精确无误。
检查和修正图形的交点、连接和对齐等问题。
避免出现重叠、断裂或闭合不当的图形。
6. 文件命名和管理良好的文件命名和管理对于CAD绘图的组织和追踪非常重要。
在CAD绘图之前,要规划好文件命名的规范和结构。
选择有意义的文件名,并确保文件名的唯一性和可读性。
同时,建立合理的文件夹结构和版本控制机制,以便于文件的查找、管理和共享。
图纸绘制规范在工程设计、建筑施工、机械制造等众多领域中,图纸作为重要的技术文件,是将设计理念转化为实际产品或项目的关键桥梁。
一份准确、清晰、规范的图纸不仅能够有效地传达设计意图,还能减少误解和错误,提高工作效率,保证工程质量。
因此,掌握图纸绘制规范至关重要。
一、图纸的种类与用途首先,我们需要了解常见的图纸种类及其用途。
一般来说,图纸可以分为建筑图纸、机械图纸、电气图纸、工艺流程图等。
建筑图纸主要用于描述建筑物的布局、结构、尺寸和装饰等方面的信息,包括平面图、立面图、剖面图、详图等。
机械图纸则用于展示机械零件和装配体的形状、尺寸、公差、材料等,常见的有零件图、装配图。
电气图纸用于描绘电气系统的线路连接、设备布置和控制原理,例如电路图、接线图。
工艺流程图则用于展示生产过程中的流程和操作顺序。
不同种类的图纸在绘制规范上可能会有所差异,但总体的原则和要求是相通的。
二、图纸的基本要求1、准确性图纸上的所有信息必须准确无误,尺寸标注、符号使用、文字说明等都要符合实际情况和相关标准。
任何微小的错误都可能导致严重的后果,例如零件无法装配、建筑物结构不稳定等。
2、清晰性图纸要清晰易懂,线条粗细分明,图形布局合理,文字和标注大小适中,避免出现模糊、重叠或难以辨认的情况。
这样可以使阅读者能够快速准确地获取所需信息。
3、完整性图纸应包含足够的信息,以满足制造、施工或检验的需要。
除了图形和尺寸标注外,还应包括材料、工艺要求、技术条件等相关说明。
4、规范性遵循国家和行业的标准规范进行绘制,使用统一的符号、代号、字体和格式。
这样可以保证图纸在不同的单位和人员之间能够被准确理解和交流。
三、图纸的格式与布局1、图纸幅面根据实际需要选择合适的图纸幅面,常见的有 A0、A1、A2、A3、A4 等。
在同一套图纸中,尽量使用相同规格的幅面,以保持整齐美观。
2、边框与标题栏图纸要有明确的边框和标题栏。
边框用于界定绘图范围,标题栏则包含图纸的名称、编号、比例、设计单位、制图日期等重要信息。
绘图及标注规范一、图纸幅面调用更新的中英文框题栏二、比例:三、线条;四、图纸布局及标注规则1)零件实际大小应和电脑1:1输出图形大小相等,如需改变输出大小,可将图框放大或缩小比例。
2)默认尺寸单位为毫米,如采用英制单位,需在尺寸数字后加上单位。
3)客户有要求按客户要求的投影法绘图,否则按笫三视角投影法绘制图形。
4)主视图选择一般按加工位臵或工作位臵,主视图应表示零件各组成部分的形状及其加工位臵,为方便看图一般零部件主视图和总装配图主视图位臵一致5)根据需要可增加局部视图,如斜视图,向视图,局剖放大图:剖视图,如全剖,半剖,局部剖,斜剖,阶梯剖,旋转剖,复合剖;局部视图、剖视图要有清晰剖切线位臵及文字注释。
6)在能够充分而清晰地表达零件形状结构的前提下,所选用的视图数量要尽可能少,避免不必要的视图和剖视。
圆形零件一般不少于两个投影视图,非圆形零件一般不少于三个投影视图表达.7)尽量避免使用虚线表示不可见的结构,尽可能减少相同结构的重复绘制。
8)标准件需要在主视图上注释代号.标准代号如下:9)10)有装配关系的零件图尽量放一块,用矩形框起,便于查找。
11)字体及标注样式见模板文件,路径:C o m m o n//t e m p_i n f o//s i n o m o u l d.d w t 12)尺寸标注尽量采用坐标标注法,建议在尺寸标注前加上图框,并设臵好标注比例。
零件的每个尺寸一般只标注一次,并标在最清晰的图形上.尽可能使13减小文件大小。
五、装配图标注注意事项1)装配图要有水线图、产品图、哥林柱、排气、翘模坑、入水放大图、剖视要有剖切线位臵和注释。
2)装配图需要标注总装配长宽高尺寸、模胚尺寸、板厚、开框大小及深度;模具和注塑机装配尺寸:哥林柱间距、法兰大小、唧咀半径、K O孔大小数量、开模行程、码模孔尺寸。
3)运动零件标注行程大小,水孔标注直径大小,进出水用I n/O u t加数字标明,进出水很多条时做接水板。
设计院的绘图规则(好全)[本站推荐]第一篇:设计院的绘图规则(好全)[本站推荐]设计院绘图规则内容摘要:一、总则1、工作目标2、工作范围3、工作风格二、制图1、制图规范2、图纸目录3、图纸深度4、图纸字体5、图纸版本及修改标志6、图纸幅面7、图纸幅面8、图层及文件交换格式9、门窗表和材料表10、补充说明前言自1995年以来,我院的计算机辅助设计工作,在院领导的重视和大力推广下得到了全面普及,其应用已达到一定水平。
为了进一步提高设计水平,使我院的计算机辅助设计逐步实现规范化、标准化、网络化,我们组织了总工办等设计人员,通过对我院近年来的计算机辅助设计工作的经验、提炼和总结,制订本标准。
今后,凡我院承接编制的各类设计任务应用计算机辅助绘图,均需依照本标准进行。
全院各设计人员在其具体使用过程中,如发现需要修改或需要补充之处,请将有关意见及资料,提交给总工办,以便今后对本标准进一步调整和完善。
一、总则1、工作目标1.1规范化——有效提高建筑设计的工作质量;1.2标准化——提高建筑设计的工作效率;1.3网络化——便于网络上规范化管理和成果的共享。
2、工作范围本标准是建筑CAD制图的统一规则,适用于我院房屋建筑工程和建筑工程相关领域中的CAD制图及软件开发。
3、工作风格本标准为形成设计院绘图表达的风格的统一,不提倡个人绘图表达风格。
建筑制图的表达应清晰、完整、统一。
二、制图1、制图规范工程制图严格遵照国家有关建筑制图规范制图,要求所有图面的表达方式均保持一致。
2、图纸目录各个专业图纸目录参照下列顺序编制:建筑专业:建筑设计说明;室内装饰一览表;建筑构造作法一览表;建筑定位图;平面图;立面图;剖面图;楼梯;部分平面;建筑详图;门窗表;门窗图。
结构专业:结构设计说明;桩位图;基础图;基础详图;地下室结构图;(人防图纸);地下室结构详图;楼面结构布置;楼面配筋图;梁、柱、板、楼梯详图;结构构件详图。
电气专业:电气设计说明;主要设备材料表;平面图;详图;系统图;控制线路图。
CAD制图规范及技巧整理在当今的工程和设计领域,CAD(计算机辅助设计)技术已经成为不可或缺的工具。
无论是建筑设计、机械制造还是电子电路设计,CAD 制图都发挥着至关重要的作用。
然而,要想制作出高质量、准确且易于理解的 CAD 图纸,就必须遵循一定的规范和掌握一些实用的技巧。
一、CAD 制图规范1、图层管理合理设置图层是 CAD 制图的基础。
根据不同的元素类型,如轮廓线、中心线、标注线等,将它们分别放置在不同的图层中。
这样可以方便地控制每个图层的显示和隐藏,提高绘图效率,同时也使图纸更加清晰易读。
为每个图层设置合适的颜色、线型和线宽。
例如,轮廓线通常使用粗实线,中心线使用点划线,标注线使用细实线。
2、字体和标注选择统一的字体样式和大小,确保图纸中的文字清晰可读。
一般来说,标注文字的高度为 3 5mm,字体应简洁明了,避免使用过于花哨的字体。
标注的尺寸应准确无误,包括线性尺寸、直径尺寸、半径尺寸等。
标注的位置应清晰合理,不与图形元素重叠,同时要保证标注之间的间距均匀。
3、图形比例根据实际需要选择合适的图形比例,如 1:1、1:2、1:5 等。
在绘制图形时,要按照选定的比例进行缩放,以保证图形的尺寸准确性。
在图纸的标题栏中注明图形的比例,以便他人在查看图纸时能够正确理解图形的大小。
4、图框和标题栏使用标准的图框格式,包括图纸的边框、装订边等。
图框的尺寸应根据图纸的大小和用途进行选择。
标题栏应包含图纸的名称、编号、比例、制图日期、制图人员等信息,这些信息应填写完整、准确。
5、视图布局合理安排视图的布局,包括主视图、俯视图、左视图等。
视图之间应保持对齐和对称,以展现物体的完整形状和结构。
对于复杂的物体,可以使用剖视图、局部放大图等方式来表达其内部结构和细节。
二、CAD 制图技巧1、快捷键的使用熟练掌握 CAD 软件中的快捷键可以大大提高绘图效率。
例如,直线命令“L”、圆命令“C”、复制命令“CO”等。
可以根据自己的习惯自定义一些常用命令的快捷键。
公司绘图管理制度第一章总则为规范公司绘图工作,提高绘图质量和效率,制定本制度。
第二章绘图工作的范围和目的1. 公司绘图工作范围包括:产品设计图纸、机电设备安装图纸、建筑施工图纸等。
2. 绘图的目的是为了保证设计的准确性和施工的顺利进行,确保项目的质量和进度。
第三章绘图管理的原则1. 绘图应符合国家相关标准和规范。
2. 绘图应做到准确、完整、清晰。
3. 绘图应根据项目的特点进行调整和改进。
4. 绘图应定期进行审核和更新。
第四章绘图管理的组织和责任1. 公司设立绘图管理部门,负责指导和监督公司各部门的绘图工作。
2. 绘图管理部门负责制定绘图工作流程和标准,确保绘图质量和效率。
3. 各部门负责确定专人负责绘图工作,并定期评估其绘图水平和工作情况。
第五章绘图管理的流程1. 绘图需求确认:根据项目需求确定绘图内容和要求。
2. 制定绘图方案:确定绘图规范和尺寸,制定绘图计划。
3. 绘图设计:根据方案进行绘图设计,包括平面图、立面图、剖面图等。
4. 绘图审核:由专人进行绘图审核,确保绘图准确无误。
5. 绘图归档:将审核通过的绘图归档保存,确保随时查阅。
第六章绘图管理的考核与奖惩1. 绘图质量考核:定期进行绘图质量评比,对优秀的绘图人员进行奖励。
2. 绘图工作纪律:对违反绘图管理制度的行为进行惩罚,包括批评教育、警告甚至解雇。
第七章附则1. 本制度自颁布之日起开始执行。
2. 绘图管理部门负责解释和调整绘图管理制度。
公司绘图管理制度的制定和执行,有效保障了公司绘图工作的质量和效率,为公司的项目发展提供了有力支持。
希望全体员工认真遵守本制度,共同努力,为公司的发展做出更大的贡献。
绘图标准为了公司图纸的标准化、标准化,特整理了图纸绘制流程BA 部 朱 校2021-8-14一、图纸深化与设计磨刀不误砍柴工,计算机绘图跟手工画图一样,也要做些必要的准备,图纸拿来后:第一步操作:整理底图整理方法:删掉底图中〔或图层屏蔽掉〕和自己不相关的专业,如:强电、空调、给排水、轴线、内部标注尺寸、房号门号、不相关的标注说明等。
删掉后,底图一定要简洁,清晰。
最后选中底图,把颜色调成8号或9号灰色颜色。
底图调成统一颜色后,连续三次使用PU 命令,清理图层,让图纸占用空间更小。
最后也可以把底图定义为块(建议)第二步操作:设置图层、高度和图标大小、比例1、新建图层:各专业新建的图层不一,如表:以后统一和表上一致。
合理利用图层,可以事半功倍。
一开始画图,就预先设置一些根本层。
每层有自己的专门用途,这样做的好处是:只须画出一份图形文件,就可以组合出许多需要的图纸,需要修改时也可针对图层进行。
例如你的专业是综合布线,你可设置: TD+TP 层、 TV 层、AP 层、线路层 线槽层等。
如每层的布点差不多,你可选择复制信息点图层到另一层图纸就可以了,大大提高了画图效率。
2、颜色设置:颜色可以控制线型的粗细,对出图的质量影响非常大。
线型的粗细设置有两种:一、直接用PE 命令在图上改变线型粗细,这种方法比拟麻烦;二、是用颜色来控制粗细,这种比拟通用,使用非常方便。
推荐使用二种方法.出图线型设置:专业 新建图层名称 颜色 线型 综合布线 综合布线线槽 紫色 使用ML 命令绘制双线线路 红色 信息点(TD/TP/TV/AP) 绿色文字 黄色或白色 文字高度〔1:100〕A2:350 A1:750安防监控 绿色 巡更 绿色线路 红色 线槽 紫色紫色线宽:0.5 绿色:0.2 红色:0.35 8、9号色:0.05 淡显50 其它0.15你可根据上面的线宽,来定义自己绘图的颜色。
如你要绘比拟粗的线,就用紫色。
没有要求线型,就用白色,文字和信息点尽量不要和线路\线槽颜色一样,出图我会把根据颜色把线槽打很粗.3、信息点定为块在新建的图层中,把信息点图层置为当前,绘制第一个图例信息点,如TD,画好后,调整大小,选中图例:在命令行中输入:“B 〞定义块,定义块的名称以后绘图,希望都用统一的图例来布信息点。
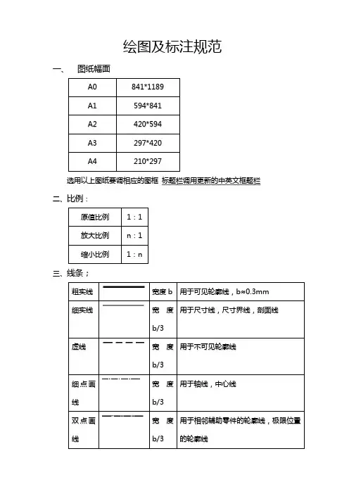
CAD绘图规范
1、绘图中图线的规范:
(1) 机械图样中的线型采用粗、细两种线宽,它们之间的比例是2:1。
粗宽线一般采用0.5mm,0.7mm。
(2) 在较小的图形上绘制点画线和双点画线有困难时,可用细实线
代替。
(3) 当虚线、点画线与其他图线相交时,应画相交;当虚线为粗实
线的延长线时,应留有间隙,以表示两种不同线型的分界;点
画线的首末两端是长画线,超出轮廓线3——5mm。
(4) 当两种图线重合时,应按“可见轮廓线——不可见轮廓线——
尺寸线——各种用途细实线——轴线或对称线等”的图线优先
次序,仅画出前面一种;
(5) 同一图样中,同类图线的宽度应一致。
2、尺寸标注的规范:
(1) 一般以mm为单位;
(2) 机件的每一个尺寸,一般只标注一次;
(3) 尺寸界线超出尺寸线2——3mm;
(4) 尺寸线用细实线,必须单独画出,不用其他图线代替,一般不
得与其他图线重合或画在其延长线上;
(5) 为避免尺寸线交叉,应将小尺寸标在里,大尺寸标在外; (6) 尺寸线与尺寸线相距5——10mm;
3、图线的用途
(1) 虚线:不可见轮廓线;
(2) 粗实线:可见轮廓线;
(3) 细实线:剖面线;尺寸界线;指引线;尺寸线;重合断面的轮廓线;
(4) 点画线:轴线;对称中心线;
(5) 双折线:断裂处得边界线;
(6) 双点画线:相邻辅助零件的轮廓线;轨迹线;极限位置的轮廓线;
(7) 波浪线:视图和剖视图的分界线;。
CAD绘图规范与标准教程CAD(Computer-Aided Design)计算机辅助设计是一种利用计算机技术辅助完成设计和绘图的方法。
在设计和建筑行业中,CAD已经成为必备的工具之一。
然而,要使用CAD软件进行绘图,我们需要了解一些绘图规范与标准,以确保绘图结果的质量和准确性。
1. 缩放与单位在CAD绘图过程中,合理的缩放和单位选择是非常重要的。
一般来说,我们可以使用比例尺来确定绘图的缩放比例。
比如,1:50表示实际尺寸与绘图尺寸的比例为1:50。
而单位的选择通常有毫米(mm)、厘米(cm)和米(m)等。
在选择单位时,要根据实际需要和绘图范围进行选择,并在整个绘图过程中保持统一。
2. 图层设置图层是CAD软件中的一个重要功能,它能够将绘图元素进行分类和组织。
在进行CAD绘图时,我们可以设置不同的图层来表示不同的绘图内容。
比如,我们可以把建筑图纸的结构和设备分别放在不同的图层中,以便于后续操作和管理。
在进行图层设置时,要注意命名规范和层级关系,并且要定期检查和清理无用的图层。
3. 绘图样式绘图样式可以控制绘图元素的线型、线宽、颜色等属性。
在进行CAD绘图时,我们可以根据实际需求设置绘图样式,以便于绘制出符合要求的图形。
比如,我们可以设定实线、虚线、虚实线等不同的线型,在绘制墙体、柱子等建筑元素时,我们可以选择合适的线宽和颜色以提高可读性。
在进行绘图样式设置时,要参考相关标准和规范,确保绘图结果的准确性和可视性。
4. 文字和注释在CAD绘图中,文字和注释是非常重要的元素。
文字可以用于标注尺寸、注释图纸内容等。
在进行文字和注释设置时,要注意字体、大小、对齐方式等。
一般来说,我们可以使用等线、宋体等常用字体,并根据实际需要设置合适的字号和对齐方式。
在进行文字和注释时,要保证文字清晰可读,并且要与绘图元素保持一定的距离和对齐。
5. 标准符号和图例在CAD绘图中,使用标准符号和图例能够提高图纸的可读性和标准化程度。