预制钢筋混凝土板式楼梯检测 设计说明(ST)
- 格式:docx
- 大小:34.09 KB
- 文档页数:1
《建筑结构》课程设计三——钢筋混凝土板式楼梯设计指导书(建筑工程管理专业青岛黄海学院建筑工程系钢筋混凝土板式楼梯结构设计指导书一、基本思路熟悉板式楼梯的受力特点及传力途径;熟悉楼梯结构形式与结构布置;掌握梯段板简图的确定方法和内力计算公式;掌握受弯构件的正截面、斜截面承载力计算;掌握梯段板、平台板、平台梁的配筋种类及构造要求;熟悉计算中的各项规定。
二、设计步骤及方法(一楼梯结构平面布置及构件尺寸选择1、梯段板、梯梁和平台板布置应与楼梯建筑详图一致。
2、板厚和梁高一般按刚度要求初步估算,再根据荷载大小及构造要求初步确定。
初步确定的构件尺寸必须经过正截面、斜截面承载力计算并满足要求。
根据刚度要求:平台板板厚:h≥80mm,且h≥(1/35—1/40L梯段板板厚:h≥(1/25—1/30L,L为梯段板水平净跨长度。
平台梁:h≥(1/12—1/15L,b=(1/2—1/3h所有尺寸应考虑建筑模数。
(二梯段板的设计1、荷载计算从梯段板中垂直于支承方向取出1米宽板带作为计算单元,计算出沿水平投影方向分布的每米长的竖向均布荷载(包括竖向均布恒载设计值g和均布活荷载设计q。
梯段板自重按其平均厚度计算。
2、计算简图梯段板的计算简图为受竖向均布荷载的简支梁,其计算跨度为:l=l。
+b l——梯段板的水平投影计算跨度l。
——梯段板的水平投影净跨度b——平台梁梁宽计算简图如图3.2所示。
3、内力计算考虑平台板、平台梁的约束作用,梯段板跨中最大弯距为:M=1/10(g+ql24、截面强度计算梯段板有效高度h。
=h-a s,h为梯段板的截面计算高度,应取垂直于斜板板底的最小高度,不考虑三角形踏步部分的尺寸。
具体如图3.3所示。
a s 为板底受力钢筋合力作用点,其它计算同受弯构件。
5、选配钢筋,绘制梯段板配筋草图。
梯段板配筋构造要求见教材。
(三平台板、平台梁的设计同一般受弯构件,指导内容从略。
三、补充说明1、设计前应认真阅读任务书、指导书,并查阅相关教材中楼梯设计实例。
钢筋混凝土预制楼梯的阻尼设计与减振效果评估钢筋混凝土预制楼梯作为建筑楼梯的一种常见形式,其设计与施工应符合相关规范和要求,其中包括阻尼设计和减振效果评估。
这两个方面的考虑重要性在于保证楼梯在使用过程中的安全性和舒适性。
本文将对钢筋混凝土预制楼梯的阻尼设计与减振效果评估进行详细探讨与分析。
首先,对于钢筋混凝土预制楼梯的阻尼设计,阻尼主要通过加入阻尼器来实现。
阻尼器的选择应充分考虑楼梯的结构特点、使用条件和设计要求。
常用的阻尼器包括粘滞阻尼器、液体阻尼器和金属阻尼器等。
粘滞阻尼器是一种利用黏滞材料实现能量耗散的装置。
其主要特点是结构简单、使用寿命长、维护成本低等。
在楼梯的设计中,将粘滞阻尼器设置在楼梯底部的支座处,并与楼梯的主体结构连接,可以有效减小楼梯在地震或人流冲击下的振动幅度,提高楼梯的稳定性和安全性。
液体阻尼器则是利用流体的黏性特性来消耗振动能量的装置。
其主要特点是具有较大的阻尼比,能够提供较好的减振效果。
在钢筋混凝土预制楼梯的设计中,可以考虑将液体阻尼器设置在楼梯的结构柱或横梁处,通过调整液体阻尼器的参数和设计参数,来满足楼梯的减振要求。
金属阻尼器则是利用金属材料的形变能力来消耗振动能量的装置。
其特点是具有较高的刚度和稳定性,能够承受较大的外力和冲击。
在楼梯的设计中,可以考虑将金属阻尼器设置在楼梯的连接部位或支撑结构处,以提供额外的阻尼衰减能力,进一步提高楼梯的减振效果。
其次,钢筋混凝土预制楼梯的减振效果评估是对设计方案的验证和优化。
通过减振效果评估,可以了解当前设计方案是否满足减振要求,并可以对设计方案进行优化改进。
评估钢筋混凝土预制楼梯的减振效果需要考虑楼梯结构的固有频率、模态振型和减振目标。
固有频率是指楼梯在自由振动状态下的振动频率,通常通过计算和分析可以得到。
模态振型是指楼梯在不同振型下的振动状态,通过模态分析可以获得。
减振目标则是根据设计要求和使用条件来确定的,如减小楼梯振动幅度、提高使用舒适性等。
钢筋混凝土楼梯设计钢筋混凝土楼梯是建筑设计中常见的楼梯类型之一,其坚固耐用、美观实用的特点使其广泛应用于各类建筑项目中。
本文将详细介绍钢筋混凝土楼梯的设计要点和技巧。
1. 原理与构造钢筋混凝土楼梯的主要原理是利用钢筋混凝土的高强度和良好的抗压性能,通过合理的设计和施工工艺来实现楼梯的安全稳固。
其构造主要由楼梯台阶、楼梯踏面、楼梯扶手等部分组成。
2. 设计要点2.1. 楼梯坡度楼梯的坡度是指楼梯台阶与水平线之间的夹角。
根据人体工程学原理,楼梯的坡度应当合理,既要考虑行走的舒适度,又要兼顾楼梯的整体结构。
通常情况下,楼梯坡度控制在30度至40度之间。
2.2. 台阶高度和踏面宽度台阶的高度是指楼梯台阶之间的竖直距离,踏面宽度是指楼梯踏面的水平宽度。
在设计时,应确保楼梯台阶的高度和踏面宽度相对一致,以提供良好的行走体验。
一般来说,台阶高度控制在15厘米至18厘米之间,踏面宽度控制在25厘米至30厘米之间。
2.3. 扶手设计楼梯扶手的设计不仅是为了提供支撑和保护作用,还能提高楼梯整体的美观度。
扶手的高度应适宜,一般安装在0.8米至1.2米的位置。
扶手的材质可以选择不锈钢、木材等,根据实际需要和设计风格进行选择。
3. 施工工艺3.1. 模板搭设在施工前,需要搭设钢模板来确定楼梯的形状和尺寸。
模板的搭设应严格按照设计要求进行,并确保模板的稳固性和准确性。
3.2. 钢筋绑扎钢筋在楼梯的承重和抗拉中起着关键作用。
在绑扎钢筋时,需要按照设计要求进行合理布置,并采用专业的绑扎工艺,确保钢筋的连接牢固。
3.3. 混凝土浇筑混凝土浇筑是钢筋混凝土楼梯施工的关键环节。
在浇筑时,要注意浇筑的层次逐步进行,并使用振动器进行振动,以保证混凝土的均匀分布和密实性。
4. 安全检测与验收在完成楼梯设计与施工后,为了确保其安全稳固,需要进行安全检测和验收工作。
检测过程中,主要关注楼梯的承重性能、防滑性能和整体结构的稳定性。
只有通过安全检测并合格后,才能投入使用。
预制装配式钢筋混凝⼟楼梯预制装配式钢筋混凝⼟楼梯按其构造⽅式可分为梁承式、墙承式和墙悬臂式等类型。
⼀、梁承式预制装配梁承式钢筋混凝⼟楼梯系指梯段由平台梁⽀承的楼梯构造⽅式。
由于在楼梯平台与斜向梯段交汇处设置了平台梁,避免了构件转折处受⼒不合理和节点处理的困难,在⼀般⼤量性民⽤建筑中较为常⽤。
预制构件可按梯段(板式或梁板式梯段)、平台梁、平台板三部分进⾏划分。
1、梯段(1) 梁板式梯段梁板式梯段由梯斜梁和踏步板组成。
⼀般在踏步板两端各设⼀根梯斜梁,踏步板⽀承在梯斜梁上。
(2) 板式梯段板式梯段为整块或数块带踏步条板,其上下端直接⽀承在平台梁上。
由于没有梯斜梁,梯段底⾯平整,结构厚度⼩,其有效断⾯厚度可按L/20--L/30估算,由于梯段板厚度⼩,且⽆梯斜梁,使平台梁位置相应抬⾼,增⼤了平台下净空⾼度.为了减轻梯段板⾃重,也可做成空⼼构件,有横向抽孔和纵向抽孔两种⽅式。
横向抽孔较纵向抽孔合理易⾏,较为常⽤。
2、平台梁为了便于⽀承梯斜梁或梯段板,平衡梯段⽔平分⼒并减少平台梁所占结构空间,⼀般将平台梁做成L形断⾯。
其构造⾼度按L/12估算(L为平台梁跨度)。
3、平台板平台板可根据需要采⽤钢筋混凝⼟空⼼板、槽板或平板。
需要注意的是,在平台上有管道井处,不宜布置空⼼板。
平台版⼀般平⾏于平台梁布置,以利于加强楼梯间整体刚度。
当垂直与平台梁布置时,常⽤⼩平板。
4、梯段与平台梁节点处理就两梯段之间的关系⽽⾔,⼀般有梯段齐步和错步两种⽅式。
就平台梁与梯段之间的关系⽽⾔,有埋步和不埋步两种⽅式。
(1)梯段齐步布置的节点处理上下梯段起步和末步踢⾯对齐,平台完整,可节省梯间进深尺⼨。
(2)梯段错步布置的节点处理上下梯段起步和末步踢⾯相错⼀步,在平台梁与梯段连接⽅式相同的情况下,平台梁底标⾼可⽐齐步⽅式抬⾼,有利于减少结构空间。
但错步⽅式使平台不完整,并且多占楼梯间进深尺⼨。
当两梯段采⽤长短跑时,他们之间相错步数变不⽌⼀步,需将短跑梯段做成折形构件。
钢筋混凝土楼梯设计技术规程一、前言钢筋混凝土楼梯是现代建筑中常见的楼梯形式,其具有强度高、耐久性好、施工方便等优点。
本文旨在提供一份全面的钢筋混凝土楼梯设计技术规程,以帮助建筑设计师和施工人员更好地设计和建造楼梯。
二、材料选择1. 混凝土:楼梯的承重部分应选用C30或以上的混凝土。
2. 钢筋:楼梯的支撑和加强部分应选用HRB400级别的钢筋。
3. 防火材料:楼梯的防火材料应符合国家相关标准,建议选用防火涂料或防火板材料。
三、基本设计要求1. 楼梯的坡度应符合国家相关标准,普通楼梯的坡度为30°~45°,室内安装的楼梯的坡度应在33°~37°之间。
2. 楼梯的踏步宽度应符合国家相关标准,一般建议踏步宽度不小于300mm,高度不大于200mm。
3. 楼梯的台阶数量应根据楼层高度和坡度进行合理计算。
建议每个楼层之间的楼梯数量不宜少于两组。
四、结构设计1. 楼梯的梯段应采用单段或多段梯段结构,每段梯段的高度应相等,每段梯段的台阶数量应不超过16级。
2. 梯段间应设置平台,平台长度应不小于一组楼梯的踏步宽度,宽度应不小于楼梯宽度。
3. 楼梯的支撑结构应采用钢筋混凝土结构,其强度应能够承受楼梯自重及使用荷载,梯段与墙体之间应设置伸缩缝。
4. 楼梯的防滑措施应符合国家相关标准,建议采用防滑瓷砖或防滑地毯等材料。
五、施工要求1. 楼梯的施工应严格按照设计图纸进行,施工过程中应注意保持楼梯的水平和垂直度。
2. 楼梯的混凝土浇筑应分层进行,每层浇筑后应进行充分的振捣和养护。
3. 楼梯的钢筋加工应符合国家相关标准,钢筋的安装应严格按照设计要求进行。
4. 楼梯的防火涂料或防火板材料应在施工过程中进行涂装或安装,确保楼梯的防火性能。
六、验收标准1. 楼梯的设计、施工和材料应符合国家相关标准和规定。
2. 楼梯的外观应平整、美观,无明显的裂缝、脱落和变形等现象。
3. 楼梯的结构应稳固、牢固,无松动、断裂和变形等现象。
预制钢筋混凝土楼梯介绍一、概述预制钢筋混凝土楼梯是在工厂内预制好的楼梯构件,其优点包括施工速度快、质量稳定、安全可靠等。
因此,在建筑业中越来越受到欢迎。
二、设计预制钢筋混凝土楼梯的设计需要考虑多个因素,包括楼层高度、楼梯宽度、踏步高度和踏步深度等。
其中,踏步高度和踏步深度是影响舒适性和安全性的重要因素,应根据国家标准进行设计。
三、生产预制钢筋混凝土楼梯的生产需要按照设计图纸进行,首先进行模具制作,然后将混凝土浇注进模具中,在模具中震动并压实混凝土。
待混凝土充分硬化后,即可取出模具并进行加固处理。
四、运输与安装预制钢筋混凝土楼梯在生产完成后需要进行运输至工地,并在现场进行安装。
运输时需要注意避免碰撞和摩擦等损坏情况。
安装时需要根据设计要求进行固定和连接,确保楼梯的稳定性和安全性。
五、优点1. 施工速度快:预制钢筋混凝土楼梯可以在工厂内进行预制,避免了现场施工的繁琐过程,因此施工速度更快。
2. 质量稳定:预制钢筋混凝土楼梯采用标准化生产,质量稳定可靠,并且经过严格检验合格后才会出厂。
3. 安全可靠:预制钢筋混凝土楼梯经过专业的设计和加固处理,具有较高的承重能力和抗震能力,使用安全可靠。
4. 美观实用:预制钢筋混凝土楼梯可以根据设计要求进行个性化定制,在美观性和实用性上都有很好的表现。
六、缺点1. 造价较高:相比于传统的砖石楼梯,预制钢筋混凝土楼梯的造价较高。
2. 运输与安装难度大:由于预制钢筋混凝土楼梯是整体运输和安装的,因此需要考虑运输和安装的难度和成本。
七、应用范围预制钢筋混凝土楼梯适用于各种建筑场合,包括住宅、商业、公共设施等。
其优点在于可以根据不同场合的需要进行个性化设计和定制,满足不同的使用需求。
八、维护保养预制钢筋混凝土楼梯的维护保养需要定期清洁,避免积尘和污垢对楼梯造成损害。
同时,需要注意防水、防腐等问题,确保楼梯长期使用安全可靠。
九、总结预制钢筋混凝土楼梯是一种具有很多优点的建筑构件,在现代建筑中得到了广泛应用。
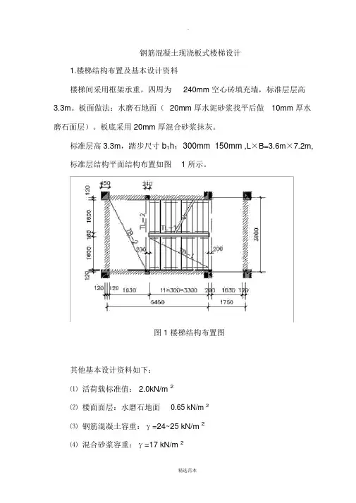
钢筋混凝土现浇板式楼梯设计1.楼梯结构布置及基本设计资料楼梯间采用框架承重,四周为240mm 空心砖填充墙,标准层层高3.3m。
板面做法:水磨石地面(20mm 厚水泥砂浆找平后做10mm 厚水磨石面层)。
板底采用 20mm 厚混合砂浆抹灰。
标准层高 3.3m,踏步尺寸b1h1300mm 150mm ,L×B=3.6m×7.2m, 标准层结构平面结构布置如图 1 所示。
图 1 楼梯结构布置图其他基本设计资料如下:⑴活荷载标准值: 2.0kN/m 2⑵楼面面层:水磨石地面0.65 kN/m 2⑶钢筋混凝土容重:γ=24~25 kN/m 2⑷混合砂浆容重:γ=17 kN/m 2⑸混凝土: C25⑹钢筋:梁内受力筋采用HRB335 级,板内及梁内的其他钢筋采用HPB235 级钢筋。
2.梯段板 TB1 设计梯段板厚度 h l 30 110mm,按一类环境设计,C25混凝土,取保护层厚度c=20mm,则a s25mm , h0110 2585mm ;板倾斜角tan a 150 300 0.5 ,cosa0.894。
取1m板宽进行计算。
1.荷载计算水磨石面层(0.3+0.15)×0.65/0.3=0.98 kN/m 三角形踏步0.3×0.15×0.5×25/0.3=1.88 kN/m 斜板厚重0.11×25/0.894=3.08 kN/m 板底摸灰0.02×17/0.894=0.38 kN/mg k=6.32 kN/mq k=2.0 kN/m2.截面设计q k / g k =2.0/6.32=0.31<1/3故踏步的荷载效应就由永久荷载控制。
弯矩设计值M 1 ( g q)l n21(1.35g k 1.4 0.7q k )l n210 101 (1.35 6.32 0.98 2.0) 3.32 11.43kN ? m 10.1M111.43 1060.1431 10.5 f c bh02 0.5 11.9 1000 852As f c bh0 0.143 11.9 1000 85 670mm2f y 210选配:φ8/10@100(A s=714mm2),分布筋为φ8@250配筋图见图 2。
钢筋混凝土预制楼梯的自动监测与安全预警技术摘要:钢筋混凝土预制楼梯是现代建筑中常见的结构构件,其安全性直接关系到人们的生命安全。
随着科技的不断发展,自动监测与安全预警技术成为了确保楼梯安全的关键。
本文将介绍钢筋混凝土预制楼梯的自动监测与安全预警技术的相关概念、原理以及应用现状,并探讨其未来的发展趋势。
1. 引言钢筋混凝土预制楼梯作为建筑主要组成部分之一,承担着人们上下楼梯的功能。
然而,在长期使用过程中,楼梯的安全问题成为了人们关注的焦点。
为了解决这一问题,自动监测与安全预警技术应运而生。
该技术通过对楼梯结构进行实时监测和数据分析,能够及时发现潜在的安全隐患,为楼梯的维护与修复提供科学依据。
2. 自动监测技术在钢筋混凝土预制楼梯中的应用2.1 传感器技术传感器技术是钢筋混凝土预制楼梯自动监测的核心技术之一。
通过布置在楼梯结构中的传感器,可以实时获取楼梯的应变、温度、湿度等关键参数。
传感器技术的发展使得楼梯的监测更加精准和高效,为楼梯的安全保驾护航。
2.2 数据采集与处理传感器获取的数据需要通过数据采集与处理系统进行收集和分析。
数据采集系统能够将传感器获取的原始数据进行整理和清洗,同时与楼梯的结构参数进行对比和分析。
数据处理系统则是对采集到的数据进行模型构建与分析,提取出有价值的信息,为后续的安全预警提供依据。
3. 安全预警技术在钢筋混凝土预制楼梯中的应用3.1 数据模型与故障诊断由于传感器获取的数据量较大,如何从中提取有价值的信息成为了关键问题。
通过建立数据模型,可以将采集到的数据与楼梯的结构参数相匹配,从而判断是否存在安全隐患。
数据模型的建立需要借助于机器学习和人工智能等技术,使得故障诊断更加准确和可靠。
3.2 健康监测与预警通过对楼梯的健康状况进行监测,可以预测楼梯的剩余寿命并进行预警。
健康监测技术结合了传感器数据的采集与处理以及结构参数的分析,能够在楼梯发生故障之前提前发出预警信号。
这样不仅可以保障人们的安全,还可以提高维护的效率和准确性。
钢筋混凝土预制楼梯的设计理念与创新钢筋混凝土预制楼梯是当今建筑设计领域的一项重要创新,其设计理念和创新带来了许多优势和改进。
本文将详细介绍钢筋混凝土预制楼梯的设计理念和创新,并以此为基础探讨其在建筑领域的应用。
设计理念与创新:1. 结构稳定性:钢筋混凝土预制楼梯采用了优质材料和现代化的设计技术,确保了其结构的稳定性和耐久性。
通过在设计阶段进行大量的结构计算和分析,预制楼梯得以满足建筑物的需求,同时具备良好的承载能力和抗震性能。
2. 工期和成本控制:预制楼梯的制作过程在工厂进行,与传统的现场施工相比,大大缩短了工期。
此外,制作过程中采用模具,可以保证每道工序的准确和一致性,减少了工人的错误和浪费。
这种工艺不仅提高了生产效率,还降低了生产成本。
3. 预制构件的一体化设计:钢筋混凝土预制楼梯的设计思路着眼于构件的一体化。
通过将楼梯护栏、梯段和平台等构件预制成一个整体,可以减少构件之间的接缝,提高楼梯的美观性和稳定性。
4. 多样化的外观设计:随着技术的进步和人们对建筑美学的需求,预制楼梯不再局限于传统的设计风格。
它可以根据建筑物的风格和需求来设计多样化的外观,例如简约现代风格、复古风格、艺术风格等。
这为建筑师提供了更多创作的空间。
5. 可持续发展:钢筋混凝土预制楼梯的设计还注重可持续发展。
在材料选择上,可以采用环保材料,如可再生材料和回收材料,以减少对自然资源的消耗。
另外,预制楼梯的装配式施工方式可以减少现场建筑垃圾的产生,降低对环境的影响。
应用领域:1. 住宅建筑:钢筋混凝土预制楼梯在住宅建筑中得到广泛应用。
它可以根据户型和楼层要求进行设计,提供安全、舒适且美观的楼梯解决方案。
同时,预制楼梯可在施工现场快速安装,缩短工期,提高建筑效率。
2. 商业建筑:在商业建筑中,钢筋混凝土预制楼梯的应用也越来越多。
商场、办公楼和酒店等场所需要满足大量人流量的要求,预制楼梯的高质量和稳定性正好满足了这一需求。
此外,预制楼梯还可以根据商业建筑的主题和风格进行个性化设计,为建筑物增添独特的艺术氛围。
预制混凝土楼梯承载力检测方案一、检测目的。
咱为啥要检测预制混凝土楼梯的承载力呢?很简单,就是要知道这楼梯到底能承受多大的重量,安不安全,能不能让大家安心地在上面走来走去。
要是承载力不行,那可就像在走钢丝一样危险啦。
二、检测依据。
2. 还有就是工程建设的相关验收标准,这就好比是考试的及格线,得看看这楼梯达到标准没有。
三、检测内容。
# (一)外观检查。
1. 咱们先得绕着楼梯好好瞅一瞅,看看有没有明显的裂缝、变形或者破损的地方。
就像给楼梯做个全身检查,裂缝就像是伤口,要是有大裂缝,那可能就是个大问题。
2. 检查楼梯的表面平整度,如果楼梯表面坑坑洼洼的,那不仅走起来不舒服,也可能暗示着结构有问题呢。
# (二)尺寸测量。
1. 测量楼梯的长度、宽度和高度,这些尺寸可不能差太多。
要是楼梯的宽度比设计的窄了,那走起来多挤呀,而且还可能影响结构的受力性能呢。
2. 测量踏步的尺寸,包括踏步的高度和宽度。
踏步尺寸不合适,就像走路的节奏被打乱了,容易让人摔跤,而且也关系到楼梯整体的受力情况。
# (三)混凝土强度检测。
1. 采用回弹法来检测混凝土的强度。
这就好比是给混凝土的肌肉测测力量。
回弹仪就像一个小拳头,在混凝土表面弹一弹,根据回弹值就能大致判断混凝土的强度够不够。
2. 如果回弹法检测结果不太确定,那就再用钻芯法来检测。
这就像从混凝土身上取一块小肉下来,直接看看它的强度到底咋样。
不过钻芯法有点小破坏,就像给楼梯打个小针,所以能不用就尽量不用啦。
# (四)钢筋检测。
1. 用钢筋探测仪来看看楼梯里面的钢筋位置对不对。
钢筋就像是楼梯的骨架,如果骨架位置歪了,那楼梯还能站得稳吗?2. 再检测一下钢筋的直径和间距,这就好比是检查骨架的粗细和骨头之间的距离是否合适。
如果钢筋太细或者间距太大,那楼梯的承载力可就要大打折扣了。
3. 必要的时候,还得取点钢筋样本去实验室检测它的力学性能,看看这钢筋是不是够结实。
# (五)承载力试验。
1. 静载试验。
钢筋混凝土预制楼梯的声学性能评估钢筋混凝土预制楼梯是现代建筑中常见的楼梯形式之一。
在设计与施工过程中,除了强度和美观等基本要求外,不容忽视的是其声学性能评估。
本文将探讨钢筋混凝土预制楼梯的声学性能评估的相关知识与方法。
首先,钢筋混凝土预制楼梯的声学性能评估需要考虑以下几个方面:声传播特性、噪声隔离性、噪声产生和吸音性能。
对于楼梯而言,其声传播特性与噪声隔离性是关键因素,噪声产生和吸音性能则是辅助因素。
声传播特性是指声音在楼梯结构中的传播方式。
在设计中,应合理设置楼梯的布置,避免传声点与使用区域的直接相连。
此外,楼梯的结构材料与厚度也会影响声传播特性。
钢筋混凝土预制楼梯的结构通常具有较好的声传播特性,能够有效控制声音的传播。
噪声隔离性是指楼梯结构对外界噪声的屏障作用。
在楼梯区域周围应设置有效的隔音措施,如采用隔音窗、隔音门等。
同时,在楼梯本身的设计与施工中,应注意减少噪声传播的路径,例如采用非共振结构、添加吸音材料等。
噪声产生是指楼梯使用过程中产生的噪声。
楼梯的使用方式、通行频率、步行方式等均会影响噪声产生。
在设计阶段,应综合考虑楼梯的使用需求与业主对噪声的要求,选择合适的楼梯结构和材料,尽可能减少噪声产生。
吸音性能是指楼梯结构对噪声的吸收能力。
在设计中,可以考虑通过添加吸音材料或特殊的表面处理方式来提高楼梯的吸音性能。
选择合适的吸音材料和技术,能够有效减少楼梯使用过程中的噪声。
在进行钢筋混凝土预制楼梯的声学性能评估时,可以采用实验测试和数值模拟两种方法。
实验测试需要在具体的楼梯实际使用环境中进行,通过测量噪声水平、声音传播路径等指标来评估楼梯的声学性能。
而数值模拟则可以通过计算机仿真技术,对楼梯结构的声学性能进行预测和分析。
在进行实验测试时,可以利用声学测量仪器进行噪声水平的测量,并结合噪声源的频谱特征,对楼梯的声学性能进行评估。
同时,还可以通过人员走动、声源放置等不同条件的模拟测试,评估楼梯在不同使用情况下的声学性能。
钢筋混凝土预制楼梯的变形监测与结构健康评估钢筋混凝土预制楼梯被广泛应用于现代建筑中,其具有强度高、耐久性好、施工周期短等优点。
然而,随着时间的推移,楼梯结构可能会遭受力学性能的损耗,从而导致变形和健康问题。
因此,对钢筋混凝土预制楼梯进行变形监测和结构健康评估变得非常重要。
首先,针对钢筋混凝土预制楼梯的变形监测,可以采用多种方法。
最常见的方法是使用传感器技术,如应变计、倾角仪等,来监测楼梯的变形情况。
这些传感器可以安装在楼梯的关键位置,以便实时监测楼梯的变形情况。
此外,还可以采用无损检测技术,如声波检测、红外热像仪等,来评估楼梯内部的损伤情况。
这些无损检测技术可以提供更全面的信息,帮助我们更好地了解楼梯的健康状况。
一旦获取了楼梯的变形监测数据,就可以进行结构健康评估。
结构健康评估是通过对楼梯的变形数据进行分析,判断楼梯是否存在损伤或疲劳等问题。
通常,我们可以采用有限元分析方法来评估楼梯的结构健康状况。
有限元分析是一种数值计算方法,可以通过模拟楼梯的受力情况,分析楼梯的变形和应力分布情况。
通过将实测数据与有限元分析结果进行对比,可以判断楼梯的结构健康状况。
除了有限元分析,还可以采用机器学习和人工智能等技术来进行结构健康评估。
这些先进的技术可以通过学习和分析大量的数据样本,预测楼梯的变形情况,并提供相应的健康评估结果。
与传统的分析方法相比,机器学习和人工智能可以提供更准确的结果,并帮助我们更好地理解楼梯的结构健康状况。
在进行钢筋混凝土预制楼梯的变形监测和结构健康评估时,还需注意以下几点。
首先,对监测数据的采集和处理应具有一定的标准化和规范性。
这样可以保证数据的准确性和可比性,从而得出可靠的结论。
其次,应定期进行监测和评估,以便及时发现和解决楼梯的变形和健康问题。
最后,监测和评估结果应与相关的设计规范和标准进行比较,以确保楼梯的结构健康达到要求。
钢筋混凝土预制楼梯的变形监测与结构健康评估是确保楼梯安全和可持续使用的关键步骤。
预制装配式钢筋混凝土楼梯在现代建筑领域,预制装配式钢筋混凝土楼梯作为一种重要的建筑构件,正逐渐受到广泛的关注和应用。
它不仅能够提高建筑施工的效率和质量,还为建筑设计带来了更多的灵活性和创新性。
首先,让我们来了解一下什么是预制装配式钢筋混凝土楼梯。
简单来说,它是在工厂中预先制作好的钢筋混凝土楼梯构件,然后运输到施工现场进行安装。
与传统的现场浇筑楼梯相比,预制装配式楼梯具有许多显著的优势。
其一,预制装配式楼梯能够大大缩短建筑施工的周期。
在工厂中,生产可以同时进行多个楼梯构件的制作,不受现场施工条件的限制。
而且,工厂的生产环境相对稳定,能够更好地保证构件的质量和精度。
当这些预制构件运输到现场后,只需要进行简单的安装工作,大大减少了现场施工的时间和工作量。
其二,预制装配式楼梯的质量更易于控制。
在工厂中,生产过程可以实现标准化和规范化,采用先进的生产设备和工艺,对原材料的选择和使用也能够进行严格的把关。
这样生产出来的楼梯构件质量更加稳定可靠,减少了因为现场施工条件不稳定、工人操作水平差异等因素导致的质量问题。
其三,预制装配式楼梯能够减少施工现场的环境污染。
由于大部分的生产工作在工厂中完成,现场施工时产生的噪音、粉尘等污染大大减少,有利于保护环境和周边居民的生活质量。
接下来,我们看看预制装配式钢筋混凝土楼梯的制作过程。
首先,需要根据建筑设计的要求,制定详细的楼梯构件设计方案。
这个方案包括楼梯的尺寸、形状、配筋等。
然后,根据设计方案制作模具,模具的精度直接影响到楼梯构件的尺寸和形状精度。
在模具中布置钢筋,钢筋的布置要符合设计要求,以保证楼梯的承载能力。
接着,浇筑混凝土,并进行振捣和养护,确保混凝土的强度和密实度。
在混凝土达到一定强度后,脱模并进行质量检验,合格的楼梯构件才能运往施工现场。
在施工现场,安装预制装配式钢筋混凝土楼梯需要严格按照施工规范和工艺流程进行。
首先,要对安装位置进行清理和测量,确保安装的准确性。
六、钢筋混凝土板式楼梯设计楼梯设计包括建筑设计和结构设计两部分。
一、设计资料建筑设计1、楼梯间建筑平面,开间:3300mm。
进深:4800mm。
5楼梯形式尺寸:双跑楼梯,层高4600mm,踏步采用180mm×270mm,每层共需4600/180=25步。
如图建筑图中所示。
二、结构设计采用板式楼梯1、楼梯梯段板计算:混凝土采用C20,单d≤10mm时,采用Ⅰ级钢筋;单d≥12mm时,采用Ⅱ级钢筋,fc=9.6kN/mm2,fy=210 kN/mm22假定板厚:h=l/30=2700/30=90mm,取h=100mm。
3荷载计算(取1米板宽计算)楼梯斜板倾角: a=tg-1(180/270)=26.530cosa=0.895恒载计算:踏步重(1.0/0.3)×0.5×0.15×0.3×25=1.875 kN/m斜板重(1.0/0.895)×0.1×25=2.8kN/m20mm厚面层粉刷层重:[(0.3+0.15)/0.3]×0.02×20×1.0=0.6kN/m15mm厚板底抹灰:(1.0/0.895)×0.015×17=0.32kN/m恒载标准值 gk=1.875+2.8+0.60+0.29=5.57 kN/m恒载设计值 gd=1.2×5.57=6.68 kN/m活载计算:活载标准值 Pk=2.5×1.0=2.5 kN/m活载设计值 Pd=1.4×2.5=3.5 kN/m总荷载设计值 qd=gd+pd=6.68+3.5=10.18kN/m(3)内力计算跨中弯矩:M=qdl2/10=10.18×2.72/10=7.42 kN.m=1.0)(4)配筋计算(结构重要系数r活载标准值:Pk=2.5x1=2.5 kN/m活载设计值:Pd=1.4x2.5=3.5 kN/m总荷载设计值:q d =3.186+3.5=6.686 kN/m (2)内力计算计算跨度:l=l0+h/2=1.6-0.2-0.15+0.08/2=1.29mfc b΄fh′f=9.6x588x80x(265-80/2)=101.61 kN.m>32.2kN.m属第二类型截面。
装配式楼梯结构检测设计说明
Xx委托xx对xxx使用的预制钢筋混凝土板式楼梯(楼梯型号为ST1-29-25L)进行检测。
检测项目为外观质量、尺寸偏差、结构性能、锚固抗拔承载力(吊装孔抗拔力),具体说明如下:
1、楼梯构件建筑做法:自重(沿水平方向投影荷载)为4.8kN/㎡;活荷载为3.5kN/㎡。
2、正常使用检验荷载应采用荷载准永久组合,荷载组合值(竖向荷载)为4.8+(0.40)×3.5=6.2kN/㎡。
3、荷载检验值采用基本组合,当作用效应对承载力不利时,预制楼梯荷载组合效应设计值,数值为(1.3)×恒载+(1.5)×(1.0)×活载=11.49kN/㎡;
取大值为11.49kN/㎡。
4、挠度方向为竖直向下方向,挠度检验允许值为13.6mm。
5、裂缝控制等级为三级,预制楼梯构件检测时最大裂缝宽度允许值为0.3mm。
6、预制楼梯锚固抗拔承载力(吊装孔抗拔力)参照《混凝土结构后锚固技术规程》JGJ 145-2013进行检测,荷载检验值为20kN。
7、楼梯尺寸:宽度1180mm,8个踏步,每个踏步宽260mm,高168.75mm,上平台长度为420mm,下平台长度为680mm;
8、楼梯现场检测方式按正常使用状态放置,楼梯构件加荷简图如下图,L0=2720mm; L1=100mm; L2=100mm。
Xxxx
日期:。