差分编译码实验报告
- 格式:doc
- 大小:97.50 KB
- 文档页数:3
实验报告课程名称:计算方法院系:数学科学系专业班级:数应1001学号:1031110139学生姓名:姚海保指导教师:沈林开课时间:2012至2013学年第一学期一、学生撰写要求按照实验课程培养方案的要求,每门实验课程中的每一个实验项目完成后,每位参加实验的学生均须在实验教师规定的时间内独立完成一份实验报告,不得抄袭,不得缺交。
学生撰写实验报告时应严格按照本实验报告规定的内容和要求填写。
字迹工整,文字简练,数据齐全,图表规范,计算正确,分析充分、具体、定量。
二、教师评阅与装订要求1.实验报告批改要深入细致,批改过程中要发现和纠正学生实验报告中的问题,给出评语和实验报告成绩,签名并注明批改日期。
实验报告批改完成后,应采用适当的形式将学生实验报告中存在的问题及时反馈给学生。
2.实验报告成绩用百分制评定,并给出成绩评定的依据或评分标准(附于实验报告成绩登记表后)。
对迟交实验报告的学生要酌情扣分,对缺交和抄袭实验报告的学生应及时批评教育,并对该次实验报告的分数以零分处理。
对单独设课的实验课程,如学生抄袭或缺交实验报告达该课程全学期实验报告总次数三分之一以上,不得同意其参加本课程的考核。
3.各实验项目的实验报告成绩登记在实验报告成绩登记表中。
本学期实验项目全部完成后,给定实验报告综合成绩。
4.实验报告综合成绩应按课程教学大纲规定比例(一般为10-15%)计入实验课总评成绩;实验总评成绩原则上应包括考勤、实验报告、考核(操作、理论)等多方面成绩;5.实验教师每学期负责对拟存档的学生实验报告按课程、学生收齐并装订,按如下顺序装订成册:实验报告封面、实验报告成绩登记表、实验报告成绩评定依据、实验报告(按教学进度表规定的实验项目顺序排序)。
装订时统一靠左侧按“两钉三等分”原则装订。
024********-1-0.8-0.6-0.4-0.20.20.40.60.813、画出2222)sin(yxyxz++=所表示的三维曲面。
实验七-八ΔM编码-译码综合实验实验目的本次实验旨在帮助学生深入理解ΔM编码和译码的原理以及如何进行综合实验。
实验原理ΔM编码ΔM编码是一种数字信号编码方式,可以将数字信号转换为一串有符号的码元。
ΔM编码的原理可以简单概括为:将相邻的两个码元之间的差值进行编码。
当差值为正数时,编码为1;当差值为负数时,编码为0。
例如,假设有一个数字信号序列:1 3 2 5。
那么ΔM编码后的序列为:1 0 1 1。
ΔM译码ΔM译码是将ΔM编码后的信号转换为原始信号的过程。
ΔM译码采用积分与判决的方法进行。
具体来说,对于收到的ΔM编码后的信号,我们需要先对其进行积分,得到一个变化率的信号。
通过对变化率信号进行判决,即可得到原始信号。
综合实验本次实验需要设计一个ΔM编码-译码电路,并验证其正确性。
电路的输入为一个数字信号,输出为该信号经过ΔM编码和译码后的结果。
电路的基本思路如下:1.对输入信号进行ΔM编码,得到编码后的信号序列。
2.对编码后的信号进行差分,得到相邻码元之间的差值。
3.对差值进行积分,得到变化率信号。
4.对变化率信号进行判决,得到原始信号。
实验步骤设计ΔM编码电路1.将输入信号经过一个4位计数器,并通过异或门与前一计数器的比较结果进行ΔM编码。
2.将编码后的信号输出。
设计ΔM译码电路1.对ΔM编码后的信号进行差分。
2.对差分结果进行积分,得到变化率信号。
3.对变化率信号进行判决,得到原始信号。
4.将原始信号输出。
综合电路将ΔM编码电路和ΔM译码电路连接起来,即可得到ΔM编码-译码电路。
实验结果通过实验,我们可以发现ΔM编码-译码电路具有较好的实用价值。
这种信号编码方式可以减少数据传输时所需要的带宽,从而节省资源开销,对于一些带宽较小的系统起到较好的优化作用。
实验本次实验了解了ΔM编码和译码的原理以及如何进行综合实验。
同时,我们还学习了如何设计电路,并最终得到了较好的实验结果。
希望同学们能够在今后的学习中继续深化了解该编码方式,为未来的研究工作打下坚实的基础。
PCM编译码的实验报告篇一:实验十一:PCM编译码实验报告实验报告哈尔滨工程大学教务处制实验十一PCM编译码实验一、实验目的1.掌握PCM编译码原理。
2.掌握PCM基带信号的形成过程及分接过程。
3.掌握语音信号PCM编译码系统的动态范围和频率特性的定义及测量方法。
二、实验仪器1.双踪示波器一台2.通信原理Ⅵ型实验箱一台3. M3:PCM与ADPCM编译码模块和M6数字信号源模块4.麦克风和扬声器一套三、实验步骤1.实验连线关闭系统电源,进行如下连接:非集群方式2.熟悉PCM编译码模块,开关K1接通SL1,打开电源开关。
3.用示波器观察STA、STB,将其幅度调至2V。
4.用示波器观察PCM编码输出信号。
当采用非集群方式时:测量A通道时:将示波器CH1接SLA(示滤波器扫描周期不超过SLA的周期,以便观察到一个完整的帧信号),CH2接PCMAOUT,观察编码后的数据与时隙同步信号的关系。
测量B通道时:将示波器CH1接SLB,(示滤波器扫描周期不超过SLB的周期,以便观察到一个完整的帧信号),CH2接PCMBOUT,观察编码后的数据与时隙同步信号的关系。
当采用集群方式时:将示波器CH1接SL0,(示滤波器扫描周期不超过SL0的周期,以便观察到一个完整的帧信号),CH2分别接SLA、PCM A OUT、SLB、PCM B OUT以及PCM_OUT,观察编码后的数据所处时隙位置与时隙同步信号的关系以及PCM信号的帧结构(注意:本实验的帧结构中有29个时隙是空时隙,SL0、SLA及SLB的脉冲宽度等于一个时隙宽度)。
开关S2分别接通SL1、SL2、SL3、SL4,观察PCM基群帧结构的变化情况。
5.用示波器观察PCM译码输出信号示波器的CH1接STA,CH2接SRA,观察这两个信号波形是否相同(有相位差)。
示波器的CH1接STB,CH2接SRB,观察这两个信号波形是否相同(有相位差)。
6.用示波器定性观察PCM编译码器的动态范围。
实验十三差分编译码实验一、实验目的掌握差分编码/译码原理二、实验内容1、学习差分编译码原理2、用示波器观察差分编码结果和译码结果三、基本原理差分码是一种把符号‘0’和‘1’反映在相邻码元的相对变化上的波形。
比如,若以相邻码元的电位改变表示符号‘1’,而以电位不改变表示符号‘0’,如图13-1所示。
当然,上述规定也可以反过来。
由图可见,这种码波形在形式上与单极性或双极性码波形相同,但它代表的信息符号与码元本身电位或极性无关,而仅与相邻码元的电位变化有关。
差分波形也称相对码波形,而相应地称单极性或双极性波形为绝对码波形。
差分码波形常在相位调制系统的码变换器中使用。
图13-1差分码波形组成模块如下图所示:cclkd_out端口说明:CCLK:编码时钟输入端DIN:编码数据输入端Diff-OUT:差分编码结果输出端DCLK:译码时钟输入端Diff-IN:差分译码数据输入端DOUT:译码结果输出端四、实验步骤1、实验所用模块:数字编解码模块、数字时钟信号源模块。
实验连线:CCLK:从数字时钟信号源模块引入一高频时钟,如512K。
DIN:从数字时钟信号源模块引入一低频时钟,如16K。
DIFF-OUT与DIFF-IN短接。
DCLK与CCLK短接。
2、用示波器两探头同时观测DIN与DIFF-OUT端,分析差分编码规则。
3、用示波器两探头同时观测DIN与DOUT端,分析差分译码结果。
五、实验报告要求设信息代码为1001101,码速率为128K,差分码的编码时钟为码速率的四倍,根据实验观察得到的规律,画出差分码波形。
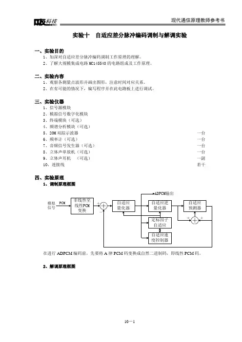
实验十自适应差分脉冲编码调制与解调实验一、实验目的1、加深对自适应差分脉冲编码调制工作原理的理解。
2、了解大规模集成电路MC145540的电路组成及工作原理。
二、实验内容1、观察各测量点波形并画出图形,注意时间对应关系。
2、在有可能的情况下,编写程序并在此电路板上进行调试。
三、实验仪器1、信号源模块2、模拟信号数字化模块3、终端模块(可选)4、频谱分析模块(可选)5、20M双踪示波器一台6、频率计(可选)一台7、音频信号发生器(可选)一台8、立体声单放机(可选)一台9、立体声耳机(可选)一副10、连接线若干四、实验原理1、调制原理框图信号在进行ADPCM编码前,先要将A律PCM码变换成自然二进制码,即线性PCM码。
2、解调原理框图输出ADPCM输入同样在解码部分,需要进行一次反变换,把ADPCM 码解码得到用线性PCM 码变换成A 律对数PCM 信号输出。
本实验模块中实现自适应差分脉码调制ADPCM 采用的是大规模集成电路专用芯片MC145540。
MC145540的量化器与预测器均为自适应方式。
当以高于奈奎斯特速率对话音或视频信号抽样时,在前后样值间可以看到有明显的相关性,将这些相关样值按通常PCM 系统的方式加以编码时会使得编码信号含有多余信息。
如果在编码前将这种多余信息去掉,则可得到效率较高的编码信号。
为此,可先利用信号()s nT X 的相关性对未来样值进行预测,预测器通常为抽头延时滤波器(即FIR 滤波器)。
线性预测器的预测值为:∑-=-=10)()(n i s s i s iT nT x a nT X其中i a 为预测系数,在DPCM 中为常数,在ADPCM 中为自适应变量。
N 为预测阶数。
可以根据预测误差能量最小的准则求出预测系数i a 。
这样,PCM 编码器就只是对差值信号()()()s s s nT X nT X nT e -=进行量化和编码,以达到DPCM 或ADPCM 编码的目的。
实验四Δm及CVSD编译码实验实验四Δm及CVSD编译码实验⼀、实验⽬的1、掌握简单增量调制的⼯作原理。
2、理解量化噪声及过载量化噪声的定义,掌握其测试⽅法。
3、了解简单增量调制与CVSD⼯作原理不同之处及性能上的差别。
⼆、实验器材1、主控&信号源模块、21号、3号模块各⼀块2、双踪⽰波器⼀台3、连接线若⼲三、实验原理1、Δm编译码(1)实验原理框图信号源music/A-outCLK抗混叠滤波器LPFLPF-IN LPF-OUTΔm 编码编码输⼊门限判决时钟Δm译码时钟译码输⼊译码输出3# 信源编译码模块⽐较量化延时极性变换量阶编码输出延时本地译码⾳频输⼊图⼀Δm编译码框图(2)实验框图说明编码输⼊信号与本地译码的信号相⽐较,如果⼤于本地译码信号则输出正的量阶信号,如果⼩于本地译码则输出负的量阶。
然后,量阶会对本地译码的信号进⾏调整,也就是编码部分“+”运算。
编码输出是将正量阶变为1,负量阶变为0。
Δm译码的过程实际上就是编码的本地译码的过程。
2、CVSD编译码(1)实验原理框图信号源music/A-outCLK抗混叠滤波器LPFLPF-INLPF-OUTΔm 编码编码输⼊门限判决时钟Δm 译码时钟译码输⼊译码输出⽐较延时极性变换量阶调整编码输出延时本地译码量阶调整⼀致脉冲量阶3# 信源编译码模块⾳频输⼊图⼆ CVSD 编译码框图(2)实验框图说明与Δm 相⽐,CVSD 多了量阶调整的过程。
⽽量阶是根据⼀致脉冲进⾏调整的。
⼀致性脉冲是指⽐较结果连续三个相同就会给出⼀个脉冲信号,这个脉冲信号就是⼀致脉冲。
其他的编译码过程均与Δm ⼀样。
四、实验步骤项⽬⼀:△M 编码规则实验项⽬⼆:量化噪声观测项⽬三:不同量阶△M 编译码的性能项⽬四:△M 编译码语⾳传输系统项⽬五:CVSD 量阶观测项⽬六:CVSD ⼀致脉冲观测项⽬七;CVSD 量化噪声观测项⽬⼋:CVSD 码语⾳传输系统五、实验记录TP4(信源延时)和TH14(编码输出) TP4(信源延时)和TP3(本地译码)项⽬⼆CH1信源延时,CH2 本地译码项⽬三量阶3000,Vpp=3V项⽬三量阶6000,Vpp=3V 项⽬三量阶3000,Vpp=1V项⽬五量阶6000,Vpp=1V 项⽬五 Vout=1V项⽬五 Vout=2V 项⽬五 Vout=4V项⽬七 Vpp=1V 项⽬七 Vpp=3VCVSD量化噪声观测(2KHz)Vpp=3V的噪声CVSD量化噪声观测(2KHz)Vpp=1V的噪声六、思考题回答1.增量调制的速率可以是32kbps、16kbps相⽐PCM 64kbps产⽣的原因怎样?(请查找资料)今天VoIP采⽤什么样的信源编码?视频的MPEG2编码⼜是什么?答:PCM的速率是增量调制的整数倍,利⽤此特点,可进⾏信道的复⽤,扩⼤信息量的传输。
实验四--Δm及CVSD编译码实验实验四Δm及CVSD编译码实验一、实验目的1、掌握简单增量调制的工作原理。
2、理解量化噪声及过载量化噪声的定义,掌握其测试方法。
3、了解简单增量调制与CVSD工作原理不同之处及性能上的差别。
二、实验器材1、主控&信号源模块、21号、3号模块各一块2、双踪示波器一台3、连接线若干三、实验原理1、Δm编译码(1)实验原理框图信号源music/A-outCLK抗混叠滤波器LPFLPF-IN LPF-OUTΔm 编码编码输入门限判决时钟Δm译码时钟译码输入译码输出3# 信源编译码模块比较量化延时极性变换量阶编码输出延时本地译码音频输入图一Δm编译码框图(2)实验框图说明编码输入信号与本地译码的信号相比较,如果大于本地译码信号则输出正的量阶信号,如果小于本地译码则输出负的量阶。
然后,量阶会对本地译码的信号进行调整,也就是编码部分“+”运算。
编码输出是将正量阶变为1,负量阶变为0。
Δm译码的过程实际上就是编码的本地译码的过程。
2、CVSD编译码(1)实验原理框图信号源music/A-outCLK抗混叠滤波器LPFLPF-IN LPF-OUTΔm 编码编码输入门限判决时钟Δm译码时钟译码输入译码输出比较延时极性变换量阶调整编码输出延时本地译码量阶调整一致脉冲量阶3# 信源编译码模块音频输入图二 CVSD编译码框图(2)实验框图说明与Δm相比,CVSD多了量阶调整的过程。
而量阶是根据一致脉冲进行调整的。
一致性脉冲是指比较结果连续三个相同就会给出一个脉冲信号,这个脉冲信号就是一致脉冲。
其他的编译码过程均与Δm一样。
四、实验步骤项目一:△M编码规则实验项目二:量化噪声观测项目三:不同量阶△M编译码的性能项目四:△M编译码语音传输系统项目五:CVSD量阶观测项目六:CVSD一致脉冲观测项目七;CVSD量化噪声观测项目八:CVSD码语音传输系统五、实验记录TP4(信源延时)和TH14(编码输出)TP4(信源延时)和TP3(本地译码)项目二CH1信源延时,CH2 本地译码项目三量阶3000,Vpp=3V项目三量阶6000,Vpp=3V 项目三量阶3000,Vpp=1V项目五量阶6000,Vpp=1V 项目五 Vout=1V项目五 Vout=2V项目五 Vout=4V项目七 Vpp=1V 项目七 Vpp=3VCVSD量化噪声观测(2KHz)Vpp=3V的噪声CVSD量化噪声观测(2KHz)Vpp=1V的噪声六、思考题回答1.增量调制的速率可以是32kbps、16kbps相比PCM 64kbps产生的原因怎样?(请查找资料)今天VoIP采用什么样的信源编码?视频的MPEG2编码又是什么?答:PCM的速率是增量调制的整数倍,利用此特点,可进行信道的复用,扩大信息量的传输。
编码器译码器实验报告编码器和译码器实验报告引言编码器和译码器是数字电路中常见的重要组件,它们在信息传输和处理中起着至关重要的作用。
本实验旨在通过实际操作和观察,深入了解编码器和译码器的原理、工作方式以及应用场景。
实验一:编码器编码器是一种将多个输入信号转换为较少数量输出信号的电路。
在本实验中,我们使用了4-2编码器作为示例。
1. 实验目的掌握4-2编码器的工作原理和应用场景。
2. 实验器材- 4-2编码器芯片- 开发板- 连接线3. 实验步骤首先,将4-2编码器芯片插入开发板上的对应插槽。
然后,使用连接线将编码器的输入引脚与开发板上的开关连接,将输出引脚与数码管连接。
接下来,按照编码器的真值表,将开关设置为不同的组合,观察数码管上显示的输出结果。
记录下每种输入组合对应的输出结果。
4. 实验结果与分析通过观察实验结果,我们可以发现4-2编码器的工作原理。
它将4个输入信号转换为2个输出信号,其中每个输入组合对应唯一的输出组合。
这种编码方式可以有效地减少输出信号的数量,提高信息传输的效率。
实验二:译码器译码器是一种将少量输入信号转换为较多数量输出信号的电路。
在本实验中,我们使用了2-4译码器作为示例。
1. 实验目的掌握2-4译码器的工作原理和应用场景。
2. 实验器材- 2-4译码器芯片- 开发板- 连接线3. 实验步骤首先,将2-4译码器芯片插入开发板上的对应插槽。
然后,使用连接线将译码器的输入引脚与开发板上的开关连接,将输出引脚与LED灯连接。
接下来,按照译码器的真值表,将开关设置为不同的组合,观察LED灯的亮灭情况。
记录下每种输入组合对应的输出结果。
4. 实验结果与分析通过观察实验结果,我们可以发现2-4译码器的工作原理。
它将2个输入信号转换为4个输出信号,其中每个输入组合对应唯一的输出组合。
这种译码方式可以实现多对一的映射关系,方便信号的解码和处理。
实验三:编码器和译码器的应用编码器和译码器在数字电路中有广泛的应用场景。
第1篇一、实验目的1. 理解通信编译码的基本原理,包括编码、解码和传输过程中的关键技术。
2. 掌握PCM、HDB3等常用编译码方法的原理和实现方法。
3. 熟悉通信编译码实验设备的使用方法,并能对实验结果进行分析。
二、实验器材1. 双踪示波器一台2. 通信原理型实验箱一台3. M3:PCM与ADPCM编译码模块和M6数字信号源模块4. 麦克风和扬声器一套三、实验原理1. 编码原理:将模拟信号转换为数字信号的过程称为编码。
常见的编码方法有PCM、HDB3等。
(1)PCM编码:PCM(脉冲编码调制)是一种常用的数字编码方法,其原理是将模拟信号进行采样、量化、编码,将连续的模拟信号转换为离散的数字信号。
(2)HDB3编码:HDB3(高密度双极性三电平)编码是一种数字基带信号,它是在AMI(非归零码)编码的基础上,引入破坏性偶极性和倒极性变换,使得信号在传输过程中不会出现连续的零电平,从而提高传输质量。
2. 解码原理:将数字信号恢复为模拟信号的过程称为解码。
解码过程与编码过程相反,主要包括反量化、反采样和低通滤波等步骤。
四、实验步骤1. 连线:根据实验要求,连接双踪示波器、通信原理型实验箱、PCM与ADPCM编译码模块、数字信号源模块、麦克风和扬声器。
2. 设置实验参数:打开实验箱电源,设置PCM与ADPCM编译码模块的参数,包括采样频率、量化位数等。
3. 观察PCM编码输出信号:用示波器观察STA、STB,将其幅度调至2V。
观察PCM编码输出信号,分析其时域和频域特性。
4. 观察HDB3编码输出信号:用示波器观察HDB3编码输出信号,分析其时域和频域特性。
5. 观察解码输出信号:观察解码后的模拟信号,分析其恢复效果。
6. 比较不同编码方法的性能:分析PCM编码和HDB3编码的优缺点,比较它们的性能。
五、实验结果与分析1. 观察到PCM编码输出信号为离散的数字信号,具有较好的抗干扰性能。
2. 观察到HDB3编码输出信号为非归零码,具有较好的传输质量。
实验十 自适应差分脉冲编码调制与解调实验一、实验目的1、加深对自适应差分脉冲编码调制工作原理的理解。
2、了解大规模集成电路MC145540的电路组成及工作原理。
二、实验内容1、观察各测量点波形并画出图形,注意时间对应关系。
2、在有可能的情况下,编写程序并在此电路板上进行调试。
三、实验仪器1、信号源模块2、模拟信号数字化模块3、频谱分析模块(可选)4、终端模块(可选)5、20M 双踪示波器 一台6、音频信号发生器(可选) 一台7、立体声单放机(可选) 一台8、立体声耳机(可选) 一副9、连接线 若干四、实验原理1、ADPCM 简介由前面PCM 和M ∆实验我们已经知道,在不考虑信道误码率的情况下,M ∆的性能通常比PCM 的差。
这主要是因为PCM 和M ∆系统不管误差信号如何变化,传输的增量σ是固定不变的。
如果使增量的数值随误差信号()d k 的变化量化成M 个电平之一,然后再进行编码,这样,系统的性能就会得到改善。
在这样的系统中,由于对传输的增量还要经过脉冲编码调制,因而称它为增量脉冲编码调制或差分脉冲编码调制()DPCM 。
下面先介绍DPCM 的基本原理。
()d k图10-1 DPCM 系统原理框图图10-1给出了DPCM 系统原理框图。
图中输入抽样值信号为()S k ,接收端输出重建信号为()r S k ,()d k 是输入信号与预测信号()e S k 的差值,()q d k 是经量化后的差值,()I k 是()q d k 信号经编码后输出的数字码。
编码器中的预测器与解码器的预测器完全相同,因此,在信道传输无误码的情况下,解码器输出的重建信号()r S k 与编码器的()r S k 完全相同。
DPCM 的总量化误差()e k 定义为输入信号()S k 与解码器输出的重建信号()r S k 之差,即有[]()()()()()()()()()r e e q q e k S k S k S k d k S k d k d k d k ⎡⎤=-=+-+=-⎣⎦由上式可知,在这种DPCM 系统中,总量化误差只和差值信号的量化误差有关。
译码器实验报告范文一、实验目的本次实验的主要目的是设计并构建一个译码器电路,并测试其功能和性能是否符合预期。
二、实验原理1.译码器的定义译码器是数字电路中一种常见的组合逻辑电路,它用于将一组输入信号转换为对应的输出信号。
一般情况下,输入信号是二进制编码,输出信号是对应的十进制可能性之一2.译码器的工作原理译码器的工作原理基于数字编码与输出之间的对应关系。
不同的输入编码对应不同的输出。
常见的译码器有二进制到十进制译码器、BCD码到数字显示译码器等。
3.译码器的类型根据不同的译码方式,译码器可以分为主动辅助型和辅助主动型两种类型。
其中,主动辅助型译码器根据输入信号的高低电平来控制输出端口的高低电平;辅助主动型译码器则根据输入端口的电平来控制输出端口的控制元件的状态。
三、实验材料和设备1.实验材料译码器电路板、电路连接线、LED灯等。
2.实验设备示波器、数字万用表等。
四、实验步骤1.确定译码器的功能要求。
2.根据功能要求,设计译码器的电路连接方式。
3.根据电路设计,连接实验用的译码器电路板。
4.使用数字万用表,逐一测量电路连接线上的电压和电流。
5.使用示波器,测量电路输出端口的电压波形,并记录下来。
6.根据测量结果,分析电路的功能和性能是否符合预期。
7.若电路的功能和性能不符合预期,排查并修复电路中可能存在的问题。
五、实验结果与分析根据实验步骤,连接并构建了译码器电路。
经过分析测试,电路的输出稳定,并能够根据输入编码正确地给出对应的输出。
六、实验总结通过本次实验,我了解了译码器的基本原理和工作模式,掌握了译码器电路的搭建和测试方法,并能够根据需求设计译码器电路。
实验中,我遇到了一些问题,但能够通过仔细检查和调试来解决。
在今后的学习和实践中,我将更加注重实验过程的细节,提高对电路性能的分析和问题解决能力。
译码器实验报告一、引言在现代科学技术的快速发展中,电子技术被广泛应用于各个领域。
而译码器作为数字电路中的重要组成部分,承担着将输入的二进制信号转化为特定输出的功能,被广泛应用于计算机、通信等领域。
本实验旨在通过构建一个基本的译码器电路,并测试其性能与功能。
二、实验材料和方法1. 实验器材:逻辑门、LED灯、面包板、电压控制开关等。
2. 实验步骤:a) 将译码器所需的逻辑门按照电路图连接起来,确保连接正确。
b) 将输入信号连接到译码器电路的输入端口。
c) 将译码器电路的输出端口连接到相应的LED灯。
d) 打开电压控制开关,观察LED灯的亮灭情况。
三、实验结果与分析1. 实验结果:a) 根据输入信号的不同,LED灯的亮灭情况会发生变化。
b) 验证了译码器电路的功能和性能。
2. 分析:译码器的作用是将输入的二进制信号转化为特定输出,根据不同的输入信号,译码器可以实现不同的功能。
通过本实验,我们成功构建了一个基本的译码器电路,并验证了其功能和性能。
根据译码器的逻辑关系,当输入满足特定条件时,输出相应的结果。
实验中,我们可以通过改变输入信号的组合方式来观察LED 灯的亮灭情况,验证译码器电路的正确性。
四、实验中的问题与改进在实验过程中,我们遇到了一些问题,并进行了一些改进。
1. 问题:连接错误导致电路无法正常工作。
解决方案:仔细检查电路的连接,并确保每个线材正确连接到相应的接口。
2. 问题:输入信号的组合方式不明确,无法观察出正确的输出结果。
解决方案:根据译码器的真值表,确定正确的输入信号组合。
3. 问题:LED灯亮度过低,无法清晰观察。
解决方案:调节电源电压以提高LED灯的亮度。
通过以上改进,我们成功解决了实验中遇到的问题,并最终获得了准确的实验结果。
五、实验的意义和应用译码器作为数字电路中的基本组件,具有重要的意义和广泛的应用。
1. 译码器可以将二进制信号转化为特定输出,广泛应用于计算机、通信等领域。
通信原理实验报告(8份)姓名:学号:通信原理实验报告姓名:姓名:学号:实验一HDB3码型变换实验一、实验目的了解几种常用的数字基带信号的特征和作用。
掌握HDB3码的编译规则。
了解滤波法位同步在的码变换过程中的作用。
二、实验器材主控&信号源、2号、8号、13号模块双踪示波器连接线三、实验原理1、HDB3编译码实验原理框图各一块一台若干姓名:学号:HDB3编译码实验原理框图2、实验框图说明我们知道AMI编码规则是遇到0输出0,遇到1则交替输出+1和-1。
而HDB3编码由于需要插入破坏位B,因此,在编码时需要缓存3bit的数据。
当没有连续4个连0时与AMI编码规则相同。
当4个连0时最后一个0变为传号A,其极性与前一个A的极性相反。
若该传号与前一个1的极性不同,则还要将这4个连0的第一个0变为B,B的极性与A相同。
实验框图中编码过程是将信号源经程序处理后,得到HDB3-A1和HDB3-B1两路信号,再通过电平转换电路进行变换,从而得到HDB3编码波形。
同样AMI译码只需将所有的±1变为1,0变为0即可。
而HDB3译码只需找到传号A,将传号和传号前3个数都清0即可。
传号A的识别方法是:该符号的极性与前一极性相同,该符号即为传号。
实验框图中译码过程是将HDB3码信号送入到电平逆变换电路,再通过译码处理,得到原始码元。
四、实验步骤姓名:学号:实验项目一HDB3编译码(256KHz归零码实验)概述:本项目通过选择不同的数字信源,分别观测编码输入及时钟,译码输出及时钟,观察编译码延时以及验证HDB3编译码规则。
1、关电,按表格所示进行连线。
2、开电,设置主控菜单,选择【主菜单】→【通信原理】→【HDB3编译码】→【256K归零码实验】。
将模块13的开关S3分频设置拨为0011,即提取512K同步时钟。
姓名:学号:3、此时系统初始状态为:编码输入信号为256K的PN序列。
4、实验操作及波形观测。
PCM编译码的实验报告篇一:实验十一:PCM编译码实验报告实验报告哈尔滨工程大学教务处制实验十一 PCM编译码实验一、实验目的1. 掌握PCM编译码原理。
2. 掌握PCM基带信号的形成过程及分接过程。
3. 掌握语音信号PCM编译码系统的动态范围和频率特性的定义及测量方法。
二、实验仪器1. 双踪示波器一台2. 通信原理Ⅵ型实验箱一台3. M3:PCM与ADPCM编译码模块和M6数字信号源模块4. 麦克风和扬声器一套三、实验步骤1.实验连线关闭系统电源,进行如下连接:非集群方式2. 熟悉PCM编译码模块,开关K1接通SL1,打开电源开关。
3.用示波器观察STA、STB,将其幅度调至2V。
4. 用示波器观察PCM编码输出信号。
当采用非集群方式时:测量A通道时:将示波器CH1接SLA(示滤波器扫描周期不超过SLA的周期,以便观察到一个完整的帧信号),CH2接PCM A OUT,观察编码后的数据与时隙同步信号的关系。
测量B通道时:将示波器CH1接SLB,(示滤波器扫描周期不超过SLB的周期,以便观察到一个完整的帧信号),CH2接PCM B OUT,观察编码后的数据与时隙同步信号的关系。
当采用集群方式时:将示波器CH1接SL0,(示滤波器扫描周期不超过SL0的周期,以便观察到一个完整的帧信号),CH2分别接SLA、PCM A OUT、SLB、PCM B OUT以及PCM_OUT,观察编码后的数据所处时隙位置与时隙同步信号的关系以及PCM信号的帧结构(注意:本实验的帧结构中有29个时隙是空时隙,SL0、SLA及SLB的脉冲宽度等于一个时隙宽度)。
开关S2分别接通SL1、SL2、SL3、SL4,观察PCM基群帧结构的变化情况。
5. 用示波器观察PCM译码输出信号示波器的CH1接STA,CH2接SRA,观察这两个信号波形是否相同(有相位差)。
示波器的CH1接STB,CH2接SRB,观察这两个信号波形是否相同(有相位差)。
差分分析实验报告
差分分析是一种统计方法,用于比较多组数据之间的差异性。
它可以帮助我们确定多个组别之间是否存在显著差异,并进一步分析这些差异的原因。
差分分析实验报告通常包括以下几个部分:引言、实验设计、数据收集和处理、结果分析和讨论。
在引言部分,我们需要介绍差分分析的背景和目的。
我们要解释为什么选择差分分析方法,以及对于我们的研究问题有何重要性。
接下来是实验设计部分。
我们需要明确实验的目标和假设,并描述实验的参与者、材料和方法。
我们要确保实验设计具有合理性和可靠性,以便得到可信的结果。
数据收集和处理是实验中重要的一步。
我们需要准备好数据收集表格,并告知参与者如何进行实验和记录数据。
收集到的数据需要进行清理和整理,以确保其准确性和可靠性。
然后是结果分析部分。
我们需要运用合适的统计方法,比如方差分析(ANOVA),来分析数据,并确定多组数据之间的差异性是否显著。
如果结果显著,我们可以进一步进行事后比较(post-hoc comparison)来确定哪些组别之间存在显著差异。
最后是结果讨论部分。
我们需要解释和解读结果,并将其与已有的研究结果进行比较。
我们也可以探讨结果的实际意义和可能的原因。
同时,我们还要指出研究可能存在的局限性,并提出改进的建议。
总之,差分分析实验报告需要包括引言、实验设计、数据收集和处理、结果分析和讨论几个主要部分。
在写作时要注意逻辑性和严谨性,确保报告的准确性和可靠性。
实验十三差分编译码实验
一、实验目的
掌握差分编码/译码原理
二、实验内容
1、学习差分编译码原理
2、用示波器观察差分编码结果和译码结果
三、基本原理
差分码是一种把符号‘0’和‘1’反映在相邻码元的相对变化上的波形。
比如,若以相邻码元的电位改变表示符号‘1’,而以电位不改变表示符号‘0’,如图13-1所示。
当然,上述规定也可以反过来。
由图可见,这种码波形在形式上与单极性或双极性码波形相同,但它代表的信息符号与码元本身电位或极性无关,而仅与相邻码元的电位变化有关。
差分波形也称相对码波形,而相应地称单极性或双极性波形为绝对码波形。
差分码波形常在相位调制系统的码变换器中使用。
图13-1差分码波形
组成模块如下图所示:
cclk
d_out
端口说明:
CCLK:编码时钟输入端
DIN:编码数据输入端
Diff-OUT:差分编码结果输出端
DCLK:译码时钟输入端
Diff-IN:差分译码数据输入端
DOUT:译码结果输出端
四、实验步骤
1、实验所用模块:数字编解码模块、数字时钟信号源模块。
实验连线:
CCLK:从数字时钟信号源模块引入一高频时钟,如512K。
DIN:从数字时钟信号源模块引入一低频时钟,如16K。
DIFF-OUT与DIFF-IN短接。
DCLK与CCLK短接。
2、用示波器两探头同时观测DIN与DIFF-OUT端,分析差分编码规则。
3、用示波器两探头同时观测DIN与DOUT端,分析差分译码结果。
五、实验报告要求
设信息代码为1001101,码速率为128K,差分码的编码时钟为码速率的四倍,根据实验观察得到的规律,画出差分码波形。