二次供水清洗消毒记录表
- 格式:doc
- 大小:26.50 KB
- 文档页数:2
二次供水清洗消毒记录
清洗时间:年月日天气情况:
清洗人员:
清洗人员持健康证情况:有〔〕无〔〕
水池(箱)基本情况:水池〔〕个容积〔〕立方米
水池(箱)材料:混凝土〔〕不锈钢〔〕玻璃钢〔〕其他〔〕
使用消毒药物名称:用药量:克
清洗消毒程序:
1、清洗水池(箱)时,关紧进水阀,打一排污阀排水,将水排尽。
再用工具清除池内污垢、沉淀物,并用水反复冲洗,直至干净为止
2、根据水池(箱)消毒所需消毒液的量,配制含氯为0.1%的消毒液,作水池(箱)的喷洒或抹洗消毒15-30分钟,再用清水反复冲洗。
3、水池(箱)消毒完毕,即可打开水阀进水,供水前应用余氯比色计测定水中余氯含量,未达到自控指标则按公式计算出投药量进行水质消毒。
接触1小时后测定余氯,直至达标方可打开阀门供水,同时到末稍作余氯测定,要求不少于0.05mg/L。
清洗消毒人员签字:负责人签字:
年月日。
小区二次供水水箱消毒记录表小区二次供水水箱消毒记录表1.概述小区二次供水水箱消毒记录表是指用于记录小区二次供水系统水箱消毒工作的表格,旨在确保小区居民使用安全、卫生的饮用水。
该记录表一般由小区物业、供水公司或相关部门负责填写和保管。
2.消毒的重要性水箱是二次供水系统的重要组成部分,承载着居民的饮用水。
然而,水箱内部环境潜在地存在微生物污染风险,如细菌、病毒和藻类等。
这些微生物若不加以控制,将会对居民的健康产生潜在威胁。
定期对水箱进行消毒是十分必要的。
3.水箱消毒的方法水箱消毒通常有两种常用的方法:化学消毒和物理消毒。
3.1 化学消毒化学消毒是采用化学药剂来杀灭水箱内部的微生物。
常用的消毒药剂有次氯酸钠、过氧化氢和臭氧等。
在进行化学消毒过程中,需要控制药剂的浓度、接触时间和消毒剂的配比,确保消毒效果达标。
3.2 物理消毒物理消毒主要包括高温消毒和紫外线消毒。
高温消毒利用高温蒸汽或热水对水箱进行杀菌,达到消毒的目的。
紫外线消毒则利用紫外线的辐射杀灭微生物,无需添加任何化学物质。
4.记录表的内容及填写指南小区二次供水水箱消毒记录表一般应包含以下内容:4.1 消毒日期:记录消毒活动进行的日期。
4.2 消毒方法:记录所采用的消毒方式,如化学消毒或物理消毒。
4.3 消毒药剂或设备:记录使用的消毒药剂及其配比,或记录使用的消毒设备信息。
4.4 消毒时间:记录消毒的持续时间,确保消毒充分。
4.5 负责人签名:由消毒操作人员或相关责任人签字确认,以确保消毒操作的有效性和责任追溯。
5.个人观点和理解小区二次供水水箱消毒记录表对于确保小区居民饮用水的安全至关重要。
通过记录消毒日期、方法、药剂或设备、时间以及责任人的签字等重要信息,可确保消毒工作的有效进行和追溯。
记录表的存在还能提醒相关责任人定期进行消毒工作,加强水箱的管理和维护。
消毒操作必须严格按照规范进行,以保证水箱内部的微生物得到有效控制,从而提供给居民清洁卫生的饮用水。
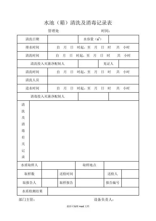
For personal use only in study and research; not forcommercial use水池(箱)清洗及消毒记录表管理处时间:..部门主管:设备负责人:水池(箱)清洗及消毒记录表ZF090903..部门主管:水生机电主管:王深怀专业工程师:何运海水池(箱)清洗及消毒记录表ZF090904..部门主管:水生机电主管:王深怀专业工程师:何运海水池(箱)清洗及消毒记录表ZF090905.部门主管:水生机电主管:王深怀专业工程师:何运海水池(箱)清洗及消毒记录表ZF090906..部门主管:水生机电主管:王深怀专业工程师:何运海.........仅供个人用于学习、研究;不得用于商业用途。
For personal use only in study and research; not for commercial use.Nur für den persönlichen für Studien, Forschung, zu kommerziellen Zwecken verwendet werden.Pour l 'étude et la recherche uniquement à des fins personnelles; pas à des fins commerciales.толькодля людей, которые используются для обучения, исследований и не должны использоваться в коммерческих целях.以下无正文..。
小区二次供水水箱消毒记录表小区二次供水水箱消毒记录表1. 什么是小区二次供水水箱消毒记录表?小区二次供水水箱消毒记录表是记录小区二次供水系统水箱消毒情况的一种文件,通常由小区物业管理部门负责填写和保存。
这个记录表主要用于记录水箱的消毒时间、消毒剂种类、消毒浓度、消毒方法以及消毒人员等信息。
通过记录表可以清晰地了解到水箱的消毒情况,保障居民饮用水的安全。
2. 水箱消毒的重要性水箱作为小区二次供水系统中的重要组成部分,其消毒工作至关重要。
水箱如果长期不进行消毒,就会滋生大量细菌、藻类等微生物,从而污染供水,对居民的健康构成威胁。
定期对水箱进行消毒是维护供水系统安全的必要手段。
3. 消毒记录表的内容(1)消毒时间:记录每次水箱消毒的时间,以便追溯水箱消毒的频率。
(2)消毒剂种类:记录所使用的消毒剂的种类,例如次氯酸钠、过氧化氢等。
(3)消毒浓度:记载消毒剂的浓度,确保达到杀灭细菌的标准。
(4)消毒方法:详细描述每次消毒的具体方法,例如喷洒、浸泡等。
(5)消毒人员:记录执行消毒工作的人员尊称和相关证件号码,以便负责追责。
4. 个人观点和理解我认为小区二次供水水箱消毒记录表的建立是十分必要的。
通过记录和追溯消毒情况,可以对水箱的卫生状况进行监管,及时发现问题并进行整改,保障居民的健康安全。
建立这样的记录表也有利于提高业主对供水安全的重视程度,增强小区居民的安全意识。
5. 总结与回顾小区二次供水水箱消毒记录表,作为维护居民生活饮水安全的一项重要措施,应当得到足够的重视。
物业管理部门应当建立完善的消毒记录管理制度,确保每次消毒情况都能得到准确记录并及时处理。
居民们也需要加强对供水安全的重视,积极监督和参与监管工作,共同维护小区供水系统的安全。
经过以上的分析和论述,相信对小区二次供水水箱消毒记录表这一主题已经有了更深入的了解。
希望这篇文章能够对您有所帮助,并引起足够的重视。
小区二次供水系统是指在城市居民区的水厂和水库经过处理后,通过供水管网分配到各个小区,在小区内再进行二次供水,以满足居民的生活用水需求。