建筑幕墙防火封堵构造常用节点示意图
- 格式:docx
- 大小:148.54 KB
- 文档页数:4
总安装说明本图集适用于非抗震设计和抗震设防烈度为度抗震设计的民用建筑玻璃幕墙、石材、金属板。
类型构件式玻璃幕墙:明框构件式玻璃幕墙:金属框架的构件显露于板材室外表面,在现场依次安装立柱、横梁和玻璃面板的框支撑玻璃幕墙。
隐框构件式玻璃幕墙:金属框架的构件完全不显露于板材室外表面,在现场依次安装立柱、横梁和玻璃面板的框支撑玻璃幕墙。
半隐框构件式玻璃幕墙:金属框架的竖向或横向构件显露于板材室外表面,在现场依次安装立柱、横梁和玻璃面板的框支撑玻璃幕墙。
单元玻璃幕墙:单元明框玻璃幕墙:金属框架的构件显露于板材室外表面,将面板和金属框架(横梁、立柱)在工厂组装为幕墙单元,以幕墙单元形式在现场完成安装施工的框支撑玻璃幕墙。
单元隐框玻璃幕墙:金属框架的构件不显露于板材室外表面,将面板和金属框架(横梁、立柱)在工厂组装为幕墙单元,以幕墙单元形式在现场完成安装施工的框支撑玻璃幕墙。
单元半隐框玻璃幕墙:金属框架的竖向或横向构件显露于板材室外表面,将面板和金属框架(横梁、立柱)在工厂组装为幕墙单元,以幕墙单元形式在现场完成安装施工的框支撑玻璃幕墙。
全玻幕墙:由玻璃肋和玻璃面板构成的玻璃幕墙。
点支承玻璃幕墙:由玻璃面板与点支承装置和支承结构构成的玻璃幕墙。
玻璃肋点支承玻璃幕墙;钢结构点支承玻璃幕墙;不锈钢拉杆点支承玻璃幕墙;)不锈钢拉索点支承玻璃幕墙;自平衡点支承玻璃幕墙;石材幕墙:挂件式石材幕墙;背栓式石材幕墙。
)铝板幕墙:铝塑板幕墙;铝单板幕墙;铝蜂窝板幕墙。
嵌丝板幕墙。
瓷板幕墙。
)陶板幕墙。
微晶石幕墙。
呼吸式玻璃幕墙:外循环玻璃幕墙;安装玻璃幕墙使用的不锈钢材料宜采用奥氏体不锈表内循环玻璃幕墙。
材料一般规定玻璃幕墙用材料应符合国家现行标准的有关规定及设计要求。
尚无相应标准的材料应符合设计要求,并应有出厂合格证。
)铝合金材料安装玻璃幕墙使用的铝合金材料的化学成分应符合现行国家标准《变形铝及铝合金化学成分》)的有关规定。
防火封堵节点设计方案一、 CP670 防火涂层板系统1.防火节点设计图2.主要适用于:1)高低压配电柜、控制柜底部及楼板处的电缆孔洞2)电缆竖井开孔3)电缆桥架穿墙、楼板孔洞的封堵4)多种管线复杂穿墙或楼板3.料表计算假设孔洞边长分别为a和b,则面积S=ab,所需CP670板数量=S/0.72CP670涂料按2KG/M²计算,CP606或FS-ONE按6~8只/ M²计算;穿楼板或电缆竖井,需要另加钢筋加固。
二、 CP606 弹性防火密封胶系统1.防火节点设计图2.主要适用于:1)金属水管穿墙、楼板孔洞封堵2)带套管的单根电缆或电缆束穿墙封堵3)配合CP670系统用于其它封堵场合3.料表计算1)一平方米(封堵厚度为26mm)用量:1000L/0.31L*0.026 M³≈84支2)封堵面积计算:假设套管或水管直径为d,开孔直径为n,则封堵面积为S=π/4(n²-d²),3)单孔最终用量=84S三、 FS-ONE膨胀型防火密封胶系统1.防火节点设计图2.主要适用于:1)电缆埋管穿电缆后应在其两端用FS-ONE膨胀型防火密封胶进行封堵。
2)电缆及电缆束穿过楼板及墙体孔洞的封堵3)金属管或PVC排水管(≤50mm)穿楼板及墙体孔洞;( PVC管直径≥50mm需配合CP643N或CP648E使用)4)配合CP670系统用于其它封堵场合3.料表计算1)一平方米(封堵厚度为26mm)用量:1000L/0.3L*0.026M³≈87支2)封堵面积计算:假设套管或水管直径为d,开孔直径为n,则封堵面积为S=π/4(n²-d²),3)单孔最终用量=87S四、 FS-ONE膨胀型防火密封胶系统(保温风管或水管)1.防火节点设计图2.主要适用于:1) 保温风管或水管穿墙、楼板孔洞3.料表计算1)一平方米(封堵厚度为26mm)用量:1000L/0.31L*0.026M³≈84支2)封堵面积计算:假设风管边长分别为a和b,风管与开孔壁缝隙为n,,则封堵面积为S= 2n(2n+a+b),3)单孔最终用量=84S4)保温水管同普通水管计算方法一样五、 CP620防火泡沫系统1.防火节点设计图2.主要适用于:1)电缆或电缆束,桥架以及可燃性管道穿越2)带或不带保温层的金属管3)复杂穿越和不规则的开孔3.料表计算1M³=1000/2.2=455支六、 CP636防火灰泥系统1.防火节点设计图混凝土楼板混凝土墙2.主要适用于:1)电缆桥架或电缆束穿墙、楼板孔洞的永久性封堵2) 金属管道穿墙的永久性封堵3.料表计算1M³=1000/22.2=45袋七、CP643N阻火圈系统1.防火节点设计图12.主要适用于1)可燃性塑胶管穿越2)单根电缆或电缆束穿越3.料表计算根据孔洞和管道直径选用合适的阻火圈八、CP648防火带1.防火节点设计图2.主要适用于:1)可燃性塑胶管穿越(160mm直径以下)2)单根电缆或电缆束穿越3.料表计算参考防火节点设计图九、CP657防火发泡块系统1.防火节点设计图混凝土墙混凝土楼板电缆桥架CP657防火发泡砖电缆桥架CP657防火发泡砖FS-ONE防火密封胶FS-ONE防火密封胶2.主要适用于:1)电缆桥架或电缆束穿越的临时或永久性封堵2)带保温或不带保温层的金属管道临时或永久性封堵3)可燃性管道的临时或永久性封堵3.料表计算十、CP636+CP657混合封堵系统 1.防火节点设计图电缆桥架CP636防火灰泥混凝土楼板混凝土墙CP657防火发泡砖FS-ONE防火密封胶2.主要适用于:1) 电缆桥架或电缆束穿越的临时或永久性封堵 2) 带保温或不带保温层的金属管道临时或永久性封堵第六节 防火封堵主要施工工法、技术措施一、CP670 防火图层板系统工法说明1. 安装之前,清洁孔口周边及贯穿物,使之干燥、无灰尘与杂物;2. 测量孔洞尺寸,准备所需长度的钢筋,钢筋长度=孔长/宽+(2x 埋置深度),钢筋网的间距必须小于400mm :3. 在安装防火涂层板以下100mm 的位置植钢筋网;并按开孔尺寸切割两块CP671B 防火涂层板;4. 在钢筋网上安装第一层CP671B 防火涂层板:在板周边涂敷CP606防火密封胶粘结混凝土基材,之后在板的上层涂敷CP606与第二层板粘结并压紧;5. 使用CP606防火填缝胶密封电缆间、电缆与桥架间、电缆与矿棉板间的缝隙,背衬材料矿棉密度不小于100kg/m 3;6. 抹平CP606防火填缝胶,如存在没有密封的缝隙,补充CP606防火填缝胶;7. 在CP671B 防火涂层板表面涂刷CP670防火涂料一遍,湿厚度0.7mm ,可达到干厚度0.5mm ; 8. 在防火涂层板上侧200mm 延长电缆上涂刷CP670防火涂料电缆上涂刷两次,第一次4小时后再涂刷第二次,干厚度为1mm 。
金属板与石材幕墙实用技术配套光盘构造节点详图图1-1 等压原理图图3-15 不折边平板做法图3-16 耳子与幕墙框格体系螺蚊联接节点图3-17a 铝板幕墙标准竖剖节点图3-17b 铝板幕墙标准横剖节点图3-18 外插式单层铝板与幕墙隔构体系节点图3-19 开洞铝板节点图3-20 开洞铝板节点图3-21 铝板幕墙节点图3-22a 铝板幕墙横剖典型节点图3-22b 铝板幕墙纵剖典型节点图3-23a 铝板幕墙标准纵剖节点图3-23b 铝板幕墙标准横剖节点图3-24a 铝板标准竖向节点图3-24b 铝板标准横向节点图3-25a 单元式层间连接节点图3-25b 玻璃翼节点图3-25c 转角节点图3-26 转角节点图3-27 铝板包角节点图3-28 铝板幕墙阳角转角节点图3-29 女儿墙单层铝板压顶构造图3-30 铝板幕墙女儿墙收口节点图图3-39a 铝板横剖节点图3-39b 铝板竖剖节点图3-40a 铝板横剖节点图3-40b 铝板竖剖节点图3-41a 铝板横剖节点图3-41b 铝板竖剖节点图3-42a 铝复合板幕墙标准横剖节点图3-42b 铝复合板幕墙标准纵剖节点图3-42c 铝复合板幕墙标准纵剖节点图3-43 铝板做滴水线节点图3-44 铝板包女儿墙节点图3-46 铝板阴角节点图3-45 铝板包大玻璃橱窗节点图3-47 铝板阳角节点图3-52 蜂窝铝板标准节点图3-53 蜂窝铝板标准节点图3-54 蜂窝铝板标准节点图3-55 蜂窝铝板标准节点图3-64 复合连接图3-71 背栓在异型部位的连接情况图3-72 敞缝图3-74a 钢销式石材幕墙节点构造图3-74b 销钉式图3-75a 石材横向剖面节点图3-75b 石材纵向剖面节点图3-75c 石材横向剖面节点。
附件4 防火封堵系统应用部位分类及基本工法图防火封堵系统应用部位分类表 孔洞类型贯穿物类型 被贯穿物类型 金属管道 管道贯穿孔口塑胶管道 防火墙(隔墙),承重墙,外墙,楼板、管道竖井 电缆束 电缆桥架 防火墙(隔墙),承重墙,外墙,楼板、电缆竖井 母线槽防火墙(隔墙),承重墙,外墙,楼板 有贯穿物穿越的孔口 电缆贯穿孔口电缆/光缆基站电缆馈线窗 电缆进线室上线孔 墙上的空开口 空开口楼板上的空开口 楼板与楼板间的缝隙 楼板与墙/幕墙间的缝隙 墙与墙间的缝隙 建筑缝隙 楼板与墙顶间的缝隙电缆贯穿孔口防火封堵系统形式选择表 序号孔口类型 孔口尺寸或面积防火封堵系统基本工法图 1≤0.6 m 2图01,02,03,04,05 2电缆竖井 >0.6 m 2图01,02,03,04 3≤0.18 m 2图06,07,08,09,10,11 4电缆桥架贯穿孔 >0.18 m 2图06,07,08,09,10 5≤Φ150mm 图12,13,14 6电缆束贯穿孔 >Φ150mm 图12,13,15,16 7≤0.18 m 2图17,18,20,21 8母线槽贯穿孔 >0.18 m 2图17,18,19,20 9基站馈线窗 -- 图22,23 10 电缆进线室上线孔 -- 图24,25管道贯穿孔口防火封堵系统形式选择表 序号孔口类型 孔口或贯穿物尺寸 防火封堵系统基本工法图 1贯穿物直径≤32mm 图26,29 2塑胶管道贯穿孔口 贯穿物直径>32mm 图26,27,28 3金属管道贯穿孔口 -- 图30,31 4管道竖井 -- 图32,33,34环形间隙≤50mm 图37,385 风管(采暖、通风、空气调节管道) 环形间隙>50mm 图35,36空开口防火封堵系统形式选择表序号孔口类型 孔口面积 防火封堵系统基本工法图 1≤0.18 m 2图39, 40, 41, 42 2 空开口 ≤0.6 m 2图39, 40, 41建筑缝隙防火封堵系统形式选择表 序号缝隙类型 缝隙宽度/mm 防火封堵系统基本工法图 1≤50 图43 2楼板与楼板间缝隙 >50 图44 3≤50 图45 4楼板与墙/幕墙间的缝隙 >50 图46 5≤50 图47 6墙与墙间的缝隙 >50 图48 7≤50 图49 8楼板与墙顶间的缝隙>50 图50。
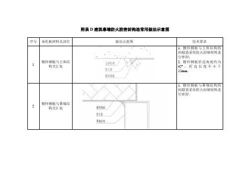
序号结构形式
不燃性实体墙高
度》800mm
防火圭寸堵构造系
统悬挑长度
<300mm 附录A建筑幕墙防火封堵构造常用节点示意图
节点示意图技术要求
1. 矿物棉的密度应不小于
80kg/m3;
2. 可采用1.5mm厚镀锌钢板作为承
托板;
3. 下层防火圭寸堵构造应与主体结构
可靠固定后放置在幕墙横梁上,不宜
与横梁固定;
4. 承托板与幕墙及主体结构的缝隙应
采用防火圭寸堵材料进行密封。
1. 矿物棉的密度应不小于 80kg/m 3;
2. 楼面处防火圭寸堵构造可采用 1.5mm 厚镀锌钢板作为承托板, 梁
底处防火封堵构造系统应采 用与主体结构固定的独立钢架 来支承防火构
件;
3. 梁底处防火构件的耐火隔热性 和耐火完整性应满足不小于1小 时要
求;
4. 承托板与幕墙及主体结构的缝 隙
应采用防火圭寸堵材料进行密 封。
不燃性实体墙高 度 <800mm
防火圭寸堵构造系 统悬挑长度
<300mm
1. 矿物棉的密度应不小于 80kg/m 3;
2•楼面处防火封堵构造系统可采 用1.5mm 厚镀锌钢板作为承托 板; 3. 梁底处防火封堵构造系统悬挑 长度大于300mm 时,应采用与 主体结
构固定的独立钢架来支 承防火构件;
小于300mm 厚, 可采用镀锌钢板作承托板支承 防火岩棉或矿棉的做法;
4. 梁底处防火构件的耐火极限应 满足不小于1小时要求;
5. 承托板与幕墙及主体结构的缝 隙
应采用防火圭寸堵材料进行密 封。
不燃性实体墙高 度 <800mm 防火圭寸堵构造系 统悬挑长度 > 300mm
巳°
U £.L
1•防火板的燃烧性能应达到A 级,厚度不宜小于20mm ;
2. 独立支撑构件应固定于建筑 主体
结构上;
3. 防火圭寸堵构造的耐火极限应 满足不小于1小时要求;
4. 防火板与幕墙及主体结构的 缝隙
应采用防火封堵材料进行 密圭寸。
1•防火板的燃烧性能应达到A 级,厚度不宜小于20mm ;
2. 独立支撑构件应固定于建筑 主体
结构上;
3. 防火圭寸堵构造的耐火极限应 满足不小于1小时要求;
4. 防火板与幕墙及主体结构的 缝隙
应采用防火封堵材料进行 密圭寸。
不燃性实体墙高 度》800mm
不燃性实体墙高
5 度 <800mm。