建设工程安全检查表(全)
- 格式:doc
- 大小:416.50 KB
- 文档页数:25
工程建设安全生产情况检查表
评价结果
序号检查内容
符合基本符合不符合1项目部按规定配备专职安全生产管理人员
2项目经理、专职安全员等关键岗位人员到岗情况
3项目经理、专职安全生产管理人员按规定取得安全生产考核合格证书
4特种作业人员按规定取得建筑施工特种作业人员操作资格证书
5按规定编制危险性较大的分部分项工程清单,落实风险分级管控制度
6按规定编制审核危险性较大的分部分项工程专项施工方案,超过一定规模的,专
项施工方案经专家论证通过
7按规定组织对危险性较大的分部分项工程安全验收
8现场实际施工作业与专项施工方案相符
9落实道路地面防坍塌整治,包括勘察设计环节、施工环节、监测环节等
10落实燃气、电力等地下管线安全保护情况
11现场预留洞口、楼梯口及各类临边防护到位
12现场各类通道、机械按要求搭设防护棚
13按规定向作业人员发放安全防护用品,作业人员正确佩戴安全防护用品
14施工现场及生活区临时用电符合要求
15建立安全教育培训制度,按规定对施工作业人员进行安全生产培训教育和安全技
术交底,并建立台账档案
16建立建筑安全隐患排查制度,按规定对隐患及时进行排查整改
17工地施工材料、易燃易爆物品堆放、使用规范管理
18消防通道设置,施工现场和生活办公区域等消防设施有效配备,密目网、活动板
房采用阻燃材料
19有应急预案、救援队伍、物资、设备储备,有应急避难场所
20落实地铁周边沿线隐患排查整治,包括深基坑施工、集中堆载、地下管线开挖、
地质勘探等内容,极端暴雨和台风天气防范雨水倒灌对既有地铁保护的应对措施。
结果
符合项;基本符合项;不符合项
统计。
建设工程施工现场安全检查表施工现场安全检查内容1、项目经理、安全员等管理人员在不在现场监督分部分项工程的施Xo2、施工单位的主要负责人、项目负责人、专职安全生产管理人员、作业人员或者特种作业人员是否经安全教育培训或者经考核不合格即从事相关工作。
3、施工组织设计及专项施工方案是否经过监理单位批准再施工。
4、施工前是否对有关安全施工技术要求作出详细交底,或者双否是否签字确认。
5、特种作业人员未按照规定持证上岗并未经专门的安全培训考核。
6、现场围挡:是否沿工地四周连续设置。
7、封闭管理:施工现场出口有无大门,门口有无设置企业标志。
8、施工场地:工地地面有无硬化处理;有无排水设置,有无排水不通畅的现象。
9、建筑材料/构件/具料是否按总平面布置堆放挂名称、品种、规格等标牌,对方是否整齐。
10、是否在尚未竣工的建筑物内设置员工集体宿舍。
11、施工作业区与办公、生活区是否明显划分。
12、现场放火:是否有消防措施、制度或灭火器材配置不足及未设置消防通道、消防水源现象。
13、施工现场标牌:大门口是否挂了五牌一图:有无安全标语、宣传栏、读报栏、黑板报等。
14、生活设施:厕所、食堂是否符合卫生要求。
15、保健急救:是否有保健医药箱,是否有急救措施和急救器材。
16、安全标志:是否施工现场的危险部位设置明显的安全警示标志。
17、安全文明施工费:是否有安全文明施工费使用计划。
18、立杆基础:立杆基础是否用混凝土做垫层,是否有不平,不实,无排水措施,无扫地杆的。
19、架体与建筑结构拉结:脚手架架体是否存在于建筑结构拉结数量不足,拉结不坚固、不规范现象。
20、杆件间距:立杆、大横杆、小横杆间距是否超过规定要求。
21、剪刀墙:是否按规定设置剪刀墙,剪刀墙是否沿脚手架高度连续设置。
22、脚手板:脚手板是否铺满,脚手板材质是否符合要求。
23、施工层是否设置1.2m高防护栏杆和挡脚板,施工层脚手架外侧是否设置密目式安全网或网间不严密或破旧现象。
建筑工程施工现场安全生产检查表本文档用于建筑工程施工现场进行安全生产检查,以确保施工过程中的安全,防范事故的发生。
工程概况•工程名称:•工程地点:•工程负责人:•施工单位:施工现场的一般要求•现场是否布置了安全警示标志?•现场是否设置了安全防护网、安全通道和临时围栏?•施工现场是否划分了不同区域?•有无地下障碍物和危险区域的相关安全预防措施?施工设备和机械的安全检查•施工设备是否经过安全检修并具备使用条件?•机械操作人员是否持有合格证?•机械作业区域是否设置了警示标志?•设备和机械是否固定牢固,不存在松动或安全隐患?施工材料和用具的安全检查•施工材料是否符合国家标准及质量验收标准?•施工用具是否经过检修并具备使用条件?•施工材料的储存是否科学合理,避免堆放不当导致安全风险?施工人员的安全检查•施工人员是否经过必要的安全培训和资格认证?•施工人员是否使用个人防护装备?•施工人员是否遵守施工现场的安全规章制度?•有无违章操作和违规行为?安全生产措施的执行情况•施工现场是否制定了安全生产措施计划?•安全生产措施的执行情况如何?•安全生产教育培训情况是否到位?施工现场的危险源排查•对施工现场的危险源进行了何种排查?•危险源是否得到有效控制和管理?•对已控制的危险源是否进行了定期检查和维护?现场安全巡查记录•进行了多少次现场安全巡查?•巡查中发现了哪些问题?•问题得到了怎样的解决和整改?安全事件及事故的记录分析•施工现场发生过哪些安全事件或事故?•安全事件或事故的原因分析和责任追究情况?•采取了哪些措施避免类似事件或事故再次发生?签名•监理单位负责人签名:•施工单位负责人签名:•监督部门负责人签名:是建筑工程施工现场安全生产检查表的内容,通过对施工现场各个方面的安全检查,可以确保施工过程中的安全。
同时,如果发现问题和隐患,应及时采取相应措施进行整改,以防止安全事件和事故的发生。
在整个施工过程中,各方应共同努力,落实安全生产责任,确保工程顺利进行。
建设工程安全分项检查评分表
表2 文明施工检查评分表
表3 扣件式钢管脚手架检查评分表
表4 门式钢管脚手架检查评分表
表5 碗扣式钢管脚手架检查评分表
表6 承插型盘扣式钢管脚手架检查评分表
表7 满堂式脚手架检查评分表
表8 悬挑式钢管脚手架检查评分表
表9 附着式升降脚手架检查评分表
表10 高处作业吊篮检查评分表
表11 基坑工程检查评分表
表12 模板支架检查评分表
表13 高处作业检查评分表
表14 施工用电检查评分表
表15 物料提升机检查评分表
表16 施工升降机检查评分表
表17 塔式起重机检查评分表
表18 起重吊装检查评分表
表19 施工机具检查评分表
高考是我们人生中重要的阶段,我们要学会给高三的自己加油打气。
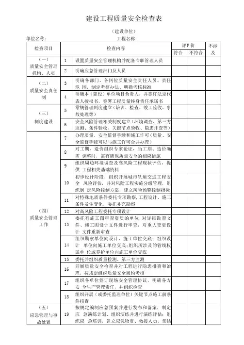
附件 1:建设工程施工质量安全检查表(一)受检工程基本状况表工程所在省(市、县):督查构组员签字:督查日期:建设工程施工质量安全检查表(二)工程建设强制性原则执行状况检查表项目名称:督查构组员签字:督查日期:建设工程施工质量安全检查表(三)工程建设有关责任主体和机构质量行为检查表项目名称:督查构组员签字:督查日期:建设工程施工质量安全检查表(四)建筑施工安全生产检查表(建设单位)单位名称:检查人:检查日期:年月日建设工程施工质量安全检查表(五)建筑施工安全生产检查表(监理单位)单位名称:检查人:检查日期:年月日建设工程施工质量安全检查表(六)单位名称:建筑施工安全生产检查表(施工单位)检查人:检查日期:年月日建设工程施工质量安全检查表(七)施工现场安全生产检查表(实体检查)项目名称:检查人:检查日期:年月日附件 2:大气污染防治专项整治大气污染防治专项整治检查表检查人:检查日期:年月日附件 3:扫黑除恶专项斗争内江市住建系统扫黑除恶检查表被检查单位(项目)负责人签字:检查构组员签字:附件 4:“创国卫”工作内江市创立国家卫生都市在建工地检查得分表附表-秋冬季蓝天保卫战攻坚行动专项检查表(一)(非道路移动源方面)市:检查日期:检查构组员(签字):-秋冬季蓝天保卫战攻坚行动专项检查表(二)(工地扬尘方面)市:检查日期:检查构组员(签字):-秋冬季蓝天保卫战攻坚行动专项检查表(三)(混凝土搅拌站扬尘方面)市:检査日期:检查构组员(签字):。
建筑工程安全检查表一、项目信息:项目名称:项目地址:项目负责人:施工单位:监理单位:检查日期:二、工地现场情况检查:1. 工地周边环境是否整洁,有无垃圾和危险废弃物堆积?2. 施工现场是否设置了安全警示标志牌,标明施工区域和禁止入内区域?3. 施工现场是否进行了适当的围挡围栏,并设置了防护网?4. 施工现场是否存在高处坠落的危险,是否设置了安全网和安全绳?5. 施工现场是否设置了消防器材,如灭火器和消防水源?6. 施工现场是否存在电源线路暴露和电气设备安全隐患?7. 施工现场是否存在机械设备和起重设备使用不当的情况?8. 工人是否佩戴相应的安全防护用品,如安全帽、防护鞋、手套等?三、建筑物结构安全检查:1. 楼层楼面是否坚固,有无开裂、下沉或变形的迹象?2. 楼梯是否牢固,有无破损或滑倒的危险?3. 墙体是否稳固,有无开裂、渗水或倾斜的情况?4. 屋面是否完好,有无破损、漏水或脱落的现象?5. 地基基础是否牢固,有无沉降或沉稳不均的迹象?6. 栏杆和护栏是否牢固可靠,无松动或倒塌的风险?四、电气安全检查:1. 电线电缆是否合理敷设,无严重扭曲、破损或老化现象?2. 电气设备是否有必要的接地保护,是否存在电击风险?3. 电气回路是否正常,有无漏电、短路或断路等问题?4. 电气箱及开关插座是否整洁、无明火或烟雾?五、消防安全检查:1. 紧急疏散通道是否畅通,无堵塞、杂物或障碍物?2. 消防通道和消防设施是否齐全,有无损坏或遮挡?3. 消防设备是否正常运行,如消防栓、灭火器等?4. 建筑物内是否设置了独立的疏散楼梯和疏散标识?六、建筑材料和机械设备安全检查:1. 建筑材料是否符合安全规范,无过期或损坏的情况?2. 机械设备是否符合安全要求,是否存在使用不当的风险?3. 施工机械是否定期维护保养,是否存在故障或安全隐患?七、施工人员安全意识检查:1. 施工人员是否接受过相关的安全培训和资质认证?2. 施工人员是否遵守工地安全规章制度,佩戴必要的安全防护用品?3. 施工人员是否具备安全意识,对危险源和紧急情况有足够的认识和应对能力?八、其他安全隐患检查:1. 工地周边交通安全情况,是否存在交通阻塞或施工区域违规占道的情况?2. 施工现场是否存在起火、爆炸、坍塌等突发事件的应急预案和安全措施?以上为建筑工程安全检查表,通过对工地现场情况、建筑物结构、电气安全、消防安全、建筑材料和机械设备、施工人员安全意识等方面的全面检查,保证工地安全,预防事故的发生。
建设工程安全分项检查评分表
表2 文明施工检查评分表
表3 扣件式钢管脚手架检查评分表
表4 门式钢管脚手架检查评分表
表5 碗扣式钢管脚手架检查评分表
关于印发《日照市房屋建筑与市政园林工程安全施工措施备案办法》的通知
表6 承插型盘扣式钢管脚手架检查评分表
表7 满堂式脚手架检查评分表
表8 悬挑式钢管脚手架检查评分表
表9 附着式升降脚手架检查评分表
表10 高处作业吊篮检查评分表
表11 基坑工程检查评分表
表12 模板支架检查评分表
表13 高处作业检查评分表
表14 施工用电检查评分表
表15 物料提升机检查评分表
表16 施工升降机检查评分表
表17 塔式起重机检查评分表
表18 起重吊装检查评分表
表19 施工机具检查评分表。