液压工作站技术要求1参数项目参数项目可调范围出厂
- 格式:doc
- 大小:94.50 KB
- 文档页数:6
液压类设备安装、调试、验收标准第一章一般规定第1.0.1条锻压设备的基础垫铁和地脚螺栓应符合下列要求一、基础家标准钢筋混凝土工程施工及验收规范的规定和锻压设备的安装施工要求二、对冲击和振动较大的锻压设备与其底座或垫铁相接触的基础表面应铲平或磨平不得采用灰浆抹平三、垫铁的规格数量和放置的位置应符合设备技术文件的规定当设备技术文件无规定时应按现行国家标准机械设备安装工程施工及验收通用规范的有关规定执行四、中小型锻压设备的垫铁可选用减振座代替第1.0.2条锻压设备在进行几何尺寸精度检验前应采用水平仪在本规范各章规定的位置上进行检验其纵向和横向左右前后的安装水平不应大于0.20/1000。
第1.0.3条锻压设备组装前应按下列要求进行清洗和检查:一、对设备的外表面、组装结合面、滑动面、各种管道、油箱和压力容器进行清洗,出厂时已装配好的组合件,不应拆卸清洗;清洗方法及其清洁度的检查,应按现行国家标准机械设备安装工程施工及验收通用规范有关规定执行。
二、设备的外表应无碰损、锈蚀和变形现象;需要装配的零、部件应检查其基本尺寸和配合公差。
三、压力容器、液压系统、润滑系统,经清洗洁净和组装后,应按有关规定进行严密性试验,并不得有渗漏现象。
第1.0.4条锻压设备的组装应符合下列要求:一、设备的清洁度应符合有关标准的规定。
二、装配的工艺规程应符合设备技术文件的规定。
三、重要固定接合面应紧密结合;紧固后应采用0.05mm 塞尺检查,只许局部塞入,塞入的深度不应大于宽度的20%,其塞入部分的累计移动长度不应大于可检长度的10%。
锻压设备的下列部位,宜为重要固定接合面:1.立柱台肩与工作台2.立柱调节螺母锁紧螺母与上横梁和工作台面3.液压缸法兰台肩与上横梁或机身梁4.活柱塞台肩与滑块5.机身与导轨或滑块与镶条6.组合式框架机身的横梁与支柱7.工作台板与工作台或与横。
四、应测量滑块(活动横梁)与导轨间(出厂时原有)的间隙值或现场组装的实际间隙值,并记录备查。
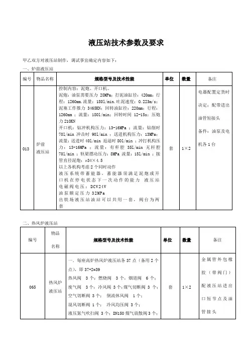
液压站技术参数及要求甲乙双方对液压站制作,调试事宜确定内容如下:三、矿槽液压站四、炉顶液压站六、设备组成和供货范围液压泵站、控制阀组及其支架、蓄能器组、站内液压配管、站内电气控制柜、站内所有电气接线七、设计及资料的交付乙方免费为甲方设计,设计要充分考虑,有利于甲方维修,保证满足甲方生产工艺要求,合同签定15日内,有关技术资料以正式盖章蓝图及AutoCAD电子版2种形式返给甲方,由甲方确认后方可生产。
包括液压原理图(含元件明细表);液压系统布置图须根据设计院提供的《泵站、控制阀台、蓄能器组的相对位置图》进行设计布置;液压系统布置图中应有液压泵站、控制阀组、蓄能器组三大件装配图;液压站预埋钢板位置,预埋板尺寸;液压站电气预埋管位置,预留口尺寸;站内设备载荷;系统参数表(包括液压系统参数,冷却介质参数及接口尺寸,接口位置。
);电气资料(包括电控柜外形尺寸、电气原理图,电控柜端子图,阀台端子图等);仪表资料(包括电气原理图,电控柜端子图);液压系统说明书,调试说明书。
设计参照规范GB3766-83液压系统通用技术条件GB786.1-93液压及气动图形符号GB7935-87液压元件通用技术条件YBJ207-85 冶金机械设备安装工程施工及验收规范液压、气动和润滑系统JB/T58027-93 液压系统总成检验标准JB/ZQ4587-86 油箱总体设计及制造依据ISO4406:1987 液压传动-油液-固定颗粒污染等级代号法(或NAS1638)GB3323-82 钢熔化焊对接接头射线照相及质量分级JB/T5000,3-98焊接件通用技术要求本单位制造的零件、部件的材质、机加工尺寸等符合设计图纸和标准的规定。
外购件按乙方转化后的图纸明细购买,不能降低外购件的质量。
乙方的外购件必须是合格产品。
机械部分安装执行冶金机械设备安装工程施工及验收规范通用规定(YBJ201-83)。
液压系统安装执行冶金机械液压设备安装工程施工及验收规范通用规定(YBJ201-85)。
液压站技术需求1、液压站应满足同时4台炉用液压顶推同时使用,液压顶推为200/125mm,行程600mm.流量≤10L/min,压力≤20MPa。
2、油箱容积尺寸,长1000×宽1200×高1100,液压站总高度不超过1600mm,密封严密,顶部设置排气止回装置。
3、油箱要便于清洁,应设置人孔、吊钩、加油孔、卸油口、回油口。
4、进出口油管为ø22×4高压无缝钢管,连接方式采用高压接头连接。
5、液压泵型号为25SCY14-1B 2台,国优生产厂家制造,配套电机型号为TYPEY132M-4(功率7.5KW,额定电流15.4A,转速1440r/min,推荐使用西玛电机)两台,组装前在制造厂内完成油泵供油量调试。
6、液压站应配备回油冷却器规格型号为GLC-2.0,工作压力≤10MPa,工作温度≤100℃,冷却面积2.0m2。
7、液压站应配备高压过滤器一台,型号为:ZU-160*50,过滤精度为10-15μm,满足压力损失不超过0.35MPa,并应有安全阀或堵塞状态发讯装置,以防油泵过载和滤芯损坏;配备回油过滤器一台,型号为:RFA-100*30,过滤精度为液压精度在30μm,满足压力损失不超过0.35MPa,并应有安全阀或堵塞状态发讯装置,以防油泵过载和滤芯损坏。
8、供电电压380V,50HZ,环境温度5℃-60℃。
9、控制单元,进出口要有对应标识。
10、液压站各处应严密不漏。
11、电机与液压泵的主轴严格对中同轴度小于0.1mm。
12、泵组应低于液压油液面,安装底座应有足够的刚性,以保证对泵、电机安全可靠联接,始终同轴。
13、液压油箱应设计液位计、温度计,以便于观察液位高低和油温及电接点压力表、压力继电器、压力传感器等。
14、液压站应设计溢流阀和换向阀,以便于调整压力及控制油缸进退。
型号为,溢流阀:DB10-1-50B/315,换向阀:4WF10J33/CG24N9K4。
液压机技术参数
液压机技术参数:
1、最大推力/力矩:液压机的力矩由马达的出力驱动,不同的液压机配备不同的马达,因此其最大推力和力矩将不同,通常而言技术参数中会标明马达的型号以便用户进行参考。
2、最大行程:液压机的作动片必须遵循其特定的行程,即其最大有效行程就是液压机的行程范围,一般以毫米为单位,且最大行程会影响到液压机的工作表现。
3、最大压力:液压机需要工作压力来达成其作动任务,最大压力决定了机器在一定时间下作动片所能达到的最大推力和力矩,一般而言压力可以达到峰值100MPa,也可以达到峰值250MPa。
4、工作流量:工作流量主要描述液压机进行作动片的运动时,其所必需的液压油的流量,通常而言,液压机的最大流量一般以立方毫米/秒为单位显示。
5、作动速度:液压机的作动速度一般以毫米/秒的方式表现,其取决于马达的速度和液压油的速度,作动速度影响了液压机在一定时间内作动片所能达到的最大推力和力矩。
6、重量:重量影响到液压机是否能够运输或安装,一般而言轻重量是技术参数里必备的一项,其重量一般以千克为单位进行表示。
7、控制方式:液压机的控制方式可以有不同的变形,一般而言,液压机的控制方式有手动控制、电控制和液控制等多种变形,具体的控制方式要根据液压机的使用情况而定。
8、配件:液压机的配件一般包括液压油箱、液压泵、液压控制器等,这些配件都是液压机运行的关键部件,因此,技术参数里也会逐一列出液压机所使用的配件,以便用户选择更合适的配件。
液压站技术参数及要求甲乙双方对液压站制作,调试事宜确定内容如下:三、矿槽液压站四、炉顶液压站六、设备组成和供货范围液压泵站、控制阀组及其支架、蓄能器组、站内液压配管、站内电气控制柜、站内所有电气接线七、设计及资料的交付乙方免费为甲方设计,设计要充分考虑,有利于甲方维修,保证满足甲方生产工艺要求,合同签定15日内,有关技术资料以正式盖章蓝图及AutoCAD电子版2种形式返给甲方,由甲方确认后方可生产。
包括液压原理图(含元件明细表);液压系统布置图须根据设计院提供的《泵站、控制阀台、蓄能器组的相对位置图》进行设计布置;液压系统布置图中应有液压泵站、控制阀组、蓄能器组三大件装配图;液压站预埋钢板位置,预埋板尺寸;液压站电气预埋管位置,预留口尺寸;站内设备载荷;系统参数表(包括液压系统参数,冷却介质参数及接口尺寸,接口位置。
);电气资料(包括电控柜外形尺寸、电气原理图,电控柜端子图,阀台端子图等);仪表资料(包括电气原理图,电控柜端子图);液压系统说明书,调试说明书。
设计参照规范GB3766-83液压系统通用技术条件GB786.1-93液压及气动图形符号GB7935-87液压元件通用技术条件YBJ207-85 冶金机械设备安装工程施工及验收规范液压、气动和润滑系统JB/T58027-93 液压系统总成检验标准JB/ZQ4587-86 油箱总体设计及制造依据ISO4406:1987 液压传动-油液-固定颗粒污染等级代号法(或NAS1638)GB3323-82 钢熔化焊对接接头射线照相及质量分级JB/T5000,3-98焊接件通用技术要求本单位制造的零件、部件的材质、机加工尺寸等符合设计图纸和标准的规定。
外购件按乙方转化后的图纸明细购买,不能降低外购件的质量。
乙方的外购件必须是合格产品。
机械部分安装执行冶金机械设备安装工程施工及验收规范通用规定(YBJ201-83)。
液压系统安装执行冶金机械液压设备安装工程施工及验收规范通用规定(YBJ201-85)。
矿井提升机通用部件液压站TE161 SM编制审查标准批准洛阳矿山机械研究所矿山设备厂2004年8月目录1、概述 22、主要技术参数 23、主要结构与工作原理 24、安装调试 45、维护、保养、常见故障及排除方法 96、吊装与运输 97、储存条件与储存期限 91、概述液压站是矿井提升机重要的安全和控制部件,它和盘形制动器组成为一套完整的制动系统,为盘形制动器提供可以调节的压力油,使提升机获得不同的制动力矩;使矿井提升机正常运转、调速、停车。
在任何事故状态下,可以使盘形制动器的油压迅速降低到预先调定的某一值,经延时后,盘形制动器的全部油压迅速回到零。
使提升系统处于全制动状态。
TE161液压站在以往液压站的基础上增加了电加热装置,适用于较寒冷地域,该液压站适用于XKT、XKT-B及JK型单绳单筒矿井提升机。
该液压站应在海拔不超过2000m,周围环境温度10-40℃的范围内,且通风良好、洁净、无有害气体,没有导电尘埃,无破坏金属及绝缘的腐浊性气体,无爆炸气体的室内安装使用。
2、主要技术参数2.1最大工作油压 6.3MPa2.2最大供油量 14 1/min0.2.3工作油箱 15-65℃2.4油箱储油容积 700 l2.5二级制动延时时间 0-10 S2.6电液比例溢流阀控制电压≤10V2.7液压油牌号 N32液压油2.8电加热器功率 2×2KW2.9外型尺寸 1400×1200×1450(mm)2.10重量(不带油液) 800Kg3、主要结构与工作原理参见TE161液压站的原理图(见图1)3.1 结构特点:TE161液压站主要由油箱、泵装置和阀组组成的,液压站有两套油泵装置,两套电液比例调压装置,一套工作,一套备用。
两油泵互为备用时,由液动换向阀15自动换向。
系统采用恒压泵作为工作油源,可以减小系统发热。
油箱上设有加热器,若油温过低,可以投入加热器,加热到15℃即可正常工作。
液压站说明书一概述二液压站的结构原理三调式四故障处理五二级制动油压值的选择六注意事项概述随着科学技术发展,矿井提升机安全,可靠运行,对液压站提出了新的要求,为此我们设计TE002,TE003双电机,双油泵二级制动液压站。
TE002适用于2JKA系列,TE003适用于JKA 系列。
TE002,TE003液压站的主要作用是:1:可以为盘形制动提供不同油压值的压力表,以获的不同的制动力矩。
2:在事故状态下,可以使制动器的油压迅速将到予先调定的某一值,经过延长时,制动器全部油压迅速回到零,使制动器达到全制动状态,即二级制动,或在紧急情况下,使制动器的全部油压一次都回到零,使制动器达到全制动状态,即一级制动。
3:TE002液压站可以供给控制单绳双筒提升器调绳装臵所需要的压灯油。
主要技术参数:最大工作油压:63公斤/厘米2最大供油量:9升/分工作油温:15-60℃油箱储油量:500升二级制动延时时间:0-10秒电液调压装臵允许最大输入电流:250毫安液压油牌号:22号透平油二液压站的结构原理TE002,TE003液压站的原理图见1.2.为了确保提升机的正常工作,液压站油箱中间用钢板隔开,相当于二个独立油箱,并带有两台叶片泵装臵,一台工作,一台备用.二泵替换工作时,由液动换向阀18自动换向,两台叶片泵装放在油箱侧面地面上,不停主机,就可维修.安全制动部分由电磁阀14,15,20,溢流阀8,减压阀9,畜力器13等组成,对于单绳双筒提升机来说又在此基础上增加了电磁阀21和截止阀22以提供不同调升使用.液压站为盘形制动器提供不同的油压,油压的变化,由电液调压装臵6来调节,这时安全制动部分的电磁铁G3G4G5带电,油路通,压力油通过管路分别进入各盘形制动器.油压的变化,通过提升机司机控制点液调压装臵的电流大小来实现,从而达到了调节制动力矩的目的.电液调压装臵原理见图3.电液调压装臵的作用如下:1:根据提升机的实际工作额定负荷,确定最大工作油压值PMAX是通过手柄9来调定的.2:通过改变动线圈3的电流大小,实现系统油压的可调性.压力油由P口进入,一路去溢流阀的C腔,另一路经过滤芯13节流螺塞12到G腔和溢流阀D腔,当动线圈3的电流增加时,控制杆5下移,与喷嘴6的距离缩短,G,D两腔的压力升高,溢流阀主芯11下降,从0口溢出的油量减少,这样C腔的压力逐渐升高,主阀芯11处在新的平衡位臵,动线圈3电流继续增大,当控制杆5向下的力大于喷头向上的液动力时控制杆5盖住喷头孔,这时P口油压最高,就是系统的工作油压,当动线圈3电流为零时,控制杆处于最高位臵,这时P口的油压最低,即为残压.系统正常工作时,电磁铁G3、G4、G5通电,(TE002液压站G1、G2断电)压力油通过电磁阀1.螺母2.十字弹簧3.动线圈4.永久磁铁5.控制杆6.喷头7.阀座8.压力弹簧9.锥阀 10.螺杆 11.手柄 12.调节杆13.平衡弹簧 14.滑阀 15.锥面阀座 16.滤芯17.节流塞 18.螺母15,20分别进入制动器开闸,保证提升机正常运转。
一、概述1.液压站是矿井提升机的重要部件,它与盘式制动器、电机轴制动器组合为一完整的制动系统,其性能和质量好坏,直接影响到矿山的产量,设备的寿命、人身的安全等,因此使用单位都十分重视液压站这一重要部件。
液压站主要作用:2.为盘式制动器、电机轴制动器提供可调节的压力油,以获得不同的制动力矩。
3.在任何事故状态下,可以使制动器的油压迅速降到预先调定的某一压力值,经过延时后,制动器的全部油压值迅速回到零,使制动器达到全制动状态。
4.可提供单绳双筒矿井提升机调绳装置所需要的压力油。
二、液压站的主要技术参数(表1)表1最大工作油压≤6.3兆帕最大输出油量(所有出油口)9.7升/分工作油温10℃~65℃油箱储油量393升电液调压装置允许输入的最大电流≤250毫安液压油牌号(抗磨液压油) YB-46N(气温较高时使用;YB-32N(气温较低时使用)三、液压站的结构原理(见图一附后)该液压站分为互相独立的工作制动和安全制动两部分。
为了确保提升机的正常工作,工作制动部分又由两套组成。
一套工作,另一套备用。
而这两套均由相同的网式滤油器3、电动机5(B5型)、叶片泵6、压力管路过滤器7、电液调压装置8等组成。
安全制动部分由电磁阀10、15、16、19、减压阀12、溢流阀13、蓄能器18等件组成。
对单绳双筒提升机来说增加了电磁阀22、23以供调绳时使用。
其系统图如图一。
在此系统中,液压站为盘式制动器提供了不同油压的油源,油压的变化,是由工作部分的电液调压装置8来控制的。
此时安全制动部分的电磁阀15、16带电,油路通。
压力油通过安全制动装置的A管、B管(实现二级制动油路)进入盘式制动器,同时压力油经电磁阀15进入电机轴制动器。
油压的变化是通过绞车司机控制电液调压装置的电流大小来实现的,从而达到了调节制动力矩的目的。
电液调压原理见图二,电液调压装置的作用有两个:1、根据提升机的实际工作额定负荷,确定最大使用油压值Pmax,该油压是通过手柄9来调定的。
附件:液压工作站技术要求:1、参数项目参数项目可调范围出厂调节油泵电源AC380V/50Hz 开阀时间(可调)10~90秒现场可调控制电源DC220V/AC220V关阀时间(可调)30~120秒现场可调泵站设计压力12MPa泵站工作压力7~10MPa关阀角度(可调)快关70±8度现场可调系统设定压力上限10MPa 慢关20±8度现场可调下限7MPa 液压油L-HM46抗磨液压油2、电气控制部分2.1基本参数和要求油泵电机功率 1.5KW/ AC380 V开关电源150W/DC220 V 控制电压DC24 V电源进线三相四线制AC380 V±10%,2KW控制电源进线不间断电源DC220 V±10%或AC220 V±10% 250W2.2电气组成及原理电液驱动装置电控系统采用西门子S7-200 PLC智能控制器控制:电控箱设有安装开关电源、交流接触器、热继电器、断路器、PLC智能控制器、中间继电器、接线端子等。
电控箱面板布置图见附件——设有“总电源”、“PLC电源”、“油泵工作”“阀门全开”、“阀门全关”、“故障报警”、等指示灯;和“阀门开”、“阀门停止”、“阀门关”、等按钮、旋钮开关“就地-远程”、“油泵工作”、“PLC工作”等。
2.3操作说明和注意事项在给液压装置正常供电条件下(AC380V/DC220V),即操作面板上“总电源”、“PLC 工作”指示灯点亮,方可进行液压装置的控制操作。
液压控制原理详见(附图),电气控制原理详见(附图)。
2.4泵源启动:合上空气开关QS1、QS2,接通油泵电源AC380V、控制不间断电源AC220V或者 DC220V 电源,指示灯点亮;把电控箱操作面板上的选择“PLC电源”,“油泵电源”,此时液压装置保压系统启动运行,向蓄能器冲油。
当系统油压低于下限控制点,则油泵电机自动补压工作,当系统油压达到上限控制点,则油泵电机停止。
粮油加工机械通用技术条件液压系统技术要求(LS/T 3501.8—1993 )1 主题内容与适用范围本标准规定了单机控制或多机集中控制的液压系统的技术要求。
本标准适用于粮油加工机械。
2 引用标准GB 2346 液压气动系统及元件公称压力系列GB 2347 液压泵及马达公称排量系列GB 1239 普通圆柱螺旋弹簧JB 825 油压系统管路公称通径系列参数3 一般要求3.1 液压系统应设有:动力部分(液压泵)、执行部分(液压缸和液压马达)、控制部分(压力、流量及方向控制阀)及辅助部分(滤油器、管件、油箱)等。
油箱应设有:油位指示装置、通风孔和加油、放油口。
3.2 液压系统公称压力应符合GB 2346的规定,液压泵及液压马达公称排量应符合GB 2347的规定。
管路公称通径应符合JB 825的规定。
3.3 液压系统中的主要工作件,如活塞、活塞杆、滑阀、缸体等工作表面不得有裂纹、划伤、锈蚀,并不得用锉刀、砂布等进行修整。
3.4 液压装置中的工作弹簧应不低于GB 1239中二级精度的要求。
3.5 液压装置装配前,零部件必须彻底清洗。
油箱经仔细清理后宜涂以浅色耐油漆。
3.6 液压装置应根据工作条件,明确规定其液压用油。
3.7 液压泵的入口油温不应超过60℃。
4 液压泵及其安装4.1 液压系统中的泵,其无负荷排量及满负荷效率应符合设计要求,超负荷(不低于额定压力的125%)运转1min及冲击负荷下工作正常。
泵在工作中不得有外渗漏及异常噪声。
振动、温升应控制在规定的范围内。
4.2 液压泵应尽量安装在油液内。
当安装在油面以上时,其吸油高度一般不超过300mm。
4.3 液压泵吸油管路应保证可靠的密封,并插入油液足够深度。
4.4 在新设计的产品中液压泵不得采用带传动。
5 管路安装5.1 液压系统管路安装应力求排列整齐、线路短、弯曲少,并严禁和运动零件相接触。
5.2 平行或交错管子之间,须有10mm以上的间隙,以防接触和振动。
液压站设计标准-概述说明以及解释1.引言1.1 概述概述部分的内容可以从以下角度进行解释:液压站是一种通过液体传递能量的装置,广泛应用于工业领域中的各个领域。
它通过利用液压油作为传动介质,通过控制阀门和调节器,实现各种运动和操作。
液压站设计的标准是确保其正常运行和安全性能的重要依据。
在设计液压站时,需要考虑各种因素,如压力、流量、温度、材料和密封等。
这些因素相互作用,综合考虑,才能确定最合适的设计方案。
液压站设计标准不仅涉及到液压站的基本原理和构成要素,还需要考虑到实际应用中的特殊要求和环境条件。
因此,在设计液压站时,需要遵循一系列的设计标准和规范,以确保其设计符合安全、可靠、高效和经济的要求。
设计液压站的标准主要包括以下几个方面:1. 设计原则:设计液压站的首要原则是满足工作要求。
在设计过程中,需要根据所需要的功率、压力、流量和速度等参数来确定系统的工作参数,并选择合适的液压元件和装置。
2. 安全性能:设计液压站时,安全性是首要考虑的因素。
需要对液压系统进行安全评估和风险分析,并采取相应的措施来预防事故发生,包括使用安全装置、设立紧急停止和报警系统等。
3. 节能性能:设计液压站时,还需要考虑到节能问题。
通过合理设计和优化能量传递和转换的过程,减少能量的损失,提高系统的效率和能源利用率。
4. 可维护性:设计液压站时,还需要考虑到系统的可维护性。
合理选择液压元件和装置,使其易于维修和更换,并设计方便的检修和保养通道,以减少维护和修理的时间和成本。
综上所述,设计液压站需要遵循一系列的标准和规范,以确保其设计合理、安全可靠、高效节能和易于维护。
只有在综合考虑各种因素的基础上,才能设计出满足实际需要的优质液压站。
1.2 文章结构文章结构部分主要介绍了本篇长文的整体架构和组织方式,下面详细介绍各个部分的分工和内容。
首先,本文包括三个主要部分:引言、正文和结论。
每个部分都有相应的子部分,以便使整篇长文的逻辑清晰、条理分明。
TE130,TE131提升机液压站使用说明书一、概述:提升机液压站(以下简称:液压站)是提升机系统的一个重要组成部分,一般放置在矿井的提升滚筒附近与盘形制动器连接配套使用。
1、液压站作用主要是:(1)、为盘形制动器提供可以调节的压力油,使提升机获得不同的制动力矩。
(2)、在任何事故状态下,可以使盘形制动器的油压迅速降低到预先调定的某一值,经过延时后,盘形制动器的全部油压值迅速回到零,使盘形制动器达到全制动状态。
即:可以实现对提升机的一级(紧急)制动、二级制动能力。
(3)、可以供给单绳双筒矿井提升机的调绳装置所需要的控制压力油。
随着科学技术的发展,矿井提升机安全、可靠地运行对于液压站提出了新的要求,同时由于提升机的不断更新换代,液压站的结构和性能也逐渐完善,并不断地推陈出新。
现在市场上的提升机生产厂家很多,其规格型号更是多种多样。
2、现将提升机液压站大致归类如下:(1)、按制动类型分:有:电气延时二级制动型液压站液压延时二级制动型液压站恒减速型液压站(2)、按压力调节方式类型分:有:电业调压型液压站比例调压型液压站(3)、按油泵装置类型分:有:整体式液压站(油泵装置位于油箱上部,且油泵置于油箱内部)外置式液压站(油泵装置位于油箱外部的装置架上)种类、样式、型号的繁多,这就给用户及矿井设计人员选型带来了诸多问题。
在这里我们建议用户及设计人员应根据自己的实际需要来进行慎重选型,以免带来不便。
其中,最值得关注的应当是:电气延时与液压延时、电液调压与比例调压。
因为近年来正处于新旧提升机及液压站更替、改进时期,许多新型的液压站同以往的老式提升机液压站相比多少有所改进或不同之处,这就存在着一个新旧“接口”问题,“接口”这一词应该说是随着计算机及其网络技术飞速发展的今天应用越来越广泛。
当然在提升机与液压站之间也同样存在着接口问题,特别是新型液压站同提升机电控系统的接口问题,液压站选型的处理及其电气接口问题处理的好坏,直接影响了提升机系统的改进及日常工作与维护。
液压设备通用技术要求一、液压设备通用技术要求范围本部分提供了用于工业制造过程的机械设备上液压系统的一般规则,以此作为对买方和卖方的一种指导,从而保证系统的安全性、连续稳定性、维修便捷和经济寿命长。
二、液压设计规范与标准1)GB/T 786.1-1993 《液压气动图形符号(ISO 1219-1:1991)》2)GB 4208-1993 《外壳防护等级(1P代码)(eqvIEC 529:1989)》3)GB/T 5226.1-1996 《工业机械电气设备第一部分:通用技术条件(eqvIEC 204-1:1992)》4)GB/T 14039-1993 《液压系统工作介质固体颗粒污染等级代号(eqv ISO4406:1987)》5)GB/T 17446-1998 《流体传动系统及元件术语(idt ISO 5598:1985)》6)GB/T 17489-1998 《液压颗粒污染分析从工作系统管路中提取液样(idtISO 4021:1992)》7)JB/T 5244-1991 《液压阀用电磁铁》8)ISO 1219-2:1995 《流体传动系统和元件图形符号和回路图第2部分:回路图》9)ISO 4400:1994 《流体传动系统和元件带接地点的三脚电插头特性和要求》10)ISO 6149-1:1993《流体传动和一般用途的管接头带ISO 261螺纹及O形密封圈的油口和螺纹端头第1部分:在锪孔沟槽中装有O形密封圈的油口》11)ISO 6162:1994 《液压传动用在2.5 MPa至40MPa(25 bar至400 bar)压力下的四螺钉对开法兰型式Ⅰ米制系列和型式Ⅰ英制系列》12)ISO 6164:1994 《液压传动用在25 MPa至40MPa(250bar至400bar)压力下的四螺钉整体方法兰》13)ISO 6952:1994 《流体传动系统和元件带接地点的两脚电插头特性和要求》14)ISO 7790:1997 《液压传动02、03和05规格的四油口叠加阀和四油口方向控制阀夹紧尺寸》15)ISO 8434-1994 《流体传动和一般用途的金属管接头》16)ISO 10763:1994 《液压传动平管口、无缝的和焊接的精密钢管尺寸和标称工作压力》17)ISO/TR 11688-1:1995 《声学对低噪声机器和装置设计的推荐做法第1部分:方案》18)ISO 12151《液压传动和一般用途的管接头》不仅限于以上标准,液压系统的设计、制作、安装和调试等应符合国家和行业的相关规范和要求。
液压站操作标准前言本文档旨在确保液压站的操作符合标准,并提供操作人员清晰明确的指导。
液压站是一个重要的工业设备,运行不当可能导致事故和设备故障。
因此,操作人员必须严格按照本标准要求进行操作,以确保安全和有效的使用液压站。
操作人员资质要求- 操作人员必须具备液压设备操作的相关知识和技能。
- 操作人员必须经过液压站操作培训并获得合格证书。
- 操作人员必须遵守公司的安全规定,并严格执行相关操作流程。
液压站操作流程1. 液压站开机操作流程:- 确保所有安全装置和设备工作正常。
- 打开液压站的主电源。
- 液压站启动后,检查各个液压元件的运行状态。
- 确保液压站的液压油温度、压力、流量等参数正常。
- 检查液压站的液压油是否充足。
- 若存在异常情况或故障,立即停机并上报相关部门。
2. 液压站运行中的操作流程:- 操作人员应密切关注液压站的运行状态,包括温度、压力、流量等参数。
- 检查液压油的污染情况,保持合适的油清洁度。
- 定期检查液压站的各个液压元件,并及时更换磨损或故障的部件。
- 定期对液压站进行维护保养,包括清洗油箱、更换滤芯等。
3. 液压站停机操作流程:- 关闭液压站的主电源。
- 停止所有液压元件的运行。
- 清理液压站工作区域,确保无杂物和危险隐患。
安全注意事项- 操作人员在操作液压站时,必须穿戴符合要求的个人防护装备。
- 操作人员在液压站运行期间,不得随意触动液压元件和管路。
- 操作人员在发现液压站异常情况或故障时,应立即停机并上报相关部门。
- 液压站操作过程中应注意严禁超负荷操作,以免损坏设备或引发事故。
总结本操作标准是为保证液压站的安全运行而设立的,操作人员必须严格按照要求执行操作流程,并注意安全事项。
公司将定期对操作人员进行培训和考核,以确保他们具备操作液压站的必要知识和技能。
希望本操作标准能够为液压站操作提供明确的指导,保证生产安全和设备稳定性。
以上是液压站操作标准的内容。
附件:
液压工作站技术要求:
1、参数
2、电气控制部分
2.1基本参数和要求
油泵电机功率 1.5KW/ AC380 V
开关电源150W/DC220 V 控制电压DC24 V
电源进线三相四线制AC380 V±10%,2KW
控制电源进线不间断电源DC220 V±10%或AC220 V±10% 250W
2.2电气组成及原理
电液驱动装置电控系统采用西门子S7-200 PLC智能控制器控制:电控箱设有安装开关电源、交流接触器、热继电器、断路器、PLC智能控制器、中间继电器、接线端子等。
电控箱面板布置图见附件——设有“总电源”、“PLC电源”、“油泵工作”“阀门全开”、“阀门全关”、“故障报警”、等指示灯;和“阀门开”、“阀门停止”、“阀门关”、等按钮、旋钮开关“就地-远程”、“油泵工作”、“PLC工作”等。
2.3操作说明和注意事项
在给液压装置正常供电条件下(AC380V/DC220V),即操作面板上“总电源”、“PLC 工作”指示灯点亮,方可进行液压装置的控制操作。
液压控制原理详见(附图),电气控制原理详见(附图)。
2.4泵源启动:
合上空气开关QS1、QS2,接通油泵电源AC380V、控制不间断电源AC220V或者 DC220V 电源,指示灯点亮;把电控箱操作面板上的选择“PLC电源”,“油泵电源”,此时液压装置保压系统启动运行,向蓄能器冲油。
当系统油压低于下限控制点,则油泵电机自动补压工作,当系统油压达到上限控制点,则油泵电机停止。
然后根据需要,可将本液压装置设置为远程或本地控制状态,他们是互锁的。
只有在本地控制状态下,本地电控箱操作面板上的“开阀”、“关阀”、“停阀”、按钮才有效。
2.5就地控制:
把电控箱操作面板上的“就地--远程”旋钮开关旋至“就地”控制位,此时液压系统完全切换到本地控制箱操作面板上控制,远控室的控制信号不再起作用(包括与DCS 联锁控制)。
就地开阀:按一下就地控制箱上“阀门开”按钮,若机组无故障,开阀条件具备,PLC接受信号输入,电磁阀线圈得电工作,重锤举锤升起,阀门开启,则阀门将按设定速度开启阀门,直到全开位置,“阀门全开”指示灯点亮,自动转换到停止状态,开阀过程完毕。
就地关阀:按一下就地控制箱上“阀门关”按钮,若机组无故障,关阀条件具备,PLC接受信号输入,电磁阀线圈失电,落锤下降,阀门关闭,此时若压力过低,油泵启动,液压油驱动系统分别进入主油缸,则阀门将按设定好的速度关闭,在阀门关到15度位置,通过油缸尾部节流阀调节慢关速度,直到全关位置,“阀门全关”指示灯点亮,关阀过程完毕。
就地停止:按一下就地控制箱上“阀门停止”按钮,阀门在“开阀”、“关阀”的过程中,按“停止”按钮,阀门在任意中间位置中停。
2.6 远程控制
把电控箱操作面板上的“旋钮开关”旋至远程控制位(即右位),此时液压装置
完全转换到远程控制室控制,本地操作控制信号不再起作用。
远程具有与本地相同的控制功能。
电控箱内接线排提供了远程控制接口,见附件(电气原理图)。
远程控制和本地控制对应,设置有“开阀”、“关阀”、“停止”、控制功能。
远程控制需提供的是无源开关量触点信号。
远程控制指令输入——“开阀”,同本地按钮,输入无源触点开关信号;
“关阀”,同本地按钮;
“停止”,同本地按钮;
本地输出至远程信号——输出DCS无源触点开关量信号;
“阀门全开”,同本地显示;“阀门全关”,同本地显示;本地显示;
“故障报警”,同本地显示;“油压低”;“电源消失”;“远程控制”;
“水泵联锁”“75度信号”
“故障报警”指(1.阀门长时间没有开位 2.阀门长时间没有关位 3.油泵运行超时) 2.7 手动操作
在动力电源和控制电源失电时,手持加力杆摇动手动泵,亦可实现阀门开启和关闭。
三.备品备件
四.专用工具。