护坡质量验收记录表
- 格式:doc
- 大小:77.50 KB
- 文档页数:2
表10.1.1 石砌体护坡、挡墙、防洪堤砌筑检验批质量验收记录表
编号:###
填表说明:
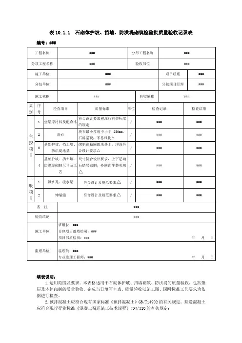
1.适用范围及要求:本表格适用于石砌体护坡、挡墙砌筑、防洪堤的质量验收,包括垫层及本体砌制的质量验收,完成当日填写本表。
质量验收以施工图、国网标准工艺要求为依据进行检查。
2.预拌混凝土应符合现有国家标准《预拌混凝土》GB/T14902的有关规定;泵送混凝土应符合现行行业标准《混凝土泵送施工技术规程》JGJ/T10的有关规定;
1)配合比应按现行行业标准《普通混凝土配合比设计规程》JGJ55的有关规定执
行;
2)其他执行设计要求及施工验收规范GB 50233.GB 50204.Q/GDW 1153.Q/GDW
10225。
3.检查数量:
1)石砌体护坡、挡墙砌筑、防洪堤验收阶段应检查垫层原材料、试块强度、配合
比等报告,记录试验报告编号;
2)块石的直径、厚度按照现场抽样测量,测量数据不小于10个,记录其中最小
的数据。
3)护坡、挡墙砌筑、防洪堤的尺寸、埋深检查测量,检查是按照设计图纸进行校
核,记录“符合设计图纸要求”,如有尺寸超差则应记录超差腿别、具体超差
尺寸等。
4)护坡、挡墙砌筑、防洪堤的泄水孔、疏水层、伸缩缝的数量及施工工艺,检查
按照设计图纸进行校核,记录“符合设计图纸要求”,如有偏差记录偏差量。
4.检验批划分:该检验批按每个砌制点作为一个检验批。
工程名称单位工程名称施工单位项目经理分部工程名称验收部位验收规范及图号CJJ1-2008施工与质量验收规范的规定主控项目施工与质量验收规范的规定1预制砌块强度应符合设计要求。
砂浆强度应符合本规范第 14.5.3 条第7 2款的规定。
3基础混凝土强度应符合设计要求。
砌筑线型流畅、表面平整、咬砌有序4、无翘动。
砌缝均匀、勾缝密实。
护坡顶与坡面之间缝隙封堵密实。
3 砌体厚度 (mm)一般4 坡度项浆砌块石目平整度5 浆砌料石(mm)允许混凝土砌块偏浆砌块石差顶面6 高程浆砌料石、(mm) 混凝土砌块顶边浆砌块石7 线型浆砌料石、(mm) 混凝土砌块平均合格率(%)施工单位检查意见质检员签名:市政基础设施工程护坡检验批质量验收记录市政质检·1 ·67第页,共页分包单位技术负责人施工工长分项工程名称主要工程数量监理单位施工单位检查记录验收记录不合格点的实测应测合格合格率偏差值或实测值点数点数(%)第16.11.5 -1条第16.11.5 -2条第16.11.5 -3条第16.11.5 -4条不小于设计值不陡于设计值≤30≤15≤10±50±30≤30≤10监理单位验收结论监理工程师签名:年月日年月日。
石砌体护坡、挡墙、防洪堤砌筑质量验收记录表
编号:
填表说明:
1.适用范围及要求:本表格适用于石砌体护坡、挡墙砌筑、防洪堤的质量验收,包括垫层及本体砌制的质量验收,完成当日填写本表。
质量验收以施工图、内蒙古电力标准工艺要求为依据进行检查。
2.预拌混凝土应符合现有国家标准《预拌混凝土》GB/T14902的有关规定;泵送混凝土应符合现行行业标准《混凝土泵送施工技术规程》JGJ/T10的有关规定;
1)配合比应按现行行业标准《普通混凝土配合比设计规程》JGJ55的有关规定执行;
2)其他执行设计要求及施工验收规范GB 50233.GB 50204.
3.检查数量:
1)石砌体护坡、挡墙砌筑、防洪堤验收阶段应检查垫层原材料、试块强度、配合比等报告,记录试验报告编号;
2)块石的直径、厚度按照现场抽样测量,测量数据不小于10个,记录其中最小的数据。
3)护坡、挡墙砌筑、防洪堤的尺寸、埋深检查测量,检查是按照设计图纸进行校核,记录“符合设计图纸要求”,如有尺寸超差则应记录超差腿别、具体超差尺寸等。
4)护坡、挡墙砌筑、防洪堤的泄水孔、疏水层、伸缩缝的数量及施工工艺,检查按照设计图纸进行校核,记录“符合设计图纸要求”,如有偏差记录偏差量。
4.单元工程划分:该检验批按每个砌制点作为一个单元工程。
护坡工程检验批质量验收记录范本一:一:工程概况1.1 工程名称1.2 施工单位1.3 监理单位1.4 工程位置1.5 工程日期二:护坡工程检验批质量验收情况2.1 验收对象2.2 验收时间2.3 验收人员2.4 验收方法三:验收内容3.1 材料验收3.1.1 原材料合格证明3.1.2 材料检测报告3.1.3 材料质量标准3.2 施工工艺验收3.2.1 施工工艺图纸3.2.2 技术方案3.2.3 施工工序3.3 质量验收3.3.1 护坡坡度3.3.2 护坡材料强度3.3.3 护坡坡面平整度3.3.4 护坡防护措施3.4 安全验收3.4.1 施工现场安全3.4.2 工人佩戴安全防护用品3.4.3 施工设备安全使用四:验收结果4.1 合格项目4.2 不合格项目4.3 处理意见4.4 整改措施五:附件5.1 原材料合格证明及检测报告5.2 施工工艺图纸5.3 施工现场照片六:法律名词及注释6.1 工程建设法律法规6.2 质量验收规范6.3 施工安全规定以上是护坡工程检验批质量验收记录的模板范本,供参考使用。
范本二:一:工程概况1.1 工程名称1.2 施工单位1.3 监理单位1.4 工程位置1.5 工程日期二:护坡工程检验批质量验收情况2.1 验收对象2.2 验收时间2.3 验收人员2.4 验收方法三:验收内容3.1 材料验收3.1.1 原材料合格证明3.1.2 材料检测报告3.1.3 材料质量标准3.2 施工工艺验收3.2.1 施工工艺图纸3.2.2 技术方案3.2.3 施工工序3.3 质量验收3.3.1 护坡坡度3.3.2 护坡材料强度3.3.3 护坡坡面平整度3.3.4 护坡防护措施3.4 安全验收3.4.1 施工现场安全3.4.2 工人佩戴安全防护用品3.4.3 施工设备安全使用四:验收结果4.1 合格项目4.2 不合格项目4.3 处理意见4.4 整改措施五:附件5.1 原材料合格证明及检测报告5.2 施工工艺图纸5.3 施工现场照片六:法律名词及注释6.1 工程建设法律法规6.2 质量验收规范6.3 施工安全规定请注意,以上内容为护坡工程检验批质量验收记录的模板范本,供参考使用。
生态护坡超强联锁块检验批质量验收记录表1. 引言生态护坡超强联锁块的质量验收是保障工程质量、确保工程安全的重要环节。
生态护坡工程不仅仅是为了美化环境,更是为了防止坡地冲刷和坡体滑坡,因此超强联锁块的选择和验收尤为重要。
本文将对生态护坡超强联锁块检验批质量验收记录表进行全面评估,并探讨其在工程实践中的应用。
2. 检验批记录表的内容生态护坡超强联锁块检验批质量验收记录表是用于记录验收过程中的各项数据和结果的重要文书。
其内容一般要包括以下几个方面:1) 产品信息:包括超强联锁块的品名、规格型号、生产厂家等信息;2) 检验依据:明确了验收过程中所遵循的国家标准或行业标准;3) 检验项目:对超强联锁块的外观质量、尺寸偏差、抗压性能等项目进行检测;4) 检验结果:对每一项检验项目的具体结果进行记录,包括合格、不合格等;5) 备注:针对检验中出现的特殊情况或问题进行记录。
3. 检验批记录表的应用生态护坡工程中,超强联锁块的质量直接关系到工程的稳定性和安全性。
在实际施工中,检验批记录表的应用显得格外重要。
通过对验收记录表的填写和整理,可以更加全面地了解超强联锁块的质量状况,及时发现质量问题并进行整改。
检验批记录表的建立还有利于工程验收和日后的维护管理,为工程的可持续发展提供保障。
4. 个人观点和理解在实际的工程实践中,我深刻体会到了生态护坡超强联锁块检验批质量验收记录表的重要性。
只有严格按照规范进行验收,及时记录和处理质量问题,才能确保工程的质量和安全。
我也认为在实际的操作中,需要结合现场实际情况,灵活运用检验批记录表,使之更好地服务于工程建设。
5. 总结生态护坡超强联锁块检验批质量验收记录表是保障工程质量和安全的重要手段,其内容应包括产品信息、检验依据、检验项目、检验结果和备注等方面。
在工程实践中的应用可以帮助及时发现和解决超强联锁块质量问题,确保工程的可持续发展和安全性。
在实际操作中,需要灵活运用检验批记录表,结合现场情况,为工程建设提供有力支持。
表4.7单元工程量施工单位施工日期质量要求合格数合格率
允许偏差±15%
设计厚度
符合设计要求
符合设计要求
单位工程名称
分部工程名称
单元工程名称、部位
年 月 日-- 年 月 日项次检验项目检查记录1
砂、石级配符合设计要求2垫层基面坡度2砂、石垫层厚度1
垫层基面表面平整度注:本表所填“单元工程量”不作为施工单位工程量结算计量的依据。
护坡砂(石)垫层单元工程施工质量验收评定表___________________________________工程
主
控
项
目
一般
项目施工
单位
自评
意见监理
单位
复核
意见主控项目检验点全部合格,一般项目逐项检验点的合格率均不小于______%,且不合格点不集中分布。
各项报验资料_______SL 634—2012的要求。
工序质量等级评定为:______。
(签字,加盖公章) 年 月 日
经复核,主控项目检验点全部合格,一般项目逐项检验点的合格率均不小于______%,且不合格点不集中分布。
各项报验资料______SL 634—2012的要求。
工序质量等级评定为:______。
(签字,加盖公章) 年 月 日。
G2—47 护坡施工检验批质量检验记录表
CJJ 1—2008
“检验批主控项目计数检验记录表”(G1-1-1),然后将计数检验结果填写在本表相应的检查结果栏内;检验批一般项目计数检验数据较多、本表空格不够填写的项,可填写“检验批一般项目计数检验记录表”(G1-1-2),将该表作为本表的附页。
护坡质量检验标准(CJJ1-2008)
16.11.5 护坡质量检验应符合下列规定:
一般项目
1 预制砌块强度应符合设计要求。
检查数量:每种、每检验批1组(3块)。
检验方法:查出厂检验报告。
2 砂浆强度应符合本规范第14.5.3条第7款的规定。
3 基础混凝土强度应符合设计要求。
检查数量:每100m³1组(3块)。
检验方法:查试验报告。
4砌筑线型顺畅、表面平整、咬砌有序、无翘动。
砌缝均匀、勾缝密实。
护坡顶与坡面之间缝隙封堵密实。
检查数量:全数检查。
检验方法:观察。
5 护坡允许值偏差应符合表16.11.5的规定。
表16.11.5 护坡允许偏差
注:H为墙高。