双后桥其实都驱动 辨析重卡中桥驱动
- 格式:pdf
- 大小:296.28 KB
- 文档页数:4
重型汽车的桥结构锻造⼆车间讲义动⼒传递的纽带卡车车桥结构图⽂讲解发动机,变速箱和车桥是卡车的三⼤动⼒核⼼总成,三者中车桥虽不像发动机和变速箱⼀样常被⼈们提及,但却在汽车动⼒传输的过程中发挥着纽带的作⽤,对整车的⾏驶的动⼒性和稳定性有着举⾜轻重的作⽤。
●什么是车桥?车桥,通过悬架和车架(或承载式车⾝)相连,两端安装汽车车轮的桥式结构。
图为车桥总成●车桥的作⽤车桥的功能就是传递车架(或承载式车⾝)与车轮之间各⽅向作⽤⼒及其⼒矩,其对汽车的动⼒性,稳定性,承载能⼒等性能有着重要的影响。
如果是作为驱动桥,除了承载作⽤外还起到驱动、减速和差速的作⽤。
●车桥的结构卡车⼀般采⽤发动机前置,后轮驱动的布置⽅法。
⼀般情况下,前桥都是转向桥,⽽驱动桥在后桥。
前桥的结构前桥定型结构卡车前桥由主要由前梁,转向节,主销和轮毂等部分组成。
车桥两端与转向节绞接。
前梁的中部为实⼼或空⼼梁。
●驱动桥结构驱动桥位于汽车传动系统的末端,主要由主减速器、差速器、半轴和驱动桥壳等组成。
驱动桥典型结构1.主减速器主减速器⼀般⽤来改变传动⽅向,降低转速,增⼤扭矩,保证汽车有⾜够的驱动⼒和适当的速度。
主减速器类型较多,有单级、双级、双速、轮边减速器等。
卡车后桥主减速器1)单级主减速器由⼀对减速齿轮实现减速的装置,称为单级减速器。
其结构简单,重量轻。
2)双级主减速器对⼀些载重较⼤的载重汽车,要求较⼤的减速⽐,⽤单级主减速器传动,则从动齿轮的直径就必须增⼤,会影响驱动桥的离地间隙,所以采⽤两次减速,通常称为双级减速器。
双级减速器有两组减速齿轮,实现两次减速增扭。
双级主减速器为提⾼锥形齿轮副的啮合平稳性和强度,第⼀级减速齿轮副是螺旋锥齿轮。
⼆级齿轮副是斜齿圆柱齿轮。
主动圆锥齿轮旋转,带动从动圆锥齿轮旋转,从⽽完成⼀级减速。
第⼆级减速的主动圆柱齿轮与从动圆锥齿轮同轴⽽⼀起旋转,并带动从动圆柱齿轮旋转,进⾏第⼆级减速。
因从动圆柱齿轮安装于差速器外壳上,所以,当从动圆柱齿轮转动时,通过差速器和半轴即驱动车轮转动。
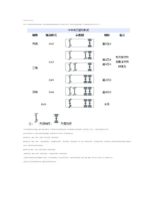
卡车驱动形式的介绍我们常见的卡车的驱动形式有4×2、6×2、6×4、8×2、8×4等。
01、按轮位解读“×”前面的数字表示车辆的车轮位总数。
“×”后面的数字表示驱动轮位数。
比如:4×2中就有4个轮位,其中2个是驱动轮位。
6×2中就有6个轮位,其中2个是驱动轮位。
02、按轴数解读“×”前后数字分别除以2,得到的就是汽车轴数和驱动轴轴数。
比如:6×4中6除以2得3就是指该车共有3轴,4除以2得2就是指该车有2个是驱动轴。
8×4中8除以2得4就是指该车共有4轴,4除以2得2就是指该车有2个驱动轴。
03、看似简单,却各有千秋4×2两车轴转向驱动各一根4×2驱动形式的车有两跟车桥,一根用于转向,一根用于驱动。
6×2驱动形式主要有三种类型:6×2前双导、6×2后桥随动、6×2后桥提升。
我们接下来一一来看:6×2三兄弟各有各特点首先是6×2前双导:大部分卡车前双桥为转向桥,后桥为驱动桥。
6×2后桥随动:大部分卡车前桥为转向桥,中桥为驱动桥,后桥为随动支撑桥。
6×2后桥提升是6×2驱动形式在进口车中比较常见,通常情况下中桥为驱动桥,后桥是提升随动桥,这种驱动形式的好处在于空载时可将后两轮抬起,减少轮胎滚阻,提高燃油经济效率,增长第三桥轮胎寿命。
6×4双桥驱动,驱动力大6×4是我们听的最多的,也就是大家口中的“后八轮”、“后双桥”,6×4中大部分卡车前桥为转向桥,两根后桥为驱动桥,四个轮位同时驱动,驱动力较大。
它是牵引车的主流驱动形式,同时在自卸车中也很常见。
8×4双转向双驱动,稳定性顶呱呱8×4驱动形式的卡车大多数前两桥为转向桥,后面两桥为驱动桥。
双桥车的驱动形式发现有很多朋友对双桥车的驱动形式有些不了解,发个帖子普及一下双后桥驱动车辆的传动结构。
先说一下分动箱。
开过吉普车的朋友比较熟悉。
上面有两个档把,一个是变速箱的,另一个就是分动器的操作手柄。
分动器的操作手柄可以选择双驱还是单驱,也就是选择后桥驱动模式还是四驱模式。
双驱动桥卡车也是一样,只不过是把吉普车的前后桥装在一起罢了,同样也是有分动箱这个结构的。
民用货运车辆一般采用固定式桥间分动器。
也就是说只有一个双驱模式,无法切换单驱双驱。
目前民用双后驱车辆一般采用贯通式传动。
即两个驱动桥采用串联。
变速箱输出传动轴到达位于中桥的分动器后动力继续经过一节比较短的传动轴输送到后桥。
优点是结构紧凑,缺点是如果前传动轴损坏以后将导致车辆无法行驶。
老式军用车辆,比如东风240,采用的就是两驱动桥独立传动。
即两桥并联。
变速箱的动力输出以后先到分动箱。
在从分动箱出来两根传动轴分别输送到前后驱动桥。
优点是并联驱动,即使两根驱动桥的任意一根传动轴损坏,仍然能继续行驶。
所谓的“中桥开关”是不存在的。
其实那个开关学名叫:桥间差速锁控制开关,表示符号为:两桥之间有个黑点。
打开以后分动箱里的桥间差速器被锁止。
即前后两节传动轴(中桥与变速箱之间的长轴和两桥之间的短轴)同速转动。
此时转向确实有可能导致机械损害,但不是伤害半轴,而是有可能扭伤前后传动轴。
转向半轴受损是当轮间差速器锁上以后才能发生。
而轮间差速锁的操作开关符号是:两车轮之间有个黑点。
对于这两个开关的使用,在此我也做一下说明。
轮间差速锁的作用是锁止左右两个半轴,使左右两轮同速旋转。
因此,当车辆一侧车轮打滑,而另一侧车轮不打滑的情况,只要打开轮间差速锁开关(符号是:两车轮之间有个黑点),车辆一般就可以开出来了。
桥间差速锁的作用是使前后传动轴同速旋转。
因此,当两驱动桥之一的左右车轮都开始打滑,而另一驱动桥未发生打滑情况时(比如通过一道窄沟,导致一桥悬空的情况),需要打开桥间差速锁开关(表示符号为:两桥之间有个黑点),这样车辆就有可能开出来了。
Internal Combustion Engine &Parts1汽车驱动桥基本类型及结构汽车车桥中,前桥主要用来转向,一般也称之为前轴。
在车桥市场中,前桥占车桥销售额的33%左右,其中具有驱动功能的前桥占比非常小,仅在特殊工况下的军车、石油、矿用及野外作业等领域车辆中配用。
后桥主要为驱动桥,主要用来降速增扭和改变动力传输方向。
后桥可分为单级减速驱动桥与双级减速驱动桥,其中双级减速驱动桥又分为中央双级减速驱动桥和中央、轮边双级减速驱动桥。
1.1中央单级减速驱动桥中央单机减速驱动桥是驱动桥结构最简单的一种,在中央桥包处由一对准双曲线螺旋锥齿轮实现降速增扭,其结构简单、重量轻、易于装配,一般在主传动比小于6情况下采用单机减速桥。
对于一些承载较大的载重车,要求具有大的减速比,如果采用单级减速驱动桥,则必须加大从动齿轮直径,这样一来会影响驱动桥桥包离地间隙,降低整桥通过性。
所以此时有必要采用双机减速驱动桥。
1.2中央双级减速驱动桥目前国内车桥市场上,中央双级减速驱动桥主要有两种类型:一类是在单级减速器中预留空间,当要求增大牵引力与速比时,装入圆柱行星齿轮减速机构,将原中央单级减速改为中央双级减速,其桥壳、主减等均可互换;另一类是需要改制第一级锥齿轮,然后装入第二级圆柱直齿轮或斜齿轮,变成中央双级驱动桥。
中央双级减速驱动桥作为一种派生产品,使用受到一定限制,因此一般不作为一种基本桥型来发展,只用来作派生的特殊驱动桥。
1.3中央单级、轮边减速驱动桥轮边减速驱动桥由中央一级减速加轮边一级减速组成。
当前轮边减速驱动桥可分为圆锥行星齿轮式轮边减速桥与圆柱行星齿轮式轮边减速桥两类,其主要区别在于轮边行星齿轮结构不同。
这类桥由于存在一级轮边减速,降低了半轴传递的转矩,把增大的转矩直接加到轴头轮边减速器上,而且由于存在轮边减速,其中央桥包尺寸可以减小,保证了车辆的高通过性。
与单级桥相比,其结构复杂,重量大,价格贵,而且轮边减壳存在齿轮传动,长时间行驶会产生大量的热致使轮毂过热,因此作为公路车驱动桥,它不如单级减速桥,轮边减速驱动桥主要应用在工程车及矿用车等非公路车上。
不是所有的卡车后桥都是驱动桥,看完你就懂了!想看差速器⼯作原理的盆友,可在评论出留⾔微信或电话,我可直接推送给你哟!之前是关于车桥的基础知识,重点讲的是差速器,很多维友反映说对于卡车的驱动形式不是很了解还有像4x2、6x2、8x4这些看似简单的数字它们到底代表什么意思呢?今天⼩编就来说说这些事⼉......车桥的四种形式:转向桥、驱动桥、转向驱动桥、随动桥卡车⼀般采⽤前置发动机后轮驱动的形式(即前桥就为转向桥,后桥为驱动桥)◥驱动轮原理转向桥:只起转向作⽤不提供动⼒驱动桥:将发动机输出的动⼒再次减速增扭并改变传递⽅向后,通过差速器将动⼒传递到车轮上驱动卡车前进的车桥转向驱动桥:全轮驱动的卡车,前桥即作为转向桥也作为驱动桥使⽤随动桥:既没有转向功能也没有驱动功能,只是作为⼀个承载桥存在常见的卡车驱动形式有4x2、6x2、8x4等等,“x”号前的数字代表该卡车的车轮总数,“x”号后的数字代表驱动轮轮数。
但是有时我们看到有些卡车是并装双胎的应该咋算呢?按照规定,并装双轮只算⼀个车轮,也就是说,⼀根轴上只算两个轮⼦。
⼩编依次来给⼤家说说4x2驱动形式:就是⼀辆两轴的卡车,总共是4个车轮,后桥的2个车轮承担驱动作⽤6x2驱动形式:像这个形式的三轴车,在国内6x2的有两种常见形式,1>前四后四或者是双导车型这类车型前两桥都为转向桥,后桥为驱动桥。
因其⾃重较6X4的三轴车型轻,能多装⼀些货,在拉煤车上⾮常普遍。
2>带有后提升随动桥的形式该车型前桥为转向桥,中桥为驱动桥,后桥为提升随动桥。
这个类型的车为6X2牵引车,常⽤于⾼速物流。
8X4驱动形式:它的前两桥为转向桥,后两桥为驱动桥,也是后⾯四个车轮同时驱动,这种驱动形式的车型,在路⾯的上曝光率⾮常⾼,相对⼤家也⽐较熟悉。
4x4、6x6或8x8全驱动形式:这类车型的所有车轮全部同时驱动,多数是在油⽥勘探、军队及专⽤车领域,因为他们需要⾯对⼀些⾮常苛刻、恶劣的复杂路况,需要全轮驱动才能满⾜他们的需求。
卡车车桥结构剖析【卡车之家原创】车桥是卡车动力总成的三大核心总成的部件之一,虽然它肩负着动力传输和承受卡车重量以及保持车辆稳定性的重任,却不常被大家所提及,今天我们就扒一扒关于车桥的那些事儿。
● 一个棍儿两个轮儿这就是车桥车桥就是和车身悬挂相连接,并且能在两端安装车轮的桥式结构部件,简单的说就是一根棍儿两个轮儿。
它在卡车上起到承载重量、导向、保证车辆驱动力以及稳定性的作用。
车桥大致又可分为转向桥、驱动桥、转向驱动桥和随动桥四种形式。
卡车一般采用前置发动机后轮驱动的形式,所以,一般前桥就为转向桥,后桥为驱动桥;当然,全轮驱动的卡车,前桥即作为转向桥也作为驱动桥使用,这就是转向驱动桥;而随动桥大家常见的形式就是6X2驱动形式中,带有提升功能的车桥,它既没有转向功能也没有驱动功能,只是作为一个承载桥存在,这就是随动桥。
● 转向桥和驱动桥都是啥意思1:转向桥转向桥顾名思义,就是起到转向作用的车桥,主要由桥梁、转向节、主销、轮毂及制动器组成。
转向桥的桥梁在卡车上常见的为实心锻钢工字形式,也有空心管式桥梁的结构,一般用在轻卡上,例如BJ130的转向桥。
转向部分由主销与转向节铰接,安装在桥梁的两端,制动器和轮毂则安装在转向节上,通过梯形机构链接两边的转向节,完成转向过程。
2:驱动桥驱动桥就是将发动机输出的动力再次减速增扭并改变传递方向后,通过差速器将动力传递到车轮上驱动卡车前进的车桥,它主要由桥壳、主减速器及差速器、轮毂、半轴和制动器构成。
3:转向驱动桥转向驱动桥顾名思义,就是既有驱动作用又有转向作用的车桥,一般用在专用车、军车及一些在恶劣路况下行驶的卡车上,它和普通驱动桥的在结构上基本差不多,但在半轴部分增加了2个万向节,以解决即驱动也要转向的问题。
● 驱动桥的结构它是怎么驱动卡车的1:桥壳桥壳作为承载重量及各部件的安装载体,可谓劳苦功高。
桥壳的按制造工艺分为,冲焊、铸造及组合式桥壳。
铸造式整体桥壳因其刚度大、变形量小及成本低等优点而被大范围使用,它分为整体铸造式和中段铸造压入钢管式,我们熟知的EQ140的车桥就是中段铸造式的。
重卡车桥作为重卡4大总成(驾驶室、发动机、变速器、车桥)之一,其行业和技术发展水平在一定程度上关乎着重卡行业的发展。
重卡车桥行业的发展目前国内重卡车桥生产企业主要有中国重汽桥箱厂、汉德车桥公司、一汽车桥公司、东风德纳车桥公司、北方奔驰车桥厂、重庆红岩车桥厂。
根据桥的结构形式,可以分为整体式和断开式两种整体式桥壳因强度和刚度性能好,便于主减速器的安装、调整和维修,而得到广泛应用。
整体式桥壳因制造方法不同,可分为整体铸造式、中段铸造压入钢管式和钢板冲压焊接式等。
后驱车型一般有单轮驱动和双轮驱动两种形式。
要是增大后桥速比,单级主减速桥就需要更大的盆齿,卡车的离地间隙变小,通过性较差。
而轮边减速器则很好的解决了这对矛盾,在车轮半轴轴头和车轮之间再加装一个减速齿轮,主减速器盆齿直径减小,车桥升高了,通过性提高,能适应各种复杂路况。
但是,轮减桥因为结构更复杂,导致其自重大,机械效率低,能量损耗大,较费油,同时发热量大使轮端温度高,容易发生爆胎。
选择后桥应根据具体的运输需要:单减桥适合公路运输,传动效率高,并能减少油耗。
而轮减桥适合路况不好的车辆选用,轮减桥可以提高通过性,并输出较大的扭矩。
单级主减速器由一对减速齿轮实现减速的装置,称为单级减速器。
其结构简单,重量轻。
2)双级主减速器对一些载重较大的载重汽车,要求较大的减速比,用单级主减速器传动,则从动齿轮的直径就必须增大,会影响驱动桥的离地间隙,所以采用两次减速,通常称为双级减速器。
双级减速器有两组减速齿轮,实现两次减速增扭。
轮边减速器一般来说,采用轮边减速器是为了提高汽车的驱动力,以满足或修正整个传动系统驱动力的匹配。
目前采用的轮边减速器,就是为满足整个传动系统匹配的需要,而增加的一套降速增扭的齿轮传动装置。
驱动桥桥壳按照制造工艺分为冲焊桥壳、铸造(铸铁、铸钢)桥壳。
铸造桥壳具有刚度大,变形小,成本低等优点,但是制造周期长、工艺复杂,效率较低。
冲焊桥壳具有外观好、重量轻、清洁度高、故障率低等优点,冲焊技术正在逐步替代铸造技术。
重卡车桥分类及特点重卡车桥是指重型商用车辆(如货车、卡车、挂车等)的桥梁系统,用于支撑和传输车辆的重量和动力。
根据不同的使用需求和技术特点,重卡车桥可以分为前驱桥、后驱桥和驱动桥。
1.前驱桥:前驱桥是指驱动力传输到前轮的车桥系统,广泛应用于前驱货车和公交车等。
前驱桥的特点是相对简单,结构紧凑,安装在车辆结构前部,可以提供较高的牵引力和良好的操控性能。
此外,在重型商用车辆中,前驱桥通常具有可调节的空气悬挂系统,可以根据路况和负载自动调节悬挂高度,以增加车辆通过性和稳定性。
2.后驱桥:后驱桥是指驱动力传输到后轮的车桥系统,主要应用于后驱货机、油罐车、大型挂车以及部分越野车辆。
与前驱桥相比,后驱桥可以提供更高的承载能力和较好的抗扭性能。
后驱桥通常由差速器、主差速器、半轴和主减速器等部件组成。
另外,后驱桥还可以配备制动装置,以增加车辆的制动力和安全性。
3.驱动桥:驱动桥是指安装在车辆桥梁系统上,能够传输驱动力到车轮的车桥系统。
通常,驱动桥由驱动轴、主减速器、差速器等组成。
根据不同的设计和布局方式,驱动桥可以分为单桥、双桥和多桥等类型。
单桥驱动系统适用于小型货车和客车,双桥驱动系统适用于重型货车和客车,而多桥驱动系统通常应用于特殊用途车辆,如越野车和军用车辆。
除了以上三种基本的重卡车桥类型,还有一些特殊的重卡车桥类型,如推进桥、转向桥、悬架桥等。
推进桥是一种可在曲线道路上进行旋转或平行行驶的重卡车桥,适用于一些需要便捷操控行驶的工程车辆;转向桥是一种可以对轮胎方向进行调整的车桥系统,提供更高的操控行驶性能;悬架桥是指具备独立悬挂系统的车桥,可以提供更好的行驶平稳性和通过性。
总之,重卡车桥是重型商用车辆的重要组成部分,不同类型的重卡车桥具有不同的特点和应用范围。
通过了解和选择合适的车桥类型,可以提高车辆的承载能力、行驶稳定性和操控性能,进而提升车辆的运输效率和安全性。
自卸车驱动形式介绍!
常听一些司机朋友说到自卸车的驱动,商用车的驱动看似简简单单的几个字或者几个数字,可很多人还是搞不清楚,今天就简简单单的为大家介绍一下。
卡车常见的驱动形式有4x2、6x2、6x4、8x4等,“x”前的数字表示车辆车轮总数,“x”后面的数字表示驱动轮数,并装双轮算一个轮子,一根车轴也就按两个轮子算。
把两个数字各除以2,就是汽车轴数与驱动轴轴数,如8x4指该车共有4轴,其中两轴是驱动轴。
4x2驱动形式4x2:双轴车,前面第一桥为导向桥,后桥为驱动桥。
6x2驱动形式6x2:三轴车,一般分为两种情况,一种是前桥为导向桥,二桥为悬浮桥,三桥为驱动桥。
另外一种为,前桥为导向桥,二桥为随动导向桥,三桥为驱动桥。
国内现在常见的是双前桥设计6x2驱动形式,而国外较多采用后悬浮桥设计
6x4驱动形式6x4:三轴车,前桥为导向桥,后两桥为驱动桥
8x4驱动形式8x4:四轴车,前桥为导向桥,二桥为随动导向桥,后双桥为驱动桥
上面说的几种驱动形式是在普通路面上形式的,对于恶劣复杂路况,货车也有着全驱车型,全驱车驱动形式包括:4x4、6x6、8x8,计算方法与上述方法一致。
6x6军用卡车
全驱车多用于军用车辆和特种车辆,普通民用车辆中则比较少见。
汽车双桥的原理汽车双桥是指汽车的驱动轴有两个,分别连接车辆的两个车轮。
与单桥相比,双桥系统能够提供更大的牵引力和承载能力,适用于各种复杂的道路条件和工况。
双桥的工作原理主要包括驱动力传递、转向控制和悬挂系统。
1. 驱动力传递双桥系统通过驱动轴将发动机的动力传递到车轮上,实现车辆的前进。
一般情况下,发动机的动力通过传动系统(如传动轴、变速器等)传递到后桥的驱动轴上,再通过差速器将动力传递到左右两个车轮。
通过双桥系统,车轮能够同时受到动力的驱动,从而提供更大的牵引力,使车辆能够在复杂的路况下行驶。
2. 转向控制双桥系统中的转向控制主要通过前桥实现。
前桥负责转向和悬挂系统的支撑,通过转向机构将方向盘的操纵转化为前轮的转向角度,从而实现车辆的转向。
与后桥相比,前桥的承载能力要小一些,因为它主要负责转向和悬挂系统的工作,不需要承受较大的牵引力。
3. 悬挂系统双桥系统的悬挂系统主要用于减震和支撑车身。
在双桥系统中,前桥和后桥都需要配备悬挂系统,以保证车轮与地面的接触性和车身的稳定性。
悬挂系统一般由弹簧和减震器组成,通过减震器的作用来吸收车轮与地面之间的冲击力,从而提高车辆的行驶舒适性和稳定性。
双桥系统的优势在于能够提供更大的牵引力和承载能力,适用于需要较大动力输出和负载的场合。
例如,越野车、工程车和货车等常常采用双桥系统,以满足其特殊的工作需求。
双桥系统还可以根据不同的需求进行调整和优化,以适应不同的路况和工况。
汽车双桥系统通过驱动力传递、转向控制和悬挂系统的协同作用,实现了车辆的正常行驶和操控。
通过双桥系统,车辆能够具备更大的牵引力和承载能力,适应各种复杂的道路条件和工况,提高了车辆的性能和可靠性。
重型汽车驱动桥的基本结构及发展方向[摘要]全面阐述了重型汽车驱动桥的基本结构及发展趋势。
[关键词]重型汽车;驱动桥;趋势1.重型汽车驱动桥的基本结构驱动桥是重型汽车的重要标志之一,其基本结构有以下三种1.1中央单级减速驱动桥是驱动桥结构中最为简单的一种,是驱动桥的基本形式,在载重汽车中占主导地位。
一般在主传动比小于6的情况下,应尽量采用中央单级减速驱动桥。
目前的中央单级减速器趋于采用双曲线螺旋伞齿轮。
主动小齿轮采用骑马式支承,有差速锁装置供选用。
1.2中央双级驱动桥在国内目前的市场上,中央双级驱动桥主要有2种类型:一类如伊顿系列产品,事先就在单级减速器中预留好空间,当要求增大牵引力与速比时,可装人圆柱行星齿轮减速机构,将原中央单级改成中央双级驱动桥。
这种改制“三化”程度高,桥壳、主减速器等均可通用,盆齿轮直径不变;另一类如洛克威尔系列产品,当要增大牵引力与速比时,需要改制第一级伞齿轮后,再装入第二级圆柱直齿轮或斜齿轮,变成要求的中央双级驱动桥这时桥壳可通用,主减速器不通用,盆齿轮有2个规格。
由于上述中央双级减速桥均是在中央单级桥的速比超出一定数值或牵引总质量较大时,作为系列产品而派生出来的一种型号,它们很难变型为前驱动桥,使用受到一定限制;因此,综合来说,双级减速桥一般均不作为一种基本型驱动桥来发展,而是作为某一特殊考虑而派生出来的驱动桥存在。
1.3中央单级、轮边减速驱动桥轮边减速驱动桥较为广泛地用于油田、建筑工地、矿山等非公路车与军用车上。
当前轮边减速桥可分为2类:一类为圆锥行星齿轮式轮边减速桥,沃尔沃、雷诺等都采用此类车桥;另一类为圆柱行星齿轮式轮边减速驱动桥,奔驰、斯堪尼亚、中国重汽、重庆重汽等都采用此类车桥。
1.3.1圆锥行星齿轮式轮边减速桥由圆锥行星齿轮式传动构成的轮边减速器,轮边减速比为固定值2,它一般均与中央单级桥组成为一系列。
在该系列中,中央单级桥仍具有独立性,可单独使用,需要增大桥的输出转矩,使牵引力增大或速比增大时,可不改变中央主减速器而在两轴端加上圆锥行星齿轮式减速器即可变成双级桥。
简谈重汽斯太尔驱动桥速比近来有客户反映在销售维修重汽车桥配件时,对于不同速比的配件有点犯糊涂的情况,我在此对目前比较常见的驱动桥速比判定作下比较浅显的总结,以供大家参考。
目前来讲重汽系列重型车的驱动桥总体上分成两种类型—单级减速桥和双级减速桥。
单级减速桥采用中央单级双曲线齿轮减速,判定方法比较简单,在这不做祥述。
双级减速驱动桥是由中央一级减速和轮边减速器共同组成,这种桥总成的速比(也就是我们常说的中后桥中段的速比)是中央一级减速速比与轮边减速速比的乘积。
斯太尔驱动桥轮边减速速比为3.478(09款经济型为3.10,目前还很少),由于这个固定速比所以我们改变中央减速器的速比即得到相应不同速比的驱动桥总成,这也正是为什么平常多称中段速比为桥总成速比的原因所在。
下面分中驱动桥和后驱动桥分别介绍下速比情况。
1、后驱动桥(单桥车)根据车辆用途的不同,目前最常见的速比有6.72、5.73、4.8、4.42四种。
上边已经说到这个速比是中央一级减速比与轮边减速速比(3.478)的乘积,而后桥或单桥车是通过后桥盆齿和角齿在调速比,所以改变不同速比的后桥盆角齿既可得到不同的速比值。
后桥盆角齿有值得提出的是不同速比的后桥中段所匹配的轮间差速器壳也不一样,4.8速和4.42速与0503差壳相配,5.73速和6.72速与0198相匹配。
因车辆的适用领域的不同,所选用的驱动桥速比各异,所以在维修或者销售后桥配件中要针对不同的车更换与之相同齿数的盆角齿和相同型号的差速器壳。
2、中驱动桥(双桥车)与后桥(单桥)不同之处是,中桥除了盆角齿调速外还增加了过渡箱圆柱齿轮调速,因此要改变不同的盆角齿和匹配不同的过桥箱齿轮来得到不同的速比值,这个速比值是盆角齿的速比乘上过桥箱齿轮的速比再与轮边减速比的总乘积。
中桥盆角齿有29/15、28/17两种,过桥箱齿轮有136/137、208/209、001/002三种可以组成三种速比1、0.839和0.771,具体注:得数1*得数2=得数3中驱动桥关键是判准过渡箱圆柱齿轮(主被动齿轮齿数)和中桥盆角齿的齿数,来确定中段速比。
后桥驱动的工作原理今天咱就来好好唠唠后桥驱动这事儿。
你看啊,汽车这玩意儿可神奇了,后桥驱动就像是汽车动力传输的一个超酷的魔法。
你想啊,汽车发动机在前面“吭哧吭哧”地工作,就像一个精力充沛的大力士。
这发动机产生的动力呢,不能就光在前面自己热闹呀,得想办法让车子跑起来不是。
这时候,就轮到传动系统出场啦。
对于后桥驱动的车呢,发动机的动力会通过长长的传动轴往后桥那边送过去。
这传动轴就像是一个快递员小哥,驮着动力这个超级包裹,一路向后桥狂奔。
那后桥是个啥呢?简单说,就是汽车后面的那个桥啦。
后桥里面可有不少小秘密呢。
里面有差速器这个聪明的小玩意儿。
你可以把差速器想象成一个超级公正的裁判。
为啥这么说呢?你看啊,当汽车转弯的时候,左右两个后轮走过的路程是不一样的。
要是没有差速器,两个轮子就得较着劲,那车子还不得扭得像个麻花似的。
但是有了差速器就不一样啦,差速器就会很机灵地分配动力,让外侧的轮子转得快一点,内侧的轮子转得慢一点,这样车子就能顺顺当当转弯啦。
再说说后桥驱动的那些优点吧。
这后桥驱动的车可霸气了呢。
它的抓地力特别好。
就好比是一个人走路,脚稳稳地踩在地上。
因为后轮负责驱动,它能把发动机的动力很好地转化成推动车子前进的力量,在一些路况不太好的地方,比如说泥泞的小路或者是有小石子的路面,后桥驱动的车就像是一个勇敢的战士,“哼哧哼哧”地就冲过去了。
而且啊,这种驱动方式对于那些需要拉重物或者拖拽东西的车来说,简直就是绝配。
它能很轻松地把重物拉动,就像大力水手吃了菠菜一样有力气。
不过呢,后桥驱动也有它的小烦恼。
它的结构相对复杂一些,就像一个精密的小机器,要是哪个小零件出了问题,维修起来可能就有点小麻烦啦。
而且啊,因为有传动轴这些东西,车子里面的空间可能会被占去一点,不像有些前桥驱动的车那么宽敞。
你要是去看那些大卡车或者是一些硬派的越野车,很多都是后桥驱动的。
大卡车要拉那么多货物,要是没有强大的后桥驱动,那可就惨咯,估计在路上只能干瞪眼。
后八轮双桥工作原理
后八轮双桥是指车辆的后轴有两个驱动桥,每个驱动桥上有四个车轮,共计八个车轮。
这种车辆通常用于重载运输,如挖掘机、大型货车等。
后八轮双桥工作原理是这样的:发动机带动变速器,变速器再带动传动轴,传动轴把动力传递给后桥的差速器。
差速器的作用是让两个驱动桥上的车轮以不同的转速运转,从而使车辆转弯时不会出现滑移现象。
在后桥的驱动桥上,装有两个差速锁。
差速锁的作用是使两个驱动桥上车轮的转速保持一致,以提高牵引力和行驶稳定性。
当差速锁关闭时,两个驱动桥上的车轮转速一致,可以轻松通过泥泞、陡坡等复杂路况。
此外,在后桥的驱动桥上,还配备了制动器、减速器等重要部件,以确保车辆的行驶安全。
在制动器的作用下,车辆可以快速减速甚至停车;而减速器则可以降低车速,以适应不同路况。
总之,后八轮双桥的工作原理十分复杂,需要各个部件的协调运作才能发挥其优异的性能。
- 1 -。
小编发现很多网友对车桥驱动问题存在一定误区,其中不少人纠结于8x4、6x4这些双联动桥中中桥是否为驱动桥。
对于中桥驱动的问题看似非常复杂,但是只要细心观察就会发现这很简单,从下文当中大家不妨分析一下,解决双联动桥驱动问题的答案。
●从中桥过渡箱入手双后桥都驱动
后双桥的驱动问题一直困扰众多卡友
在论坛里搜索“后桥驱动”后,便会发现大量有关于车辆中后桥的驱动问题,譬如某网友说“8x4等双桥驱动的车子无非就是增加了一个驱动桥而已,多了一个承载车子重量的车桥,中桥只是作为一个随动桥承载车辆的重量而已,这种单桥驱动是为了省油而设置的。
”经过调查后小编发现大多数问题类似于这样。
归根结底双联动驱动桥与单驱动桥最大的区别在于是否存在“中桥过渡箱的结构”。
如果只驱动后轴的话,那么发动机输出轴直接与贯通轴刚性连接,输入轴并没有结合过渡箱齿轮组。
图上输入轴下方存在的大鼓包就是“中桥过渡箱”
而如果是双联动驱动桥,中后轴同时驱动,那么中桥过渡箱中必有连接中桥的齿轮组,在底盘外观上就会有额外鼓起的“大鼓包"。
后桥相比中桥要结构简单,并不配备桥间差速器
双联动桥存在的“桥间差速器”,其主要功能是在行驶时让中桥和后桥间起差速作用。
对于带桥间差速锁的双联动桥来说,差速锁关闭时,差速器十字轴行星齿轮与两个半轴轮啮合,在高低不平路面起差速作用,此时中桥与后桥是同时驱动的;当闭合差速锁后,通过拨叉将结合套绑定,促使车辆的中后轴刚性连接,从而达到中后桥输入扭矩相同的目的。
因为没有中桥过渡箱以及桥间差速器,所以后桥结构相对单一
另外“桥间差速器”与“桥间差速锁”的存在只改变中后桥间速度与传动扭矩的分配方式,不影响双联动桥驱动的本质。
故这两种机构对于后双联动桥在运动的形式只起到辅助作用。
●编后语
对于中桥驱动这块问题相信还有不少卡友正在犯晕,但是通过今天这个最简单的方法,也许大家今后都能识别后桥的驱动方式,对于咱们卡友来说与其深究各种原理,不如更快捷掌握实际应用,这样可以更直观进行实践操作。