20122013过程控制系统课程设计题目和要求自动化.doc
- 格式:doc
- 大小:251.00 KB
- 文档页数:7
自动化控制原理课程设计一、课程目标知识目标:1. 让学生理解自动化控制的基本原理,掌握控制系统的数学模型、传递函数及状态空间表示。
2. 使学生掌握经典控制理论和现代控制理论的基本概念,了解其应用范围。
3. 引导学生分析控制系统的稳定性、快速性和准确性,并能运用相应的方法进行性能评估。
技能目标:1. 培养学生运用数学软件(如MATLAB)进行控制系统的建模、仿真和性能分析的能力。
2. 让学生学会设计简单的自动控制回路,并能对实际控制系统进行调试和优化。
3. 提高学生解决实际工程问题的能力,培养团队协作和沟通技巧。
情感态度价值观目标:1. 培养学生对自动化控制技术的兴趣和热情,激发他们探索未知、勇于创新的科学精神。
2. 引导学生关注自动化控制技术在工业、农业、医疗等领域的应用,增强社会责任感和使命感。
3. 培养学生严谨、踏实的学术态度,养成积极思考、主动学习的良好习惯。
本课程针对高年级本科或研究生,注重理论联系实际,提高学生的动手能力和创新能力。
课程性质为专业核心课,教学内容紧密结合课本知识,以实例分析、实验操作等方式激发学生的学习兴趣,培养他们成为具备实际工程能力的优秀人才。
通过本课程的学习,学生将能够掌握自动化控制原理的基础知识,具备一定的控制系统分析和设计能力,为未来从事相关领域工作打下坚实基础。
二、教学内容本课程教学内容主要包括以下几部分:1. 自动化控制基本原理:介绍自动控制的基本概念、分类及发展历程,分析控制系统的基本环节,包括被控对象、控制器、执行机构和反馈环节。
2. 控制系统的数学模型:讲解控制系统的微分方程、差分方程、传递函数及状态空间表示,并通过实例进行分析。
3. 经典控制理论:介绍PID控制、根轨迹、频率响应、稳定性分析等方法,结合实际案例进行讲解。
4. 现代控制理论:讲解状态空间分析、最优控制、鲁棒控制等理论,以及其在实际控制系统中的应用。
5. 控制系统仿真与性能分析:运用MATLAB等软件,对控制系统进行建模、仿真和性能分析。
过程控制系统课程设计专业:自动化设计题目:单容水箱液位控制系统设计班级:学生姓名:学号:指导教师:雷霞分院院长:许建平教研室主任:方健电气工程学院一、课程设计任务书1.设计内容针对某厂的液位控制过程与要求实现模拟控制,其工艺过程如下:用泵作为原动力,把水从低液位池抽到高液位池,实现对高液位池液位高度的自动控制。
具体设计内容是利用西门子S7-200PLC作为控制器,实现对单容水箱液位高度的定值控制,同时利用MCGS组态软件建立单容水箱液位控制系统的监控界面,实现实时监控的目的。
2.设计要求1、以RTGK-2型过程控制实验装置中的单个水箱作为被控对象、PLC作为控制器、静压式压力表作为检测元件、电动调节阀作为执行器构成一个单容水箱单闭环控制系统,实现对水箱液位的恒值控制。
2、PLC控制器采用PID算法,各项控制性能满足要求:超调量20%,稳态误差≤±0.1;调节时间ts≤60s;3、组态测控界面上,实时设定并显示液位给定值、测量值及控制器输出值;实时显示液位给定值实时曲线、液位测量值实时曲线和PID输出值实时曲线;4、选择合适的整定方法确定PID参数,并能在组态测控界面上实时改变PID参数;5、通过S7-200PLC编程软件Step7实现PLC程序设计与调试;6、分析系统基本控制特性,并得出相应的结论;7、设计完成后,提交打印设计报告。
3.参考资料[1]邵裕森,戴先中主编.过程控制工程(第2版).北京:机械工业出版社.2003[2]崔亚嵩主编.过程控制实验指导书(校内)[3]廖常初主编.PLC编程及应用(第2版).北京:机械工业出版社.2007[4]吴作明主编.工业组态软件与PLC应用技术.北京:北京航空航天大学出版社.20074.设计进度(2010年12月27日至2011年1月9日)时间设计内容2010年12月27日布置设计任务、查阅资料、进行硬件系统设计2010年12月28日~2010年12月29日编制PLC控制程序,并上机调试;2010年12月30日~2010年12月31日利用MCGS组态软件建立该系统的工程文件2011年1月2日~2011年1月4日进行MCGS与PLC的连接与调试进行PID参数整定2011年1月5日~2011年1月6日系统运行调试,实现单容水箱液体定值控制2011年1月7日~写设计报告书2011年1月9日5.设计时间及地点设计时间:周一~周五,上午:8:00~11:00下午:1:00~4:00 设计地点:新实验楼,过程控制实验室(310)电气工程学院机房(320)二、评语及成绩设计成绩:指导教师:过程控制系统课程设计报告班级:姓名:学号:指导教师:撰写日期:目录第一章课程设计内容与要求分析 (1)1.1课程设计内容 (1)1.2课程设计要求分析 (1)1.2.1系统单元电路组成 (1)第二章 Protel原理图绘制 (4)过程控制系统课程设计总结 (7)参考文献 (8)附录 (8)注意:目录内容根据所作设计自行编排,但格式如上所示.注意:页码右对齐,使用超级链接,连接章节使用超级链接,连接章节的方法:1步:选择大纲视图2步:选择目录等级3步:定义标题2为2级目录4步:定义标题3为3级目录后以此类推。
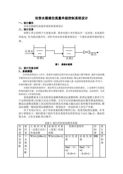
双容水箱液位流量串级控制系统设计一、设计题目双容水箱液位流量串级控制系统设计二、设计任务如图1所示的两个大容量水箱。
要求水箱2水位稳定在一定高度,水流量经常波动,作为扰动量存在。
试针对该双容水箱系统设计一个液位流量串级控制方案。
图1 系统示意图三、设计任务分析1、系统模型在控制系统设计工作中,需要针对被控过程中的合适对象建立数学模型。
被控对象的数学模型是设计过程控制系统、确定控制方案、分析质量指标、整定调节器参数等的重要依据。
被控对象的数学模型(动态特性)是指过程在各输入量(包括控制量和扰动量)作用下,其相应输出量(被控量)变化函数关系的数学表达式。
在液位串级控制系统中,我们所关心的是如何控制好水箱的液位。
上水箱和下水箱是系统的被控对象,必须通过测定和计算他们模型,来分析系统的稳态性能、动态特性,为其他的设计工作提供依据。
系统建模基本方法有机理法建模和测试法建模两种,机理法建模主要用于生产过程的机理已经被人们充分掌握,并且可以比较确切的加以数学描述的情况;测试法建模是根据工业过程的实际情况对其输入输出进行某些数学处理得到,测试法建模一般较机理法建模简单,特别是在一些高阶的工业生产对象。
对于本设计而言,由于双容水箱的数学模型已知,故采用机理法建模。
在考虑干扰情况下,我们假设干扰信号是在系统单位阶跃给定下运行10s后,施加均值为0、方差为0.01的白噪声。
为保持水箱2液位的稳定,设计中采用闭环系统,将水箱2液位信号经水位检测器送至控制器(PID),控制器将实际水位与设定值相比较,产生输出信号作用于执行器(控制阀),从而改变流量调节水位。
当对象是单水箱时,通过不断调整PID参数,单闭环控制系统理论上可以达到比较好的效果,系统也将有较好的抗干扰能力。
该设计对象属于双水箱系统,整个对象控制通道相对较长,如果采用单闭环控制系统,当水箱2有干扰时,此干扰经过控制通路传递到水箱2,会有很大的延迟,进而是控制器响应滞后,影响控制效果,在实际生产中,如果干扰频繁出现,无论如何调整PID参数,都将无法得到满意的效果。
*****大学《过程控制系统》课程设计文件设计小组名称:设计小组班级:设计小组成员:2016年6月20日一、方案设计依据、范围及相关标准设计依据一个典型的化工生产过程大致有三个组成部分:(1)原料预处理(2)化学反应(3)产物分离很显然,化学反应是化工生产过程的核心,化学反应器是化工生产装置中的关键设备。
反应器各部分控制的选择、设计与操作,涉及如何在工业规模上实现反应过程,以及最有效地把化工原料转化为尽可能多的目的产品,实现经济效益,以满足国民经济需要。
设计范围本设计包括:1、系统分析(包括控制需求分析、对象特性分析、工艺流程分析、系统安全要求等)2、基础控制系统及开车顺序控制系统的设计(包括控制回路、控制算法、被控变量、操纵变量、控制规律、阀门特性、顺序逻辑、安全保障等功能设计)3、安全系统的设计(包括声光报警、安全联锁、紧急停车、安全仪表等功能设计)4、绿色生产、节能减排降耗方面的考虑设计遵循的标准及规范HG/T20505-2000《过程测量和控制仪表的功能标志及图形符号》GB/T21109-2007《过程工业领域安全仪表系统的功能安全》HG20505-2000《过程检测和控制系统用文字代号和图形符号》HG20559-1993《管道仪表流程图设计规定》GB/Z18718-2002《热处理节能技术导则》GB12241-89《安全阀一般要求》HG/T20511-2014《信号报警及联锁系统设计规范》二、系统分析(包括控制需求分析、对象特性分析、工艺流程分析、系统安全要求等)一、需求分析1、进料流量及比例控制反应器共有两股连续进料。
要求选手设计控制系统克服每股进料的流量扰动。
同时,需要保证两股物料以一定比例进料。
2、反应器液位控制要求选手设计液位控制系统,保证液位处于80%,以获得较大的反应停留时间,保证反应充分进行。
3、反应器压力安全控制为保证反应安全,需要对压力进行安全控制系统的设计。
4、反应器组份控制为得到一定的转化率的产品,要求选手对反应器最终产物的组份进行控制。
1.课程设计目的随着科学技术的发展,现代过程工业规模加大,复杂程度变高,对产品的质量要求更加严格,以及相应的系统安全问题,管理与控制一体化问题等,越来越突出,因此想要满足这些要求,解决这些问题,是不能仅仅只依靠简单的控制系统的,故引入更为复杂、更为先进的控制系统是十分必要的。
由于采用复杂控制系统的装置或对象都是工厂中的重要装置或关键岗位,因此需要予以特别的重视。
串级控制系统是所有复杂控制系统中应用最多的一种,当要求被控变量的误差范围很小,简单控制系统不能满足要求时,可考虑采用串级控制系统。
组态王开发监控系统软件是新型的工业自动控制系统正以标准的工业计算机软、硬件平台构成的集成系统取代传统的封闭式系统,它具有适应性强、开放性好、易于扩展、经济、开发周期短等优点。
它不但实现对现场的实时监测与控制,且在自动控制系统中完成上传下达、组态开发的重要作用;能实现实时现场监控,能充分利用Windows的图形编辑功能,方便地构成监控画面,并以动画方式显示控制设备的状态,具有报警窗口、实时趋势曲线等,可便利的生成各种报表;它还具有丰富的设备驱动程序和灵活的组态方式、数据链接功能。
应用组态技术,是现代工业控制的必然趋势。
本课题的意义在于对组态王软件的学习和应用组态王软件进行开发设计,尤其是对串级控制系统的开发设计。
学会应用组态王软件开发串级压力监控系统:设计监控界面,设定参数变量,进行动画连接,实现历史曲线、实时曲线的显示与监控等。
2.课程设计题目描述和要求2.1课程设计主要内容:(1)理解DCS控制系统与组态软件(2)理解组态软件的功能及其结构(3)收集国内外常用工业组态软件的资料(4)着重学习并应用“组态王”工业组态软件(5)设计反应车间的计算机监控系统(6)撰写课程设计报告2.2设计需要实现功能(1)总貌流程图实时动态显示(2)实时数据报表显示、打印(3)历史数据报表存储与查询(4)实时趋势曲线显示(5)事件报警窗口显示(6)系统用户登录与权限配置3.课程设计报告内容3.1 组态王的介绍3.1.1 组态王软件的结构“组态王”采用了多线程、COM组件等新技术,实现了实时多任务,软件运行稳定可靠,是全中文界面的组态软件。
成绩课程设计报告设计题目锅炉液位控制课程名称过程控制系统姓名刘颖莹学号2009001115班级自动化0902 导师何小刚设计日期2013年1月15日《过程控制系统》课程设计报告锅炉液位控制系统摘要在深入理解已学的有关过程控制和DCS系统的基本概念、组成结构、工作原理、系统设计方法、系统设计原则的基础上,结合实际,根据工艺过程、工艺条件和工艺要求,制定正确的控制方案。
以过程控制实验室的“EFPT过程控制实验装置”为被控对象、“SUPCON JX-300 DCS”为控制装置,构成一个闭环系统,列写出“EFPT过程控制实验装置”阀门状态表,画出被控对象工艺流程图。
设计被控对象特性组态和控制系统一次仪表选型设计,控制系统测控点和控制回路设计,DCS的硬件配置和I/O点配置设计等。
设计用以VC2作出水量执行器的锅炉液位L2定值调节、以自来水作水源VC1作执行器的串联式压力定值调节以及以锅炉液位L2串级出水流量F2调节的控制系统。
关键词:EFPT过程控制;SUPCON JX-300 DCS;工艺流程图;锅炉液位;锅炉液位控制系统《过程控制系统》课程设计报告目录摘要 (I)第1章DCS系统设计的目的和任务 (1)1.1 设计目的 (1)1.2设计任务 (1)第2章设计的主要内容与要求 (2)2.1 主要设计内容 (2)2.2 设计基本要求 (2)第3章设备选型 (4)3.1“EFPT过程控制实验装置”阀门状态表 (4)3.2一次仪表选型表 (6)第4章系统设计 (8)4.1 系统流程图 (8)4.2 控制系统一次仪表和DCS I/O点接线图 (9)4.3 DCS卡件配置图 (9)4.4 DCS系统(控制站卡件)地址配置表; (11)4.5 DCS I/O点位号、注释、量程、单位、报警限及配电设置表 (12)4.5.1模拟量输出 (13)4.5.2常规控制方案 (13)4.5.3信号板上与控制对象连接的现场仪表信号 (13)4.6系统控制框图 (14)4.7控制回路设计 (16)4.7.1水箱液位L2定值调节之一(VC1作出水量执行器)的流程图 (16)4.7.2压力P2定值调节之五(用水泵作水源、变频器作执行器的串联式压力调节)的流程图 (16)4.7.3锅炉液位L2调节之一串级进水流量F1调节的流程图 (17)总结 18参考文献 (19)总管图 (20)《过程控制系统》课程设计报告第1章DCS系统设计的目的和任务1.1 设计目的在深入理解已学的有关过程控制和DCS系统的基本概念、组成结构、工作原理、系统设计方法、系统设计原则的基础上,结合联系实际的课程设计题目,使学生熟悉和掌握DCS控制系统的设计和调试方法,初步掌握控制系统的工程性设计步骤,进一步增强解决实际工程问题的能力。
过程控制系统课程设计题目和要求自动化1102过程控制系统是自动化专业的一门重要课程,旨在培养学生对工业过程自动化控制的理论知识和实践能力。
在学习这门课程的过程中,学生需要完成一些课程设计题目,以检验对知识的掌握和应用能力。
本文将分享一些关于过程控制系统课程设计题目和要求的内容。
一、概述在过程控制系统课程设计中,学生需要完成一系列的实践任务,以应用所学知识解决实际问题。
这些任务通常结合了实验室实践和实际案例分析,旨在培养学生的实践能力和创新思维。
二、基本要求1. 深入理解过程控制系统的原理和方法,掌握控制系统的建模、分析和设计技术。
2. 熟悉常见的传感器、执行器和控制器,并能正确选择和使用它们。
3. 掌握过程控制系统的调试和优化技术,能够解决控制过程中的常见问题。
4. 具备团队合作和沟通能力,能够与他人合作完成复杂的课程设计任务。
三、课程设计题目举例1. 温度控制系统设计要求:设计一个温度控制系统,能够实时监测和调节给定温度和实际温度之间的误差。
使用合适的传感器和执行器进行温度测量和调节,并采用合适的控制算法实现闭环控制。
2. 液位控制系统设计要求:设计一个液位控制系统,能够稳定控制液位在给定范围内波动。
选用合适的传感器和执行器进行液位测量和调节,采用适当的控制策略实现对液位的控制。
3. 压力控制系统设计要求:设计一个压力控制系统,能够实时监测和调节给定压力和实际压力之间的误差。
选用合适的传感器和执行器进行压力测量和调节,并采用适当的控制算法实现对压力的控制。
4. 流量控制系统设计要求:设计一个流量控制系统,能够实时监测和调节给定流量和实际流量之间的误差。
使用合适的传感器和执行器进行流量测量和调节,并采用合适的控制算法实现对流量的控制。
四、课程设计流程1. 确定课程设计题目,并与指导教师进行讨论和确认。
2. 进行课程设计的理论准备,包括相关的知识学习和文献阅读。
3. 进行实验室实践,完成所设计的过程控制系统的搭建和调试工作。
过程控制系统课程设计报告书学院:信息工程专业班级:自动化0802课设小组:第四小组组员姓名:万民光孙敏田雷王璐宏危湖贵组员学号:********** ********** ********** ********** ********** 日期:2012年1月09日目录摘要 (1)第一章课程设计任务及说明 (2)1.1课程设计题目 (2)1.2 课程设计内容 (3)1.2.1 设计前期工作 (3)1.2.2 设计工作 (3)第二章被控对象动态分析 (5)2.1水箱液位定制控制系统 (5)2.2压力定制控制系统 (5)2.3串级控制系统 (5)第三章压力P2 定值调节 (7)3.1 压力定值控制系统原理图 (7)3.2 压力定值控制系统工艺流程图 (7)第四章水箱液位L1定值调节 (8)4.1 水箱液位控制系统原理图 (8)4.2 水箱液位控制系统工艺流程图 (8)第五章锅炉流动水温度T1调节串级出水流量F2调节的流程图 (9)5.1串级控制系统原理图 (9)5.2串级控制系统工艺流程图 (10)第六章控制仪表的选型 (11)6.1 仪表选型表 (11)6.2现场仪表说明 (12)6.3 DCS I/O点位号、注释、量程、单位、报警限及配电设置表 (13)第七章控制回路方框图 (14)总结 (15)参考文献 (16)附录一 (17)摘要过程控制课程设计是过程控制课程的一个重要组成部分。
通过实际题目、控制方案的选择、工程图纸的绘制等基础设计和设计的学习,培养学生理论与实践相结合能力、工程设计能力、创新能力,完成工程师基本技能训练。
使学生在深入理解已学的有关过程控制和DCS系统的基本概念、组成结构、工作原理、系统设计方法、系统设计原则的基础上,结合联系实际的课程设计题目,使学生熟悉和掌握DCS控制系统的设计和调试方法,初步掌握控制系统的工程性设计步骤,进一步增强解决实际工程问题的能力。
关键词:过程控制设计 DCS第一章课程设计任务及说明1.1课程设计题目:根据控制实验装置的P&ID图,该图为一示意图,并不完全符合规范。
自动控制系统课程设计考核题1.运算放大器如何调零?(调零的方法)2.转速反馈系数如何调?3.电流反馈系数如何调?4.转速调节器的限幅值如何调?是正限幅还是负限幅?5.电流调节器的限幅值如何调?是正限幅还是负限幅?6.通过调节什么可以调节电机的转速?7.电网电压波动、转速调节器放大倍数、反馈系数发生变化时,会受到反馈环的抑制吗?为什么?8.如果系统稳定运行时转速或电流反馈线突然断线,系统运行会出现什么现象?9.试叙述转速电流双闭环调速系统的启动过程?10.电流环实验是如何进行的?11.电流环实验,减小主回路电阻,电流达到某值不在增加原因是什么?12.画出电动机启动过程的电流和转速波形。
13.画出作电流环实验时,电流的启动电流。
14.转速环实验时,假设速度反馈极性接反,会出现什么现象?15.电流转速双闭环系统中,改变给定能否改变转速16.改变堵转电流,反馈系数不变的情况下,应该改变调整哪个参数17.双闭环系统中,正常运行时电机堵转,电流为多少,U dO为多少18.画出突加负载和突减负载时的转速波形?(提高部分:电流波形)19.为什么电流反馈和转速反馈环节都要加入滤波环节20.说出本次课程设计的主要过程,和实验调试的原则21.转速双闭环调速系统,其速度调节器的限幅值应根据什么确定?电流调节器的限幅值应根据什么确定?22.转速、电流双闭环系统,ASR、ACR均采用PI调节器,系统稳态运行时两个调节器输入偏差为多少?23.画出双闭环系统静态结构图24.双双闭环调速系统转速超调是如何产生的25.电流内环实验,电流启动波形不好,应调哪的参数?26.双闭环速度起动波形不好,应调哪参数?27.电流环调节器参数调整,是否对速度相应动态特性有影响?。
自动化课程设计的题目一、教学目标本课程旨在通过学习,使学生掌握自动化的基本概念、原理和方法,培养学生对自动化技术的兴趣和好奇心,提高学生的科学素养和创新能力。
具体目标如下:1.了解自动化的基本概念和分类;2.掌握自动控制系统的组成和基本原理;3.熟悉常见自动化设备的工作原理和应用。
4.能够运用自动化知识分析实际问题;5.具备初步的自动化系统设计和调试能力;6.能够使用相关软件进行自动化设备的编程和控制。
情感态度价值观目标:1.培养学生对自动化技术的热爱和兴趣;2.增强学生对科技创新的认同感和自豪感;3.培养学生团队合作、勇于探索的科学精神。
二、教学内容本课程的教学内容主要包括自动化的基本概念、自动控制系统的原理和应用、常见自动化设备的工作原理和应用等。
具体安排如下:1.第一章:自动化概述–自动化的定义和发展历程;–自动化的分类和应用领域。
2.第二章:自动控制系统–自动控制系统的组成和原理;–常见自动控制策略及其应用。
3.第三章:常用自动化设备–传感器的工作原理和应用;–执行器的工作原理和应用;–控制器的工作原理和应用。
4.第四章:自动化系统设计–自动化系统的设计方法和步骤;–自动化系统的调试和优化。
5.第五章:自动化技术的应用–工业自动化及其应用;–家居自动化及其应用;–交通自动化及其应用。
三、教学方法本课程采用多种教学方法,包括讲授法、讨论法、案例分析法、实验法等,以激发学生的学习兴趣和主动性。
1.讲授法:通过讲解自动化基本概念、原理和应用,使学生掌握基础知识;2.讨论法:学生针对实际案例进行讨论,培养学生的思考和分析能力;3.案例分析法:分析自动化技术在实际工程中的应用案例,使学生更好地理解知识;4.实验法:进行自动化设备的操作和调试,提高学生的实践能力。
四、教学资源本课程的教学资源包括教材、参考书、多媒体资料、实验设备等。
1.教材:选用权威、实用的教材,为学生提供系统、全面的知识体系;2.参考书:提供丰富的参考资料,帮助学生拓展知识面;3.多媒体资料:制作精美的PPT、视频等资料,增强课堂教学的趣味性;4.实验设备:配置完善的实验设备,为学生提供实践操作的机会。
过程控制系统课程设计班级:本组成员:2012年01月12日设计报告目录【1】内容一:过程控制课程设计的相关资料 (1)【2】内容二:过程控制课程设计 (6)(1)过程控制系统设计及其主要内容 (6)(2)被控对象特性分析 (6)(3)控制系统控制结构原理图 (7)(4)控制系统工艺流程图 (8)(5)一次仪表选型表 (10)(6)课程设计总结 (11)(7)参考文献 (12)内容一:过程控制课程设计的相关资料一.液位控制系统中PID控制数字PID控制是在实验研究和生产过程中采用最普遍的一种控制方法,在水箱控制系统中有着极其重要的控制作用。
常用的PID控制系统原理框图如下所示:PID控制器是一种线性控制器,它是根据给定值r(t)与实际输出值c(t)构成偏差PID控制规律为:写成传递函数形式为:PID是比例,积分,微分的缩写形式:比例调节作用:是按比例反应系统的偏差,系统一旦出现了偏差,比例调节立即产生调节作用用以减少偏差。
比例作用大,可以加快调节,减少误差,但是过大的比例,使系统的稳定性下降,甚至造成系统的不稳定。
积分调节作用:是使系统消除稳态误差,提高无差度。
因为有误差,积分调节就进行,直至无差,积分调节停止,积分调节输出一常值。
积分作用的强弱取决与积分时间常数Ti,Ti越小,积分作用就越强。
反之Ti大则积分作用弱,加入积分调节可使系统稳定性下降,动态响应变慢。
积分作用常与另两种调节规律结合,组成PI调节器或PID调节器。
微分调节作用:微分作用反映系统偏差信号的变化率,具有预见性,能预见偏差变化的趋势,因此能产生超前的控制作用,在偏差还没有形成之前,已被微分调节作用消除。
因此,可以改善系统的动态性能。
在微分时间选择合适情况下,可以减少超调,减少调节时间。
微分作用对噪声干扰有放大作用,因此过强的加微分调节,对系统抗干扰不利。
此外,微分反应的是变化率,而当输入没有变化时,微分作用输出为零。
微分作用不能单独使用,需要与另外两种调节规律相结合,组成PD或PID控制器二.自适应控制自适应控制的研究对象是具有一定程度不确定性的系统,这里所谓的“不确定性”是指描述被控对象及其环境的数学模型不是完全确定的,其中包含一些未知因素和随机因素。
一、设计目的与要求:了解并掌握单回路控制系统的构成和控制原理。
了解PID 参数整定的基本方法,如Ziegler-Nichols 整定方法、临界比例度法或衰减曲线法。
学会用matlab 中的Simulink 仿真系统进行PID 参数整定。
二、设计正文:在热工生产过程中,最简单、最基本且应用最广泛的就是单回路控制系统,其他各种复杂系统都是以单回路控制系统为基础发展起来的。
单回路控制系统的组成方框原理图如图1所示,它是由一个测量变送器、一个控制器和一个执行器(包括调节阀),连同被控对象组成的闭环负反馈控制系统。
干扰图1、单回路控制系统组成原理方框图控制器的参数整定可分为理论计算法和工程整定法。
理论计算方法是基于一定的性能指标,结合组成系统各环节的动态特性,通过理论计算求得控制器的动态参数设定值。
这种方法较为复杂繁琐,使用不方便,计算也不是很可靠,因此一般仅作为参考;而工程整定法,则是源于理论分析、结合实验、工程实际经验的一套工程上的方法,较为简单,易掌握,而且实用。
常用的工程整定法有经验法、临界比例度法、衰减曲线法、响应曲线法等等,本设计中主要是应用Ziegler-Nichols 整定方法来整定控制器的参数。
参数整定的基本要求如下所述:1、通过整定选择合适的参数,首先要保证系统的稳定,这是最基本的要求。
2、在热工生产过程中,通常要求控制系统有一定的稳定裕度,即要求过程有一定的衰减比,一般要求4:1~10:1。
3、在保证稳定的前提下,要求控制过程有一定的快速性和准确性。
所谓准确性就是要求控制过程的动态偏差和稳态偏差尽量地小,而快速性就是要求控制时间尽可能地短。
总之,以稳定性、快速性、准确性去选择合适的参数。
目前工程上应用最广泛的控制是PID 控制,这种控制原理简单,使用方便;适应性强;鲁棒性强,其控制品质对被控对象的变化不太敏感。
(1)比例控制(P 控制):G c (s)=K p =1/δ; (2)比例积分控制(PI 控制):G c (s)=K p (1+1/T I s)=1/δ(1+1/T I s); (3)比例积分微分控制(PID 控制):G c (s)=K p (1+1/T I s+T D s)。
自动化控制的课程设计一、课程目标知识目标:1. 让学生理解自动化控制的基本概念,掌握其定义、分类及应用领域。
2. 使学生掌握自动化控制系统的组成、工作原理及其数学模型。
3. 帮助学生掌握自动化控制系统中常见传感器的工作原理及其选用方法。
技能目标:1. 培养学生运用自动化控制原理解决实际问题的能力。
2. 培养学生设计简单的自动化控制系统方案,并进行仿真分析的能力。
3. 提高学生进行团队协作、沟通表达和动手实践的能力。
情感态度价值观目标:1. 培养学生对自动化控制技术及其应用的兴趣,激发创新意识。
2. 增强学生对我国自动化控制领域发展的了解,培养民族自豪感。
3. 引导学生关注自动化控制技术在生活中的应用,认识到自动化技术对人类社会的贡献。
课程性质分析:本课程为专业技术课程,旨在使学生掌握自动化控制的基本理论、方法和技术,培养学生解决实际问题的能力。
学生特点分析:学生为高中年级学生,具有一定的物理、数学基础,对新鲜事物充满好奇,喜欢动手实践。
教学要求:1. 结合课本内容,注重理论联系实际,提高学生的实践操作能力。
2. 运用生动形象的语言、案例和现代教育技术手段,提高课堂教学效果。
3. 强化团队合作,培养学生的沟通能力和协作精神。
二、教学内容1. 自动化控制基本概念:包括自动控制定义、分类、应用领域;自动化控制系统发展历程。
教材章节:第一章 自动化控制概述2. 自动化控制系统组成及工作原理:介绍开环控制、闭环控制、复合控制等基本形式;分析控制器、执行器、传感器等组成部分的功能和作用。
教材章节:第二章 自动化控制系统组成及工作原理3. 自动化控制数学模型:线性系统、非线性系统数学模型;传递函数、状态空间表达式等。
教材章节:第三章 自动化控制数学模型4. 常见传感器及其选用:介绍温度、压力、流量、位置等传感器的工作原理、性能参数及选用方法。
教材章节:第四章 常用传感器及其应用5. 自动化控制案例分析:分析典型的自动化控制系统案例,如工业生产、交通运输、智能家居等领域。
本次课程设计采用 MATLAB仿真完成。
设计题目分为二个部分。
答疑时间:15周周四(12月13日)下午2: 00-4 : 30;地点:工学二号馆 501 ; 有问题可以发邮件或者打电话。
课程设计报告:按照设计题目的要求完成报告;答辩时间:自动化 0901: 16周周五上午8: 30-12: 00,地点:工学二号馆 513;自动化0902: 16周周五下午1: 30-5 : 00,地点:工学二号馆 513;答辩要求:(1)长学号(如3109001440 )末位数相同的若干位同学一起答辩;(2)要求演示仿真程序;(3)答辩时交课程设计报告。
第一部分:要求:按照长学号(如 3109001440)的末位数选做下列题目。
采用MATLAB仿真;所有仿真,都需要做出以下结果:(1)超调量(2)峰值时间(3)过渡过程时间(4)余差(5)第一个波峰值(6)第二个波峰值(7)衰减比(8)衰减率(9)振荡频率(10全部P、1、D的参数(11PID的模型(12设计思路0、精馏塔塔内温度的阶跃响应曲线数据如下表所示,控制量阶跃变化u 50。
试根据实验数据设计一个超调量p 25%的无差控制系统。
具体要求如下:(1)根据实验数据选择一定的辨识方法建立对象的数学模型;(2)根据辨识结果设计符合要求的控制系统(控制系统原理图、控制规律选择等)(3)根据设计方案选择相应的控制仪表;(4)对设计的控制系统进行仿真,整定运行参数。
1、锅炉汽包液位的阶跃响应曲线数据如下表所示,控制量阶跃变化u 5。
试根据实验数据设计一个超调量p 25%的无差控制系统。
具体要求如下:(1)根据实验数据选择一定的辨识方法建立对象的数学模型;(2)根据辨识结果设计符合要求的控制系统(控制系统原理图、控制规律选择等)(3)根据设计方案选择相应的控制仪表;(4)对设计的控制系统进行仿真,整定运行参数。
2、加热炉出口温度控制系统,测取温度对象的过程为:当系统稳定时,在温度调节阀上做 3%变化,输出温试根据实验数据设计一个超调量p 25%的无差控制系统。
本次课程设计采用MATLAB仿真完成。
设计题目分为二个部分。
答疑时间:15周周四(12月13日)下午2:00-4:30;地点:工学二号馆501;有问题可以发邮件或者打电话。
课程设计报告:按照设计题目的要求完成报告;答辩时间:自动化0901:16周周五上午8:30-12:00,地点:工学二号馆513;自动化0902:16周周五下午1:30-5:00,地点:工学二号馆513;答辩要求:(1)长学号(如3109001440)末位数相同的若干位同学一起答辩;(2)要求演示仿真程序;(3)答辩时交课程设计报告。
第一部分:要求:按照长学号(如3109001440)的末位数选做下列题目。
采用MATLAB仿真;所有仿真,都需要做出以下结果:(1)超调量(2)峰值时间(3)过渡过程时间(4)余差(5)第一个波峰值(6)第二个波峰值(7)衰减比(8)衰减率(9)振荡频率(10)全部P、I、D的参数(11)PID的模型(12)设计思路0、精馏塔塔内温度的阶跃响应曲线数据如下表所示,控制量阶跃变化50∆=。
试根据实验uδ≤的无差控制系统。
数据设计一个超调量25%p具体要求如下:(1)根据实验数据选择一定的辨识方法建立对象的数学模型;(2)根据辨识结果设计符合要求的控制系统(控制系统原理图、控制规律选择等);(3)根据设计方案选择相应的控制仪表;(4)对设计的控制系统进行仿真,整定运行参数。
1、锅炉汽包液位的阶跃响应曲线数据如下表所示,控制量阶跃变化5∆=。
试根据实验数u据设计一个超调量25%δ≤的无差控制系统。
p(1)根据实验数据选择一定的辨识方法建立对象的数学模型;(2)根据辨识结果设计符合要求的控制系统(控制系统原理图、控制规律选择等);(3)根据设计方案选择相应的控制仪表;(4)对设计的控制系统进行仿真,整定运行参数。
2、加热炉出口温度控制系统,测取温度对象的过程为:当系统稳定时,在温度调节阀上做试根据实验数据设计一个超调量25%δ≤的无差控制系统。
具体要求如下:p(1)根据实验数据选择一定的辨识方法建立对象的数学模型;(2)根据辨识结果设计符合要求的控制系统(控制系统原理图、控制规律选择等);(3)根据设计方案选择相应的控制仪表;(4)对设计的控制系统进行仿真,整定运行参数。
δ≤的无差控制系统。
具体要求如下:试根据实验数据设计一个超调量25%p(1)根据实验数据选择一定的辨识方法建立对象的数学模型;(2)根据辨识结果设计符合要求的控制系统(控制系统原理图、控制规律选择等);(3)根据设计方案选择相应的控制仪表;(4)对设计的控制系统进行仿真,整定运行参数。
试根据实验数据设计一个超调量25%δ≤的无差控制系统。
具体要求如下:p(1)根据实验数据选择一定的辨识方法建立对象的数学模型;(2)根据辨识结果设计符合要求的控制系统(控制系统原理图、控制规律选择等);(3)根据设计方案选择相应的控制仪表;(4)对设计的控制系统进行仿真,整定运行参数。
试根据实验数据设计一个超调量25%δ≤的无差控制系统。
具体要求如下:p(1)根据实验数据选择一定的辨识方法建立对象的数学模型;(2)根据辨识结果设计符合要求的控制系统(控制系统原理图、控制规律选择等);(3)根据设计方案选择相应的控制仪表;(4)对设计的控制系统进行仿真,整定运行参数。
δ≤的无差控制系统。
具体要求如下:试根据实验数据设计一个超调量25%p(1)根据实验数据选择一定的辨识方法建立对象的数学模型;(2)根据辨识结果设计符合要求的控制系统(控制系统原理图、控制规律选择等);(3)根据设计方案选择相应的控制仪表;(4)对设计的控制系统进行仿真,整定运行参数。
δ≤的无差控制系统。
具体要求如下:试根据实验数据设计一个超调量25%p(1)根据实验数据选择一定的辨识方法建立对象的数学模型;(2)根据辨识结果设计符合要求的控制系统(控制系统原理图、控制规律选择等);(3)根据设计方案选择相应的控制仪表;(4)对设计的控制系统进行仿真,整定运行参数。
试根据实验数据设计一个超调量25%δ≤的无差控制系统。
具体要求如下:p(1)根据实验数据选择一定的辨识方法建立对象的数学模型;(2)根据辨识结果设计符合要求的控制系统(控制系统原理图、控制规律选择等);(3)根据设计方案选择相应的控制仪表;(4)对设计的控制系统进行仿真,整定运行参数。
试根据实验数据设计一个超调量25%δ≤的无差控制系统。
具体要求如下:p(1)根据实验数据选择一定的辨识方法建立对象的数学模型;(2)根据辨识结果设计符合要求的控制系统(控制系统原理图、控制规律选择等);(3)根据设计方案选择相应的控制仪表;(4)对设计的控制系统进行仿真,整定运行参数。
第二部分:要求:按照长学号(如3109001440)的末位数选做下列题目。
采用MATLAB仿真;所有仿真,都需要做出以下结果:(1)超调量(2)峰值时间(3)过渡过程时间(4)余差(5)第一个波峰值(6)第二个波峰值(7)衰减比(8)衰减率(9)振荡频率(10)全部P、I、D的参数(11) PID 的模型 (12) 设计思路0、某隧道窑炉系统,考虑将燃烧室温度作为副变量,烧成温度作为主变量,主、副对象的传递函数分别为:3018()61sG s e s -=+,0210()(2)(21)G s s s =++ 试分别采用单回路控制和串级控制设计温度控制系统,具体要求如下:(1) 分别进行控制方案设计,包括调节阀的选择、控制器参数整定,给出相应的闭环系统原理图;(2) 进行仿真实验,分别给出系统的跟踪性能和抗干扰性能(包括一次扰动和二次扰动);(3) 说明不同控制方案对系统的影响。
1、升降膜式蒸发器的控制通道特性为80 1.67*8.22()(4.051)(1)s W s e s s -=++,扰动通道特性为102()101s f W s e s -=+。
试设计前馈-反馈控制系统,具体要求如下: (1) 仿真分析不同形式前馈控制器对系统性能的影响;(2) 仿真分析不同结构形式的前馈-反馈控制系统对系统性能的影响;(3) 选择一种较为理想的控制方案进行设计,包括调节阀的选择、控制器参数整定,给出相应的闭环系统原理图;(4) 进行仿真实验,给出系统的跟踪性能和抗干扰性能;2、某加热炉的数学模型为1507()3201s G s e s -=+,试设计大时延控制系统,具体要求如下:(1) 仿真分析以下控制方案对系统性能的影响:PID 、微分先行、中间微分、Smith预估、增益自适应预估;给出相应的闭环控制系统原理图;(2) 在不同控制方式下进行仿真实验,比较系统的跟踪性能和抗干扰性能;(3) 选择一种较为理想的控制方案进行设计,包括调节阀的选择、控制器参数整定。
3、干燥器的实际数学模型为302()301s p G s e s -=+,辨识出的数学模型为201.5()301sp G s e s -=+,试设计大时延控制系统,具体要求如下:(1) 仿真分析以下控制方案对系统性能的影响:PID 、微分先行、中间微分、Smith预估、增益自适应预估;给出相应的闭环控制系统原理图;(2) 在不同控制方式下进行仿真实验,比较系统的跟踪性能和抗干扰性能;(3) 选择一种较为理想的控制方案进行设计,包括调节阀的选择、控制器参数整定。
4、化学反应釜串级控制系统,主、副对象的传递函数分别为:2017()81s G s e s -=+, 2025()31sG s e s -=+ 主、副测量变送环节的传递函数分别为:11()21m G s s =+, 21()1m G s s =+ 主、副扰动通道的传递函数分别为:1 2.5()41f G s s =+, 2 1.5()51f G s s =+ 试分别采用串级控制设计温度控制系统,具体要求如下:(1) 进行控制方案设计,包括调节阀的选择、控制器参数整定,给出相应的闭环系统原理图;(2) 进行仿真实验,分别给出系统的跟踪性能和抗干扰性能(包括一次扰动和二次扰动);5、管式加热炉系统,考虑将燃烧室温度作为副变量,烧成温度作为主变量,主、副对象的传递函数分别为:2017()81sG s e s -=+,021()(101)(201)G s s s =++ 试分别采用单回路控制和串级控制设计温度控制系统,具体要求如下:(1) 分别进行控制方案设计,包括调节阀的选择、控制器参数整定,给出相应的闭环系统原理图;(2) 进行仿真实验,分别给出系统的跟踪性能和抗干扰性能(包括一次扰动和二次扰动);(3) 说明不同控制方案对系统的影响。
6、液氨蒸发器主、副对象的传递函数分别为:011()(201)(301)G s s s =++, 0.1021()0.21s G s e s -=+主、副扰动通道的传递函数分别为:11()0.21f G s s =+, 2()1f G s = 试分别采用单回路控制和串级控制设计温度控制系统,具体要求如下:(1) 分别进行控制方案设计,包括调节阀的选择、控制器参数整定,给出相应的闭环系统原理图;(2) 进行仿真实验,分别给出系统的跟踪性能和抗干扰性能(包括一次扰动和二次扰动);(3) 说明不同控制方案对系统的影响。
7、冷凝器的控制通道特性为600.94()551s W s e s -=+,扰动通道特性为81.05()411sf W s e s -=+。
试设计前馈-反馈控制系统,具体要求如下:(1) 仿真分析不同形式前馈控制器对系统性能的影响;(2) 仿真分析不同结构形式的前馈-反馈控制系统对系统性能的影响;(3) 选择一种较为理想的控制方案进行设计,包括调节阀的选择、控制器参数整定,给出相应的闭环系统原理图;(4) 进行仿真实验,给出系统的跟踪性能和抗干扰性能;8、工业锅炉主、副对象的传递函数分别为:011()(31)(301)G s s s =++, 0221()(1)(101)G s s s =++ 主、副扰动通道的传递函数分别为:15()2f G s s =+, 2()1f G s = 试分别采用单回路控制和串级控制设计温度控制系统,具体要求如下:(1) 分别进行控制方案设计,包括调节阀的选择、控制器参数整定,给出相应的闭环系统原理图;(2) 进行仿真实验,分别给出系统的跟踪性能和抗干扰性能(包括一次扰动和二次扰动);(3) 说明不同控制方案对系统的影响。
9、蒸发器的控制通道特性为600.94()551s W s e s -=+,扰动通道特性为81.05()411sf W s e s -=+。
试设计前馈-反馈控制系统,具体要求如下:(1) 仿真分析不同形式前馈控制器对系统性能的影响;(2) 仿真分析不同结构形式的前馈-反馈控制系统对系统性能的影响;(3) 选择一种较为理想的控制方案进行设计,包括调节阀的选择、控制器参数整定,给出相应的闭环系统原理图;(4) 进行仿真实验,给出系统的跟踪性能和抗干扰性能;。