1.8t途安保险盒说明
- 格式:doc
- 大小:1004.00 KB
- 文档页数:2
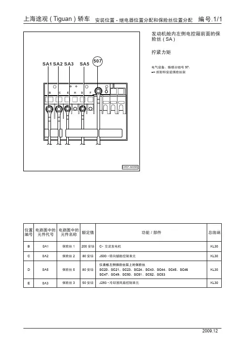
电气设备,维修分组号,拆卸和安装保险丝架97=> 拧紧力矩发动机舱内左侧电控箱前面的保险丝 ( SA )电路图中的元件名称额定值功能部件 / 总线端电路图元件代号中的位置编号B SA1200 安培KL30保险丝 1 C - 交流发电机C80 安培SA2J500转向辅助控制单元- D80 安培SA5保险丝 2保险丝 5KL30KL30仪表板左侧保险丝架上的保险丝SC20SC21SC23SC24SC43SC44SC45SC46SC47SC49SC50SC51SC52SC53、、、、、、、、、、、、E50 安培SA3J293冷却液风扇控制单元- 保险丝 3KL30发动机舱内左侧电控箱上的保险丝 ( SB )5A 米色10A 红色15 A 蓝色20 A 黄色30 A - 绿色40A - 橙色50 A - 红色保险丝颜色- - - -SB10F5总线端电路图中的元件名称额定值功能部件 / 电路图元件代号中的位置编号F1未占用F2未占用J519 - BCM 车身控制单元J104 - ABS 控制单元F3F4SB3SB4F6保险丝 65 安培SB63保险丝 4保险丝KL305 安培20 安培未占用J285 - 组合仪表中带显示单元的控制单元J527 - 转向柱电子装置控制单元KL30KL30F7保险丝740 安培SB7KL30KL30用于装备收放机的车型RCN 100 Mp3 F8SB8R - 收音机保险丝 825 安培J412 - 移动电话电子操作装置控制单元F9SB9保险丝 9 5 安培F10保险丝 1010 安培用于装备车载电话的车型F11未占用仪表板左侧保险丝架上的保险丝B - 起动马达SC9SC10SC11SC12SC13SC14SC15SC16SC25、、、、、、、用于装备收放机的车型RCD 310 / RCD 510 Mp3 J503 - 收音机和导航系统的带显示单元的控制单元用于装备导航系统的车型 R - 收音机J271 - Motronic 供电继电器J623 - 发动机控制单元KL30KL30KL30F12SB12保险丝 12 5 安培J533 - 数据总线诊断接口F14SB14KL87保险丝 1420 安培F13SB13保险丝 1315 安培J623 - 发动机控制单元KL87SB15F15F16SB16保险丝 1630 安培KL30保险丝 1510 安培F18未占用F19SB19保险丝 1930 安培F20SB20保险丝 2010 安培F21SB21保险丝 2125 安培KL87KL87KL30KL87F17保险丝 1715 安培KL30SB17 N70 - 1带功率输出级的点火线圈 N127 - 2带功率输出级的点火线圈 N291 - 3带功率输出级的点火线圈 N292 - 4带功率输出级的点火线圈J519 - BCM 车身控制单元Z19 - 氧传感器加热装置Z29 - 1 氧传感器加热装置J400 - 刮水器马达控制单元N276 - 燃油压力调节阀J538 - 燃油泵控制单元H2 - 高音喇叭H7 - 低音喇叭- G476离合器位置传感器KL87总线端电路图中的元件名称额定值功能部件/ 电路图元件代号中的位置编号未占用F22SB22保险丝 225 安培用于装备档手动变速箱标识字母的车型6 LMT F23SB29KL30F24SB24保险丝 2410 安培KL87J151 - 冷却液继续循环继电器J293 - 冷却液风扇控制单元N75 - 增压压力限制电磁阀N80 - ( )活性碳容器装置电磁阀周期性控制N205 - 凸轮轴调节阀N249 - 涡轮增压器循环空气阀N316 - 进气管风门气流控制阀N428 - 机油压力调节阀J757 - 发动机部件供电继电器V51 - 冷却液继续循环泵F25SB25保险丝 2540 安培J104 - ABS 控制单元KL30F26SB26保险丝 2630 安培J519 - BCM 车身控制单元KL30F27未占用F28未占用F29保险丝 2950 安培KL30F30SB30保险丝 3050 安培仪表板左侧保险丝架上的保险丝S44 - 座椅调整装置的热敏保险丝SC54SC55SC57、、仪表板左侧保险丝架上的保险丝SC28SC29SC31、、仪表板左侧保险丝支架中的保险丝 ( SC )保险丝颜色40 A - 30 A - 绿色橙色25 A - 白色20 A - 黄色15 A - 蓝色10 A - 红色7.5 A - 棕色5 A - 米色保险丝颜色仪表板左侧保险丝支架中的保险丝 ( SC )40 A - 30 A - 绿色橙色25 A - 白色20 A - 黄色15 A - 蓝色10 A - 红色7.5 A - 棕色5 A - 米色总线端电路图中的元件名称额定值功能部件 / 电路图元件代号中的位置编号1未占用23456789SC9保险丝 9 5 安培 J234 - 安全气囊控制单元10SC10保险丝 1010 安培J492 - 四轮驱动控制单元用于装备四轮驱动的车型12SC12保险丝 1210 安培J667 - 左侧大灯电源模块用于装备双腔放电前大灯,远光集成的车型KL15KL15KL15未占用未占用未占用未占用未占用未占用未占用11SC11保险丝 11 5 安培J446 - 驻车辅助控制单元用于装备后部驻车辅助的车型用于装备前后驻车辅助带的车型 PLA KL15J791 - 驻车辅助和驻车转向辅助控制单元13SC13保险丝 13 5 安培KL15F41 - 倒车开关Y7 - 自动防眩目车内后视镜用于装备可加热喷嘴的车型用于装备自动防眩目内后视镜的车型14SC14保险丝 1410 安培KL15用于装备档手动变速箱标识字母的车型6 LMT E256 - ESP 按钮 E540 - 自动驻车按钮 G65 - 高压传感器K237 - 自动驻车指示灯G266 - / 油位油温传感器Z20 - 左侧喷嘴加热电阻Z21 - 右侧喷嘴加热电阻E1 - 车灯开关F - 刹车灯开关J104 - ABS 控制单元J285 - 组合仪表中带显示单元的控制单元J500 - 转向辅助控制单元J533 - 数据总线诊断接口J623 - 发动机控制单元用于装备档自动变速箱标识字母的车型6 LYA / LYB F189 - Tiptronic 开关G397 - 雨天与光线识别传感器电路图中的元件名称额定值功能部件/ 总线端电路图元件代号中的位置编号15SC15保险丝 1510 安培J745 - 转向灯和大灯照明距离调节控制单元用于装备双腔放电前大灯,远光集成的车型 用于装备双腔前大灯,远光集成的车型J668 - 右侧大灯电源模块17未占用18未占用未占用1920J255 - Climatronic 控制单元用于装备档自动变速箱标识字母的车型6 LYA / LYB 用于装备半自动空调装置的车型 用于装备带进风调节的自动空调装置的车型SC20保险丝 205 安培KL15KL30G70 - 空气质量计J540 - 电动驻车和手制动器控制单元T16 - 自诊断接口V49 - 右大灯光线调节电机E102 - 大灯光线水平调整调节器V48 - 左大灯光线调节电机16SC16保险丝 1610 安培KL15用于装备双腔放电前大灯,远光集成的车型F189 - Tiptronic 开关J217 - 自动变速箱控制单元J301 - 空调器控制单元J104 - ABS 控制单元J9 - 可加热后窗玻璃继电器J4 - 双音喇叭继电器21SC21保险丝 2115 安培22未占用23SC23保险丝 2310 安培G197 - 磁场传感器罗盘 ( )用于装备收放机的车型 RCD 510 Mp3 KL30KL30用于装备自动防眩目内后视镜的车型 保险丝 252425SC2520 安培J386 - 驾驶员侧车门控制单元J387 - 前座乘客侧车门控制单元J527 - 转向柱电子装置控制单元SC24保险丝 2410 安培用于装备档自动变速箱标识字母的车型6 LYA / LYB KL30KL15J388 - 左后车门控制单元J389 - 右后车门控制单元J519 - BCM 车身控制单元E1 - 车灯开关K213 - 电动机械式驻车制动指示灯T16 - 自诊断接口用于装备摄像头的车型J772 - 倒车摄像系统控制单元F125 - 多功能开关J217 - 自动变速箱控制单元J126 - 新鲜空气鼓风机控制单元37电路图中的元件名称额定值功能部件 / 总线端电路图元件代号中的位置编号26未占用未占用SC28保险丝 2840 安培E9 - 新鲜空气鼓风机开关用于装备半自动空调装置的车型29SC29保险丝 2915 安培V12 - 后窗玻璃刮水器马达30KL75KL7527未占用2831SC31保险丝 3120 安培43SC43保险丝 4325 安培J245 - 滑动天窗调节控制单元用于装备全景天窗的车型44SC44保险丝 4425 安培J540 - 电动驻车和手制动器控制单元45SC45保险丝 4525 安培KL75KL30KL30KL30U18 - 12V 2插座用于装备前中间扶手的车型U1 - 点烟器U5 - 12V 插座二极管323334353638404142未占用未占用未占用未占用未占用未占用未占用未占用未占用未占用R177 - 调幅频率过滤器AM ( )Z1 - 可加热后窗玻璃46SC46保险丝 4630 安培47SC47保险丝 4730 安培49SC49保险丝 4920 安培J519 - BCM 车身控制单元51SC51保险丝 5140 安培用于装备带进风调节的自动空调装置的车型 SC50保险丝 5025 安培J540 - 电动驻车和手制动器控制单元52SC52保险丝 5230 安培J774 - 前座椅控制单元用于装备座椅加热的车型KL30KL30KL30KL30KL30KL30J386 - 驾驶员侧车门控制单元J387 - 前座乘客侧车门控制单元J388 - 左后车门控制单元J389 - 右后车门控制单元48未占用50用于装备双前座椅电动高度调节的车型电路图中的元件名称额定值功能部件/ 总线端电路图元件代号中的位置编号54SC54保险丝 5430 安培E177 - 前座乘客座椅腰部支撑调节开关用于装备双前座椅电动高度调节双前座椅电动高度调节驾驶员座椅带记忆功能的车型/, 53SC53保险丝 5320 安培J39 - 大灯清洗装置继电器V11 - 大灯清洗泵用于装备前大灯洗涤装置的车型 55SC55保险丝 5530 安培57SC57保险丝 5725 安培E176 - 驾驶员座椅腰部支撑调节开关J394 - 顶蓬百页窗控制单元用于装备全景天窗的车型KL30KL30KL30KL3056未占用20 安培座椅调整装置的热敏保险丝仪表板左侧车身控制器支架上的附件BCM 电路图中的元件名称额定值功能部件/ 总线端电路图元件代号中的位置编号 E S44KL30用于装备双前座椅电动高度调节双前座椅电动高度调节驾驶员座椅带记忆功能的车型/ , 用于装备双前座椅电动高度调节的车型 J136 带记忆的驾驶员座椅调整控制单元- E64 前座乘客座椅纵向调整开关- E65 前座乘客座椅前部高度调整开关- E66 前座乘客座椅后部高度调整开关- E98 前座乘客座椅靠背调节开关- E209 ( )驾驶员座椅前部高度调整按钮向下- E210 ( )驾驶员座椅后部高度调整按钮向上- E211 ( )驾驶员座椅后部高度调整按钮向下- E212 驾驶员座椅纵向调整按钮向前 ( )- E213 ( )驾驶员座椅纵向调整按钮向后- E96 前座乘客座椅腰部支撑调节开关- E208 ( )驾驶员座椅前部高度调整按钮向上-仪表板左侧下方位置继电器支架的继电器位置分配5 - 可加热后窗玻璃继电器继电器 - J9 ( 53 )- 总线端供电继电器继电器 75 - J680 ( 100 )- 总线端供电继电器 继电器 15 - J329 ( 643 )仪表板左侧位置电器支架的继电器位置分配9 继总线端供电继电器继电器 50 - J682 ( 643 )- - 大灯清洗装置继电器继电器 - J39 ( 449 )- 双音喇叭继电器继电器 - J4 ( 449 )- 冷却液继续循环继电器继电器 - J151 ( 449 )发动机部件供电继电器继电器 - ( 100 )J757发动机舱左侧电控箱上的继电器位置分配R2R1Motronic - J271 ( 100 )供电继电器继电器- -。
KBA5TD0061908.20195TD00608119全新途安 系列车型使用维护说明书全新途安L系列车型L本说明书适用于下列表中各种型号的上汽大众全新途安L多用途乘用车。
用户在使用本公司产品以前,必须认真研读产品使用维护说明书,任何不当的使用、保养和修理都可能导致车辆的损坏及影响质量担保服务。
因此,在使用产品前请认真阅读本使用说明书,并对照表中的型号确认您的车型。
名称型号发动机变速箱上汽大众全新途安L多用途乘用车SVW6453AGD CSS五挡手动变速器上汽大众全新途安L多用途乘用车SVW6453BGD CSS七挡自动变速器上汽大众全新途安L多用途乘用车SVW6453CGD CSS五挡手动变速器上汽大众全新途安L多用途乘用车SVW6453DGD CSS七挡自动变速器上汽大众全新途安L多用途乘用车SVW6453GED CUF七挡自动变速器上汽大众全新途安L多用途乘用车SVW6453HED CUF七挡自动变速器上汽大众全新途安L多用途乘用车SVW6453FGD CSS七挡自动变速器上汽大众全新途安L多用途乘用车SVW6453JED CUF七挡自动变速器上汽大众全新途安L多用途乘用车SVW6453ECD CSR五挡手动变速器上汽大众全新途安L多用途乘用车SVW6453QGD CSS七挡自动变速器上汽大众全新途安L多用途乘用车SVW6453KGD CSS五挡手动变速器上汽大众全新途安L多用途乘用车SVW6453LGD CSS七挡自动变速器上汽大众全新途安L多用途乘用车SVW6453MGD CSS七挡自动变速器上汽大众全新途安L多用途乘用车SVW6453NGD CSS五挡手动变速器上汽大众全新途安L多用途乘用车SVW6453PGD CSS七挡自动变速器上汽大众全新途安L多用途乘用车SVW6453RGD CSS七挡自动变速器上汽大众全新途安L多用途乘用车SVW6453SGD CSS七挡自动变速器上汽大众全新途安L多用途乘用车SVW6453ETD DJS七挡自动变速器上汽大众全新途安L多用途乘用车SVW6453FTD DJS七挡自动变速器上汽大众全新途安L多用途乘用车SVW6453GTD DJS七挡自动变速器上汽大众全新途安L多用途乘用车SVW6453ALD DNC五挡手动变速器本使用维护说明书描述了该车型车辆在当前范围的配置、功能及操作的一般通用信息,但用户车辆的实际配置和功能等信息以具体交付时的为准。
( 449 )顶灯继电器继电器 ( 449 ) ( LSVVM41T5327775 )顶灯继电器继电器自起总线端供电继电器继电器 15 -J329 ( 460 )仪表板左侧车载网络控制单元继电器支架CH97-1031CH97-1034发动机舱内左侧电控箱SB7 - 740 保险丝,安培2324123456781011121314151617181920212228293031333435363738394041535455565758322526274344454647484950425152CH97-13239仪表板左侧下方保险丝支架SC9 - 910 保险丝,安培SC42 - 4210 保险丝,安培SC16 - 16 5 保险丝,安培SC48 - 4810 保险丝,安培SC5 - 510 保险丝,安培SC45 - 4510 保险丝,安培SC44 - 4415 保险丝,安培=> 注意在一览中的安装位置!继电器位置分配和保险丝位置分配多脚插头连接控制单元和继电器接地点说明信息仪表板左侧保险丝盒内号总线保险丝,安培30 - SA580 蓄电池保险丝架正极螺栓连接点 ( 30 )出租车电路图BCEHDFGSA1SA2SA3SA5507CH97-A0241CH97-A0540仪表板左侧附加继电器板40 针插头,黑色,在发动机舱内左侧电控箱上10 / 针插头,白色,出租车计价器打印机插头保险丝,安培,总线端供电继电器保险丝,在发动机舱内左侧电控箱顶面保险丝架上740 15 总线端供电继电器,在仪表板左侧车载网络控制单元继电器板上位置继电器 15 KL15 ( 460 )蓄电池AB J329J519车载网络控制单元,在仪表板左侧下方SA5SB7SC9SC42T10aa 保险丝,安培,仪表板左侧保险丝盒内号总线保险丝,在发动机舱内左侧电控箱前面 -5-80 30 T36T40J285起动马达组合仪表中带显示单元的控制单元,在仪表板左侧36 针插头,黑色,组合仪表中带显示单元的控制单元插头保险丝,安培,出租车计价器打印机保险丝,在仪表板左侧下方保险丝支架上910 / 保险丝,安培,出租车计价器打印机、空车灯开关、空车灯保险丝,在仪表板左侧下方保险丝支架上4210 / 接地连接线,在仪表板线束内( 31 )接地点,蓄电池车身,在发动机舱内左前悬挂处车身上- 正极螺栓连接点,在发动机舱内左侧电控箱侧面主保险丝支架上( 30 )正极连接线,在仪表板线束内 ( 15 )正极连接线,在仪表板线束内 ( 30a )打印机,在收音机上方/ 连接线,在仪表板线束内总线端供电继电器 15 、蓄电池、出租车计价器打印机/J519车载网络控制单元,在仪表板左侧下方SC45T6af T6ae T4bsT4bq 保险丝,安培,出租车前顶灯保险丝,在仪表板左侧下方保险丝支架上4510 4 针插头,黑色,空车灯开关插头4 针插头,黑色,在仪表板中部6 针插头,黑色,在车顶左侧中部6 针插头,黑色,出租车前顶灯插头接地连接线,在仪表板线束内 ( 31 )连接线,在仪表板线束内连接线,在仪表板线束内正极连接线,在空车灯开关线束内 ( 30a )连接线,在空车灯开关线束内空车灯,在仪表板中间前部空车灯开关,在仪表板中间左侧出租车前顶灯,在车顶前部中间车载网络控制单元、空车灯、空车灯开关、出租车前顶灯保险丝,安培,高压传感器、控制单元、控制器、组合仪表中带显示单元的控制单元保险丝,在仪表板左侧下方保险丝支架上16 5 Climatronic GPS J519车载网络控制单元,在仪表板左侧下方SC16SC44SC48SC5T6ae T4br T2dc T2dd 保险丝,安培,顶灯保险丝,在仪表板左侧下方保险丝支架上4415 保险丝,安培,防盗报警喇叭接口保险丝,在仪表板左侧下方保险丝支架上510 保险丝,安培,控制器、防盗报警喇叭接口保险丝,在仪表板左侧下方保险丝支架上4810 GPS 4 针插头,黑色,防盗控制器电源接口插头2 针插头,黑色,左侧顶灯插头2 针插头,黑色,右侧顶灯插头6 针插头,黑色,在车顶左侧中部右侧顶灯,在车顶右侧中部左侧顶灯,在车顶左侧中部防盗控制器电源接口,在仪表板左侧下方顶灯继电器,在仪表板左侧附加继电器板上号位顶灯继电器,在仪表板左侧附加继电器板上号位1/1 7/1 ( 449 )( 449 )继电器继电器连接线,在仪表板线束内接地连接线,在仪表板线束内 ( 31 )接地连接线,在顶灯线束内 ( 31 )连接线,在顶灯线束内正极连接线,在仪表板线束内 ( 30a )*自起LSVVM41T5327775 *顶灯继电器、、左侧顶灯、右侧顶灯防盗控制器电源接口J519车载网络控制单元,在仪表板左侧下方T10ab T1k T1L T1m T1nT2db 10 GPS 针插头,白色,控制器插头1 针插头,带有黑色热缩套管,在前座乘客座椅下面1 GPS 针插头,蓝色,天线插头1 针插头,带有白色热缩套管,在前座乘客座椅下面1 针插头,紫色,手机天线插头2 针插头,白色,报警器按钮插头GPS 控制器在前座乘客座椅下面,GPS 天线,在车顶中间手机天线,在车顶中间报警器按钮,在仪表板左侧灯光开关旁接地连接线,在仪表板线束内 ( 31 )接地连接线,在仪表板线束内 ( 31 )接地点,在驾驶员侧门槛板中间接地点,在转向柱上部左侧416GPS 控制器、报警器按钮、、GPS 天线手机天线J519车载网络控制单元,在仪表板左侧下方T8v T8w T15T6ag T2da 6 针插头,白色,在前座乘客座椅下面8 GPS / / 针插头,白色,屏幕读卡器扬声器插头8 针插头,白色,在前座乘客座椅下面15 GPS 针插头,黑色,控制器插头2 针插头,白色,麦克风插头GPS 控制器在前座乘客座椅下面,G PS / / 屏幕读卡器扬声器,在仪表板中部麦克风,在仪表板中部左侧GPS / / 控制器、读卡器扬声器、麦克风GPS 屏幕。
维修站代号:743委托单号:发动机号:车牌号:底盘号:行驶里程:交车日期:送修日期:检修工签字(日期):客户签字(日期):版本:2014年08月版检验员签字(日期):第一联 维修站存档联 第二联客户联上海大众途安轿车()车型保养表格2.0/1.8T EA113保养内容特殊项目保养类型 保养检查情况正常不正常已调整15000 10000公里之后的每公里 常规保养15000公里 常规保养说明: 1 2.0/1.8T EA113)本表的保养内容适用于上海大众生产的途安配备()发动机的车型。
保养项目需根据车型的不同配置进行选择。
其它保养项目 3 安全气囊和安全带:目测外表是否受损,并检查安全带功能4 多功能方向盘:检查各按键的功能2 VAS 505X 自诊断:用专用诊断设备读取各系统控制器内的故障存储信息6 前风窗玻璃落水槽排水孔:清洁12 蓄电池:观察蓄电池上电眼,必要时使用检测蓄电池状况,检查正负极连接状态 MCR 341V 17 制动系统:检查制动液管路是否泄漏,检查制动液液面,必要时补充5 手制动器:检查,必要时调整16 底盘螺栓:按规定扭矩紧固检查并19 车轮固定螺栓:按规定扭矩紧固检查并20 试车:性能检查21 保养周期显示器:复位25 / 车门限位器,固定销,门锁,发动机盖行李箱盖铰链和锁扣:检查功能并润滑24 活动天窗:检查功能,清洁导轨,涂敷专用油脂23 空气滤清器:更换滤芯(行驶里程较少的车辆建议每个月更换) 12 18 / 轮胎轮毂(包括备胎):检查轮胎磨损情况,必要时进行轮胎换位,同时校正轮胎气压 26 手动变速箱自动变速箱传动轴护套: / / 检查有无渗漏和损坏,连接是否牢固4)每次保养时请在表格上方的里程表相应的空格位置内打勾。
5)本表内容将根据车辆技术状态变化进行调整,请以最新版本为准。
3 5000 )在灰尘较大环境里行驶的车辆,应缩短空气滤清器滤芯和空调系统花粉过滤器的保养间隔(如每公里更换)。
电路图ws =白色sw =黑色ro =红色rt =红色br =褐色gn =绿色bl =蓝色gr =灰色li =淡紫色vi =淡紫色ge =黄色or =橘黄色rs =粉红色蓄电池A - 蓄电池B - 起动马达,在发动机舱左侧变速箱上C - 交流发电机,在发动机右侧前方J293 - 冷却液风扇控制单元,在发动机舱左侧冷却液风扇内J500 -转向辅助控制单元,在副车架上部中间J519 - B CM 车身控制单元,在仪表板左侧下方SA1 - 保险丝 1,200 安培,交流发电机保险丝,在发动机舱内左侧电控箱前面保险丝架上 B 号位SA2 - 保险丝 2,80 安培,转向辅助控制单元保险丝,在发动机舱内左侧电控箱前面保险丝架上 C 号位SA3 - 保险丝 3,50 安培,冷却液风扇控制单元保险丝,在发动机舱内左侧电控箱前面保险丝架上 E 号位SA5 - 保险丝 5,80 安培,仪表板左侧下方保险丝盒内 30 号总线供电保险丝,在发动机舱内左侧电控箱前面保险丝架上 D 号位T2bx - 2 针插头,黑色,电动机械式转向助力器马达插头T4p - 4 针插头,黑色,在散热风扇护罩左侧下部1 -接地点,蓄电池 - 车身,在横隔板上左侧507- 正极螺栓连接点 ( 30 ),在发动机舱内左侧电控箱前面保险丝架上-提示:请忽略图片右侧颜色备注。
ws =白色sw =黑色ro =红色rt =红色br =褐色gn =绿色bl =蓝色gr =灰色li =淡紫色vi =淡紫色ge =黄色or =橘黄色rs =粉红色Motronic 供电继电器J271 - Motronic 供电继电器,在发动机舱内左侧电控箱顶面保险丝架上 R2 号位 ( 100 继电器 )J519 - B CM 车身控制单元,在仪表板左侧下方J623 -发动机控制单元,在排水槽中部***SB13 - 保险丝 13,10 安培,Motronic 供电继电器、发动机控制单元保险丝,在发动机舱内左侧电控箱顶面保险丝架上**SB13 - 保险丝 13,5 安培,Motronic 供电继电器、发动机控制单元保险丝,在发动机舱内左侧电控箱顶面保险丝架上SB14 - 保险丝 14,15 安培,发动机控制单元保险丝,在发动机舱内左侧电控箱顶面保险丝架上SB24 - 保险丝 24,20 安培,带功率输出级的点火线圈保险丝,在发动机舱内左侧电控箱顶面保险丝架上N70 - 带功率输出级的点火线圈 1,在气缸盖罩顶部右侧N127 - 带功率输出级的点火线圈 2,在气缸盖罩顶部中间右侧N291 - 带功率输出级的点火线圈 3,在气缸盖罩顶部中间左侧N292 - 带功率输出级的点火线圈 4,在气缸盖罩顶部左侧T4t - 4 针插头,黑色,带功率输出级的点火线圈 1 插头T4u - 4 针插头,黑色,带功率输出级的点火线圈 2 插头T4v - 4 针插头,黑色,带功率输出级的点火线圈 3 插头T4w - 4 针插头,黑色,带功率输出级的点火线圈 4 插头T14a - 14 针插头,黑色,在发动机舱内,左纵梁前方T40a - 40 针插头,黑色,在发动机舱内左侧电控箱下面T94a - 94 针插头,黑色,发动机控制单元插头B315 -正极连接线 ( 30a ),在主导线束中B351 -正极连接线 ( 87a ),在主导线束中 D35-连接线 ( 87a ),在发动机预装线束中** - 用于装备 1.4T 发动机标识字母 CFB 的车型*** - 用于装备 1.8T 发动机标识字母 CEA / 2.0T 发动机标识字母CGM 的车型-提示:请忽略图片右侧颜色备注。
上海大众新途安多用途MPV车熔断丝与继电器位置分配作为一款全能多用途MPV车型,上海大众新途安的发动机系统是整个车辆重要的组成部分。
在此,我们将探讨新途安的熔断丝和继电器的位置分配,以便更好地了解这款车型的发动机运行机制。
首先,熔断丝是一个容易熔断的电线保护器。
当电线中的电流超过了熔断丝额定值时,熔断丝就会断开,以避免电线受到过载大量损坏。
在新途安车型中,所有的熔断丝都集中在同一位置——中控台下方的保险丝盒中。
而继电器则是一种电磁开关,它通过接通或断开电路控制电流的流向。
在新途安车型中,继电器分为两种类型:通用型和专用型。
通用型继电器被安装在驾驶室的布线箱中,被用于控制电气系统中的各种设备开关。
而专用型继电器则被安装在发动机室的继电器盒中,用于控制发动机的各个系统。
下面,我们将具体介绍新途安车型中各个系统中使用的熔断丝和继电器的位置分配:1. 发动机控制系统在新途安车型的发动机控制系统中,专用型继电器和熔断丝位于发动机室内。
其中,专用型继电器用于控制发动机的启动、燃油系统、机油压力、故障指示灯等。
而燃油泵、喷油器、空气流量计、点火系统等则有各自对应的熔断丝保护。
2. 车身电气系统在新途安车型的车身电气系统中,通用型继电器和熔断丝被安装在驾驶员脚踏处的布线箱内。
其中,通用型继电器控制各种车身电器设备的开关,例如电动窗、后视镜、灯光、雨刷器等。
而熔断丝则用于保护各种设备的电路,以避免因过载损坏。
综上所述,新途安车型中的熔断丝和继电器位置分配对于保证车辆发动机系统的安全运行非常重要。
正确的熔断丝和继电器配置可以为车辆提供额外的安全措施,确保车辆的电子设备能够正常工作。
因此,请务必按照制造商的建议进行维护,以确保车辆发动机系统的发挥最佳性能。
除了熔断丝和继电器的位置分配,上海大众新途安还采用了许多其他技术手段来保证车辆的运行安全和性能。
首先,新途安采用了先进的车载电脑系统,通过对各种传感器和执行器的监控,确保发动机及车辆各个系统工作正常。
H ?汽车用保险丝简介1>汽车保险丝定义、用途汽车电路中有许多用电设备被不同颜色的电线连接起来,其中最不可忽视的应该是保险丝。
保险丝被称为熔断器,IEC127标准将其定义为“熔断体(fuse-link) ”,它是一种安装在电路中,保证电路安全运行的电器元件。
保险丝的作用是:当电路发生故障或异常,伴随着电流不断升高,并且升高的电流有可能损坏电路中的某些重要器件,也有可能烧毁电路甚至造成火灾时,若电路中正确地安置了保险丝,则保险丝就会在电流异常升高到一定高度和时候,自身熔断切断电流,从而起到保护电路安全运行的作用H ?>汽车保险丝构造一般保险丝由三部分组成:一是熔体部分,它是保险丝的核心,熔断时起到切断电流的作用。
同一类、同一规格保险丝的电阻值应尽可能地小且要一致,其中最重要的是熔断特征要一致;二是电极部分,通常有两个,是熔体与电路联接的重要部件,它必须具有良好的导电性,不应产生明显的安装接触电阻;三是支架部分,支架的作用就是将熔体固定并三个部分成为刚性的整体以便于安装、使用,它必须有良好的机械强度、绝缘性、耐热性、阻燃性,在使用中不应产生断裂、变形、燃烧及短路等现象。
H ?>汽车保险丝工作原理当电流流过导体时,因导体存在一定的电阻,所以导体将会发热,其发热量大小遵循以下公式Q=0・24*I2*R*tQ为发扌灵量’I为流亦导体的电流'R为导体的电阻,t为电流流过导体的时间。
当电流流过时,就会发热,随着时间的增加其发热量也在增加,当温度升高到保险丝的熔点以上时,保险丝将发生熔断。
这就是保险丝的工作原理>汽车保险丝类型按熔断器结构不同,可将常用的汽车12V电源系统熔断器分为以下几种:1)片式熔断器:由2个片形插头式输入输出端子与1个熔丝组成的电导体件,以及1个绝缘体件构成2)插入式熔断器:由2个片形插座式输入输岀端子与1个熔丝组成的电导体件,以及1个绝缘体件构成3 )旋紧式熔断器:由2个片形插头式的合适螺钉连接的输入输出端子与1 个熔丝组成的电导体件,以及1个绝缘体件构成4)平板式熔断器:根据平板厚度及中间宽度,接于电路中进行电器保护的熔断式保护器件5)玻璃管熔断器:由两端金属帽中间靠金属条连接,将金属条罩在玻璃管内的一种熔断器6)多重慢熔熔断器:由1个片形插头式的合适螺钉连接的输入端子和多个片形插头式输出端子与多个熔丝组成的电导体件,以及1个绝缘体件构成7)蓄电池端子熔断器:由蓄电池端子作为输入和多个螺钉连接的输出端子与多个熔丝组成的电导体件,以及一个组合的绝缘体件所构成。
手册3.2驾驶目录1目录起动和驾驶. . . . . . . . . . . . . 引言 . . . . . . . . . . . . . . . . .点火开关 . . . . . . . . . . . . . . .起动和关闭发动机. . . . . . . . . . .手动变速箱 . . . . . . . . . . . . . .DSG 变速箱 . . . . . . . . . . . . . .驾驶辅助系统 . . . . . . . . . . .坡道辅助系统* . . . . . . . . . . . .. . . . . . . . . . . . . . . . . . . .后部驻车距离报警系统 . . . . . . . . 前后驻车距离报警系统. . . . . . . . 智能泊车辅助系统 . . . . . . . . . . 可视驻车系统. . . . . . . . . . . . . 定速巡航系统. . . . . . . . . . . . . 汽车与环境 . . . . . . . . . . . . 涉水行驶. . . . . . . . . . . . . . . 车辆磨合. . . . . . . . . . . . . . . 提高行驶经济性/降低环境污染 . . . OBD 系统 . . . . . . . . . . . . . . . 22234512121212131421232626262930手册3.2驾驶起动和驾驶2起动和驾驶引言亲爱的用户本册包含驾驶方面的重要信息。
在章节 第2页,“起动和驾驶” 您可找到有关发动机的起动和关闭、变速箱的操纵。
驾驶辅助系统相关信息请参见 ⇒第12页,“驾驶辅助系统”。
关于车辆磨合、具有环保意识的行驶请参见 ⇒第26页,“汽车与环境”。
点火开关点火开关锁孔位置图1 点火开关锁孔位置点火开关关闭 处于这个位置时 ⇒图1 ,点火开关关闭。
基本配置从 2003 年 2 月起说明:信息♦♦♦♦继电器位置分配和保险丝位置分配多脚插头连接控制单元和继电器接地点注意在一览中的安装位置!ws = 白色sw = 黑色ro = 红色br = 棕色gn = 绿色bl = 蓝色gr = 灰色li = 淡紫色ge = 黄色or = 桔黄色蓄电池、供电继电器 - 总线端30、总线端 15供电继电器、车载电网控制单元、总线端15 供电继电器-2-、保险丝ACJ317 J329 J519 J681 SA1 SA6 SB3 SB16 SB17 SB24 SB31 SB38 ––––––––––––––蓄电池交流发电机供电继电器 - 总线端 30总线端 15 供电继电器车载电网控制单元总线端 15 供电继电器 -2-蓄电池保险丝架上的保险丝 -1-蓄电池保险丝架上的保险丝 -6-保险丝架上的保险丝 -3-保险丝架上的保险丝 -16-保险丝架上的保险丝 -17-保险丝架上的保险丝 -24-保险丝架上的保险丝 -31-保险丝架上的保险丝 -38-SB39SB40SB47SB48T40507***––––––––保险丝架上的保险丝 -39-保险丝架上的保险丝 -40-保险丝架上的保险丝 -47-保险丝架上的保险丝 -48-40 芯插头连接,在发动机舱内左侧电控箱上螺栓连接(30),在蓄电池保险丝夹上至 2003 年 6 月从 2003 年 6 月起ws = 白色sw = 黑色ro = 红色br = 棕色gn = 绿色bl = 蓝色gr = 灰色li = 淡紫色ge = 黄色or = 桔黄色车载电网控制单元、保险丝J519 SC3 SC8 SC15 SC23 SC24 SC28 SC29 SC32 SC35 SC42 SC44 SC46 SC47 ––––––––––––––车载电网控制单元保险丝架上的保险丝 -3-保险丝架上的保险丝 -8-保险丝架上的保险丝 -15-保险丝架上的保险丝 -23-保险丝架上的保险丝 -24-保险丝架上的保险丝 -28-保险丝架上的保险丝 -29-保险丝架上的保险丝 -32-保险丝架上的保险丝 -35-保险丝架上的保险丝 -42-保险丝架上的保险丝 -44-保险丝架上的保险丝 -46-保险丝架上的保险丝 -47-SC52***–––保险丝架上的保险丝 -52-至 2003 年 6 月从 2003 年 6 月起ws = 白色sw = 黑色ro = 红色br = 棕色gn = 绿色bl = 蓝色gr = 灰色li = 淡紫色ge = 黄色or = 桔黄色车载电网控制单元、左侧前雾灯灯泡、右侧前雾灯灯泡、左侧近光灯灯泡、左侧远光灯灯泡J519 L22 L23 M1 M5 M29 M30 T4n T10i V48 203376 ––––––––––––车载电网控制单元左侧前雾灯灯泡右侧前雾灯灯泡左侧停车灯灯泡左前转向信号灯灯泡左侧近光灯灯泡左侧远光灯灯泡4 芯插头连接,发动机舱内左前10 芯插头连接左侧大灯照明距离调节伺服马达接地连接,前雾灯导线束中接地连接 -11-,主导线束中379642655B455B457B458––––––接地连接 -14-,主导线束中接地点,电控风扇接地点,左侧大灯上连接(LWR),在主导线束中连接 -4-(电位计),在主导线束中连接 -2-(电位计),在主导线束中ws = 白色sw = 黑色ro = 红色br = 棕色gn = 绿色bl = 蓝色gr = 灰色li = 淡紫色ge = 黄色or = 桔黄色照明调节器 - 开关和仪表、大灯光线水平调整调节器、车载电网控制单元、右侧近光灯灯泡、右侧远光灯灯泡E20 E102 J519 L76 M3 M7 M31 M32 T8e T10j V49 78378 –––––––––––––照明调节器 - 开关和仪表大灯光线水平调整调节器车载电网控制单元按钮照明右侧停车灯灯泡右前转向信号灯灯泡右侧近光灯灯泡右侧远光灯灯泡8 芯插头连接10 芯插头连接右侧大灯照明距离调节伺服马达接地点,右侧 B 柱,下部接地连接 -13-,主导线束中656B455B457B458––––接地点,右侧大灯上连接(LWR),在主导线束中连接 -4-(电位计),在主导线束中连接 -2-(电位计),在主导线束中ws = 白色sw = 黑色ro = 红色br = 棕色gn = 绿色bl = 蓝色gr = 灰色li = 淡紫色ge = 黄色or = 桔黄色车灯开关、前雾灯开关、后雾灯开关、车载电网控制单元、车灯开关照明灯泡E1 E7 E18 J519 L9T10h 44 368 372 A167 ––––––––––车灯开关前雾灯开关后雾灯开关车载电网控制单元车灯开关照明灯泡10 芯插头连接接地点,左侧 A 柱,下部接地连接 -3-,主导线束中接地连接 -7-,主导线束中正极连接 -3-(30a),在仪表板导线束中B238–正极连接 -2-(58b),在车内空间导线束中ws = 白色sw = 黑色ro = 红色br = 棕色gn = 绿色bl = 蓝色gr = 灰色li = 淡紫色ge = 黄色or = 桔黄色车载电网控制单元、后雾灯、尾灯J519 L46 L47 M2 M4 M6 M8 M9 M10 M16 M17 T6i T6j –––––––––––––车载电网控制单元左侧后雾灯灯泡右侧后雾灯灯泡右侧尾灯灯泡左侧尾灯灯泡左后转向信号灯灯泡右后转向信号灯灯泡左侧刹车灯灯泡右侧刹车灯灯泡左侧倒车灯灯泡右侧倒车灯灯泡6 芯插头连接,在左侧尾灯上6 芯插头连接,在右侧尾灯上249369653654––––接地连接 -2-,车内空间导线束中接地连接 -4-,主导线束中接地点,左侧 D 柱接地点,右侧 D 柱ws = 白色sw = 黑色ro = 红色br = 棕色gn = 绿色bl = 蓝色gr = 灰色li = 淡紫色ge = 黄色or = 桔黄色间歇式刮水器运行开关、车窗玻璃刮水器间歇运行调节器、车载电网控制单元、转向柱电子装置控制单元EE22 E38 F125 J220 J248 J361 J519 J527 T10n T12b T20d T94 T121––––––––––––––车窗玻璃刮水器开关间歇式刮水器运行开关车窗玻璃刮水器间歇运行调节器多功能开关Motronic 控制单元柴油直接喷射装置控制单元Simos 控制单元车载电网控制单元转向柱电子装置控制单元10 芯插头连接,在中控台下12 芯蓝色插头连接,排水槽内左侧20 芯插头连接94 芯插头连接121 芯插头连接44368382–––接地点,左侧 A 柱,下部接地连接 -3-,主导线束中接地连接 -17-,主导线束中ws = 白色sw = 黑色ro = 红色br = 棕色gn = 绿色bl = 蓝色gr = 灰色li = 淡紫色ge = 黄色or = 桔黄色点火起动开关、定速巡航装置开关、X触点卸载继电器、转向柱电子装置控制单元、左侧喷嘴加热电阻、右侧喷嘴加热电阻DE45 E227 J59 J519 J527 T2t T2u Z20 Z21 ––––––––––点火起动开关GRA 开关GRA 按钮(套件)X 触点卸载继电器车载电网控制单元转向柱电子装置控制单元2 芯插头连接2 芯插头连接左侧喷嘴加热电阻右侧喷嘴加热电阻47373C14–––接地点,右前脚部空间内接地连接 -8-,主导线束中正极连接(15),在可加热清洗喷嘴导线束中ws = 白色sw = 黑色ro = 红色br = 棕色gn = 绿色bl = 蓝色gr = 灰色li = 淡紫色ge = 黄色or = 桔黄色后行李箱盖把手开锁按钮、驾驶员侧车门控制单元、副驾驶员侧车门控制单元、驾驶员侧外后视镜转向信号灯灯泡、副驾驶员侧外后视镜转向信号灯灯泡、牌照灯E234 J386 J387 J519 L131 L132 T4f T10 T10e T16a T16d T20a T20b T28 T28a X ––––––––––––––––开锁按钮,后行李箱盖把手车门控制单元,驾驶员侧车门控制单元,副驾驶员侧车载电网控制单元外后视镜转向信号灯灯泡,驾驶员侧外后视镜转向信号灯灯泡,副驾驶员侧4 芯插头连接,在后行李箱盖把手上10 芯插头连接,车顶后部中间10 芯插头连接,在后行李箱盖内左侧16 芯插头连接16 芯插头连接20 芯插头连接20 芯插头连接28 芯插头连接,在左侧 A 柱上28 芯插头连接,在右侧 A 柱上牌照灯8998107369653*––––––接地连接 -1-,车窗升降器导线束中接地连接,后行李箱盖导线束中接地连接,车外后视镜导线束中接地连接 -4-,主导线束中接地点,左侧 D 柱参见舒适 / 便利功能系统ws = 白色sw = 黑色ro = 红色br = 棕色gn = 绿色bl = 蓝色gr = 灰色li = 淡紫色ge = 黄色or = 桔黄色车载电网控制单元、双清洗泵继电器 -2-、高位刹车灯灯泡、驾驶员侧车窗玻璃刮水器马达、副驾驶员侧车窗玻璃刮水器马达J519 J730 T2b T4p T4q T10 T10e M25 V216 V217 ––––––––––车载电网控制单元双清洗泵继电器 -2-2 芯插头连接,在后行李箱盖内4 芯插头连接4 芯插头连接10 芯插头连接,车顶后部中间10 芯插头连接,在后行李箱盖内左侧高位刹车灯灯泡驾驶员侧车窗玻璃刮水器马达副驾驶员侧车窗玻璃刮水器马达98380609–––接地连接,后行李箱盖导线束中接地连接 -15-,主导线束中接地点,排水槽内右侧ws = 白色sw = 黑色ro = 红色br = 棕色gn = 绿色bl = 蓝色gr = 灰色li = 淡紫色ge = 黄色or = 桔黄色车载电网控制单元、可加热后窗玻璃继电器、双清洗泵继电器-1-、车窗玻璃清洗泵、后窗玻璃刮水器马达、可加热后窗玻璃J9J519 J729 T4u T10 T10d T10e T10f V5 V12 Z1 –––––––––––可加热后窗玻璃继电器车载电网控制单元双清洗泵继电器 -1-4 芯插头连接10 芯插头连接,车顶后部中间10 芯插头连接,车顶后部中间10 芯插头连接,在后行李箱盖内左侧10 芯插头连接,在后行李箱盖内右侧车窗玻璃清洗泵后窗玻璃刮水器马达可加热式后窗玻璃383654B183B184––––接地连接 -25-,主导线束中接地点,右侧 D 柱连接 -1-(车窗玻璃清洗泵),在车内空间导线束中连接 -2-(车窗玻璃清洗泵),在车内空间导线束中ws = 白色sw = 黑色ro = 红色br = 棕色gn = 绿色bl = 蓝色gr = 灰色li = 淡紫色ge = 黄色or = 桔黄色高音喇叭、低音喇叭、舒适 / 便利功能系统中央控制单元、信号喇叭继电器、车载电网控制单元、油箱盖板联锁装置马达H2 H7 J4J393 J519 T2T18 V155 249 378 379 –––––––––––高音喇叭,左前侧低音喇叭,右前侧双音喇叭继电器舒适 / 便捷功能系统中央控制单元车载电网控制单元2 芯插头连接18 芯插头连接油箱盖板联锁装置马达接地连接 -2-,车内空间导线束中接地连接 -13-,主导线束中接地连接 -14-,主导线束中642654656A90***––––––接地点,电控风扇接地点,右侧 D 柱接地点,右侧大灯上连接(双音喇叭),在仪表板导线束中仅用于带双音喇叭的汽车参见舒适 / 便利功能系统版本 2003 年 2 月ws = 白色sw = 黑色ro = 红色br = 棕色gn = 绿色bl = 蓝色gr = 灰色li = 淡紫色ge = 黄色or = 桔黄色化妆镜接触开关、车载电网控制单元、后部阅读灯、化妆镜照明F147 F148 J519 T8d W11 W12 W14 W20 44238 347 –––––––––––化妆镜接触开关 - 驾驶员侧化妆镜接触开关 - 副驾驶员侧车载电网控制单元8 芯插头连接左后阅读灯右后阅读灯照明式化妆镜(副驾驶员侧)照明式化妆镜(驾驶员侧)接地点,左侧 A 柱,下部接地连接 -1-,车内空间导线束中接地连接,车顶导线束中366B150B250R6––––接地连接 -1-,在主导线束中正极连接 -2-(30a),在车内空间导线束中正极连接,在车顶导线束中正极连接 -1-,在车内照明灯导线束中ws = 白色sw = 黑色ro = 红色br = 棕色gn = 绿色bl = 蓝色gr = 灰色li = 淡紫色ge = 黄色or = 桔黄色车载电网控制单元、点烟器、后点烟器、前部车内照明灯、左侧中部阅读灯、右侧中部阅读灯J519 L28 L32 T3f T3g T3h U1 U9 W1 W39 W40–––––––––––车载电网控制单元点烟器照明灯泡后部点烟器照明灯泡3 芯插头连接3 芯插头连接3 芯插头连接点烟器后点烟器前部车内照明灯阅读灯,左侧中部阅读灯,右侧中部43374A168B150R6–––––接地点,右侧 A 柱,下部接地连接 -9-,主导线束中正极连接 -4-(30a),在仪表板导线束中正极连接 -2-(30a),在车内空间导线束中正极连接 -1-,在车内照明灯导线束中版本 2003 年 2 月ws = 白色sw = 黑色ro = 红色br = 棕色gn = 绿色bl = 蓝色gr = 灰色li = 淡紫色ge = 黄色or = 桔黄色闪烁报警灯开关、刹车灯开关、倒车灯开关、车载电网控制单元、12V插座E3 FF4J519 K6 T3i T4T4y T12b U544368 ––––––––––––闪烁报警灯开关制动信号灯开关倒车灯开关车载电网控制单元闪烁报警装置指示灯3 芯插头连接4 芯插头连接4 芯插头连接12 芯蓝色插头连接,排水槽内左侧12 V 插座,行李箱内接地点,左侧 A 柱,下部接地连接 -3-,主导线束中382383654A192B131–––––接地连接 -17-,主导线束中接地连接 -25-,主导线束中接地点,右侧 D 柱正极连接 -3-(15a),在仪表板导线束中连接(54),在车内空间导线束中ws = 白色sw = 黑色ro = 红色br = 棕色gn = 绿色bl = 蓝色gr = 灰色li = 淡紫色ge = 黄色or = 桔黄色暖风 / 加热功率开关、空气内循环风门伺服马达内的电位计、车载电网控制单元、新鲜空气鼓风机、新鲜空气 / 空气内循环风门伺服马达E16 G143 J8J519 N24 T2i T4r T5T6k T10k T20c V2V154–––––––––––––暖风 / 加热功率开关空气内循环风门伺服马达内的电位计*驻车暖风继电器车载电网控制单元带过热保险丝的新鲜空气鼓风机串联电阻2 芯插头连接4 芯插头连接5 芯插头连接6 芯插头连接10 芯插头连接20 芯插头连接新鲜空气鼓风机新鲜空气 / 空气内循环风门伺服马达47373L32L34*–––––接地点,右前脚部空间内接地连接 -8-,主导线束中连接 -1-,在加热装置导线束中连接 -2-,在加热装置导线束中仅用于 Climatronic 自动空调ws = 白色sw = 黑色ro = 红色br = 棕色gn = 绿色bl = 蓝色gr = 灰色li = 淡紫色ge = 黄色or = 桔黄色防盗锁止系统读出线圈、手制动控制开关、制动液液位警告信号触点、仪表板、防盗锁止系统控制单元D2 F9F34 J285 J362 J519 KK115 K118 T2v T2w T2x T36 44367 –––––––––––––––防盗锁止系统读出线圈手制动控制开关制动液液位警告信号触点组合仪表中带显示单元的控制单元防盗锁止系统控制单元车载电网控制单元组合仪表防盗锁止系统指示灯制动系统指示灯2 芯插头连接2 芯插头连接2 芯插头连接36 芯插头连接接地点,左侧 A 柱,下部接地连接 -2-,主导线束中368376381382655B277––––––接地连接 -3-,主导线束中接地连接 -11-,主导线束中接地连接 -16-,主导线束中接地连接 -17-,主导线束中接地点,左侧大灯上正极连接 -1-(15a),在主导线束中ws = 白色sw = 黑色ro = 红色br = 棕色gn = 绿色bl = 蓝色gr = 灰色li = 淡紫色ge = 黄色or = 桔黄色油压开关、车外温度传感器、冷却液不足显示传感器、车窗清洗液液位传感器、左前制动摩擦片磨损传感器、仪表板F1 G17 G32 G33 G34 J245 J285 J519 KK3 K28 K32 K37 T2y T2z T6b ––––––––––––––––油压开关车外温度传感器冷却液不足显示传感器车窗清洗液液位传感器左前制动摩擦片磨损传感器滑动天窗调节控制单元控制单元组合仪表中带显示单元的控制单元车载电网控制单元组合仪表油压指示灯冷却液温度/冷却液不足显示指示灯制动摩擦片指示灯车窗清洗液液位指示灯2 芯插头连接2 芯插头连接,在保险杠上左前侧6 芯插头连接,在滑动天窗调节控制单元控制单元上T14aT36372410B379B380––––––14 芯插头连接,发动机上36 芯插头连接接地连接 -7-,主导线束中接地连接 -1-(传感器接地),主导线束中连接 -1-(制动摩擦片磨损显示),主导线束中连接 -2-(制动摩擦片磨损显示),主导线束中ws = 白色sw = 黑色ro = 红色br = 棕色gn = 绿色bl = 蓝色gr = 灰色li = 淡紫色ge = 黄色or = 桔黄色仪表板、车载电网控制单元、指示灯J285 J519 KK1K2K4K13 K18 K19 K31 K47 K75 K83 K115 K149 –––––––––––––––组合仪表中带显示单元的控制单元车载电网控制单元组合仪表远光灯指示灯发电机指示灯停车灯指示灯后雾灯指示灯带拖车行驶指示灯安全带报警系统指示灯GRA 指示灯ABS 指示灯安全气囊指示灯排气警示灯防盗锁止系统指示灯发动机电控系统指示灯ws = 白色sw = 黑色ro = 红色br = 棕色gn = 绿色bl = 蓝色gr = 灰色li = 淡紫色ge = 黄色or = 桔黄色仪表板、数据总线诊断接口、指示灯J285 J519 J533 KK155 K161 K166 K169 K170 K171 K191 K193 T20 T36 ––––––––––––––组合仪表中带显示单元的控制单元车载电网控制单元数据总线诊断接口组合仪表稳定程序指示灯,ASR/ESP电动机械式转向助力器指示灯车门打开指示灯换档杆锁指示灯灯泡故障指示灯发动机舱盖打开指示灯燃油存量指示灯,附加油箱靠背联锁指示灯,后座椅20 芯插头连接36 芯插头连接A146A147A164–––连接(舒适 / 便捷功能高速 CAN 总线),在仪表板导线束中连接(舒适 / 便捷功能低速 CAN 总线),在仪表板导线束中正极连接 -2-(30a),在仪表板导线束中ws = 白色sw = 黑色ro = 红色br = 棕色gn = 绿色bl = 蓝色gr = 灰色li = 淡紫色ge = 黄色or = 桔黄色车载电网控制单元、数据总线诊断接口、诊断接口J… J519 J533 T12b T16 T20 367A178 A179 B383 B390 –––––––––––发动机控制单元车载电网控制单元数据总线诊断接口12 芯插头连接,在排水槽内左侧16 芯诊断接口插头连接,仪表板下面左侧20 芯插头连接接地连接 -2-,主导线束中连接(信息娱乐系统高速 CAN 总线),在仪表板导线束中连接(信息娱乐系统低速 CAN 总线),在仪表板导线束中连接 -1-(动力传动系统 CAN 总线,高速),在主导线束中连接 -1-(动力传动系统 CAN 总线,低速),在主导线束中B397B406––连接 -1-(舒适 / 便利功能 CAN 总线,高速),在主导线束中连接 -1-(舒适 / 便利功能 CAN 总线,低速),在主导线束中途安 电路图 编号 2/1舒适 / 便利功能系统●中央门锁● 电动车窗升降机● 防盗报警装置● 滑动和外翻式天窗● 带折叠功能的电动车外后视镜● 油箱盖板解锁装置从 2003 年 2 月起说明:信息♦♦♦♦继电器位置分配和保险丝位置分配多脚插头连接控制单元和继电器接地点=>注意在一览中的安装位置!ws = 白色sw = 黑色ro = 红色br = 棕色gn = 绿色bl = 蓝色gr = 灰色li = 淡紫色ge = 黄色or = 桔黄色蓄电池、车载电网控制单元、保险丝ACJ519 S52 SA1 SA6 SB53 SC44 SC49 SC51 SC53 T40 ––––––––––––蓄电池交流发电机车载电网控制单元中央门锁保险丝,在仪表板左侧继电器托架上蓄电池保险丝架上的保险丝 -1-蓄电池保险丝架上的保险丝 -6-保险丝架上的保险丝 -53-保险丝架上的保险丝 -44-保险丝架上的保险丝 -49-保险丝架上的保险丝 -51-保险丝架上的保险丝 -53-40 芯插头连接,在发动机舱内左侧电控箱上A1A62*–––正极连接(30a),在仪表板导线束中连接(车窗升降器),在仪表板导线束中仅用于带车内监控传感器的车辆ws = 白色sw = 黑色ro = 红色br = 棕色gn = 绿色bl = 蓝色gr = 灰色li = 淡紫色ge = 黄色or = 桔黄色驾驶员侧车门控制单元、车窗升降器开关、车窗升降器马达(驾驶员侧)E40 E53 E55 E81 E381 J386 J519 L76 T10a T20a T28 T32a V147 –––––––––––––左前车窗升降器开关左后车窗升降器开关,驾驶员右后车窗升降器开关,驾驶员右前车窗升降器开关,驾驶员儿童安全锁按钮车门控制单元,驾驶员侧车载电网控制单元按钮照明10 芯插头连接20 芯插头连接,在车门控制单元上28 芯插头连接,在 A 柱上32 芯插头连接,在车门控制单元上驾驶员侧车窗升降器马达267Q38––接地连接 -2-,车门电缆导线束中正极连接(58b)-1-,在车窗升降器导线束中ws = 白色sw = 黑色ro = 红色br = 棕色gn = 绿色bl = 蓝色gr = 灰色li = 淡紫色ge = 黄色or = 桔黄色驾驶员侧车门控制单元、驾驶员侧车内联锁按钮、中央门锁指示灯-SAFE-E308 J386 J519 K174 L76 T4a T32a W31 ––––––––车内联锁按钮,驾驶员侧车门控制单元,驾驶员侧车载电网控制单元车内联锁指示灯,驾驶员侧按钮照明4 芯插头连接32 芯插头连接,在车门控制单元上左前登车照明灯267Q39––接地连接 -2-,驾驶员侧车门电缆导线束中正极连接(58b)-2-,在车窗升降器导线束中版本2003年2月ws = 白色sw = 黑色ro = 红色br = 棕色gn = 绿色bl = 蓝色gr = 灰色li = 淡紫色ge = 黄色or = 桔黄色驾驶员侧车门控制单元、车载电网控制单元、燃油箱盖开锁按钮、后视镜调节开关、后视镜调节转换开关、后视镜内折开关E43 E48 E231 E263 E319 J386 J519 L76 L78 T4b T6a T32a ––––––––––––后视镜调节开关后视镜调节转换开关车外后视镜加热按钮后视镜内折开关燃油箱盖开锁按钮车门控制单元,驾驶员侧车载电网控制单元按钮照明照明 - 后视镜调节开关4 芯插头连接6 芯插头连接32 芯插头连接,在车门控制单元上304Q39––接地连接 -3-,驾驶员侧车门电缆导线束中正极连接(58b)-2-,在车窗升降器导线束中ws = 白色sw = 黑色ro = 红色br = 棕色gn = 绿色bl = 蓝色gr = 灰色li = 淡紫色ge = 黄色or = 桔黄色可加热车外后视镜继电器、驾驶员侧车门控制单元、后视镜调整马达、可加热车外后视镜J99 J386 J519 L131 T16a T20a T28 V17 V121 V149 Z4 –––––––––––可加热车外后视镜继电器车门控制单元,驾驶员侧车载电网控制单元外后视镜转向信号灯灯泡,驾驶员侧16 芯插头连接,在车门控制单元上20 芯插头连接,在车门控制单元上28 芯插头连接,在 A 柱上后视镜调节马达(驾驶员侧)后视镜内折马达(驾驶员侧)后视镜调节马达(驾驶员侧)可加热式车外后视镜,驾驶员侧89366602–––接地连接 -1-,车窗升降器导线束中接地连接 -1-,在主导线束中接地点,左前脚部空间内ws = 白色sw = 黑色ro = 红色br = 棕色gn = 绿色bl = 蓝色gr = 灰色li = 淡紫色ge = 黄色or = 桔黄色驾驶员侧车门控制单元、驾驶员侧车门接触开关、驾驶员车门中央门锁马达、中央门锁马达(Safe)、驾驶员侧用于中央门锁的上锁单元F2F220 J386 J519 T10b T20a V56 V161 ––––––––驾驶员侧车门接触开关中央门锁闭锁单元,驾驶员侧车门控制单元,驾驶员侧车载电网控制单元10 芯插头连接20 芯插头连接驾驶员车门中央门锁马达驾驶员车门中央门锁马达(Safe)ws = 白色sw = 黑色ro = 红色br = 棕色gn = 绿色bl = 蓝色gr = 灰色li = 淡紫色ge = 黄色or = 桔黄色副驾驶员侧车门控制单元、车窗升降器开关(副驾驶员侧)、车窗升降器马达(副驾驶员侧)E107 F221 J387 J519 L76 T4c T10c T20b T28a T32b V57 V148 V162 W32 ––––––––––––––车窗升降器开关,副驾驶员车门中中央门锁闭锁单元,副驾驶员侧车门控制单元,(副驾驶员侧)车载电网控制单元按钮照明4 芯插头连接10 芯插头连接20 芯插头连接,在车门控制单元上28 芯插头连接,在 A 柱上32 芯插头连接,在车门控制单元上副驾驶员车门中央门锁马达副驾驶员侧车窗升降器马达副驾驶员车门中央门锁马达(Safe)右前登车照明灯43303––接地点,右侧 A 柱,下部接地连接 -3-,车门电缆导线束中ws = 白色sw = 黑色ro = 红色br = 棕色gn = 绿色bl = 蓝色gr = 灰色li = 淡紫色ge = 黄色or = 桔黄色车门控制单元(副驾驶员侧)、车门接触开关(副驾驶员侧)、后视镜调节马达(副驾驶员侧)、副驾驶员侧后视镜折叠马达、副驾驶员侧后视镜调节马达F3J387 J519 L132 T10c T16d T20b V25 V122 V150 Z4 –––––––––––副驾驶员侧车门接触开关副驾驶员侧车门控制单元车载电网控制单元外后视镜转向信号灯灯泡,副驾驶员侧10 芯插头连接16 芯插头连接20 芯插头连接后视镜调节马达(副驾驶员侧)副驾驶员侧后视镜折叠马达副驾驶员侧后视镜调节马达可加热式车外后视镜,驾驶员侧107 –接地连接,车外后视镜导线束中ws = 白色sw = 黑色ro = 红色br = 棕色gn = 绿色bl = 蓝色gr = 灰色li = 淡紫色ge = 黄色or = 桔黄色左后车门接触开关、左后中央门锁闭锁单元、舒适 / 便利功能系统中央控制单元、车载电网控制单元、中央门锁和防盗报警装置天线、油箱盖板联锁装置马达、左后车门中央门锁马达(Safe)、左后车门中央门锁马达(Lock)F10 F222 J393 J519 R47 T2T8a T18 T18a T28b V155 V163 V214 –––––––––––––左后车门接触开关中央门锁闭锁单元,左后舒适 / 便捷功能系统中央控制单元车载电网控制单元中央门锁和防盗报警装置天线2 芯插头连接8 芯插头连接18 芯插头连接18 芯插头连接28 芯插头连接油箱盖板联锁装置马达左后车门中央门锁马达(Safe)左后车门中央门锁马达(Lock)4477238249654*––––––接地点,左侧 A 柱,下部接地点,左侧 B 柱下部接地连接 -1-,车内空间导线束中接地连接 -2-,车内空间导线束中接地连接 -1-,车内空间导线束中仅用于带后部电动车窗升降机的车辆版本2003 年4月ws = 白色sw = 黑色ro = 红色br = 棕色gn = 绿色bl = 蓝色gr = 灰色li = 淡紫色ge = 黄色or = 桔黄色右后车门接触开关、右后中央门锁闭锁单元、舒适 / 便利功能系统中央控制单元、车载电网控制单元、右后车门中央门锁马达(Safe)、右后车门中央门锁马达(Lock)F11 F223 J393 J519 T6T8T8b T18 T18a T28c V164 V215 ––––––––––––右后车门接触开关中央门锁闭锁单元,右后舒适 / 便捷功能系统中央控制单元车载电网控制单元6 芯插头连接8 芯插头连接8 芯插头连接18 芯插头连接18 芯插头连接28 芯插头连接,在 B 柱右后部右后中央门锁(安全功能)马达右后车门中央门锁(上锁)马达78195***––––接地点,右侧 B 柱,下部接地连接,后部车门接触开关导线束中仅用于带车内监控传感器的车辆仅用于带后部电动车窗升降机的车辆版本2003 年2月ws = 白色sw = 黑色ro = 红色br = 棕色gn = 绿色bl = 蓝色gr = 灰色li = 淡紫色ge = 黄色or = 桔黄色车门控制单元(左后部)、车窗升降器马达(左后部)、车窗升降器开关(左后部)E52 J388 J519 L76 T4d T18b T28b V26 W33 –––––––––左后车窗升降器开关(车门中)左后车门控制单元车载电网控制单元按钮照明4 芯插头连接18 芯插头连接28 芯插头连接,在 B 柱上左后车窗升降器马达左后登车照明灯408*––接地连接 -3-,左后车门电缆导线束中仅用于带后部电动车窗升降机的车辆ws = 白色sw = 黑色ro = 红色br = 棕色gn = 绿色bl = 蓝色gr = 灰色li = 淡紫色ge = 黄色or = 桔黄色右后车门控制单元、车载电网控制单元、右后车窗升降器开关(车门中)E54 J389 J519 L76 T4e T18c T28c V27 W34 –––––––––右后车窗升降器开关(车门中)右后车门控制单元车载电网控制单元按钮照明4 芯插头连接18 芯插头连接28 芯插头连接,在右侧 B 柱上右后车窗升降器马达右后登车照明灯409*––接地连接 -3-,右后车门电缆导线束中仅用于带后部电动车窗升降机的车辆ws = 白色sw = 黑色ro = 红色br = 棕色gn = 绿色bl = 蓝色gr = 灰色li = 淡紫色ge = 黄色or = 桔黄色车载电网控制单元、开锁按钮(后行李箱盖把手)、后行李箱盖闭锁单元、后行李箱盖开锁马达E234 F256 J519 T4f T4g T10 T10e V139 X –––––––––开锁按钮,后行李箱盖把手后行李箱盖闭锁单元车载电网控制单元4 芯插头连接,在后行李箱盖把手上4 芯插头连接10 芯插头连接,车顶后部中间10 芯插头连接,在后行李箱盖内左侧后行李箱盖开锁马达牌照灯98369653*––––接地连接,后行李箱盖导线束中接地连接 -4-,主导线束中接地点,左侧 D 柱参见基本装备版本2003年 2 月。