学习情境练习题
- 格式:docx
- 大小:39.88 KB
- 文档页数:6
学习情境二一、单项选择题1.泰罗的代表作是()A《科学管理原理》 B《工业管理与一般管理》C《新教伦理与资本主义精神》 D《经理工作的性质》2.泰罗认为科学管理的中心问题是()A 提高劳动生产率 B实行职能制C实行例外管理原则 D提高劳动生产率3.按照韦伯的观点,只有()才适宜作为理想行政组织体系的基础。
A理性—合法权力 B传统权力 C超凡权力 D个人影响权4.在管理思想史上,()被称为“经营管理理论之父”A泰罗 B韦伯 C 法约尔 D梅奥5.管理过程学派主张按()建立一个作为研究管理问题的概念框架。
A管理原理 B管理职能 C管理原则 D管理方法6.社会系统学派是以组织理论为重点,从()的角度研究组织。
A经济学 B心理学 C社会学 D管理学7.决策理论学派的代表人物是()。
A西蒙 B巴纳德 C德鲁克 D赫茨伯格8.经验主义学派强调管理的()。
A科学性 B客观性 C主观性 D艺术性9.管理科学学派是()的继续和发展。
A泰罗的科学管理理论 B法约尔的一般管理理论C韦伯的理想行政组织体系理论 D梅奥的人际关系理论10.经理角色学派的代表人物是()A赫茨伯格 B明茨伯格 C巴纳德 D德鲁克11.马斯洛创建了()A双因素理论 B公平理论 C需要层次理论 D期望理论12.在管理思想史上,()被成为“组织理论之父”。
A巴纳德 B韦伯 C亚当斯 D明茨伯格13.厄威克试图从()角度将古典管理理论系统化。
A管理原理 B管理职能 C管理原则 D管理方法14.古利克试图从()角度将古典管理理论系统化。
A管理原理 B管理职能 C管理原则 D管理方法15.公平激励理论是由()创建的。
A斯金纳 B弗鲁姆 C马斯洛 D亚当斯16.管理过程学派的创始人是()A法约尔 B孔茨 C德鲁克 D西蒙17.战后管理过程学派的代表人物是()A法约尔 B孔茨 C德鲁克 D西蒙18.巴纳德是()的代表人物。
A决策理论学派 B经验主义学派 C科学管理学派 D社会系统学派二、多项选择题1.泰罗科学管理理论的主要内容包括()A科学地挑选工人 B工时研究和标准化 C差别计件工资制D实行职能制 E实行例外管理原则2.法约尔认为管理的职能包括()A计划 B组织 C人事 D领导 E控制3.霍桑试验的结论包括()A职工是“社会人” B职工是“经济人” C企业中存在着“非正式组织”D职工是“复杂人” E新的领导能力在于提高职工的满足度4.阿特金斯人为职工的行为取决于()A知识水平 B个性 C环境 D年龄 E性别5.麦克利兰的成就需要理论,将人的需要分为()A安全需要 B发展需要 C成就需要 D社会需要 E权力需要6.沙因的人性假设理论包括()A经济人 B社会人 C自我实现人 D管理人 E复杂人7.管理过程学派的理论要点包括()A管理是一个过程 B管理过程由五大职能构成C组织是人与人之间关系的协作系统D管理职能具有普遍性 E管理应具有灵活性8.按照社会系统学派的观点,正式组织的要素包括()A协作的意愿 B共同的目标 C信息联系 D协作效果 E协作效率三、判断题1.泰罗科学管理理论的中心问题是提高劳动生产率。
《管理学基础》学习情境四编制计划练习题学习情境四⼀、单项选择题1.⼀个组织最综合、最长远的⽬标是()A战略 B宗旨C规划 D政策2.⽬标管理中,主管对⼈性的假设是基于()A X理论B Y理论C复杂⼈ D经济⼈3.⽬标管理中,⽬标的制定是通过()A⾃上⽽下 B⾃下⽽上C双向沟通 D单向沟通4.传统的⽬标设定⽅法是通过()A⾃上⽽下 B⾃下⽽上C双向沟通 D单向沟通5.⽤于编制和调整长期计划的⼀种⼗分有效的⽅法是()A滚动计划法 B⽹络计划法C运筹学法 D投⼊产出法6.具有很强的可操作性,⼜有助于控制和动态优化的计划⽅法是()A滚动计划法 B⽹络计划法C运筹学法 D投⼊产出法7.⽬标管理是由美国管理学家()⾸先提出的。
A戴明 B孔茨C彼得〃德鲁克 D西蒙8.计划按所涉及的组织活动层次可分为()A战略、战术和作业计划 B综合、专业和项⽬计划C指导性计划和具体性计划 D战略、程序、规则、规划等9.计划按明确性可划分为()A战略、战术和作业计划 B综合、专业和项⽬计划C指导性计划和具体性计划 D战略、程序、规则、规划等10.计划按所涉及的组织活动内容可分为()A战略、战术和作业计划 B综合、专业和项⽬计划C指导性计划和具体性计划 D战略、程序、规则、规划等11.计划按表现形式分为()A战略、战术和作业计划 B综合、专业和项⽬计划C指导性计划和具体性计划 D战略、程序、规则、规划等12.⽬标按层次可分为()A社会、经济和发展⽬标 B营销、⽣产、财务和研发⽬标C战略、战术和具体作业⽬标 D长期、中期和短期⽬标13.⽬标按内容可分为()A社会、经济和发展⽬标 B营销、⽣产、财务和研发⽬标C战略、战术和具体作业⽬标 D长期、中期和短期⽬标14.⽬标按性质分为()A社会、经济和发展⽬标 B营销、⽣产、财务和研发⽬标C战略、战术和具体作业⽬标 D长期、中期和短期⽬标15.当组织处于⽣命周期的形成阶段时,较易采⽤的计划类型是()A具体性计划 B指导性计划C长期计划 D短期计划16.在管理中,居于主导地位的⼯作是()A计划 B组织C⼈员配备 D指挥⼆、多项选择题1.计划职能的任务是()A确定⽬标 B制定全局战略C提出计划⽅案 D协调各项活动2.计划应具有的特性是()A严肃性 B灵活性C不可更改性 D消除变化性3.对⽬标的要求应该是()A先进性 B可实现性C单⼀性 D明确性4.对计划的基本要求是()A.可⾏性B.预见性C.指导性D.⽬的性5.下列权变因素中,能够对计划类型产⽣影响的是()A管理者所处的组织层次 B管理者个性C组织⽣命周期 D组织环境的不确定性6.当环境不确定性越⼤时,较易采取的计划类型是()A具体的 B指导性的C长期的 D短期的7.当组织处于⽣命周期的成长阶段时,较易采取的计划类型是()A具体的 B指导性的C长期的 D短期的8.当组织处于⽣命周期的成熟阶段时,较易采取的计划类型是()A具体的 B指导性的C长期的 D短期的9.当组织处于⽣命周期的衰退阶段时,较易采取的计划类型是()A具体的 B指导性的C长期的 D短期的10.⼀个组织的⽬标可以是()A利润 B市场份额C社会责任 D雇员福利11.⽬标管理的缺点是()A⽬标管理理论尚未普及和宣传 B适当的⽬标不易确定C⽬标是长期的 D不灵活三、判断题1.没有⼀种单⼀的⽬标能够有效地评价⼀个组织是否成功地履⾏了它的使命。
学习情境八一、选择题1.根据马斯洛的需求层次理论,人的行为决定于( )A需求层次 B激励程度 C精神状态 D主导需求2.比较马斯洛的需求层次理论和赫兹伯格的双因素理论,马斯洛提出的五种需求)A生理和自尊的需要 B生理、安全和自我实现的需要C生理、安全和社交的需要 D安全和自我表现实现的需要3.曹雪芹虽食不果腹,仍然坚持《红楼梦》的创作,是出于其()A自尊需要 B情感需要 C自我实现的需要 D以上都不是4.商鞅在秦国推行改革,他在城门外立了一根木棍,声称有将木棍从南门移到北500金,但没有人去尝试。
根据期望理论,这是由于()A500金的效价太低 B居民对完成要求的期望很低C居民对得到报酬的期望很低 D枪打出头鸟,大家都不敢尝试5.当一位30~40岁的科研工作者显示出卓越的技术才能时,作为该科研人员的(注意,并不排斥其他方面的适当奖励)()A高额奖金 B配备最好的研究条件 C提职 D精神奖励(如评为劳模)6.在社会生活中,人们对各种客观存在的文化用品的需要,称为()A社会性需要 B自然性需要 C精神需要 D物质需要7.在人的各种需要中,最高层次的需要是()A自我实现需要 B安全需要 C尊重需要 D社会需要8.当人们认为自己的报酬与劳动之比,与他人的报酬与劳动之比是相等的,这时)A双因素理论 B效用理论 C公平理论 D强化理论9.按照双因素理论,下述哪一种因素属于激励因素()A奖金 B上下级关系 C工作内容的吸引力 D工作的保障10.从期望理论中,我们得到的最重要的启示是()A目标效价高低是激励是否有效的关键B期望概率的高低是激励是否有效的关键C存在着负效价,应引起领导者注意D应把目标效价和期望概率进行优化组合11.根据马斯洛的需求层次理论,可得如下结论()A对于具体的个人来说,其行为主要受主导需求的作用B越是低层次的需求,其对于人们行为所能产生的影响也越大C任何人都具有五种不同层次的需求,而且各层次的需求强度相等D层次越高的需求,其对于人们行为所产生的影响也越大12.关于社会人基本假设,正确的是()A从工作上的社会关系去寻求意义B根本上说,人是由经济需求而引起工作动机C对同事们的社会影响力,要比管理者所给予的经济诱因及控制更为重视D员工的工作效率与上司能满足他们的社会需求无关13.一个尊重需求占主导地位的人,下列那种激励措施最能产生效果()A提薪 B升职 C解聘威胁 D工作扩大化14.以下那种现象不能在需要层次理论中得到合理的解释()A一个饥饿的人会冒着生命危险去寻找食物B穷人很少参加排场讲究的社交活动C在陋室中苦攻“哥德巴赫猜想”的陈景润D一个安排需求占主导地位的人,可能因为担心失败而拒绝接受富有挑战性的工作15.中国企业引入奖金机制的目的是发挥奖金的激励作用,但到目前,许多企业的奖金已成为工资的一部分,奖金变成了保健因素,这说明()A双因素理论在中国不怎么适用B保健和激励因素的具体内容在不同的国家是不一样的C防止激励因素向保健因素转化是管理者的重要作用D将奖金设计成为激励因素本身就是错误的16.有这样一个小企业的老板,他视员工如兄弟,强调“有福共享,有难同当”,并把这种思路贯穿于企业的管理工作中。
学习情境四一、单项选择题1.一个组织最综合、最长远的目标是()A战略 B宗旨C规划 D政策2.目标管理中,主管对人性的假设是基于()A X理论B Y理论C复杂人 D经济人3.目标管理中,目标的制定是通过()A自上而下 B自下而上C双向沟通 D单向沟通4.传统的目标设定方法是通过()A自上而下 B自下而上C双向沟通 D单向沟通5.用于编制和调整长期计划的一种十分有效的方法是()A滚动计划法 B网络计划法C运筹学法 D投入产出法6.具有很强的可操作性,又有助于控制和动态优化的计划方法是()A滚动计划法 B网络计划法C运筹学法 D投入产出法7.目标管理是由美国管理学家()首先提出的。
A戴明 B孔茨C彼得〃德鲁克 D西蒙8.计划按所涉及的组织活动层次可分为()A战略、战术和作业计划 B综合、专业和项目计划C指导性计划和具体性计划 D战略、程序、规则、规划等9.计划按明确性可划分为()A战略、战术和作业计划 B综合、专业和项目计划C指导性计划和具体性计划 D战略、程序、规则、规划等10.计划按所涉及的组织活动内容可分为()A战略、战术和作业计划 B综合、专业和项目计划C指导性计划和具体性计划 D战略、程序、规则、规划等11.计划按表现形式分为()A战略、战术和作业计划 B综合、专业和项目计划C指导性计划和具体性计划 D战略、程序、规则、规划等12.目标按层次可分为()A社会、经济和发展目标 B营销、生产、财务和研发目标C战略、战术和具体作业目标 D长期、中期和短期目标13.目标按内容可分为()A社会、经济和发展目标 B营销、生产、财务和研发目标C战略、战术和具体作业目标 D长期、中期和短期目标14.目标按性质分为()A社会、经济和发展目标 B营销、生产、财务和研发目标C战略、战术和具体作业目标 D长期、中期和短期目标15.当组织处于生命周期的形成阶段时,较易采用的计划类型是()A具体性计划 B指导性计划C长期计划 D短期计划16.在管理中,居于主导地位的工作是()A计划 B组织C人员配备 D指挥二、多项选择题1.计划职能的任务是()A确定目标 B制定全局战略C提出计划方案 D协调各项活动2.计划应具有的特性是()A严肃性 B灵活性C不可更改性 D消除变化性3.对目标的要求应该是()A先进性 B可实现性C单一性 D明确性4.对计划的基本要求是()A.可行性B.预见性C.指导性D.目的性5.下列权变因素中,能够对计划类型产生影响的是()A管理者所处的组织层次 B管理者个性C组织生命周期 D组织环境的不确定性6.当环境不确定性越大时,较易采取的计划类型是()A具体的 B指导性的C长期的 D短期的7.当组织处于生命周期的成长阶段时,较易采取的计划类型是()A具体的 B指导性的C长期的 D短期的8.当组织处于生命周期的成熟阶段时,较易采取的计划类型是()A具体的 B指导性的C长期的 D短期的9.当组织处于生命周期的衰退阶段时,较易采取的计划类型是()A具体的 B指导性的C长期的 D短期的10.一个组织的目标可以是()A利润 B市场份额C社会责任 D雇员福利11.目标管理的缺点是()A目标管理理论尚未普及和宣传 B适当的目标不易确定C目标是长期的 D不灵活三、判断题1.没有一种单一的目标能够有效地评价一个组织是否成功地履行了它的使命。
学习情境三延时开关的制作与调试第一部分思考题3. 1什么是过渡过程?过渡过程出现的条件是什么?3. 2什么是换路定律?怎样确定各元件电压和电流的初始值?3. 3 RC电路充、放电过程中的时间常数表示的意思是什么?它和哪些量有关系?3. 4当充了电的电容器放电时,采取什么方法可以延长其放电过程?为什么?3. 5有两个R、C值完全相同的电路,分别与U^220V>U^11CM的两个直流电压接通。
从实验中发现,电路在接通的充电过程中,电容电压上升到各自稳态值的同一百分数的时间相同,为什么?3. 6 RL “充、放电”电路的时间常数和RL有什么关系?3. 7在直流电路中,如果负载具有电感,用电压表测电压时,电压表不允许接在开关的负载侧,而要接在开关的电源侧。
为什么?3. 8如图所示电路中,具有两个同样的灯泡,其中一个与一较大的电感串联。
原来开关K处在闭合位置,现将开关断开,问两个灯泡是否立即变黑?为什么?若开关原来处于断开状态,现将开关合上时,问两个灯泡是否同时亮?为什么?思考题3.83. 9如何使用万用表检测电容器的好坏?试简述原理3. 10 一阶RL RC电路的三要素指的是哪三个量?3. 11写出用三要素法求RL、RC电路中电流、电压的一般表达式第二部分精选习题3.1电路如图3-1所示。
已知,Us=12V R=4Q,F2=8Q,在S闭合前,电路已处于稳态。
当t=0时S闭合。
试求S闭合时初始值i 1(0+) , i2(0+) , i c(O+)。
鸟〜图3-1 图3-23.2在图示3— 2 电路中,已知U S=8V, l s=2A R=2F2=2—R3=10…丄=0.2H,C=1F,t〈0时,S打开,S2闭合,电路已达到稳态。
t=0时S1闭合,S2打开。
求初始值i1(0+)、i 2(0+),i 3(0+)和U L(O+)。
3.3电路如图3-3所示。
已知U S=12V, R=R= R=3Q,C=0.2F t<0时电路已处于稳态,t=0时开关S打开。
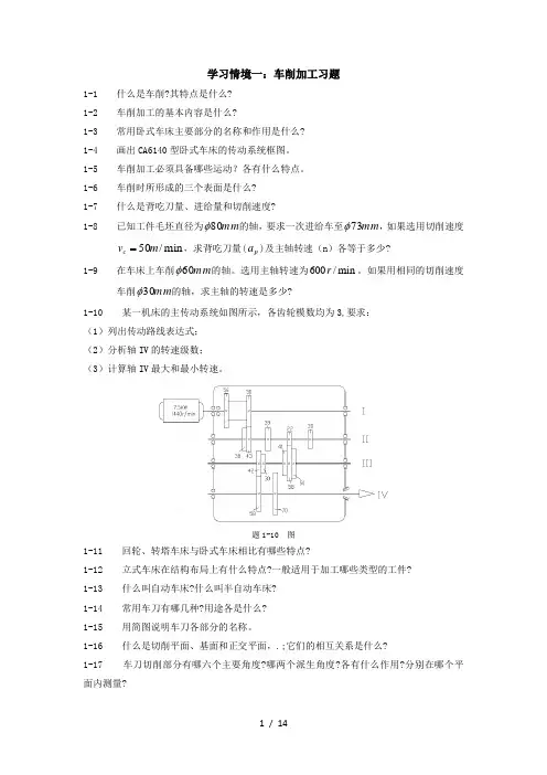
学习情境一:车削加工习题1-1 什么是车削?其特点是什么? 1-2 车削加工的基本内容是什么?1-3 常用卧式车床主要部分的名称和作用是什么? 1-4 画出CA6140型卧式车床的传动系统框图。
1-5 车削加工必须具备哪些运动?各有什么特点。
1-6 车削时所形成的三个表面是什么? 1-7 什么是背吃刀量、进给量和切削速度?1-8已知工件毛坯直径为mm 80φ的轴,要求一次进给车至mm 73φ,如果选用切削速度min /50m v c =,求背吃刀量(p a )及主轴转速(n )各等于多少?1-9在车床上车削mm 60φ的轴。
选用主轴转速为min /600r 。
如果用相同的切削速度车削mm 30φ的轴,求主轴的转速是多少?1-10 某一机床的主传动系统如图所示,各齿轮模数均为3,要求: (1)列出传动路线表达式; (2)分析轴IV 的转速级数; (3)计算轴IV 最大和最小转速。
题1-10 图1-11 回轮、转塔车床与卧式车床相比有哪些特点?1-12 立式车床在结构布局上有什么特点?一般适用于加工哪些类型的工件? 1-13 什么叫自动车床?什么叫半自动车床? 1-14 常用车刀有哪几种?用途各是什么? 1-15 用简图说明车刀各部分的名称。
1-16 什么是切削平面、基面和正交平面,.;它们的相互关系是什么?1-17 车刀切削部分有哪六个主要角度?哪两个派生角度?各有什么作用?分别在哪个平面内测量?1-18 T8A, W18Cr4V, YT15和YG8各属于何种刀具材料?适于加工何种工件材料?应用于什么场合?1-19 刀具切削部分材料必须具备哪些基本性能?1-20 常用的车刀材料有哪几类?简述硬质合金车刀的分类和适用加工的材料。
1-21 试画图说明切削过程的二个变形区及各产生何种变形?1-22 从切屑形成的机理可把切屑分为哪些种?各有何特点?可否相匀_转化?1-23 以外圆车削为例说明切削合力、分力及切削功率。
学习情境三科学决策1.何谓决策?试分析决策的含义。
所谓决策,是人们为了达到某一特定目标,采用一定的科学方法和手段,从若干个可行方案中选择一个满意方案的分析判断过程。
对于这一定义,可做如下理解。
(1)决策的前提:要有明确的目标。
决策是为实现组织的某一目标而开展的管理活动,没有目标就无从决策,没有问题则无需决策。
(2)决策的条件:要有若干个可行方案可供选择。
决策最显著的特点之一就是它是在多个可行方案中选择最优方案,“多方案抉择”是科学决策的重要原则;决策要以可行方案为依据,决策时不仅要有若干个方案来相互比较,而且各方案必须是可行的。
(3)决策的重点:比较分析备选方案。
决策过程实际上是一个选择的过程,选择性是决策的重要特征之一。
(4)决策的结果:选择一个满意方案。
在目标确定之后,就要为实现目标寻求有效的途径,即提出各种备选的行动方案。
科学决策理论认为,追求最优方案既不经济又不现实。
因此,科学决策要遵循“满意原则”而不是“最优原则”,即追求的是诸多方案中,在现实条件下,能够使主要目标得以实现,其他次要目标也足够好的可行方案。
2.简要分析决策的基本过程。
决策过程是指从问题提出到方案确定所经历的过程。
它作为一个动态的行为模式,并不是一个瞬时的过程,而是需要通过一定的程序来进行。
(1)识别决策问题。
人们之所以要进行决策,是因为存在着现实与期望状态之间的差异。
为了识别决策问题,决策者必须知道哪里出现了问题,哪里需要立即行动。
为此,决策者要对事物进行具体分析,运用有效的逻辑推理,找到问题的本质。
(2)明确决策目标。
决策目标是指在一定外部环境和内部环境条件下,在市场调查和研究的基础上所预测达到的结果。
(3)拟订可行方案。
问题一旦明确,管理者就要为解决这一问题而设计出多个可行的方案。
拟订可行方案时,管理者必须牢记决策目标,根据已经具备的各种内外部条件找出两个或两个以上的方案,然后经过比较分析后选出比较理想的方案。
(4)比较分析方案。
学习情境三生产与存货循环的审计一、判断题1、【答案×】2、【答案×】3、【答案×】4、【答案×】5、【答案√】6、【答案√】7、【答案√】8、【答案×】9、【答案√】 10、【答案√】二、单项选择题1、【答案 B】2、【答案 D 】3、【答案 B 】4、【答案 A 】5、【答案 A】6、【答案 D 】7、【答案 C 】8、【答案 A 】9、【答案 C】 10、【答案 B】三、多项选择题1、【答案 ABC】2、【答案 ABCD】3、【答案 BCD 】4、【答案 ABCD】5、【答案 ABC】6、【答案 ABD 】7、【答案 ABD 】8、【答案 AB 】9、【答案 ABC】 10、【答案 ABC 】四、案例分析1题【案例解析】审阅“生产成本”、“原材料”和“材料成本差异”等明细账,重新计算本月材料成本差异率并与“生产成本”、“原材料”和“材料成本差异”等明细账进行核对。
材料成本差异率=(8340+2455000-2500000)÷(320000+2500000)=-36660÷2820000=-1.3% 发出材料应分摊的材料成本差异为:960000×(-1.3%)=-12480(元)应结转耗用材料的实际成本为:960000-12480=947520(元),企业实际结转耗用材料的实际成本为931960元,少转材料成本15560元,建议作如下调整:借:生产成本 14911.67制造费用 194.50管理费用 129.67营业费用 324.16贷:材料成本差异 155602题【案例解析】财务报表认定具体审计目标审计程序(2)公司对存货均拥有所有权(8)(3)记录的存货数量包括了公司所有的在库存货(7)(4)已按成本与可变现净孰低法调整期末存货的价值(5)(4)存货成本计算准备(10)。
答案学习情境1 (任务1.1认识企业的机电设备) 测试题班级学号姓名一、多项选择题:1.我国的汽车制造企业的机电设备正朝以下(A、B、C、D、E)方向发展。
A 自动化B 电子化C 系列化D 焊接机器人生产线E总装装配线2.机电设备按工作类型分为10个大类,其中有(A、B、C、D)。
A 金属切削机床B 锻压设备C 仪器仪表D 动力设备E 电气设备3.现代设备正在朝着(A、B、C、D、E )等方向发展。
A 大型化B 高速化C 精密化D 电子化E自动化4.最大磨削直径为320 mm的高精度万能外圆磨床表示为( B )。
A CA6140B B MGl432C XK5040D T4163B二、填空题:1.设备是人们在生产或生活中所需的(机械)、(装置)、和(设施)等可供长期使用,并在使用中基本保持原有(实物形态)的物质资料。
2.机电设备是企业(固定)资产的主体。
3.企业根据设备本身的固有因素及设备在生产运行过程中的客观作用,将设备划分为A、B、C三类,其中A类为(重点设备),B类为(主要设备),C类为(一般设备)。
4.机床主要是按(电工设备)和(机械设备)进行分类的。
5.通用机床的型号由(基本)部分和(辅助)部分组成,中间用“/”隔开,读做“之”。
其中(基本)部分国家统一管理,(辅助)部分纳入型号与否由生产厂家自定。
三、简答题:1.说说大量使用现代设备给企业和社会带来哪些新问题。
答:大量使用的现代设备也给企业和社会带来一系列新问题:①购置设备需要大量投资;②维持设备正常运转也需要大量投资;③发生故障停机,经济损失巨大;④一旦发生事故,将会带来严重后果;⑤机电设备的社会化程度越来越高。
2.简述机电设备的结构组成。
答:机电设备是为企业生产产品,创造价值服务的,机电设备的结构一般由:机身、动力传动系统、工作机构、操纵系统、电气控制系统和润滑系统等几个公共部分组成。
3.什么是自动化生产线?答:生产线是产品生产过程所经过的路线,即从原料进入生产现场开始,经过加工、运送、装配、检验等一系列生产线活动所构成的路线。
练习题一、单项选择题1.持有至到期投资的后续计量按历史成本,但需要按()法,以摊余成本计量。
A.市场利率 B.实际利率 C.折现率 D.计划利率2.可供出售的金融资产,后续计量按公允价值计量,公允价值变动形成的利得或损失,除减值损失和外币资产的汇兑茶额外,应当直接记入()。
A.营业外收入 B.本年利润 C.资本公积 D.投资收益3.关于可供出售金融资产的计量,下列说法中正确的是()。
A.应当按取得该金融资产的公允价值和相关交易费用之和作为初始确认金额。
B.应当按取得该金融资产的公允价值作为初始确认金额,相关交易费用计入当期损益。
C.持有期间取得的利息或现金股利,应当冲减成本D.资产负债表日,可供出售金融资产应当以公允价值计量,且公允价值变动计入当期损益。
4.甲企业于2007年1月1日,以1200万元的价格购进当日发行的面值为1100万元的公司债券。
其中债券的买价为1190万元,相关税费为10万元。
该公司债券票面利率为6%,期限为3年,一次还本付息。
企业准备持有至到期。
该企业计入“持有至到期投资”科目的金额为()万元。
A.1200 B.1100 C.1190 D.11105.企业将持有至到期投资部分出售,应将该投资的剩余部分重分类为可供出售金融资产,并将其账面余额与公允价值之间的差额,计入()。
A.公允价值变动损益 B.投资收益 C.营业外收入 D.资本公积6.关于贷款和应收款项,下列说法中正确的有()。
A.贷款和应收款项在活跃市场中没有报价B.贷款和应收款项在活跃市场中有报价C.企业所持证券投资基金应当划分为贷款和应收款项D.贷款和应收款项仅限于金融企业发放的贷款和其他债权7.有关贷款和应收款项的会计处理原则,说法不正确的是()。
A.一般企业对外销售商品或提供劳务形成的应收债权,通常应按从购货方应收的合同或协议价款作为初始确认金额B.金融企业按当前市场条件发放的贷款,应按发放贷款的本金作为初始确认金额,相关交易费用计入当期损益C.贷款持有期间所确认的利息收入,应当根据实际利率计算D.企业收回或处置贷款和应收款项时,应将取得的价款与该贷款和应收款项账面价值之间的差额计入当期损益8.甲企业销售一批商品给乙企业,收到乙企业商业承兑汇票一张,甲企业在该票据到期前向银行贴现,且银行拥有追索权,则甲企业实际收到的金额与票据金额之间的差额应确认为()。
1、选择设备巡检的方法和手段有哪些?一是以主观感觉为主;二是客观检测:(1)五感运用;(2)测温法;(3)测振法;2、设备定期点检的工作内容有哪些?主要是对设备进行定期的功能性、精度性、可靠性检查和检测,通过对设备的状态的定量和定性数据收集,进行综合性分析和研究,预测故障的发生,及早地发现隐患,预防设备故障的发生。
五、综合运用题:(每小题9分,共27分,请答在背面)1、画出设备性能曲线图,并说明其特征答:如下图所示:点检周期与P-F间隔有关P—F间隔期是指设备性能劣化过程,从潜在故障发展到功能故障的时间间隔。
潜在故障不是故障,但已经存在可感知的迹象,相当于人处于亚健康状态;功能故障是使设备丧失功能的故障,是真正意义上的故障。
P-F间隔的理论是指导确定点检周期的根据。
设备性能曲线上的P-F间隔如图2-2-1所示。
从图2-2-1中可以看出,不同的设备其设备性能曲线的斜率是不一样的,因此点检周期的长短,也是互不相同的。
一般而言,点检周期不应超过 P—F间隔,而且要留出预防维修的准备时间。
例如,如果P—F间隔为3.5个月,留有 0.5个月的预防维修准备时间,点检周期为3个月为宜。
2、你会运用哪些方法或手段对设备故障进行分析或预测答:(1)契合差异法;(2)差异法;(3)契合差异并用法;(4)共变法;(5)剩余法;(6)直方图;3、绘制设备定期点检作业流程图制定检査标准、项目及间隔期编制定期点检计划,并下达实施综合检査设备性能检査对异常状况调整和维修记录调整维修结果验收上交检査记录处理存档设备精度检査对劣化情况进行调整维修记录调整维修结果验收。
学习情境八收益分配管理,习题及答案学习情境八收益分配管理练习8-1:单选题1.企业的收益分配有狭义和广义之分,下列各项中,属于狭义收益分配的是()。
A.企业收入的分配B.企业净利润的分配C.企业产品成本的分配D.企业职工薪酬的分配2.收益分配的基本原则中,()是正确处理投资者利益关系的关键。
A.依法分配原则B.兼顾各方面利益原则C.分配与积累并重原则D.投资与收益对等原则3.在确定企业的收益分配政策时,应当考虑相关因素的影响,其中“资本保全约束”属于()。
A.股东因素B.公司因素C.法律因素D.低正常股利加额外股利政策7.以下关于企业公司收益分配的说法中正确的有()。
A.公司持有的本公司股份也可以分配利润B.企业在提取公积金前向股东分配利润C.公司的初创阶段和衰退阶段都适合采用剩余股利政策D.只要有盈余就要提取法定盈余公积金8.适用于盈利水平随着经济周期而波动较大的公司或行业的股利分配政策是()。
A.剩余股利政策B.固定股利政策C.固定股利支付率政策D.低正常股利加额外股利政策9.以下关于利润分配的描述中,正确的是()。
A.公司在提取法定公积金之前,应当先用当年利润弥补亏损B.法定盈余公积的提取比例为当年税后利润(弥补亏损后)的20%C.公司不能从税后利润中提取盈余公积金D.有限责任公司和股份有限公司股东都按照实缴的出资比例分取红10.下列关于股票回购的说法不正确的是()。
A.公司可以根据资本运作的需要自主确定是否需要回购股票B.公司在股票的公开交易市场上按照公司股票当前市场价格回购C.公司在特定期间向市场发出以高于股票当前市场价格的某一价格回购既定数量股票的要约D.协议回购是公司以协议价格直接向一个或几个主要股东回购股票11.适用于盈利水平随着经济周期而波动较大的公司或行业的股利分配政策是()。
A.剩余股利政策B.固定股利政策C.固定股利支付率政策D.低正常股利加额外股利政策12.在下列股利分配政策中,能保持股利与利润之间一定的比例关系,并体现风险投资与风险收益对等原则的是()。
答案学习情境1(任务1.1认识企业的机电设备) 测试题班级一、多项选择题:学号姓名1.我国的汽车制造企业的机电设备正朝以下(A、B、C、D、E)方向发展。
A 自动化D 焊接机器人生产线B 电子化E总装装配线C 系列化2.机电设备按工作类型分为10个大类,其中有(A、B、C、D)。
A D 金属切削机床动力设备B 锻压设备E 电气设备C 仪器仪表3.现代设备正在朝着(A、B、C、D、E)等方向发展。
A D 大型化电子化B 高速化E 自动化C精密化4.最大磨削直径为320 mm的高精度万能外圆磨床表示为(B)。
A CA6140B B MGl432C XK5040D T4163B二、填空题:1.设备是人们在生产或生活中所需的(机械)、(装置)、和(设施)等可供长期使用,并在使用中基本保持原有(实物形态)的物质资料。
2.机电设备是企业(固定)资产的主体。
3.企业根据设备本身的固有因素及设备在生产运行过程中的客观作用,将设备划分为A、B、C三类,其中A类为(重点设备),B类为(主要设备),C类为(一般设备)。
4.机床主要是按(电工设备)和(机械设备)进行分类的。
5.通用机床的型号由(基本)部分和(辅助)部分组成,中间用“/”隔开,读做“之”。
其中(基本)部分国家统一管理,(辅助)部分纳入型号与否由生产厂家自定。
三、简答题:1.说说大量使用现代设备给企业和社会带来哪些新问题。
答:大量使用的现代设备也给企业和社会带来一系列新问题:①购置设备需要大量投资;②维持设备正常运转也需要大量投资;③发生故障停机,经济损失巨大;④一旦发生事故,将会带来严重后果;⑤机电设备的社会化程度越来越高。
2.简述机电设备的结构组成。
答:机电设备是为企业生产产品,创造价值服务的,机电设备的结构一般由:机身、动力传动系统、工作机构、操纵系统、电气控制系统和润滑系统等几个公共部分组成。
3.什么是自动化生产线?答:生产线是产品生产过程所经过的路线,即从原料进入生产现场开始,经过加工、运送、装配、检验等一系列生产线活动所构成的路线。
自动化生产线是指,在生产线上被加工零件以一定的生产节拍,顺序通过各个工作位置,自动完成零件预定的全部加工过程和部分检测过程。
自动化生产线具有很高的自动化程度,具有统一的控制系统和严格的生产节奏。
学习情境1(任务1.2)试题:(一)、多项选择题:1、对设备操作工人的“三好”要求指的是(B、C、D )A 装好设备B 管好设备C 用好设备D 修好设备2、设备的润滑管理,认真执行润滑的“五定”是(A、B、C、D、E )A 定点B 定质C 定量D 定期E 定人F 定职3、机电设备日常保养常用的工具有(A、B、C、D、E )A 敲打类B 紧固类C 清洁类D 润滑类E 物料类F 冲洗类二、填空题:1、设备保养的内容有(2、设备的“三过滤”(日常保养入库过滤)、()、(定期保养发放过滤)、()、(专业保养加油过滤)。
)。
三、判断题:(正确的打√,错误的打X)1、设备维护保养工作包括日常保养、周期保养和定期保养。
(X)2、设备保养要做到整齐、清洁、润滑、安全。
(√)3、定期保养(一级保养)是维修工以为主,操作工辅导的。
(X)4、操作者个人作业过程中在穿工作服时,要做到“三紧”,即袖口、衣襟、领子要扣紧。
(√)四、简答题:1、简述机电设备保养的作用和意义?答:机电设备是为企业生产产品,创造价值服务的。
设备的维护保养工作,是以设备操作员为主,设备维修员、设备点检为辅而开展的全员设备维护工作。
维护保养的好坏直接影响到设备的运作情况、产品的质量及企业的生产效率。
保养的作用在于:一是减少设备磨损,消除隐患、延长设备使用寿命;二是使设备达到完好标准,提高和巩固设备完好率,延长大修周期。
保养的意义是有效地提高了企业设备的完好率,降低了设备事故率,延长了设备大修理周期、降低了设备大修理费用,取得了较好的技术经济效果。
2、设备润滑常用的工具有哪些?答:设备润滑常用的工具有:油枪、油壶、油杯、油枪、加油车。
学习情境1(任务1.3)试题:一、选择题:1、日常点检的常用工具和检具有(A、B、C、D、E)A扳手B螺丝刀C油枪D油壶E人的“五官”F钳子2、用触觉方法进行的点检主要观察的是(A、E)A温度有无异常B气候有无异常C有无异常声音D有无异常振动3、设备日常点检的位置一般有(A、B、C、D、E)A常规B润滑油指标C冷却部分D动力机构E电气部分4、自主保全活动就是以设备操作员为主,为实现(A、B、C)为目标。
A零灾害B零不良C零故障D零事故二、填空题:1、设备的点检分为(日常点检)、(定期点检)、(精密点检/专业点检/专题点检)。
2、日常点检的方法主要采取(视)、(听)、(触)、(摸)、(嗅)五感为基本方法。
4、设备点检是一种先进的设备维护管理制度,以(“预防为主”)为指导思想,推行全员参与设备维护管理。
三、判断题:(正确的打√,错误的打X)1、《设备日常点检标准作业指导书》是指导操作者进行设备日常检查的指导性文件。
(√)2、根据点检的目的和要求,制定好的设备日常点检标准作业指导书,可以根据实际情况进行修改。
(X)3、树立以母亲照看婴儿的立场来照看设备。
(√)4、用视觉方法进行的点检包括有仪表、润滑、磨损、药剂、气体等。
(X)四、简答题:1、设备点检的作用和意义?2、简述开展自主保全活动的必要性?答:自主保全活动就是以设备操作员为主,为实现“零灾害、零不良、零故障”为目标,开展设备维护保养活动。
学习情境2(任务2.1-2.2)测试题班级一、多项选择题:学号姓名1、产品的生产线(作业线)大致可分为以下三种(A、B、C)A C 简单型的生产线 B多种原料及半成品组装成产品的生产线D单一原料但不同产品的生产线综合型生产线2、设备点检标准作业指导书一般包含几方面的内容?(A、B、C、D)A、设备点检的部位和内容B、设备的完好标准C、设备点检的手段 D 、设备点检周期和状态3、设备巡检表一般包含的内容有(A、B、C)A 、设备巡检的部位和内容B 、设备的完好标准 C、设备巡检的记录D、设备的技术指标4、设备巡检中的客观检测方法主要有(A、B、C、D)A五感运用B测温法C经验法D测振法5、设备日常点检的方法和手段?(A、B、C、D)A 、用视觉方法进行的点检B、用听觉方法进行的点检C 、用触觉方法进行的点检D、用嗅觉方法进行的点检6、有关现场设备的定期点检的正确说法有哪些?(A、B)A、以专业维修工为主,操作工人参加A、定期对设备进行检查,记录设备异常、损坏及磨损情况 C 、安排修理计划,定期点检的时间周期一般在一个月以下D、安排修理计划,定期点检的时间周期一般在一个季度以下7、设备定期点检周期的选取与(A、B、C)有关A C 设备性能劣化过程有关 B设备的安全运行有关D设备运行的生产制造工艺有关技术指标有关8、设备诊断技术的运用范围应尽可能考虑使用的设备为(A、B、C、D)A发生故障影响很大的设备B安全性能要求高的设备C精大稀设备D停机维修费用高和停机损失大的设备二、填空题:1、设备区域维护是一种在我国行之有效的维修体制,又称为(维修工包机制)。
2、常用的设备巡检的方法和手段有两类(以主观感觉为主)、(客观检测)。
3、设备点检员要按照(全面)、(合理)、(快捷)、(精悍)四要素绘制的巡检路线图来实施巡检,确保生产区域设备巡检任务的完成。
三、判断题:(正确的打√,错误的打X)1、维护区域可按次要生产设备的分布情况和生产需要,按设备的技术状况和复杂程度进行划分。
(X)2、运用五感开展点检工作是简单而实用的方法。
(X)3、电控系统在设备中占据重要地位,控制系统是设备先进性、自动化程度的体现,是控制设备运转的中枢。
(√)4、设备巡检是属于静态点检,即停机的点检,是属于一种定性的检查。
(X)学习情境3测试题班级学号姓名一、选择题1、工厂“三级”安全教育是?(A、B、D )A 厂级B 车间级C 工段级D 班组级2、设备的六大损失的内容?(A、B、C、D、F、J )A 设备故障损失B 换模与调整损失C 空运转与暂停损失D 减速损失E 漏气、漏水、漏油损失F加工过程的缺陷损失J开工损失:3、设备管理应取得的成果有(B、C、E )A维修不足B维修恰当C维修与管理费用最经济D维修过度 E 设备的技术状态最佳4、设备的物质磨损一般会经历哪三个阶段?(A、B、C )A 初期磨损阶段B 正常磨损阶段C 激剧磨损阶段D 后期磨损阶段二、问答题1、设备布置的原则是什么?2、企业设备管理的主要任务是什么?三、计算题下面是某车间一台设备一天的生产运行的相关数据,试计算设备综合效率OEE,并说明设备运行管理状况。
1天纯工作时间——8×60=480分钟1天计划休息时间——20分钟班前会——10分钟休息——10分钟1天停止时间——20分钟故障停止——10分钟准备、调整——10分钟1天产量——330个1天合格品数——326个计划周期时间——1.25分钟实际周期时间——1.33分钟答:设备综合效率OEE=时间运转率×性能运转率×合格率1)时间运转率=(净开动时间/负荷时间) ×100% = 440/460×100%=95.7%...1分负荷时间 = 480-10-10 =460分..........................................1分净开动时间=460-10-10 = 440分................................. ....1分2)性能运转率= 速度运转率×真正运转率 = 94%×99.8% = 93.8%............1分速度运转率=(1.25/1.33)×100%= 94%...................................1分真正运转率=(1.33×330)/440×100%= 99.8%............................1分3)合格率=(合格品数/全部品数)×100% = 326/330×100% =98.8% ......1分OEE= 时间运转率×性能运转率×合格率= 95.7%×93.8%×98.8% = 88.7% ......1分由于该车间的设备综合效率OEE= 88.7%,大于80%,证明该车间的设备管理水平较好。
......................................................................2分。