六氟化硫理化特性分析
- 格式:doc
- 大小:53.50 KB
- 文档页数:1
六氟化硫SF61.别名·英文名Sulfur hexafluoride、Sulfur fluoride.2.用途电子设备、雷达波导、粒子加速器、变压器、避雷器等的气绝缘体,制冷剂,示踪装置,医疗,半导体制造中的蚀刻、化学相淀积、标准气,检漏气体,色谱仪的载气。
3.制法在高温下硫和氟反应制得。
S+3F2→SF64.理化特性分子量:146.054熔点(224kPa):-50.8℃升化点(101.325kPa):-63.7℃液体密度(-50.8℃):1880kg/m3气体密度(0℃,101.325kPa):6.52kg/m3相对密度(气体,空气=1,20℃,101.325kPa):5.114比容(21.1℃,101.325kPa):0.1516m3/kg临界温度:45.5℃临界压力:3759kPa临界密度:736kg/m3压缩系数:温度压缩系数100kPa1000kPa2000kPa3000kPa150.98860.8656500.99260.91370.81130.6760熔化热(222.35K,224kPa):34.38kJ/kg气化热(-63.8℃,101.325kPa):161.61kJ/kg比热容(气体,25℃,101.325kPa):CP=665.18J/(kg·K)(液体,225K):C=759.14J/(kg·K)蒸气压(-20℃):680kpa。
(0℃):1250kPa(30℃):2680kPa粘度(101.325kPa,0℃):0.0142mPa·S(液体,229.85K):0.500mPa·S表面张力(-50℃):11.63mN/m导热系数(101.325kPa,0℃):0.01206W/(m·K)折射率(气体,0℃,101.325kPa): 1.000783六氟化硫在常温常压下为无色无臭无毒的气体。
不燃烧。
对热稳定,化学性质不活泼。
六氟化硫理化特性分析六氟化硫(SF6)是一种无色、无味、无毒的气体,在自然界中并不常见,很多人对它并不熟悉。
然而,SF6却有着一些独特的理化特性,使其在一些特定的应用领域中有着广泛的应用。
下面将对SF6的理化特性进行详细的分析。
首先,SF6的物理性质是研究它的重要方面之一、SF6是一种稳定的分子,由六个氟原子和一个硫原子组成,它的分子量为146.05 g/mol。
SF6具有很高的密度,约为5.11 g/L。
由于其分子中的氟原子的极性,SF6具有较高的极化率,约为3.67-3.77 Å3、此外,SF6也具有较高的沸点和熔点,沸点为-63.8℃,熔点为-50.8℃。
其次,SF6的化学性质也值得关注。
由于SF6中的硫原子与氟原子之间的键连接非常强大,使得SF6在常温下相对稳定。
它在大多数情况下不与其他气体发生反应,对大部分普通材料也没有腐蚀性。
这使得SF6在一些特殊的环境中有着重要的应用,例如用作绝缘介质或气体绝缘开关设备中的填充气体。
同时,由于其化学惰性,SF6也可以用作一种强力的电子草剂,用于电子显微镜和其他纯净室设备中。
SF6的热学性质也是其重要的特性之一、SF6具有较高的热导率,为约0.017W/(m·K),使其在一些高温条件下能够有效地传导热量。
此外,由于其低黏度和低表面张力,SF6对于热量的传递和流动也具有较好的性能,有利于其在一些特殊的工业过程中的应用。
最后,SF6的电学性质也是其重要的特性之一、SF6具有较高的击穿场强,表现出很强的绝缘性能,使其在高电压设备中具有重要的应用。
此外,SF6还具有较高的电子亲和能和电离能,使其成为一种优秀的电子捕获剂,用于电子学和光电学器件的制备中。
总结来说,六氟化硫是一种具有独特理化特性的气体。
它的高密度、高极化率、高沸点和化学惰性使其在绝缘介质和气体绝缘设备中得到广泛应用。
同时,SF6的高热导率、低黏度和低表面张力也使其在一些特殊的工业过程中发挥作用。
【引用】六氟化硫气体的基本特性六氟化硫气体的基本特性第一节六氟化硫气体的物理化学特性金属和非金属的六氟化物是含氟化合物中的一个庞大的和引人注目的群体。
尽管大多数的六氟化物在本世纪初即已发现,但对这些物质的认真研究却仅始于40年代。
目前已知的18种六氟化物,按照它们的化学性质可分为二组,即非金属化合物和金属化合物。
第一组以其稳定性著称,第二组在氟化或水解能力上则有很高的活力。
六氟化硫属非金属氟化物,经对其物理化学性质的研究,发现六氟化硫具有与氮气和其他隋性气体相比拟的极稳定的化学性质。
一、基本特性六氟化硫由卤族元素中最活泼的氟原子与硫原子结合而成。
分子结构是六个氟原子处于顶点位置而硫原子处于中心位置的正八面体(见图1-1),S与F原子以共价键联结,键距是1.58×10-10m。
六氟化硫在常温常压下具有高稳定性,在通常状态下六氟化硫是一种无色、无味、无毒、不燃的气体。
其分子等值直径是4.58×10-10m。
六氟化硫气体的相对分子质量是146.07,空气相对分子质量是28.8。
六氟化硫气体的密度是6.16g/L(20℃,101325Pa时),约为空气密度(1.29g/L)的五倍。
由于六氟化硫气体密度比空气密度大很多,因此,空气中的六氟化硫易于自然下沉,致使下部空间的六氟化硫气体浓度升高,且不易扩散稀释。
图1-1 六氟化硫分子结构示意图二、物理化学性质在标准状态下六氟化硫是一种无色气体,其密度接近理论值。
当冷却到-63℃时变成无色的固体物质,加压时可熔化,其三相点参数为:t=-50.8℃,p=0.23MPa。
1.溶解度六氟化硫在极性和非极性溶剂中的溶解度如表1-1。
最早测得六氟化硫在水中的溶解度比氦(He)、氖(Ne)、氙(Xe)、氩(Ar)等隋性气体在水中的溶解度低得多,见表1-2。
2.热稳定性六氟化硫气体的化学性质极为稳定,在常温和较高的温度下一般不会发生分解反应,其热分解温度为500℃。
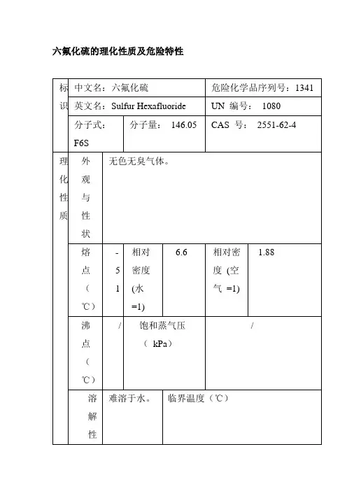
六氟化硫一、理化性质六氟化硫,分子式SF6,相对分子质量为146.06,常温常压下为无色、无味、无毒、无腐蚀性、不燃、不爆炸的气体,密度约为空气的5倍,标准状态下密度为6.0886kg/立米.在低温和加压情况下呈液态,冷冻后变成白色固体。
升华温度为-63.9℃,熔点-50.8℃,临界温度45.55℃,临界压力为3.759MPa。
六氟化硫具有良好的化学稳定性和热稳定性,卓越的电绝缘性和灭弧性能。
二、产品用途(1)电力行业六氟化硫主要用作电气绝缘介质和灭弧剂,在保证电气设备运行安全可靠的同时,可使其尽量小型化,降低设备成本。
目前大多数大功率变压器使用六氟化硫绝缘,极大的降低了火花放电和电弧对设备造成的危害,而装有六氟化硫的电流遮断器则具有高额定电压,高容易和不易燃烧等特点,另外,六氟化硫还用于各种加速器、超高压蓄电器、同轴电缆和微波传输的绝缘介质。
(2)环保行业六氟化硫目前是应用较为广泛的测定大气污染的示踪剂,示踪距离可达100公里。
同时六氟化硫作致冷剂替代氟利昂,对臭氧层完全没有破坏作用,符合环保和使用性能的要求,是一种很有发展潜力的致冷剂。
(3)六氟化硫可用于有色金属的冶炼和铸造工艺,防止镁及其合金熔融物氧化,也可用于铝及其合金熔融物的脱气和纯化。
在微电子业中,可用六氟化硫蚀刻硅表面并去除半导体材料上的有机或无机膜状物,并可在光导纤维的制造过程中,作为单膜光纤隔离层掺杂剂。
SF6气体是一种惰性化学气体,虽然本身无毒,但大量吸入却使人因缺氧而窒息。
由于$F6比空气重5倍,当SF6断路器严重泄漏时,大量SF6气体将充人配电室、电缆沟或地面,并从低到高逐渐堆集,将低凹空间内的空气"挤走"。
此时如果有人进入配电室和电缆沟内工作,将吸人大量的SF6气体,停留时间过长就会因缺氧而死亡。
因此,在有SF6气体大量外漏的场所,应开窗通风或用排风设备将$F6气体排出。
只有当SF6气体在室内稀薄到一定程度后,才允许人员进入。
六氟化硫(SF6)气体的危害与预防六氟化硫(SF6)气体是目前发现的六种温室气体之一。
在高压电器制造行业使用着大量的六氟化硫(SF6) 气体,由于使用、管理不当或没有按正确的方法对其进行回收、再生处理,导致六氟化硫(SF6)气体及在高温电弧作用下产生的有毒分解物排放到大气中,给人类赖以生存的环境带来污染和破坏,同时给电器设备的正常运行和人们身体健康带来不利影响。
1 、概述自1900 年法国化学家摩森(H.Moissan )和李博(P.Lebeau) 在实验室中将硫在氟气中燃烧以制备六氟化硫(SF6 )气体以来,人们已从中收益非浅。
因纯六氟化硫(SF6)气体的化学稳定性,早期用于进行人工气胸治疗肺结核空洞;同时因其优异的绝缘和灭弧性能也倍受人们的关注。
从1940 年作为绝缘介质开始,迄今已被广泛地应用在电力设备中,如高压断路器、变压器、互感器、电容器、避雷器、接触器、熔断器、管道母等。
随着六氟化硫(SF6)气体使用量的增加,范围的扩大,正确的使用和管理六氟化硫(SF6)气体,保护好我们赖以生存的环境及人身安全等问题被提到了重要的议事日程上来。
2 、六氟化硫(SF6) 气体的性质2.1 六氟化硫(SF6) 气体的物理性质纯净的六氟化硫(SF6) 气体是一种无色、无嗅、基本无毒、不可燃的卤素化合物。
其相对密度在气态时为6.16g /cm3(20℃,0.1MPa 时) ,在液态时为1400g /cm3(20℃时) ;在相同状态下约是空气相对密度的5 倍。
为便于运输和贮存,六氟化硫(SF6) 气体通常以液态形式存在于钢瓶中。
2.2 六氟化硫(SF6) 气体的化学性质六氟化硫(SF6) 气体的化学性质非常稳定,在空气中不燃烧,不助燃,与水、强碱、氨、盐酸、硫酸等不反应;在低于150 ℃时,六氟化硫(SF6) 气体呈化学惰性,极少熔于水,微熔于醇。
对电器设备中常用的金属及其它有机材料不发生化学作用。
然而,在大功率电弧、火花放电和电晕放电作用下,六氟化硫(SF6) 气体能分解和游离出多种产物,主要是SF4 和SF2 ,以及少量的S2 、F2 、S 、F 等。
六氟化硫断路器的基本知识六氟化硫断路器的基本知识一、SF6气体的特性1.物理特性SF6气体无色、无味、无毒、不可燃的惰性气体,其分子量大。
2.化学特性(1) SF6气体本身是稳定的、不腐蚀的。
(2) SF6气体中含水量较大时,会水解产生氢氟酸(HF)及其他低氟化物,引起化学腐蚀,对人体有强烈的腐蚀作用,对含硅(Si)的材料如玻璃、电瓷等也有很强的腐蚀作用。
3.电气特性(1)绝缘性能气体在均匀的电场中有很强的绝缘能力,其绝缘强度是空气的3倍,在3个大气压下(1个大气压=0.1013Mpa)的绝缘能力与变压器油相当。
(2) 灭弧性能SF6有极强的灭弧能力。
二、六氟化硫断路器1.基本结构及其灭弧原理SF6断路器灭弧室工作示意图如图2-35所示。
断路器分闸时,装有动触头和绝缘喷嘴的气缸由断路器操动机构通过连杆带动,离开静触头,造成气缸与活塞的相对运动,压缩SF6,使之通过喷嘴吹弧,从而使电弧迅速熄灭。
1.上接线段子 2.绝缘筒(内为气缸及触头灭弧系统) 3.下接线端子 4.操动机构箱 5.小车 6.断路弹簧六氟化硫断路器灭弧室工作示意图1.静触头 2.绝缘玻璃3.动触头4.气缸(连同动触头由操动机构传动)5.压气活塞(固定)6.电弧六氟化硫断路器灭弧式分解图2. 结构形式SF6断路器有两种结构布置形式。
①瓷柱式结构:取积木式,系列性强,可用多个相同的单元灭弧室和支柱瓷套组成不同电压等级的断路器。
中国FA4-550型SF6断路器为瓷柱式结构,其额定电压为500千伏,最高工作电压为550千伏。
断路器由三个独立的单相和一个液压、电气控制柜组成。
每相由两个支柱瓷套的四个灭弧室(断口)串联而成。
35KV363/420KV 550KV②罐式结构:采用了箱式多油断路器的优点,将断路器与互感器装在一起,结构紧凑,抗地震和防污能力强,但系统性差。
3.六氟化硫的优点SF6断路器的优点及缺点:优点:(1)开断能力强六氟化硫断路器是通过吹出SF6气体来完成吹弧,它的吹弧速度快、燃弧时间短、开断电流大,能有效保护中、高压电路的安全。
SF6电气设备气体成分分析浅析摘要:六氟化硫(SF6)作为一种常用的电力绝缘气体,具有优良的绝缘、灭弧特性。
但其在设备运行期间可能分解产生具有毒性的其他气体,对于检修设备的工作人员来说十分危险。
本文通过研究六氟化硫的理化特性,分析和比较六氟化硫分解气体成分和其分析方法,为安全使用该气体服务。
关键词:六氟化硫理化特性气体成分分析1引言近年来,特高压、大容量电网的建设如雨后春笋一般发展。
由于无法解决易燃的问题,原有使用绝缘油作为绝缘介质的变电站正在逐步进行无油化改造。
以气体作为绝缘灭弧介质的电力电器快速发展起来。
六氟化硫作为具有优良绝缘、灭弧特性的工业气体,其安全制备与使用受到广泛关注。
六氟化硫是目前世界上性能最好的绝缘介质,纯净的六氟化硫没有毒性。
但在使用中,不可能时时刻刻做到绝对的密封。
如果六氟化硫中的杂质达到一定浓度,在生产和使用过程中都会产生具有毒性和腐蚀性的副产品。
这些副产品不仅损害设备,严重时甚至会威胁到操作、检修人员的生命安全。
做好检测、分析六氟化硫的使用状态,对于其安全使用,防止事故发生有着重要的作用。
2六氟化硫的主要特性2.1理化特性六氟化硫,分子式为SF6,由一个硫原子与六个氟原子以共价键作用而成,六个氟原子包围着硫原子成正八面体。
标态下的六氟化硫是一种无色无味气体,其密度接近理论值。
当冷却到-63℃时变成无色的固体物质,加压时可熔化,其三相点参数为:t=-50.8℃,p=0.23MPa。
六氟化硫是负电性气体。
负电性是指分子(原子)吸收自由电子形成负离子的特性,这是六氟化硫能够在高压、复杂电器中使用的首要原因。
2.2电气性能2.2.1绝缘性氟元素的负电性在卤族元素中居于首位,具有极大的电子截获界面。
六氟化硫中含有六个氟原子,具有极强的负电性(即吸附电子的能力)。
我们从分子结构即可知六氟化硫具有相当可观的绝缘特性。
事实上,通过实验,人们了解到六氟化硫的击穿强度在同温同压下是空气的三倍。
一.六氟化硫的历史自1900年法国化学家摩森(H.Moissan)和李博(P.Lebeau)在实验室中将硫在氟气中燃烧以制备六氟化硫(SF6)气体以来,人们已从中收益非浅。
因纯SF6气体的化学稳定性,早期用于进行人工治疗肺结核空洞;同时因其优异的绝缘和灭弧性能也倍受人们的关注。
从1940年作为绝缘介质开始,迄今已被广泛地应用在电力设备中,如高压断路器、变压器、互感器、电容器、避雷器、接触器、熔断器、管道母等。
二.六氟化硫的物理性质SF6作为一种绝缘气体,具有很多优点,是一种无色、无味、无毒、不可燃的惰性气体,并有优异的冷却电弧特性,特别是在开关设备有电弧高温的作用下产生较高的冷却效应,避免局部高温的可能性。
SF6的绝缘性能远远超过传统的油、空气绝缘介质。
其用于电气设备中,可以缩小设备的尺寸,提高设备绝缘的可靠性。
其缺点是在电弧放电时,分解形成硫的低氟化合物,不但有毒,且对某些绝缘材料和金属具有腐蚀作用。
SF6是一种比较重的气体,在相同条件下,其密度是空气的5倍,其压力与温度的关系遵循理想气体定律。
临界温度是SF6气体出现液化的最高温度,临界压力表示在这个温度下出现液化所需的气体压力。
SF6只有在温度高于45℃以上时,才能保持气态,在通常使用条件下,它有液化的可能性,因此SF6不能在过低温度和过低压力下使用。
SF6的优良导热性能,是形成SF6灭弧性能的原因之一。
SF6的导热性好可归结为两种原因,一是SF6的分子量大,比热大,其对流的传热能力优于空气,二是在高温下产生的冷却效应。
三.六氟化硫的化学性质SF6气体本身的化学效应是非常稳定的,并且有着非常高的绝缘强度。
在大气压力下和温度至少在500℃以内,SF6具有较高的化学稳定性,在正常温度范围内,其与电气设备中常用的金属是毫无反应的。
SF6分解的危险温度是600℃左右,此时SF6分解形成硫的低氟化合物,因此,SF6至少在电气设备的A级绝缘温度,即105℃以内是相当稳定的。
六氟化硫气体---超详细介绍六氟化硫气体基本信息六氟化硫气体它是法国两位化学家Moissan和Lebeau于1900年合成的人造惰性气体,1940年前后,美国军方将其用于曼哈顿计划(核军事)。
1947年提供商用。
六氟化硫气体的化学式是SF6。
中文名称:六氟化硫中文别名:高纯六氟化硫英文名称:Sulphur hexafluoride英文别名:sulfur hexafluoride cyl. with 4.75 kg (~net); Sulfur hexafluoride;Sulphurhexafluoride2; hexafluoro-lambda~6~-sulfane; sulfur(+2) dihydride cation difluorideCAS:2551-62-4[1]EINECS:219-854-2分子式:H4F2S分子量:74.0936六氟化硫气体物理特性六氟化硫气体是一种无色、无味、无毒和不可燃且透明的气体,在通常情况下有液化的可能性,在45摄氏度以上才能保持气态。
在均匀电场下,其绝缘性是空气的3倍,在4个大气压下,其绝缘性相当变压器油。
密度:空气的五倍外观与性状:无色无臭气体。
熔点(℃):-62沸点(℃):-51相对密度(水=1):1.67(-100℃)相对蒸气密度(空气=1):5.11分子式:SF6分子量:146.05溶解性:微溶于水、乙醇、乙醚。
六氟化硫气体化学特性常温下是一种惰性气体。
一般不会与其它材料发生反应。
化学性质稳定。
微溶于水、醇及醚,可溶于氢氧化钾。
不与氢氧化钠、液氨、盐酸及水起化学的反应。
300℃以下干燥环境中与铜、银、铁、铝不反应。
500℃以下对石英不起作用。
250℃时与金属钠反应,-64℃时在液氨中反应。
与硫化氢混合加热则分解。
200℃时,在特定的金属如钢及硅钢存在下,能促使其缓慢分解。
六氟化硫气体电气特性绝缘性能佳,还具有独特的热特性和电特性。
SF6气体是电负性气体,其分子和原子具有很强的吸附自由电子的能力,可以大量吸附弧隙中的自由电子,生成负离子。
六氟化硫技术说明书全文共四篇示例,供读者参考第一篇示例:六氟化硫技术说明书一、概述六氟化硫是一种无色、无臭、无味的气体,化学式为SF6,常温常压下是一种稳定的化合物。
六氟化硫具有极高的绝缘性能、化学惰性和热稳定性,因此被广泛用于电力系统、电力设备和工业生产中。
本说明书将介绍六氟化硫的性质、应用领域以及生产工艺。
二、性质1. 化学性质:六氟化硫是一种无机气体,具有很强的氧化性,可与许多金属反应生成相应的金属氟化物。
在高温下,六氟化硫可以与氢气反应生成硫化氢和氟化氢。
在潮湿的环境中,六氟化硫会与水反应生成氢氟酸和硫酸。
2. 物理性质:六氟化硫是一种无色气体,密度比空气大,熔点为-50.8℃,沸点为-63.8℃。
六氟化硫具有较高的热导率和电绝缘性能。
3. 安全性:六氟化硫是一种高度有毒的气体,为强力的致癌物质。
在浓度较高的情况下,六氟化硫可导致呼吸困难、眩晕等危险情况。
在使用过程中务必注意安全防护措施。
三、应用领域1. 电力系统:六氟化硫是一种优秀的绝缘介质,在高压电力系统中被广泛应用于绝缘、灭弧和冷却等方面。
六氟化硫可以有效地减少电设备的大小和重量,提高设备的电气性能。
2. 金属加工:六氟化硫可以作为金属表面的处理剂,用于去除金属表面的氧化物、硫化物和其他杂质。
六氟化硫可以有效地减少金属加工过程中的磨损和摩擦。
3. 医疗领域:六氟化硫可以制备一些特殊的医疗器材,例如放射性标记剂和核素标记试剂等。
四、生产工艺1. 合成方法:六氟化硫的常规生产工艺主要有两种方法,一种是从氟气和硫化氢反应合成,另一种是从三氟化硫和四氟化硅反应合成。
2. 分离提纯:六氟化硫的分离提纯主要包括冷却凝结法、吸附法和蒸馏法等。
蒸馏法是一种较为常用的工艺方法,可以得到高纯度的六氟化硫。
3. 储存运输:六氟化硫是一种高度危险的气体,储存和运输过程中需要严格遵守相关的安全规定。
常用的储存方式包括高压储罐、低温液氮储罐等。
五、注意事项1. 在使用过程中应佩戴防护装备,保证通风良好;2. 切勿将六氟化硫混合存放于氧化性物质中;3. 如发生泄漏情况,应立即采取相应的应急措施。
六氟化硫气体易燃易爆炸吗?介绍六氟化硫,化学式为SF6,是一种无色、无味、无毒的气体。
由于其高压绝缘和强大的电弧灭火能力,SF6被广泛应用于电力、金属冶炼、半导体和光电子行业。
然而,由于它在高温下变得相当不稳定,因此也有人声称六氟化硫有爆炸危险。
今天,我们将探讨这个问题,看看这种气体到底易燃易爆炸吗?SF6的特性SF6具有多个特性,这些特性使它在电力行业和其他需要高压绝缘的领域中非常受欢迎。
以下是一些其主要特性:•非常稳定:六氟化硫不会分解成基本元素,而是相对稳定。
这使得它可以在高温和高压下使用。
•非常密:虽然SF6是一种气体,但它的密度比空气高得多。
这意味着它可以在封闭的空间中工作,并且不会迅速散布到其他区域。
•容易聚集:由于其密度很高,SF6可以聚集在低洼的地区。
这意味着如果有泄漏发生,气体会聚集在难以到达的地方。
•高压绝缘:六氟化硫非常适用于高压绝缘,可用于电力变压器和开关。
SF6的危险性虽然六氟化硫有许多优点,但它同样存在危险性。
以下是一些主要的危险因素:高压如前所述,SF6是一种高压绝缘气体。
这使得它在高压环境下发生很强的电弧灭火作用,是一种常见的绝缘气体。
然而,当它受到极高的电压时,气体会变得不稳定,并产生高能量的化学反应。
这种反应可以导致产生严重的危险情况。
毒性虽然SF6不是有毒气体,但它可以产生有毒的氟离子。
如果SF6泄漏到空气中,氟离子可能会对人类和其他生物造成伤害。
温度虽然SF6在室温下相对稳定,但它在高温下变得相当不稳定。
高温可能导致其分解,并产生危险的化学物质。
SF6的易燃性和易爆性虽然六氟化硫具有其危险性,但并不是因为其易燃易爆性。
实际上,SF6在室温下是不可燃的,并且不支持燃烧。
它也不是易爆物质。
这种气体在燃烧时会产生有毒的氟化物,但自身并不会着火。
另外,当SF6浓度超过5%时也会熄灭火焰。
结论综上所述,六氟化硫气体不是易燃易爆物质,它在室温下是不可燃的,并且不支持燃烧。
断路器专用六氟化硫(SF6)气体的特性SF6气体具有良好的绝缘和灭弧性能,使SF6断路器具有如下如下优点:开断能力强、断口电压便于做得很高、允许连续断开次数较多。
适用于频繁操作、噪音小,无火灾危险,机电磨损小等条件是一种性能优异的“无维修”断路器。
在高压电网中应用越来越多。
常用的SF6断路器有LN1-35型、HB36型两种。
纯净的SF6气体是具有良好的灭弧介质,若用于频繁操作的低压电器中,由于频繁操作的电弧作用,金属蒸气与SF6气体分解物起反应,结合而生成绝缘性很好的细粉末(氢氟酸盐、硫基酸盐等),沉积在触头表面,并严重腐蚀触头材料,从而使接触电阻急剧增加,使充有SF6气体的密封触头不能可靠的工作。
因此对于频繁操作的低压电器不宜用SF6做灭弧介质。
因为SF6气体在放电时的高温下会分解出有腐蚀性的气体,对铝合金有严重的腐蚀作用,对酚醛树脂层压材料、瓷绝缘也有损害。
若把SF6和N2混合使用,当SF6 量超过20%~30%时,其绝缘强度已和全充SF6时绝缘强度相同,而腐蚀性又大大减少,因此SF6常混合N2使用。
在SF6断路器中,SF6气体的含水量必须严格规定不能超过标准。
水分会与电弧分解物中的SF4产生氢氟酸(H2O+SOF2+2HF)而腐蚀材料,当水分含量达到饱和时,还会在绝缘件表面凝露,使绝缘强度显著降低,甚至引起沿面放电。
运行经验及上述分析都表明:SF6断路器由于绝缘结构体积较小,若SF6气体的含水量较高,则将使绝缘水平大大下降,接触电阻急剧增加,在运行中已发生损坏或爆炸事故。
因此各制造厂及运行部门都要求有严格的密封工艺,同时规定SF6气体的含水量不得超过标准。
我国的标准是SF6气体的含水量应小于300ppm(容积比).SF6断路器以SF6气体为灭弧介质,在正常情况下,SF6是一种不燃、无臭、无毒的惰性气体,密度约为空气的2倍。
但SF6气体在电弧作用下,小部分会被分解,生成一些有毒的低氟化物,如SOF2、SF4、SOF4和SO2P2等。