2017年祥星煤矿全员培训课件
- 格式:ppt
- 大小:13.93 MB
- 文档页数:24
煤矿安全生产管理人员培训考核教材(2017)一、判断题1.坚持“管理、装备、培训”三并重,是我国煤矿安全生产的基本原则。
( √)2.我国在煤矿安全管理工作中,坚持“谁投资、谁受益、谁负责安全”的原则。
( √) 3.“依法办矿、依法管矿、依法治理安全”是我国煤矿安全治理的基本思路。
( √) 4.“安全为了生产,生产必须安全”,与“安全第一”的精神是一致的。
( √)5.所谓“预防为主”,就是要在事故发生后进行事故调查,查找原因、制定防范措施。
( ×) 6.实行煤矿安全监察制度,是贯彻执行安全生产方针、坚持依法治理安全的一项基本制度。
( √)7.构成重大责任事故罪的主观要件是故意而不是过失(X)8.行政处罚中的“责令停止生产”是有时间限制的。
(X)9.开采煤碳资源必须符合煤矿开采规程,遵守合理的开采顺序,达到规定的煤炭资源回采率。
(√)10.煤矿投入生产前,煤矿企业应当向煤炭管理部门申请领取煤炭生产许可证,未取得煤碳生产许可证的,不得从事煤炭生产。
﹙√﹚11.煤矿企业的管理人员违章指挥、强令职工冒险作业,发生重大伤亡事故的,依照刑法相关规定追究刑事责任﹙√﹚12.开采煤炭资源未达到国务院煤炭管理部门规定的煤炭资源回采率的由煤炭管理部门责令限期整改;逾期仍达不到规定回采率的,吊销其煤炭生产证。
﹙√﹚13.未取得煤炭生产许可证,擅自从事煤炭生产的,由煤炭管理部门责令停止生产,没收违法所得,可以并处违法所得一倍以上五倍以下罚款;拒不停止生产的,由县级以上地方人民政府强行停产。
﹙√﹚14.擅自开采保安煤柱或者采用危及相邻煤矿生产安全的危险方法进行采矿作业的,由劳动行政主管部门会同煤炭管理部门责令停止作业,由煤炭管理部门没收违法所得,并处违法所得一倍以上五倍以下的罚款,吊销其煤炭生产许可证;构成犯罪的,由司法机关依法追究刑事责任;造成损失的,依法承担赔偿责任。
﹙√﹚15.建设项目安全设施的设计人、设计单位应当对安全设施设计负责。
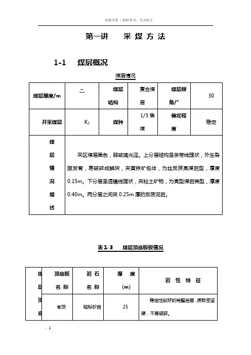
第一讲采煤方法1-1 煤层概况煤层情况表1-3 煤层顶底板板情况1-2 采煤工艺一、采煤工艺采用仰伪斜长壁采煤法。
采煤工作面沿煤层走向、沿煤层倾向自下向上推进,风镐落煤,采空区局部充填(缓慢下沉法充填)。
1.工艺流程:准备(安全检查)→采煤→选矸、充填、掺临时支柱、刨煤→撬底板砂堡砂礅→回柱替换临时支柱作永久支护。
2.落煤:采用G10气镐落煤。
3.装煤:溜煤眼内直接放入1t矿车。
4.运煤:工作面采用搪瓷溜槽自溜,通过溜煤眼放入1t矿车,运输巷采用蓄电池机车运输。
5.工作面支护:平均采高0.8m(0.5m),循环进度1200mm,工作面采用内注式单体液压支柱加铰接顶梁支护(金属支柱支护)。
二、采煤方法1.工作面采用无煤柱开采,下巷采用砂带护巷,上巷留设煤柱。
2.采面布置:采面煤壁与走向的平面夹角为55°,倾角30°(25°),采面伪倾角25°(20),采面伪倾斜长152m,工作面上出口与下出口间的走向距离为137m(88m)。
采面内划分为4段(5段),作为每个班组工作面进行回采。
上段采面超前下段采面的距离不超过15m,每段采面各设溜煤眼1个,溜煤眼宽1300mm(±200mm),高度不低于750mm(1.0m)。
为保证溜煤眼的维护和工作面每段间的通风,在段间的溜煤眼进风侧留设砂墩1个,该砂墩段的煤壁必须采平,以便采出的煤炭进入溜煤眼内。
当段间工作面因所采进度不一致,而造成段间错距时,由采煤队严格控制班组回采的推进度,保证错距不大于15m。
3.气镐落煤:采用G10气镐落煤。
采面下巷采用Ф50mm镀锌主管供采面用风,采面内采用Ф40mm高压胶管供风。
沿煤壁每距15m接支管供给风镐用风。
采面布置风镐32台。
落煤前,首先铺设搪瓷溜槽,用木板关好套子口、溜煤眼口。
落煤过程中,先用气镐打槽砂(俗称猪儿砂)利用槽砂充填砂礅后,再打煤炭,刨煤运输,同时进行支护。
每班工作面推进度不得超过1.2m,煤炭打完后沿溜槽放入溜煤眼内。
煤矿企业全员培训教材(十三)煤矿安全管理目录第一节安全管理基础 (3)第二节现代安全管理方法简介 (9)第三节人员安全管理 (15)第一节安全管理基础随着科学技术的发展,生产规模的扩大,生产技术的变革和地质条件的复杂化,生产事故的种类和发生频率增大,企业安全管理变得越来越重要。
学习安全管理的基础知识,有助于加深对安全管理的认识,更好地掌握安全管理理论、技术和方法,提高安全管理水平,切实做好煤矿安全管理工作。
一、安全管理的定义与分类(一)管理的概念:管理是一种现象,一个过程,也是一种约束行为。
管理就是管理者为了达到一定的目的,对管理对象进行的计划、组织、指挥、协调和控制的一系列活动.(二)安全管理的定义:安全管理既指对劳动生产过程中的事故和防止事故发生的管理,又包括对生活和生活环境中的安全问题的管理。
安全管理是管理者对安全生产进行计划、组织、指挥、协调和控制的一系列活动,以保护职工的安全与健康,保证企业生产的顺利发展,促进企业提高生产效率。
安全管理是企业管理的重要组成部分。
(三)安全管理的分类:1、广义安全管理:泛指一切保护劳动者安全健康,防止国家财产受到损失的管理活动。
从上述可以看出,安全管理不仅要防止生产作业中的人员伤害,也要与危害人员身体健康的一切因素进行斗争;不仅要保护国家和集体财产免遭损失,也要保证作业环境的安全化,实现作业环境和作业过程的本质安全。
2、狭义安全管理:指针对生产过程和生产环境中具体的危险源而开展的安全管理活动,以防止生产过程或与生产有直接关系的活动中发生意外伤害和财产损失.二、安全管理的对象与内容(一)安全管理的对象:安全管理的对象是煤炭生产系统这个人机环境系统中的各个要素,包括人的系统、物质系统、能量系统、信息系统以及这些系统的协调组合。
1、人的系统:人员管理是安全管理的核心。
因此安全管理必须以人为根本,加强对人的系统的管理和控制.2、物质系统:物质系统包括生产作业环境中的机械设备、设施、工具、器件、构筑物、原材料、产品等一切物质实体和能量信息的载体.物质系统是生产的对象,也是发生事故的物质基础。
煤矿安全生产管理人员培训考核教材(2017)一、判断题1.坚持“管理、装备、培训”三并重,是我国煤矿安全生产的基本原则。
( √)2.我国在煤矿安全管理工作中,坚持“谁投资、谁受益、谁负责安全”的原则。
( √) 3.“依法办矿、依法管矿、依法治理安全”是我国煤矿安全治理的基本思路。
( √) 4.“安全为了生产,生产必须安全”,与“安全第一”的精神是一致的。
( √)5.所谓“预防为主”,就是要在事故发生后进行事故调查,查找原因、制定防范措施。
( ×) 6.实行煤矿安全监察制度,是贯彻执行安全生产方针、坚持依法治理安全的一项基本制度。
( √)7.构成重大责任事故罪的主观要件是故意而不是过失(X)8.行政处罚中的“责令停止生产”是有时间限制的。
(X)9.开采煤碳资源必须符合煤矿开采规程,遵守合理的开采顺序,达到规定的煤炭资源回采率。
(√)10.煤矿投入生产前,煤矿企业应当向煤炭管理部门申请领取煤炭生产许可证,未取得煤碳生产许可证的,不得从事煤炭生产。
﹙√﹚11.煤矿企业的管理人员违章指挥、强令职工冒险作业,发生重大伤亡事故的,依照刑法相关规定追究刑事责任﹙√﹚12.开采煤炭资源未达到国务院煤炭管理部门规定的煤炭资源回采率的由煤炭管理部门责令限期整改;逾期仍达不到规定回采率的,吊销其煤炭生产证。
﹙√﹚13.未取得煤炭生产许可证,擅自从事煤炭生产的,由煤炭管理部门责令停止生产,没收违法所得,可以并处违法所得一倍以上五倍以下罚款;拒不停止生产的,由县级以上地方人民政府强行停产。
﹙√﹚14.擅自开采保安煤柱或者采用危及相邻煤矿生产安全的危险方法进行采矿作业的,由劳动行政主管部门会同煤炭管理部门责令停止作业,由煤炭管理部门没收违法所得,并处违法所得一倍以上五倍以下的罚款,吊销其煤炭生产许可证;构成犯罪的,由司法机关依法追究刑事责任;造成损失的,依法承担赔偿责任。
﹙√﹚15.建设项目安全设施的设计人、设计单位应当对安全设施设计负责。