2020年(建筑工程设计)工程设计文件审查办事指南
- 格式:doc
- 大小:579.04 KB
- 文档页数:55
建设工程设计方案规划技术审查办事指南一、指南目的本指南旨在规范建设工程设计方案规划技术审查工作,提高审查效率和质量。
通过明确审查的程序和要求,为相关方面提供明确的指导,确保建设工程设计方案规划技术审查工作的顺利进行。
二、适用范围本指南适用于建设工程设计方案规划技术审查的相关部门和人员,包括建设工程设计单位、建设工程建设管理部门等。
三、审查程序1.提交审查申请:建设工程设计单位按照相关要求,提交建设工程设计方案规划技术审查申请。
申请材料包括设计方案规划图纸、设计方案说明书、工程经济评价报告等。
2.预审阶段:建设工程建设管理部门对提交的审查申请进行预审,核对所提交的申请材料是否齐全、符合相关要求。
如发现问题,要及时反馈给建设工程设计单位,要求其补充材料或进行修改。
3.技术审查:审查委员会根据审查申请和所提交的申请材料开展技术审查工作。
审查包括对规划图纸的布局、风景效果等方面的审查,对设计方案说明书和工程经济评价报告的技术论证进行审查,对工程的可行性进行评估等。
4.审查意见反馈:审查委员会根据审查结果和评价意见,向建设工程设计单位反馈审查意见。
审查意见包括对设计方案的改进意见和合理化建议,以及需要修改或补充的申请材料等。
5.修改和补充:建设工程设计单位根据审查意见,及时对设计方案进行修改和补充。
修改和补充的内容应针对审查意见中提出的问题和要求,确保设计方案更加合理、科学。
6.再次审查:建设工程设计单位完成修改和补充后,再次将设计方案提交审查。
审查委员会对再次提交的设计方案进行审核,确保修改和补充的内容符合要求。
7.审查批复:审查委员会根据再次审查的结果,作出审查批复。
审查批复包括对设计方案的通过或不通过等决策,以及对通过的设计方案的条件和要求等作出的规定。
四、审查要求1.设计规范要求:设计方案应符合国家、地方建设工程设计规范的要求,并参考相关的行业标准和规范。
2.技术可行性:设计方案应具备技术可行性,包括结构合理、施工可行、工程安全等方面的要求。
工程设计方案审核办事指南一、审核范围本市行政区域内新建、改建、扩建的政府投资类建筑工程;社会投资类民用建筑工程;社会投资类工业、仓储建筑工程。
下列工程建设项目除外:1、涉及易燃易爆危险品、危险化学品的生产和储存或者技术难度特别复杂的项目;2、关系国家安全和生态安全、涉及重大生产力布局、重大公共利益的项目;3、特殊工程和交通、水利、能源等领域的重大工程。
二、审核条件申请建设工程设计方案联合审查,应当具备下列条件:1、取得使用土地批准文件(利用自有土地建设的改建、扩建项目已获得规划设计条件);2、勘察、设计单位已依法确定;3、设计方案已编制完成;4、申请材料清单中应当提交的材料已经准备完成;5、社会投资类建筑工程项目建设用地规划许可证可与建设工程规划许可证同步核发,建设单位可一并提出需求。
三、审核事项企业投资项目备案(社会投资简易低风险项目)、规划设计方案审查、四、审核流程1、申请人向行政审批服务局提交申请材料;2、行政审批服务局对申请材料进行形式审查,合格的予以受理;3、行政审批服务局将受理的材料分发至相关职能部门进行专业审核;4、职能部门在规定时间内完成审核,并将审核意见反馈给行政审批服务局;5、行政审批服务局根据审核意见,作出审核决定,并通知申请人。
五、审核时限行政审批服务局应在受理申请之日起20个工作日内作出审核决定。
六、申请人权利和义务1、申请人有权了解审核进度和审核结果;2、申请人有权申请延期、补充材料或者更改设计方案;3、申请人应按照要求提供真实、完整的申请材料;4、申请人应按照审核决定进行工程建设。
七、不予审核的情形1、申请材料不齐全或者不符合法定形式的;2、申请人不符合申请条件的;3、设计方案不符合相关法律、法规、标准和规定的;4、其他依法不予审核的情形。
八、审核结果1、审核合格的,出具审核合格意见书;2、审核不合格的,出具审核不合格意见书,并说明理由。
九、法律依据1、《中华人民共和国建筑法》;2、《中华人民共和国城乡规划法》;3、《建设工程勘察设计管理条例》;4、《建筑工程设计文件审查规定》。
建筑工程设计审查指南一、引言建筑工程设计审查是保障建筑安全和质量的重要环节,对于提高工程质量和避免事故具有重要意义。
本指南旨在规范建筑工程设计审查的流程和标准,帮助相关人员进行审查工作,确保建筑工程的安全和可靠性。
二、立项和准备阶段1. 立项阶段在立项阶段,需进行初步设计方案的审查,包括总平面图、设计任务书、可行性研究报告等的审查,确保设计方案满足相关法律法规和规范要求。
2. 准备阶段准备阶段主要针对方案的深化,要审查建筑结构、给排水、电气、消防等专业设计方案,以确保各专业设计的合理性,充分满足设计要求。
此外,还应审查材料选择、合理性和可替代性,确保选材符合标准要求。
三、设计阶段在设计阶段,应重点审查以下内容:1. 结构设计审查结构设计方案,包括建筑物的荷载计算、施工图设计、结构安全系数等内容,确保结构设计满足承载要求和安全性要求。
2. 给排水设计审查给排水设计方案,包括用水量计算、管道布局、施工图等,确保设计方案满足建筑物日常用水和排水需求。
3. 电气设计审查电气设计方案,包括线路布置、配电箱排布、电气设备配置等,确保电路合理稳定,符合安全要求。
4. 消防设计审查消防设计方案,包括灭火系统、疏散通道设计、防火间距等,确保建筑物在火灾发生时能及时疏散人员、有效灭火。
5. 空调暖通设计审查空调暖通设计方案,包括送风、排风系统、供暖方式等,确保室内环境的舒适性和健康性。
6. 绿化景观设计审查绿化景观设计方案,包括植物种类选择、绿化布局、景观效果等,确保绿化景观符合规划要求和美观度。
四、绘图及说明材料审查审查绘图及说明材料,包括平面图、立面图、剖面图等工程图纸,以及设计说明书、设计计算书等配套说明材料,确保绘图准确完整、说明清晰详实。
五、审查结果与意见反馈在完成审查后,应编写审查报告,明确审查结果和意见,及时反馈给设计人员和建设单位,提出修改和完善的建议,并设立合理的反馈机制,确保审查结果能够得到合理的应用和处理。
上海市建设工程设计文件审查办事指南第一篇:上海市建设工程设计文件审查办事指南是根据国家法律法规和上海市相关规定制定的具体操作指南,旨在规范建设工程设计文件的审查流程,提高审查效率和质量。
本文将对上海市建设工程设计文件审查办事指南的相关内容进行综述和解析。
一、审查范围和要求1. 建设工程设计文件审查的范围:涉及上海市辖区范围内的各类建设工程项目,包括房屋建筑工程、市政公用工程、交通工程和水利水电工程等。
2. 审查要求:(1)按照国家和行业标准对设计文件进行审查,确保设计方案的合理性、科学性和可行性。
(2)审查是否符合法律法规和相关技术规范的要求,如建筑设计规范、防火规范、地质勘察规范等。
(3)对存在的问题和不合理点提出合理化建议,确保设计文件能够满足建设工程的功能和质量要求。
二、审查流程1. 提交资料。
申请单位需按照指南要求递交建设工程设计文件,并提供相关材料、报告和证明等。
2. 审查登记。
审查机构对受理的设计文件进行登记,并给予编号,确保审查工作的有序进行。
3. 专家评审。
组织专家对设计文件进行评审,评估设计方案的可行性和技术性,提出意见和建议。
4. 审查意见。
审查机构根据专家评审意见,对设计文件进行初审,并形成审查意见。
5. 问题整改。
审查意见反馈给申请单位,要求其对存在的问题进行整改,并修改设计文件。
6. 再次审查。
申请单位完成整改后,重新提交设计文件,审查机构进行再次审查。
7. 最终审查。
审查机构根据再次审查结果,决定是否通过设计文件审查,并形成最终审查意见。
8. 审查报告。
审查机构编制审查报告,包括审查结果、审查意见和建议等内容,并将报告送达申请单位。
9. 审查结果。
申请单位根据审查结果决定后续工作,如合格则进行施工许可申请,如不合格则重新修改设计文件并重新提交。
三、审查注意事项1. 申请单位应按照要求准备和提交设计文件,并确保文件的真实性和完整性。
2. 设计文件应符合国家和行业标准,确保设计的科学性和合理性。
建筑工程方案设计审查程序一、引言建筑工程方案设计是整个工程建设的第一步,对工程的质量和进度具有决定性的影响。
因此,对建筑工程方案设计进行审查是非常重要的,可以确保方案的合理性、安全性、可行性和符合法律法规,为后续的施工和验收奠定基础。
本文将就建筑工程方案设计审查程序进行详细论述。
二、建筑工程方案设计审查程序的目的1. 确保设计方案符合法律法规和标准。
2. 评估设计方案的可行性和合理性。
3. 查漏补缺,确保设计方案的安全性。
4. 为后续的施工和验收奠定基础。
三、建筑工程方案设计审查程序的内容1. 提交审批申请。
申请人将建筑工程方案设计文件提交至相关审批机构。
2. 审查申请受理。
审批机构收到建筑工程方案设计文件后,对申请材料进行初审,确定材料完整齐全,符合要求。
3. 审查组成立。
审批机构根据建筑工程方案设计的复杂程度,成立审查组,确定审查组成员,其中应包括结构工程师、建筑工程师、给排水工程师等相关专业技术人员。
4. 专家评审。
审查组成员对建筑工程方案设计文件进行独立评审和讨论,提出修改意见和建议。
5. 组织会议。
审批机构组织会议,对建筑工程方案设计文件进行审查讨论,确定审查意见。
6. 出具审查意见。
审批机构出具审查意见,明确修改内容和要求。
7. 变更方案审批。
申请人按照审查意见修改建筑工程方案设计文件,重新提交审批机构复审。
8. 批准方案。
审批机构根据经过修改的建筑工程方案设计文件,做出批准决定。
四、建筑工程方案设计审查程序的实施1. 制定审查计划。
审批机构应根据审查工作的具体情况,制定审查计划,确定审查的时间节点和具体任务。
2. 成立审查组。
严格按照审查程序的要求,成立相应的审查组,明确成员的职责和任务。
3. 严格审查。
审查组成员应严格按照相关法规和标准要求,对建筑工程方案设计文件进行审查,做到客观公正。
4. 审查记录。
审查组应及时记录审查过程中的讨论、意见和建议等内容,形成审查记录。
5. 出具审查意见。
工程设计方案审批文件一、前言本文旨在对工程设计方案进行审批,确保设计方案的准确性、可行性和合规性,为工程项目的顺利进行提供保障。
以下是对工程设计方案进行审批的相关内容。
二、审批程序1. 提交申请:工程设计方案提交前,申请人应准备完整的设计方案文件,并填写审批申请表格。
申请人需将申请表格和设计方案文件提交给审批机构。
2. 材料审核:审批机构对提交的申请材料进行审核。
审查内容主要包括设计方案的完整性、规范性以及设计方案的合规性。
3. 技术评审:审批机构组织技术专家对设计方案进行评审。
评审内容主要包括方案的科学性、技术可行性以及可行性论证等方面。
4. 会议讨论:审批机构组织会议,对审核和评审结果进行讨论。
会议成员根据专家评审意见和审查材料,作出审批决策。
5. 审批结果通知:审批机构将审批结果通知申请人。
如审批通过,需签署工程设计方案审批文件,如审批不通过,需向申请人说明理由。
三、审批内容1. 设计方案的完整性:审批机构将对设计方案中各项内容进行检查,确保设计方案中所需信息齐全。
2. 规范性审查:审批机构将对设计方案进行规范性审查,确保设计方案符合国家相关标准和规范要求。
3. 合规性审查:审批机构将对设计方案进行合规性审查,确保设计方案符合法律法规要求,以及环境保护和安全生产要求等。
4. 科学性评审:技术专家将对设计方案的科学性进行评审,包括设计理念的科学性、工程技术的合理性等。
5. 可行性论证:审批机构将对设计方案的可行性进行论证,包括项目的可行性、经济可行性、社会可行性等。
四、审批结果1. 审批通过:若设计方案审批通过,审批机构将向申请人发放工程设计方案审批文件。
申请人需根据审批文件中的要求进行后续工程设计工作。
2. 审批不通过:若设计方案审批不通过,审批机构将向申请人说明审批不通过的原因,并要求申请人进行相应修改和调整。
五、结论工程设计方案审批是确保工程项目顺利进行的重要环节。
通过对设计方案的审核和评审,能够保证设计方案的准确性、可行性和合规性,为后续工程实施提供参考和指导。
上海市住房和城乡建设管理委员会文件沪建建管〔2020〕446 号____________________________________________________________________上海市住房和城乡建设管理委员会关于印发《上海市建筑装饰装修工程施工图设计文件审查工作操作细则》的通知各有关单位:现将《上海市建筑装饰装修工程施工图设计文件审查工作操作细则》印发给你们,请认真按照执行。
上海市住房和城乡建设管理委员会二O二O年八月二十六日上海市建筑装饰装修工程施工图设计文件审查工作操作细则为了进一步规范本市建筑装饰装修工程施工图设计文件审查工作,根据《上海市建筑装饰装修工程管理实施办法》(沪住建规范〔2020〕3 号)制订本操作细则。
一、适用范围本细则适用于具有以下情形之一的装修工程:(一)涉及主体结构整体和部分承重结构构件变动的;(二)涉及消防设施变动的;(三)涉及房屋立面改动的;(四)涉及功能调整的(市、区政府书面认定);(五)《建设工程消防设计审查验收管理暂行规定》(住房城乡建设部第51号令)第十四条规定的特殊建设工程涉及消防设计变动的。
二、装饰装修工程设计单位资质及签章要求(一)具备工程设计综合资质或建筑工程(行业、专业)设计资质的设计单位可承接所有装饰装修工程设计项目,设计文件应加盖设计单位及设计项目负责人、相应执业注册人员签章。
涉及建筑主体结构整体和部分承重结构构件变动,以及功能调整的设计业务必须由具备工程设计综合资质或建筑工程(行业、专业)设计资质的设计单位承接。
(二)具备单一专项资质的设计企业仅可在其资质许可范围内承接相应的装饰装修工程设计项目,并按要求签章:1.仅涉及消防设施变动的设计业务,可由具备消防设施工程设计专项资质的设计单位和相应资质的注册执业人员签章。
在消防设施变动中,不影响消防系统整体运行功能,仅涉及自动灭火系统喷头、火灾自动报警系统火灾探测器(包括手动报警按钮、声光报警器、楼层显示器、消防应急广播扬声器等)、室内消火栓箱、疏散指示标志、应急照明灯具、机械排烟口或正压送风口的局部移位或少量数量增减,且不属于住房城乡建设部51号令第十四条所列特殊建设工程范围内的装修工程的,在建设单位和设计单位承诺“未改动消防设施系统,且未破坏原有消防设计原则”的前提下,可由具备装饰装修专项设计资质的企业和设计负责人签章。
建筑工程施工图设计文件审查意见书
审查单位:建筑工程设计单位
项目名称:某某建筑项目
审查时间:2020年X月X日
建议修改的施工图设计文件:
1. 建筑平面布置图:注意确认建筑各功能区域的面积是否符合设计需求,尤其是公共区域和生产区域的面积。
对于通道、楼梯、出入口等部分应注明相应的尺寸、高度要求等。
2. 建筑剖面图:检查建筑结构的剖面是否合理,各层高度是否满足功能和空间要求。
特别关注建筑物与地面的连接处是否有必要设置防水措施。
3. 建筑立面图:建议添加防护措施,如防护栏、窗户网格等。
确认建筑外墙材料和颜色是否符合设计要求。
4. 基础设计:核对建筑物的基础深度、类型是否符合设计要求,特别关注地下室的排水设计是否合理。
5. 设备安装图:注意检查各项设备的布置和安装位置是否合理,并确保各项设备的维护通道和操作空间符合相关规范。
6. 排水施工图:检查排水系统的设计是否合理,特别关注雨水
管道和污水管道的布置是否满足规范要求。
7. 电气布置图:确认电气设备的配电线路是否合理,布置是否
符合电气安全规范,注意检查消防设备和安全照明的电气布置是否
符合法规要求。
8. 消防施工图:核对消防系统的设计方案和设备位置是否符合
消防规范要求,并确保消防设备与建筑结构的连接正确可靠。
以上为本次施工图设计文件审查的意见,希望设计单位能认真
对待,按照要求进行修改,并在修改后提交审查单位复核。
如有其
他问题和疑问,请随时与我们联系。
审查单位:联系人:。
建筑工程设计审查建筑工程设计审查是一项非常重要的程序,它确保了建筑工程的合理性、安全性和可行性。
具体来说,建筑工程设计审查是对建筑设计图纸、施工方案等进行全面细致的审查和评估,以确定设计方案是否符合相关法律法规和技术标准。
1. 审查程序建筑工程设计审查的程序一般包括以下几个步骤:(1) 提交申请:建设单位将建筑设计文件、技术资料等提交给审查机构。
(2) 审查评估:审查机构对提交的文件进行审查评估,核实其合规性和可行性。
(3) 报告编制:审查机构根据审查结果编制审查报告,提出审查意见和建议。
(4) 修改完善:建设单位根据审查报告提出的意见和建议,修改和完善设计文件。
(5) 再审查:建设单位将修改后的设计文件重新提交给审查机构进行再次审查。
(6) 审查结果:审查机构根据再审查结果确定是否通过审查,作出审查结论。
2. 审查内容建筑工程设计审查主要涉及以下方面:(1) 合规性审查:审查建筑设计文件是否符合国家和地方的法律法规要求,包括土地利用规划、建筑规划、建筑设计标准等。
(2) 安全性审查:审查建筑设计文件是否满足建筑工程的结构安全、防火防爆、抗震抗风等方面的要求,以确保建筑的安全性。
(3) 可行性审查:审查建筑设计文件是否满足工程施工和使用的实际要求,包括工程造价、施工方案、可持续性等。
3. 审查标准建筑工程设计审查的标准主要包括法律法规和技术标准两个方面。
(1) 法律法规:审查机构会根据国家和地方的相关法律法规进行审查,确保设计方案符合法律法规的要求。
(2) 技术标准:审查机构还会根据建筑工程的相关技术标准,对设计方案的合理性、可行性进行评估,以确保建筑工程质量。
4. 审查机构建筑工程设计审查由专门的审查机构进行,这些机构通常由资深的建筑设计师、工程师和技术专家组成。
(1) 政府审查机构:由政府部门设立,负责对建筑工程设计进行审查,确保工程符合国家政策和法规要求。
(2) 专业审查机构:由专门的设计院、工程咨询公司等组成,承接政府委托的建筑工程设计审查任务。
建设工程设计方案审批办事指南一、适用范围本指南适用于本区区域内建设工程设计方案审批的申请与办理。
二、事项名称和代码事项名称:建设工程设计方案审批事项代码:5255三、办理依据1、《中华人民共和国城乡规划法》第四十条申请办理建设工程规划许可证,应当提交使用土地的有关证明文件、建设工程设计方案等材料。
对符合控制性详细规划和规划条件的,由城市、县人民政府城乡规划主管部门或者省、自治区、直辖市人民政府确定的镇人民政府核定建设工程规划许可证。
2、《上海市城乡规划条例》第三十五条申请办理建设工程规划许可证,应当提交使用土地的有关证明文件、建设工程设计方案等材料;规划行政管理部门应当在三十个工作日内提出建设工程设计方案审核意见。
经审定的建设工程设计方案的总平面图,规划行政管理部门应当予以公布。
四、办理机构(一)办理机构名称上海市黄浦区规划和土地管理局(二)办理权限《上海市建设工程规划管理市、区(县)分工实施意见》属于下列范围的建设工程,由市规划行政管理部门负责审批。
(1)历史文化风貌区内建设项目和优秀历史建筑:文物保护单位和优秀历史建筑变动主体承重结构的建筑大修工程;文物保护单位和优秀历史建筑的保护范围和建设控制范围内,建筑面积500平方米以上的新建、扩建、改建等建设项目;中心城历史文化风貌区范围内,建筑面积500平方米以上的新建、扩建、改建等建设项目。
(2)沿黄浦江和苏州河范围(按批准的规划确定的沿岸及规划有建筑物所在的第一个街坊,如沿岸及规划有公共绿地的,则范围扩至公共绿地后的第一个街坊)的建设项目;(3)世博会规划红线范围内建设项目;(4)全市性、系统性的市政建设工程;(5)保密工程、军事工程等建设工程;(6)市人民政府指定的其他建设工程。
黄浦区区域范围内,前款规定范围以外建设工程,由市规划行政管理部门黄浦区受理点或黄浦区规划行政管理部门负责管理。
(三)审批内容建设项目位置、建设用地面积、建设用地性质、建设工程性质、规模、容积率、建筑密度、绿化率、建筑高度、建筑间距、退界及其它规划条件。
建筑工程方案设计审查规定一、总则为规范建筑工程方案设计审查工作,提高建筑工程设计的质量和水平,保障工程的安全、经济、美观和环保,保障人民群众生命财产安全,根据《建筑法》等相关法律法规,制定本规定。
二、审查范围建筑工程方案设计审查应当包括建筑工程的总体规划设计、建筑结构设计、给排水与供暖设计、电气设计等内容,其中涉及到的载体结构、构件和材料应当符合国家相关标准和规范。
三、审查程序1. 提交申请:建筑工程方案设计审查由建设单位向规定的审查机构提交申请资料,并缴纳相应的费用;2. 材料审查:审查机构对申请资料进行初步审查,确定是否符合审查要求;3. 专家评审:经初步审查合格的申请资料将由审查机构交由专家组组成专家评审小组进行评审,形成评审意见;4. 审查结论:审查机构依据专家评审意见形成审查结论,并将结论通知建设单位;5. 修改完善:如果审查意见中存在不足或需要修改的地方,建设单位应当按照审查机构的意见进行修改完善;6. 发放批复:经审查机构认定全部符合审查要求的申请资料,审查机构将会发放审查批复文件。
四、审查要求1. 设计合理:建筑工程方案设计应当符合国家相关规范和标准,并合理布局,结构稳固,具有较高的安全性和耐久性;2. 材料选用:建筑工程方案设计审查应当严格按照相关标准和规范选择建筑材料,保证材料质量合格,符合环保标准;3. 排污与供暖:给排水与供暖设计应当合理布局,管线设置合理,保证供水质量和供热效率;4. 电气设计:建筑工程电气设计应当符合国家相关规定,保证用电安全,防止火灾事故的发生;5. 美观环保:建筑工程方案设计应当注重建筑外观和环境美化,符合当地城市规划要求,保护生态环境。
五、审查机构审查机构应当由相关建筑工程设计、施工、监理等专业技术人员组成,具备一定的资质和经验,对建筑工程方案设计有专业的认识和理解。
六、审查结果审查机构应当及时向建设单位发布审查结论和意见,对于不符合相关规定的地方应当提出修改意见,依法依规作出审查结论。
工程设计文件审查办事指南工程设计文件审查办事指南一、前言随着人类社会的不断进步,建筑工程的建设越来越复杂。
为了确保建筑工程的质量和安全,各国都特别重视工程设计文件的审查和审核。
在我国,工程设计文件的审查也在不断地完善和提高。
本文旨在为大家介绍一份关于工程设计文件审查办事指南,帮助大家更好地理解和掌握工程设计文件审查的相关要点和流程。
二、审查工作的主要内容1.审查项目工程设计文件的审查主要包括以下内容:工程目标、工程选址、工程结构、深基坑和基坑支护、定向钻孔、融雪路桥、楼宇防腐等。
2.审查标准审查标准是工程设计文件审查的第一步。
根据我国的建筑、设计和施工相关标准和规范,对工程设计文件进行科学、全面、客观、公正、规范、专业、准确的审查。
3.审查要点在设计文件的审查过程中,要注意以下要点:审查文件的完整性、准确性、可行性、经济性、合法性、安全性、环境保护和文化保护等因素。
三、审查的重要性设计文件的审查是为了防止工程出现质量问题、安全问题、环境问题等可能出现的风险事故。
主要具有以下几个方面的重要性:1.提高工程质量设计文件的审查能够有效地避免设计不合理、设计计算错误、材料选用不当等问题,从而提高工程质量。
2.保障工程安全通过设计文件的审查,有效降低工程无法预知的危险因素,提高工程的安全性。
3.推动环境保护在工程设计文件审查的过程中,环境保护因素也是必须要考虑的重点之一。
审查过程中要重视环境保护的要求,从而促进环境保护措施的落实。
4.确保设计文件的合理性和科学性设计文件是工程建设的基础,审查过程中的每一个节点都要充分考虑设计文件的合理性和科学性,从而更好地推进工程建设。
四、审查流程工程设计文件的审查流程大致可分为以下几个环节:1.设计单位按照规定提交设计文件在提交工程设计文件之前,设计单位应当认真对其进行细致的审查和修正,确保设计文件符合相关规范和标准。
2.审查单位对提供的文件进行初审审查单位对提供的设计文件进行初审,初审以资料内容是否齐全、是否符合规范标准以及技术是否可行等为主要着眼点进行审查。
工程方案审查规程第一章总则第一条为加强工程的质量管理,保障工程建设的安全和质量,根据《中华人民共和国建设工程质量条例》、《建设工程质量管理条例》等法律法规,制定本规程。
第二条本规程适用于我单位承担的各类工程项目的方案审查工作。
第三条工程方案审查是指对工程设计文件进行审核,以验证其设计是否符合国家法律法规和相关技术标准,是否满足工程质量、安全及可操作性的要求,从而提高工程设计的合理性和可行性。
第四条本规程由工程质量安全管理部门负责制定并组织实施,各相关部门和人员应当严格执行。
第五条工程方案审查应当依法自主、公正、客观、公开的原则进行,不得以任何方式干涉、影响设计人员的合法权益。
第六条对于不符合国家法律法规和相关技术标准的设计文件,审查人员有权要求设计单位进行修改,并提出合理化建议。
第七条审查人员应当积极主动,勤勉尽责,实事求是地进行工程方案审查工作,不存在徇私舞弊、弄虚作假的行为。
第二章审查人员的条件和要求第八条从事工程方案审查工作的人员,应当具备相应的专业技术背景和经验,且具备相关工程资格证书。
第九条审查人员应当严格遵守国家法律法规和相关技术标准,积极参加相关培训,不断提升自身业务水平和素质。
第十条审查人员应当保持客观公正的态度,严格遵守保密法律法规,不得泄露审查过程中获取的相关信息。
第十一条审查人员应当时刻关注工程技术的最新发展,及时更新自己的知识和技能,确保审查工作的准确性和可靠性。
第三章审查程序第十二条工程方案审查依据项目的具体情况,可分为初审和复审两个阶段进行。
第十三条初审是针对工程设计文件的重要部分,主要检查其完整性和一致性,以及与相关法规和标准的符合程度。
第十四条复审是在初审的基础上,对初审意见进行整理和分析,针对设计文件中存在的问题,提出具体的修改和完善意见。
第十五条工程方案审查的程序应当包括以下内容:(一)召开审查会议,明确审查的目的、条件和要求;(二)审查人员根据审查计划和要求,认真研读设计文件,对照国家法律法规和相关技术标准进行核对;(三)针对设计文件中的问题,形成初审意见,并反馈给设计单位;(四)设计单位按照初审意见进行修改和完善,形成复审文件;(五)复审人员对复审文件进行核查,形成最终审查意见。
建设工程设计文件审查办事指南一、办理事项本指南适用于本市企业投资建设工程核准、备案类项目设计文件审查。
建设工程审批制项目有条件的,也可参照实施。
二、办理机构上海市建设工程设计文件审查管理事务中心(以下简称市审查中心)。
(一)办理地址:小木桥路683号底楼受理大厅设计文件审查14号窗口(以下简称受理窗口)(二)办理电话:(三)办理时间:周一至周四(国家法定节假日除外)上午:9:00—11:30 下午:13:30—17:00周五(国家法定节假日除外)上午:9:00—11:30(四)查询网址:(五)咨询电话:区(县)、特定地区管委会所属管辖范围内项目到各区(县)、特定地区管委会相应机构办理。
三、项目受理范围(一)投资立项属于市级管理部门备案、核准权限的项目。
(二)规划设计方案属于市级管理部门审批权限的项目。
(三)按照有关规定,工程安全质量需要重点监管的特殊建设项目:1.超高(高度超过100米)和单跨跨度超过60米的建设项目。
2.单位工程建筑面积超过20000平方米(含20000平方米)的建设项目。
3.轨道交通保护区内的建设项目。
4.其他特殊建设项目。
(四)涉及文物、优秀历史建筑、古树名木、危险化学品等专业的特殊建设项目,依照相关法律法规规定执行。
上述项目以外的建设项目由各区(县)和特定地区管委会按照职责分工负责管理。
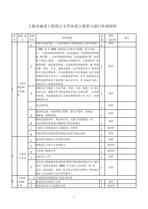
四、提交资料建设单位按《上海市建设工程设计文件审查送审资料目录》(详见附件)的要求向受理窗口提交分袋包装的相关资料。
五、审查程序(一)受理1.受理窗口对材料进行核对,材料齐全后出具《上海市建设工程设计文件审查收件单》。
2.收件之日起1个工作日内将材料一并转送给设计文件审查相关管理部门及相关审查机构。
3.相关管理部门在签收材料之日起3个工作日内对材料是否齐全和是否符合法定形式进行审查,将是否受理或需补正材料意见反馈至市审查中心。
4.市审查中心在1个工作日内出具《上海市建设工程设计文件审查受理通知书》或《上海市建设工程设计文件审查不予受理决定书》。
建筑工程方案设计审查规定一、总则为了规范建筑工程方案设计审查工作,提高设计质量,确保建筑工程的安全性、实用性、经济性,特制定本规定。
二、审查范围建筑工程方案设计审查适用于建筑、结构、给排水、空调、电气、消防等各个专业的方案设计文件。
三、审查程序(一)申请材料1. 建筑工程方案设计审查申请书;2. 建筑工程方案设计文件;3. 其他相关材料。
(二)技术资料审核1. 对建筑工程方案设计文件进行初步审核,确认是否齐全、符合规定;2. 如有不符合,书面通知设计单位补充完善。
(三)专家评审1. 组织专家对建筑工程方案设计文件进行评审;2. 特殊情况下,可以邀请有关领域的专家参与评审。
(四)审核意见汇总1. 汇总专家评审意见,形成审查报告;2. 审查报告需详细说明建议修改事项。
(五)反馈意见1. 将审查报告及审核意见通知设计单位;2. 设计单位应根据意见及时修改设计方案。
(六)审查确认1. 设计单位按要求修改设计方案后,重新提交审查文件;2. 核对修改后的设计文件并进行最终确认。
四、审查标准建筑工程方案设计审查应符合以下标准:1. 符合国家相关规定和标准;2. 设计合理性、安全性、经济性;3. 各专业之间协调一致;4. 绿色建筑及节能设计考虑;5. 其他相关标准要求。
五、审查时限建筑工程方案设计审查应在规定时限内完成,审查时限根据具体工程情况确定。
六、审查结果审查结果分为通过和不通过两种情况,通过后方可进入下一阶段设计工作。
七、补充规定本规定如有未尽事宜,按照有关法规和规范执行。
以上即为建筑工程方案设计审查规定,设计单位应严格按照规定执行,确保建筑工程的质量和安全。
(建筑工程设计)工程设计文件审查办事指南上海市建设工程设计文件审查办事指南(修订版)(企业投资核准、备案类项目)上海市建设工程设计文件审查管理事务中心二〇一四年八月目录上海市建设工程设计文件审查办事指南 (1)上海市建设工程设计文件审查申请表 (6)上海市建设工程设计文件审查收件单 (8)上海市建设工程施工图设计文件审查建设单位承诺书 (9)上海市建设工程设计文件审查受理通知书 (10)上海市建设工程设计文件审查不予受理决定书 (11)上海市建设工程设计文件审查补正材料通知书 (12)上海市建设工程设计文件审查中止办理期限告知书 (13)上海市建设工程设计文件审查终止办理通知书 (14)上海市建设工程设计文件征询意见汇总函 (15)上海市建设工程施工图设计文件审查备案证书 (17)上海市建设工程施工图设计文件审查合格书 (20)附件上海市建设工程设计文件审查送审资料目录 (25)上海市建设工程施工图设计文件审查机构抽取选定办事指南. 30 建设单位网上抽取选定审查机构密码申请表 (32)上海市建设工程施工图设计文件审查机构抽取情况通知单 (33)上海市建设工程施工图设计文件审查合同备案办事指南 (34)上海市建设工程施工图设计文件审查合同备案变更表 (35)上海市建设工程设计文件审查办事指南一、办理事项本指南适用于本市企业投资建设工程核准、备案类项目设计文件审查。
建设工程审批制项目有条件的,也可参照实施。
二、办理机构上海市建设工程设计文件审查管理事务中心(以下简称市审查中心)。
(一)办理地址:小木桥路683号底楼受理大厅设计文件审查14号窗口(以下简称受理窗口)(二)办理电话:54614788 - 1021(三)办理时间:周一至周四(国家法定节假日除外)上午:9:00—11:30 下午:13:30—17:00周五(国家法定节假日除外)上午:9:00—11:30(四)查询网址:(五)咨询电话:54614788 - 1021区(县)、特定地区管委会所属管辖范围内项目到各区(县)、特定地区管委会相应机构办理。
三、项目受理范围(一)投资立项属于市级管理部门备案、核准权限的项目。
(二)规划设计方案属于市级管理部门审批权限的项目。
(三)按照有关规定,工程安全质量需要重点监管的特殊建设项目:1.超高(高度超过100米)和单跨跨度超过60米的建设项目。
2.单位工程建筑面积超过20000平方米(含20000平方米)的建设项目。
3.轨道交通保护区内的建设项目。
4.其他特殊建设项目。
(四)涉及文物、优秀历史建筑、古树名木、危险化学品等专业的特殊建设项目,依照相关法律法规规定执行。
上述项目以外的建设项目由各区(县)和特定地区管委会按照职责分工负责管理。
四、提交资料建设单位按《上海市建设工程设计文件审查送审资料目录》(详见附件)的要求向受理窗口提交分袋包装的相关资料。
五、审查程序(一)受理1.受理窗口对材料进行核对,材料齐全后出具《上海市建设工程设计文件审查收件单》。
2.收件之日起1个工作日内将材料一并转送给设计文件审查相关管理部门及相关审查机构。
3.相关管理部门在签收材料之日起3个工作日内对材料是否齐全和是否符合法定形式进行审查,将是否受理或需补正材料意见反馈至市审查中心。
4.市审查中心在1个工作日内出具《上海市建设工程设计文件审查受理通知书》或《上海市建设工程设计文件审查不予受理决定书》。
有以下特殊情况的,受理时限可以延长1个工作日:(1)市审查中心与设计文件相关管理部门不在同一区(县)或者与设计文件相关管理部门审查层级不同的;(2)因天气、交通等不可抗力因素的;(3)其他特殊情况。
4. 对需要补正材料的,市审查中心向申请单位出具《上海市建设工程设计文件审查补正材料通知书》,一次告知需补正的材料。
原则上申请单位应当在10个工作日内将补正的材料提交市审查中心,逾期未补正的,作退件处理。
(二)审查1.总体设计文件征询。
(1)自设计文件审查正式受理之日起10个工作日内出具征询意见。
设计文件相关管理部门征询意见存在矛盾的,市审查中心向申请单位和审查机构出具《上海市建设工程设计文件审查中止办理告知书》,中止审查,并由市审查中心在7个工作日内进行协调。
完成相关协调后,审查机构继续设计文件审查。
(2)设计文件征询通过的,市审查中心应告知建设单位征询通过,并将征询汇总意见通知审查机构在施工图设计文件审查中落实。
(3)设计文件审查征询未通过,则终止审查,通知建设单位,并告知其它设计文件相关管理部门和审查机构终止设计文件审查。
建设单位经过整改后重新申请设计文件审查,审查时限重新计算。
2.施工图设计文件审查(1)审查机构在规定时间内对施工图设计文件进行审查,审查完成后上报市审查中心备案。
(2)审查通过的,审查机构应出具《上海市建设工程施工图设计文件审查合格书》。
(3)审查未通过的,审查机构向建设单位发放《上海市房屋建筑工程施工图设计文件审查意见告知书》,中止审查。
建设单位组织勘察设计单位完成整改后向原审查机构提交整改资料及《上海市建设工程施工图设计文件审查意见告知书回复单》重新审查。
(4)建设单位如对审查意见告知书的内容有疑义,可以向市审查中心申请复审。
(5)建设工程后续幕墙、钢结构等专项设计,由原审查机构进行施工图设计文件审查。
(三)备案对通过施工图设计文件审查的项目,审查机构完成上报备案后,市审查中心在5个工作日内完成施工图审查备案。
由建设单位或审查机构凭《上海市建设工程施工图设计文件审查合格书》原件至市审查中心领取《上海市建设工程施工图设计文件审查备案证书》。
六、后续事项已通过审查的设计文件有重大变更时,建设单位应当及时向市审查中心提交设计变更审查申请报告及相关资料,市审查中心重新组织设计文件审查。
上海市企业投资核准、备案项目建设工程设计文件审查流程图不予受理材料补正正式受理五 个 工 作日上海市建设工程设计文件审查申请表申请流水号:建设单位(盖章)注:1.项目名称按照规划设计方案批文上名称所填写;年月日2.勘察单位、设计单位、注册人员数按实际可增加;3.本表一式二份,审查机构、市审查中心各一份.项目单位工程概况表申请流水号:报建编号:第()期1. 项目名称应填全称,如仅报审±0.000以下工程,请在单项工程名称中注明;2. 所填资料应与有关批文内容相符;3. 单位工程编号应与总平面图上的编号对应;4. 地上建筑面积指含建筑保温层面积的地上建筑面积。
地上、地下建筑面积均为单栋建筑面积;5. 建筑类型:工业厂房、工业仓储、工业其它、住宅、商办、商住、办公、商场、宾馆、综合、学校、医院、影剧院、体育场馆、其它;6. 结构类型:砌体、底框砌体、剪力墙、框架、框支剪力墙、框剪、筒体、框筒、排架、钢结构、钢混结构、木结构、其它;7. 基础形式:桩基、复合桩基、片筏、条基、箱基、独立、其它;8. 建筑高度填写一幢建筑中最高的高度,叠落式建筑高度指北檐口的高度;9. 层数(地上)按建筑概念填写一幢中最高的层数;10. 基础埋深指室外地坪至基础底板底的高度;11.混凝土结构的装配式公共建筑,其建筑单体预制装配率计算口径参造采用装配整体式混凝土机构体系的装配式住宅,以最终的项目认定为准;12.本表一式二份,审查机构、市审查中心各一份。
上海市建设工程设计文件审查收件单经办人:审核人:联系电话:上海市建设工程设计文件审查管理事务中心年月日注:本表一式两份,建设单位、市审查中心各一份。
上海市建设工程施工图设计文件审查建设单位承诺书上海市建设工程设计文件审查管理事务中心:我单位投资建设的项目(报建编号),现向你中心申请设计文件审查。
我单位承诺:如有重大设计修改,将向你中心重新申请设计文件审查。
(建设单位名称并加盖公章)年月日上海市建设工程设计文件审查受理通知书沪建审受【】号申请流水号:报建编号:(建设单位名称):经审查,你单位于年月日提交的建设项目设计文件审查申请及相关资料,符合受理条件,我中心决定予以受理。
特此通知。
联系人(经手人/经办人):联系电话:上海市建设工程设计文件审查管理事务中心年月日注:本表一式两份,建设单位、市审查中心各一份。
上海市建设工程设计文件审查不予受理决定书沪建审受【】号申请流水号:报建编号:(建设单位名称):经审查,你(单位)于年月日提出的建设项目设计文件审查申请及相关资料,因存在下列第种情形,决定不予受理:1、该事项依法不属于本行政机关职权范围,你(单位)可以向(有管辖权的行政机关名称)申请行政审批;2、申请材料不齐全或者不符合法定形式,经补正后仍不齐全或者不符合法定形式的;3、申请人隐瞒有关情况、提供虚假材料;4、不具备法定的申请主体资格;5、(法律、法规、规章规定其他不予受理的情形)。
上海市建设工程设计文件审查管理事务中心年月日注:本表一式两份,建设单位、市审查中心各一份。
上海市建设工程设计文件审查补正材料通知书沪建审补【】号申请流水号:报建编号:(建设单位名称):经审查,你(单位)于年月日提交的(项目名称)建设项目设计文件审查申请材料(不齐全或不符合法定形式),应作如下补正:(需要补正的具体内容,逐一列举)请你(单位)于年月日前将上述材料补正后送交本机关,逾期未补正的,视为放弃申请。
联系人(经手人/经办人):联系电话:上海市建设工程设计文件审查管理事务中心年月日注:本表一式两份,建设单位、审查中心各一份。
上海市建设工程设计文件审查中止办理告知书沪建审中【】号申请流水号:报建编号:(建设单位名称):经审查,你(单位)于年月日提出的建设项目设计文件审查,根据《上海市建设工程行政审批管理程序改革方案》规定,自年月日起中止,上述时间不计入行政审批办理期限,原定作出审查意见的日期相应顺延。
上海市建设工程设计文件审查管理事务中心年月日注:本表一式三份,建设单位、审查机构、市审查中心各一份。
上海市建设工程设计文件审查终止办理通知书沪建审终【】号申请流水号:报建编号:(建设单位名称):经审查,你(单位)于年月日提出的建设项目设计文件审查因(终止理由),根据《上海市建设工程行政审批管理程序改革方案》规定,终止办理。
上海市建设工程设计文件审查管理事务中心年月日注:本表一式两份,建设单位、市审查中心各一份。
关于项目总体设计文件征询意见汇总的函沪建征意[ ]号申请流水号:报建编号:(建设单位):你公司上报的项目,位于,四至范围,建设基地面积㎡,总建筑面积㎡,地上建筑面积㎡,计容面积㎡,地下室建筑面积㎡。
由组成,容积率,建筑密度。
我中心已组织相关管理部门完成了该项目的总体设计文件征询工作。
该项目原则通过总体设计文件征询。
各管理部门提出了以下具体意见,请你单位予以落实。
一、规划二、抗震三、消防四、交警五、交通六、卫生七、水务八、绿化市容九、气象十、民防上海市建设工程设计文件审查管理事务中心年月日抄送:X规划国土资源局、上海市消防局、上海市公安局交通警察总队、上海市交通委员会、上海市水务局、上海市气象局、上海市工程抗震办公室、X卫生和计划生育委员会、X绿化市容管理局、X民防办公室、设计单位、审查机构。