某中学教学楼结构设计计算本科设计
- 格式:doc
- 大小:2.60 MB
- 文档页数:92
3 结构设计说明3.1 工程概况某中学教学楼,设计要求建筑面积约2000--4000m2,3-4层。
经多方论证,初步确定设为四层,结构为钢筋混凝土框架结构。
3.2 设计主要依据和资料3.2.1 设计依据a) 国家及江苏省现行的有关结构设计规范、规程及规定。
b) 本工程各项批文及甲方单位要求。
c) 本工程的活载取值严格按《建筑结构荷载规范》(GB50009-2001)执行。
3.2.2 设计资料1 房屋建筑学武汉工业大学出版社2 混凝土结构(上、下)武汉理工大学出版社3 基础工程同济大学出版社4 建筑结构设计东南大学出版社5 结构力学人民教育出版社6 地基与基础武汉工业大学出版社7 工程结构抗震中国建筑工业出版社8 简明建筑结构设计手册中国建筑工业出版社9 土木工程专业毕业设计指导科学出版社10 实用钢筋混凝土构造手册中国建筑工业出版社11 房屋建筑制图统一标准(BG50001-2001)中国建筑工业出版社12 建筑结构制图标准(BG50105-2001)中国建筑工业出版社13 建筑设计防火规范(GBJ16—87)中国建筑工业出版社14 民用建筑设计规范(GBJI0I8-7)中国建筑工业出版社15 综合医院建筑设计规范(JGJ49-88)中国建筑工业出版社16 建筑楼梯模数协调标准(GBJI0I-87)中国建筑工业出版社17 建筑结构荷载规范(GB5009-2001)中国建筑工业出版社18 建筑结构可靠度设计统一标准(GB50068-2001)中国建筑工业出版社19 混凝土结构设计规范(GB50010—2002)中国建筑工业出版社20 地基与基础设计规范(GB5007-2002)中国建筑工业出版社21 建筑抗震设计规范(GB50011—2001)中国建筑工业出版社22 砌体结构中国建筑工业出版社23 简明砌体结构设计施工资料集成中国电力出版社24 土木工程专业毕业设计指南中国水利水电出版社25 土建工程图与AutoCAD 科学出版社26 简明砌体结构设计手册机械工业出版社27 砌体结构设计手册中国建筑工业出版社28 砌体结构设计规范(GB50010—2002)中国建筑工业出版社本工程采用框架结构体系,抗震等级为四级。
13 届本科生毕业论文(设计)存档编号本科毕业设计某中学教学楼建筑结构设计第1页共88 页目录前言 (3)摘要 (5)1.1设计依据 (8)1.2设计资料 (8)1.3工程地质资料 (9)1.4水文地质资料 (9)1.5抗震设防要求 (9)2.建筑设计 (9)2.1平面设计 (9)2.2使用部分的平面设计 (10)2.2.1门的宽度、数量和开启方式 (10)2.2.2 窗的大小和位置 (10)2.2.3 辅助房间的平面设计 (11)2.3立面设计 (11)2.4建筑剖面设计 (11)2.5其他部分详细做法和说明 (12)2.5.1屋面做法 (12)2.5.2楼面做法 (12)2.5.3墙身做法 (12)3.结构设计 (13)3.1构件截面粗估 (13)3.1.1梁尺寸确定 (13)3.1.2柱截面尺寸的确定 (14)3.2计算简图的确定(见图2) (14)3.2.1三个假设 (14)3.2.2计算简图 (14)3.3荷载统计 (15)3.3.1恒荷载计算 (15)3.3.2楼面活荷载计算 (19)3.3.3风荷载计算 (20)4.框架结构内力计算 (21)4.1竖向恒载作用下的内力计算 (21)4.1.1荷载简化 (22)4.1.2弯矩分配 (23)4.1.3梁的剪力以及柱的轴力计算 (27)4.1.4弯矩调幅 (29)4.2活载作用下的内力计算 (30)4.2.1荷载简化 (30)4.2.2弯矩分配 (31)4.2.3弯矩调幅 (33)4.2.4梁端剪力,柱的轴力计算 (34)4.3风荷载作用下的内力计算 (36)4.3.3柱端弯矩的计算 (38)4.3.4梁端弯矩,剪力的计算 (38)4.4地震作用计算 (41)4.4.1重力荷载代表值 (41)4.4.2水平地震作用下框架的侧移验算 (42)4.4.3结构基本周期的计算 (43)4.4.4水平地震作用下横向框架的内力计算 (44)5.内力组合 (48)5.1横向框架的内力组合 (48)5.1.1横梁内力组合 (48)5.1.2横梁弯矩控制值计算 (51)5.2框架柱内力组合 (59)5.2.1柱内力组合 (59)5.2.2柱剪力抗震设计值的调整 (62)6. 截面设计 (63)6.1框架梁截面设计 (63)6.1.1梁正截面受弯承载力计算 (63)6.1.2梁斜截面受剪承载力计算 (65)6.2框架柱配筋计算 (69)6.2.2柱正截面计算 (69)6.2.3柱斜截面受剪承载力计算 (71)7.基础设计 (78)7.1确定桩的规格 (78)7.2确定单桩竖向承载力标准值Q (79)7.2.1边柱下桩基计算 (79)7.2.2中柱下桩基计算 (81)7.3承台设计 (83)7.3.1承台受冲切承载力验算 (83)7.3.2承台受剪切承载力计算 (84)7.3.3承台受弯承载力计算 (84)7.4桩身结构设计计算 (85)小结 (87)前言毕业设计是大学本科教育培养目标实现的重要阶段,是毕业前的综合学习阶段,是深化、拓宽、综合教和学的重要过程,是对大学期间所学专业知识的全面总结。
安徽新华学院本科毕业设计0 目录内容摘要................................................................................................. (3)ABSTRACT ................................................................................. ................................................................... 4 1.结构设计技术条件................................................................................................. ..................................... 5 1.1 工程概况................................................................................................. ............................................. 5 1.1.1工程简介................................................................................................. ...................................... 5 1.1.2 地质勘察报告................................................................................................. .............................. 5 1.2 设计依据................................................................................................. ............................................. 5 1.2.1 国家标准................................................................................................. ..................................... 5 1.2.2 抗震设计参数................................................................................................... .............................. 6 1.3 荷载取值................................................................................................. ............................................. 6 1.3.1风荷载、雪荷载............................................................................................................................ 6 1.3.2 楼面、屋面活荷载标准值................................................................................................. ........... 6 1.4 结构总体布置................................................................................................. ...................................... 6 1.5 主要承重构件及墙体截面尺寸................................................................................................. ........... 6 1.6 基础................................................................................................. ..................................................... 7 1.7 材料................................................................................................. ..................................................... 7 1.8结构计算原则和方法................................................................................................. ........................... 7 1.8.1 手算...................................................................................... ........................................ 7 1.8.2 电算........................................ 7 2 结构方案...................................................................................................................................................... 8 2.1 结构体系................................................................................................. ............................................. 8 2.2 结构布置.............................................................................................................................................. 8 2.2.1 结构平面布置图................................................................................................. .......................... 8 2.2.2 构件材料及尺寸................................................................................................. .......................... 8 2.3 计算简图................................................................................................. ............................................. 9 3 框架侧移刚度计算................................................................................................... .................................. 12 3.1 梁柱线刚度计算................................................................................................. ................................ 12 3.2 柱侧移刚度D值计算................................................................................................. ........................ 12 4 重力荷载计算................................................................................................. ........................................... 16 4.1 屋面及楼面的永久荷载标准值................................................................................................. ......... 16 4.2 屋面及楼面可变荷载标准值................................................................................................. ............. 16 4.3 梁、柱、墙、门、窗重力荷载计算................................................................................................. .. 17 5 横向水平地震作用下框架内力和侧移计21 5.1 横向自振周期计算................................................................................................. ............................ 21 5.2 水平地震作用及楼层地震剪力计算................................................................................................. .. 22 5.3 水平地震作用下的位移验算................................................................................................. ............. 23 5.4 水平地震作用下框架内力计算................................................................................................. ......... 25 6 横向风荷载作用下框架的内力和侧移计算..............................................................................................30 安徽新华学院本科毕业设计1 6.1风荷载标准值的计算................................................................................................. ......................... 30 6.2 风荷载作用下框架层间剪力及侧移计算. (31)6.3 风荷载作用下内力计算................................................................................................. ..................... 32 7 竖向荷载作用下框架结构的内力计算................................................................................................. ..... 367.1 计算单元................................................................................................. ........................................... 36 7.2 荷载计........................................... 37 7.2.1恒载计算................................................................................................. .................................... 37 7.2.2活载计算................................................................................................. .................................... 38 7.3 恒载作用下内力计算................................................................................................. ........................ 40 7.3.1计算分配系数................................................................................................... ........................... 40 7.3.2框架弯矩二次分配及弯矩图................................................................................................. ...... 43 7.3.3梁端剪力和轴力................................................................................................. ......................... 43 7.4 活荷载作用下内力计算................................................................................................. ..................... 47 7.4.1框架弯矩二次分配及弯矩图................................................................................................. ...... 48 7.4.2 梁端剪力和轴力................................................................................................. ........................ 48 7.5 重力荷载作用下内力计算................................................................................................. ................. 52 7.5.1框架弯矩二次分配及弯矩...... 53 7.5.2梁端剪力和轴力................................................................................................. ......................... 53 8 内力组合................................................................................................. ................................................... 58 8.1 组合原则................................................................................................. ........................................... 58 8.2 框架梁内力组合................................................................................................. ................................ 59 8.3 框架柱内力组合................................................................................................. ................................ 64 9 截面设计................................................................................................. ................................................... 70 9.1 框架梁截面设计及构造措施................................................................................................. ............. 70 9.1.1 框架梁纵向受拉钢筋最小配筋率..............................................................................................70 9.1.2 承载力抗力调整系数RE ................................................................................................. ......... 70 9.2 框架梁截面设计................................................................................................................................. 71 9.2.1 横向框架梁正截面设计................................................................................................. ............ 71 9.2.2 横向框架梁斜截面设计................................................................................................. ............ 78 9.3 框架柱截面设计................................................................................................. ................................ 80 9.3.1 剪跨比和轴压比验算................................................................................................. ................ 80 9.3.2 柱正截面承载力计算................................................................................................. ................ 80 9.3.3 柱斜截面承载力计算................................................................................................. ................ 84 9.4 框架梁柱节点设计................................................................................................. ............................ 86 10 基础设计................................................................................................. ................................................. 87 10.1 柱下独立基础单柱................................................................................................. .......................... 87 10.1.1 已知条件................................................................................................. ................................. 87 10.1.2 基底反力计算........................................................................................................................... 88 10.1.3 地基承载力验算................................................................................................. ...................... 89 10.1.4 基础抗冲切验算................................................................................................. ...................... 89 安徽新华学院本科毕业设计2 10.1.5 基础受弯计算................................................................................................. .......................... 89 10.1.6 底板配筋................................................................................................. ................................. 90 10.2 柱下独立基础双柱................................................................................................. .......................... 90 10.2.1 设计资料................................................................................................. ................................. 90 10.2.2 基底反力计算................................................................................................. .......................... 91 10.2.3 地基承载力验算................................................................................................. ...................... 93 10.2.4 基础抗冲切验算................................................................................................. ...................... 93 10.2.5 基础受弯计算................................................................................................. .......................... 93 10.2.6 底板配................................. 94 11板的设计及配筋................................................................................................. ...................................... 95 11.1 楼面板................................................................................................. ............................................. 95 11.1.1设计资料................................................................................................. .................................. 95 11.1.2荷载计算................................................................................................. .................................. 95 11.1.3弯矩计算................................................................................................. .................................. 96 12 楼梯设计................................................................................................. ................................................. 99 12.1 楼梯段板设计................................................................................................. .................................. 99 12.1.1 板厚的确定................................................................................................... ............................ 99 12.1.2 荷载计算................................................................................................. ................................. 99 12.1.3 内力计算................................................................................................. ................................. 99 12.1.4 配筋计............................... 100 12.2 平台板计算................................................................................................. .................................... 100 12.2.1 平台板................................................................................................. ................................... 100 12.2.2 内力计算................................................................................................. ............................... 100 12.2.3 截面承载力计算................................................................................................. .................... 101 12.3 平台梁计算................................................................................................. .................................... 101 12.3.1 荷载计算................................................................................................. ............................... 101 12.3.2 内力计算................................................................................................. ............................... 101 12.3.3 承载力计算................................................................................................... .......................... 102 参考文献................................................................................................... ................................................... 104 致谢................................................................................................. ........................................................ 105 综述................................................................................................. .........................................。
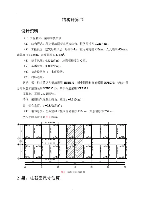
结构计算书1 设计资料(1)工程名称:某中学教学楼。
(2)结构形式:现浇钢筋混凝土框架结构,柱网尺寸为7.2m×6m。
(3)工程概况:建筑层数5层,层高3.6m,室内外高差450mm,女儿墙高600mm,建筑高度18.45m,建筑面积3342.8m2。
(4)基本风压:0.45 kN/ m2,地面粗糙度为C类。
(5)基本雪压:0.40 kN/ m2。
(6)抗震设防烈度:七度设防。
(7)材料选用:钢筋:梁、柱中的纵向钢筋采用HRB335,板中钢筋和箍筋采用HPB235;基础中除分布钢筋和箍筋采用HPB235外,其余钢筋采用HRB335。
混凝土:采用C30混凝土;墙体:采用加气混凝土砌块,重度γ=5.5 kN/m3 ;窗:铝合金窗,γ=0.35 kN/m3 ;(8)墙体厚度:医务室和卫生间的隔墙厚150mm,其余墙厚为250mm。
结构平面布置图如图1所示。
图1 结构平面布置图2 梁、柱截面尺寸估算2.1 梁截面尺寸估算框架梁截面高度11(~)1612h l =,截面宽度11(~)32b h =,本结构中取:纵向框架梁: b=250mm h=600mm 横向AB 、CD 跨框架梁: b=250mm h=500mm 横向BC 跨框架梁: b=250mm h=400mm 次梁: b=250mm h=500mm2.2 柱截面尺寸估算框架柱的截面尺寸11~1218c i b H ⎛⎫= ⎪⎝⎭,()12c c h b =,i H 为第i 层层高。
本结构中层高为3.6m ,故c b =(200~300)mm 。
框架柱截面尺寸还应根据公式[]c cNA f μ≥N 估算。
式中:()1.1 1.2v N N =,v N =负荷面积×(12~14) kN/ m 2×层数,[]μN 为轴压比,可根据规范查出。
仅估算底层柱。
本结构中,边柱和中柱负荷面积分别为(7.2⨯3)m 2 ,(7.2⨯4.35)m 2,层数为5层;该框架结构抗震设防烈度为七度,建筑高度18.45m<30m ,因此为三级抗震,其轴压比限值[]μN =0.9。
第一章工程概况一、设计概况:建设项目名称:贵阳市XX中小型教学楼建设地点:贵阳市XX中学工程为四层现浇钢筋混凝土框架结构。
屋面板顶面标高为18.6m(含塔楼)。
该教学楼属一般建筑物,安全等级为二级,设计使用年限为50年,结构重要性系数r为1.0。
设计资料:地质水文资料:根据工程地质勘测报告,拟建场地地势平坦,表面为平均厚度0.5m左右的杂填土,以下为风化灰岩,承载力的特征值为2500 kPa,作为地基持力层,地下水位对建筑物基础无影响。
基础埋入持力层大于0.5m。
m 气象资料:根据贵阳市气象局提供的历年资料为准,基本风压为:0.30kN/2(B类场地)抗震设防要求:工程所在地抗震设防烈度为6度,设计基本地震加速度为0.05g,设计地震分组为第一组,场地类别为Ⅱ类。
底层室内主要地坪标高为±0.000,室内外高差0.450m。
二、设计依据:贵州大学土木建筑工程学院建筑工程专业毕业设计任务书屋面做法:20mm石灰砂浆抹底,100mm钢筋混凝土现浇板, 40~120厚(1%找坡)膨胀珍珠岩保温层,20mm水泥砂浆找平层,四层作法防水层(一毡二油上铺小石子),20mm水泥砂浆找保护层。
楼面做法:20mm石灰砂浆抹底,100mm钢筋混凝土现浇板, 20mm水泥砂浆找平层,20mm水泥砂浆结合层,10mm瓷砖地面。
墙身做法:普通砖,普通砖自重18kN/m3,厚度240mm。
门窗做法:门为木门,自重0.2 kN/m2,窗为钢窗玻璃窗,自重0.4 kN/m2。
活荷载:上人屋面均布活荷载标准值2.0kN/m2,楼面活荷载标准值2.0kN/m2,走廊活荷载标准值2.5kN/m.本设计计算书包括框架主体结构、楼梯、基础等部分的计算和设计。
第二章建筑设计一、建筑体型选择1.设计原则建筑是供人使用的有功能作用的空间,同一功能要求和使用目的的建筑可以有多种空间形式,建筑体型一般综合反映内部空间,又在一定程度上反映建筑的性格、历史时期和民族地域特点。
中学教学楼工程的施工组织设计毕业设计本工程位于某市中心的一所中学,总占地面积约为3000平方米,其中教学楼为砖混结构,共8层,每层高度为3.5米,总建筑面积约为8000平方米。
本次施工组织设计旨在规范工期、施工质量及安全管理,确保工程按计划完成。
一、施工组织安排1、现场负责人本工程现场负责人为建设单位的项目经理,负责全面协调、组织和管理施工,保证工程全部按法规和技术标准施工,保证工期、质量和安全。
2、施工分包单位建设单位将教学楼工程分成地基基础、建筑施工、电气设备安装、通风设备安装、给排水设备安装、工程机械、安全监管等多个专业,分别由相应的分包单位施工。
3、人力资源安排教学楼工程施工期间,将配备工程师、监理人员、施工人员、机械操作人员、安全监管人员等,确保施工人员合理配备,避免因人员不足而延误工期。
1、准备工作在教学楼原址进行仔细勘测,制定详细的施工方案并向施工人员和监理人员宣传和培训;动土前在工地内挂上施工安全标识,各项公用设施的设置和验收,按安全规范检查项目的基础设置,如道路、房屋脚手架、两个制度之间的距离、配电箱等,使工程施工更加安全。
2、地基基础施工进行回填土方工作,选用合适的基地,确保地基满足工程要求。
在此基础上,进行基坑开挖、地下水排除、地基沉降观测等工作。
3、建筑施工教学楼建筑是砖混结构,建筑施工顺序为:钢筋绑扎、模板搭设、混凝土浇筑、二次加工和拆模,墙体和地面的细部施工,最终完成结构体的施工。
4、电气设备安装进行低压输电和配电的铺设、安装主接线、电线布设及开关插座安装,通过灯具、插座的验收,确保电气设备安装顺利完成。
进行通风设备的设计和与主体结构的连接设计,实施通风设备的安装,最终验收确保通风系统安全运行。
6、给排水设备安装进行给排水系统的设计和与主体结构的连接设计,安装水管、马桶和其他卫浴设备,检验通水及水箱的安装等细节较少的部分。
7、验收和维护对教学楼进行全面验收,确保已达到验收指标;针对工程施工的问题和管理方面的问题,及时处理和修改;教学楼的质保期一年,提供维修服务和问题解答,否则向相关质量监管部门提出投诉。
某中学教学楼设计1、毕业设计的内容1.1 概述某地区某中学拟建一幢教学楼,总建筑面积约3000-5000平方米,用地可自选地段,五层钢筋混凝土框架结构。
该教学楼为校区二期工程,主要为全校师生员工的教学服务,要求处理好校园环境与建筑的关系,体现学校建筑的特点,设计要求满足功能、安全、经济美观。
立面不求标新立异,但求简洁、明快、大方。
考虑防火、疏散、采光、通风、朝向、抗震等要求,合理组织室内外空间,交通流线通畅,满足使用人的行为要求,技术上切实可行。
1.2 建筑设计内容1.2.1熟悉设计任务书和目的要求,收集有关参考资料与参考方案。
1.2.2带着问题学习相关设计基础知识和参考资料,参观已建成的同类建筑,扩大眼界,广开思路。
在学习参观的基础上,对设计要求、具体条件及环境进行功能分析,从功能角度找出各部分、各房间的相互关系及位置。
进行建筑设计构思。
1.2.3结合《房屋建筑学》中所学知识,进行草图设计,即将各类房间所占面积粗略地估计平面和尺寸,绘出初步方案。
在进行组合时,要多思考,多动手(即多画),多修改。
从平面入手,先考虑总体,后考虑细部,抓住主要矛盾。
建筑体型及立面造型应有秩序感和统一感,注意比例尺度、节奏和韵律,建筑形象和结构形式辩证统一。
在此基础上,重点处理入口及檐口等细节部分,做到严谨活泼,体现建筑美学。
1.2.4在草图设计基础上,划分房间,进一步调整各类房间和细部之间的关系,调整、修改、逐步完善建筑方案。
房间开间、进深需符合建筑模数,楼梯间数量及布置形式应满足《建筑设计防火规范》的要求。
1.2.5综合运用所学知识,遵循国家现行的建筑设计规范和规则,满足适用、安全、经济、美观的要求。
核算各项建筑面积(单项建筑面积,以轴线计算,允许有±10%的增减幅度),深入发展成为定稿的建筑平、立、剖面图。
建筑方案设计完成后,应进行构造方案设计,合理确定屋面、楼地面、墙面、门窗等部位的构造方案。
正确进行楼梯设计及踏步、扶手构造选型,对特殊部位的构造处理(檐口、雨篷、隔断等)应有清晰概念。
中学教学楼设计计算书1 引言本设计为福州格致中学教学楼,因其为公共建筑,故而规范要求较为严格,能体现出建筑设计与结构设计的重要之处。
结构设计是本次毕业设计中最重要的一个环节,选取一榀框架为计算单元进行计算,采用简化的计算方法。
在计算竖向荷载下的内力时采用弯矩二次分配法,计算水平作用力时采用D值法计算内力。
此次毕业设计选择了教学楼,是为了要求我们掌握其设计的基本原理。
同时结合大学四年所学的知识,将其深化和拓展。
并把理论部分与生活实际相结合,融汇贯通,给自己大学生涯一个完美的答卷。
2 设计资料2.1 工程概况本工程为教学楼设计,主体建筑为5层,建筑物平面为矩形,受场地限制,教学楼宽17.4m,长49.8m。
房间开间为3.9和4.2m,进深7.2m,走廊3.3m。
(1) 设计标高室内设计标高±0.000 m,室内外高差300mm。
二至五层层高为3.9m,首层层高为4.7m,总建筑高度为20.3m。
(2) 墙身做法墙身为加气混凝土块。
外粉刷为1:1:6水泥砂浆底,厚20mm,瓷砖贴面。
内粉刷为水泥砂浆底,20mm厚纸筋灰面,涂料两度。
(3) 楼面做法顶层为20mm厚水泥砂浆找平,5mm厚水磨石面层;底层为15mm厚纸筋石灰抹底,涂料两度。
(4) 屋面做法现浇楼板上铺1:8水泥膨胀珍珠岩找坡层,20mm厚水泥砂浆找平层,40厚C20细石混凝土刚性防水层,两毡三油铺小石子柔性防水层。
(5) 门窗做法门厅采用铝合金门窗,其它初均使用木门,钢窗。
(6) 地质资料抗震设防烈度为7度,第二组II类场地,设计基本地震加速度0.10g,在多遇地震水平地震影响系数最大值αmax =0.08,特征周期Tg=0.4s[1]。
(7) 气象条件基本风压:ωo=0.147 KN/m2,地面粗糙度属C类。
(8) 耐火、防水等级耐火等级为II级,屋面防水等级为II级[2]。
(9) 活荷载屋面活荷载0.5 KN/m2,教学楼楼面活荷载2.5KN/m2,走廊楼面活荷2.5KN/m2[3]。
毕业设计(论文)计算书(结构部分设计)题目:南昌市第六中学教学楼专业:班级:学号:姓名:指导教师:一、工程概况:1、工程名称:南昌市第六中学教学楼2、建筑地点:南昌市建设路绿茵街地段3、建筑规模:1) 建筑总面积: 3965m22) 建筑层数: 整体三层。
(上人屋面)3) 结构类型: 钢筋混凝土框架结构4) 层高: 3.9m4、建筑功能:①普通教室18间70m2/间②语音教室2间140 m2/间(含辅助用房)③微机教室2间140 m2/间(含辅助用房)④阅览室1间140m2/间⑤活动室1间140m2/间⑥大会议室1间140m2/间⑦办公室12间行政办公室6间30m2/间教师办公室6间45m2/间⑧走廊走廊为2.4m宽⑨楼梯共三个楼梯⑩厕所每层设男女厕所各两个其他: 收发,贮藏室5、建筑技术条件(一)气象条件:1) 常年主导风向: 西北风2) 夏季主导风向: 西南风3) 平均风速: 夏季3.1m/s,冬季4m/s4) 基本风压: Wo=0.40KN/m25) 基本雪压: So=0.35KN/m2最大积雪深度:11cm6) 最高气温: 40.6℃最低气温: --9.3℃7) 最冷月平均温度: 4.5℃(1—2月)8) 最热月平均温度: 29.7℃(7—9月)9) 最大降雨量: 50.4mm/h月最大降雨量:184.3mm(4—6月)(二)工程地质条件1) 天然地面以下1m厚为填土,地基标准承载力为120KN/m2.填土以下的2m厚为粘土,地基承载力为250KN/m2.粘土以下为中密粗砂层, 地基承载力为300KN/m2。
2) 地下水位:天然地面以下4m处3) 地震设防烈度: 6度(三)施工条件1)施工单位:南昌市第二建筑公司2)施工人员:各工种工人数均不受限制,但要求不分工种劳动力不均衡系数K<1.63)材料供应:各种材料均可保证供应4)预制构件和模板、钢筋骨架、门窗等半成品:可由公司构件厂供应(运距10公里)5)机械设备:除大吊装机械外,施工单位均能解决。
某中学教学楼建筑结构设计--毕业设计设计说明书第1页摘要本毕业设计题目是XX市XX中学教学楼建筑结构设计,该教学的总建筑面积约4293平方米,共五层,至女儿墙压顶高度18.60米。
本工程采用钢筋混凝土全现浇框架结构体系,基础采用地下独立基础。
本设计内容包括手算和电算两部分。
其中手算部分计算书的主要内容为构件尺寸的初步确定、框架的计算简图、荷载横向侧移计算、框架在水平及竖向荷载作用的内力分析和计算、内力组合、截面设计及基础设计。
其中计算水平地震力作用时采用底部剪力法,计算竖向荷载作用时采用弯矩二次分配法,截面设计采用第一极限状态设计方法。
图纸共十七张,建筑七张,结构八张,施工两张。
结构部分图有:结构总说明,桩基础布置图,板配筋图,梁配筋图,柱配筋图,楼梯配筋图,某榀典型中框架主体配筋图。
电算时,先用PKPM软件进行结构平面布置,检查平面数据,输入荷载数据,形成PK文件,画结构平面图;然后使用PK进行框架计算,输出框架、柱配筋图及内力计算结果。
在设计过程中采用了手算和电算两种方式,对计算结果就可以进行校核,及时发现设计中的错误以及与电算不同的部分,找出原因。
ABSTRACTThe theme of this graduation is structure design of an shool office building. The total building area is about 4293m2and the total height 18.60m. It consists of 4 stories .the building is a frame building made by reinforced concrete. Foundation use concrete column footing and the hole by machine.The content of this design include two parts of handwork counting and automated counting by compute. The handworker counting consists of several aspects, included preliminary selection of member size, counting model of frame, loads counting, lateral displacement counting of transverse frame, internal force analysis of horizontal loads and vertical loads, internal force combinations, design of section, check design of the foundation. Horizontal earthquake counting use the underlying shears way. Counting of vertical loads bending moment use double divided bending way. Design of section use ultimate condition way. Because this frame belongs to third class frame, I have not count intersection of point and have not obeyed the order of “Strong column and weak beam”. Drawings consist of 6 parts, layout map of standard layer foundations. There are three steps in the course of automated. First, make a model of the building by PMCAD; Second count the typical by PK; Last, count the whole space frame and put out the drawing that you wanted by TAT-8.I use two of ways included handworker and automated counting in the course of counting. So I can check the result data and find the mistake or difference between handworker data and automated data in design in time, then find out cause.办公楼结构设计说明工程名称: XX市XX中学教学楼建筑地点: 某地位置见总平面图建筑规模: 建筑总面积: 4293㎡建筑总层数: 整体5层结构形式: 钢筋混凝土框架结构设计资料:<一>地质水文条件地震烈度: 7度土方开挖按三类考虑抗震等级为三级地质: 1)±0.00 ~ -2.00新近堆积黄土r=16 KN/m3f=100KN/m2kE=300N/ mm22)-3.00 ~ -5.00砂、砾石层r=18 KN/m3f=160 KN/m2kE=500N/ mm23)-5.00以下卵石层f=230KN/m2E=600~k1000N/ mm2地下水位-5m<二>基本风压: 0.40KN/m2 B类粗糙度 50年一遇<三>基本雪压: 0.50 KN/m2 50年一遇<四>设计使用年限:50年,本建筑为一般民用建筑,安全等级为二级。
某中学教学楼结构设计计算本科设计13 届本科生毕业论文(设计)存档编号本科毕业设计某中学教学楼建筑结构设计第1页共 92 页目录前言 (2)摘要 (3)1.1设计依据 (6)1.2设计资料 (6)1.3工程地质资料 (7)1.4水文地质资料 (7)1.5抗震设防要求 (7)2.建筑设计 (7)2.1平面设计 (7)2.2使用部分的平面设计 (8)2.2.1门的宽度、数量和开启方式 (8)2.2.2 窗的大小和位置 (8)2.2.3 辅助房间的平面设计 (8)2.3立面设计 (9)2.4建筑剖面设计 (9)2.5其他部分详细做法和说明 (10)2.5.1屋面做法 (10)2.5.2楼面做法 (10)2.5.3墙身做法 (10)3.结构设计 (11)3.1构件截面粗估 (11)3.1.1梁尺寸确定 (11)3.1.2柱截面尺寸的确定 (12)3.2计算简图的确定(见图2) (12)3.2.1三个假设 (12)3.2.2计算简图 (12)3.3荷载统计 (13)3.3.1恒荷载计算 (13)3.3.2楼面活荷载计算 (17)3.3.3风荷载计算 (18)4.框架结构内力计算 (19)4.1竖向恒载作用下的内力计算 (19)4.1.1荷载简化 (20)4.1.2弯矩分配 (21)4.1.3梁的剪力以及柱的轴力计算 (25)4.1.4弯矩调幅 (26)4.2活载作用下的内力计算 (28)4.2.1荷载简化 (28)4.2.2弯矩分配 (29)4.2.3弯矩调幅 (31)4.2.4梁端剪力,柱的轴力计算 (32)4.3风荷载作用下的内力计算 (33)4.3.3柱端弯矩的计算 (35)4.3.4梁端弯矩,剪力的计算 (35)4.4地震作用计算 (38)4.4.1重力荷载代表值 (38)4.4.2水平地震作用下框架的侧移验算 . 394.4.3结构基本周期的计算 (40)4.4.4水平地震作用下横向框架的内力计算 (41)5.内力组合 (45)5.1横向框架的内力组合 (45)5.1.1横梁内力组合 (45)5.1.2横梁弯矩控制值计算 (48)5.2框架柱内力组合 (56)5.2.1柱内力组合 (56)5.2.2柱剪力抗震设计值的调整 (59)6. 截面设计 (60)6.1框架梁截面设计 (60)6.1.1梁正截面受弯承载力计算 (60)6.1.2梁斜截面受剪承载力计算 (62)6.2框架柱配筋计算 (66)6.2.2柱正截面计算 (66)6.2.3柱斜截面受剪承载力计算 (68)7.基础设计 (75)7.1确定桩的规格 (75)7.2确定单桩竖向承载力标准值Q (76)7.2.1边柱下桩基计算 (76)7.2.2中柱下桩基计算 (78)7.3承台设计 (80)7.3.1承台受冲切承载力验算 (80)7.3.2承台受剪切承载力计算 (81)7.3.3承台受弯承载力计算 (81)7.4桩身结构设计计算 (82)小结 (84)前言毕业设计是大学本科教育培养目标实现的重要阶段,是毕业前的综合学习阶段,是深化、拓宽、综合教和学的重要过程,是对大学期间所学专业知识的全面总结。
本组毕业设计题目为《某中学教学楼设计》。
在毕设期间,我温习了《结构力学》、《钢筋混凝土》、《建筑结构抗震设计》、《基础工程》等知识,并借阅了《抗震规范》、《混凝土规范》、《荷载规范》等规范。
在毕设中期,我们通过所学的基本理论、专业知识和基本技能进行建筑、结构设计,本组在校成员齐心协力、分工合作,发挥了大家的团队精神。
在毕设后期,主要进行设计手稿的整理,并用电脑绘图并得到老师的审批和指正,使我圆满的完成了任务,在此表示衷心的感谢。
毕业设计的三个月里,在指导老师的帮助下,经过资料查阅、设计计算、论文撰写以及外文的翻译,加深了对新规范、规程、手册等相关内容的理解。
巩固了专业知识、提高了综合分析、解决问题的能力。
在绘图时熟练掌握了AutoCAD,天正,及PKPM以上所有这些从不同方面达到了毕业设计的目的与要求。
框架结构设计的计算工作量很大,在计算过程中以手算为主,辅以一些计算软件的校正。
由于自己水平有限,难免有不妥和疏忽之处,敬请各位老师批评指正。
二零一三年四月摘要本工程是某地级市中学教学楼结构设计,该楼的总建筑面积大约是3600平方米,共六层,建筑高度为16.8米。
本建筑采用钢筋混凝土框架结构体系。
基础采用桩基础。
本设计说明书中包括设计说明和设计计算书。
其中计算书部分选取一品框架进行手算,配合电算进行校核。
设计说明的主要内容分为建筑说明和结构说明。
建筑注重平面、立面和剖面的统一结合,以及和结构部分的联系,还有主要构件的施工做法。
结构部分包括构件尺寸的初步确定、框架的计算简图、荷载计算、框架横向侧移计算、框架在水平及竖向荷载作用下的内力计算分析和计算、内力组合、截面设计及地基基础的设计等。
其中一榀框架计算时,可用电算进行校核。
电算步骤为:先用PMCAD软件进行结构平面布置,检查平面数据,输入次梁楼板,输入荷载数据,形成PK文件,画结构平面图,然后使用PK进行框架计算;最后用相关软件进行框架的空间结构计算,输出框架梁配筋图,柱配筋图及内力计算结果。
关键词:毕业设计,框架结构,桩基础,内力组合abstractionThis project is a prefecture middle school teaching building structure design, the building ofa total construction area is about 7200 square meters, a total of six layer, building height is16.8meters. The building adopts reinforced concrete frame structure system. Basic USES the pile foundation.This design manual included in the design and design calculation. Selection of calculation part yipin framework in hand, cooperate with computer in check.Design specifications for the main content is divided into architecture and structure. Building pay attention to the unity of the plane, elevation and section combination, as well as the structural parts and contact, and the main components of construction practice. Structure includes preliminary determine the component size, frame diagram calculation, load calculation, frame transverse lateral calculation Frame.One cross calculation, the computer available for checking. Computing steps are as follows: first by PMCAD software structure plane arrangement, check the graphic data, the input beam slab, the input load data, form the PK file, structure plan, and then use the PK framework calculation; Finally with framework of spatial structure of related software, the output frame beam reinforcement figure, column reinforcement figure and the internal force calculation results.Key words: graduation design, frame structure, the pile foundation, internal force combination.1.工程概况某地级市中学教学楼,总建筑面积约为3600 m2,,共六层,建筑高度为16.8米。
本建筑采用钢筋混凝土框架结构体系。
基础采用桩基础。
设计标高:16.8m室内外高差:450mm。
1.1设计依据1.混凝土结构设计规范GB50010-20022.建筑结构荷载规范GB50009-20013.建筑地基基础设计规范GB50007-20024.建筑抗震设计规范GB50011-20015.砌体结构设计规范GB50003-20016.一般民用建筑抗震构造98EG0027.建筑桩基技术规范JGJ94-948.民用建筑设计通则JGJ62-909.建筑结构制图标准GB/T50105-200110.房屋建筑制图统一标准GB/T50001-200111.中小学建筑设计规范GBJ99-8612.夏热冬冷地区居住建筑节能设计标准JGJ134-200113.建筑设计防火规范GBJ16-871.2设计资料1.气象资料:最热月平均气温:27.6°C极端最高气温:41°C最冷月平均气温: 4.3°C极端最低气温:—17.3°C年降水量:1108.6mm日最大降水量:262.7mm年平均相对湿度:75%年主导风向:东北风夏季主导风向:东南风年平均风速: 3.0m/sec最大风速:25m/sec基本风压:0.55KN/m2基本雪压:0.2KN/m21.3工程地质资料拟建场地为池塘经人工填筑而成,地形平坦,场地分层情况如下:第1层为杂填土,厚2m;第2层为灰色粘土,厚8m;第3层为褐色粉质粘土(未揭穿)。
1.4水文地质资料拟建场地范围内,浅部填土为上层滞水,主要受大气降水及地表排水影响,地下水位为1.5—2.0m;承压孔隙含水层。
1.5抗震设防要求该地区基本烈度为7度(近震)。
楼面:2.0KN/2m走廊楼面:2.5KN/2m不上人屋面:0.5KN/2m2.建筑设计2.1平面设计该建筑物总长度为50.6m,总宽度为17.8m,共六层,总建筑面积为3600m2,主体结构采用现浇钢筋混凝土框结构。