天然气管道防腐工程
- 格式:doc
- 大小:20.57 KB
- 文档页数:4
天然气管道防腐施工方案介绍本文档旨在提供一种天然气管道防腐施工方案,以保障天然气管道的安全和延长其使用寿命。
天然气管道的防腐施工是非常重要的,不仅关乎工程质量,也直接关系到人民生命财产安全。
通过适当的防腐施工,可以减少管道的腐蚀,延长使用寿命,从而提高安全性和可靠性。
1. 材料准备在天然气管道防腐施工过程中,需要准备以下材料: - 涂料:一般选择具有良好耐候性、耐化学品侵蚀性的防腐涂料。
- 防腐胶带:采用符合相关标准的防腐胶带,确保其具有优良的防腐性能。
- 清洗剂:用于清洗管道表面,清除污垢和油脂。
2. 施工步骤2.1 准备工作在进入施工现场前,需要做好以下准备工作: - 检查并确认施工所需材料的完整性和质量。
- 确保施工现场安全,为工作人员提供必要的安全防护装备。
- 清除施工区域的杂物和障碍物,确保施工顺利进行。
2.2 管道清洗在施工前,需要对管道进行清洗,以确保管道表面干净、光滑,便于防腐材料的附着。
具体步骤如下: - 使用清洗剂和水对管道表面进行清洗,去除污垢和油脂。
- 使用刷子或高压水枪等工具清洗管道内部,确保内部干净。
2.3 涂料施工涂料施工是天然气管道防腐的重要环节。
施工步骤如下: 1. 对已清洗的管道表面进行涂料防腐处理,确保涂料均匀覆盖管道表面,并达到指定的干膜厚度。
2.涂料施工后,需要保持涂料进行干燥、固化,时间一般要根据涂料的规定进行等待。
3. 涂料施工完成后,对施工区域进行清理,确保管道安全和施工现场的整洁。
2.4 防腐胶带施工防腐胶带的施工也是天然气管道防腐的重要一环,具体步骤如下: 1.将防腐胶带尺寸调整至适合管道直径,并确保两端有适量的重叠。
2. 将防腐胶带平稳地在管道表面缠绕,确保其紧密贴合,并确保重叠部分没有气泡或松动。
3. 对防腐胶带施加适当的压力,以确保其牢固粘贴在管道表面。
3. 施工质量控制为了保证施工质量,需要进行相应的质量控制措施: - 在施工过程中,定期检查施工质量,及时发现问题并进行修复。
分析天然气长输管道的防腐措施天然气长输管道是国家重点工程之一,其对我国经济社会发展起到至关重要的作用。
由于管道的使用寿命长,维护费用高,因此防止管道腐蚀至关重要。
为了保障天然气长输管道的安全运营,采取了多种防腐措施,本文将对其进行分析。
一、外防腐1. 钢管外涂层防腐:钢管的外涂层防腐主要是采用环氧树脂涂层、聚氨酯涂层等。
这些涂层具有硬度大,粘着力强,耐候性好等特点,使得钢管外表面形成了一层防护层,可以有效地防止钢管被大气环境、水分、腐蚀性物质等造成的腐蚀。
2. 管道外包钢套管:外包钢套管是一种绕在管道外表面的钢制套管,可通过钢套的防腐层达到保护管道的作用,其应用于地下管道,能有效地抵御地下水、酸、碱等物质的腐蚀。
3. 防腐胶带包覆:防腐胶带是一种具有良好粘着力和防水性能的聚乙烯胶带,可用于管道的表面和焊缝处热缩包覆,能有效地保护管道表面,防止大气环境、水分等腐蚀物质进入管道,对于海底管道的防腐保护必不可少。
二、内防腐1. 涂层内丙烯酸防腐涂层:内丙烯酸防腐涂层施工简便,涂层硬度高,密封性能好,能够有效地抵御管道内部潮湿、多附着物等因素导致的开始腐蚀,在管道内面形成一层保护层,不会形成污垢,对于防止管道内部腐蚀有着重要作用。
2. 硅酮酮涂层:硅酮酮涂层具有优异的耐高温、抗化学腐蚀的性能,其粘结力极强,在防止管道内部腐蚀的同时能够承受高温环境。
三、其他防腐技术1. 阳极保护技术:通过在管道周围埋设阳极,将电流注入管道,以保持管道的正电位,从而减缓管道内部的腐蚀,有助于管道内防腐。
2. 耐酸碱材料保护层:将具有酸碱抗蚀性能的材料覆盖于管道内部,如聚丙烯、聚氨酯等,能在管道内形成一种有效的保护层,有助于管道内防腐。
综上所述,天然气长输管道的防腐措施有许多,但各种措施的实施应根据管道的具体情况来实施,以达到最好的防腐效果。
只有通过科学合理的防腐技术,才能保障天然气长输管道的安全、可靠运营。
分析天然气长输管道的防腐措施
天然气长输管道是将天然气从生产地点运输到销售地点的重要工程设施。
为了确保长
输管道的运行安全和延长使用寿命,防腐措施是非常重要的。
本文将分析天然气长输管道
的防腐措施。
天然气长输管道常用的防腐措施是外涂层防腐。
这种防腐方式是在管道的外表面涂上
一层特殊的防腐涂料,用以阻止大气中的氧气与管道表面的金属发生化学反应,从而起到
防止长输管道腐蚀的作用。
外涂层防腐的常用材料包括环氧树脂和聚乙烯等,这些材料具
有良好的耐腐蚀性能和抗老化性能。
天然气长输管道还使用了阴极保护技术。
阴极保护是利用外电源向管道表面施加电流,使管道表面成为阴极,从而保护管道不被腐蚀。
通常采用的阴极保护方法有半硫酸铜阴极
保护、镀锌阴极保护和铝锌合金阴极保护等。
阴极保护技术具有操作简单、效果明显和经
济实惠等优点。
天然气长输管道还采用了定期检测和维护的方式进行防腐工作。
定期检测可以发现管
道表面的腐蚀问题,及时采取措施进行修复。
定期维护可以保证管道防腐层的完整性和功
能性,避免管道腐蚀。
常用的定期检测和维护方法包括外观检查、超声波检测和磁粉探伤等。
天然气长输管道的防腐措施包括外涂层防腐、内涂层防腐、阴极保护以及定期检测和
维护等。
这些措施的实施可以有效地减少天然气长输管道的腐蚀问题,确保管道的运行安
全和延长使用寿命。
对于防腐措施的选择和实施要根据具体的管道材质、工况和环境条件
等因素进行综合考虑,以满足天然气长输管道的防腐需求。
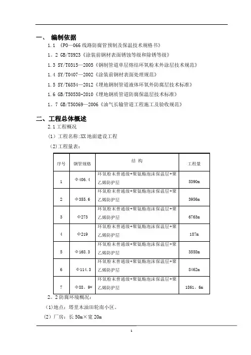
一、编制依据1.1 《PO—066线路防腐管预制及保温技术规格书》1。
2 GB/T8923《涂装前钢材表面锈蚀等级和除锈等级》1.3 SY/T0315—2005《钢制管道单层熔结环氧粉末外涂层技术规范》1.4 SY/T0407—2002《涂装前钢材表面处理规范》1.5 SY/T6854—2012《埋地钢制管道液体环氧外防腐层技术标准》1.6 GB/T50538-2010《埋地钢质管道防腐保温层技术标准》1。
7 GB/T50369—2006《油气长输管道工程施工及验收规范》二、工程总体概述2.1工程概况(1)工程名称:XX地面建设工程(2)工程量表:2(1)地点:塔里木油田轮南小区。
(2)厂房:长50m×宽20m(3)场地:厂区周围有20000m2堆管场地。
(4)库房:距离厂房200米处有5间(作为生产物资和原材料库房,防潮防晒)通风良好。
(5)办公和生活设施:办公室8间,实验室1间,会议室1间;职工宿舍20间,厨房60m2,澡堂50m2。
(6)供水供电:有足够的生产生活用水,电力负荷达2000KVA,由塔里木油田轮南油田水电公司保障供应,安全可靠。
(7)交通状况:路面平整.交通方便快捷。
(8)气候:轮南地区属温带大陆性季风气候,总的气候特点是:干旱少雨,蒸发强,昼夜温差较大,刮北风和西北风。
三、施工准备3.1技术准备(1)国家、行业、部门的相关标准、法规。
(2)执行标准:GB/T8923、GB/T50538-2010标准及业主的技术要求。
(3)本公司制定的工艺规程、操作规程、作业指导书等技术文件。
(4)针对本工程的“施工组织设计"方案。
(5)全套的符合IS09001质量体系文件和HSE管理体系文件、质量记录并全部微机管理,可及时向业主提供所需均各种资料.3。
2组织淮备(1)本工程成立项目部,由XX(工程师)担任项目经理、XX(工程师)担任技术负责人。
(2)由持有防腐证的施工人员参与本工程的施工,持有中级分析工上岗证的人员进行质量管理和检测。
分析天然气长输管道的防腐措施
天然气长输管道是将天然气从生产地输送到消费地的重要工程设施,由于长期受到外
界环境的侵蚀和管道内部气体的腐蚀,需要采取有效的防腐措施来延长管道的使用寿命和
保证输送安全。
下面对天然气长输管道的防腐措施进行分析。
1. 外部防腐措施:
天然气长输管道一般埋设在地下,直接接触土壤和周围环境,容易受到土壤湿度、水质和化学物质的侵蚀。
为了保护管道不被腐蚀,常采用以下防腐措施:
(1)防腐涂层:在管道的外表面涂上一层防腐涂层,常用的防腐涂层有煤焦油涂层、环氧涂层和无溶剂涂层等。
这些涂层能防止土壤中的湿气、盐分和酸碱物质侵蚀管道
的表面,起到防腐蚀的作用。
(2)防腐包裹材料:在管道外表面上包裹一层防腐材料,如聚乙烯或聚脂薄膜等,能有效地隔离管道与外界环境的接触,阻止腐蚀物质侵入。
(3)阴极保护:通过在管道上安装阴极保护装置,使管道表面成为负电极,通过
电流作用形成一层保护膜,减缓腐蚀的速度。
天然气长输管道的防腐措施主要包括外部防腐和内部防腐两个方面。
通过涂层保护、
防腐包裹材料、阴极保护等措施,能够有效防止管道受到外界环境的侵蚀。
通过涂层保护、阻垢剂添加和定期清洗维护等措施,能够减缓管道内部气体和输送介质的腐蚀速度。
这些
防腐措施的实施能够保护天然气长输管道的完整性和安全性,延长管道的使用寿命。
天然气管道防腐标准
天然气管道是输送能源的重要通道,为了保障管道的安全运行和延长使用寿命,防腐工作显得尤为重要。
天然气管道防腐标准是指对天然气管道进行防腐蚀处理的技术要求和规范,下面将从材料选择、防腐涂层和防腐检测等方面进行介绍。
首先,对于天然气管道的材料选择,应该优先选择具有良好抗腐蚀性能的材料。
常见的材料包括碳钢、不锈钢、镀锌钢等,这些材料在防腐蚀处理后能够有效地抵抗外界的腐蚀介质,确保管道的使用寿命。
其次,在防腐涂层方面,应该严格按照相关标准进行选择和施工。
常见的防腐
涂层包括环氧树脂涂层、聚乙烯涂层、聚氨酯涂层等,这些涂层具有良好的耐腐蚀性能和附着力,能够有效地保护管道不受外界腐蚀介质的侵蚀。
此外,在防腐检测方面,应该建立完善的检测体系,定期对天然气管道进行检
测和评估。
通过采用超声波检测、X射线检测、涂层腐蚀率检测等方法,及时发现管道表面的腐蚀问题,并采取相应的修复措施,确保管道的安全运行。
总的来说,天然气管道防腐标准是保障管道安全运行的重要保障,只有严格按
照标准要求选择材料、施工防腐涂层和定期进行防腐检测,才能有效地延长管道的使用寿命,确保天然气的安全输送。
希望相关部门和企业能够高度重视天然气管道防腐工作,加强标准制定和执行,共同维护天然气管道的安全运行,为能源输送保驾护航。
天然气长输管道防腐的重要性及安全防护措施摘要:天然气的出现,有效代替了很多能源,成为目前应用最为广泛的清洁能源之一。
随着天然气的普及,天然气的管道传输成为现阶段天然气领域发展过程中的重要部分。
天然气长输管道的安全也越来越重要,由于长输管道长埋地下防腐以及阴极保护尤为重要,高效的防腐对于天然气的传输具有非常重要的意义,不仅能够有效提升天然气传输的效率,而且很大程度避免了传输过程中可能对环境造成的影响。
鉴于此,本文主重点介绍长输天然气管道防腐的重要性以及长输天然气管道防腐安全措施,以确保供气安全。
关键词:天然气;长输管道;防腐;安全防护措施面对天然气在我国能源发展中地位的日益上升,天然气的输送成为我国研究的主要环节,管道传输属于天然气输送的重要途径,管道在长时间的应用中,必然产生腐蚀问题,而且腐蚀会日益严重。
如果管道防腐层不断老化,出现破损的情况后,管道腐蚀问题就会越来越严重,更严重的话可能会出现应力腐蚀开裂、腐蚀穿孔等意外现象,造成重大损失。
因此,清楚地认识到管道的腐蚀情况,从而采用更加有针对性的措施对管道进行维护,提高管道运行的安全性很有必要。
1天然气长输管道防腐工作的必要性管道天然气的运输线路长,管道腐蚀可能造成的危害包括以下几个方面:第一,一旦管道被严重腐蚀,腐蚀的产物将与其中的天然气产生混合,导致天然气当中混入杂质,进而严重影响天然气的质量。
第二,若管道腐蚀非常严重,极有可能造成天然气泄漏,不仅会严重损失天然气资源,而且对于管道公司而言,也将产生严重的财产损失。
第三,若腐蚀的程度达到了可能泄漏的程度,泄漏的天然气将会进入土壤,进而对环境造成严重的污染,而且此类对环境的破坏是不可逆的,在现阶段,环境保护问题日益突出的情况下,对环境的严重污染将严重限制天然气资源的发展。
第四,一旦遭到泄漏的天然气直接遇到火源,极易产生火灾以及爆炸事故,不仅会对天然气的运输产生影响,而且还会造成人员伤亡。
第五,在管道遭到腐蚀以后,腐蚀的产物将附着与管道内壁,进而加速管道腐蚀进程。
** 石化常减压天然气管道防腐施工安全方案编制:审核:江苏** 防腐安装有限公司第*分公司二O 一一. 十天然气管道防腐防腐施工安全方案1.概况常减压车间天然气管道外壁新安装管线,须防腐。
防腐做法为机械进行表面处理,涂氯磺化聚乙烯涂料两底两面。
本方案主要依据HGJ229-91?工业设备、管道防腐蚀工程及验收规范?、YB/T9256- 96?钢结构、管道涂装技术规程?和SHS01034-92?设备及管道油漆检修规程?并结合现场实际情况进行编制。
2. 施工准备2.1材料选用经甲方同意,准备采用耐温性、耐候性、耐化学腐蚀性能均较好的氯磺化聚乙烯涂料。
材料由乙方采购,面漆颜色按《设备及管道油漆检修规程》SHS01034-92之附录A “设备、管道颜色及标志”之规定或以甲方规定为准。
2.2施工用工器具准备:备齐施工机械,施工工具(如钢丝刷、铲刀、锤子、磨光机)及施工材料(如涂料、毛刷、滚筒、砂纸等)。
2.3劳动力安排:根据现场工程情况及甲方的进度、质量要求合理安排劳动力。
对上岗人员进行施工技术技能、安全作业技能及环保知识的培训教育。
同时对上岗人员配备安全带、口罩、手套等劳动保护用品施工工具。
施工及有关管理人员须事先体检合格后方可上岗,并熟悉施工现场情况,了解工程概况及施工方案。
3 防腐施工工艺3.1 施工工艺流程准备施工设施―——————―检查安全设施――――机械处理―――——————刷第一道底漆――――――刷第二道底漆———刷第一道面漆一一一刷第二道面漆,现场清理。
3.2施工工序3.2.1 作业人员须采取安全措施。
在作业之前,安全保护设施必须得到甲方安全监督部门确认,方可作业。
3.2.2作业前应到安监部门开登高作业票,办理施工作业票。
开始作业后,先用铲刀手工铲除旧漆膜及浮锈,再用钢丝刷、砂纸等去表面的铁锈、旧漆膜及氧化皮焊渣、毛刺等,除锈标准达《设备及管道油漆检修规程》SHS01034-92中“表T规定之“二级”。
天然气管道如何做防腐近年来天然气已经成为了我国城乡居民的主要燃料能源,其需求量也得到了巨大的提升。
管道腐蚀是天然气管道质量的主要影响因素,会对其产生非常严重的后果,因此我们要加强管道的防腐控制工作。
1.阴极保护法阴极保护法是管道防腐技术发展的一个里程碑,对于实现天然气管道的金属表面防腐有着非常重要的现实意义。
不过它仍存在着一定的缺陷,如果仅仅使用阴极保护技术而不结合管道涂层保护技术的话,那么会因为电量消耗过大导致其不适合在现实中使用,也就是说单独使用没有较强的实用性。
另一方面,仅仅对管道采用涂层技术实施防腐也是无效的,因为土层不可能处于完美状态,一旦出现孔洞或者破损部位就会导致腐蚀电池的产生,该电池作用在管道损坏部位,不仅不能防腐,反而会加快腐蚀的速度,具有很高的危险性。
而涂层保护技术和阴极保护技术相结合,可以有效减少电流密度,将保护效果作用的范围扩大化,提高防腐技术的节约性和可行性,成为现今运用最普遍的一种管道防腐方法。
2.涂层保护法目前行业内应用最普遍的管道防腐方法就是涂层保护法,即使用相关涂层将管道内外表面与其中输送的介质充分隔开以达到防腐的效果。
在对受保护管道进行涂层处理时,预先要做好合适的涂装准备,以减少因涂层表面不清洁给涂层寿命带来的影响。
具体的准备工作包括除锈和清灰两个环节,全部完成并保证涂装管道表面没有任何锈迹或者土灰后就可以开始对管道进行涂层保护防腐处理了。
3.新型管道材料的开发利用由于很多天然气管道的构成材料都是金属,极易受到腐蚀影响自身质量,因此科学家们积极开发出各种非金属管道材料来代替金属制造天然气管道,这种新型材料管道在结实耐用、安全可靠的同时还具有很强的抗腐蚀性,并且不需要进行阴极保护法防腐而大大简化了施工工序、降低了工程成本,受到了越来越多的天然气管道工程的青睐,已经逐渐成为天然气管道工程行业的新宠儿。
与传统金属管道相比,新型非金属管道具有如下优势:寿命长达30年之久,高于同类金属管道的3倍多;维护手法简单、费用少;保温性能好,能有效隔热,为天然气输送安全提供了保障;对所输送的天然气阻力小,且不会污染天然气的纯度;安装方便造价低。
输气管道工程天然气管道初步设计防腐专业防腐方案及开料指标一.防腐方案1.线路管道外防腐1.1线路直管外防腐Φ813管道全线采用三层PE常温型防腐层;三层PE外防腐层的环氧底层厚度≥120μm;胶粘剂层≥170μm;普通级防腐层总厚度≥3.2mm;加强级防腐层总厚度≥3.7mm。
Φ323.9管道全线采用三层PE常温型加强级防腐层,三层PE 外防腐层的环氧底层厚度≥120μm;胶粘剂层≥170μm,加强级防腐层总厚度≥2.9mm。
本工程除下列地段线路管道采用三层PE加强级防腐层外,其它地段的管道均采用普通级:--河流大(中)型穿越、铁路穿越、带套管的等级公路及隧道穿越段;--人口稠密的四类地区段;--施工条件困难,对防腐机械强度要求高的山区石方地段。
定向钻穿越段管道除采用三层PE加强级防腐层外,还应采用环氧玻璃钢保护材料加以保护。
(保护层设置范围应根据各定向钻穿越段地质状况、施工场地条件等具体情况确定)固定墩内的锚固法兰采用热收缩带防腐。
套管中的排气管在埋地段采用聚乙烯胶粘带进行外防腐,露空段采用涂装氟碳涂料进行防腐。
1.2补口、补伤一般线路段及定向钻穿越段管道补口采用三层结构常温型热收缩带;补伤采用补伤片5m/km。
水下隧道穿越段补口采用粘弹体防腐胶带+聚丙烯防腐胶带的补口方式;补伤采用聚丙烯胶粘带。
山岭隧道补口采用聚乙烯胶粘带特加强级防腐层;补伤采用聚乙烯胶粘带。
1.3弯管外防腐冷弯管采用带三层PE防腐层的成品直管防腐管经冷弯机弯制而成,即冷弯管防腐层仍采用三层PE防腐层。
热煨弯管采用“双层熔结环氧粉末(FBE)+聚丙烯防腐胶带(搭接率55%)”防腐层,双层熔结环氧粉末外防腐层应由内、外两层环氧粉末一次喷涂成膜构成。
底层厚度≥300μm;面层厚度≥500μm;总厚度≥800μm。
2.站场阀室管道设备外防腐2.1露空管道和设备外防腐防腐方案采用涂装氟碳涂料,涂层的结构为:环氧富锌底漆、环氧云铁中间漆和耐候型的氟碳面漆。
2.2.22.1. 施工设备、机具准备(1)生产线准备针对该保温工程的特点,中油防腐公司准备了高压发泡作业线。
整套作业线均建在厂房内,可满足各种天气条件下施工的要求。
(2)配套施工机具准备中油防腐公司配备了全套施工机具,包括高压发泡机3台、穿管机5台、液化气喷灯6台、龙门吊1台、倒管车2台、叉车1台等。
为了保证防腐施工的连续性,建立相应的设备检修和维护制度,确保全部施工设备处于良好的工作状态。
这些施工机具都将在该项目开工前进行保养和检修,以保证施工机具的正常使用。
2.2.22.2. 检测、试验设备准备根据保温管生产的质检要求,全套生产线配备了相应的质量检测工具和试验仪器,如秒表、天平、冲击试验仪、弯曲试验仪、恒温烘箱、游标卡尺、恒温水浴锅、温湿度计、拉力试验机、压痕硬度仪、拉力计等。
在生产前对各种测量仪器进行校验,并由专人负责,制定相应的使用校验制度。
2.2.22.3. 设备性能高压发泡装置安装快捷、调试方便、设备可靠性高等优点,可进行40~90kg/m3聚氨酯泡沫保温层的制作。
辅助资料表 1用于本工程的设备清单辅助资料表 2计划用于本工程备用的设备清单2.2.22.4聚氨氨酯生产工艺流程图2.2.22.5预制保温管关键工序、设备及指标描述(1)原材料的验收①组合聚醚的验收A进厂时组合聚醚应有生产厂家、生产日期、质量证明书及合格证,否则不得验收。
B组合聚醚进厂时每釜至少抽查1桶,测试发泡时间、固化时间、表面密度、抗压强度、吸水率及导热系数六项指标。
发泡时间、固化时间两项指标必须满足工艺要求。
表观密度、抗压强度、吸水率及导热系数四项指标应符合下表要求。
项目指标测定方法表观密度,kg/m340~60 GB/T 6343抗压强度,MPa ≥0.2 GB/T 8813吸水率,g/cm3≤0.03 SY/T 0415-1996 导热系数,W/m·℃≤0.03 SY/T 0415-1996②高密度聚乙烯材料的核定与检验。
天然气地面建设工程管道防腐保温施工组织方案一、项目概况该天然气地面建设工程为一项管道防腐保温施工项目,总长度为XX 公里。
本项目旨在确保天然气管道系统的正常运行,保证输送天然气的安全性和稳定性。
施工包括管道防腐涂层施工、保温层施工以及相关工程配套工作。
二、施工组织原则1.安全第一原则:施工过程中要注意人员和设备的安全,保证施工人员的生命财产安全。
2.环保原则:施工过程中要注意环境保护,严格按照环境保护要求进行施工,并做好环保设施的维护和管理。
3.质量第一原则:施工过程中要确保施工质量达到设计要求,保证工程质量。
4.进度第一原则:制定合理的施工计划,确保工期的合理安排,并进行监督和控制,确保按时完成工程。
三、施工组织体系1.施工组织机构:设立建设项目经理部,负责协调施工进度、质量验收、资源调配等工作。
2.施工人员安排:-项目经理:全面组织协调施工工作,负责施工方案的编制和安全管理。
-现场管理员:负责现场秩序维护和材料设备管理。
-劳务人员:负责具体的施工作业。
四、施工准备1.施工方案确定:根据设计要求和实际情况制定防腐保温施工方案,明确施工工序、质量控制措施和安全保障措施等。
2.材料准备:按照施工方案确定所需的防腐涂料、保温材料等材料,并进行采购和验收。
3.设备准备:配备施工所需的机械设备、工具和安全设备等。
4.人员培训:对施工人员进行安全培训和技术培训,确保操作规范和技术要求达标。
五、施工过程控制1.施工进场检查:由项目经理和技术负责人组成的小组进行现场进场检查,确保施工现场符合要求,并安排施工人员进场开展工作。
2.施工质量控制:由技术负责人指导和监督具体施工过程,确保施工质量达到要求。
包括施工工艺控制、材料验收、涂层施工状况监测等。
3.安全保障措施:在施工现场设置安全警示标志,制定安全操作规程,配备必要的安全防护设备,并进行安全教育和事故应急演练。
4.进度控制:根据施工计划和实际施工进展情况,定期召开工作会议,进行进度管理,及时调整工期和资源,确保按时完成工程。
天然气管道防腐技术方案一、涂层防腐技术1.环氧树脂涂层:环氧树脂具有抗化学腐蚀、抗水蚀、耐磨损等特性,广泛应用于天然气管道的防腐工程。
环氧树脂涂层具有良好的粘附性,能够牢固附着在管道表面,形成一层坚固且密闭的保护层。
2.氟碳漆涂层:氟碳漆具有优异的耐腐蚀性,对于强酸、强碱等腐蚀性介质具有良好的抵抗能力。
在天然气管道防腐工程中,氟碳漆涂层可以有效隔离管道与化学物质的接触,延长管道的使用寿命。
3.聚乙烯涂层:聚乙烯涂层具有优异的耐水、耐化学腐蚀和耐磨损性能。
聚乙烯涂层是一种比较常用的防腐材料,其使用寿命长,能够满足天然气管道抗腐蚀的需求。
4.聚氨酯涂层:聚氨酯涂层具有耐腐蚀、耐磨损等特点,广泛应用于天然气管道的防腐工程。
聚氨酯涂层具有很好的粘附性,能够与管道表面形成紧密的结合,提高管道的抗腐蚀性能。
二、电位防腐技术电位防腐技术是通过施加外电势,使金属表面的电位维持在一定范围内,达到抑制金属腐蚀的目的。
电位防腐技术主要包括阴极保护和阳极保护两种方法。
1.阴极保护:阴极保护是通过在天然气管道外表面施加一定的直流电势,使管道成为电池中的阴极,从而使金属表面得到保护。
阴极保护可以有效延缓管道的腐蚀速度,延长使用寿命。
2.阳极保护:阳极保护是通过在天然气管道外表面施加一定的直流电势,使管道成为电池中的阳极,从而达到保护管道的目的。
阳极保护主要用于金属管道的腐蚀保护,可以减少管道表面的腐蚀程度,提高管道的使用寿命。
三、化学防腐技术化学防腐技术是利用化学物质对天然气管道进行防腐蚀处理。
常见的化学防腐技术包括阻垢剂、缓蚀剂、杀菌剂等。
1.阻垢剂:阻垢剂可以避免管道内壁结垢,减少管道内壁摩擦阻力,提高天然气的输送效率。
常见的阻垢剂有有机磷类、有机酸类等。
2.缓蚀剂:缓蚀剂可以降低金属管道的腐蚀速度,延长管道使用寿命。
缓蚀剂主要有草酸盐、硼酸盐、亚磷酸盐等。
3.杀菌剂:杀菌剂可以抑制管道内菌类的生长繁殖,防止微生物对管道材料的腐蚀。
天然气管道内防腐标准天然气管道内防腐是保障管道安全运行的重要环节,其标准的制定和执行对于保障天然气输送的安全和可靠具有重要意义。
本文将对天然气管道内防腐标准进行详细介绍,以期为相关从业人员提供参考和指导。
首先,天然气管道内防腐标准的制定应当符合国家相关标准和规定,包括但不限于《天然气工程施工规范》、《天然气管道设计标准》等,同时结合实际情况和技术发展,制定适合具体工程的内防腐标准。
在制定标准时,应充分考虑管道材料、介质性质、运行环境等因素,确保内防腐措施的科学性和可行性。
其次,天然气管道内防腐标准应包括内防腐材料的选择、施工工艺、质量检测等内容。
在内防腐材料的选择上,应根据管道材质、介质特性等因素进行科学选取,确保内防腐材料的耐腐蚀性和粘附性。
在施工工艺上,应严格按照标准规定的要求进行操作,确保内防腐层的均匀性和完整性。
同时,质量检测是内防腐工程质量的保障,应采用可靠的检测手段对内防腐层进行检测,确保其质量符合标准要求。
另外,天然气管道内防腐标准的执行是保障管道安全运行的重要环节。
在执行标准时,应加强对施工人员的培训和管理,确保他们了解并严格执行内防腐标准的要求。
同时,应建立健全的内防腐工程质量监督和验收制度,对内防腐工程进行全程监控和全面验收,确保内防腐工程质量符合标准要求。
总之,天然气管道内防腐标准的制定和执行对于保障管道安全运行具有重要意义。
只有严格执行相关标准和规定,科学选取内防腐材料,规范施工工艺,加强质量监督和验收,才能确保天然气管道内防腐工程质量,保障天然气输送的安全和可靠。
希望相关从业人员能够重视内防腐工程的重要性,严格执行相关标准和规定,共同为天然气输送的安全和可靠贡献自己的力量。
埋地天然气管道的防腐技术城市化进程的加快,极大的促进了天然气工程建设的发展,我国很多城市已经将天然气作为主要能源应用于发电和汽车燃料,对于经济的发展及人们生活质量的改善起到非常重要的作用。
本文主要探讨了对天然气管道造成腐蚀的主要原因及防治方法,希望能提高天然气管道建设质量。
、腐蚀的类型及机理目前天然气管道还是以埋地为主,受到腐蚀是很难避免的。
腐蚀是金属在周围物质的化学、电化学作用下所引起的一种破坏,按腐蚀反应原理可分为以下几种形式化学腐蚀:因为土壤、空气或管道中各种化学介质与金属接触发生化学作用而引起,不发生化学能向电能的转化,腐蚀时整个金属表面流失较均匀,使管壁变薄。
电化学腐蚀:由于电极电位的不同,在金属表面形成一种微电池现象,金属在电解质溶液中因失去电子而成为离子被溶解,形成阳极,电极电位较高的部位得到电子,形成阴极,是与电流流动有关的腐蚀。
生物化学腐蚀:由细菌生命活动而引起或加速金属破坏的一种腐蚀。
电化学腐蚀的危害最大,发生频率最高,往往使钢管表面出现凹穴,甚至穿孔。
1、管道腐蚀的类型1)内壁腐蚀天然气管道内壁腐蚀的主要因素为天然气中含有的一定量水,它在管道内壁生成一层亲水膜,形成了类似原电池腐蚀的条件,产生电化学腐蚀; 还有就是天然气中含有硫化氢、二氧化碳、氧、硫化物或其他腐蚀性化合物,它们直接和金属起作用,引起化学腐蚀。
2)外壁腐蚀外壁腐蚀可以在架空或埋地钢管上发生,架空管通常以涂层实现防腐,而埋地钢管的化学腐蚀是全面腐蚀,在化学腐蚀的作用下,管壁厚度的减薄是均匀的,因此从钢管受到穿孔破坏的角度看,化学腐蚀的危害性相对较小。
埋地钢管外壁腐蚀的原因较复杂,主要为电化学腐蚀。
2、腐蚀机理腐蚀是金属和周围介质发生化学或电化学作用而导致的无谓消耗或破坏。
金属被腐蚀是由于电极电位的不同,金属发生电化学反应时,电极电位较低的部位容易失去电子,形成阳极; 电极电位较高的部位得到电子,成为阴极。
存在02和H2O的情况下,Fe(OH)2 生成水合氧化铁(铁锈),它是一种疏松物质,浮在钢铁表面,无保护作用,金属的阳极化反应可继续进行。
天然气管道防腐方案1、配套推荐方案⑴ 埋地管道(普通钢材、铸铁)防腐配套方案见表1;⑵埋地管道(镀锌钢材)防腐配套方案见表2;⑶无保温层架空管道(普通钢材、铸铁)防腐配套方案见表3;⑷无保温架空管道(镀锌钢材)防腐配套方案见表4;⑸有保温层架空管道(普通钢材、铸铁)防腐配套方案见表5;⑹有保温架空管道(镀锌钢材)防腐配套方案见表6。
2、涂装要求3.1表面处理质量要求⑴对普通钢材以喷砂法进行除锈处理,除尽铁锈、氧化皮等杂物,表面处理质量控制应达到GB8923《涂装前钢材表面锈蚀等级和除锈等级》标准规定的Sa2.5,表面粗糙35~5um,喷砂后将灰尘除尽;⑵喷砂后的钢材应在4h之内完成第一道漆的涂装。
如采用ET-98无机磷酸盐长效型富锌涂料,一般除油、除锈即可,可带微锈涂刷施工;⑶ 焊接部位,在焊接后的72h之内不能进行涂装。
表1埋地管道(普通钢材、铸铁)防腐配套方案油漆实际用量是施工单位的经验、施工水平、施工场所等条件由施工单位进行估算,大约为理论用量是的1.5-1.8倍,(表2-表6与此相同).o3个月之内漆膜表面会出现锌盐,在施工下道漆时,须将漆膜表面的锌盐除尽,用干布或砂纸打磨一下即可(表2-表6与此相同)。
如超过涂装间隔时,应将漆膜表面以砂纸打毛后才能进行后道漆的涂装,以增强漆膜的层间附着力(表2-表5与此相同)。
表2埋地管道(镀锌钢材)防腐配套方案⑷对镀锌层必须采用轻扫级喷砂法去除灰层,然后涂装70-H环氧铁红防腐漆。
3.2涂装环境条件涂装五境对漆膜的质量有很大的影响,为保证涂装质量,对涂装环境提出如下要求:⑴不能在烈日曝晒和有雨、雾、雪的天气进行露天涂装作业,相对湿度大于85%f宜施工,底材温度须高于露点以上3 C方可进行ET-98无机磷酸盐长效型富锌涂料无妨;⑵ 夏季阳光直射、底材温度大于60C时不能施工。
冬季气温不低于-5 C时, 70-H环氧铁红防腐涂料、H06-3环氧云铁防锈漆、ZHL51-2超厚浆型环氧沥青防锈漆,冬季不宜在室外施工;盐长效型富锌涂料无妨,因3min表干。
杭州天然气场站防腐工程施工方案一、防腐涂装设计分析1、工程概况:本维修防腐工程主要包括杭州北门站、星桥站和乔司站三个场站的站内地上管道、工艺设备、支架、走道板及放空立管的油漆涂层防腐涂装施工。
2、腐蚀环境分析:大气环境:杭州地处我国东部沿海,属亚热带季风气候,四季分明,温和湿润,光照充足,雨量充沛。
全年平均气温17.5摄氏度,平均相对湿度69.6%,年降水量1139毫米,年日照时数1762小时。
具有春多余雨、夏湿热、秋气爽、冬干冷的气候特征。
场站环境:北门站属于杭州地区的主要气源接气点,日接纳气量达到120万方,且上游省公司供气过程中,随流量、压力的变化,气流温度降低,造成管壁凝水,另一方面,调压器后管道也在调压器降压过程中再次吸热,使其管道表面温度再次降低(最低达到零下13.7摄氏度),部分管道表面始终处于保持潮湿状态。
综上所述:按IS—2标准,位于杭州地区的这三个场站所处腐蚀环境属于C4~C5-I级别,推荐使用的油漆配套应具有适应当地气候和施工条件、优异的物理机械性能、优良的耐候性、长期防腐性等等特点。
二、主要引用标准和防腐涂装防护方案:1、防腐涂装引用标准SH3022—1999 《石油化工设备与管道防腐蚀技术规范》SH3043—1991 《石油化工企业设备与管道表面色及标志》IS 钢结构保护涂层GB/T15957 大气环境腐蚀性分类NACE NO.5 高压淡水冲洗的清洁标准ISO 8501—1 涂装钢材表面锈蚀等级和除锈等级(或GB8923—88《涂装前钢材表面锈蚀等级和除锈等级》)ISO 8503—2 表面粗糙度比较样板抛(喷)丸、喷砂加工表面GB6484 铸钢丸GB6485 铸钢砂GB/T13312 钢铁件涂装前除油工程检验方法(验油试纸法)JB/Z350 高压无气喷涂典型工艺GB1764 漆膜厚度测定法IS07253:1984 色漆和清漆耐中性烟雾性能的测定GB7692 涂装作业安全规程涂漆前处理工艺安全GB6514 涂装作业安全规程涂漆工艺安全2、涂料和油漆3、老人牌环氧漆15553-111501)油漆施工:适当用清洁剂出去灰尘、油和脂等,用高压淡水清洗掉盐分和其他污物,用硬尼龙刷刷掉锌盐,达到各项要求后,按以下程序喷涂油漆:2)环境控制:测量并记录温度、湿度、钢板温度、油漆温度。
施工方案及技术措施
一、施工方案:
1、基层处理:采用喷砂除锈并达到Sa2级。
2、防腐结构:①管网管线为加强级环氧煤沥青一底一布四面。
②穿越河流、铁路的管线为特加强级环氧煤沥青一底二布六
面。
③该工程管线沿线的阴极保护埋设。
3、施工工艺
钢管外观检查基层处理(喷砂除锈Sa2级)涂料的配制涂底漆打腻子涂面漆缠玻璃布自然固化外观检查厚度、漏点、粘结力检查运输至安装现场二次验收补口、补伤埋设阴极保护设置
二、施工技术措施
(一)准备工作
1、钢管应逐根进行外观检查和测量,钢管弯曲度应小于0.2%钢管长度,椭圆度应小于或等于0.2%钢管外径。
2、钢管表面如有较多的油脂和污垢,应先按照ST/T0407-97《涂装前钢材表面预处理规范》规定的方法处理。
包括:a、先用刚性纤维刷或钢丝刷除去钢材表面的松散物。
b、用刮刀刮掉附在表面上的浓厚的油或油脂。
(二)基层处理
1、按ST/T0407-97《涂装前钢材表面预处理规范》规定的喷射除锈方法对
钢管表面进行喷砂除锈并达到Sa2级,表面粗糙度宜在40~50um。
2、钢管表面处理后,其表面的灰尘应清除干净,焊缝处应无焊瘤、棱角、毛刺等。
3、钢管表面应无可见的油脂和污垢,并且氧化皮、铁锈等附着物已基本消除,其残留物应是牢固附着的。
(三)漆料配制
1、底漆和面漆在使用前应搅拌均匀,不均匀的漆不得使用。
2、由专人按产品使用说明书的规定的比例往漆料中加入固化剂,并搅拌均匀。
使用前,应静置熟化15~30分钟。
3、刚开桶的底漆和面漆不应先加稀释剂,配好的漆料在必要时可加入小于5%的稀释剂,严禁使用超过使用期的漆料。
4、配制漆料时应分批进行,确保在使用期内用完,避免造成浪费。
(四)涂底漆
1、钢管表面基层处理验收合格后,应尽快涂底漆,间隔时间越短越好,最长不超过8h。
2、钢管两端各留100~150mm不涂底漆,两端留裸管不宜太长,否则,将增加补口的工作量。
3、底漆要求涂敷均匀,无漏漆、无气泡、无凝块。
干膜厚度不应小于25mm。
五、打腻子
1、钢管外防腐采用玻璃布作为加强基布时,在底漆表干后,对于高于钢管表面2mm的焊缝两侧,应抹腻子使其形成平滑过渡面。
2、腻子由配好的固化剂的面漆,加入滑石粉调匀制成,调制时不应加入稀释剂,调好的腻子宜在4h内用完。
3、打腻子是保证缠玻璃布时在焊缝两侧不出现空鼓的可靠手段,可用手工刮刀涂刮施工。
(六)涂面漆和缠玻璃布
1、底漆或腻子表干后,固化前涂第一道面漆,要涂刷均匀,不得漏涂。
2、对加强级的防腐层,第一道面漆实干后,固化前涂第二道面漆,随即缠绕玻璃布,玻璃布要拉紧,表面平整,无皱折和鼓包,压边宽度为20~25mm,布头搭接长度为100~150mm。
玻璃布缠绕后即涂第三道面漆,要求漆量饱满,玻璃布所有网眼应灌满涂料,第三道实干后,涂第四道面漆。
3、也可浸满面漆的玻璃布进行缠绕,代替第二道面漆玻璃布和第三道面漆,待其实干后,涂第四道面漆。
4、对特加强级防腐层,先按加强级步骤进行,待第三道面漆实干后,涂第四道面漆,并立即缠第二层玻璃布,涂第五道面漆或缠第二层浸满的玻璃布,待其实干后,涂最后一道面漆。
(七)防腐层的检验
1、外观检查:涂层玻璃布拉紧,无皱折、空鼓。
玻璃布网眼均匀,涂料灌满,表面光亮平整,手摸无明显粗糙感,表面颜色均匀一致。
2、厚度检查:用无损测厚仪,在防腐层实干后,固化前检查。
3、绝缘检查:用电火花检测仪以加强级2500V,特加强级3000V电压检查涂层针孔,无电火花者即为合格。
4、粘结力检查:用锋利刀刃垂直划透防腐层,形成边长约40mm,夹角45º的V形切口,用力撕防腐层,粘结良好,不出现成片挑起或层间剥离的情况为合格。
5、以上标准均按ST/T0447-96标准规范执行。
(八)阴极保护
本工程没有现场具体测量管道沿线走向的土壤电阻率及管道防腐层的绝缘性能,不能准确地判定实施何种方案,有关阴极保护工程施工方案待以后再补充。
阴极保护的方法有两种:一是外加电流法,二是牺牲阳极保护阴极法。
二、确保工期措施
1、根据合同工期及各分部、分项工程施工周期,科学合理地组织施工,形成各分部、分项工程在时间、空间上充分利用和拼凑搭接,搞好交叉作业,从而缩短工期。
2、科学规化平面布置,减少二次搬运。
3、采取成熟的科技成果、新技术、新工艺,向技术要速度、要质量、要效益,从而缩短工期。
4、施工期间法定假日不放假,正常施工。
5、在施工关键线路上,充分利用工作面,实行三班作业。
6、实行合理的工期目标、奖罚制度,充分调动职工的积极性,开展劳动竞赛,确保工期目标的实现。