紧固件检验记录16.7.28
- 格式:doc
- 大小:39.50 KB
- 文档页数:1
7107普通紧固件连接检验批质量验收记录一、项目背景随着工业的发展,紧固件的使用越来越广泛。
为了保证紧固件连接的质量和安全性,对紧固件连接的质量进行验收是十分重要的。
本文将详细记录一次普通紧固件连接检验批质量验收的过程和结果。
二、检验目的1.确保紧固件连接的质量和安全性;2.防止紧固件连接失效导致事故;3.发现和排除紧固件连接质量问题。
三、检验方法1.检验内容:(1)连接件的材料和表面处理;(2)紧固件的牙型尺寸和互换性;(3)紧固件的材料和硬度;(4)紧固件的强度和耐久性;(5)紧固件的螺栓预紧力。
2.检验设备:(1)显微镜;(2)硬度计;(3)拉力试验机;(4)螺纹量规。
四、检验过程1.检验前的准备工作:(1)获得检验样品和相应的技术文件;(2)根据技术文件要求,准备好必要的检验设备。
2.检验过程:(1)检查连接件的材料和表面处理是否符合要求。
使用显微镜对连接件进行观察,确认是否存在划痕、裂纹等表面缺陷,并使用硬度计对连接件进行硬度测试,确认硬度是否符合要求。
(2)检查紧固件的牙型尺寸和互换性。
使用螺纹量规对紧固件的螺纹进行测量,确认尺寸是否符合要求,并检查是否存在破损或变形等问题。
(3)检查紧固件的材料和硬度。
使用硬度计对紧固件进行硬度测试,确认硬度是否符合要求,并使用拉力试验机对紧固件进行拉力测试,检查其拉断强度是否符合要求。
(4)检查紧固件的强度和耐久性。
根据技术文件要求,选取部分紧固件进行强度和耐久性测试,确认其是否满足使用要求。
(5)检查紧固件的螺栓预紧力。
使用扭矩扳手对紧固件进行扭矩测试,确认扭矩是否符合要求。
五、检验结果根据以上检验过程,对检验样品的各个指标进行检测和评估,得到以下结果:1.连接件的材料和表面处理符合要求,无显著的缺陷。
2.紧固件的牙型尺寸和互换性符合要求,没有出现破损或变形。
3.紧固件的材料和硬度符合要求,硬度测试结果稳定。
4.紧固件的强度和耐久性符合要求,经过强度和耐久性测试后未出现破坏。
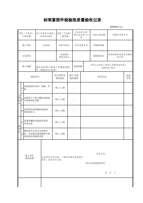
钢结构(普通紧固件连接)分项工程检验批质量验收记录
020********
单位(子单位)工程名称恒智天成大厦
分部(子分部)
工程名称
主体结构(钢结
构)
分项工程
名称
紧固件连接
施工单位北京广厦建设集团项目负责人检验批容量30个
分包单位/
分包单位
项目负责人/
检验批部位
~/~1层
结构
施工依据钢结构工程施工规范(GB50755-2012)验收依据《钢结构工程施工质量验收标准》
GB 50205-2020
验收项目设计要求及
规范规定
最小/实际
抽样数量
检查记录
检查
结果
主控项目1成品进场第4.7.1条/
质量证明文件齐全,检验合格,
报告编号2020-12128√2螺栓实物复验第6.2.1条/
检验合格,复验报告编号2020-
12129 √3匹配及间距第6.2.2条/抽查3处,合格3处√
一
般
项
目
1螺栓紧固第6.2.3条/抽查3处,合格3处100% 2外观质量第6.2.4条/抽查3处,合格3处100%
施工单位检查结果主控项目全部合格,一般项目满足规范规
定要求;检查评定合格
专业工长:
项目专业质量检查员:
年 月 日
监理单位验收结论同意验收
专业监理工程师:
年 月 日。
C% Si% Mn% Ti% Cr% B% P% S% Cu%0.37-0.44 0.17-0.37 0.50-0.80 0.80-1.10 ≤0.035 ≤0.0350.0005-0.17-0.24 0.17-0.37 1.3-1.6 0.04-0.1 0.0035 0.80-1.100.001 0.004实测值(Actual Value)屈服强度 σ0.2 Mpa Yield Strength≥940实测值(Actual Value)M20 M22255-304 315-3762 3 4实测值(Actual Value)☆当螺栓 L/d ≦3,不能做楔负载试验,以芯部硬度试验代替Substiute strength test of core for load test of bolt wedges when bolt wedges L/d ≦3规格 Specification标准值 KNStandard Value 试件号ModelofTest Specimen机械性能 Mechanical Performance 标准值 Standard Value 抗拉强度 σb Mpa Tensile Strength1040-1240伸长率 δ5 Elongation Rate≥10 收缩率 ψ% Shrinkage rate≥42化学成份 Chemical Composition标准值 ( Standard Value) M27477-569M24376-438M30583-696M16163-19520Mn TiB 35CrMoA6 70.31-0.37 0.32-0.400.17-0.37 0.15-0.250.17-0.370.50-0.900.40-0.740 Cr≤0.035≤0.03535VB≤0.04 ≤0.04 ≤0.25851螺栓芯部硬度试验 Hardness Test of BoltsHRC33-394 5 6垫圈化学成份Chemical Compisition of WasherMn%0.50-0.80垫圈硬度试验Hardness Test of WhashersHRC 35~454 5实测值 (HRC) Actual Value标准值 (Standard Value) 试件号ModelofTest Specimen 实测值(HRC) ActualValue钢号 45#Stell grade标准值 Standard Value实测值(Actual Value)标准值 Standard Value 试件号ModelofTest Specimen1 C%0.42-0.50 Si%0.17-0.37P%≤0.04S%≤0.042 3886 237 711螺母化学成份 Chemical Composition of NutsB%0.17-0.370.17-0.37 0.17-0.37试件 Specimen螺母保证载荷试验☆M202552 3 4合格 合格Qualifi Qualified ed 螺母硬度试验 Hardness 标准值Standard Value 试件号Model of Test Specimen1 实测值(HRC) Actual Value连接副扭矩系数试验 Coefficient of Torque Test of Sets0.110~0.1502 3 4 5 6 7 8实测值 Actual Value测试环境温度°CTestambient temperature °C标准偏差 Standard Deviation标准值 Standard Value 实测值 Actual Value平均标准值 The Average Standard Valre试件号 Model of Test Specimen1 1 标准值 (Standard Value)实测值 Actual Value试件号 ModelofTest Specimen 实测值(HRC) Actual Value规格 Specification 标准值 Standard Value Qualified QualifiedTest of NutsC%0.32-0.40 0.42-0.50 0.12-0.18Mn%0.50-0.800.50-0.80 1.2-1.61 2 3 4 5 6 8合格Qualified1合格 Qualifi ed相对湿度度% Opposite wet degree%化学成份 Chemical Composition 实测值平均值 The Average Actual ValueS%≤0.04≤0.04 ≤0.04P%≤0.04≤0.04 ≤0.043545 15Mn VB合格Qualified 合格QualifiedM24367HRC 24~HRC 32M30583M27477M22315M161630.0005-0.00350.07-0.12合格合格 Si%V% 86 5 77。