公英制压铆螺母尺寸
- 格式:doc
- 大小:400.00 KB
- 文档页数:7
压铆螺钉尺寸规格
压铆螺钉尺寸规格
铆钉是指使用打上铆枪把铆钉从一端打到另一端,安装在两个物体之间起固定作用的
型号固定件。
与螺丝钉相比,铆钉具有很强的适应性,因为它没有螺纹。
现在,它已经广
泛应用在各种机械装配工艺,如航空、船舶、机械、电子、汽车等行业。
铆钉主要包括腰尾铆钉、头尾铆钉、把手铆钉、拉钉和膨胀铆钉等类型。
铆钉的尺寸
规格主要包括长度、直径、尖端样式和锥角度等。
长度的规格从4毫米到25毫米不等,
其中4毫米是最小的,25毫米则是最常见的铆钉长度。
铆螺钉直径根据客户需要从2毫米到6毫米不等。
半圆头铆螺钉的直径尺寸也是根据客户需求定制的,其尺寸也从2毫米到
6毫米不等。
尖端样式主要有圆头、方头和半圆头。
圆头铆钉比较常用,其锥角度一般在45°左右,既方便打击又不伤害表面。
半圆头铆钉的锥角度一般在35°左右,这种样式的铆钉比较易于组装,改变拧紧度时也比较成功。
膨胀型铆螺钉的尺寸规格有3毫米x 8.5毫米,4毫米x 12 毫米,4毫米x 16毫米,4毫米x 20毫米,4毫米x 24毫米,4毫米x 28毫米,4毫米x 32毫米等。
拉钉的尺寸规格主要有3.5毫米,4毫米,5毫米,6毫米,8毫米等。
总结上述,铆钉的尺寸规格主要包括长度、直径、尖端样式和锥角度,从4毫米到25毫米不等,2毫米到6毫米不等,从圆头、方头到半圆头,从35°到45°不等等。
铆钉规格有很多,所以要根据实际使用情况,选择最合适的尺寸规格。
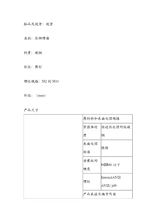
样品或现货:现货
类别:压铆螺母
材质:碳钢
形状:圆形
螺纹规格:M2到M10 外径:(mm)
产品尺寸
产品与板的铆接
产品的性能数椐
其它需要考虑的因素
无论是手动安装还是自动安装自扣紧螺母系列产品,为了达到最佳安装效果,我们建议您使用安装机。
如有需求,清联系我们。
压铆螺母S,SS 价格一揽表
其它信息
供应小排料头型螺栓FHL-M3-8 2010年10月09日
压铆螺母S-M8-2
2010年10月01日
供应压铆螺母,CLA-832-1,铝制螺母。
2010年10月01日
压铆螺母CLS-M6-0
2010年09月28日
供应压铆螺丝,压铆螺钉,FHA-M6-15
2010年09月27日
压铆螺母
2010年09月27日
压铆螺丝,,不锈钢压铆螺丝。
2010年09月24日
相关搜索
压铆螺母SS系列惠东县祥和螺丝制造厂小排料头型螺栓
FHL-M3-8S-M8-2CLA-832-1铝制螺母CLS-M6-0压铆螺丝压铆螺钉FHA-M6-15不锈钢压铆螺丝
相关信息
XB-018
产品明细表
供应生活,消防,变频供水设备,厂家
天津仓储货架轻型货架天津货架
A-055
LED灯箱/亚克力灯箱订做/店铺招牌/广告招牌
免责声明:以上所展示的信息由企业自行提供,其内容的真实性、准确性和合法性由发布企业负责。
我的化工网对此不承担任何保证责任。
友情提醒:以上所展示的是我的化工网免费会员所发布的信息,为了保障您的利
益,建议优先选择"诚信VIP会员"。
样品或现货:现货类别:压铆螺母材质:碳钢形状:圆形螺纹规格:M2到M10外径:6.3-17.35(mm)原材料和表面处理规格紧固件材质经过热处理的低碳钢表面处理标准镀锌安装板的硬度HRB80以下螺纹InternalANSIB1.12B/ANSI/ASMEB1.13M,6H产品表述及编号内容型号S-M3-1螺纹编码S-M3-1柄长编码S-M3-1螺纹尺寸*螺距类型螺纹编码A柄长编码(柄长)最大安装板最小厚度安装板孔径+0.08C最大尺寸E±0.25T±0.25孔中心与安装板边缘最小距离紧固件材质碳钢M2*0.4 S M2 0 0.77 0.8-14.22 4.2 6.3 1.5 4.81 0.97 12 1.38 1.4M2.5*0.45 S M2.5 0 0.77 0.8-14.22 4.2 6.3 1.5 4.81 0.97 12 1.38 1.4M3*0.5 S M3 0 0.77 0.8-14.22 4.2 6.3 1.5 4.81 0.97 12 1.38 1.4M3.5*0.6 S M3.5 0 0.77 0.8-14.75 4.73 7.1 1.55.61 0.97 12 1.38 1.4M4*0.7 S M4 0 0.77 0.8-15.41 5.38 7.9 26.91 0.97 12 1.38 1.4M5*0.8 SS M5 0 0.77 0.8-16.35 6.33 8.7 27.11 0.97 12 1.38 1.4M6*1 S M6 00 0.89 0.928.75 8.72 11.05 4.08 8.60 1.15 1.21 1.38 1.42 2.21 2.3M8*1.25 S M8 1 1.38 1.410.5 10.47 12.65 5.47 9.7 2 2.21 2.3M10*1.5 S M10 1 2.21 2.3114 13.97 17.35 7.48 13.5 2 3.05 3.18产品与板的铆接自扣紧螺母在薄板上提供承载螺纹,用于铝材,冷轧钢材,以及其它韧性材料。
以下是一份英制压铆螺母的规格详细版,包括了常见的规格尺寸和材料:
1. 压铆螺母类型:
-在英制系统中,常见的压铆螺母类型有:Clinch Nut、Rivet Nut、Nutsert等。
2. 尺寸规格:
-英制压铆螺母的尺寸通常用统一规范(Unified Thread Standard)表示,主要包括螺纹直径和螺纹类型。
-压铆螺母的螺纹直径一般以英寸(inch)为单位,常见的尺寸有:#4-40、#6-32、#8-32、#10-24、1/4-20、5/16-18、3/8-16等。
-螺纹类型可以是UNC(Unified National Coarse)、UNF(Unified National Fine)、UNEF (Unified National Extra Fine)等。
3. 材料:
-压铆螺母常用的材料包括钢(Steel)、不锈钢(Stainless Steel)、铝合金(Aluminum Alloy)等。
-材料的选择应根据具体的应用场景和要求进行合理选择。
4. 质量等级:
-压铆螺母的质量等级通常根据相关标准(例如ASTM)进行分类,常见的等级有:A级、B级等。
-质量等级的选择应根据具体的应用要求和需求进行合理选择。
压铆螺母规格一、引言压铆螺母是一种常用的紧固件,广泛应用于机械设备、汽车、电子产品等领域。
它能够通过压铆的方式牢固地连接两个或多个零部件,具有安装方便、抗震动、抗振动等优点。
本文将从尺寸规格、材料选择和应用范围三个方面介绍压铆螺母的相关知识。
二、尺寸规格压铆螺母的尺寸规格多种多样,常见的有M3、M4、M5、M6等,其中M表示公制螺纹,后面的数字表示螺纹直径。
例如,M3表示螺纹直径为3mm的压铆螺母。
此外,压铆螺母的高度也有不同规格,常见的有3mm、4mm、5mm等。
不同规格的压铆螺母适用于不同的应用场景,用户可以根据具体需求选择合适的规格。
三、材料选择压铆螺母的材料选择对其使用寿命和性能起着重要影响。
常见的材料有不锈钢、碳钢和铝合金等。
不锈钢具有优良的耐腐蚀性能,适用于潮湿、酸碱环境;碳钢具有较高的强度和硬度,适用于要求较高的载荷场合;铝合金具有重量轻、导电性好等特点,适用于对重量要求较低的场合。
用户在选择材料时应根据具体使用环境和要求进行合理选择。
四、应用范围压铆螺母广泛应用于各个行业和领域。
在机械设备领域,压铆螺母常用于连接薄壁材料、薄板和复合材料等,如机箱、仪器仪表等;在汽车领域,压铆螺母常用于汽车车身和底盘的连接,如车门、座椅等;在电子产品领域,压铆螺母常用于连接电路板和金属外壳等,如手机、电脑等。
此外,压铆螺母还广泛应用于建筑、航空航天、电力等行业。
五、使用注意事项在使用压铆螺母时,需要注意以下几点:1. 确保压铆螺母与要连接的材料相匹配,避免尺寸不符导致连接不牢固。
2. 在压铆螺母之前,需要预先钻孔或切割合适的孔洞,以便螺母安装。
3. 使用适当的工具进行压铆,避免过度压力导致螺母变形或损坏。
4. 定期检查压铆螺母的连接状态,如发现松动或损坏应及时更换或修复。
六、总结压铆螺母作为一种常用的紧固件,在各个行业和领域都有广泛的应用。
通过选择合适的尺寸规格和材料,合理使用并注意维护,可以确保连接的牢固性和使用寿命。
压铆螺母
应用于需要封闭罗纹底端的地方。
封闭的底端可以限制罗纹穿透并且隔绝外部零件。
螺纹
规格:#4到1/4"和M3 到M6。
BS-832-2 ZI
英制
公制
压铆螺母
采用标准工具能快速,便捷的安装:具有良好的抗拉和抗扭性能:用于0.8mm以上的板材,
螺纹规格:#2到1/2",M2到M10。
S-440-2 ZI
英制
公制
螺母柱
装入圆形孔内,采用冲压铆接,能使其稳固在铆接的薄板上。
具用通孔或盲孔罗纹,用于间隔或叠式机壳,电路板或零件,并提供五罗纹式。
螺纹规格:#4到#10和M3到M5。
SOO-M3-12 ZI
英制
公制
安装于P.C.板上时能使花齿与棉板紧密连接。
提供有螺纹和无螺纹式,用于装配间接或叠式P.C.板。
螺纹规格:#4到#6和M3。
KFE-632-8 ZI
英制
公制。
应用于需要封闭罗纹底端的地方。
封闭的底端可以限制罗纹穿透并且隔绝外部零件。
螺纹规格:#4到1/4"和M3 到M6。
BS-832-2 ZI 英制牙型型号牙纹代码板厚代码A最大面板厚度最小板孔B最大C最大E±0.10H牙纹L最大T±0.10碳钢不锈钢.112-40(#4-40)B BS 4401.038.040.166.149.165 .250.21 .335 .382.054.056.138-32(#6-32)B BS 6321.038.040.1875.169.187 .275.23 .335 .382.054.056.164-32(#8-32)B BS 8321.038.040.213.204.212 .315.28 .385 .442.054.056.190-32(#10-32)B BS 0321.038.040.250.235.249 .335.27 .385 .442.054.056.250-20(#1/4-20)B BS 04321.054.056.344.305.343 .433.31 .500 .562.087.090牙型型号牙纹代码板厚代码A最大面板厚度最小板孔B最大C最大E±0.10H牙纹L最大T±0.10碳钢不锈钢M3×0.5 B BS M310.97 14.25 3.8 4.22 6.355.3 8.5 9.6 2 1.37 1.4M4×0.7 B BS M4 10.97 15.4 5.2 5.38 8 7.1 9.8 11.2 2 1.37 1.4M5×0.8 B BS M5 10.97 16.4 6 6.38 9 6.8 9.8 11.2 2 1.37 1.4M6×1 B BS M6 1 1.37 1.48.75 7.8 8.72 11 7.8 12.7 14.3 2 2.21 2.3压铆螺母采用标准工具能快速,便捷的安装:具有良好的抗拉和抗扭性能:用于0.8mm以上的板材,螺纹规格:#2到1/2",M2到M10。
样品或现货:现货类别:压铆螺母材质:碳钢形状:圆形螺纹规格:M2到M10外径:6.3-17.35(mm)原材料和表面处理规格紧固件材质经过热处理的低碳钢表面处理标准镀锌安装板的硬度HRB80以下螺纹InternalANSIB1.12B/ANSI/ASMEB1.13M,6H产品表述及编号内容型号S-M3-1螺纹编码S-M3-1柄长编码S-M3-1螺纹尺寸*螺距类型螺纹编码A柄长编码(柄长)最大安装板最小厚度安装板孔径+0.08C最大尺寸E±0.25T±0.25孔中心与安装板边缘最小距离紧固件材质碳钢M2*0.4 S M2 0 0.77 0.8-14.22 4.2 6.3 1.5 4.81 0.97 12 1.38 1.4M2.5*0.45 S M2.5 0 0.77 0.8-14.22 4.2 6.3 1.5 4.81 0.97 12 1.38 1.4M3*0.5 S M3 0 0.77 0.8-14.22 4.2 6.3 1.5 4.81 0.97 12 1.38 1.4M3.5*0.6 S M3.5 0 0.77 0.8-14.75 4.73 7.1 1.55.61 0.97 12 1.38 1.42 1.38 1.4M5*0.8 SS M5 0 0.77 0.8-16.35 6.33 8.7 27.11 0.97 12 1.38 1.4M6*1 S M6 00 0.89 0.928.75 8.72 11.05 4.08 8.60 1.15 1.21 1.38 1.42 2.21 2.3M8*1.25 S M8 1 1.38 1.410.5 10.47 12.65 5.47 9.7 2 2.21 2.3M10*1.5 S M10 1 2.21 2.3114 13.97 17.35 7.48 13.5 2 3.05 3.18产品与板的铆接自扣紧螺母在薄板上提供承载螺纹,用于铝材,冷轧钢材,以及其它韧性材料。
公制和英制螺母的对照表公制和英制螺母的对照表如下:1. 公制螺母(Metric Screws):- M3x6:直径为3毫米,长度为6毫米的螺丝。
- M4x8:直径为4毫米,长度为8毫米的螺丝。
- M5x10:直径为5毫米,长度为10毫米的螺丝。
- M6x12:直径为6毫米,长度为12毫米的螺丝。
- M8x16:直径为8毫米,长度为16毫米的螺丝。
- M10x20:直径为10毫米,长度为20毫米的螺丝。
- M12x25:直径为12毫米,长度为25毫米的螺丝。
- M14x30:直径为14毫米,长度为30毫米的螺丝。
- M16x35:直径为16毫米,长度为35毫米的螺丝。
- M18x40:直径为18毫米,长度为40毫米的螺丝。
- M20x45:直径为20毫米,长度为45毫米的螺丝。
- M22x50:直径为22毫米,长度为50毫米的螺丝。
- M24x55:直径为24毫米,长度为55毫米的螺丝。
- M27x60:直径为27毫米,长度为60毫米的螺丝。
- M30x65:直径为30毫米,长度为65毫米的螺丝。
- M33x70:直径为33毫米,长度为70毫米的螺丝。
- M36x75:直径为36毫米,长度为75毫米的螺丝。
- M39x80:直径为39毫米,长度为80毫米的螺丝。
- M42x85:直径为42毫米,长度为85毫米的螺丝。
- M45x90:直径为45毫米,长度为90毫米的螺丝。
- M48x95:直径为48毫米,长度为95毫米的螺丝。
- M52x100:直径为52毫米,长度为100毫米的螺丝。
2. 英制螺母(Imperial Screws):- ¼-20 x 2:螺纹规格为¼英寸,螺距为每英寸2个螺纹,长度为2英寸的螺母。
- ⅜-16 x 2:螺纹规格为⅜英寸,螺距为每英寸16个螺纹,长度为2英寸的螺母。
- ½-13 x 2:螺纹规格为½英寸,螺距为每英寸13个螺纹,长度为2英寸的螺母。
样品或现货:现货类别:压铆螺母材质:碳钢形状:圆形螺纹规格:M2到M10外径:(mm)原材料和表面处理规格紧固件材质经过热处理的低碳钢表面处理标准镀锌安装板的硬度HRB80以下螺纹InternalANSI ANSI/,6H产品表述及编号内容型号S-M3-1螺纹编码S-M3-1柄长编码S-M3-1螺纹尺寸*螺距类型螺纹编码A柄长编码(柄长)最大安装板最小厚度安装板孔径+C最大尺寸E±T±孔中心与安装板边缘最小距离紧固件材质碳钢M2*S M2011 2*S 011 2M3*S M3011 2*S 011 2M4*S M402 112M5*SS M502 112M6*1S M600 01 2M8*S M81 2M10*S M10114 2产品与板的铆接自扣紧螺母在薄板上提供承载螺纹,用于铝材,冷轧钢材,以及其它韧性材料。
自扣紧螺母克服了安装板过薄无法攻牙的问题,完全满足了生产和紧固的要求。
自扣紧螺母的安装简单,快捷而且方便。
将产品放入预先冲好或钻好的安装孔内,按标准安装力对产品施加压力使产品安装到位。
在施加压力的过程中,产品头部排出的板料平稳、均匀的流入筋键周边和容槽内,安装完毕后,安装板表面平整,安装效果可靠,而且产品具有承受高扭出力和高推出力的性能。
自扣紧原理多年来已被数以万计的应用所证明。
在安装施压过程中,需要注意的是:1.在安装板上冲出或钻出相应尺寸的安装孔,不允许进行诸如去毛刺之类的二次加工。
2.如右图所示,将紧固件放入下模孔内,并将安装孔与紧固件的杆部对准。
3.保持上下模平行施加挤压力,使产品的头部完全进入板材中。
产品的性能数椐产品类型螺纹编码柄长编码安装板材质安装力(KN)推出力(N)扭出力SM2M305052-H34铝材冷轧钢铝材冷轧钢铝材其它需要考虑的因素无论是手动安装还是自动安装自扣紧螺母系列产品,为了达到最佳安装效果,我们建议您使用安装机。
如有需求,清联系我们。
样品或现货:现货类别:压铆螺母材质:碳钢形状:圆形螺纹规格:M2到M10外径:6.3-17.35(mm)原材料和表面处理规格紧固件材质经过热处理的低碳钢表面处理标准镀锌安装板的硬度HRB80以下螺纹InternalANSIB1.12B/ANSI/ASMEB1.13M,6H产品表述及编号内容型号S-M3-1螺纹编码S-M3-1柄长编码S-M3-1螺纹尺寸*螺距类型螺纹编码A柄长编码(柄长)最大安装板最小厚度安装板孔径+0.08C最大尺寸E±0.25T±0.25孔中心与安装板边缘最小距离紧固件材质碳钢M2*0.4 S M2 0 0.77 0.8-14.22 4.2 6.3 1.5 4.81 0.97 12 1.38 1.4M2.5*0.45 S M2.5 0 0.77 0.8-14.22 4.2 6.3 1.5 4.81 0.97 12 1.38 1.4M3*0.5 S M3 0 0.77 0.8-14.22 4.2 6.3 1.5 4.81 0.97 12 1.38 1.4M3.5*0.6 S M3.5 0 0.77 0.8-14.75 4.73 7.1 1.55.61 0.97 12 1.38 1.4M4*0.7 S M4 0 0.77 0.8-15.41 5.38 7.9 26.91 0.97 12 1.38 1.4M5*0.8 SS M5 0 0.77 0.8-16.35 6.33 8.7 27.11 0.97 12 1.38 1.4M6*1 S M6 00 0.89 0.928.75 8.72 11.05 4.08 8.60 1.15 1.21 1.38 1.42 2.21 2.3M8*1.25 S M8 1 1.38 1.410.5 10.47 12.65 5.47 9.7 2 2.21 2.3M10*1.5 S M10 1 2.21 2.3114 13.97 17.35 7.48 13.5 2 3.05 3.18产品与板的铆接自扣紧螺母在薄板上提供承载螺纹,用于铝材,冷轧钢材,以及其它韧性材料。
样品或现货:现货类别:压铆螺母材质:碳钢形状:圆形螺纹规格:M2到M10外径:6.3-17.35(mm)原材料和表面处理规格紧固件材质经过热处理的低碳钢表面处理标准镀锌安装板的硬度HRB80以下螺纹InternalANSIB1.12B/ANSI/ASMEB1.13M,6H产品表述及编号内容型号S-M3-1螺纹编码S-M3-1柄长编码S-M3-1螺纹尺寸*螺距类型螺纹编码A柄长编码(柄长)最大安装板最小厚度安装板孔径+0.08C最大尺寸E±0.25T±0.25孔中心与安装板边缘最小距离紧固件材质碳钢M2*0.4 S M2 0 0.77 0.8-14.22 4.2 6.3 1.5 4.81 0.97 12 1.38 1.4M2.5*0.45 S M2.5 0 0.77 0.8-14.22 4.2 6.3 1.5 4.81 0.97 12 1.38 1.4M3*0.5 S M3 0 0.77 0.8-14.22 4.2 6.3 1.5 4.81 0.97 12 1.38 1.4M3.5*0.6 S M3.5 0 0.77 0.8-14.75 4.73 7.1 1.55.61 0.97 12 1.38 1.42 1.38 1.4M5*0.8 SS M5 0 0.77 0.8-16.35 6.33 8.7 27.11 0.97 12 1.38 1.4M6*1 S M6 00 0.89 0.928.75 8.72 11.05 4.08 8.60 1.15 1.21 1.38 1.42 2.21 2.3M8*1.25 S M8 1 1.38 1.410.5 10.47 12.65 5.47 9.7 2 2.21 2.3M10*1.5 S M10 1 2.21 2.3114 13.97 17.35 7.48 13.5 2 3.05 3.18产品与板的铆接自扣紧螺母在薄板上提供承载螺纹,用于铝材,冷轧钢材,以及其它韧性材料。
压铆螺母
应用于需要封闭罗纹底端的地方。
封闭的底端可以限制罗纹穿透并且隔绝外部零件。
螺纹
规格:#4到1/4"和M3 到M6。
BS-832-2 ZI
英制
公制
压铆螺母
采用标准工具能快速,便捷的安装:具有良好的抗拉和抗扭性能:用于0.8mm以上的板材,
螺纹规格:#2到1/2",M2到M10。
S-440-2 ZI
英制
公制
螺母柱
装入圆形孔内,采用冲压铆接,能使其稳固在铆接的薄板上。
具用通孔或盲孔罗纹,用于间隔或叠式机壳,电路板或零件,并提供五罗纹式。
螺纹规格:#4到#10和M3到M5。
SOO-M3-12 ZI
英制
公制
安装于P.C.板上时能使花齿与棉板紧密连接。
提供有螺纹和无螺纹式,用于装配间接或叠式P.C.板。
螺纹规格:#4到#6和M3。
KFE-632-8 ZI
英制
公制。