机械班机械设计课程设计任务书模板
- 格式:doc
- 大小:3.61 MB
- 文档页数:15
机械设计基础课程设计任务书(doc 18页)目录一、任务书 (1)二、小组设计分工具体情况 (6)三、第一章总体设计构想 (7)四、第二章方案设计 (8)五、第三章设计计算说明 (10)1、传动装置运动参数的计算 (10)2、轴与轴承部件的设计 (11)3、零件载荷计算 (11)4、机架及附件的设计 (12)六、第四章设计结论与探讨 (13)七、附录 (14)八、课程设计成绩评定表 (16)《机械设计基础》课程设计任务书一、实践的目的和任务(一)实践目的1.《机械设计基础课程设计》是工业设计专业在完成《机械设计基础课程》课堂理论学习后的一项重要的实践性设计环节,要求学生综合运用机械设计基础课程及其它先修课程的理论和生产实际知识进行机械设计训练。
通过课程设计实践环节,使学生树立正确的设计思想,培养学生综合运用理论与生产实际知识来分析和解决机械设计问题的能力,巩固和发展所学到的相关知识。
2.学习和掌握通用机械零件、机械传动装置或简单机械的一般设计方法,培养学生工程设计能力和分析问题、解决问题的能力。
3.进行机械设计基本技能的训练,如计算、绘图、运用设计资料(包括手册、标准和规范等)以及经验估算、考虑技术决策、机械CAD 技术等机械设计方面的基本技能进行一次训练,以提高这些技能的水平,并为后续专业课程设计和毕业设计奠定基础。
4.结合工业设计专业特点,将结构设计与造型设计知识相结合,通过实践,使学生了解产品设计的基本原则和方法,创造性地提出解决方案,将学生培养成能够在设计中有工程自觉意识的工业设计师。
(二)实践任务1.完成课程设计题目的方案分析与设计;2.完成传动装置的总体设计及主要零部件的设计计算;3.完成装配图、零件图设计;4.完成方案设计效果图。
5.完成课程设计报告。
二、课程设计题目与要求(一)设计题目选择通用机械的传动装置或简单机械。
设计题目仅给出要求机器实现的功能,由学生自定传动方案设计,学生亦可自选设计题目,但自选题目的难度与工作量应和课程设计要求相适应。
机械设计基础课程设计任务书一、洗瓶机运动方案设计1工作原理及工艺动作过程如图1所示,为了清洗圆形瓶子外面,将瓶子沿着导辊推动;同时,在瓶子前进过程中,导辊带动瓶子旋转,转动的刷子就将瓶子刷洗干净。
它的工艺动作主要有两个:一是将瓶子沿着导辊推动;一是带动导辊和转刷转动。
For personal use only in study and research; not for commercial use图1 洗瓶机运动方案(待设计)2、原始数据及设计要求1)瓶子尺寸:大端直径d=80 mm,长2OOmm。
2)推进距离L=600mm。
3)推瓶机构应使推头以接近均匀的速度推瓶,平稳地接触和脱离瓶子,推程平均速度为v=45mm/s;然后推头快速返回原位,准备进入第二个工作循环,返回时的平均速度为工作行程平均速度的2倍。
4)洗瓶机构由一对同向转动的导辊和三只转动的刷子(转刷)所组成,转刷的转动轴线与导辊的转动轴线互相垂直。
5)推瓶机构与洗瓶机构共用同一台电动机。
6)机构传动性能良好,结构紧凑,制造方便。
3、设计方案提示1)推瓶机构一般要求推头工作时作近似直线轨迹,回程时轨迹形状不限,但不能反向拨动瓶子。
由于上述运动要求,可采用具有直线轨迹的连杆机构或组合机构来实现。
2)洗瓶机构中导辊和转刷的转动轴线垂直可通过圆锥齿轮传动实现。
4、设计任务及要求1)进行推瓶机构和洗瓶机构的选型,实现洗瓶动作要求,提出5种机械运动方案。
2)对5种机械运动方案进行评定和选择。
3)画出选定方案的机械运动方案示意图(效果图)。
4)对方案中的1个执行机构进行运动尺度综合,绘制机构运动简图。
5)对执行机构中某一轴及轴上一个主要零件进行结构设计,绘出该轴及相应零件的零件图。
6)完成图纸4张:机械运动方案效果图1张(2号图纸,用计算机绘图),机构尺度综合图1张(3号图纸,用手工绘图),轴和轴上主要零件的零件图各1张(3号图纸,1张用计算机绘图,1张用手工绘图)。
机械设计课程设计任务书(3周)《机械设计》课程设计任务书课程设计主题:带式输送机传动装置设计一、设计内容带式输送机的传动方案如右图所示。
每位学生应完成以下工作:1.根据给定的已知条件进行v带传动和二级斜齿圆柱齿轮传动的设计计算,设计计算说明书一份(内容包括:选择电动机,传动比分配,带传动设计计算,齿轮传动设计计算,轴的设计及强度校核等)。
2.绘制一张齿轮减速器装配图(图纸A0)(包括主视图、俯视图和左视图),按比例绘制视图,按国家标准绘制标题栏和明细表,标注尺寸、配合等技术要求,并注明技术特性。
3.轴和齿轮零件各一份工作图(图A3)。
二、已知条件:(按学号顺序从附表中选一题,并将技术数据填在下面的空白中)1.传送带f的工作张力?2.传送带工作速度v?3.滚筒直径D?千牛m/s(允许输送带速度误差为?5%);mm;4.滚筒效率?J0.96(包括滚筒和轴承的效率损失);5.工作条件:(为每个学生选择a、B和C中的一个)abc工作年限81015工作班制221工作环境干净且多尘载荷性质平稳稍有波动轻微冲击生产批量小批量单件6.动力来源三相交流电、电压380/220v。
讲师(签名)1主要设计计算结果课程设计题目:胶带运输机的传动装置设计已知条件(设计参数编号:1)输送带工作张力,f(KN)2输送带工作速度,V(M/s)3滚筒直径,D(mm)4工作条件:设计结果清单:电机型号:功率:kW,额定转速:RPM总速比i=(速比分配i1=i2=)序号参数名称代号计算结果单位zf0d1/d2ba1z1/z2m1b1序号参数名称代号m2b2d3d4d计算结果单位1皮带型号2根数3张紧力4大小带轮直径5带轮总宽度6齿轮传动中心距(ⅰ)7大小齿轮齿数(ⅰ)8齿轮模数(ⅰ)9大齿轮齿宽(ⅰ)14齿轮模数(ⅱ)15大齿轮齿宽(ⅱ)16小齿轮分度圆直径(ⅱ)17大齿轮分度圆直径(ⅱ)18主动轴最小直径19主动轴轴承型号及尺寸d/d/b20中间轴最小直径21中间轴轴承型号及尺寸d/d/b从动轴最小直径2223从动轴轴承型号及尺寸d/d/b24联轴器型号25联轴器孔d/ldd10小齿轮分度圆直径(ⅰ)d111大齿轮分度圆直径(ⅰ)d212齿轮传动中心距(ⅱ)13大小齿轮齿数(ⅱ)箱体设计参数:1234567δδ1δ2l1c1c2dfa2z3/z48910d1d2h说明:设计完成后填写此表,装订在设计任务书后。
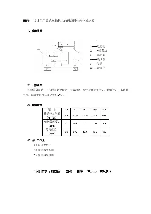
题目1 设计用于带式运输机上的两级圆柱齿轮减速器1)系统简图32)工作条件连续单向运转,工作时有轻微振动,空载起动,使用期限为8件,小批量生产,单班制工作,运输带速度允许误差为±5%。
3)原始数据4)设计工作量 (1)设计说明书 (2)减速器装配图 (3)减速器零件图(同组姓名:刘京硕 刘勇 胡洋 李运泉 刘祝廷)设计题目2螺旋输送机传动系统中的一级圆柱齿轮减速器及锥齿轮传动。
1)系统简图2)工作条件螺旋输送机单向运转,有轻微振动,两班制工作,使用期限5年,输送机螺旋轴转速的容许误差为±5%,减速器小批量生产。
3)原始数据4)设计工作量(1)设计说明书(2)减速器装配图(3)减速器零件图(同组姓名:朱丰曹莹雪朱城宇王天昊)设计题目3传送设备的一级锥齿轮减速器(包括链传动、带传动)1)系统简图2)工作条件单向运转,载荷平稳,起动载荷为名义载荷的1.25倍,每天工作16小时,使用期限10年,输送链速度容许误差为±5%,输送链效率η=0.9。
3)原始数据4)设计工作量(1)设计说明书(2)减速器装配图(3)减速器零件图(同组姓名:丁权曹林陈永生)设计题目4带式运输机传动系统中的展开式二级圆柱齿轮减速器1)系统简图2)工作条件单向运转,有轻微振动,经常满载,空载起动,单班制工作,使用期限5年,输送带速度容许误差为±5%。
3)原始数据4)设计工作量(1)设计说明书(2)减速器装配图(3)减速器零件图(同组姓名:薛飞麦荣诗胡斯强张以海)设计题目5带式运输机传动系统中的二级圆柱齿轮减速器1)系统简图2)工作条件要求减速器沿输送带运动方向具有最小尺寸,单向运转,有轻微振动,两班制工作,使用期限10年。
3)原始数据4)设计工作量(1)设计说明书(2)减速器装配图(3)减速器零件图(同组姓名:苏成易章元吴顺南冉艳)设计题目6带式运输机圆锥—圆柱齿轮减速器1)系统简图2)工作条件连续单向运转,载荷较平稳,两班制。
2.2.2 选择电动机容量(1) 由电动机至工作机的总效率 η<由[2 ] P7 式(2-5)> n ηηηηηη⋅⋅⋅⋅⋅⋅=4321 <由[2 ] P7表2-4>带传动V 带的效率——1η=0.94~0.97 取1η= 一对滚动轴承的效率——2η=0.98~0.995 取2η= 一对齿轮传动的效率——3η=0.96~0.98 取3η= 联轴器的效率——4η=0.99~0.995 取4η= 套筒的效率——5η=0.95~0.99 取5η=∵ =⋅⋅⋅=423321ηηηηη(3) 电动机所需的输出功率d P==D vn w π1000*606^10*55.9Tnwp w ===ηw d PP其中为鼓轮转速,为卷筒轴的输出功率。
(4) 确定电动机的额定功率P ed<由[2]P196表20-1> 又∵P ed > P d取2.2.3 电动机额定转速的选择< 由[2] P8 式(2-6)> w l h v d n i i i n ⋅⋅⋅= 式中: d n ---电动机转速;i v ---V 带的传动比;h i ---高速齿轮的传动比; l i ---低速齿轮的传动比;注:这里及下文的[1]指教材,[2]指课程设计蓝皮书=η17.3=d P kw4=ed P kw(3)Π轴==I '''h i n n Ⅱ r/min (4)Ⅲ轴==II '''l i n n Ⅲ r/min 2.4.2 验算传动系统误差2.4.3 各轴的输入功率(1)电动机=d P kw(2)Ⅰ轴==1ηd P P Ⅰ kw(3)Π轴==I 32ηηP P Ⅱ kw(4)Ⅲ轴==II 32ηηP P Ⅲ kw2.4.4 各轴的理论转矩(1)电动机==dd d n PT 9550 N·m(2)Ⅰ轴==I 1ηv d i T T N·m (3)Π轴==I II 231ηηi T T N·m (4)Ⅲ轴==II III 322ηηi T T N ·m<由[1]P156表8-7> 查得工作系数=A K=⋅=d A ca P K P kw(2)选取普通V 带带型根据P ca ,n d 确定选用普通V 带A 型。
〈〈机械设计基础课程设计>〉说明书机械制造及自动化专业Jixie zhizao ji zidonghua zhuanye机械设计基础课程设计任务书 2Jixie sheji jichu kecheng sheji renwu shu 2姓名: x x x学号:班级: 09级机电1班指导教师: x x x完成日期: 2010/12/12机械制造及自动化专业机械设计基础课程设计任务书2学生姓名:班级:学号:一、设计题目:设计一用于带式运输机上的单级圆锥齿轮减速器给定数据及要求已知条件:运输带工作拉力F=4kN;运输带工作速度v=1。
2m/s(允许运输带速度误差为±5%);滚筒直径D=400mm;两班制,连续单向运转,载荷较平稳。
环境最高温度350C;小批量生产。
二、应完成的工作1.减速器装配图1张;2.零件工作图1张(从动轴);3.设计说明书1份。
系主任:科室负责人:指导教师:前言这次设计是由封闭在刚性壳内所有内容的齿轮传动是一独立完整的机构。
通过这一次设计可以初步掌握一般简单机械的一套完整设计及方法,构成减速器的通用零部件.这次设计主要介绍了减速器的类型作用及构成等,全方位的运用所学过的知识。
如:机械制图,金属材料工艺学公差等已学过的理论知识.在实际生产中得以分析和解决。
减速器的一般类型有:圆柱齿轮减速器、圆锥齿轮减速器、齿轮-蜗杆减速器,轴装式减速器、组装式减速器、联体式减速器。
在这次设计中进一步培养了工程设计的独立能力,树立正确的设计思想,掌握常用的机械零件,机械传动装置和简单机械设计的方法和步骤,要求综合的考虑使用经济工艺性等方面的要求。
确定合理的设计方案。
目录♣一、电动机的设计 (6)1. 选择电动机 (6)2。
选择电动机容量 (6)3.计算总传动比并分配各级传动比 (7)4。
计算传动装置的运动和动力参数 (7)5。
电动机草图 (8)♣二、带传动的设计 (9)1. 确定计算功率 (9)2.确定V带型号 (9)3。
姓名专业班级学号一、设计题目:带式运输机传动系统中的一级圆柱齿轮减速器二、系统简图:F三、工作条件:输送机连续工作,单向运转,载荷变化不大,空载起动,使用期限10年,两班制工作,输送带速度容许误差为±5%。
五、设计工作量:1.设计说明书1份2.减速器装配图1张3.减速器零件图2~3张(输出轴、输出轴上齿轮)指导教师:开始日期:年月日完成日期:年月日机械设计课程设计任务书(二)姓名专业班级学号一、设计题目:带式运输机传动系统中的一级圆柱齿轮减速器二、系统简图:减速器三、工作条件:传动不逆转,载荷平稳,起动载荷为名义载荷的倍,输送带速度容许误差为±5%。
四、原始数据五、设计工作量:1.设计说明书1份2.减速器装配图1张3.减速器零件图2~3张(输出轴、输出轴上齿轮)指导教师:开始日期:年月日完成日期:年月日机械设计课程设计任务书(三)姓名专业班级学号一、设计题目:螺旋输送机传动系统中的一级圆柱齿轮减速器二、系统简图:三、工作条件:螺旋输送机单向运转,有轻微振动,两班制工作,使用期限5年,输送机螺旋轴转速的容许误差为±5%,减速器小批量生产。
四、原始数据五、设计工作量:1.设计说明书1份2.减速器装配图1张3.减速器零件图2~3张(输出轴、输出轴上齿轮)指导教师:开始日期:年月日完成日期:年月日机械设计课程设计任务书(四)姓名专业班级学号一、设计题目:传送设备的一级锥齿轮减速器二、系统简图:三、工作条件:单向运转,载荷平稳,起动载荷为名义载荷的倍,每天工作16小时,使用期限10年,输送链速度容许误差为±5%,输送链效率η。
四、原始数据五、设计工作量:1.设计说明书1份2.减速器装配图1张3.减速器零件图2~3张(输出轴、输出轴上齿轮)指导教师:开始日期:年月日完成日期:年月日机械设计课程设计任务书(五)姓名专业班级学号一、设计题目:带式运输机传动系统中的展开式二级圆柱齿轮减速器二、系统简图:联轴器减速器联轴器滚筒输送带三、工作条件:单向运转,有轻微振动,经常满载,空载起动,单班制工作,使用期限5年,输送带速度容许误差为±5%。
《机械设计》课程设计任务书(一)一、设计题目带式输送机传动装置。
二、工作条件及设计要求带式输送机工作装置如下图所示,主要完成由输送带运送机器零、部件的工作。
该机室内工作,单向运转,工作有轻微振动,两班制。
要求使用期限十年,大修期三年。
输送带速度允许误差 5 %。
在中小型机械厂小批量生产。
三、原始数据输送带工作拉力F = 6500 N,输送带速度v = 0.9 m/,卷筒直径D = 400 mm。
四、设计内容及步骤课程设计的内容及步骤如下:1.设计准备阅读有关设计资料,研究分析设计任务书,明确设计要求等。
通过参观模型、实物,拆装实验,收看录像片等来分析比较各种减速器的结构形式、特点,从而确定所设计题目的初步方案。
2.机械传动装置总体设计主要包括传动方案的分析和拟定;原动机的选择;传动装置运动和动力参数的计算确定。
3.各级传动零件的主体设计主要包括传动零件主要参数和尺寸的确定。
4.装配草图的设计绘制包括分析和选定主要机械部件的结构方案;初绘装配草图,进行轴的结构设计,校验轴和键的强度,计算轴承寿命。
进行传动零件的结构设计,轴承部件设计,箱体和箱上附属零件等的结构设计。
5.装配工作图的绘制和总成主要包括装配工作图的绘制;标注尺寸和配合;技术要求及技术特性的确定。
编写明细表和标题栏。
6.零件工作图的设计和绘制主要包括零件结构尺寸的设计、零件图的绘制;精度等级及技术要求的确定。
7.编写设计计算说明书8.总结和答辩五、设计进度表课程设计进度表六、设计工作量1.传动方案运动简图1~2张(A4附在说明书里)。
2.减速器装配草图1张(A1)。
3.完成减速器二维装配图一张(计算机绘图,A1)。
4.完成二维主要零件图两张(计算机绘图,A3)。
5.设计说明书1份(A420页~25页)。
指导教师:教研室主任:《机械设计》课程设计任务书(二)一、设计题目带式输送机传动装置。
二、工作条件及设计要求带式输送机工作装置如下图所示,主要完成由输送带运送机器零、部件的工作。
《机械设计》课程设计任务书( 12机械1班)一、课程设计的目的1、综合运用机械设计基础课程及其它先修课程的理论和生产实际知识进行机械设计训练, 使理论和生产实际知识密切地结合起来, 从而使这些知识得到进一步巩固、加深和扩展。
2、学习和掌握通用机械零件、机械传动装置或简单机械的一般设计方法,培养学生工程设计能力和分析问题、解决问题的能力。
3、对学生在计算、制图、运用设计资料( 包括手册、标准和规范等) 以及经验估算等机械设计方面的基本技能进行一次训练, 以提高这些技能的水平。
二、课程设计的要求1、明确学习目的, 端正学习态度;2、在教师的指导下, 由学生独立完成;3、正确处理理论计算与结构设计的关系;4、正确处理继承与创新的关系;5、正确使用标准和规范。
三、课程设计时间、分组及指导管理时间: 16-18教学周( .12.15- .1.4)本次课程设计时间为三周, 一般分八个阶段进行, 每个阶段的主要工作内容的时间分配, 如下表, 仅供参考。
各班分组: 每班按10人分成一个小组, 每组的第一名同学为组长, 请各组长及时报送名单。
课程设计班级: 12机械1班四、设计题目V带传动及两级圆柱齿轮减速器第一组题目:每位学生的题目必须与指定的传动类型、题号和对应的原始数据相同,不允许擅自更换传动类型、题目和原始数据。
12机械①第一组题号班级学号姓名1 12机械①江涛2 12机械①王浩3 12机械①马良丰4 12机械①许瀚5 12机械①刘大伟6 12机械①朱江波7 12机械①程磊8 12机械①江平9 12机械①张东10 12机械①张先发第一组题目要求: 设计用于带式运输机的减速器, 工作有轻微振动, 两班制工作, 运输带允许速度误差为5%, 减速器小批量生产, 使用寿命8年, 动力来源: 三相交流电( 220V/380V) 。
第二组题目:每位学生的题目必须与指定的传动类型、题号和对应的原始数据相同,不允许擅自更换传动类型、题目和原始数据。
机械设计课程设计任务书一课程设计的题目设计一带式运输机用单级直齿圆柱齿轮减速器。
设计内容:根据给定的工况参数,选择适当的电动机、选取联轴器、设计V带传动、设计单级直齿圆柱齿轮传动(所有的轴、齿轮、轴承、减速箱体、箱盖以及其他附件)和与输送带连接的联轴器。
二传动简图三原始数据运输带拉力F= (N)运输带速度V= (m/s)滚筒直径D= (mm)卷筒及运输带(图上最右端)总效率 =0.94。
工作时,载荷有轻微冲击,单向旋转。
室内工作,水分和颗粒为正常状态,产品成批量生产,要求齿轮使用寿命为10年(每年工作300天),两班工作制,轴承使用寿命不小于15000小时,试设计该齿轮减速器(单级)。
四设计成果要求每个学生都应完成以下工作:(1)用手工绘制减速器装配图1张(A1图纸),不仅要按工程制图规范画出足够的视图,而且要完成装配图的其他要求,如标注尺寸、技术要求、零件编号及其明细栏等。
要求尺寸完整、装配关系表达清楚。
(2)用手工绘制零件图2张(大齿轮和高速轴,A2~A3图纸)(3)设计计算说明书1份字数要求:大约6000-8000字,至少20页;内容要求:设计内容包括电动机和联轴器选用,轴承选用与校核,V带、齿轮、轴、齿轮箱设计(包括V带、轴、齿轮的校核)。
具体内容参见机械设计课程设计指导书一书[2]。
文字部分一律用黑色签字笔手写,如有画图或受力分析,可采用铅笔。
要求计算正确、书写工整、内容完备。
五设计成果检查及成绩评定1、为便于交流与指导,每周固定时间同学们必须在到指定教室(各班自行申请)向指导老师签到,并接受进度检查和答疑。
2、设计完成后将成果装入档案袋中,在规定的时间交给指导教师。
3、组织答辩。
答辩小组由同年级机械设计课程设计指导教师组成,按照具体情况安排每个学生或随机抽取一定数量的学生进行答辩,要求回答有关设计计算说明书和设计图形中的基本问题。
4、成绩评定:由指导教师根据学生独立完成工作情况、平时考勤、设计计算说明书及图纸质量、答辩情况等综合考虑后给出成绩并提交答辩小组通过。
《机械设计》课程设计任务书<一)一、设计题目带式输送机用减速器二、工作条件及设计要求带式输送机工作装置如1图所示,主要完成由输送带运送机器零、部件的工作。
该机室内工作,单向运转,工作有轻微振动。
两班制,要求使用期限十年。
输送带速度允许误差± 5 %。
在中小型机械厂小批量生产。
三、传动方案及原始技术参数 1、传动方案电机——联轴器——二级直齿圆柱齿轮减速器——链传动——输送机。
图1 传动方案图 2、原始技术参数设带式输送机滚筒轴上的阻力矩为T(N.m>,滚筒的转速n=60r /min 。
所有轴承均为滚动轴承。
四、设计内容及步骤课程设计的内容及步骤如下: 1.设计准备阅读有关设计资料,研究分析设计任务书,明确设计要求等。
主要包括传动方案的分析,原动机的选择;传动装置运动和动力参数的计二级直齿圆柱齿轮减速器输送带 滚筒链传动算确定。
2.各级传动零件的主体设计主要包括传动零件主要参数和尺寸的确定。
3.装配草图的设计绘制包括分析和选定主要机械部件的结构方案;初绘装配草图,进行轴的结构设计,校验轴和键的强度,计算轴承寿命。
进行传动零件的结构设计,轴承部件设计,箱体和箱上附属零件等的结构设计。
4.装配工作图的绘制和总成包括装配工作图的绘制;标注尺寸和配合;技术要求及技术特性的确定。
编写明细表和标题栏。
5.零件工作图的设计和绘制主要包括零件结构尺寸的设计、零件图的绘制;精度等级及技术要求的确定。
6.编写设计计算说明书7.总结和答辩六、设计工作量<每人)1.减速器装配图1张<A0);2.完成主要零件图两张;3.撰写设计说明书1份;《机械设计》课程设计任务书<二)一、设计题目带式输送机用减速器二、工作条件及设计要求带式输送机工作装置如图1所示,主要完成由输送带运送机器零、部件的工作。
该机室内工作,单向运转,工作有轻微振动。
两班制,要求使用期限十年。
输送带速度允许误差± 5 %。
2周《机械设计》课程设计任务书(1)一、设计题目设计带式输送机上用的二级直齿圆柱齿轮减速器。
输送机由交流电机带动,双班制工作,工作时有轻微振动,工作年限为5年。
设输送带的阻力矩为T,滚筒直径为D,运行速度为(设计时允许有±5%的偏差),数据分组如下表:数据有指导老师自己定,做到一人一组数据!T(N·m)9007006706509501000660900 D(mm)300300330350350380360320 (m/s)0.700.630.750.850.800.800.840.75任务分配二、设计要求1.设计传动装置中的各零件;2.完成二级直齿圆柱齿轮减速器设计、绘制装配图(A1);3.绘制大齿轮和输出轴零件图(A3或A2);4.编制设计计算说明书一份(A4)。
三、传动配置示意图1电动机2带传动3减速器4联轴器5输送机滚筒2周《机械设计》课程设计任务书(2)一、设计题目设计带式输送机上用的蜗轮蜗杆减速器。
输送机由交流电机带动,三班制工作,工作年限为10年。
设输送带的拉力为F,传送带滚筒直径为D,运行速度为(设计时允许有±5%的偏差),输送方向分为单向和双向传动(单向运转时,有中等冲击;双向运转,工作平稳),数据分组如下表:数据有指导老师自己定,做到一人一组数据!F(N)16001700180019002000210022002300 D(mm)370360350340330320310300 (m/s)0.700.750.800.850.900.95 1.00 1.05输送方向单双单双单双单双单双单双单双单双任务分配二、设计要求1.设计传动装置中的各零件;2.完成蜗轮蜗杆减速器设计、绘制装配图(A1);3.绘制蜗杆和蜗轮零件图(A2);4.编制设计计算说明书一份(A4)。
三、传动配置示意图1电动机2联轴器3减速器4联轴器5输送机滚筒2周《机械设计》课程设计任务书(3)一、设计题目设计带式输送机上用的圆锥圆柱齿轮减速器。
机械设计课程设计任务书1. 任务背景机械设计是机械工程专业的核心课程之一,旨在培养学生熟练运用机械设计知识和工具,解决实际机械设计问题的能力。
为了提升学生的实践能力和创新思维,本学期的机械设计课程特别设置了课程设计任务。
2. 任务目标本次课程设计任务的目标是帮助学生全面掌握机械设计的基本原理和方法,培养学生的设计思维和创新能力,提高学生的实践操作能力。
具体目标包括: - 理解机械设计的基本原理和流程; - 掌握主要的机械设计方法和工具的使用; - 运用所学知识和方法,独立完成一个具体机械产品的设计; - 能够进行机械产品的工程分析和优化设计; - 能够撰写规范的设计报告和技术文档。
3. 任务要求3.1 设计范围本次设计任务的范围是设计一台工业机械设备,例如一台输送带、一台包装机等。
具体设备可以根据学生的兴趣和实际情况进行选择,但必须有一定的难度和挑战性。
3.2 设计内容设计内容应包括以下几个方面:1.机械设备结构设计:–选择适当的机械传动形式和驱动装置;–设计合理的机械结构,包括框架、支撑结构和连接方式;–考虑设备的稳定性和刚度等机械性能指标。
2.控制系统设计:–设计合理的控制系统,包括传感器、执行器和控制算法等;–实现设备的自动控制和运行保护;–考虑控制系统的可靠性和响应速度等性能指标。
3.安全性设计:–设计合理的安全保护装置,如限位开关和急停按钮等;–考虑设备在工作过程中可能出现的意外情况,并进行相应的安全设计。
4.工程分析和优化:–对设备的结构和控制系统进行工程分析,找出可能存在的问题并进行改进;–进行设备性能优化,以满足特定的工作需求。
3.3 设计要求设计要求如下:1.设计过程中要充分考虑设备的可制造性和可维修性,避免使用过于复杂或难以加工的零部件。
2.设计报告和技术文档需使用Markdown文本格式编写,包括设计思路、设计流程、设备参数等内容。
3.设计报告需包含详细的制图和工程分析结果,以及对设计过程中遇到的问题和解决方案的描述。
机械课程设计任务书一、课程目标知识目标:1. 学生能理解并掌握机械设计的基本原理和概念,包括力学、材料力学、机械制图等基础知识。
2. 学生能够了解并描述常见的机械零件的结构、工作原理及其在工程中的应用。
3. 学生能够掌握机械设计的基本步骤和方法,包括需求分析、方案设计、详细设计和制图等。
技能目标:1. 学生能够运用机械设计软件(如AutoCAD等)进行简单的机械零件设计和制图。
2. 学生能够运用所学的机械原理和设计方法,解决简单的机械设计问题,具备初步的创新能力。
3. 学生能够通过小组合作,进行有效的沟通与协作,完成一个简单的机械设计项目。
情感态度价值观目标:1. 学生能够培养对机械工程的兴趣和热情,认识到机械设计在现代社会中的重要性。
2. 学生能够树立良好的工程意识和质量意识,注重细节,追求卓越。
3. 学生能够在团队合作中学会尊重他人、倾听意见,培养合作精神和解决问题的能力。
分析课程性质、学生特点和教学要求:本课程为机械课程设计任务,旨在让学生将所学的理论知识应用于实际设计中,提高其解决实际问题的能力。
学生为高中生,具有一定的物理和数学基础,但实践经验不足。
因此,教学要求注重实践操作,鼓励学生动手动脑,培养其创新意识和实际操作能力。
课程目标分解为具体的学习成果,以便后续的教学设计和评估。
二、教学内容1. 基本原理与概念:- 力学基础:力的合成与分解,牛顿运动定律。
- 材料力学:应力、应变、弹性模量,材料的力学性能。
- 机械制图:视图表达、尺寸标注、公差配合。
2. 常见机械零件:- 轴承与轴:类型、结构、工作原理。
- 传动系统:齿轮、皮带、链条的设计与计算。
- 连接件:螺纹连接、焊接、铆接。
3. 机械设计步骤与方法:- 需求分析:明确设计任务、确定设计要求。
- 方案设计:提出设计方案、进行方案评估。
- 详细设计:零件设计、装配设计、强度校核。
- 制图:绘制零件图、装配图。
4. 实践操作:- 机械设计软件应用:AutoCAD软件操作,绘制机械图纸。
第一章设计任务书1.任务书:1. 工作条件:单班制工作,连续单向运转,工作时有轻微振动;2. 使用期限:10年;3. 检修间隔期:四年一次大修,两年一次中修,半年一次小修;4.动力来源:电力,三相交流电,电压380/220V;5.制造条件及生产批量:小批量生产;6.曲柄工作速度允许误差:3%。
2.原始数据:(数据编号 3 )曲柄输入功率(kw) 1.5曲柄转速(rpm)24小链轮齿数13第二章传动方案的拟定121.电动机2.联轴器3.减速器4.链轮5.曲柄6.连杆7.滑块二级展开式圆柱齿轮减速器示意图第三章 电机的选择1. 电动机类型的选择:Y 系列三相异步电动机(工作要求:连续工作机器) 2. 电动机功率选择:先确定电机所需输出功率Pd :为了计算电动机的所需的输出功率Pd ,先要确定从电动机到工作机之间的总功率η总。
设η1、η2、η3、η4、分别为弹性联轴器、滚动轴承、闭式齿轮传动(设齿轮精度为7级)、链传动、滑动轴承的效率,由表12-8 【2】查得η1 = 0.99,η2 = 0.99,η3 = 0.98,η4 = 0.96,η5 = 0.97;则传动装置的总效率为 η总=η1η23η32η4η5= 0.99 x 0.993 x 0.982 x 0.96x η总=0.859η1 = 0.99η2 = 0.99η3 = 0.98η4 = 0.96 η5 = 0.9730.97=0.859 已知P 输出=1.5 kw ;kw 746.1859.05.1==≥总输出ηP P d综合考虑电动机和传动装置的尺寸,质量及价格因素,为使传动装置紧凑,决定采用同步转速1500r/min 的电动机。
由表19-8【2】查得符合的额定功率为2.2kw 的电机;选定电动机型号为Y100L1-4,其参数如下:电机型号额定功率kw满载转速r/min 起动转矩 最大转矩Y100L1-42.21420 2.22.2第四章 传动装置总传动比的确定及各级传动比的分配⑴传动装置总传动比17.59241420===q m n n i 总式中n m ----电动机满载转速,1420 r/min; n q ----曲柄转速,24 r/min; ⑵分配传动装置各级传动比 i 总=i 链×i 齿1×i 齿2各级传动比应在推荐范围内:i 链=2~3.5;器(i i )5.1~1.31=I 总=59.17P d =1.746kwn m =1420 r/min4 取i 链=2.1;i 齿1=6;i 齿2=4.7 i 总=i 链×i 齿1×i 齿2=2.1x6x4.7=59.223%%09.02424-22.591420<==||ε各传动比符合要求,定i 链=2.1;i 齿1=6;i 齿2=4.7 。
《机械设计》课程设计任务书
( 12机械1班)
一、课程设计的目的
1、综合运用机械设计基础课程及其它先修课程的理论和生产实际知识进行
机械设计训练, 使理论和生产实际知识密切地结合起来, 从而使这些知识得到进一步巩固、加深和扩展。
2、学习和掌握通用机械零件、机械传动装置或简单机械的一般
设计方法,
培养学生工程设计能力和分析问题、解决问题的能力。
3、对学生在计算、制图、运用设计资料( 包括手册、标准和
规范等) 以及
经验估算等机械设计方面的基本技能进行一次训练, 以提高这些技能的水平。
二、课程设计的要求
1、明确学习目的, 端正学习态度;
2、在教师的指导下, 由学生独立完成;
3、正确处理理论计算与结构设计的关系;
4、正确处理继承与创新的关系;
5、正确使用标准和规范。
三、课程设计时间、分组及指导管理
时间: 16-18教学周( .12.15- .1.4)
本次课程设计时间为三周, 一般分八个阶段进行, 每个阶段的主要工作内容的时间分配, 如下表, 仅供参考。
各班分组: 每班按10人分成一个小组, 每组的第一名同学为组长, 请各组长及时报送名单。
课程设计班级: 12机械1班
四、设计题目
V带传动及两级圆柱齿轮减速器
第一组题目:
每位学生的题目必须与指定的传动类型、题号和对应的原始数据相同,不允许擅自更换传动类型、题目和原始数据。
12机械①第一组
题号班级学号姓名
1 12机械①江涛
2 12机械①王浩
3 12机械①马良丰
4 12机械①许瀚
5 12机械①刘大伟
6 12机械①朱江波
7 12机械①程磊
8 12机械①江平
9 12机械①张东
10 12机械①张先发
第一组题目要求: 设计用于带式运输机的减速器, 工作有轻微振动, 两班制工作, 运输带允许速度误差为5%, 减速器小批量生产, 使用寿命8年, 动力来源: 三相交流电( 220V/380V) 。
第二组题目:
每位学生的题目必须与指定的传动类型、题号和对应的原始数据相同,不允许擅自更换传动类型、题目和原始数据。
12机械①第二组
题号班级学号姓名
11 12机械①燕荣耀
12 12机械①李瑞瑞
13 12机械①赵文龙
14 12机械①施阳
15 12机械①陈旭
16 12机械①陈彦君
17 12机械①王鹏程
18 12机械①陈卫强
19 12机械①蔡庆贺
20 12机械①曹阵阵
第二组题目要求: 设计用于带式运输机的减速器, 工作有轻微振动, 两班制工作, 运输带允许速度误差为5%, 减速器小批量生产, 使用寿命8年, 动力来源: 三相交流电( 220V/380V) 。