BD2轧机安装工艺研究技术报告概论
- 格式:doc
- 大小:1.27 MB
- 文档页数:28
轧机安装1.轧机安装工艺流程图2.安装工艺说明2.1基础验收检查基础验收是土建和安装单位进行中间交接的一道重要工序。
土建单位将基础移交给安装单位时应具备下列资料:(1)附有材料表的基础施工图;(2)基础标高测量图;(3)基础定位测量图;(4)关于基础质量合格记录及签署的交接证书。
安装单位根据图纸和技术规范对基础进行全面检查,并做好记录,待安装时使用。
基础测量中,包括各地脚螺栓位置的仔细测量,轧机地脚螺栓往往较大,必须在安装设备前确保正确。
沉降观测按如下程序进行:2.2永久中心标板和永久准点的设置所有轧线上的设备安装,都需要设置应予以保留的永久中心标板和永久基准点,以供安装过程中和以后检修时测定中心线和标高时使用。
中心标板和基准点的位置应根据设备的工艺布置图、土建基础模板图所给定轧中心线及机组和机列中心线来确定,并配合土建单位在施工基础时埋设就位。
永久中心标板和永久基准点不宜多设,一般一个机列有2~3个基准点就够用了。
埋设位置应选择在设备轮廓周围按对角线方向错开分布,为了安装工作的方便,可依据永久中心标板和永久基准点测设临时基准线和基准点。
2.3垫铁设置机架安装通常采用钢制平垫板,其厚度从0.3mm~60mm不等,每垛垫板组一般不超过5块,最厚的垫板应放在下面,最薄的垫板应放在中间。
为了调节方便,我们使用一对斜垫板,但在地脚螺栓固定后进行点焊时,斜垫板更加注意焊牢固。
2.3.1设置垫板前首先计算出垫铁积:A=CR QQ)21(100式中:A—垫板总承力面积,mm2C—安全系数,可采用1.5~3。
采用座浆法设置垫板或采用无收缩混凝土进行二次灌浆时可取小值。
Q1—设备重量及承载物的重量,kgfQ2—地脚螺栓紧固力,kgfR—基础混凝土的抗压强度,kgf/cm22.3.2垫板组的块数和位置根据底座及地脚螺栓的分布状况,合理布置垫板堆数。
每个地脚螺栓的近旁至少应有一个垫板组,底座刚度较小或动负荷较大的设备,地脚螺栓的两侧近旁均应放置垫板组,无地脚螺栓处的设备主要受力部位亦应放置垫板组。
轧钢工艺流程及设备认知实训、报告撰写下载温馨提示:该文档是我店铺精心编制而成,希望大家下载以后,能够帮助大家解决实际的问题。
文档下载后可定制随意修改,请根据实际需要进行相应的调整和使用,谢谢!并且,本店铺为大家提供各种各样类型的实用资料,如教育随笔、日记赏析、句子摘抄、古诗大全、经典美文、话题作文、工作总结、词语解析、文案摘录、其他资料等等,如想了解不同资料格式和写法,敬请关注!Download tips: This document is carefully compiled by theeditor. I hope that after you download them,they can help yousolve practical problems. The document can be customized andmodified after downloading,please adjust and use it according toactual needs, thank you!In addition, our shop provides you with various types ofpractical materials,such as educational essays, diaryappreciation,sentence excerpts,ancient poems,classic articles,topic composition,work summary,word parsing,copy excerpts,other materials and so on,want to know different data formats andwriting methods,please pay attention!一、轧钢工艺流程认知1. 轧钢概述轧钢是通过轧制方法将金属坯料加工成一定形状和尺寸的钢材。
轧机项目总结报告范文一、引言轧机作为钢铁行业的重要设备,在现代工业生产中发挥着重要的作用。
本次报告旨在总结我所参与的轧机项目的实施情况、存在的问题与解决方案,并对项目的成果与经验进行反思与总结,以期对未来的项目实施与管理提供参考与借鉴。
二、项目背景轧机项目属于我公司的技术研发项目,旨在研制一种能够满足市场需求、提高生产效率的新型轧机。
项目立项于20XX年,历时一年半,涉及的工作内容包括需求分析、方案设计、设备制造、系统联调等多个环节。
三、项目实施情况1. 需求分析阶段:我们与客户进行了多次深入的沟通与交流,了解了市场需求、用户要求与技术难点,明确了项目的目标与范围。
2. 方案设计阶段:我们组织了一支专业的团队,通过分析市场现状与技术发展趋势,制定了一套科学、合理的方案,并获得了客户的认可。
3. 设备制造阶段:我们与制造厂商保持密切配合,监督设备生产的各个环节,确保设备的质量与工期。
4. 系统联调阶段:我们进行了多次测试与调试,在确保设备性能稳定的同时,满足了用户对产品的要求。
四、存在的问题与解决方案在项目的实施过程中,我们也遇到了一些问题,主要包括:1. 方案变更:由于市场需求的变化,我们在项目的中途不得不对方案进行一定的调整。
我们通过与客户密切合作,及时调整方案,并及时与制造厂商沟通,确保项目的正常进行。
2. 人员变动:由于项目较长,且技术要求较高,我们在项目中遇到了人员的离职与调岗,给项目进展带来了一定的困扰。
为此,我们加强了人员培训和项目交接,在保证项目质量的情况下,顺利完成了项目。
五、项目成果与经验总结1. 项目成果:通过本项目的推进,我们成功研制出了一种全新的轧机产品,有效地满足了市场需求,提高了生产效率,并取得了良好的经济效益。
2. 经验总结:本次项目的成功离不开以下几点经验借鉴:(1)需求重要性:深入了解市场需求和用户要求,是项目成功的基础。
(2)团队协作:优秀的团队协作能够保证项目顺利进行和解决问题。
目录第一章工程概况 (2)1.1 工程名称 (2)1.2 工程内容 (2)1.3 业主、设计、监理单位 (5)1.4 本工程采用规范标准 (6)4.3.3主轧线其它设备安装方案 (15)第五章质量保证体系及保证措施 (21)第一章工程概况1.1工程名称某公司大型型钢线工程轧线设备安装工程1.2工程内容1.2.1 轧线主要设备(包括从轧区除鳞辊道开始至F2轧机延伸辊道结束之间的设备)1.2.1工程内容上述轧线机械设备的安装及调试工程、液压润滑油管道制作及安装工程、无负荷联动试车、配合联动热负荷联动试车等。
(以合同规定的施工范围及业主提供的图纸等相关资料为准)轧线设备安装在主轧厂房,它由除磷机辊道开始,经过BD1、BD2、F1、F2四列轧机组及相应地辊道、推床、翻钢等设备,到分段热锯机,全长351.999米。
1.3业主、设计、监理单位1.3.1建设单位:某中厚板材有限公司;1.3.2工程名称:某中厚板材有限公司大型型钢线工程轧线设备安装工程1.3.3设计单位:中国第一重型机械集团公司1.3.4监理单位:某监理公司1.4本工程采用规范标准《质量管理体系标准》GB/T19001-2008《建设工程项目管理规范》GB/T50326-2006《建设工程文件归档整理规范》GB/T50328-2001《工程测量规范》GB50026-93《机械设备安装工程施工及验收通用规范》GB50231-98《冶金机械设备安装工程施工及验收规范-通用规定》GB50386-2006《冶金机械设备安装工程施工及验收规范——液压、气动和润滑系统》··GB50387-2006《轧机机械设备工程安装验收规范》GB50386-2006第二章施工部署2.1根据该工程特点和工程所处地理位置环境及现场条件,按发包人介绍的工程情况,在整个施工过程中,前期抓好安装工程准备工作,待土建基础完成后,及时与土建施工单位进行点、线及标高等技术数据的交接,设备到场后,在保证实现工期目标的前提下,统筹安排整个工程所有系统的施工,保证安装工期目标的如期实现。
大型轧机机架安装工艺简述王炼罗浩(中冶实久北方分公司山东莱芜 271100)[摘要]轧机机架尺寸及重量大,多数车间厂房内的行车都不能对机架进行直接吊装。
如何保证机架的合理吊装,是实际中值得重视的问题。
为解决这一难题,我单位在几个工程的总结更新下,形成了一套成熟的轧机机架安装技术。
本文重点介绍了机架吊具的设计制作、吊装工艺和安装要点。
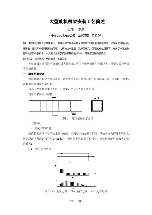
[关键词] 机架吊具吊具设计吊装工艺机架在吊装时采用两根箱形梁夹住机架,再用一根横梁作用于压下孔,用箱形梁和横梁将机架抬起。
一机架吊具设计对吊装梁进行受力分析可知,梁主要受正弯、侧弯、剪力和扭曲等,综合考虑以上因素,吊装梁宜采用箱形梁结构。
吊具主要由箱形梁(2件)、横梁、吊耳(2件)等组成。
箱形梁采用以下结构:图1 箱型梁结构示意图1 梁的设计1.1 确定梁的长度L梁的长度由两行车的起重能力确定。
当两行车的起重相同时,梁的长度为两行车钩头之间的距离(考虑到吊耳应加长1米);当两行车的起重不相同时,应按照力矩平衡来确定梁的长度L。
1.2 梁的受力分析图2(a)为受力图(b)为剪力图(c)为弯矩图12AF L F L= 12BF L F L = 其中: F —机架和梁的自重之和,即F=G+Q 中G 表示机架重量(已知)、Q 表示设计梁和吊耳的重量和(未知),Q 可以根据梁的截面尺寸计算式和吊耳的截面尺寸计算式的相关参数代替,在这里不作详细的代替过程的阐述。
从图(b )中可以确定:最大剪力tmax A =F F从图(c )中可以确定:最大弯矩max A 1=M F L 由公式可计算出截面模量:M max W 1.2f≥其中: f —抗弯强度 1.3 确定梁的截面尺寸1.3.1 腹板高度确定梁的高度由其经济性和刚度决定,经济性即梁最轻,刚度即为充分利用钢材强度,即满足梁的相对桡度W WL L ⎡⎤≤⎢⎥⎣⎦,桡度一般取1750。
按经济确定腹板高度:37300jw h=-按刚度确定腹板高度:[]min0.6fl E W L h= 其中: E —弹性模量f —材料屈服点按刚度确定的腹板高度应小于按经济确定的腹板高度,实际高度可以适当的大于计算结果。
目录第一章. 工程概况 (3)1.1 工程名称 (3)1.2 工程内容 (3)1.3 业主、设计、监理单位 (6)1.4 本工程采用规范标准 (6)第二章施工部署 (7)第三章施工前的准备 (9)第四章. 施工方案 (10)4.1设备安装工序 (10)4.2安装注意事项 (10)4.3设备安装 (11)4.3.1挂设轧机中心线与测量 (11)4.3.2轧机的安装 (13)4.3.3主轧线其他设备安装 (18)4.3.3.1辊道安装 (18)4.3.3.2翻钢机及推床安装 (19)4.3.4安装传动装置 (20)4.3.5基础二次灌浆 (22)4.3.6安装技术要求 (23)第五章质量保证体系及保证措施 (24)5.1质量管理体系 (24)5.2质量保证体系 (25)5.3施工阶段的质量控制 (25)第六章.安全技术措施 (26)6.1安全目标 (26)6.2施工安全保证措施 (26)第一章工程概况1.1工程名称某公司大型型钢线工程轧线设备安装工程1.2工程内容1.2.1 轧线主要设备(包括从轧区除鳞辊道开始至F2轧机延伸辊道结束之间的设备)1.2.1工程内容上述轧线机械设备的安装及调试工程、液压润滑油管道制作及安装工程、无负荷联动试车、配合联动热负荷联动试车等。
(以合同规定的施工范围及业主提供的图纸等相关资料为准)轧线设备安装在主轧厂房,它由除磷机辊道开始,经过BD1、BD2、F1、F2四列轧机组及相应地辊道、推床、翻钢等设备,到分段热锯机,全长351.999米。
1.3业主、设计、监理单位1.3.1建设单位:某中厚板材有限公司;1.3.2工程名称:某中厚板材有限公司大型型钢线工程轧线设备安装工程1.3.3设计单位:中国第一重型机械集团公司1.3.4监理单位:某监理公司1.4本工程采用规范标准《质量管理体系标准》GB/T19001-2008《建设工程项目管理规范》GB/T50326-2006《建设工程文件归档整理规范》GB/T50328-2001《工程测量规范》GB50026-93《机械设备安装工程施工及验收通用规范》GB50231-98 《冶金机械设备安装工程施工及验收规范-通用规定》GB50386-2006 《冶金机械设备安装工程施工及验收规范——液压、气动和润滑系统》GB50387-200 6《轧机机械设备工程安装验收规范》GB50386-200 6第二章施工部署2.1根据该工程特点和工程所处地理位置环境及现场条件,按发包人介绍的工程情况,在整个施工过程中,前期抓好安装工程准备工作,待土建基础完成后,及时与土建施工单位进行点、线及标高等技术数据的交接,设备到场后,在保证实现工期目标的前提下,统筹安排整个工程所有系统的施工,保证安装工期目标的如期实现。
轧机安装方案1. 引言轧机是一种常见的金属加工设备,用于将金属坯料压扁和加工成所需厚度的金属板材。
在轧机的安装过程中,需要考虑到设备的稳定性、安全性、操作性以及维护保养等方面的因素。
本文档将详细介绍轧机的安装方案,以帮助安装人员进行正确的操作。
2. 设备准备在安装轧机之前,需要确保以下几点设备准备工作已完成: - 轧机本体及其配件已经到位,且备齐所需的工具和设备。
- 安装场地已经清理干净,确保安装环境整洁、平整、无杂物。
3. 安装步骤步骤1:确定安装位置•根据轧机的尺寸和工作要求,选择一个稳固的安装位置。
•确保安装位置拥有足够的空间,方便轧机的操作、维护保养和故障排除。
步骤2:安装座台•准备座台,根据厂家提供的设计图纸,进行座台的安装。
•座台的安装要求稳固牢固,确保轧机能够稳定运行,并且方便操作。
步骤3:安装轧机本体•将轧机本体放置在座台上,调整位置使其垂直平稳。
•使用螺栓将轧机本体与座台连接固定,确保安装牢固。
步骤4:安装动力系统•安装驱动电机和传动装置,确保其与轧机本体相连。
•进行动力系统的接线和调试,确保其正常工作。
步骤5:安装控制系统•安装控制系统的电器设备,包括控制柜、按钮开关、显示屏等。
•进行控制系统的接线和调试,确保其正常工作。
步骤6:安装辅助设备•根据需要,安装与轧机配套的辅助设备,如冷却系统、润滑系统等。
•进行辅助设备的接线和调试,确保其正常工作。
步骤7:安装安全设备•安装安全防护装置,如安全护罩、急停按钮等,确保操作人员的安全。
4. 轧机调试步骤1:检查机械部分•检查轧机的传动装置、轧辊等机械部件,确保其运转正常,并进行必要的调整。
步骤2:调试动力系统•启动驱动电机,检查动力系统的运行情况,确保其能够正常运转。
步骤3:调试控制系统•启动控制系统,测试轧机的各项功能,如启动、停止、速度调节等。
步骤4:试运行•进行空载试运行,检查轧机各项指标是否满足要求,如噪音、震动等。
5. 安全注意事项•在安装和调试过程中,应遵循相关的安全操作规程,确保操作人员的安全。
世界有色金属 2018年 8月下248BD2粗轧机机械设备的优化改造蒋少东(河钢邯钢大型轧钢厂,河北 邯郸 056015)摘 要:BD2轧机设备是此生产线重要的工艺设备,可进行多孔型、多道次可逆轧制。
由BD1开坯出来的轧件在此进行粗轧初步成形、方坯终轧成形,无论生产型钢、重轨或方坯,BD2轧机设备的状况对工艺的影响都非常关键。
本文重点阐述BD2粗轧机机械设备的优化改造原因、内容、过程及效果。
关键词:粗轧机;机械;优化改造中图分类号:TG33 文献标识码:A 文章编号:1002-5065(2018)16-0248-2Optimization and transformation of mechanical equipment for BD2 roughing millJINAG Shao-dong(Large steel rolling mill of Han Gang.,Handan 056015,China)Abstract:BD2 rolling mill is an important equipment in this production line, which can be used for multi-pass reversible rolling. The condition of BD2 rolling mill equipment is very important for rough rolling preliminary forming and billet final rolling forming. This paper focuses on the reason, content, process and effect of the optimization and transformation of BD2 roughing mill mechanical equipment.Keywords:roughing mill; machinery; optimization and transformation收稿时间:2018-07作者简介:蒋少东,男,生于1985年,满族,河北秦皇岛人,本科,职称工程师,研究方向:机械。
156研究与探索Research and Exploration ·工艺与技术中国设备工程 2019.05 (上)随着机器设备更新速度的持续加快,对安装质量的要求也在飞速的提升。
就轧机而言,其重点部位安装技术就值得我们认真思考、细致分析,如此才能针对各个重点部位做好全方位的考量,最终实现轧机部件与零部件之间的完美组合,提高精确度。
1 安装调整垫板对于整个轧机安装来说,调整垫板的科学合理安装是第一步,首先要确保其载荷的传递与对应的分散,然后就是有利于调整轧机的底座,垫板布置的科学和理性以及垫轧机重点部位安装技术探析廖辉(武钢兴达经济发展有限责任公司,湖北 武汉 430083)摘要:科学技术的快速发展使机器设备安装要求在不断提高。
随着轧机使用范围的进一步扩大,其安装技术要求也有了明显的提升,但轧机本身的安装技术会直接影响带钢产品的生产与销售。
从目前的轧机技术发展趋势来看,其本身的配件较重,要求安装的精度满足既定要求,并且还要进一步缩短轧机的安装周期,以便提升其质量。
所以通过借鉴轧机安装的成功经验,本文对轧机重点部位的安装进行分析。
关键词:轧机;安装;重点部位中图分类号:TG333 文献标识码:A 文章编号:1671-0711(2019)05(上)-0156-03板的施工质量都会对轧机整体的运转精度、安装精度以及使用寿命带来直接的影响。
一般在工程施工环节会利用灌浆法进行施工,而其材料、规格型号、垫板的布置等环节都需要提升由设计院来做好对应的设计,并且一组垫板一般都是通过一平两斜共同来组成的。
在进行垫板的安装中,还需要针对平垫板做好对应的固定灌浆处理,在安装该垫板前要直接将基础表面凿毛。
通过锚固螺栓将基础与垫板固定后,再利用螺帽与螺杆的调整,实现对平垫板的找平与找正处理,然后利用图2 防变形弯管 图3 弹性夹头示意图 图4 芯轴示意图2.3 生产试验验证如图5所示为所设计的防变形弯管工装实物图,芯轴与弹性夹头通过螺纹连接,芯轴圆柱杆通过焊接固定在芯轴上端面。
《[轧机二高生产工艺流程和精轧学习工作总结]》摘要:精轧机组平常工作主要可以分轧机调整更换和成品质量检测控制轧机调整轧机调整应不得随调整模块式轧机机架其原固有两是动了其某架轧机辊缝会破坏各机架微张力关系造成产品尺寸波动,成品质量缺陷主要有以下几、双边耳子①压下量, 00909 蔡思维</轧机二高生产工艺流程和精轧学习工作总结十月十七日分至二高精轧高速区到现以有接近月短暂适应开始投入进新岗位学习和生产二高各位老师傅指导和助下对二高生产工艺流程和精轧高速区基要有了定认识现对这段认知和理做总结二高工艺流程冷胚上→测长、称重、剔除→装炉、加热→出炉、输送、剔除→除鳞→粗轧机组轧制→#飞剪剪切→轧机组轧制→#飞剪剪切→预精轧机组轧制→预水冷冷却→3#飞剪剪切→精轧机组轧制→水箱控冷→夹送、吐丝→散卷控制冷却→集卷→运卷挂钩→&运输机运输→质量检、取样、剪切→压紧打捆→盘卷称重→挂标签→卸卷→入库→发货二高选用8架轧机粗、、预精轧机组各6架平¥立交替布置单独传动精轧机组0架顶交5°精轧机组集体传动全线无扭轧制轧制主要通金属弹性变形、塑性变形、金属塑性、体积不变定律、阻力定律、绝对变形量、相对变形量和咬入、宽展等特性再轧辊把钢胚压缩成钢丝二精轧高速区精轧高速区主要控制9#~8#轧机精轧机组是采用固定道次轧辊速比以单线微张力无扭高速连续轧制方式进行合理孔型设计和精确轧件尺寸计算配合以耐磨损轧槽采用较直径轧辊以椭圆孔型系统轧制多规格产品机架心距尽可能以减轻微张力对轧件断面尺寸影响精轧前及精轧道次进行轧件穿水冷却进行轧件变形温控制通精轧高速区十机架生产出合规格成品钢丝二高般生产¢55~0线材允许偏差0~+0二高这段立主要轧制¢65和¢80两种线材精轧机组平常工作主要可以分轧机调整更换和成品质量检测控制轧机调整轧机调整应不得随调整模块式轧机机架其原固有两是动了其某架轧机辊缝会破坏各机架微张力关系造成产品尺寸波动;二是辊式导卫导辊开口是根据样棒精确调整若放某架辊缝变会导致导辊使用寿命降低甚至损坏导轮而出废品;若压某道次辊缝会造成变导轮夹持不稳会出现倒钢现象精轧机组主要有辊环和导位安装调整拆辊作业般通液压扳手拆除利用液压扳手启动打开装置将辊环锁紧螺母旋半圈并检打开压力(9#~8#打压30~50br;9#30#打压80~00br)拆除辊环必须检密封圈是否漏油如有漏油情况应立即通知相关人员更换密封圈装辊作业辊环安装期首先确保与辊环相关各部件干净通工业酒精彻底清洗辊轴和锁紧螺母上螺纹用辊环纸倒上酒精擦拭辊环锥套直至辊环纸无油污染并保持清洁检辊轴上锥形面用浸酒精砂纸(粒000)擦光然用干净布或工业用纸擦干净喷层-3喷液辊轴锥形面上用轻型润滑脂(二硫化钼)润滑辊轴上螺纹(仅适用螺纹不能粘到辊轴锥形面上)把辊环放入辊轴上把检测锁紧装置放到辊轴上手动旋紧锁紧螺母直到手动旋不动止再通液压扳手完全锁紧位置安装辊环应上下辊环水平面是否保持水平特别事项辊环搬运不能戴手套安装完辊环用标识液做标识每次停机都要对标识位置进行检确保辊环无松动3 若标识消失须重新做标识若辊环松动须将辊环拆出并通知相关人员对轧辊轴、锥套进行检确认没问题重新换新锥套进行安装旧锥套下线检5每次停机都要对辊环温进行检若温较其它辊环明显偏高通知相关人员对水冷系统进行检到原因并方能开机6用锥套必须下线清洗、检测合格方能重新使用7.严格遵守预精轧、精轧十机架装辊压力标准00br导位安装安装导位要检导位卡槽是否粘有渣导致导位不能到位要检导位进出口和辊缝是否保持通畅安装导位程镜面显示上下弧要保持样如上下弧不致应根据镜面显示相应调整调整前要先松动导位上卡槽螺丝当导位调整导位插水管、油管油管要添加润滑油其水管起到导轮冷却作用油管保持导轮润滑防止导轮旋不动B成品质量检测控制成品质量缺陷主要有以下几、双边耳子①压下量;②;③轧制低温钢;④导板安装不正;⑤导板使用不当导板磨损量粘结氧化铁皮、单边耳子①轧辊有明显锥辊缝边、边;②轧辊回窜动;③导卫不合要入口夹板偏向边夹板安装长短不齐夹板不与轧辊轴线垂直入口夹板某块粘了较多氧化铁皮而另块上没有或很少有粘氧化铁皮夹板松动特别是单边松动夹板与轧辊安装位置不正与轧辊接触易使夹板松动④上道次轧槽磨损不匀夹板尖距轧辊垂直心线0~30 3、错边耳子①上下轧辊槽口不样;②上下辊相对应辊环尺寸不样;③上下辊槽口没有对正、尺寸超差①轧辊不圆上下槽孔不样深;②轧辊辊颈心与辊身心不重合;③轧辊铸造或铸热处理不当造成半边软半边硬;④轧辊锥不合要;⑤压下调整不当;⑤钢温低;⑦拉钢轧制5、折叠①轧件前孔型产生耳子道次轧制耳子被轧制成折叠;②导卫装置刮伤轧制划痕被轧制成折叠6、麻面麻面由孔型表面粗糙造成遍及钢材表面全长、不规则凹凸缺陷产生这种缺陷主要原因有三()该孔型轧制量多;()轧槽冷却水管理不善或冷却方法不当(3)轧辊材质软组织不匀防止产成麻面方法()适当规定每轧槽轧制吨位;()改善轧槽冷却水水量、水压和冷却方法;(3)选择适当轧辊材质7、刮伤刮伤是沿轧制方向上纵向细长凹下缺陷其形状和深浅、宽窄随产生原因不而异产生刮伤主要原因是()轧材氧化铁皮或其他异物堆积导卫装置与高温、高速运动轧件接触而产生刮伤()由导向磨损保养不焊瘤清楚干净般说这种缺陷多发生成品轧机前因粗轧机上发生往往轧和精轧机组上消失如轧或精轧机组上发生严重往往以类似裂缝和折叠缺陷残留成品上防止刮伤方法()定期清理并及修理更换导卫装置()正确安装进出口导卫装置防止轧件与导卫装置产生、线接触(3)选用不易产生热粘结材质作导卫装置以上容是人轧机近月所了和学习但是知易动难虽然有些容能说上二但具体面对候还要多动手练习还要多系到实际情况多操作俗话说熟能生巧只有多练习才能熟练适应新岗位生产操作以生产我定虚心请教师傅多向事学习平常己多思考多练习争取早日能己单独操作00909 蔡思维。
浅析轧机设备基础螺栓套筒的安装技术摘要:随着我国城市化进程的不断发展,各种工业建筑拔地而起。
其中T 形头套筒螺栓是工业建筑中用于固定设备、固定支撑系统的一种螺栓。
本文探讨了工业建筑中T形头套筒螺栓的一般安装方法。
实践证明,该方法通用、快速、简单、方便,可以很好地控制套筒螺栓的精度。
关键词:轧机设备螺栓套筒安装技术Abstract: along with our country city changes a course is ceaseless development, all kinds of industrial buildings. The T head sleeve bolt is industrial buildings for fixing device, fixing a bolt support system. This paper discusses the industrial building in the T head sleeve bolt general installation method. Practice has proved, this method universal, rapid, simple and convenient, and can control the precision sleeve bolt.Key words: mill bolt sleeves installation technology前言在工业建筑中,T型螺栓套筒施工安装工序是大型设备安装全过程中的关键工序,其施工安装质量控制的精度直接影响设备能否顺利成功安装和正常使用。
为保证施工安装质量,围绕全面质量管理、工序质量控制的思想,从T型螺栓套筒施工前准备、制作、成品验收、测量放线、固定、混凝土浇筑及成品保护等方面阐述了质量控制的要点,并制定了有效的质量控制措施。
一、概述T形头套筒螺栓的特点是,由筒体和螺栓两部份组成,其螺栓直径大(48mm 以上),重量重,长度长( 600mm以上),筒体又是由锚板(厚度在50mm以上)和套筒组成。
轨梁950技改BD2轧机安装工艺研究一、立项背景及目的攀钢钒轨梁厂是依靠自身技术力量建设的大型型材厂,包括万能生产线和950生产线。
950生产线建设于上世纪70年代,现有950生产线装备在质量、产量方面已不能满足市场和用户的高标准要求。
同时,随着国家铁路建设的发展,近年来铁路用钢需求量持续旺盛。
因此有必要对950生产线进行改造,这样既可可以提高百米重轨的产能,显著缓解万能线的重轨生产压力,同时亦可将两条生产线的产品进行合理分配,灵活应对市场变化。
本改造设备采用典型跟踪式轧线布置,主轧机除950 轧机为利旧外,其余轧机新增,均为当前先进的高强度牌坊式轧机结构形式。
BD2 粗轧机选用二辊可逆式闭口牌坊轧机,采用高精度滚动轴承轧辊辊系,轴向窜动小、承载能力强、轴承寿命高;上、下辊操作侧轴承座采用液压轴向锁紧,操作灵活、使用可靠;液压防轧卡装置,可快速处理轧件阻塞事故,并具有过载保护功能;轧机快速换辊可有效节省换辊时间。
本工程是攀钢以高新技术产业化,高新技术改造传统产业、优质重点产品和技术结构的技术改造工程,在充分利用轨梁厂原950轧线的厂房,公辅设施和部分设备的基础上,实施技术改造,因此,本工程具有技术难度高、施工工期短、施工场地狭窄、多专业、多单位交叉作业的特点、难点。
本工程的安装工期仅为11天,同时在轧机底座安装开始与建筑及其他专业混合交叉作业。
如何合理协调现场的吊车、人员、和工序组织将是本工程的一大难点。
图1BD2轧机区域布置图针对本次改造施工的实际情况,本课题组认真研究施工工艺,提出合理的工序优化,充分利用工序之间的交叉时间,提高吊车的利用率,做到工序间无缝连接。
二、工艺难点分析1、工序节点交叉施工本次改造工程以元月10日950线停产开始到新设备安装只有30天时间,包括旧设备拆除,建筑基础施工、浇筑。
按照施工网络要求,及完成节点在2月17日,则设备安装时间只有9天,因此,我们在设备拆除过程中按照原计划的7天提前到第6天由建筑进场,而建筑计划2月6日交基础进行设备安装施工,提前为2月5日进场。
在拆除过程中的前6天集中力量将主要基础上的旧设备先拆除完成,让建筑按排进入交叉施工,这样也可以利用建筑的机械设备来拆除设备埋有混凝土的底座;同样在建筑拆除新浇灌的基础模板时,我们可以提前进行座浆基础的处理。
在对BD2轧机底座进行安装找正的过程中,同时对附属设备的底座进行安装,减速机的联轴器电加热安装。
在这个时间段里吊车的使用频率少,轧机的附属设备进场。
在安装设备底座前根据测量的留点,复核整个轧机区域各设备安装数据的中心尺寸,提前发现有偏差的地方,提出解决方案,在设备底座安装的时候进行实施。
2、基础垫板施工按照正常设备基础垫板的安装法是研磨设备基础和垫板来对安装设备进行找正,但是这样常规的工序所需要的施工时间较长,不能满足本次施工的要求。
因此,本次改造工程我们将采用座浆法来安装设备垫板。
首先在垫板加工过程中,我们对不同部位垫板的加工精度进行控制,针对高精度的轧机基础垫板进行编组加工,并对每一组垫板的接触面采用上磨床的方式以保证其精度要求,其他辊道等设备垫板采用精加工。
其次根据对座浆料有选择,采用优质的无收缩料;最后针对不同形状的设备基础,根据设备底座的结构及螺栓孔的布置,提前设计好垫板的布置,画好布置图,让所有参与施工的人员都能在最短时间内进行基础施工。
3、测量放线在整个施工过程中,测量是工程施工的基础。
为保证施工质量在建筑对预埋螺栓布置完成后,我们参与对螺栓的各项参数进行复核,以保证设备的顺利安装。
首先在基础处理之前,将整个轧机区域的几个中心及标高标识在基础上,做成永久的留点。
其次根据设备的安装标高,测量完成后标识在设备基础螺栓上。
最后在每一组座浆垫板安装同时用精准测量仪进行测量确认。
4、施工精度高对于轧机的安装,其安装精度要求较高,主要在两个方面。
一是测量方式上能够达到要求精度,二是测量工具本身的精度能够达到要求。
三、研究内容和目标(一)研究内容1、工艺优化方案的研究通过对施工过程的分析,结合不同工艺特点和现场环境的不同提出了一系列交叉施工和平行施工节点解决了施工工期的问题。
2、基础垫板施工的技术研究通过对不同基础施工方法的分析,结合设备的安装要求,通过受力分析研究,合理选取座浆方法施工基础垫板。
(二)研究目标1、实现在旧生产线拆除的情况下进行快速、高效的完成轧机区域设备的安装施工;2、实现合理的改变工序之间的逻辑关系,利用关键工序的时差,科学地调整工期与资源消耗;3、实现比传统轧机安装施工节省经济成本44万元;4、为建筑或冶金行业中的大型钢构件或设备校正修复等类似作业的施工提供新的技术参考。
四、工艺研究过程(一)主要施工工序(二)座浆法技术研究冶金设备安装中常用的垫铁安装方法有三种:1、灌浆垫铁这种方法类似座浆垫板,但垫板面积较大,垫板下支撑四颗螺栓,用螺帽来调节垫板的标高和水平,然后支模,用灌浆料灌浆固定。
2、座浆垫板座浆法是一种较为先进的冶金设备安装方法,具体方法如下:1)在设置垫铁的混凝土基础部位凿出座浆坑,座浆坑的长度和宽度应比垫铁的长度和宽度大60-80mm,座浆坑凿入基础表面的深度不应小于30mm,且座浆层混凝土的厚度不应小于50mm。
2)清理坑内松动的混凝土,清理坑内的积渣、灰、杂物,用水冲洗干净,泡润基坑,并清理积水。
3)在坑内铺一层薄水泥浆。
4)将搅拌好的混凝土灌入坑内,并分层捣固,每层以40-50mm厚为宜,连续捣至浆浮在表面层以利抽浆5)当混凝土表而不再泌水或水迹消失后,即可放置垫铁并测定标高,垫铁上表面标高允许偏差为±0.5mm,水平度允许偏差为0.1/1000。
3、研磨基础研磨基础法施工垫板是设备安装最常用的方法。
在水泥基础养护达到标准后,利用电动工具和水泥磨片磨去基础上的浮层,在放置垫铁的位置进行研磨至达到要求。
另外还有一种无垫板安装工艺,就是采用临时垫板将设备就位后进行二次灌浆。
五、工艺技术实施(一)基础施工准备1、基础交接验收基础交接验收由一级项目部组织进行,埋设中心标板,基准点,基础验收及沉降观测。
1)、基础验收①、检查基础的施工技术资料。
主要核查测量放线记录是否完整,是否具有质量合格证明书。
②、设备基础上应有明显的标高准线和纵横中心线,相应建筑物上应标有明显的坐标轴线。
设计要求作沉降观测的设备基础应有沉降观测水准点。
③、设备基础表面不得有裂纹、蜂窝、空洞、露筋等缺陷。
设备基础表面和地脚螺栓孔内的油污、积水及其它杂物均应清理干净。
④、混凝土强度应达到设计要求,周围上方应回填、夯实、整平。
⑤、实测基础的外形尺寸,对照基础图和设备技术文件进行复核,其尺寸允许偏差必须符合规范要求。
(见表1)表1 设备基础的允许偏差⑥、检查地脚螺栓的坐标尺寸和外观质量。
坐标尺寸必须与到场设备相符;地脚螺栓露出部分应垂直,露出高度满足安装要求,螺纹质量保护完好,无损坏和生锈现象。
⑦、基础验收合格后,及时办好中间过程交接签证单。
2)、埋设中心标板,基准点及沉降观测基础完工后,建筑单位应提出中间交接技术资料(至少四份原件),另外建筑单位应做好基础回填工作,并应将基础表面及预留孔内的一切杂物清理干净。
建筑单位先进行沉降观测,并做详细记录,发现沉降后,应该及时采取有效措施弥补,待基础沉降稳定后方可交于进行设备安装。
复查建筑专业交接的中心线,基础外形尺寸、标高,地脚螺栓或预留孔洞的中心线复查;复查时以《机械设备安装工程施工及验收通用规范—GB50231-98》中相关条款作为验收标准,或图纸中有技术要求以图纸为准(选用要求较高的为准)。
中心标板及标高基准点的埋设,应该根据现场情况具体定位,埋设好的基准点应待混凝土凝固后,放点定线,做好明显标记并编号,测量误差应小于0.5mm。
标板及基准点应该经业主方与监理认可后方可使用,并做好认可资料的签字保存工作,对中心标板及基准点应该经常复查测量,施工中并加以保护。
(二)设备交接验收1、校正前的准备工作在建设单位和监理单位的参与下,对照装箱单及图样进行设备检查,并做好《设备验收、清点记录》①、检查到货设备的技术文件(出厂合格证明书、安装说明书、装配图等)是否完整。
②、根据设备一览表核对设备的型号、规格、名称及外形尺寸是否与设计相符。
③、根据设备管口方位图和管道平面布置图,核查设备的管口方位。
④、检查设备内件及附件的规格、尺寸和数量是否齐全。
⑤、检查设备及其零部件的表面质量是否完好,无损坏、变形和锈蚀等缺陷,必要时进行无损检查。
检查合格后,须对设备作好防护工作。
有色金属设备、衬里设备、陶瓷设备及其它易损设备应避免与钢制设备混杂堆放。
场地要保持平整、清洁。
设备的零部件、技术资料和专用工具等均要妥善保管。
(三)垫板的选型本次BD2轧机安装采取基础座浆法,首先根据设备载荷及底座尺寸选用合适的垫铁,检查垫铁的表面质量。
垫铁表面应无氧化皮和飞边等缺陷,斜垫铁表面的光洁度和斜度均应符合规范要求。
斜铁计算公式及选用表如下:A≥C×(Q1+Q2)×104/RA ——垫铁面积(mm2);Q1——由于设备等的重量加在垫铁组上的负荷(N);Q2——由于地脚螺栓拧紧分布在该垫铁组上的压力(N)可取螺栓的许抗应力;R——基础或地坪的单位面积抗压强度(MPa),可取设计强度;C——安全系数,宜取1.5~3;垫铁简图一:厚度h根据实际情况定,底层平垫铁一般不小于10mm。
参照万能线冷床基础垫板情况,本次设备安装选用的斜垫铁及平垫铁都为160×90mm,1:20。
如下图所示,其中c为零。
图二垫铁简图(四)垫板座浆①、复查设备底座的安装标高,将该标高留点在地脚螺栓上,拉设座浆后垫板标高参考线,清除平垫板锈、杂物、油污。
②、根据垫板分布,尺寸,设备底座边缘与地脚螺栓相对位置,垫板应露出设备底座边缘10~30mm,确定需凿除混凝土位置、厚度。
图三轧机底座垫板布置图③、凿座浆坑,座浆厚度不小于30mm,清理坑内松动的混凝土,清理坑内的积渣、灰、杂物,用水冲洗干净,泡润基坑,并清理积水。
④、座浆坑的长度和宽度应比垫铁的长度和宽度大60-80mm,座浆坑凿入基础表面的深度不应小于30mm,且座浆层混凝土的厚度不应小于50mm。
座浆料按一定量配比无收缩灌浆料,搅拌均匀座浆料,用水应较少,按每次不超过40mm填充基坑,捣紧后再添加座浆料,再捣紧,捣紧拍打后达到反浆程度。
当混凝土表而不再泌水或水迹消失后,即可放置垫铁并测定标高。
垫铁上表面标高允许偏差为±0.5mm;垫铁放置于混凝上上应用手压、用木锤敲击或手锤垫木板敲击垫铁面,使其平稳下降;敲击时不得斜击;垫铁标高测定后,应拍实垫铁四周混凝土;混凝土表面应低于垫铁而2~5mm,混凝土初凝前应再次复查垫铁标高。